常用金属材料重量手册
- 格式:xls
- 大小:314.00 KB
- 文档页数:4
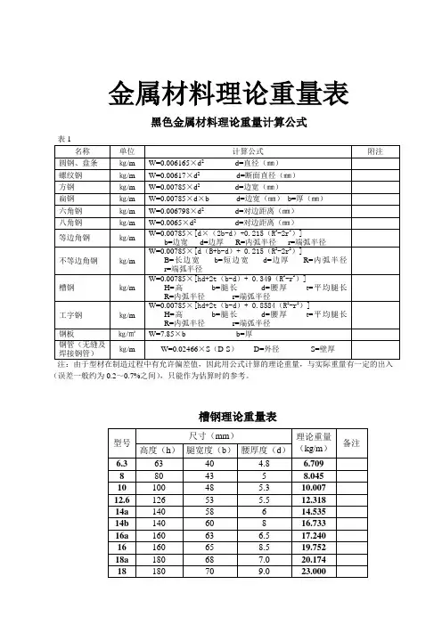
完整版)五金手册查询表金属材料理论重量表下面是金属材料理论重量计算公式表:表1名称。
单位。
计算公式圆钢、盘条。
㎏/m。
W=0.×d²(d为直径,单位为㎜)螺纹钢。
㎏/m。
W=0.×d²(d为断面直径,单位为㎜)方钢。
㎏/m。
W=0.×d²(d为边宽,单位为㎜)扁钢。
㎏/m。
W=0.×d×b(d为边宽,b为厚,单位为㎜)六角钢。
㎏/m。
W=0.×d²(d为对边距离,单位为㎜)八角钢。
㎏/m。
W=0.0065×d²(d为对边距离,单位为㎜)等边角钢。
㎏/m。
22W=0.×[d×(2b-d)+0.215(R-2r)](b为边宽,d为边厚,R为内弧半径,r为端弧半径)不等边角钢。
㎏/m。
22W=0.×[d(B+b-d)+0.215(R-2r)](B为长边宽,b为短边宽,d为边厚,R为内弧半径,r为端弧半径)槽钢。
㎏/m。
22W=0.×[h×d+2t(b-d)+0.349(R-r)](H为高,b为腿长,d为腰厚,t为平均腿长,R为内弧半径,r为端弧半径)工字钢。
㎏/m。
22W=0.×[h×d+2t(b-d)+0.8584(R-r)](H为高,b为腿长,d为腰厚,t为平均腿长,R为内弧半径,r为端弧半径)钢板。
㎏/㎡。
无公式,根据实际尺寸和厚度查询重量表即可钢管(无缝及焊接钢管)。
㎏/m。
W=0.×S(D-S)(D为外径,S为壁厚,单位均为㎜)注:由于型材在制造过程中有允许偏差值,因此用公式计算的理论重量,与实际重量有一定的出入(误差一般约为0.2~0.7%之间),只能作为估算时的参考。
槽钢理论重量表下面是槽钢的理论重量表:型号。
尺寸(mm)。
高度(h)。
腿宽度(b)。
腰厚度(d)。
理论重量(kg/m)。
备注6.3.40.20.4.8.6.7098.43.20.5.8.04510.48.22.5.3.10.00712.6.53.22.5.5.12.31814a。
金属材料理论重量表
黑色金属材料理论重量计算公式
表1
注:由于型材在制造过程中有允许偏差值,因此用公式计算的理论重量,与实际重量有一定的出入(误差一般约为0.2~0.7%之间),只能作为估算时的参考。
槽钢理论重量表
圆钢直径和方钢边长及理论重量表表1-1
注:1、表中的理论重量是按钢的密度为7.85计算的。
2、表中带*者不推荐使用。
3、螺纹钢6、7、8、9、10、12、1
4、16、18、20、22、2
5、28、32、3
6、40的理论重量同圆钢的理论重量。
工字钢理论重量
无缝钢管理论重量
注:钢管的理论重量(密度为7.85)按公称尺寸计算,其计算公式为P=0.02466*S(D-S),式中:D为钢管的公称外径(㎜);S为钢管的公称壁厚(㎜)。
花纹钢板理论重量
钢丝绳理论重量
说明:表中前者为6芯钢丝绳,后者为8芯钢丝绳.
等边角钢理论重量
不等边角钢理论重量。
金属材料理论重量表
黑色金属材料理论重量计算公式
表1
注:由于型材在制造过程中有允许偏差值,因此用公式计算的理论重量,与实际重量有一定的出入(误差一般约为~%之间),只能作为估算时的参考。
槽钢理论重量表
圆钢直径和方钢边长及理论重量表表1-1
2、表中带*者不推荐使用。
3、螺纹钢6、7、8、9、10、12、1
4、16、18、20、22、2
5、28、32、3
6、40的理论重量同
圆钢的理论重量。
工字钢理论重量
无缝钢管理论重量
的公称外径(㎜);S 为钢管的公称壁厚(㎜)。
花纹钢板理论重量
钢丝绳理论重量
等边角钢理论重量
不等边角钢理论重量。
金属材料理论重量计算方法角钢:每米重量=0.00785*(边宽+边宽-边厚)*边厚圆钢:每米重量=0.00617*直径*直径(螺纹钢和圆钢相同)扁钢:每米重量=0.00785*厚度*边宽管材:每米重量=0.02466*壁厚*(外径-壁厚)板材:每米重量=7.85*厚度黄铜管:每米重量=0.02670*壁厚*(外径-壁厚)紫铜管:每米重量=0.02796*壁厚*(外径-壁厚) 铝花纹板:每平方米重量=2.96*厚度有色金属比重:紫铜板8.9黄铜板8.5锌板7.2铅板11.37 有色金属板材的计算公式为:每平方米重量=比重*厚度钢材理论重量计算钢材理论重量计算的计量单位为公斤( kg )。
其基本公式为:W (重量, kg ) = F (断面积 mm2 )× L (长度, m )×ρ(密度, g/cm3 )× 1/1000钢的密度为: 7.85g/cm3 ,各种钢材理论重量计算公式如下:名称(单位)计算公式符号意义计算举例圆钢盘条(kg/m)W= 0.006165 ×d×d d = 直径mm直径100 mm 的圆钢,求每m 重量。
每m 重量= 0.006165 ×1002=61.65kg 螺纹钢(kg/m)W= 0.00617 ×d×dd= 断面直径mm断面直径为12 mm 的螺纹钢,求每m 重量。
每m 重量=0.00617 ×12 2=0.89kg 方钢(kg/m)W= 0.00785 ×a ×aa= 边宽mm边宽20 mm 的方钢,求每m 重量。
每m 重量= 0.00785 ×202=3.14kg扁钢(kg/m)W= 0.00785 ×b ×db= 边宽mm d= 厚mm边宽40 mm ,厚5mm 的扁钢,求每m 重量。
每m 重量= 0.00785 ×40 ×5= 1.57kg六角钢(kg/m)W= 0.006798 ×s×s s= 对边距离mm对边距离50 mm 的六角钢,求每m 重量。
钢铁重量计算手册钢铁是一种常用的建筑材料,其重量在工程设计和施工计划中起到重要的作用。
钢铁重量的准确计算对于建筑结构的稳定性和安全性至关重要。
本文档将介绍钢铁重量计算的方法和公式,帮助读者准确计算和估算钢铁的重量。
正文一、计算平板钢的重量平板钢的重量计算公式为:重量 = 长度(mm)×宽度(mm)×厚度(mm)×钢材密度(g/cm)÷ 1000。
其中,钢材密度可以通过查询相关资料或者咨询钢材供应商获得。
钢材的厚度一般使用毫米(mm)作为单位,其他尺寸可以根据实际情况选择合适的单位。
二、计算钢管的重量钢管的重量计算公式为:重量 = π× (外径(mm)- 内径(mm)) ×长度(mm)×钢材密度(g/cm)÷ 1000。
其中,π为圆周率,钢材密度同样需要查询相关资料或者咨询供应商获取。
三、计算钢筋的重量钢筋的重量计算公式为:重量 = π×直径(mm)×长度(mm)×钢材密度(g/cm)÷ 400。
需要注意的是,钢筋的直径一般使用毫米(mm)作为单位,其他尺寸可以根据实际情况选择合适的单位。
四、计算钢梁的重量钢梁的重量计算公式为:重量 = 宽度(mm)×高度(mm)×长度(mm)×钢材密度(g/cm)÷ 1000。
钢梁的宽度和高度一般使用毫米(mm)作为单位,其他尺寸可以根据实际情况选择合适的单位。
五、计算钢板桩的重量钢板桩的重量计算公式为:重量 = 厚度(mm)×宽度(mm)×长度(mm)×钢材密度(g/cm)÷ 1000。
同样,钢板桩的厚度、宽度和长度一般使用毫米(mm)作为单位,其他尺寸可以根据实际情况选择合适的单位。
综上所述,本文档介绍了钢铁重量计算的方法和公式,包括平板钢、钢管、钢筋、钢梁和钢板桩的重量计算。
常用金属材料目录1 范围2 规范性引用文件3 术语4 常用碳素结构钢材5 弹簧钢6 镀锌钢板及钢带7 常用不锈钢8 铝合金板材9 压铸铝合金10 铜合金常用金属材料参考手册1 范围本手册列举了常用钢材、不锈钢材、铝合金、铜合金的标记、性能参数及一般用途。
为设计工程师、品检工程师提供依据。
2 规范性引用文件2.1 GB/T 699《优质碳素结构钢》2.2 GB/T 700《碳素结构钢》2.3 GB/T 2518《连续热镀锌钢板及钢带》2.4 ASTM A666《退火或冷加工奥氏体不锈钢薄板、钢带、厚板和扁钢》2.5 GB/T 16475《变形铝及铝合金状态代号》2.6 GB/T 1222 《弹簧钢》3 术语3.1 抗拉强度(tensile strength):是金属由均匀塑性变形向局部集中塑性变形过渡的临界值,也是金属在静拉伸条件下的最大承载能力。
对于塑性材料,它表征材料最大均匀塑性变形的抗力,拉伸试样在承受最大拉应力之前,变形是均匀一致上的,但超出之后,金属开始出现缩颈现象,即产生集中变形;对于没有(或很小)均匀塑性变形的脆性材料,它反映了材料的断裂抗力。
符号为RM,单位为MPA。
3.2 伸长率(elongation):指金属材料受外力(拉力)作用断裂时,试棒伸长的长度与原来长度的百分比,伸长率按试棒长度的不同分为:短试棒求得的伸长率,代号为δ5,试棒的标距等于5倍直径长试棒求得的伸长率,代号为δ10,试棒的标距等于10倍直径,其中标距为用来测定试样应变或长度变化的试样部分原始长度。
4 常用碳素结构钢材4.1 标记:我司常用碳素结构钢建议采用国家标准牌号,具体参考:GB/T699及GB/T700,也可根据日本牌号(宝钢)如下:厚度牌号,如Q235、08AL、SPHC、SPHD、SPCC等名称4.2 碳素结构钢热轧薄钢板,参考GB/T7004.2.1 Q195性能参数表,如表14.3 优质碳素结构钢薄钢板及钢带,参考GB/T 699 4.3.1 08F结构钢性能参数表,如表44.3.2 08AL结构钢性能参数表,如表54.3.4 20结构钢性能参数表,如表74.3.5 45优质碳素结构钢性能参数表,如表85 弹簧钢,参考GB/T 12226 镀锌钢板及钢带6.1按生产及加工方法可分为以下几类:6.1.1 热浸镀锌钢板。
金属材料理论重量表
黑色金属材料理论重量计算公式
表1
注:由于型材在制造过程中有允许偏差值,因此用公式计算的理论重量,与实际重量有一定的出入(误差一般约为0.2~0.7%之间),只能作为估算时的参考。
槽钢理论重量表
圆钢直径和方钢边长及理论重量表表1-1
2、表中带*者不推荐使用。
3、螺纹钢6、7、8、9、10、12、1
4、16、18、20、22、2
5、28、32、3
6、40的理论重量同
圆钢的理论重量。
工字钢理论重量
无缝钢管理论重量
D 为钢管的公称外径(㎜);S 为钢管的公称壁厚(㎜)。
花纹钢板理论重量
钢丝绳理论重量
等边角钢理论重量
不等边角钢理论重量。
钢材理论重量表钢材是一种高强度、耐腐蚀性强的金属材料,广泛应用于建筑、机械制造、船舶、桥梁等领域。
在使用钢材时,我们需要了解其理论重量,以便进行计算和选择合适的钢材规格。
下面,我们来介绍一下钢材的理论重量表。
钢材的理论重量计算公式为:理论重量(kg/m)=截面积(mm²)×密度(g/cm³)÷1000钢材的截面积是指其横截面积,可以通过计算或查阅手册得知。
而密度是指钢材的单位体积重量,通常为7.85g/cm³。
下面是常见钢材规格的理论重量表,供大家参考:1. 热轧钢板规格(mm)截面积(mm²)理论重量(kg/m)1.5×1500×6000 13500000 100.52.0×1500×6000 18000000 134.02.5×1500×6000 22500000 167.53.0×1500×6000 27000000 201.04.0×1500×6000 36000000 268.05.0×1500×6000 45000000 335.06.0×1500×6000 54000000 402.08.0×1500×6000 72000000 536.010×1500×6000 90000000 670.02. 冷轧钢板规格(mm)截面积(mm²)理论重量(kg/m)1.0×1500×6000 9000000 66.751.2×1500×6000 10800000 80.11.5×1500×6000 13500000 100.52.0×1500×6000 18000000 134.02.5×1500×6000 22500000 167.53.0×1500×6000 27000000 201.04.0×1500×6000 36000000 268.03. 工字钢规格(mm)截面积(mm²)理论重量(kg/m)100×50×5×7 13800 10.9120×55×5×7 16620 13.1126×60×5×8 20280 15.9140×60×6×8 24640 19.4160×63×6.5×9 31120 24.5180×68×7×10 39120 30.7200×73×7×11 48400 38.1220×77×7×12 58240 45.8250×78×7×12 67500 53.04. 角钢规格(mm)截面积(mm²)理论重量(kg/m)25×25×3 1875 1.4630×30×3 2250 1.7530×30×4 3000 2.3440×40×3 3000 2.3440×40×4 4000 3.1240×40×5 5000 3.9050×50×4 5000 3.9050×50×5 6250 4.9050×50×6 7500 5.86以上为常见钢材的理论重量表,希望对您有所帮助。
金属材料理论重量计算方法角钢:每米重量=0.00785*(边宽+边宽-边厚)*边厚圆钢:每米重量=0.00617*直径*直径(螺纹钢和圆钢相同)扁钢:每米重量=0.00785*厚度*边宽管材:每米重量=0.02466*壁厚*(外径-壁厚)板材:每米重量=7.85*厚度黄铜管:每米重量=0.02670*壁厚*(外径-壁厚)紫铜管:每米重量=0.02796*壁厚*(外径-壁厚) 铝花纹板:每平方米重量=2.96*厚度有色金属比重:紫铜板8.9黄铜板8.5锌板7.2铅板11.37 有色金属板材的计算公式为:每平方米重量=比重*厚度钢材理论重量计算钢材理论重量计算的计量单位为公斤(kg )。
其基本公式为:W (重量,kg )= F (断面积mm2 )× L (长度,m )×ρ(密度,g/cm3 )× 1/1000钢的密度为:7.85g/cm3 ,各种钢材理论重量计算公式如下:。
无缝钢管计算公式为:外径-臂厚*臂厚*0.02466=每米重量例如:ф159*5无缝钢管每米重量计算为:【159-5*5*0.02466=19.988公斤/米】。
螺旋焊管计算方法与无缝钢管相同.(试用于焊接钢管).螺旋焊管每米另加0.5公斤。
钢板重量计算方法为:长*宽*厚*7.85 例如:一块8.5米长1.8宽厚为12MM的钢板重量为:【8.5*1.8*12*7.85=1441.26公斤】扁钢的重量与钢板相同.。
圆钢螺纹钢每米重量计算方法为:直径*直径*0.617 例如:计算ф85MM圆钢及18MM螺纹钢每米重量分别为:【85*85*0.00617=44.578公斤/米】【18*18*0.00617=2.00公斤/米】。
不锈钢的比重为:8.00 铝的比重为:2.8钢材理重量表角钢(等边)槽钢工字钢焊管热镀锌管圆钢规格公斤/米规格公斤/米规格公斤/米规格公斤/米公斤/米规格公斤/米20*3 0.889 5# 5.438 10# 11.261 DN15 1/2〞 1.26 1.33 8 MM 0.395 25*3 1.124 6.3# 6.634 12# 13.987 DN20 3/4〞 1.63 1.73 10 MM 0.617 30*3 1.373 6.5# 6.709 12#B 14.223 DN25 1〞 2.42 2.57 12 MM 0.888 40*4 2.422 8# 8.046 14# 16.89 DN32 11/4〞 3.12 3.32 14MM 1.21 50*5 3.77 10# 10.007 16# 20.513 DN40 11/2〞 3.84 4.07 16MM 1.58 63*6 5.721 12#A 12.059 18# 24.143 DN50 2〞 4.88 5.17 18MM 2 70*7 7.398 12#B 12.318 20# 27.929 DN65 21/2〞 6.64 7.04 20MM 2.47 75*7 7.976 14# 14.535 20#B 36.524 DN80 3〞8.34 8.84 22MM 2.98 75*8 9.03 14#B 16.733 22# 33.07 DN100 4〞10.85 11.5 24MM 3.55 80*8 9.658 16# 17.24 22#B 36.524 DN125 5〞15.04 15.94 25MM 3.85 80*10 11.874 16#B 19.752 24# 37.477 DN150 6〞17.81 18.88 28MM 4.83 90*8 10.946 18# 20.174 24#B 41.245 DN200 8〞31.52 33.41 30MM 5.55 90*10 13.476 18#B 23 25# 38.105 32 MM 6.31 100*10 15.12 20# 22.637 25#B 42.03 扁钢公斤/米花纹板公斤/㎡35 MM 7.55 110*10 16.69 20#B 25.777 27# 42.825 16*2 0.25 3MM 26.6 38 MM 8.9 125*10 19.133 22# 24.999 27#B 47.084 20*3 0.47 4MM 34.4 40 MM 9.87 125*12 22.696 22#B 28.453 28# 43.492 25*3 0.59 5MM 42.3 42 MM 10.87材料基本性质常用名称及代号公式ρ0= m/V1常用单位g/cm3说明m:材料的重量(g)V1:材料在自然状态下的体积(cm3)孔隙率代号ξ公式常用单位%说明计算松散状态的颗粒之间的V为颗粒体积,为松散体积强度公式常用单位%m:材料干燥重量(g)说明m1:材料吸水饱和状态下的重量(g)体积吸水率代号B体公式常用单位%说明V1:材料在自然状态下的体积(cm3)m、m1、ρο同上软化系数代号Ψ常用单位ƒ1:材料在水饱和状态下的抗压强度/mm2)ƒ:材料在干燥状说明态下的抗压强度(MPa或N/mm2)渗透系数代号K公式常用单位Q/A:单位时间内渗过材料试件单位面积的水量说明H/L:压力水头和渗透距离(试件厚度的比值)抗冻标号代号Dx公式常用单位g/m·h·mmHg说明材料厚1m,两侧水蒸气分压力差为1mmHg时,1h经过1m2表面积扩散的水蒸气量吸声系数代号a公式常用单位%说明材料吸收声能与入射声能的比值热流量代号Q公式注:常用单位中的()为习用非法定单位。
新编常用金属材料手册目录第一部分钢和钢材一钢的分类1、按冶炼方法分类2、按化学成分分类"3、按品质分类4、按用途分类5、按金相组织分类二钢材的分类1、按外形分类2、钢及钢种的名称、命名、符号三钢的牌号表示方法1、钢号的命名2、命名的原则3、钢号表示方法举例说明八钢材理论重量简易计算公式及规格表示方法1、钢材理论重量简易计算公式2、钢材规格表示方法九常用钢材的理论重量1、钢轨⑴重轨⑵起重钢轨⑶轻轨⑷钢轨用鱼尾板2、热轧型钢⑴圆钢和方钢⑵热轧圆盘条⑶热轧六角钢和八角钢⑷热轧扁钢⑸热轧普通工字钢⑹热轧轻型工字钢⑺热轧普通槽钢⑻热轧轻型槽钢⑼热轧等边角钢⑽热轧不等边角钢3、冷弯型钢⑴等边角钢⑵不等边角钢⑶等边槽钢⑷不等边槽钢4、钢板锅饭⑴中厚钢板⑵花纹钢板⑶薄钢板⑷整张薄铁板、酸洗板、镀锌用原扳⑸镀锡薄钢板(马口铁)5、钢管⑴无缝钢管理论重量⑵低压流体输送用镀锌焊接钢管⑶普通碳素钢电线套管⑷直径5~152毫米电焊钢管⑸螺旋焊缝电焊钢管⑹直缝卷制电焊钢管6、钢带7、钢丝⑴冷拉圆钢丝⑵冷拉六角钢丝⑶钢丝8、钢丝绳⑴圆股钢丝绳⑵圆股线接触钢丝蝇⑶异型股钢丝绳⑷密封钢丝蝇⑸粗直径钢丝绳⑹电梯用钢丝绳第一部分钢和钢材钢和钢材是两种不同的概念,两种不同的物体.它们的区别在于物体外形的不同。
钢〈钢水通过铸锭而成的钢锭)是生产钢材的原料,钢经过压力加工后所成的各种不同形状的钢(板、棒等}叫钢材.钢锭加工成钢材有一定的损耗(包括轧制过程中切去的头和尾、剪耗的边料、轧制过程脱落的氧化屑以及不够尺寸的短尺材等〉,一定量的钢坯轧制所成的合格材多少的比叫成材率。
而生产钢管、钢丝绳、钢丝均系二次轧材,损耗更大一些.一、钢的分类因为纲与钢材的区别仅仅是物理形状的区别,我们生产和生活上用的是钢材,所以在炼钢前就必须确定我们用户所需要的钢材的材质.这就能产需衔接好.钢,从不同的角度分析,就有不同的分类.如按用途分、按化学成分分、接冶炼方法分等,但提交货单一般是按钢种和形状提出.如碳素工具钢圆钢,从品质上讲它属于高级碳素钢.即优质钢,从化学成分上讲属于碳素结构钢的优质碳素结构钢,不属于合金结构钢.常见的是按用途来提出需求的。
五金手册理论重量表1. 简介五金制品是人们日常生活中经常接触到的各种金属制品,包括螺丝、螺母、钢材、铁器等。
在实际使用过程中,我们经常需要了解这些五金制品的重量。
本文档将介绍一些常见的五金制品的理论重量,以帮助读者更好地了解和使用这些产品。
2. 螺丝和螺母2.1 螺丝常见的螺丝一般由铁、不锈钢、黄铜等材料制成。
不同材料的螺丝重量会略有差异。
按照常规标准,以下是一些常见规格的螺丝的理论重量(单位:克):规格材料重量M3x20 铁 1.8M4x25 不锈钢 3.5M6x30 黄铜7.2M8x40 不锈钢14.5M10x50 铁24.92.2 螺母螺母通常与螺丝配合使用,用于增强连接的紧固性。
与螺丝一样,螺母的材料也有铁、不锈钢、黄铜等。
以下是一些常见规格的螺母的理论重量(单位:克):规格材料重量M3 铁0.6M4 不锈钢0.9M6 黄铜 2.5M8 不锈钢 5.2M10 铁9.53. 钢材和铁器3.1 钢材钢材是五金制品中使用最广泛的材料之一,其重量与尺寸、密度及其他因素有关。
以下是一些常见类型的钢材的理论重量(单位:克):类型尺寸重量角钢50x50x5 4.5圆钢Φ100.6H型钢200x200x8x12 42.8方钢30x30x3 2.73.2 铁器铁器是古老而受欢迎的五金制品之一,常用于家居装饰、建筑等领域。
以下是一些常见铁器产品的理论重量(单位:克):类型尺寸重量铁门100x200 15.0铁栏杆1000x100x50 45.0铁艺装饰品- 4.54. 其他五金制品除了螺丝、螺母、钢材和铁器,五金制品还包括许多其他类型的产品,如门锁、把手、合页等。
以下是一些常见五金制品的理论重量(单位:克):类型尺寸重量门锁60x60 25.0把手200x20 35.0合页100x75 10.05. 结论通过了解五金制品的理论重量,我们可以更好地选择适合我们需求的产品。
在进行购买或使用时,我们可以根据自己的要求和需求,选择合适规格和材质的五金制品。
金属材料理论重量计算方法角钢:每米重量 =0.00785* (边宽 +边宽 -边厚) * 边厚圆钢:每米重量 =0.00617* 直径 * 直径 (螺纹钢和圆钢相同)扁钢:每米重量 =0.00785* 厚度 * 边宽管材:每米重量 =0.02466* 壁厚 * (外径 -壁厚)板材:每米重量 =7.85* 厚度黄铜管:每米重量 =0.02670* 壁厚 * (外径 -壁厚)紫铜管:每米重量 =0.02796* 壁厚 * (外径 -壁厚 )铝花纹板:每平方米重量 =2.96* 厚度有色金属比重:紫铜板8.9 黄铜板 8.5 锌板 7.2 铅板 11.37有色金属板材的计算公式为:每平方米重量=比重 *厚度钢材理论重量计算钢材理论重量计算的计量单位为公斤(kg )。
其基本公式为:W (重量, kg ) = F(断面积 mm2 )× L (长度, m)×ρ(密度, g/cm3)× 1/1000钢的密度为: 7.85g/cm3 ,各种钢材理论重量计算公式如下:名称(单位)计算公式符号意义计算举例圆钢盘条W= 0.006165 ×d×d d = 直径 mm直径 100 mm 的圆钢,求每m 重量。
每 m 重量 = 0.006165 ×1002=61.65kg (kg/m )螺纹钢( kg/m )W= 0.00617×d×d d= 断面直径 mm断面直径为 12 mm 的螺纹钢,求每 m 重量。
每 m 重量 =0.00617 ×12 2=0.89kg 方钢( kg/m )W= 0.00785×a ×a a= 边宽 mm边宽 20 mm 的方钢,求每 m 重量。
每 m 重量 = 0.00785 ×202=3.14kg W= 0.00785×b ×d扁钢( kg/m )b= 边宽 mm d= 厚 mm边宽 40 mm ,厚 5mm 的扁钢,求每 m 重量。