建筑施工安全检查项目汇总表
- 格式:doc
- 大小:37.50 KB
- 文档页数:9
建筑施工安全检查报告汇总表
1. 背景
建筑施工安全检查是确保工地安全的重要举措。
为了保障施工现场工人的安全,定期进行安全检查是必要的。
2. 检查目的
该报告汇总表旨在记录建筑施工安全检查的结果和问题。
通过对施工现场的定期检查,可以发现存在的安全隐患,并及时采取预防措施,减少安全事故的发生。
3. 检查内容
本次检查主要针对以下方面:
- 工地安全设施的完善程度
- 工人的个人防护用具是否齐全
- 施工现场是否存在危险物品的存放
- 操作人员是否按照安全操作规程进行工作
- 施工现场是否存在安全隐患等
4. 检查结果
在本次检查中,我们发现了以下问题:
1. 一处安全警示标牌未能正确安装,需及时补充。
2. 有部分工人未佩戴安全帽,需要进行安全教育和督促。
3. 施工现场临时电源线松动,存在安全隐患,需要及时修复。
4. 危险物品未按规定进行存放,需要加强管理。
5. 采取措施
为了解决上述问题,并确保施工现场的安全,我们将采取以下措施:
1. 对未安装的安全警示标牌进行补充,并确保其清晰可见。
2. 强化工人的安全教育,督促佩戴安全帽并正确使用个人防护用具。
3. 紧急处理临时电源线松动的问题,并加强电源管理。
4. 加强危险物品的存放管理,确保按照规定进行分类、标识、存放。
6. 检查结论
通过本次建筑施工安全检查,我们发现了一些安全问题,并及时采取了相应的措施进行整改。
我们将持续关注施工现场的安全情况,并定期进行检查,以确保工程的安全进行。
*注:此报告汇总表仅供内部参考,不作为法律证据。
*。
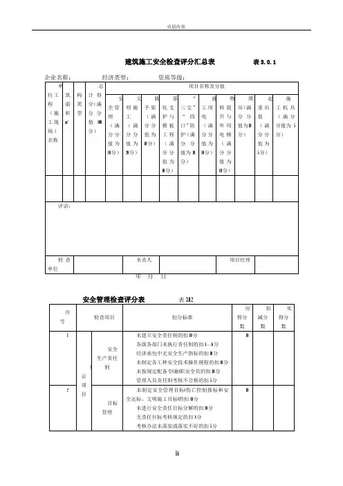
I9建筑施工安全检查评分汇总表企业名称: 经济类型: 资质等级: 单位工程(施工现场)名称建筑面积(㎡)结构类型总计得分(满分分值100分)项目名称及分值安全管理(满分分值为10分)文明施工(满分分值为20分)脚手架(满分分值为10分)基坑支护与模板工程(满分分值为10分)“三宝”、“四口”防护(满分分值为10分)施工用电(满分分值为10分)评语:检查单位负责人受检项目年 月 日安全管理检查评分表序号检查项目扣分标准应得分数扣减分数实得分数1保证项目安全生产责任制·未建立安全责任制的,扣10分·各级各部门未执行责任制的,扣4~6分·经济承包中无安全生产指标的,扣l0分·未制定各工种安全技术操作规程的,扣10分·未按规定配备专(兼)职安全员的,扣10分·管理人员责任制考核不合格的,扣5分102目标管理·未制定安全管理目标(伤亡控制指标和安全达标、文明施工目标)的,扣10分·未进行安全责任目标分解的,扣10分·无责任目标考核规定的,扣8分·考核办法未落实或落实不好的,扣5分103施工组织设计·施工组织设计中无安全措施,扣10分·施工组织设计未经审批,扣10分·专业性较强的项目,未单独编制专项安全施工组织设计,扣8分·安全措施不全面,扣2~4分·安全措施无针对性,扣6~8分·安全措施未落实,扣8分104分部(分项)工程安全技术交底·无书面安全技术交底,扣10分·交底针对性不强,扣4~6分·交底不全面,扣4分·交底未履行签字手续,扣2~4分105安全检查·无定期安全检查制度,扣5分·安全检查无记录,扣5分·检查出事故隐患整改做不到定人、定时间、定措施,扣2~6分·对重大事故隐患整改通知书所列项目未如期完成,扣5分106安全教育·无安全教育制度,扣10分·新入厂工人未进行三级安全教育,扣10分·无具体安全教育内容,扣6~8分·变换工种时未进行安全教育,扣10分·每有—人不懂本工种安全技术操作规程,扣2分·施工管理人员未按规定进行年度培训的,扣5分·专职安全员未按规定进行年度培训考核或考核不合格,扣5分10小计607一般项目班前安全活动·未建立班前安全活动制度,扣10分·班前安全活动无记录的,扣2分108特种作业持证上岗·一人未经培训从事特种作业,扣4分·一人未持操作证上岗,扣2分109工伤事故处理·工伤事故未按规定报告,扣3~5分·工伤事故未按事故调查分析规定处理,扣l0分·未建立工伤事故档案,扣4分1010安全标志·无现场安全标志布置总平面图的,扣5分·现场未按安全标志总平面图设置安全标志的,扣5分10小计40检查项目合计100文明施工检查评分表序号检查项目扣分标准应得分数扣减分数实得分数1保证项目现场围挡·在市区主要路段的工地周围未设置高于2.5m的围挡的,扣l0分·一般路段的工地周围未设置高于1.8m的围挡的,扣10分·围挡材料不坚固、不稳定、不整洁、不美观的,扣5~7分·围挡没有沿工地四周连续设置的,扣3~5分102封闭管理·施工现场进出口无大门的,扣3分·无门卫和无门卫制度的,扣3分·进入施工现场不佩戴工作卡的,扣3分·门头未设置企业标志的,扣3分103施工场地·工地地面未做硬化处理的,扣5分·道路不畅通的,扣5分·无排水设施、排水不通畅的,扣4分·无防止泥浆、污水、废水外流或堵塞下水道和排水河道措施,扣3分·工地有积水的,扣2分·工地未设置吸烟处、随意吸烟的,扣2分·温暖季节无绿化布置的,扣4分104材料堆放·建筑材料、构件、料具不按总平面布局堆放的,扣4分·料堆未挂名称、品种、规格等标牌的,扣2分·堆放不整齐的,扣3分·未做到工完场地清的,扣3分·建筑垃圾维放不整齐、未标出名称、品种的,扣3分·易燃易爆物品未分类存放的,扣4分105现场住宿·在建工程兼作住宿的,扣8分·施工作业区与办公、生活区不能明显划分的,扣6分·宿舍无保暖和防煤气中毒措施的,扣5分·宿舍无消暑和防蚊虫叮咬措施的,扣3分·无床铺、生活用品放置不整齐的,扣2分·宿舍周围环境不卫生、不安全的,扣3分106现场防火·无消防措施、制度或无灭火器材的,扣10分·灭火器材配置不合理的,扣5分·无消防水源(高层建筑)或不能满足消防要求的,扣8分·无动火审批手续和动火监护的,扣5分10小计60续表一般项目治安综合治理·生活区未给工人设置学习和娱乐场所的,扣4分·未建立治安保卫制度的、责任未分解到人的,扣3~5分·治安防范措施不利,常发生失盗事件的,扣3~5分8施工现场标牌·大门口处挂的五牌一图、内容不全的,缺一项扣2分·标牌不规范、不整齐的,扣3分·无安全标语的,扣5分·无宣传栏、读报栏、黑板报等,扣5分8生活设施·厕所不符合卫生要求的,扣4分·无厕所,随地大小便的,扣8分·食堂不符合卫生要求的,扣8分·无卫生责任制的,扣5分·不能保证供应卫生饮水的,扣10分·无淋浴室或淋浴室不符合要求,扣5分·生活垃圾未及时清理,未装容器,无专人管理的,扣3~5分8保健急救·无保健医药箱的,扣5分·无急救措施和急救器材的,扣8分·无经培训的急救人员的,扣4分·未开展卫生防病宣传教育的,扣4分8社区服务·无防粉尘、防噪音措施的,扣5分·夜间未经许可施工的,扣8分·现场焚烧有毒、有害物质的,扣5分·未建立施工不扰民措施的,扣5分8小计40检查项目合计100落地式外脚手架检查评分表序号检查项目扣分标准应得分数扣减分数实得分数保证项目施工方案·脚手架无施工方案的,扣10分·脚手架高度超过规范规定无设计计算书或未经审批,扣10分·施工方案,不能指导施工的,扣5~8分10立杆基础·每l0延长米立杆基础不平、不实、不符合方案设计要求,扣2分·每l0延长米立杆缺少底座、垫木的,扣5分·每10延长米无扫地杆的,扣5分·每l0延长米木脚手架立杆不埋地或无扫地杆的,扣5分·每10延长米无排水措施的,扣3分10架体与建筑结构拉结·脚手架高度在7m以上,架体与建筑结构拉结,按规定要求每少一处,扣2分·拉结不坚固每一处,扣1分10杆体间距与剪刀撑·每10延长米立杆、大横杆、小横杆间距超过规定要求的,每一处扣2分·不按规定设置剪刀撑的,每一处扣5分·剪刀撑未沿脚手架高度连续设置或角度不符合要求的,扣5分10脚手架与防护栏杆·脚手板不满铺的,扣7~10分·脚手板材质不符合要求的,扣7~10分·每有一处探头板,扣2分·脚手架外侧未设置密目式安全网的,或网间不严密,扣7~10分·施工层不设1.2m高防护栏杆和挡脚板,扣5分10交底与验收·脚手架搭设前无交底的,扣5分·脚手架搭设完毕未办理验收手续的,扣10分·无量化的验收内容,扣5分10小 计60一小横杆设置·不按立杆与大横杆交点处设置小横杆的每有一处,扣2分·小横杆只固定一端的每有一处,扣1分·单排架子小横杆插入墙内小于24cm的每有一处,扣2分10杆件搭接·木立杆、大横杆每一处搭接小于1.5米,扣1分·钢管立杆采用搭接的,每一处扣25般项目分架体内封闭·施工层以下每隔10m未用平网或其他措施封闭,扣5分·施工层脚手架内立杆与建筑物之间未进行封闭,扣5分5脚手架材质·木杆直径、材质不合要求,扣4~5分·钢管弯曲、锈蚀严重,扣4~5分5通 道·架体不设上下通道,扣5分·通道设置不符合要求,扣1~3分5卸料平台·卸料平台未经设计计算,扣10分·卸料台搭设不符合设计要求,扣l0分·卸料平台支撑系统与脚手架连结,扣8分10小 计40检查项目合计100挑式脚手架检查评分表序号检查项目扣分标准应得分数扣减分数实得分数保证项目施工方案·脚手架无施工方案、设计计算书或未经上级审批,扣10分·施工方案中搭设方法不具体,扣6分10悬挑梁及架体稳定·外挑杆件与建筑结构连接不牢固,每有一处扣5分·悬挑梁安装不符合设计要求,每有一处扣5分·立杆底部固定不牢,每有一处扣3分·架体未按规定与建筑结构拉结,每有一处扣5分20脚手板·脚手板铺设不严、不牢,扣7~10分·脚手板材质不符合要求,扣7~10分·每有一处探头板,扣2分10荷 载·脚手架荷载超过规定,扣10分·施工荷载堆放不均匀每有一处,扣5分10交底与验 收·脚手架搭设不符合方案要求,扣7~10分·每段脚手架搭设后,无验收资料,扣5分·无交底记录,扣5分10小 计60一般项目杆件间距·每10延长米立杆间距超过规定,扣5分·大横杆间距超过规定,扣5分10架体防护·施工层外侧未设置1.2m高防护栏杆和未设18cm高的踏脚板,扣5分·脚手架外侧不挂密目式安全网或网间不严密,扣7~10分10层间防护·作业层下无平网或其他措施防护,扣10分·防护不严密,扣5分10脚手架材 质·杆件直径、型钢规格及材质不符合要求,扣7~10分10小 计40检查项目合计100基坑支护安全检查评分表序号检查项目扣分标准应得分数扣减分数实得分数保证项目施工方案·基础施工无支护方案的,扣20分·施工方案针对性差不能指导施工的,扣l2~l5分·基坑深度超过5m无专项支护设计的,扣20分·支护设计及方案未经上级审批的,扣l5分20临边防护·深度超过2m的基坑施工无临边防护措施的,扣l0分·临边及其它防护不符合要求的,扣5分10坑壁支护·坑槽开挖设置安全边坡不符合安全要求的,扣10分·特殊支护的作法不符合设计方案的,扣5~8分·支护设施已产生局部变形又未采取措施调整的,扣6分10排水措施·基坑施工未设置有效排水措施的,扣10分·深基础施工采用坑外降水,无防止临近建筑危险沉降措施的,扣10分10坑边荷载·积土、料具堆放距槽边距离小于设计规定的,扣10分·机械设备施工与槽边距离不符合要求,又无措施的,扣10分10小 计60一般上下通道·人员上下无专用通道的,扣10分·设置的通道不符合要求的,扣6分10土方开挖·施工机械进场未经验收的,扣5分·挖土机作业时,有人员进入挖土机作业半径内的,扣6分·挖土机作业位置不牢、不安全的,扣l0分·司机无证作业的,扣l0分·未按规定程序挖土或超挖的,扣10分10·未按规定进行基坑支护变形监测项目基坑支护变形监测的,扣10分·未按规定对毗邻建筑物和重要管线和道路进行沉降观测的,扣10分10作业环境·基坑内作业人员无安全立足点的,扣l0分10小 计40检查项目合计100模板工程安全检查评分表序号检查项目扣 分 标 准应得分数扣减分数实得分数保证项目施工方案·模板工程无施工方案或施工方案未经审批的,扣10分·未根据混凝土输送方法制定有针对性安全措施的,扣8分10支撑系统·现浇混凝土模板的支撑系统无设计计算的,扣6分·支撑系统不符合设计要求的,扣10分10立柱稳定·支撑模板的立柱材料不符合要求的,扣6分·立柱底部无垫板或用砖垫高的,扣6分·不按规定设置纵横向支撑,的扣4分·立柱间距不符合规定的,扣10分10施工荷载·模板上施工荷载超过规定的,扣10分·模板上堆料不均匀的,扣5分10模板存放·大模板存放无防倾倒措施的,扣5分·各种模板存放不整齐、过高等不符合安全要求的,扣5分10支拆模板·2m以上高处作业无可靠立足点的,扣8分·拆除区域未设置警戒线且无监护人的,扣5分·留有未拆除的悬空模板的,扣4分10小 计60一般模板验收·模板拆除前未经拆模申请批准的,扣5分·模板工程无验收手续的,扣6分·验收单无量化验收内容的,扣4分·支拆模板未进行安全技术交底的,扣5分10混凝土·模板拆除前无混凝土强度报告的,扣5分·混凝土强度未达规定提前拆模10项目强 度的,扣8分运输道路·在模板上运输混凝土无走道垫板的,扣7分·走道垫板不稳不牢的,扣3分10作业环境·作业面孔洞及临边无防护措施的,扣10分·垂直作业上下无隔离防护措施的,扣l0分10小 计40检查项目合计100“三宝”、“四口”防护检查评分表检查项目扣 分 标 准应得分数扣减分数实得分数安 全 帽·有一人不戴安全帽的,扣5分·安全帽不符合标准的每发现一顶,扣1分·不按规定佩戴安全帽的有一人,扣1分20安 全 网·在建工程外侧未用密目安全网封闭的,扣25分·安全网规格、材质不符合要求的,扣25分·安全网未取得建筑安全监督管理部门准用证的,扣25分25安 全 带·每有一人未系安全带的,扣5分·有一人安全带系挂不符合要求的,扣3分·安全带不符合标准,每发现一条,扣2分10楼梯口、电梯井口防护·每一处无防护措施的,扣6分·每一处防护措施不符合要求或不严密,的扣3分·防护设施未形成定型化、工具化的,扣6分·电梯井内每隔两层(不大于l0m)少一道平网的,扣6分12预留洞口、坑井防护·每一处无防护措施,扣7分·防护设施未形成定型化、工具化的,扣6分·每一处防护措施不符合要求或不严密的,扣3分13通道口防护·每一处无防护棚,扣5分·每一处防护不严,扣2—3分·每一处防护棚不牢固、材质不符合要求,扣3分10阳台、楼板、屋面等临边防护·每一处临边无防护的,扣5分·每一处临边防护不严、不符合要求的,扣3分10检查项目合计100施工用电检查评分表序号检查项目扣分标准应得分数扣减分数实得分数保证项目外电防护·小于安全距离又无防护措施的,扣20分·防护措施不符合要求、封闭不严密的,扣5~10分20接地与接零保护系统·工作接地与重复接地不符合要求的,扣7~10分·未采用TN—S系统的,扣10分·专用保护零线设置不符合要求的,扣5~8分·保护零线与工作零线混接的,扣l0分10配电箱开关箱·不符合“三级配电两级保护”要求的,扣10分·开关箱(末级)无漏电保护或保护器失灵,每一处扣5分·漏电保护装置参数不匹配,每发现一处扣2分·电箱内无隔离开关每一处,扣2分·违反“—机、一闸、一漏、一箱”的,每一处扣5~7分·安装位置不当、周围杂物多等不便操作的,每一处扣5分·闸具损坏、闸具不符合要求的,每一处扣5分·配电箱内多路配电无标记的,每一处扣5分·电箱下引出线混乱,每一处扣2分·电箱无门、无锁、无防雨措施的,每一处扣2分20现场照明·照明专用回路无漏电保护,扣5分·灯具金属外壳未作接零保护的,每一处扣2分·室内线路及灯具安全高度低于2.4m未使用安全电压供电的,扣10分·潮湿作业未使用36v以下安全电压的,扣10分·使用36v安全电压照明线路混乱和接头处未用绝缘布包扎,扣5分·手持照明灯未使用36v及以下电源供电,扣10分10小计60·电线老化、破皮未包扎的,每一处扣l0分·线路过道无保护的,每一处扣5分·电杆、横担不符合要求的,扣5分一般项目配电线路·架空线路不符合要求的,扣7~10分·未使用五芯线(电缆)的,扣l0分·使用四芯电缆外加一根线替代五芯电缆的,扣10分·电缆架设或埋设不符合要求的,扣7~10分15电器装置·闸具、熔断器参数与设备容量不匹配、安装不合要求的,每一处扣3分·用其他金属丝代替熔丝的,扣10分10变配电装置·不符合安全规定的,扣3分5用电档案·无专项用电施工组织设计的,扣10分·无地极阻值摇测记录的,扣4分·无电工巡视维修记录或填写不真实的,扣4分·档案乱、内容不全、无专人管理的,扣3分10小计40检查项目合计100物料提升机(龙门架、井字架)检查评分表序号检查项目扣分标准应得分数扣减分数实得分数保证项目架体制作·无设计计算书或未经上级审批,扣9分·架体制作不符合设计要求和规范要求的,扣7~9分·使用厂家生产的产品,无建筑安全监督管理部门准用证的,扣9分9限位保险装置·吊篮无停靠装置的,扣9分·停靠装置未形成定型化的,扣5分·无超高限位装置的,扣9分·使用摩擦式卷扬机超高限位采用断电方式的,扣9分·高架提升机无下极限限位器、缓冲器或无超载限制器的,每一项扣3分9架体稳定缆风绳·架高20m以下时设一组,20—30m设二组,少一组扣9分·缆风绳不使用钢丝绳的,扣9分·钢丝绳直径小于9.3mm或角度不符合45°—60°的,扣4分·地锚不符合要求的,扣4~7分9与建筑结构连接·连墙杆的位置不符合规范要求的,扣5分·连墙杆连接不牢的,扣5分·连墙杆与脚手架连接的,扣9分·连墙杆材质或连接做法不符合要求的,扣5分钢丝绳·钢丝绳磨损已超过报废标准的,扣8分·钢丝绳锈蚀、缺油的,扣2~4分·绳卡不符合规定的,扣2分·钢丝绳无过路保护的,扣2分·钢丝绳拖地,扣2分8楼层卸料平台防护·卸料平台两侧无防护栏杆或防护不严的,扣2~4分·平台脚手板搭设不严、不牢的,扣2~4分·平台无防护门或不起作用的,每一处扣2分·防护门未形成定型化、工具化的,8扣4分·地面进料口无防护棚或不符合要求的,扣2~4分吊篮·吊篮无安全门的,扣8分·安全门未形成定型化、工具化的,扣4分·高架提升机不使用吊笼的,扣4分·违章乘坐吊篮上下的,扣8分·吊篮提升使用单根钢丝绳的,扣8分8安装验收·无验收手续和责任人签字的,扣9分·验收单无量化验收内容的,扣5分9小计60续表一般项目架体·架体安装拆除无施工方案的,扣5分·架体基础不符合要求的,扣2~4分·架体垂直偏差超过规定的,扣5分·架体与吊篮间隙超过规定的,扣3分·架体外侧无立网防护或防护不严的,扣4分·摇臂把杆未经设计的或安装不符合要求或无保险绳的,扣8分·井字架开口处未加固的,扣2分10传动系统·卷扬机地锚不牢固,扣2分·卷筒钢丝绳缠绕不整齐,扣2分·第一个导向滑轮距离小于15倍卷筒宽度的,扣2分·滑轮翼缘破损或与架体柔性连接,扣3分·卷筒上无防止钢丝绳滑脱保险装置,扣5分·滑轮与钢丝绳不匹配的,扣2分9联络信号·无联络信号的,扣7分·信号方式不合理、不准确的,扣2~4分7卷扬机操作棚·卷扬机无操作棚的,扣7分·操作棚不符合要求的,扣3~5分7避雷·防雷保护范围以外无避雷装置的,扣7分·避雷装置不符合要求的,扣4分7小计40检查项目合计100外用电梯(人货两用电梯)检查评分表序号检查项目扣分标准应得分数扣减分数实得分数保证项目安全装置·吊笼安全装置未经试验或不灵敏的,扣10分·门连锁装置不起作用的,扣10分10安全防护·地面吊笼出入口无防护棚的,扣8分·防护棚材质搭设不符合要求的,扣4分·每层卸料口无防护门的,扣10分·有防护门不使用的,扣6分·卸料台口搭设不符合要求的,扣6分10司机·司机无证上岗作业的,扣10分·每班作业前不按规定试车的,扣5分·不按规定交接班或无交接记录的,扣5分10荷载·超过规定承载人数无控制措施的,扣l0分·超过规定重量无控制措施的,扣10分·未加配重载人的,扣10分10安装与拆卸·未制定安装拆卸方案的,扣10分·拆装队伍没有取得资格证书的,扣10分10安装验收·电梯安装后无验收或拆装无交底的,扣10分·验收单上无量化验收内容的,扣5分10小计60一般架体稳定·架体垂直度超过说明书规定的,扣7~10分·架体与建筑结构附着不符合要求的,扣7~10分·架体附着装置与脚手架连接的,扣10分10联络信号·无联络信号,扣10分·信号不准确,扣6分10项目电气安全·电气安装不符合要求的,扣10分·电气控制无漏电保护装置的,扣10分10避雷·在避雷保护范围外无避雷装置的,扣10分10小计40检查项目合计100塔吊检查评分表序号检查项目扣分标准应得分数扣减分数实得分数保证项目力矩限制器·无力矩限制器,扣13分·力矩限制器不灵敏,扣13分13限位器·无超高、变幅、行走限位的,每项扣5分·限位器不灵敏的,每项扣5分13保险装置·吊钩无保险装置,扣5分·卷扬机滚筒无保险装置,扣5分·上人爬梯无护圈或护圈不符合要求,扣5分7附墙装置与夹轨钳·塔吊高度超过规定不安装附墙装置的,扣l0分·附墙装置安装不符合说明书要求的,扣3~7分·无夹轨钳,扣10分·有夹轨钳不用每一处,扣3分10安装与拆卸·未制定安装拆卸方案的,扣10分·作业队伍没有取得资格证的,扣10分10塔吊指挥·司机无证上岗,扣7分·指挥无证上岗,扣4分·高塔指挥不使用旗语或对讲机的,扣7分7小计60一般项路基与轨道·路基不坚实、不平整、无排水措施,扣3分·枕木铺设不符合要求,扣3分·道钉与接头螺栓数量不足,扣3分·轨距偏差超过规定的,扣2分·轨道无极限位置阻挡器,扣5分·高塔基础不符合设计要求,扣10分10电气安全·行走塔吊无卷线器或失灵,扣6分·塔吊与架空线路小于安全距离又无防护措施,扣10分·防护措施不符合要求,扣2~5分·道轨无接地、接零,扣4分·接地、接零不符合要求,扣2分10多塔作业·两台以上塔吊作业、无防碰撞措施,扣10分10目措施不可靠,扣3~7分安装验收l0分10小计40起重吊装安全检查评分表序号检查项目扣分标准应得分数扣减分数实得分数保证项目施工方案·起重吊装作业无方案,扣10分·作业方案未经上级审批或方案针对性不强,扣5分10起重机械起重机·起重机无超高和力矩限制器,扣10分·吊钩无保险装置,扣5分·起重机未取得准用证,扣20分·起重机安装后未经验收,扣15分20起重扒杆·起重扒杆无设计计算书或未经审批,扣20分·扒杆组装不符合设计要求,扣17~20分·扒杆使用前未经试吊,扣10分钢丝绳与地锚·起重钢丝绳磨损、断丝超标的,扣10分·滑轮不符合规定的,扣4分·缆风绳安全系数小于3.5倍的,扣8分·地锚埋没不符合设计要求,扣5分10吊点·不符合设计规定位置的,扣5~10分·索具使用不合理、绳径倍数不够的,扣5~10分10司机、指挥·司机无证上岗的,扣10分·非本机型司机操作的,扣5分·指挥无证上岗的,扣5分·高处作业无信号传递的,扣10分10小计60一地耐力·起重机作业路面地耐力不符合说明书要求的,扣5分·地面铺垫措施达不到要求的,扣3分5起重作业·被吊物体重量不明就吊装的,扣3~6分·有超载作业情况的,扣6分·每次作业前未经试吊检验的,扣3分6般项目高处作业·结构吊装未设置防坠落措施的,扣9分·作业人员不系安全带或安全带无牢靠悬挂点的,扣9分·人员上下无专设爬梯、斜道的,扣5分9作业平台·起重吊装人员作业无可靠立足点的,扣5分·作业平台临边防护不符合规定的,扣2分·作业平台脚手板不满铺的,扣3分5构件堆放·楼板堆放超过1.6m高度的,扣2分·其他物件堆放高度不符合规定的,扣2分·大型构件堆放无稳定措施的,扣3分5警戒·起重吊装作业无警戒标志,扣3分·未设专人警戒,扣2分5操作工2分5小计40检查项目合计100。
建筑施工安全检查评分汇总表表3.0.1企业名称:经济类型:资质等级:年月日安全管理检查评分表表3.0.2注:1.每项最多扣减分数不大于该项应得分数。
2.保证项目有一项不得分或保证项目小计得分不足40分,检查评分表计零分。
3.该表换算到《施工安全检查评分汇总表》(表3.0.1)后得分=10×该表检查项目实得分数合计÷100。
文明施工检查评分表表3.0.3注:1.每项最多扣减分数不大于该项应得分数。
2.保证项目有一项不得分或保证项目小计得分不足40分,检查评分表计零分。
3.该表换算到《施工安全检查评分汇总表》(表3.0.1)后得分=20×该表检查项目实得分数合计÷100。
落地式外脚手架查评分表表3.0.4-1注:1.每项最多扣减分数不大于该项应得分数。
2.保证项目有一项不得分或保证项目小计得分不足40分,检查评分表计零分。
3.该表换算到《施工安全检查评分汇总表》(表3.0.1)后得分=10×该表检查项目实得分数合计÷100。
基坑支护安全检查评分表表3.0.5注:1.每项最多扣减分数不大于该项应得分数。
2.保证项目有一项不得分或保证项目小计得分不足40分,检查评分表计零分。
3.该表换算到《施工安全检查评分汇总表》(表3.0.1)后得分=10×该表检查项目实得分数合计÷100。
模板工程安全检查评分表表3.0.6注:1.每项最多扣减分数不大于该项应得分数。
2.保证项目有一项不得分或保证项目小计得分不足40分,检查评分表计零分。
3.该表换算到《施工安全检查评分汇总表》(表3.0.1)后得分=10×该表检查项目实得分数合计÷100。
“三宝”、“四口”防护检查评分表表3.0.7注:1.每项最多扣减分数不大于该项应得分数。
2.该表换算到《施工安全检查评分汇总表》(表3.0.1)后得分=10×该表检查项目实得分数合计÷100。
建筑施工安全检查评分汇总表
建筑施工安全检查评定标准分优良、合格、不合格三个等级:
优良:各分项的保证项目得分均在40分及以上、汇总表得分在80分及以上为优良;如:
合格:各分项的保证项目得分在40分及以上、汇总表得分在70分及以上;或有一分项(保证项目得分在40分以下)表未得分,但汇总表得分在75分及以上;如:
不合格:汇总表得分不足70分;
有一分项(保证项目得分在40分以下)表未得分,且汇总表得分在75分以下;
当起重吊装检查表或施工机具检查中未得分,但汇总表得分在80分以下。
3.1、安全管理检查评分表年月日
3.2、文明施工检查评分表年月日
3.3。
6、附着式升降脚手架(整体提升架或爬架)检查评分表
年月日
3。
4、基坑支护安全检查评分表年月日
3。
5、模板工程安全检查评分表年月日
3.6、“三宝"“四口”防护检查评分表年月日
3。
7、施工用电检查评分表年月日
注:在建工程(含脚手架具)的外侧边缘与外电架空线路之间的最小安全操作距离
凡用电设备≥5台或总容量≥50KW的工地,必须编制用电施工组织设计,用电必须专人管理。
3.9、外用电梯(人货两用电梯)检查评分表年月日
3。
10、塔吊检查评分表年月日
3.11、起重吊装安全检查评分表年月日
3.12、施工机具检查评分表年月日。
建筑施工安全检查评分汇总表(JGJ 59-2011)表A 建筑施工安全检查评分汇总表企业名称:资质等级:年月日单位工程(施工现场)名称建筑面积(m2)结构类型总计得分(满分100分)项目名称及分值安全管理(满分10分)文明施工(满分15分)脚手架(满分10分)基坑工程(满分10分)模板支架(满分10分)高处作业(满分10分)施工用电(满分10分)物料提升机与施工升降机(满分10分)塔式起重机与起重吊装(满分10分)施工机具(满分5分)评语:检查单位负责人受检项目项目经理.建筑施工安全分项检查评分表表B.1 安全管理检查评分表序号检查项目扣分标准应得分数扣减分数实得分数1保证项目安全生产责任制未建立安全生产责任制,扣10分安全生产责任制未经责任人签字确认,扣3分未备有各工种安全技术操作规程,扣2~10分未按规定配备专职安全员,扣2~10分工程项目部承包合同中未明确安全生产考核指标,扣5分未制定安全资金保障制度,扣5分未编制安全资金使用计划或未按计划实施,扣2~5分未制定伤亡控制、安全达标、文明施工等管理目标,扣5分未进行安全责任目标分解,扣5分未建立对安全生产责任制和责任目标考核制度,扣5分未按考核制度对管理人员定期考核,扣2~5分102 施工组织设计及专项施工方案施工组织设计中未制定安全技术措施,扣10分危险性较大的分部分项工程未编制安全专项施工方案,扣10分未按规定对超过一定规模危险性较大的分部分项工程专项施工方案进行专家论证,扣10分施工组织设计、专项方案未经审批,扣10分安全技术措施、专项施工方案无针对性或缺少设计计算,扣2~8分未按施工组织设计、专项施工方案组织实施,扣2~10分103 安全技术交底未进行书面安全技术交底,扣10分未按分部分项进行交底,扣5分交底内容不全面或针对性不强,扣2~5分交底未履行签字手续,扣4分104 安全检查未建立安全检查制度,扣10分未有安全检查记录,扣5分事故隐患的整改未做到定人、定时间、定措施,扣2~6分对重大事故隐患改通知书所列项目未按期整改和复查,扣5~10分105 安全教育未建立安全教育培训制度,扣10分施工人员入场未进行三级安全教育和考核,扣5分未明确具体安全教育培训内容,扣2~8分变换工种或采用新技术、新工艺、新设备、新材料施工时未进行安全教育,扣5分施工管理人员、专职安全员未按规定进行年度教育培训和考核,每人扣2分106 应急预案未制定安全生产应急救援预案,扣10分未建立应急救援组织或未按规定配备救援人员,扣2~6分未定期进行应急救援演练,扣5分未配置应急救援器材和设备,扣5分10小计607一般项目分包单位安全管理分包单位资质、资格、分包手续不全或失效,扣10分未签定安全生产协议书,扣5分分包合同、安全协议书,签字盖章手续不全,扣2~6分分包单位未按规定建立安全机构和未配备专职安全员,扣2~6分108 持证上岗未经培训从事施工、安全管理和特种作业,每人扣5分项目经理、专职安全员和特种人员未持证上岗,每人扣2分109 生产安全事故处理生产安全事故未按规定报告,扣10分生产安全事故未按规定进行调查分析、制定防范措施,扣10分未依法为施工作业人员办理保险,扣5分1010 安全标志主要施工区域、危险部位未按规定悬挂安全标志,扣2~6分未绘制现场安全标志布置图,扣3分未按部位和现场设施的变化调整安全标志设置,扣2~6分未设置重大危险源公示牌,扣5分10小计40 检查项目合计100序号检查项目扣分标准应得分数扣减分数实得分数表B.2 文明施工检查评分表1保证项目现场围挡市区主要路段的工地未设置封闭围挡或围挡高度小于2.5m,扣5~10分一般路段的工地未设置封闭围挡或围挡高度小于1.8m,扣5~10分围挡未达到坚固、稳定、整洁、美观,扣5~10分102 封闭管理施工现场进出口未设置大门,扣10分未设置门卫室,扣5分未建立门卫值守管理制度或未配备门卫值守人员,扣2~6分施工人员进入施工现场未佩戴工作卡,扣2分施工现场出入口未标有企业名称或标识,扣2分未设置车辆冲洗设施,扣3分103 施工场地施工现场主要道路及材料加工区地面未进行硬化处理,扣5分施工现场道路不畅通、路面不平整坚实,扣5分施工现场未采取防尘措施,扣5分施工现场未设置排水设施或排水不通畅、有积水,扣5分未采取防止泥浆、污水、废水污染环境措施,扣2~10分未设置吸烟处、随意吸烟,扣5分温暖季节未进行绿化布置,扣3分104 材料管理建筑材料、构件、料具未按总平面布局码放,扣4分材料码放不整齐、未标明名称、规格,扣2分施工现场材料存放未采取防火、防锈蚀、防雨措施,扣3~10分建筑物内施工垃圾的清运未使用器具或管道运输,扣5分易燃易爆物品未分类储藏在专用库房、未采取防护措施,扣5~10分105 现场办公与住宿施工作业区、材料存放区与办公区、生活区未采取隔离措施,扣6分宿舍、办公用房防火等级不符合有关消防安全技术规范要求,扣10分在施工程、伙房、库房兼作住宿,扣10分宿舍未设置可开启式窗户,扣4分宿舍未设置床铺、床铺超过2层或通道宽度小于0.9m,扣2~6分宿舍人均面积或人员数量不符合规范要求,扣5分冬季宿舍内未采取采暖和防一氧化碳中毒措施,扣5分夏季宿舍内未采取防暑降温和防蚊蝇措施,扣5分生活用品摆放混乱、环境卫生不符合要求,扣3分106 现场防火施工现场未制定消防安全管理制度、消防措施,扣10分施工现场的临时用房和作业场所的防火设计不符合规范要求,扣10分施工现场消防通道、消防水源的设置不符合规范要求,扣5~10分施工现场灭火器材布局、配置不合理或灭火器材失效,扣5分未办理动火审批手续或未指定动火监护人员,扣5~10分10小计607一般项目综合治理生活区未设置供作业人员学习和娱乐场所,扣2分施工现场未建立治安保卫制度或责任未分解到人,扣3~5分施工现场未制定治安防范措施,扣5分108 公示标牌大门口处设置的公示标牌内容不齐全,扣2~8分标牌不规范、不整齐,扣3分未设置安全标语,扣3分未设置宣传栏、读报栏、黑板报,扣2~4分109 生活设施未建立卫生责任制度,扣5分食堂与厕所、垃圾站、有毒有害场所距离不符合规范要求,扣2~6分食堂未办理卫生许可证或未办理炊事人员健康证,扣5分食堂使用的燃气罐未单独设置存放间或存放间通风条件不良,扣2~4分食堂未配备排风、冷藏、消毒、防鼠、防蚊蝇等设施,扣4分厕所内的设备数量或布局不符合规范要求,扣2~6分厕所卫生未达到规定要求,扣4分不能保证现场人员卫生饮水,扣5分未设置淋浴室或淋浴室不能满足现场人员需求,扣4分生活垃圾未装容器或未及时清理,扣3~5分1010 社区服务夜间未经许可施工,扣8分施工现场焚烧各类废弃物,扣8分施区现场未制定防粉尘、防噪音、防光污染措施,扣5分未制定施工不扰民措施,扣5分10小计40 检查项目合计100表B.3 扣件式钢管脚手架检查评分表序号检查项目扣分标准应得分数扣减分数实得分数1保证项目施工方案架体搭设未编制专项施工方案或未按规定审核、审批,扣10分架体结构设计未进行设计计算,扣10分架体搭设超过规范允许高度,专项施工方案未按规定组织专家论证,扣10分102 立杆基础立杆基础不平、不实、不符合专项施工方案设计要求,扣5~10分立杆底部底座、垫板或垫板的规格不符合规范要求,每处扣2~5分未按规范要求设置纵、横向扫地杆,扣5~10分扫地杆的设置和固定不符合规范要求,扣5分未采取排水措施,扣8分103 架体与建筑结构拉结架体与建筑结构拉结方式与间距不符合规范要求,每处扣2分架体底层第一步纵向水平杆处未按规定设置连墙件或未采用其他可靠措施固定,每处扣2分搭设高度超过24m的双排脚手架,未采用刚性连墙件与建筑结构可靠连接,扣10分104 杆件间距与剪刀撑立杆、纵向水平杆、横向水平杆间距超过设计或规范要求,每处扣2分未按规定设置纵向剪刀撑或横向斜撑,每处扣5分剪刀撑未沿脚手架高度连续设置或角度不符合规范要求,扣5分剪刀撑斜杆的接长或剪刀撑斜杆与架体杆件固定不符合规范要求,每处扣2分105 脚手板与防护栏杆脚手板未满铺或铺设不牢、不稳,扣5~10分脚手板规格或材质不符合规范要求,扣5~10分架体外侧未设置密目式安全网封闭或网间连接不严,扣5~10分作业层防护栏不符合规范要求,扣5分作业层未设置高度不小于180㎜的挡脚板,扣3分106 交底与验收架体搭设前未进行交底或交底未有文字记录,扣5~10分架体分段搭设、分段使用未办理分段验收,扣5分架体搭设完毕未办理验收手续,扣10分验收内容未进行量化,或未经责任人签字确认,扣5分10小计607 横向水平杆设置未在立杆与纵向水平杆交点处设置横向水平杆,每处扣2分未按脚手板铺设的需要增加设置横向水平杆,每处扣2分双排脚手架横向水平杆只固定一端,每处扣2分单排脚手架横向水平杆插入墙内小于180mm,每处扣2分108 杆件搭接纵向水平杆搭接长度小于1m或固定不符合要求,每处扣2分立杆除顶层顶步外采用搭接,每处扣4分杆件对接扣件的布置不符合规范要求,扣2分扣件紧固力矩小于40N.M或大于65N.M,每处扣2分109 层间防护作业层脚手板下未采用安全平网兜底或作业层以下每隔10m未采用安全平网封闭,扣5分作业层与建筑物之间未按规定进行封闭,扣5分1010 构配件材质钢管直径、壁厚、材质不符合要求,扣5分钢管弯曲、变形、锈蚀严重,扣5分扣件未进行复试或技术性能不符合标准,扣5分511 通道未设置人员上下专用通道,扣5分通道设置不符合要求,扣2分 5小计40 检查项目合计100表B.11 基坑工程检查评分表序号检查项目扣分标准应得分数扣减分数实得分数1保证项目施工方案基坑工程未编制施工方案,扣10分专项施工方案未按规定审核、审批,扣10分超过一定规模条件的基坑工程专项施工方案未按规定组织专家论证,扣10分基坑周边环境或施工条件发生变化,专项施工方案未重新进行审核、审批,扣10分102 基坑支护人工开挖的狭窄基槽,开挖深度较大或存在边坡塌方危险未采取支护措施,扣10分自然放坡的坡率不符合专项施工方案和规范要求,扣10分基坑支结构不符合设计要求,扣10分支护结构水平位移达到设计报警值未采取有效控制措施,扣10分103 降排水基坑开挖深度范围内有地下水未采取有效的降排水措施,扣10分基坑边沿周围地面未设排水沟和排水沟设置不符合规范要求,扣5分放坡开挖对坡顶、坡面、坡脚未采取降排水措施,扣5~10分基坑底四周未设排水沟和集水井或排除积水不及时,扣5~8分104 基坑开挖支护结构未达到要求的强度提前开挖下层土方,扣10分未按设计和施工方案的要求分层、分段开挖或开挖不均衡,扣10分基坑开挖过程中未采取防止碰撞支护结构或工程桩的有效措施,扣10分机械在软土场地作业,未采取铺设渣土、砂石等硬化措施,扣10分105 坑边荷载基坑边堆置土、料具等荷载超过基坑支护设计允许要求,扣10分施工机械与基坑边沿的安全距离不符合设计要求,扣10分106 安全防护开挖深度2m及以上的基坑周边未按规范要求设置防护栏杆或栏杆设置不符合规范要求,扣5~10分基坑内未设置供施工人员上下的专用梯道或梯道设置不符合规范要求,扣5~10分降水井口未设置防护盖板或围栏,扣10分10 小计607一般项目基坑监测未按要求进行基坑工程监测,扣10分基坑监测项目不符合设计和规范要求,扣5~10分监测的时间间隔不符合监测方案要求或监测结果变化速率较大未加密观测次数,扣5~8分未按设计要求提交监测报告或监测报告内容不完整,扣5~8分108 支撑拆除基坑支撑结构的拆除方式、拆除顺序不符合专项施工方案要求,扣5~10分机械拆除作业时,施工荷载大于支撑结构承载能力,扣10分人工拆除作业时,未按规定设置防护措施,扣8分采用非常规拆除方式不符合国家现行相关规范要求,扣10分109 作业环境基坑内土方机械、施工人员的安全距离不符合规范要求,扣10分上下垂直作业未采取防护措施,扣5分在各种管线范围内挖土作业未设专人监护,扣5分作业区光线不良,扣5分1010应急预案未按要求编制基坑工程应急预案或应急预案内容不完整,扣5~10分应急组织机构不健全或应急物资、材料、工具机具储备不符合应急预案要求,扣2~6分10 小计40检查项目合计100表B.12 模板支架检查评分表序号检查项目扣分标准应得分数扣减分数实得分数1保证项目施工方案未编制专项施工方案或结构设计未经计算,扣10分专项施工方案未经审核、审批,扣10分超过规模模板支架专项施工方案未按规定组织专家论证,扣10分102 支架基础基础不坚实平整,承载力不符合专项施工方案要求,扣5~10分支架底部未设置垫板或垫板的规格不符合规范要求,扣5~10分支架底部未按规范要求设置底座,每处扣2分未按规范要求设置扫地杆,扣5分未采取排水设施,扣5分支架设在楼面结构上时,未对楼面结构的承载力进行验算或楼面结构下方未采取加固措施,扣10分103 支架构造立杆纵、横间距大于设计和规范要求,每处扣2分水平杆步距大于设计和规范要求,每处扣2分水平杆未连续设置,扣5分未按规范要求设置竖向剪刀撑或专用斜杆,扣10分未按规范要求设置水平剪刀撑或专用水平斜杆,扣10分剪刀撑或斜杆设置不符合规范要求,扣5分104 支架稳定支架高宽比超过规范要求未采取与建筑结构刚性连接或增加架体宽度等措施,扣10分立杆伸出顶层水平杆的长度超过规范要求,每处扣2分浇筑混凝土未对支架的基础沉降、架体变形采取监测措施,扣8分105 施工荷载荷载堆放不均匀,每处扣5分施工荷载超过规定设计,扣10分浇筑混凝土未对混凝土堆积高度进行控制,扣8分106 交底与验收支架搭设、拆除前未进行交底或无文字记录,扣5~10分架体搭设完毕未办理验收手续,扣10分验收内容未进行量化,或未经责任人签字确认,扣5分10 小计607一般项目杆件连接立杆边接不符合规范要求,扣3分水平杆连接不符合规范要求,扣3分剪刀撑斜杆接长不符合规范要求,每处扣3分杆件各连接点的紧固不符合规范要求,每处扣2分108 底座与托撑螺杆直径与立杆内径不匹配,每处扣3分螺杆旋入螺母内的长度或外伸长度不符合规范要求,每处扣3分109 构配件材质钢管、构配件的规格、型号、材质不符合规范要求,扣5~10分杆件弯曲、变形、锈蚀严重,扣10分1010 支架拆除支架拆除前未确认混凝土强度达到设计要求,扣10分未按规定设置警戒区或未设置专人监护,扣5~10分10小计40 检查项目合计100表B. 13 高处作业检查评分表序号检查项目扣分标准应得分数扣减分数实得分数1 安全帽施工现场人员未佩戴安全帽,每人扣5分未按标准佩戴安全帽,每人扣2分安全帽质量不符合现行国家相关标准的要求,扣5分102 安全网在建工程外脚手架架体外侧未采用密目式安全网封闭或网间连接不严,扣2~10分安全网质量不符合现行国家相关标准的要求,扣10分103 安全带高处作业人员未按规定系挂安全带,每人扣5分安全带系挂不符合要求,每人扣5分安全带质量不符合现行国家相关标准的要求,扣10分104 临边防护工作面边沿无临边防护,扣10分临边防护设施的构造、强度不符合规范要求,扣5分防护设施未形成定型化、工具式,扣3分105 洞口防护在建工程的孔、洞未采取防护措施,每处扣5分防护措施、设施不符合要求或不严密,每处扣3分防护设施未形成定型化、工具式,扣3分电梯井内未按每隔两层不大于10m设置安全平网,扣5分106 通道口防护未搭设防护棚或防护不严、不牢固,扣5~10分防护棚两侧未进行封闭,扣4分防护棚宽度小于通道口宽度,扣4分防护棚长度不符合要求,扣4分建筑物高度超过24m,防护棚顶未采用双层防护,扣4分防护棚的材质不符合规范要求,扣5分107 攀登作业移动式梯子的梯脚底部垫高使用,扣3分折梯未使用可靠拉撑装置,扣5分梯子的材质或制作质量不符合规范要求,扣10分108 悬空作业悬空作业处未设置防护栏杆或其他可靠的安全设施,扣5~10分悬空作业所用的索具、吊具等未经验收,扣5分悬空作业人员未系挂安全带或佩带工具袋,扣2~10分109移动式操作平台操作平台未按规定进行设计计算,扣8分移动式操作平台,轮子与平台的连接不牢固可靠或立柱底端距离地面超过80mm,扣5分操作平台的组装不符合设计和规范要求,扣10分平台台面铺板不严,扣5分操作平台四周未按规定设置防护栏杆或未设置登高扶梯,扣10分操作平台的材质不符合要求,扣10分1010 悬挑式钢平台未编制专项施工方案或未经设计计算,扣10分悬挑式钢平台的下部支撑系统或上部拉结点,未设置在建筑结构上,扣10分斜拉杆或钢丝绳未按要求在平台两侧各设置两道,扣10分钢平台未按要求设置固定的防护栏杆和挡脚板,扣3~10分钢平台台面铺板不严或钢平台与建筑结构之间铺板不严,扣5分未在平台明显处设置荷载限定标牌,扣5分10检查项目合计100表B. 14 施工用电检查评分表序号检查项目扣分标准应得分数扣减分数实得分数1保证项目外电防护外电线路与在建工程及脚手架、起重机械、场内机动车道之间安全距离不符合规范要求且未采取防护措施,扣10分防护设施未设置明显警示标牌,扣5分防护设施与外电线路的安全距离及搭设方式不符合规范要求,扣5~10分在外电架空线路正下方施工、建造临时设施或堆放材料物品,扣10分102 接地与接零保护系统施工现场专用电源中性点直接接地的低压配电系统未采用TN-S接零保护系统,扣20分配电系统未采用同一保护系统,扣20分保护零线引出位置不符合规范要求,扣5~10分电气设备未接保护零线,每处扣2分保护零线装设开关、熔断器或与通过工作电流,扣20分保护零线材质、规格及颜色标记不符合规范要求,每处扣2分工作接地与重复接地的设置,安装及接地装置的材料不符合规范要求,扣10~20分工作接地电阻大于4Ω,重复接地电阻大于10Ω,扣20分施工现场起重机、物料提升机、施工升降机、脚手架防雷措施不符合规范要求,扣5~10分做防雷接地机械设备上的电气设备,保护零线未作重复接地,扣10分203 配电线路线路及接头不能保证机械强度和绝缘强度,扣5~10分线路未设短路、过载保护,扣5~10分线路截面不能满足负荷电流,每处扣2分线路的设施、材料及相序排列、档距、与邻近线路或固定物的距离不符合规范要求,扣5~10分电缆沿地面明设,沿脚手架、树木等敷设或敷设不符合规范要求,扣5~10分线路的敷设的电缆不符合规范要求,扣5~10分室内明敷主干线距地面高度小于2.5m,每处扣2分104 配电箱与开关箱配电系统未采用三级配电、二级漏电保护系统,扣10~20分用电设备未有各自专用的开关箱,每处扣2分箱体结构设计、箱内电器设置不符合规范要求,扣10~20配电箱零线端子板的设置、连接不符合规范要求,扣5~10分漏电保护器参数不匹配或检测失灵,每处扣2分配电箱与开关箱电器损坏或进出线混乱,每处扣2分箱体未设置系统接线图和分路标记,每处扣2分箱体未设门、锁,未采取防雨措施,每处扣2分箱体安装位置、高度及周围通道不符合规范要求,每处扣2分分配电箱与开关箱、开关箱与用电设备的距离不符合规范要求,每处扣2分20 小计605一般项目配电室与配电装置配电室建筑耐火等级未达到3级,扣15分未配置适用于电气火灾的灭火器材,扣3分配电室、配电装置布设不符合规范要求,扣5~10分配电装置中的仪表、电器元件设置不符合规范要求或仪表、电气元件损坏,扣5~10分备用发电机组未与外电线路进行连锁,扣15分配电室未采取防雨雪和小动物侵入的措施,扣10分配电室未设警示标志、工地供电平面图和系统图,扣3~5分156 现场照明照明用电与动力用电混用,每处扣2分特殊场所未使用36V及以下安全电压,扣15分手持照明灯未使用36V以下电源供电,扣10分照明变压器未使用双绕组安全隔离变压器,扣15分灯具金属外壳未接保护零线,每处扣2分灯具与地面、易燃物之间小于安全距离,每处扣2分照明线路和安全电压线路的架设不符合规范要求,扣10分施工现场未按规范要求配备应急照明,每处扣2分157用电档案总包单位与分包单位未订立临时用电管理协议,扣10分未制定专项用电施工组织设计、外电防护专项方案或设计、方案设计缺乏针对性,扣5~10分专项用电施工组织设计、外电防护专项方案未履行审批程序,实施后相关部门未组织验收,扣5~10分接地电阻、绝缘电阻和漏电保护器检测记录未填写或填写不真实,扣3分安全技术交底、设备设施验收记录未填写或填写不真实,扣3分定期巡视检查、隐患整改记录未填写或填写不真实,扣3分档案资料不齐全、未设专人管理,扣3分10小计40 检查项目合计100表B. 15 物料提升机检查评分表序号检查项目扣分标准应得分数扣减分数实得分数1保证项目安全装置未安装起重量限制器、防坠安全器,扣15分起重量限制器、防坠安全器不灵敏,扣15分安全停层装置不符合规范要求或未达到定型化,扣5~10分未安装上限位开关的,扣15分上限位开关不灵敏、安全越程不符合规范要求的,扣10分物料提升机安装高度超过30m,未安装渐进式防坠安全器、自动停层、语音及影像信号装置,每项扣5分152防护设施未设置防护围栏或设置不符合规范要求,扣5~15分未设置进料口防护棚或设置不符合规范要求,扣5~10分停层平台两侧未设置防护栏杆、挡脚板,每处扣2分停层平台脚手板铺设不严、不牢,每处扣2分未安装平台门或平台门不起作用,每处扣5~15分平台门未达到定型化,每处扣2分吊笼门不符合规范要求,扣10分153附墙架与缆风绳附墙架结构、材质、间距不符合产品说明书要求,扣10分附墙架未与建筑结构可靠连接,扣10分缆风绳设置数量、位置不符合规范要求,扣5分缆风绳未使用钢丝绳或未与地锚连接,扣10分钢丝绳直径小于8mm或角度不符合45°~60°要求,扣5~10分安装高度30m的物料提升机使用缆风绳,扣10分地锚设置不符合规范要求,每处扣5分104钢丝绳钢丝绳磨损、变形、锈蚀达到报废标准,扣10分钢丝绳绳夹设置不符合规范要求,每处扣2分吊笼处于最低位置,卷筒上钢丝绳少于3圈,扣10分未设置钢丝绳过路保护措施或钢丝绳拖地,扣5分105安拆、验收与使用安装、拆卸单位未取得专用承包资质和安全生产许可证,扣10分未制定专项施工方案或未经审核、审批,扣10分未履行验收程序或验收表未经责任人签字,扣5~10分安装、拆卸人员及司机未持证上岗,扣10分物料提升机作业前未按规定进行例行检查和未填写检查记录,扣4分实行多班作业未按规定实行交接班记录,扣3分10 小计606一般项目基础与导轨架基础承载力、平整度不符合规范要求,扣5~10分基础周边未设置排水设施,扣5分导轨架垂直度偏差大于导轨架高度0.15%,扣5分井架停层平台通道处结构未采取加强措施,扣8分107动力与传动卷扬机、曳引机安装不牢固,扣10分卷筒与导轨架底部导向轮的距离小于20倍卷筒宽度未设置排绳器,扣5分钢丝绳在卷筒上排列不整齐,扣5分滑轮与导轨架、吊笼未采用刚性连接,扣10分滑轮与钢丝绳不匹配,扣10分卷筒、滑轮未设置防止钢丝绳脱出装置,扣5分曳引钢丝绳为2根及以上时,未设置曳引力平衡装置,扣 5分10。
工地安全检查表单:建筑工程停工前安全检查表单概述本安全检查表单旨在确保建筑工程在停工前,所有的安全隐患得到有效排除,保证工地安全。
该表单适用于各类建筑工程工地,包括但不限于住宅、商业、工业等建筑项目。
请严格按照要求逐项进行检查,并对存在的问题进行整改。
安全检查项目以下是建筑工程停工前需要进行的安全检查项目,请逐项检查并记录:1. 施工现场管理- 1.1 施工现场是否符合国家有关安全规定,如消防、环保等要求。
- 1.2 施工现场的安全防护设施是否完善,如围挡、警示标志等。
- 1.3 施工现场的临时设施是否安全可靠,如临时电路、排水等。
2. 施工设备及材料- 2.1 施工设备是否处于良好状态,无安全隐患。
- 2.2 施工材料是否堆放整齐,无火灾隐患。
- 2.3 高空作业设备(如吊篮、脚手架等)是否符合安全要求。
3. 施工人员安全培训及持证情况- 3.1 施工人员是否经过安全培训,了解施工安全知识。
- 3.2 施工人员是否持有相关岗位资格证书。
4. 施工工艺及流程- 4.1 施工工艺是否符合国家标准。
- 4.2 施工流程是否存在安全隐患。
5. 应急预案及消防设施- 5.1 是否制定完善的应急预案。
- 5.2 消防设施是否完善,如消防栓、灭火器等。
6. 施工现场卫生与环境保护- 6.1 施工现场卫生是否达标,无垃圾堆积、污水横流等现象。
- 6.2 施工现场是否采取有效措施保护环境,如防尘、降噪等。
整改措施及负责人对于检查过程中发现的安全问题,应立即制定整改措施,并指定专人负责整改。
整改完成后,需进行复查,确保整改措施得到有效实施。
检查结论经过逐项检查,若所有项目均符合要求,则在检查表单上填写“符合要求”,否则填写“不符合要求”,并对存在的问题进行说明。
检查结论需由项目负责人签字确认。
附录- 附录A:安全检查表单填写说明- 附录B:安全检查标准及规范请注意,本安全检查表单仅供参考,具体内容需根据实际项目情况进行调整。
建筑工程安全检查全套资料样本表格
建筑工程安全检查是保证施工过程中安全的重要环节。
为了提高施工安全管理水平,以下是建筑工程安全检查的全套资料样本表格,供参考使用。
一、安全生产责任
二、安全生产管理制度
三、安全生产培训记录
四、施工现场安全检查
1. 安全设施和安全防护措施
2. 特种作业人员合格证管理
3. 施工机械设备安全管理
五、施工安全事故隐患整改
以上是建筑工程安全检查全套资料样本表格的内容,希望能对施工单位在建筑工程安全检查中提供一些参考和帮助。
建筑施工安全检查项目汇总表建筑施工安全检查项目汇总表建筑施工安全检查项目汇总表工程名称:检查项目名称保证项目:建立安全责任制安全生产责任制制定各种安全技术操作规程按规定配置专(兼)职安全员制定安全管理目标(伤亡控制指标肯安全达标、文明施工目标)书面安全技术交底应针对性、履行签字手续长期安全检查制度安全检查记录安全教育制度三级安全教育及具体内容现场安全标志布置图及设置情况在建工程不可兼作住宿现场住宿施工作业区与办公、生活区能明显划分住宿周围环境卫生、安全现场防火施工现场标牌消防措施、制度、灭火器材配备合理“五牌一图”内容应全标牌应规范、整齐安全标语设置厕所应符合卫生要求生活设施食堂卫生应符合要求、应设置卫生责任制生活垃圾应及时清理每10延长米立杆基础应平、实,符合方案设计要求立杆基础架体与建筑结构拉结杆件间距与剪刀撑每10延长米立杆底座、垫木设置每10延长米扫地杆设置脚手架高度在7m以上,架体应与建筑结构拉结(连墙点应按规范要求设置)每10延长米、大横杆、小横杆间距不能超过规定要求剪刀撑未延脚手架高度连续设置脚手板应满铺脚手板与防护栏杆脚手板材质应符合要求不能设置探头板外侧设置密目式安全网应严密施工层设1.2米高防护栏杆搭设前的交底交底与验收小横杆设置搭设完办理验收手续有量化的验收内容立杆与大横杆交点处设置小横杆落实情况安全管理目标管理安全技术交底安全检查安全教育特种作业持证上岗作业应经培训并持操作证安全标志文明施工落地式外脚手架应固定于两端材质通道卸料平台直径、材质应符合要求架体应按要求设置上下通道搭设应符合设计要求不准与脚手架连接与结构应钢性连接支撑系统立柱稳定施工荷载模版存放设计计算支撑系统应符合设计要求材料应符合要求底部应设置垫板(严禁用砖垫)堆料均匀施工荷载不超过规定整齐、高度符合安全要求2m以上高处作业有可靠立足点支拆模板拆除区域设置警戒线及监护人严禁留有未拆除的申请批准拆除前应经申请批准模版验收有验收手续支拆应进行安全技术交底砼强度运输道路作业环境拆除前有进行安全技术交底强度未达标严禁提前拆模运输砼应设走道垫板走道垫板应稳、牢孔洞及临边防护措施垂直作业上下隔离防护措施按规定佩戴安全帽外侧用密目式安全网封闭安全网安全带楼梯口、电梯井口防护预留洞口、坑井防护阳台楼板屋面临边防护外电防护规格、材质符合要求取得建筑安监部门的准用证符合标准防护措施及严密性电梯井每隔两层(不大于10m)不少于一道平网防护措施及严密性临边防护严密性不小于安全距离及防护措施封闭严密工作接地与重复接地接地与接零保护系统采用TN-S系统专用保护零线设置保护零线与工作不能混接模版工程“三宝”“四口”防护安全帽施工用电三级配电两级保护开关箱(末级)漏电保护漏电保护装置参数匹配电箱内隔离开关配电箱、开关箱不违反“一机、一闸、一漏、一箱”闸具符合要求配电箱内多路配电标记电箱下引出线不混乱电箱应设门、配锁、有防雨措施现场照明专用回路漏电保护灯具金属外壳做接零保护电线老化、破皮的包扎配电照明线路过道防护电杆架空线路使用五芯线(电缆)设计计算书及上级审批架体制作架体制作符合设计及规范要求使用厂家生产的产品,有建筑安全监督部门胡准用证吊篮停靠装置超高限位装置架高20m 以下设一组,20-30m设二组缆风绳缆风绳使用钢丝绳钢丝绳直径≥9.3m,角度45度-60度地锚符合要求连墙杆的位置与建筑结构连接连墙杆连接牢固连墙杆不与脚手架连接连墙杆材质及连接做法钢丝绳磨损超过报废标准钢丝绳绳卡符合规定钢丝绳不拖地、有过路保护平台两侧防护栏杆、防护严密楼层卸料平台防护平台脚手板搭设严、牢平台防护门、起作用防护门形成定型化、工具化地面进料口防护棚符合要求吊篮安全门吊篮安全门形成定型化、工具化不违章乘坐吊篮上下吊篮提升不使用单根钢丝绳物料提升机(井口架)限位保险装置架体稳定安装验收验收手续和责任人签字架体安拆方案架体基础架体架体垂直偏差架体与吊篮间隙(不超规定)井字架开口处的加固卷扬机地锚牢固传动系统卷筒钢丝绳绕整齐卷筒上防止钢丝绳脱保险装置联络信号设置信号方式合理、准确性操作棚符合要求防雷保护范围以外避雷装置应符合要求电锯安装验收合格手续联络信号卷扬机操作棚避雷施工机具圆盘据锯盘护罩、分料器、防护挡板安全装置和传动防护保护接零、漏电保护器无人操作时切断电源Ⅰ类手持电动工具保护装置手持电动工具使用Ⅰ类手持电动工具应穿戴绝缘用品使用手持电动工具不随意接长电源线或更换插头机械安装后验收合格手续保护接零、漏电保护器钢筋冷拉作业区及对焊作业区防护措施传动轴部位防护电焊机安装验收合格手续做保护接零=漏电保护器二次空载降压保护器或触电保护器钢筋机械电焊机一次线长度及穿管保护电源应使用自动开关焊把线接头不超过三处或绝缘老化电焊机设置防雨罩安装验收合格手续做保护接零、漏电保护器离合器、制动器、钢丝绳达标操作手柄保险装置防雨棚和作业台安全料斗保险挂钩传动部位防护罩作业平台平稳搅拌机扩展阅读:建筑施工安全检查评分方法建筑施工安全检查评分方法1.1建筑施工中安全检查评价,采用检查评分表的形式进行评价,分为安全管理、文明工地、脚手架、基坑支护与模板工程、“三宝”“四口”防护、施工用电、物料提升机与外用电梯、塔吊、起重吊装和施工机具共十项分项检查评分表和一张检查评分汇总表。
工地安全检查表单:建筑工程停工前1. 项目信息- 工程名称:- 工程地点:- 建设单位:- 监理单位:- 施工单位:- 检查日期:2. 工地基本情况- 工地平面布置是否合理:- 周边环境是否有安全隐患:- 工地出入口是否畅通:- 施工现场是否设置警示标志:- 施工现场是否设置临时围挡:- 施工现场是否设置安全通道:3. 施工设备和机械- 施工设备是否符合安全要求:- 施工机械是否经过检修和保养:- 施工机械是否有有效操作证书:- 施工机械操作人员是否持证上岗:4. 施工现场安全管理- 施工现场是否有专人负责安全管理:- 是否建立了安全责任制度:- 是否建立了安全教育培训制度:- 是否建立了事故隐患排查制度:- 是否建立了应急救援预案:- 是否进行了安全防护工作和培训:5. 施工材料和设备管理- 施工材料和设备是否经过验收:- 施工材料和设备是否符合国家标准:- 施工材料和设备是否存放整齐有序:- 施工材料和设备是否有防护措施:6. 现场安全防护设施- 是否设置了安全警示标志:- 是否设置了消防器材:- 是否设置了安全通道和疏散标志:- 是否设置了防护网和防护栏杆:7. 施工作业安全措施- 是否制定了施工作业安全控制措施:- 是否进行了施工作业安全交底:- 是否按照施工作业安全控制措施进行作业:- 是否设置了安全警戒线和禁止标志:8. 现场卫生与环境- 施工现场是否保持整洁:- 施工废弃物是否及时清理:- 施工现场是否进行垃圾分类:- 施工现场是否有排污设施和处理措施:9. 其他安全问题- 是否存在其他安全隐患:- 是否存在其他需要整改的问题:10. 整改措施- 针对存在的安全问题,提出相应的整改措施和时限:11. 检查人员- 检查人员1:- 检查人员2:- 检查人员3:12. 填表人- 填表人:- 填表日期:以上为工地安全检查表单:建筑工程停工前的内容。
请根据实际情况填写并进行检查,以确保工地安全。
建筑施工安全检查项目汇总表建筑施工安全检查项目汇总表建筑施工安全检查项目汇总表工程名称:检查项目名称保证项目:建立安全责任制安全生产责任制制定各种安全技术操作规程按规定配置专(兼)职安全员制定安全管理目标(伤亡控制指标肯安全达标、文明施工目标)书面安全技术交底应针对性、履行签字手续长期安全检查制度安全检查记录安全教育制度三级安全教育及具体内容现场安全标志布置图及设置情况在建工程不可兼作住宿现场住宿施工作业区与办公、生活区能明显划分住宿周围环境卫生、安全现场防火施工现场标牌消防措施、制度、灭火器材配备合理“五牌一图”内容应全标牌应规范、整齐安全标语设置厕所应符合卫生要求生活设施食堂卫生应符合要求、应设置卫生责任制生活垃圾应及时清理每10延长米立杆基础应平、实,符合方案设计要求立杆基础架体与建筑结构拉结杆件间距与剪刀撑每10延长米立杆底座、垫木设置每10延长米扫地杆设置脚手架高度在7m以上,架体应与建筑结构拉结(连墙点应按规范要求设置)每10延长米、大横杆、小横杆间距不能超过规定要求剪刀撑未延脚手架高度连续设置脚手板应满铺脚手板与防护栏杆脚手板材质应符合要求不能设置探头板外侧设置密目式安全网应严密施工层设1.2米高防护栏杆搭设前的交底交底与验收小横杆设置搭设完办理验收手续有量化的验收内容立杆与大横杆交点处设置小横杆落实情况安全管理目标管理安全技术交底安全检查安全教育特种作业持证上岗作业应经培训并持操作证安全标志文明施工落地式外脚手架应固定于两端材质通道卸料平台直径、材质应符合要求架体应按要求设置上下通道搭设应符合设计要求不准与脚手架连接与结构应钢性连接支撑系统立柱稳定施工荷载模版存放设计计算支撑系统应符合设计要求材料应符合要求底部应设置垫板(严禁用砖垫)堆料均匀施工荷载不超过规定整齐、高度符合安全要求2m以上高处作业有可靠立足点支拆模板拆除区域设置警戒线及监护人严禁留有未拆除的申请批准拆除前应经申请批准模版验收有验收手续支拆应进行安全技术交底砼强度运输道路作业环境拆除前有进行安全技术交底强度未达标严禁提前拆模运输砼应设走道垫板走道垫板应稳、牢孔洞及临边防护措施垂直作业上下隔离防护措施按规定佩戴安全帽外侧用密目式安全网封闭安全网安全带楼梯口、电梯井口防护预留洞口、坑井防护阳台楼板屋面临边防护外电防护规格、材质符合要求取得建筑安监部门的准用证符合标准防护措施及严密性电梯井每隔两层(不大于10m)不少于一道平网防护措施及严密性临边防护严密性不小于安全距离及防护措施封闭严密工作接地与重复接地接地与接零保护系统采用TN-S系统专用保护零线设置保护零线与工作不能混接模版工程“三宝”“四口”防护安全帽施工用电三级配电两级保护开关箱(末级)漏电保护漏电保护装置参数匹配电箱内隔离开关配电箱、开关箱不违反“一机、一闸、一漏、一箱”闸具符合要求配电箱内多路配电标记电箱下引出线不混乱电箱应设门、配锁、有防雨措施现场照明专用回路漏电保护灯具金属外壳做接零保护电线老化、破皮的包扎配电照明线路过道防护电杆架空线路使用五芯线(电缆)设计计算书及上级审批架体制作架体制作符合设计及规范要求使用厂家生产的产品,有建筑安全监督部门胡准用证吊篮停靠装置超高限位装置架高20m以下设一组,20-30m设二组缆风绳缆风绳使用钢丝绳钢丝绳直径≥9.3m,角度45度-60度地锚符合要求连墙杆的位置与建筑结构连接连墙杆连接牢固连墙杆不与脚手架连接连墙杆材质及连接做法钢丝绳磨损超过报废标准钢丝绳绳卡符合规定钢丝绳不拖地、有过路保护平台两侧防护栏杆、防护严密楼层卸料平台防护平台脚手板搭设严、牢平台防护门、起作用防护门形成定型化、工具化地面进料口防护棚符合要求吊篮安全门吊篮安全门形成定型化、工具化不违章乘坐吊篮上下吊篮提升不使用单根钢丝绳物料提升机(井口架)限位保险装置架体稳定安装验收验收手续和责任人签字架体安拆方案架体基础架体架体垂直偏差架体与吊篮间隙(不超规定)井字架开口处的加固卷扬机地锚牢固传动系统卷筒钢丝绳绕整齐卷筒上防止钢丝绳脱保险装置联络信号设置信号方式合理、准确性操作棚符合要求防雷保护范围以外避雷装置应符合要求电锯安装验收合格手续联络信号卷扬机操作棚避雷施工机具圆盘据锯盘护罩、分料器、防护挡板安全装置和传动防护保护接零、漏电保护器无人操作时切断电源Ⅰ类手持电动工具保护装置手持电动工具使用Ⅰ类手持电动工具应穿戴绝缘用品使用手持电动工具不随意接长电源线或更换插头机械安装后验收合格手续保护接零、漏电保护器钢筋冷拉作业区及对焊作业区防护措施传动轴部位防护电焊机安装验收合格手续做保护接零=漏电保护器二次空载降压保护器或触电保护器钢筋机械电焊机一次线长度及穿管保护电源应使用自动开关焊把线接头不超过三处或绝缘老化电焊机设置防雨罩安装验收合格手续做保护接零、漏电保护器离合器、制动器、钢丝绳达标操作手柄保险装置防雨棚和作业台安全料斗保险挂钩传动部位防护罩作业平台平稳搅拌机扩展阅读:建筑施工安全检查评分方法建筑施工安全检查评分方法1.1建筑施工中安全检查评价,采用检查评分表的形式进行评价,分为安全管理、文明工地、脚手架、基坑支护与模板工程、“三宝”“四口”防护、施工用电、物料提升机与外用电梯、塔吊、起重吊装和施工机具共十项分项检查评分表和一张检查评分汇总表。
注:“三宝”系指安全帽、安全带和安全网。
“四口”系指通道口、预留洞口、楼梯口、电梯井口。
1.2在安全管理、文明施工、脚手架、基坑支护与模板工程、施工用电、物料提升机与外用电梯、塔吊和起重吊装八项检查评分表中,设立了保证项目和一般项目,保证项目应是安全检查的重点和关键。
1.3各分项检查评分表中,满分为100分。
表中各检查项目得分应为按规定检查内容所得分数之和。
每张表总得分应为各自表内各检查项目实得分数之和。
1.4在检查评分中,遇有多个脚手架、塔吊、龙门架与井字架等时,则该项得分应为各单项实得分数的算术平均值。
1.5检查评分不得采用负值。
各检查项目所扣分数总和不得超过该项应得分数。
1.6在检查评分中,当保证项目中有一项不得分或保证项目小计得分不足40分时,此检查评分表不应得分。
1.7汇总表满分为100分。
各分项检查表在汇总表中所占的满分分值应分别为:安全管理10分、文明施工20分、脚手架10分、基坑支护与模板工程10分、“三宝”、“四口”防护10分、施工用电10分、物料提升机与外用电梯10分、塔吊10分、起重吊装5分和施工机具5分。
在汇总表中各分项项目实得分数应按下式计算:在汇总表中各分项目实得分数=汇总表中该项应得满分分值×该项检查评分表实得分数/1001.8检查中遇有缺项时,汇总表总得分应按下式计算:遇有缺项时汇总表总得分=实查项目在汇总表中按各对应的实得分值之和/实查项目在汇总表中应得满分的分值之和×1001.9多人对同一项目检查评分时,应按加权评分方法确定分值。
权数的分配原则应为:专职安全人员与其他人员:专职安全人员的权数为0.6,其他人员的权数为0.4。
1.10建筑施工安全检查评分,应以汇总表的总得分及保证项目达标与否,作为对一个施工现场安全生产情况的评价依据,分为优良、合格、不合格三个等级。
1优良保证项目分值均应达到规定得分标准,汇总表得分值应在80分及其以上;2合格(1)保证项目分值均应达到规定得分标准,汇总表得分值应在70分及其以上;(2)有一分表未得分,但汇总表得分值必须在75分及其以上;(3)当起重吊装检查评分表或施工机具检查评分表未得分,但汇总表得分值在80分及其以上。
3不合格(1)汇总表得分值不足70分;(2)有一分表未得分,且汇总表得分在75分以下;(3)当起重吊装检查评分表或施工机具检查评分表未得分,且汇总表得分值在80分以下。
建筑施工安全检查评价打分计算实例2.1汇总表中各项实得分数计算方法:分项实得分=该分项在汇总表中应得分×该分项在在检查评分表中实得分/100 [例1]《安全管理检查评分表》实得76分,换算在汇总表中(安全管理)分项实得分为多少?分项实得分=10×16/100=7.6分2.2汇总表中遇有缺项时,汇总表总分计算方法:缺项的汇总表分=实查项目实得分值之和/实查项目应得分值之和X100[例2]某工地没有塔吊,则塔吊在汇总表中有缺项,其他各分项检查在汇总表实得分为84分,计算该工地汇总表实得分为多少?缺项的汇总表分(84/90)X100=93.34分2.3分表中遇有缺项时,分表总分计算方法:缺项的分表分=实查项目实得分值之和/实查项目应得分值之和X100[例3]《施工用电检查评分表》中,“外电防护”缺项(该项应得分值为20分),其他各项检查实得分为64分,计算该分表实得多少分?换算到汇总表中应为多少分?缺项的分表分64÷(100-20)×100=80分汇总表中施工用电分项实得分=10x80/100=8分2.4分表中遇保证项目缺项时,“保证项目小计得分不足40分,评分表得零分”,计算方法即实得分与应得分之比前安全活动、特种作业持证上岗、工伤事故处理和安全标志),共十项内容。
3.3文明施工检查评分表是对施工现场文明施工的评价。
检查的项目包括:保证项目(现场围挡、封闭管理、施工场地、材料堆放、现场宿舍、现场防火)和一般项目(治安综合治理、施工现场标牌、生活设施、保健急救、社区服务),共十一项内容。
3.4脚手架检查评分表分为落地式外脚手架检查评分表、悬挑式脚手架检查评分表、门型脚手架检查评分表、挂脚手架检查评分表、吊篮脚手架检查评分表、附着式升降脚手架安全检查评分表等六种脚手架的安全检查评分表。
3.4.1落地式外脚手架检查检查的项目包括:保证项目(施工方案、立杆基础、架体与建筑结构拉结、杆件间距与剪刀撑、脚手板与防护栏杆、交底与验收)和一般项目(小横杆设置、杆件搭接、架体内封闭、脚手架材质、通道、卸料平台),共十二项内容3.4.2悬挑式脚手架检查的项目包括:保证项目(施工方案、悬挑梁及架体稳定、脚手板、荷载、交底与验收)和一般项目(杆件间距、架体防护、层间防护、脚手架材质),共九项内容。
3.4.3门型脚手架检查的项目包括:保证项目(施工方案、架体基础、架体稳定、扦件、锁件、脚手板、交底与验收)和一般项目(架体防护、材质、荷载、通道),共十项内容。
3.4.4挂脚手架检查的项目包括:保证项目(施工方案、制作组装、材质、脚手板、交底与验收)和一般项目(荷载、架体防护、安装人员),共八项内容。
3.4.5吊篮脚手架检查的项目包括:保证项目(施工方案、制作组装、安全装置、脚手板、升降操作、交底与验收)和一般项目(防护、防护顶板、架体稳定、荷载),共十项内容。
3.4.6附着式升降脚手架安全检查的项目包括:保证项目(使用条件、设计计算、架体构造、附着支撑、升降装置、防坠落、导向防倾斜装置)和一般项目(分段验收、脚手板、防护、操作),共十项内容。