(完整word版)基坑开挖条件验收检查表.doc
- 格式:doc
- 大小:174.52 KB
- 文档页数:2
基坑开挖检查表随着城市建设的不断推进,基坑开挖的数量不断增加,作为基础设施建设的重要环节,基坑开挖的质量直接关系到建筑物的安全性。
为了确保各项工作有序开展,需要制定一份基坑开挖检查表,以便对基坑开挖各项工作进行规范化管理,掌握每一步的工作情况。
本文将从基坑开挖前、中、后三个阶段,编制一份基坑开挖检查表,以便对开挖工程的各个环节进行全面、详细的检查和验收。
一、基坑开挖前检查表•检查工程图纸是否符合实际工程要求。
•检查场地是否符合基坑开挖的要求,如液体污染、地下管线密集等情况。
•检查工作场所的安全设施是否齐全,如围护结构、交通安全、消防安装等。
•检查施工现场服从性是否良好,如施工标志是否齐全、工地是否杂乱、设备是否摆放在合适的位置等。
•检查施工设备并温故知新,如挖掘机、起重机、推土机等设备的使用是否符合标准,且设备是否维修在位、性能稳定等。
•检查施工人员的资质证书、安全知识、设备操作技能是否符合要求。
2.1 地质勘察和施工开挖前的准备•检查勘察单位提供的资料,包括地形地貌图、地质勘察报告等资料是否齐备,是否存在不一致情况。
•从勘察报告中了解产状、坚硬级别,以便调整开挖深度。
•检查工地液位是否齐全,清除积水,确保开挖面平整。
•检查作业地点安全设施是否合格(围栏、防护网、安全标识、紧急设施和施工道路等)。
2.2 开挖•检查开挖直径是否合规,避免直径过小或过大导致施工质量不佳。
•检查挖土方式、堆土方式及处理方式是否符合标准。
•检查相关土方工程施工方案是否准确。
•检查排水设施是否齐全,防止施工过程中泥浆倒灌。
•检查开挖时间、深度、进展是否符合施工计划。
2.3 安检验收•检查地下设施及管线是否顺利避让。
•检查开挖地面是否有掉块并扫除现场。
•检查是否有猝发水、气等情况,并采取措施防止工伤事故发生。
•检查基坑开挖后的地面是否平整,是否有凹陷现象。
•检查安全及环保措施是否到位,同时查看施工人员使用情况。
•检查基坑内部及外围是否进行清理、加固、防护、排水等作业,并对完成情况进行评估。
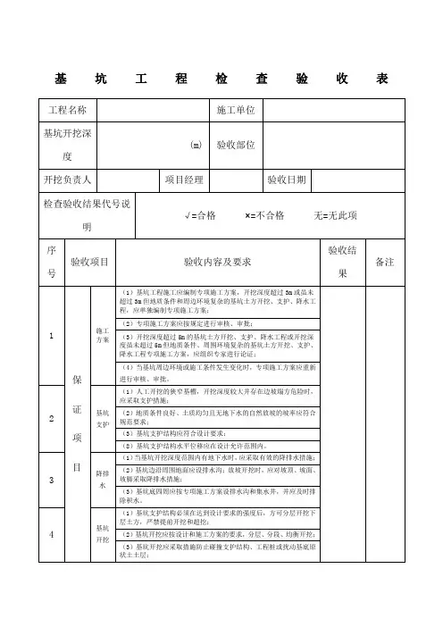
基坑工程检查验收表工程名称施工单位基坑开挖深度(m) 验收部位开挖负责人项目经理验收日期检查验收结果代号说明√=合格×=不合格无=无此项序号验收项目验收内容及要求验收结果备注1保证项目施工方案(1)基坑工程施工应编制专项施工方案,开挖深度超过3m或虽未超过3m但地质条件和周边环境复杂的基坑土方开挖、支护、降水工程,应单独编制专项施工方案;(2)专项施工方案应按规定进行审核、审批;(3)开挖深度超过5m的基坑土方开挖、支护、降水工程或开挖深度虽未超过5m但地质条件、周围环境复杂的基坑土方开挖、支护、降水工程专项施工方案,应组织专家进行论证;(4)当基坑周边环境或施工条件发生变化时,专项施工方案应重新进行审核、审批。
2 基坑支护(1)人工开挖的狭窄基槽,开挖深度较大并存在边坡塌方危险时,应采取支护措施;(2)地质条件良好、土质均匀且无地下水的自然放坡的坡率应符合规范要求;(3)基坑支护结构应符合设计要求;(8)基坑支护结构水平位移应在设计允许范围内。
3 降排水(1)当基坑开挖深度范围内有地下水时,应采取有效的降排水措施;(2)基坑边沿周围地面应设排水沟;放坡开挖时,应对坡顶、坡面、坡脚采取降排水措施;(3)基坑底四周应按专项施工方案设排水沟和集水井,并应及时排除积水。
4 基坑开挖(1)基坑支护结构必须在达到设计要求的强度后,方可分层开挖下层土方,严禁提前开挖和超挖;(2)基坑开挖应按设计和施工方案的要求,分层、分段、均衡开挖;(3)基坑开挖应采取措施防止碰撞支护结构、工程桩或扰动基底原状土土层;(4)当采用机械在软土场地作业时,应采取铺设渣土或砂石等硬化措施。
5 坑边荷载(1)基坑边堆置土、料具等荷载应在基坑支护设计允许范围内;(2)施工机械与基坑边沿的安全距离应符合设计要求。
6安全防护(1)开挖深度超过2m及以上的基坑周边必须安装防护栏杆,防护栏杆的安装应符合规范要求;(2)基坑内应设置供施工人员上下的专用梯道。
基坑开挖条件验收检查表急预案已制定并落实物资储备符合要求,已检查并到位安全防护措施已落实,符合要求质保资料已齐全并符合要求测量定位已完成,符合设计要求地基处理已经完成,检测报告已出具并符合设计要求降水、降压已完成,降水深度符合设计要求,满足开挖要求施工现场坑外排水措施已落实卸土点已确定并手续办妥进行了风险辨识和分析,制定了可操作的应急预案验收表格——XXX(X-1地块)基坑开挖条件施工单位:XXX验收范围:1区第二层土方开挖开挖日期:2014年4月20日序号。
检查项目。
验收情况1.围护结构施工。
基坑围护设计和施工方案已通过专家评审,专家评审意见已予整改并有书面回复意见。
2.周边环境。
周边环境监测方案已审批。
3.方案。
降水专项方案已审批,基坑开挖专项方案已审批,已向管理层和作业层进行了交底。
4.分包单位资质审查。
各分包单位资质经过审查,并应符合有关规定。
5.人、材、机。
人员(按合同)、机械(按方案)、支撑材料(满足进度的数量和符合设计要求的质量)都已到位,并通过验收。
6.设计交底。
施工现场已完成设计交底。
7.安全技术交底。
施工现场安全、技术交底已按要求完成,监护人已落实并有记录。
8.坑边堆载。
坑边堆载符合设计要求。
9.基坑开挖监测。
基坑开挖监测单位的资质、人员、设备仪器检查合格。
10.周围环境及基坑监测控制点。
周围环境及基坑监测控制点已按照监测方案布置好,并做好初始值的测试工作。
11.围护结构施工。
基坑围护结构已按设计完成,围护结构(含圈梁、支撑、栈桥)强度已达设计要求。
12.其他。
基坑围护设计和施工方案已通过专家评审,专家评审意见已予整改并有书面回复意见。
地基处理已经完成,检测报告已出具并符合设计要求。
降水、降压已完成,降水深度符合设计要求,满足开挖要求。
施工现场坑外排水措施已落实。
卸土点已确定并手续办妥。
进行了风险辨识和分析,制定了可操作的应急预案。
急救预案已经制定完成,并且已经采取措施确保抢险设备、材料和人员、方案的落实;临边、高处、交叉作业和上下扶梯等已经设置并符合要求,相应的质量保证资料也已经齐全;测量控制点应设在不受基坑施工影响的范围内,并且测量人员证书符合要求,检测报告也已经上报;降水深度已达到设计要求,施工现场坑外排水措施已经全部落实到位,并且卸土点也已经落实到位;方案编制完成并已上报,同时已按要求布置好,并且相应的质量保证资料也已经齐全;控制点已设好,证书符合要求,并且符合设计及规范规定的其他要求;测量仪器应在检验有效期内,轴线和场地标高实测工作也已完成;监理单位、监测单位、设计单位、施工单位和建设单位都已经签字盖章,并且给出了各自的结论意见和日期。
深基坑开挖条件验收表
深基坑开挖条件验收表通常包括以下内容:
验收时间:记录验收的具体时间。
工程概况:包括工程名称、工程地点、工程规模、基坑开挖深度、周边环境等基本信息。
施工方法与设计工况:说明施工方法、顺序和开挖方案,以及是否符合设计工况。
支护结构:描述支护结构的类型、施工情况、材料使用等情况,并检查其是否满足设计要求和规范标准。
排水系统:检查排水系统的设置、施工质量及排水效果,确保地表水不会进入坑内。
监测设施:验收监测设施的布设、数量、精度等是否符合设计要求和规范标准,并记录监测数据。
安全措施:检查安全措施的落实情况,包括坑边荷载、安全防护设施、警示标志等。
验收结论:根据验收情况,给出是否符合要求的结论,并记录存在的问题及整改意见。
签字盖章:参与验收的各方代表签字盖章,以示认可。
..基坑工程检查验收表工程名称施工单位基坑开挖深度 (m) 验收部位开挖负责人项目经理验收日期检查验收结果代号说明√=合格×=不合格无=无此项序号验收项目验收内容及要求验收结果备注1保证项目施工方案(1)基坑工程施工应编制专项施工方案,开挖深度超过3m或虽未超过3m但地质条件和周边环境复杂的基坑土方开挖、支护、降水工程,应单独编制专项施工方案;(2)专项施工方案应按规定进行审核、审批;(3)开挖深度超过5m的基坑土方开挖、支护、降水工程或开挖深度虽未超过5m但地质条件、周围环境复杂的基坑土方开挖、支护、降水工程专项施工方案,应组织专家进行论证;(4)当基坑周边环境或施工条件发生变化时,专项施工方案应重新进行审核、审批。
2 基坑支护(1)人工开挖的狭窄基槽,开挖深度较大并存在边坡塌方危险时,应采取支护措施;(2)地质条件良好、土质均匀且无地下水的自然放坡的坡率应符合规范要求;(3)基坑支护结构应符合设计要求;(8)基坑支护结构水平位移应在设计允许范围内。
3 降排水(1)当基坑开挖深度范围内有地下水时,应采取有效的降排水措施;(2)基坑边沿周围地面应设排水沟;放坡开挖时,应对坡顶、坡面、坡脚采取降排水措施;(3)基坑底四周应按专项施工方案设排水沟和集水井,并应及时排除积水。
4 基坑开挖(1)基坑支护结构必须在达到设计要求的强度后,方可分层开挖下层土方,严禁提前开挖和超挖;(2)基坑开挖应按设计和施工方案的要求,分层、分段、均衡开挖;(3)基坑开挖应采取措施防止碰撞支护结构、工程桩或扰动基底原状土土层;(4)当采用机械在软土场地作业时,应采取铺设渣土或砂石等硬化措施。
5 坑边荷载(1)基坑边堆置土、料具等荷载应在基坑支护设计允许范围内;(2)施工机械与基坑边沿的安全距离应符合设计要求。
6安全防护(1)开挖深度超过2m及以上的基坑周边必须安装防护栏杆,防护栏杆的安装应符合规范要求;(2)基坑内应设置供施工人员上下的专用梯道。
基坑开挖条件验收检查表概述本文档是一份基坑开挖条件验收检查表。
目的是为了确保基坑开挖能够符合相关安全标准和质量要求。
检查前准备工作在进行基坑开挖条件验收检查前,需完成以下准备工作:1.开展施工前技术交底2.对基坑开挖进行检测,确保没有存在隐患3.完成隔离、标识等安全防护措施4.准备验收检查表格及必要的工具检验内容基坑开挖条件验收主要包括以下内容:设计文件的检查:1.是否向规定管理部门备案并取得许可证明;2.是否施工前进行方案报审;3.是否已具备所有工程设计文件,并进行审核验收。
施工保证措施和质量控制措施的检查:1.施工前是否进行了施工技术交底和安全教育培训;2.是否在开挖前清理场地,土石方平衡,污染物隔离;3.是否对开挖面进行加固处理;4.是否按照要求设置排水、通风、照明设施,并是否完好有效;5.是否有有效的工地秩序、安全警示标志和隔离措施;6.是否进行了现场质量控制,并填写了合格率统计表;7.施工是否按照施工组织设计、施工技术方案进行;8.各工序合理安排,作业面整洁无淤泥。
材料及供货单位的检查:1.是否具有生产、供货许可证书;2.是否具有相关检测和验收合格证书;3.供货能力是否符合工程要求,是否保证供货的及时性;4.是否供货合规、无质量问题。
5.材料使用是否符合工程质量要求,存储条件是否达标。
检验方法:1.在基坑开挖过程中设立监管岗位,并通过岗位把关等方式对上述内容进行检验;2.抽查样本进行现场核查或后验,核对实物和档案,统计结果。
结论:1.合格:全部符合设计要求和工程质量标准;2.合格with 建议改进:整体基本符合要求,但存在一定要改进的地方;3.不合格:无法满足设计和质量要求,需要对工程进行整改。
总结基坑开挖条件验收检查表是确保基坑开挖质量和安全的重要保障措施。
相关人员应仔细核对和执行上述内容,及时发现和整改问题,并改进质量和安全防范措施,以确保基坑开挖的顺利进行。
(基坑开挖)检验批质量验收记录表渝市政验收 -14工程名称开县九龙山中学塑胶运动场分部分项排水沟验收部位排水沟工程名称施工单位重庆迪生建筑工程有限公司项目经理技术负责人施工执行标准名称及编号质量验收规范的规定基坑开挖不得扰动基底1土,如发生超挖,严禁用土回填。
主控2 施工时应保证边坡稳项定,防止塌方。
目基底不得受泡或受冻,基底上的淤泥必须清除3 干净,其它不符合设计要求的杂物与旧桩必须处理。
引用标准: CJJ1-90、JTG F80/1-2004施工单位检查记录监理(建设)单位验收记录符合要求符合要求符合设计要求一1般项2 目施工单位检查结果监理单位审查结论建设单位验收结论坑底土方± 30高程石方±100基坑尺寸符合设计要求专业技术负责人:质检工程师:技术负责人:年月日专业监理工程师:年月日现场负责人:年月日(砂石基层)检验批质量验收记录表渝市政验收 -14工程名称开县九龙山中学塑胶运动场分部分项排水沟验收部位排水沟垫层工程名称施工单位重庆迪生建筑工程有限公司项目经理技术负责人施工执行标准名称及编号质量验收规范的规定1厚度-8 主控项表面应平整密实边线整齐无2 松动,不得有浮石,粗细料目集中现象。
一 1 平整度8 般项 2 宽度目3施工单位检查结果监理单位审查结论建设单位验收结论引用标准: CJJ1-90、JTG F80/1-2004施工单位检查记录监理(建设)单位验收记录符合要求符合设计要求专业技术负责人:质检工程师:技术负责人:年月日专业监理工程师:年月日现场负责人:年月日(水泥混凝土面)检验批质量验收记录表渝市政验收 -14工程名称开县九龙山中学塑胶运动场分部分项排水沟验收部位排水沟 C20砼垫层工程名称施工单位重庆迪生建筑工程有限公司项目经理技术负责人施工执行标准引用标准: CJJ1-90、JTG F80/1-2004名称及编号质量验收规范的规定施工单位检查记录监理(建设)单位验收记录主1 抗压强度必须符合混凝土强度为 C20,经检测符合要求控设计要求项目21一般2项目3厚度-5宽度≮ -20板面边角应整齐,不得符合要求有大于 0.3mm的裂缝。
基坑工程检查验收表正式版
基坑工程检查验收表
基坑开挖、支护及降水工程验收表
深基坑工程(超危工程)安全管理检查记录表
附表B:深基坑工程(超危工程)监理专项巡视检查记录表
项目名称:编号:
基坑支护分部工程质量验收记录
注:1、此表一式四份,监督站、建设、施工及档案馆各存一份;
附表二附件穗建中验—3
基坑支护分部工程质量验收纪要
(桩基础、天然地基、地基处理等)
2、此表为基坑支护分部(子分部)工程质量验收记录的附件。
基坑支护验收表。
基坑开挖条件验收检查表
工程名称:上海国际航空服务中心(X-1 地块)关键工序验收范围: 1 区第二层土方开挖施工单位:中国建筑股份有限公司日期:2014 年 4 月 20 日
序号
1
2 方案
3
4
5分包单位资质审查6人、材、机
7设计交底
8安全技术交底
9
10
11周边环境
12
13围护结构施工
检查项目
基坑围护设计和施工方案通过专家评审,专家评审意见已予整改
并有书面回复意见
降水专项方案已审批
周边环境监测方案已审批
基坑开挖专项方案已审批,已向管理层和作业层进行了交底
各分包单位资质经过审查,并应符合有关规定
人员(按合同)、机械(按方案)、支撑材料(满足进度的数量
和符合设计要求的质量)都已到位,并通过验收;
施工现场已完成设计交底
施工现场安全、技术交底已按要求完成,监护人已落实并有记录。
摸清基坑周围构筑物、管线的现状,以及能承受变形的能力,并
有切实可行的保护措施
坑边堆载符合设计要求
基坑开挖监测单位的资质、人员、设备仪器必须符合有关规定的
要求
周围环境及基坑监测控制点应按监测方案布置好,并做好初始值
的测试工作
基坑围护结构已按设计完成,围护结构(含圈梁、支撑、栈桥)
强度已达设计要求
施工 /监测单位自查情况各方复查情况
基坑围护设计和施工方案已通过专家
评审,专家评审意见已予整改并有书面符合
回复意见
已通过审批符合
已通过审批符合
已完成符合
各分包单位资质已经过审查,并应符合
符合
有关规定
已验收通过符合
已完成符合
已交底并有记录符合
基坑周边环境已进行现场勘验,符合开
符合
挖条件。
坑边堆载符合设计要求符合
基坑开挖监测单位的资质、人员、设备
符合
仪器检查合格
周围环境及基坑监测控制点已按照监
测方案布置好,并做好初始值的测试符合
工作
强度已达到设计强度符合
14 围护结构施工阶段遗留问题已按要求解决或已制定相应的方案。
15 地基处理地基处理已完成,已有检测报告并达到设计要求;
16
降排水
降水、降压已完成,降水深度应达设计要求,满足开挖要求
17 施工现场坑外排水措施已落实
18 出土手续卸土点落实及途径手续等办妥
19 危险源辨识及应急对本工程潜在的风险进行辩识和分析,有针对性、可操作性的应物资急预案编制完成,并落实抢险设备、材料、人员、方案;
20 安全防护临边、高处作业、交叉作业、上下扶梯等已设置并符合要求
21 质保资料相应质量保证资料齐全
22 测量控制点应设在不受基坑施工影响的范围内。
23 测量定位测量人员证书符合要求
24 测量仪器应在检验有效期内,轴线、场地标高实测工作已完成。
25 其他设计及规范规定的其他要求
施工单位(签字盖章)监理单位(签字盖章)监测单位(签字盖章)结论意见:结论意见:结论意见:
无遗留问题符合检测报告已上报符合降水深度已达设计要求符合施工现场坑外排水措施均落实到位。
符合卸土点已落实到位符合方案编制完成已上报符合已按要求布置好符合质量保证资料齐全符合控制点已设好符合证书符合要求符合已完成符合
符合设计单位 ( 签字盖章 )建设单位(签字盖章)结论意见:结论意见:
项目技术负责人 :
项目经理 : 总监理工程师:项目负责人 : 设计项目负责人:项目负责人 : 日期:日期:日期:日期:日期:。