一般抹灰工程检验批质量验收记录表模板
- 格式:doc
- 大小:53.50 KB
- 文档页数:4
一般抹灰工程检验批质量验收记录检验批质量验收记录日期:xxxx年xx月xx日工程名称:xx项目抹灰工程施工单位:xx建筑工程有限公司监理单位:xx监理有限公司一、验收基本情况本次验收对xx项目的抹灰工程进行了全面的检查和验收,按照相关技术规范和施工图纸要求进行了评定。
二、项目概述抹灰工程是建筑工程的一项重要环节,直接影响建筑物的外观和使用寿命。
本次抹灰工程的主要内容包括外墙抹灰、内墙抹灰、天花板抹灰等。
三、验收项目及结果1.外墙抹灰:本次验收对外墙抹灰进行了严格的检查,主要包括以下项目:(1)抹灰层厚度:在施工过程中,施工单位严格按照设计要求进行抹灰,各层厚度均符合规范要求。
(2)抹灰层平整度:抹灰表面平整度达到了相关规范要求,不存在明显凹凸不平的情况。
(3)抹灰层附着力:经测试,抹灰层与墙体之间的附着力良好,无开裂、脱落等现象。
综上所述,外墙抹灰工程符合设计要求,通过验收。
2.内墙抹灰:针对内墙抹灰工程进行了详细的检查,具体项目及结果如下:(1)抹灰面层光洁度:检查发现,内墙抹灰面层光洁度良好,无明显划痕、砂眼等缺陷。
(2)抹灰层厚度:抹灰层厚度符合设计要求,未出现过厚或过薄现象。
(3)抹灰层垂直度:抹灰层垂直度良好,符合规范要求。
综上所述,内墙抹灰工程通过了验收。
3.天花板抹灰:针对天花板抹灰工程进行了详细的检查,具体项目及结果如下:(1)抹灰层平整度:经测量,天花板抹灰层平整度良好,符合要求。
(2)抹灰层附着力:天花板抹灰层与上方结构附着良好,无脱落、开裂等现象。
(3)抹灰面层光洁度:天花板抹灰面层光洁度良好,无明显砂眼、划痕等疵病。
综上所述,天花板抹灰工程符合设计要求,通过验收。
四、验收结论本次抹灰工程的质量验收结果表明,施工单位严格按照设计要求进行施工,各项指标均符合相关规范要求,抹灰工程质量良好。
鉴于此,我们认为该工程通过抹灰工程的质量验收,并予以结论。
五、存在问题和建议鉴于本次抹灰工程质量良好,未发现明显的质量问题,因此没有存在问题和建议。
一般抹灰检验批质量验收记录检验批抹灰施工是建筑装修中的重要环节之一,为确保抹灰施工的质量和验收标准的达到要求,需要进行抹灰检验批质量验收记录。
以下是一份抹灰检验批质量验收记录的范例,供参考。
抹灰检验批质量验收记录项目名称:工程工程地点:地区施工单位:公司质检单位:检测机构施工图号:号检验日期:2024年1月1日检验批次:第一批次检验批数量:100平方米(以实际为准)验收人员:质检员A、质检员B一、抹灰施工情况1.施工材料1.1水泥:XXX牌P.O42.5水泥,合格证件齐全,使用日期在有效期内。
1.2砂浆:按照图纸和施工方案要求,使用配比为1:2.5的水泥砂浆。
1.3保温材料:XXX牌防水保温棉,产品合格,安装完整。
2.施工工艺2.1基层处理:基层墙体平整,无明显裂缝和松动。
2.2抹灰过程:按照工艺要求,先进行抹灰准备工作,如湿润基层、刮腻子等;然后进行抹灰层施工,先进行压光处理,再进行抹灰,最后进行抹平整。
二、质量验收记录序号检验项目指标要求抽查数量检验结果备注1 基层墙体平整度≤3mm10处合格参见附图2 抹灰厚度≥15mm10处合格参见附图3 抹灰外观质量光滑、平整、无明显麻面、脱落、开裂等缺陷 10处合格参见附图4 抹灰层密实性无空鼓、空洞、鼓包等现象10处合格参见附图三、质量问题整改检验过程中,未发现质量问题。
四、质量验收结论本次抹灰检验批的质量验收结果合格。
施工单位按照规范要求完成了抹灰工作,施工质量满足设计和验收标准要求。
五、附件附图:抹灰施工现场照片及测量数据。
以上是一份抹灰检验批质量验收记录的范例,具体内容可以根据实际情况进行调整和补充。
质量验收记录的编写要准确、全面,以确保施工质量的合格。
以下是一般抹灰检验批质量验收记录的填写范例:
工程名称:xxxx工程
工程地点:xxxx地址
施工单位:xxxx公司
监理单位:xxxx公司
日期:xxxx年xx月xx日
序号施工部位项目名称技术要求检测结果备注
1 墙面抹灰层厚度≥10mm 合格-
平整度≤3mm 合格-
粘结强度≥0.2MPa 合格-
2 天花板抹灰层厚度≥8mm 合格-
平整度≤5mm 合格-
粘结强度≥0.2MPa 合格-
质量评定:本次抹灰工作经过检验,符合技术要求,达到设计要求和规范要求。
施工单位负责人签字:_____________________ 监理单位负责人签字:_____________________
在填写抹灰检验批质量验收记录时,需要根据具体的工程和设计要求进行相应的调整。
上述范例中列出了一些常见的抹灰质量检验项目,如抹灰层厚度、平整度和粘结强度等,并对每项进行了合格/不合格的判定。
如果某项检测项目不合格,需要在“备注”栏中注明具体情况,并记录相应的整改措施和时间计划。
最后,在填写完抹灰检验批质量验收记录后,由施工单位负责人和监理单位负责人进行签字确认,表示双方对此次抹灰工程的质量结果达成一致意见。
请注意,以上是一个简化的范例,实际填写时需要结合具体项目、技术要求和规范要求进行调整和补充。
建议参考相关规范和标准,以确保填写的质量验收记录符合实际情况和法律要求。
一般抹灰工程检验批质量验收记录表1. 项目基本信息•项目名称:•施工单位:•监理单位:•检验日期:2. 检验批次信息批次编号施工部位抹灰面积(平方米)检验结果备注123…3. 检验项目及标准项目编号检验项目检验标准1 墙体平整度墙面平整度允许偏差为±5mm2 抹灰厚度抹灰面的设计厚度为Xmm,允许偏差为±10%3 抹灰层粘结强度抹灰层与基层的粘结强度应符合相关标准,不应出现空鼓、开裂等情况4 抹灰层表面平整度抹灰层的表面平整度应满足设计要求,不应出现起砂、空鼓、裂缝等问题5 抹灰层养护质量抹灰层养护应符合相关标准,包括保持湿润、避免直接阳光照射、防止被雨水冲刷等6 抹灰层阴阳角处理发生阴阳角时,应采取适当的措施进行处理,如加嵌条、过渡层等7 抹灰层防水处理抹灰层与墙面接缝、阳台地膜、厨房洗浴间等特殊部位应进行防水处理,确保防水层与抹灰层的协调与质量4. 检验结果根据对各批次抹灰工程进行检验,结果如下:•批次1:–墙体平整度:合格–抹灰厚度:合格–抹灰层粘结强度:合格–抹灰层表面平整度:合格–抹灰层养护质量:合格–抹灰层阴阳角处理:合格–抹灰层防水处理:合格•批次2:–墙体平整度:合格–抹灰厚度:合格–抹灰层粘结强度:合格–抹灰层表面平整度:合格–抹灰层养护质量:合格–抹灰层阴阳角处理:合格–抹灰层防水处理:合格•批次3:–墙体平整度:不合格(偏差超过5mm)–抹灰厚度:合格–抹灰层粘结强度:合格–抹灰层表面平整度:合格–抹灰层养护质量:合格–抹灰层阴阳角处理:合格–抹灰层防水处理:合格5. 结论与建议根据抹灰工程的检验结果,综合考虑各项指标,我们得出以下结论与建议:•批次1和批次2的抹灰工程质量达到了设计要求,可以通过验收并进行下一步施工工序。
•批次3的抹灰工程存在墙体平整度不合格的问题,需要对该批次的抹灰工程进行整改,并在整改后重新进行质量验收。
6. 备注•特殊情况说明:•其他需要补充的信息:。
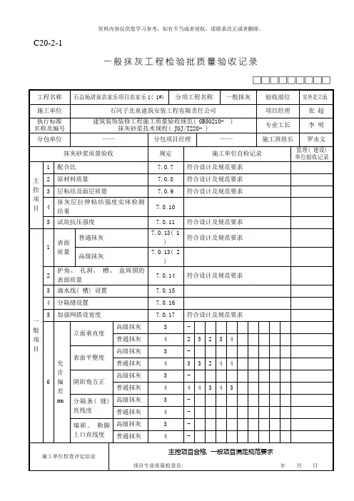
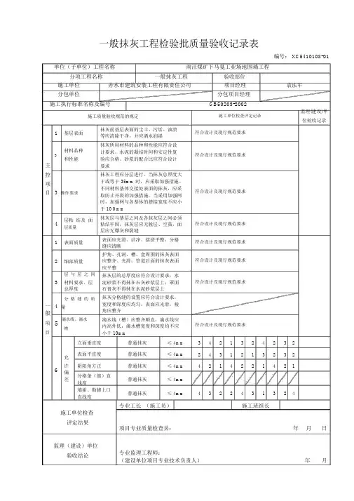
一般抹灰工程检验批质量验收记录表编号: XC5410108-01单位(子单位)工程名称雨汪煤矿下马戛工业场地围墙工程分项工程名称一般抹灰工程验收部位施工单位 赤水市建筑安装工程有限责任公司 项目经理 袁法军分包单位分包项目经理 施工执行标准名称及编号GB50203-2002施工质量验收规范的规定监理(建设)单 施工单位检查评定记录位验收记录1 基层表面材料品种 2和性能主 控项目3 操作要求层粘 结及 面4层质量1 表面质量2 细部质量层 与 层 之 间3 材料要求、层总厚度分 格 缝 的 质一 4 量般项5滴水线、滴水槽目抹灰前基层表面的尘土、污垢、油渍等应清除干净,并应洒水润湿抹灰所用材料的品种和性能应符合设计要求。
水泥的凝结时间和安定性复验应合格。
砂浆的配合比应符合设计要求抹灰工程应分层进行。
当抹灰总厚度大于或等于 35mm 时,应采取加强措施。
不同材料基体交接处表面的抹灰,应采取防止开裂的加强措施,当采用加强网时,加强网与各基体的搭接宽度不应小于 1OOmm抹灰层与基层之间及各抹灰层之间必须粘结牢固,抹灰层应无脱层、空鼓,面层应无爆灰和裂缝表面应光滑、洁净、接搓平整,分格缝应清晰护角、孔洞、槽、盒周围的抹灰表面应整齐、光滑;管道后面的抹灰表面应平整抹灰层的总厚度应符合设计要求;水泥砂浆不得抹在石灰砂浆层上;罩面石膏灰不得抹在水泥砂浆层上抹灰分格缝的设置应符合设计要求,宽度和深度应均匀,表面应光滑,棱角应整齐滴水线(槽)应整齐顺直,滴水线应内高外低,滴水槽宽度和深度均不应小于 10mm符合设计及现行规范要求符合设计及现行规范要求符合设计及现行规范要求符合设计及现行规范要求符合设计及现行规范要求符合设计及现行规范要求符合设计及现行规范要求符合设计及现行规范要求立面垂直度 普通抹灰 ≤ 4mm 3 4 2 1 3 2 4 2 3 2允表面平直度普通抹灰≤ 4mm243121323 26 许 阴阳角方正普通抹灰≤ 4mm421422142 1偏分格条(缝)直差 普通抹灰≤ 4mm线度墙裙、勒脚上口 普通抹灰≤ 4mm432243132 4直线度专业工长 (施工员)施工班组长施工单位检查评定结果项目专业质量检查员:年 月日监理(建设)单位验收结论专业监理工程师:(建设单位项目专业技术负责人)年 月日。
般抹灰工程检验批质量验收记录表GB50210-2001单位(子单位)工程名称 分部(子分部)工程名称 施工单位查评定结果2009年 月 日监理(建设)(建设单位项目专业技术负责人)030201施工执行标准名称及编号《建筑装饰装修工程质量验收规范》(GB50210-2001)施工单位检 验收部位 项目经理项目专业质量检查员:单位验收结论专业监理工程师:般抹灰工程报验申请表工程名称:海南州共和县政府旧楼改造编号: 致:青海东亚建设监理有限公司(监理单位)我单位已完成了一层一般抹灰工作,现报上该工程报验申请表,请予审查和验收。
附件:一般抹灰检验批质量验收记录表承包单位(章)青海鑫瑞建设工程有限公司项目经理审查意见:项目监理机构:青海东亚建设监理有限公司总/专业监理工程师:日期: 本表一式三份,由承包单位填写,经监理审批后。
建设、承包、监理单位各存一份般抹灰工程检验批质量验收记录表GB50210-2001单位(子单位)工程名称海南州共和县政府旧楼改造2009年 月日030201口冈分部(子分部)工程名称 建筑装饰装修验收部位二层一般抹灰施工单位青海鑫瑞建设工程有限公司 项目经理 辛金珍施工单位检 施工执行标准名称及编号 I 《建筑装饰装修工程质量验收规范》(GB50210-2001)监理(建设) 单位验收结论专业监理工程师:查评定结果 项目专业质量检查员: 经检查:主控项目、一般项目均符合设计和《建筑装饰装修工程质量验收规 范》(GB50210-2001)的规定,评定合格。
(建设单位项目专业技术负责人)年月日般抹灰工程报验申请表工程名称:海南州共和县政府旧楼改造编号:致:青海东亚建设监理有限公司(监理单位)我单位已完成了二层一般抹灰工作,现报上该工程报验申请表,请予审查和验收。
附件:一般抹灰检验批质量验收记录表承包单位(章)青海鑫瑞建设工程有限公司项目经理审查意见:项目监理机构•青海东亚建设监理有限公司总/专业监理工程师:(建设单位项目专业技术负责人)年月日日期:本表一式三份,由承包单位填写,经监理审批后。
一般抹灰工程检验批质量验收记录
注:1.本表由施工项目专业质量检查员填写,监理工程师(建设单位项目技术负责人)组织项目专业质量(技术)负责人进行验收。
2.记录中定量项目填写数据,定性项目“符合规范要求”用√标注,结果和结论栏由本人签字。
一般抹灰工程检验批质量验收记录
注:1。
本表由施工项目专业质量检查员填写,监理工程师(建设单位项目技术负责人)组织项目专业质量(技术)负责人进
行验收。
2。
记录中定量项目填写数据,定性项目“符合规范要求" 用√标注,结果和结论栏由本人签字。
一般抹灰工程检验批质量验收记录
注:1。
本表由施工项目专业质量检查员填写,监理工程师(建设单位项目技术负责人)组织项目专业质量(技术)负责人进行验收.
2。
记录中定量项目填写数据,定性项目“符合规范要求”用√标注,结果和结论栏由本人签字。
一般抹灰工程检验批质量验收记录
注:1.本表由施工项目专业质量检查员填写,监理工程师(建设单位项目技术负责人)组织项目专业质量(技术)负责人进行验收。
2。
记录中定量项目填写数据,定性项目“符合规范要求”用√标注,结果和结论栏由本人签字。
一般抹灰工程检验批质量验收记录
注:1.本表由施工项目专业质量检查员填写,监理工程师(建设单位项目技术负责人)组织项目专业质量(技术)负责人进行验收。
2。
记录中定量项目填写数据,定性项目“符合规范要求”用√标注,结果和结论栏由本人签字.。
一般抹灰工程检验批质量验收记录表1.工程概况施工单位:xxxx公司施工地点:xxxx地区工程名称:xxxx项目日期:xxxx年xx月xx日2.检验批概述检验批编号施工部位工程要求检验结果备注001 墙面符合要求合格002 地面符合要求合格003 天花板符合要求合格3.检验批详情3.1 检验批编号:0013.1.1 施工部位墙面3.1.2 工程要求•墙面的抹灰层应平整、光滑,无扣渣、空鼓和脱落现象。
•抹灰层应无裂缝和麻面情况。
•抹灰层应符合设计要求的颜色和平整度。
3.1.3 检验结果抹灰层平整光滑,无扣渣、空鼓和脱落现象。
抹灰层无裂缝和麻面情况。
抹灰层颜色和平整度符合设计要求。
3.2 检验批编号:0023.2.1 施工部位地面3.2.2 工程要求•地面的抹灰层应平整、无空鼓和脱落现象。
•抹灰层应无裂缝和麻面情况。
•抹灰层应符合设计要求的颜色和平整度。
3.2.3 检验结果抹灰层平整光滑,无空鼓和脱落现象。
抹灰层无裂缝和麻面情况。
抹灰层颜色和平整度符合设计要求。
3.3 检验批编号:0033.3.1 施工部位天花板3.3.2 工程要求•天花板的抹灰层应平整、光滑,无扣渣、空鼓和脱落现象。
•抹灰层应无裂缝和麻面情况。
•抹灰层应符合设计要求的颜色和平整度。
3.3.3 检验结果抹灰层平整光滑,无扣渣、空鼓和脱落现象。
抹灰层无裂缝和麻面情况。
抹灰层颜色和平整度符合设计要求。
4.质量验收结论根据对一般抹灰工程检验批的质量验收记录,所有检验批的抹灰工程符合设计要求,并具备合格的质量,达到了验收标准。
施工单位可以进一步进行后续的装饰工程。
5.备注无。
以上为一般抹灰工程检验批质量验收记录表。
# 一般抹灰工程检验批质量验收记录表## 1.工程概况...## 2.检验批概述...## 3.检验批详情### 3.1 检验批编号:001#### 3.1.1 施工部位...#### 3.1.2 工程要求...#### 3.1.3 检验结果...### 3.2 检验批编号:002#### 3.2.1 施工部位...#### 3.2.2 工程要求...#### 3.2.3 检验结果...### 3.3 检验批编号:003#### 3.3.1 施工部位...#### 3.3.2 工程要求...#### 3.3.3 检验结果...## 4.质量验收结论...## 5.备注...。
一般抹灰工程检验批质量验收记录注:主控项目应符合设计及技术变更要求。
SG—T080填写说明一、本表适用于石灰砂浆、水泥砂浆、水泥混合砂浆、聚合物水泥砂浆和麻刀石灰、纸筋石灰、石膏灰等一般抹灰工程检验批质量验收记录。
二、本表由监理工程师(建设单位技术负责人)组织项目专业质量(技术)负责人等进行验收。
三、检验批的划分:1.相同材料、工艺和施工条件的室外抹灰工程每500~1000m2应划分为一个检验批,不足500m2处应划分为一个检验批。
2.相同材料、工艺和施工条件的室内抹灰工程每50个自然间(大面积房间和走廊按抹灰面积30m2为一间)应划分为一个检验批,不足50间也应划分为一个检验批。
四、检查数量:1.室内每个检验批应至少抽查10%,并不得少于3间,不足3间时应全数检查。
2.室外每个检验批每100扩应至少抽查1处,每处不得小于10m2。
五、本表主控项目检查方法:1.基层表面应干净、洒水湿润:检查施工记录。
2.材料的品种、性能,砂浆的配合比符合设计要求,水泥凝结蚶间、安定性复验合格:检查产品合格证书、进场验收记录、复验报告和施工记录。
3.抹灰应分层;当抹灰厚度≥35mm应采取措施;不同材料基体交接处应采取防裂措施;当采用加强网时加强网与基体搭接宽度≥100mm:检查隐蔽工程验收记录和施工日记。
4.抹灰层与基层及抹灰层之间粘结乍田,抹灰层无脱层、空鼓,面层应爆灰和裂缝:观察,用小锤轻击检查;检查施工记录。
六、表中一般项目检查方法:1.护角、孔洞、槽、盒周围的抹灰表面应整齐、光滑;管道后面的抹灰表面应平整:观察、手摸检查。
2.抹灰层总厚度符合设计要求;水泥砂浆不得抹在石灰砂浆层上;罩面石膏灰不得抹在水泥砂浆层上:检查施工记录。
3.抹灰分格缝的设置符合设计要求,宽度和深度应均匀,表面光滑,棱角整齐:观察、尺量检查。
4.有排水要求的部位应做滴水线(槽)。
滴水线(槽)整齐顺直,滴水线内高外低,滴水糟宽度、深度≥10mm:观察、尺量检查。
一般抹灰工程检验批质量验收记录表
1
一般抹灰工程检验批质量验收记录表
说明
主控项目
1、抹灰前基层表面的尘土、污垢、油渍等应清除干净, 并应洒水润湿。
检查施工记录。
2、一般抹灰所用材料的品种和性能应符合设计要求。
水泥的凝结时间和安定性复验应合格。
砂浆的配合比应符合设计要求。
检查产品合格证书、进场验收记录、复验报告和施工记录。
3、抹灰工程应分层进行。
当抹灰总深度大于或等于35mm时, 应采取加强措施。
不同材料基体交接处表面的抹灰, 应采取防止开裂的加强措施, 当采用加强网时, 加强网与各基体的搭接宽度不应小于100mm。
检查隐蔽工程验收记录和施工记录。
4、抹灰层与基层之间及各抹灰层之间必须粘结牢固, 抹灰层应无脱层、空鼓, 面层应无爆灰和裂缝。
观察; 用小锤轻击检查: 检查施工记录。
一般项目
1、一般抹灰工程的表面质量应符合下列规定:
( 1) 普通抹灰表面应光滑、洁净、接搓、平整, 分格缝应清晰。
( 2) 高级抹灰表面应光滑、洁净、颜色均匀、无抹纹, 为格缝和灰线应清晰美观。
观察和手摸检查。
2、护角、孔洞、槽、盒周围的抹灰表面应整齐、光滑; 管道后面的抹灰表面应平整。
观察检查。
3、抹灰层的总厚度应符合设计要求, 水泥砂浆不得沫在石灰砂浆层和; 罩面石膏灰不得抹在水泥砂浆层上。
检查施工记录。
4、抹灰分格缝的设置应符合设计要求, 宽度和深度应均匀, 表面应光滑, 棱角应整齐。
观察和尺量检查。
5、有排水要求的部位应做滴水线( 槽) 。
滴水线( 槽) 应整齐顺直, 滴水线应内高外低, 滴水槽的宽度和深度均不应小于10mm。
观察和尺量检查
6、一般抹灰工程质量的允许偏差符合下表规定。
注: 1) 普通抹灰, 本表第4项阴角方正可不检查;
2) 顶棚抹灰, 本表第2项表面平整度可不检查。
但应平顺。