2020版《中国药典》不溶性微粒检验操作规程
- 格式:doc
- 大小:46.50 KB
- 文档页数:4
2020版《中国药典》粒度与粒度分布检验操作规程一、目的:二、范围:本标准适用于测定样品的粒子大小或限度。
三、职责:1、检验员:严格按操作规程操作,认真、及时、准确地填写检验记录;2、化验室负责人:监督检查检验员执行本操作规程。
四、内容:简述:本法用于测定原料药和药物制剂的粒子大小或粒度分布。
其中第一法、第二法用于测定药物制剂的粒子大小或限度,第三法用于测定原料药或药物制剂的粒度分布。
1、第一法(显微镜法):本法中的粒度,系以显微镜下观察到的长度表示。
1.1目镜测微尺的标定:照显微鉴别法(见EKSOP-QC7051显微鉴别法检验操作规程)标定目镜测微尺。
1.2测定法:取供试品,用力摇匀,黏度较大者可按各品种项下的规定加适量甘油溶液(1→2)稀释,照该剂型或各品种项下的规定,量取供试品,置载玻片上,覆以盖玻片,轻压使颗粒分布均匀,注意防止气泡混入,半固体可直接涂在载玻片上,立即在50?100倍显微镜下检视盖玻片全部视野,应无凝聚现象,并不得检出该剂型或各品种项下规定的50um及以上的粒子。
再在200?500倍的显微镜下检视该剂型或各品种项下规定的视野内的总粒数及规定大小的粒数,并计算其所占比例(%)。
2、第二法(筛分法):2.1仪器:药筛、接受容器2.2概述:2.2.1筛分法一般分为手动筛分法、机械筛分法与空气喷射筛分法。
手动筛分法和机械筛分法适用于测定大部分粒径大于75um的样品。
对于粒径小于75um的样品,则应采用空气喷射筛分法或其他适宜的方法。
2.2.2机械筛分法系采用机械方法或电磁方法,产生垂直振动、水平圆周运动、拍打、拍打与水平圆周运动相结合等振动方式。
空气喷射筛分法则采用流动的空气流带动颗粒运动。
2.2.3筛分试验时需注意环境湿度,防止样品吸水或失水。
对易产生静电的样品,可加入0.5%胶质二氧化硅和(或)氧化铝等抗静电剂,以减小静电作用产生的影响。
2.3手动筛分法2.3.1单筛分法:称取各品种项下规定的供试品,置规定号的药筛中(筛下配有密合的接收容器),筛上加盖。
医疗器材企业标准QB REV产品微粒污染检测规程公布实施产品微粒污染检测规程1.目标控制产品中微粒数量,确保产品质量。
2.范围生物部生产生物产品。
3.职责3.1生产部负责检测样品制备3.2质检部负责样品检测及汇报填写。
4.依据GB 8368- 《一次性使用输液器重力输液式》。
《中国药典》通则0903《不溶性微粒检验法》。
5.程序5.1试验前准备6mol/L盐酸、6mol/L氢氧化钠、纯化水、无粉手套。
5.2环境万级环境下百级工作台上进行。
5.3设备GWJ-5S微粒检测仪。
5.4空白对照液制备5.4.1将接触检测液器具用纯化水清洁3遍,备用。
5.4.2量取37ml分析纯盐酸置量筒中,加纯化水至200ml,即得6mol/L盐酸。
5.4.3称取48g氢氧化钠置量筒中,加纯化水至200ml,即得6mol/L氢氧化钠。
5.4.4量取150ml6mol/L盐酸置磨口三角烧瓶中,加6mol/L氢氧化钠调整至PH7.0左右,再加纯化水至520ml,作为空白对照液,备用。
5.4.5将520ml空白对照液沿壁缓慢倒入检测杯中,避免产生气泡。
5.4.6将检测杯放在检测平台上,静止1-2min,目测溶液没有气泡为止,按《GWJ-5S微粒检测仪标准操作规程》检测。
5.4.7制取2份平行空白对照液,检测结果取平均值。
5.4.8空白对照液检测数值全部应不超出9,不然试验无效。
5.5供试液制备5.5.1取11块90mm×110mm生物产品,剪开包装,用镊子夹起生物产品放入500ml 磨口三角烧瓶中。
5.5.4 加入200ml纯化水,每隔20分钟充足振荡一次,浸提1小时,用镊子将生物产品取出后,量取37ml分析纯盐酸至三角烧瓶中。
5.5.3将磨口三角烧瓶置于105℃环境下,连续二十四小时。
5.5.4取出三角烧瓶,目测溶液应无异物,然后加入6mol/L氢氧化钠溶液调整PH 值至7.0左右,加纯化水至500ml。
5.5.5取11瓶中任意1瓶,震荡均匀向其它10瓶加20ml供试液。
2020版《中国药典》不溶性微粒检验操作规程一、目的:不溶性微粒检验操作规程编写/修订人/日期年月日部门/姓名审核人/日期批准人/日期执行日期分发部门品质部年月日部门/姓名年月日部门/姓名2020年11月01日颁发部门品质部制订详尽的工作程序,规范检验操作,保证检验数据的准确性。
二、范围:本标准适用于样品不溶性微粒的测定。
三、职责:1、检验员:严格按操作规程操作,认真、及时、准确地填写检验记录;2、化验室负责人:监督检查检验员执行本操作规程。
四、内容:1、简述:1.1本法系用以检查静脉用注射剂(溶液型注射液、注射用无菌粉末、注射用浓溶液)及供静脉注射用无菌原料药中不溶性微粒的大小及数量。
1.2本法包孕光阻法和显微计数法。
当光阻法测定结果不符合划定或供试品不适于用光阻法测按时,应接纳显微计数法进行测定,并以显微计数法的测定结果作为判定按照。
1.3光阻法不适用于黏度过高和易析出结晶的制剂,也不适用于进人传感器时简单发生气泡的注射剂。
对于黏度过高,接纳两种方法都无法直接测定的注射液,可用适宜的溶剂稀释后测定。
2、试验环境及检测:2.1试验操作环境应不得引入外来微粒,测定前的操作应在洁净工作台进行。
玻璃仪器和其他所需的用品均应洁净、无微粒。
本法所用微粒检查用水(或其他适宜溶剂),使用前须经不大于l.Oμm的微孔滤膜滤过。
2.2取微粒检査用水(或其他适宜溶剂)符合下列要求:光阻法取50ml测定,要求每10ml含lOμm及10μm以上的不溶性微粒数应在10粒以下,含25μm及25μm上的不溶性微粒数应在2粒以下。
显微计数法取50ml测定,要求含10μm及10μm以上的不溶性微粒数应在20粒以下,含25μm及25μm 以上的不溶性微粒数应在5粒以下。
3、第一法(光阻法):3.1测定原理:当液体中的微粒通过一窄细检测通道时,与液体流向垂直的入射光,由于被微粒阻挡而减弱,因此由传感器输出的信号降低,这种信号变化与微粒的截面积大小相关。
不溶性微粒检查操作规程目的:为了规范不容性微粒检查操作,保证检验结果的准确性,制定本规程。
适用范围:经可见异物检查符合规定后溶液型静脉用注射液中不溶性微粒的大小及数量测定。
药用胶塞、输液瓶、输液袋和塑料输液容器用内盖等包装材料中不溶性微粒的大小及数量测定。
依据:《中国药典》2010年版二部国家食品药品监督管理局国家药品包装容器(材料)标准(试行)YBB00272004《药品生产质量管理规范》(2010年修订)《中国药品检验标准操作规程》2010年版责任:检验员对本规程的实施负责。
内容:1.概述本法包括光阻法和显微计数法。
当光阻法测定结果不符合规定或供试品不适于用光阻法测定时,应采用显微计数法进行测定,并以显微计数法的测定结果作为判定依据。
(光阻法不适用于黏度过高和易析出的制剂,也不适用于进入传感器时容易产生气泡的注射剂。
)2.测定(光阻法):2.1.原理:当液体中的微粒通过一窄小的检测区时,与液体流向垂直的入射光,由于被微粒阻挡而减弱,因此由传感器输入的信号降低,这种信号变化与微粒的截面积大小相关。
再根据通过检测区注射液的体积,计算出被检测注射液每1ml中含大于10μm和大于25μm或其他粒径的不溶性微粒数。
2.2.仪器装置:仪器通常包括取样器、传感器和数据处理器三部分。
测量粒度范围为2~100um,检测微粒浓度为0~10000个/ml。
仪器应依据各使用仪器操作规程校正。
2.3.试验环境要求:试验操作环境应不得引入明显的微粒,测定前的操作应在层流净化台中进行。
玻璃仪器和其他所需的用品均应洁净、无微粒,本操作过程所用微粒检查用水(或其他适宜溶剂),使用前须经不大于1.0um的微孔滤膜滤过。
2.4.试验环境检测:取微粒检查用水(或其他适宜溶剂)50ml,同2.5.1自“冲洗开启口或导液口及取样杯……”操作。
光阻法要求每10ml中含10um以上的不溶性微粒应在10粒以下,含25um以上的不溶性微粒应在2粒以下。
不溶性微粒检查法标准操作规程不溶性微粒检查法(《中国药典》2010年版二部附录IX C)系在可见异物检查符合规定后,用以检测静脉用注射剂(溶液型注射液、注射液无菌粉末、注射用浓溶液)及供静脉注射用无菌原料药中不溶性微粒的大小及数量。
《中国药典》规定了两种检查方法即光阻法和显微计数法。
当光阻法测定结果不符合规定或供试品不适于用光阻法测定时,应采用显微计数法进行测定,并以显微计数法的测定结果作为判定依据。
第一法光阻法1 简述光阻法是当一定体积的注射液通过一窄小的检测区时,与液体流向垂直的入射光,由于被供试液中的微粒阻挡而减弱,因此由传感器输出的信号降低,这种信号变化与微粒的截面积大小相关,再根据通过检测区供试液的体积,计算出1ml供试液中含10μm以上(≥10um)及含25μm以上(≥25um)的不溶性微粒数。
2 实验环境、仪器与用具2.1 实验环境实验操作环境应不得引入外来微粒,测定前的操作在层流净化台中进行。
玻璃仪器和其他所需的用品均应洁净,无微粒。
本法所用微粒检查用水(或其他适宜溶剂),使用前须经不大于1.0μm的微孔滤膜滤过。
2.2 仪器装置光阻法不溶性微粒测定仪通常包括定量取样器、传感器和数据处理器三部分。
测量粒度范围为2~100μm,检测微粒浓度为0~10000个/ml。
不溶性微粒测定仪应定期校正与检定(至少每6个月校正一次),并符合规定。
3 操作方法(应在符合2.1项条件下进行)3.1 检查前的准备3.1.1 取50ml微粒检查用水(或其他溶剂)经微孔滤膜(一般孔径为0.45μm)滤过,置于洁净的适宜容器中,旋转使可能存在的微粒均匀,静置待气泡消失。
按光阻法项下的检查法检查,每10ml中含10μm以上的不溶性微粒应在10粒以下,含25μm(≥25um)以上的不溶性微粒应在2粒以下。
否则表明微粒检查用水(或其他溶剂)、玻璃仪器和实验环境不适于进行微粒检查,应重新进行处理,检测符合规定后方可进行供试品检查。
不溶性微粒检查法不溶性微粒检查法(《中国药典》2010年版二部附录Ⅸ C)系在可见异物检查符合规定后,用以检查静脉注射剂(溶液型注射液、注射用无菌粉末、注射用浓溶液)及供静脉注射用无菌原料药中不溶性微粒的大小及数量。
《中国药典》规定了两种检查方法即光阻法和显微计数法。
当光阻法测定结果不符合规定或供试品不适于用光阻法测定时,应采用显微计数法进行测定,并以显微计数法的测定结果作为判定依据。
第一法光阻法1 简述光阻法是当一定体积的供试液通过一窄小的检测区时,与液体流向垂直的入射光,由于被供试液中的微粒阻挡而减弱,因此由传感器输出的信号降低,这种信号变化与微粒的截面积大小相关,再根据通过检测区供试液的体积,计算出每1ml供试液中含10µm以上(≥10µm)及含25µm以上(≥25µm)的不溶性微粒数。
2 实验环境、仪器与用具2.1 实验环境实验操作环境应不得引入外来微粒,测定前的操作在层流净化台中进行。
玻璃仪器和其他所需的用品均应洁净、无微粒。
本法所用微粒检查用水(或其他适宜溶剂),使用前须经不大于1.0μm的微孔滤膜滤过。
2.2 仪器装置光阻法不溶性微粒测定仪通常包括定量取样器、传感器和数据处理器三部分。
测量粒径范围为2~100μm,检测微粒浓度为0~10000个/ml。
不溶性微粒测定仪器应定期校正与检定(至少每6个月校正一次),并符合规定。
3 操作法(应在符合2.1项条件下进行)3.1 供试品检查前的准备3.1.1 取50ml微粒检查用水(或其他溶剂),经微孔滤膜(一般孔径为0.45μm)滤过,置于洁净的适宜容器中,旋转使可能存在的微粒均匀,静置待气泡消失。
按光阻法项下的检查法检查,每10ml中含10μm以上(≥10μm)的不溶性微粒应在10粒以下,含25μm以上(≥25μm)的不溶性微粒应在2粒以下。
否则表明微粒检查用水(或其他溶剂)、玻璃仪器或实验环境不适于进行微粒检查,应重新进行处理,检测符合规定后方可进行供试品检查。
包装材料不溶性微粒测定法YBB00272024不溶性微粒是指在包装材料的生产和使用过程中,由于材料的起泡、碎屑、沉淀等原因而引入的固体颗粒物,这些微粒可能会对包装物和包装产品产生污染和损害。
测定方法简述为:首先将包装材料样品取出一定量,然后用一定体积的溶剂进行超声处理,将不溶性微粒从材料中溶解出来,形成悬浮液。
接下来,用一定的流速将悬浮液通过膜过滤器进行过滤,收集在预称量的滤纸上。
最后,将滤纸置于干燥器中进行烘干,使滤纸中的微粒完全干燥。
然后根据滤纸的重量和局部不能清除的颗粒(如起泡物)的重量,计算出包装材料中的不溶性微粒含量。
这个测定方法的主要步骤分为样品准备、超声处理、过滤和烘干四个部分。
每个部分都有严格的操作要求和规范,以保证测定结果的准确性和可重复性。
该方法能够较为准确地测定包装材料中的不溶性微粒含量,能够提供价值和权威性的数据支持,以供包装材料的生产和使用过程中进行质量控制和改进。
通过这种测定方法,可以评估包装材料的纯净度和质量,并能够及早发现和解决包装材料中可能存在的问题(例如材料的老化、微粒的变化等),以确保包装材料不会对包装产品的安全性和质量产生负面影响。
综上所述,包装材料不溶性微粒测定法是一种重要的包装材料检测方法,并且在实际应用中具有广泛的价值和意义。
这个测定方法的详细操作步骤和具体参数可以参考相关的标准文档,以确保测定结果的准确性和可靠性。
同时,通过这种测定方法可以提供科学依据和数据支持,以促进包装材料质量的持续改进和提高。
内包材初始污染菌及微粒污染检测操作规程编号:版本:编制:日期:审定:日期:批准:日期:生效日期:管理部门:发放部门:生产部 质管部 工程部 研发部 PMC 采购部 仓库 营销中心 人事行政中心 财务部一、目的规范来料内包材初始污染菌数检验标准操作。
二、适用范围适用于内包材来料初始污染菌检验。
三、职责微生物实验员对此规程负责。
四、参考资料1. 参考2020版《中国药典》四部非无菌微生物限度检查法;2. GB/T 19973.1-2015《医疗器械灭菌-微生物学方法-第一部分:产品中微生物数量的估计》;五、内容1.设备与材料:薄膜过滤器、恒温培养箱、霉菌培养箱、培养皿、锥形瓶、蓝盖瓶、量筒、烧杯、镊子、剪子、橡皮塞、纱布、灭菌棉球、酒精灯,超净工作台,高压灭菌锅,电子称,0.45um滤膜等、无菌取样袋、无菌手套。
2.稀释液及培养基0.9%无菌氯化钠溶液、胰酪大豆胨琼脂培养基、沙式葡萄糖琼脂培养基3.取样规则a、让来料检验员帮忙打开外包装;b、取样员戴上无菌手套;c、随机抽取6个样品装进无菌自封袋后将封条密封;d、做好记录e、送至实验室4.检验方法4.1取8个灭菌平皿分别倒入胰酪大豆胨琼脂和沙氏葡萄糖琼脂培养基15—20ml凉干。
4.2 将每批送至实验室的样品,分别编号:1、2、3、4、5、6,再将每个编号的样品分别剪成小片状后投入灭菌后的均质袋中,再根据样品的大小倒入灭菌生理盐水直到浸没整个样品,充分混匀,使微生物尽可能洗脱后将无菌镊子把小片状纸塑袋样品取出,剩下样液待过滤集菌。
4.3 检测一般细菌(样品编号为1、2、3),将混匀后的样液倒到滤杯中,开启过滤器过滤完成后将滤膜正面贴于胰酪大豆胨琼脂培养基平皿中。
4.4 检测霉菌、酵母菌(样品编号为4、5、6),将混匀后的样液倒到滤杯中,开启过滤器过滤完成后将滤膜正面贴于沙氏葡萄糖琼脂培养基平皿中。
4.5 操作完成后将胰酪大豆胨琼脂培养基平皿放置于30-35℃的恒温培养箱中培养3天,每天观察结果进行活菌计数并且记录结果;将沙氏葡萄糖琼脂培养基放置于20-25℃的恒温培养箱中培养5天,每天观察结果进行活菌计数并且记录结果。
一、目的:可见异物检验操作规程编写/修订人/日期年月日部门/姓名审核人/日期年月日部门/姓名批准人/日期年月日部门/姓名执行日期2020年11月01日颁发部门品质部分发部门品质部二、范围:本标准适用于样品可见异物的测定。
三、职责:1、检验员:严格按操作规程操作,认真、及时、准确地填写检验记录;2、化验室负责人:监督检查检验员执行本操作规程。
四、内容:1、概述:1.1可见异物系指存在于注射剂、眼用液体制剂和无菌原料药中,在规定条件下目视可以观测到的不溶性物质,其粒径或长度通常大于50μm。
1.2注射剂、眼用液体制剂应在符合药品生产质量管理规范(GMP)的条件下生产,产品在出厂前应采用适宜的方法逐一检査并同时剔除不合格产品。
临用前,需在自然光下目视检查(避免阳光直射),如有可见异物,不得使用。
1.3可见异物检査法有灯检法和光散射法。
一般常用灯检法,也可采用光散射法。
灯检法不适用的品种,如用深色透明容器包装或液体色泽较深(一般深于各标准比色液7号)的品种可选用光散射法;混悬型、乳状液型注射液和滴眼液不能使用光散射法。
1.4实验室检测时应避免引入可见异物。
当制备注射用无菌粉末和无菌原料药供试品溶液时,或供试品的容器不适于检査(如透明度不够、不规则形状容器等),需转移至适宜容器中时,均应在B 级的洁净环境(如层流净化台)中进行。
1.5用于本试验的供试品,必须按规定随机抽样。
2、第一法(灯检法)2.1灯检法应在暗室中进行。
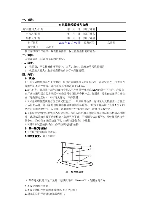
2.2检査装置:如下图所示。
A.带有遮光板的日光灯光源(光照度可在1000〜4000lx范围内调节);B.不反光的黑色背景;C.不反光的白色背景和底部(供检査有色异物);D.反光的白色背景(指遮光板内侧)。
2.3检查人员条件:远距离和近距离视力测验,均应为4. 9及以上(矫正后视力应为5 .0及以上);应无色盲。
2.4检査法:2.4.1按以下各类供试品的要求,取规定量供试品,除去容器标签,擦净容器外壁,必要时将药液转移至洁净透明的适宜容器内,将供试品置遮光板边缘处,在明视距离(指供试品至人眼的清晰观测距离,通常为25cm),手持容器颈部,轻轻旋转和翻转容器(但应避免产生气泡),使药液中可能存在的可见异物悬浮,分别在黑色和白色背景下目视检査,重复观察,总检査时限为20秒。
一、目的:制订详尽的工作程序,规范检验操作,保证检验数据的准确性。
二、范围:本标准适用于药品一般鉴别试验的操作。
三、职责:1、 检验员:严格按操作规程操作,认真、及时、准确地填写检验记录;2、 化验室负责人:监督检查检验员执行本操作规程。
四、内容:一般鉴别试验方法的原则:再现性好,灵敏度高,操作简便、快速。
对无机药品是根据阴、阳离子的特殊反应进行鉴别:对有机药品则大都采用官能团反应。
1、实验前准备 1.1 仪器:所有仪器要求洁净,以免干扰反应。
1.2试药与试液:1.2.1试药应符合现行药典附录要求,使用时应研成粉末。
1.2.2试液除另有规定外,均应按试剂、试液配制操作规程项下的方法进行配制和贮藏,要求新配制的必须新配制。
2、鉴别试验操作方法 2.1 水杨酸盐:2.1.1 取供试品的中性或弱酸性稀溶液,加三氯化铁试液1滴,即显紫色。
6coo-o HCOO-O-+4Fecl Fe-3+6HCl+6Cl -()22.1.2 取供试品溶液,加稀盐酸,即析出白色水杨酸沉淀;分离,沉淀在醋酸铵试液中溶解。
coo Ho H+ NH 4CH 3+CH 2COOH2.2丙二酰脲类:2.2.1 取供试品约0.1g ,加碳酸钠试液1ml 与水10ml ,振摇2min ,滤过,滤液中逐滴加入硝酸银试液,即生成白色沉淀,振摇,沉淀即溶解;继续滴加过量的硝酸银试液,沉淀不再溶解。
二银盐AgNO 3COAg (白)CO N C==NCR 2R 1CONa NNH COCN C R 2R 1ARNO 3NaCO 3COH R 2R 2C CONNHCO N CO CO NHCR 1R 1银盐2.2.2 取供试品约50mg ,加吡啶溶液(1~10)5ml ,溶解后,加铜吡啶试液1ml ,即显紫色或生成紫色沉淀。
R 1R 2C CO NCO N CO N N CO C R 1R 2COHC OH +NNCu2-so 4H C O R 2R 1CCON NCOHCNN+H 2SO 42.3有机氟化物:取供试品约7mg ,照氧瓶燃烧法(通则0703)进行有机破坏,用水20ml 与0.0lmol/L 氢氧化钠溶液6.5ml 为吸收液,俟燃烧完毕后,充分振摇;取吸收液2ml ,加茜素氟蓝试液0.5ml ,再加含12%醋酸钠的稀醋酸溶液0.2ml ,用水稀释至4ml ,加硝酸亚铈试液0.5ml ,即显蓝紫色;同时做空白对照试验。
企业标准QB一次性使用输液器不溶性微粒污染检测规程编制审核批准签字日期分发部门2016年5月10日发布2016年6月10日实施不溶性微粒污染检测规程1.目的控制一次性使用输液器产品中的微粒数量,保证产品的质量。
2.范围生产部生产的一次性使用输液器产品。
3.职责3.1生产部负责检测样品的制备3.2质检部负责样品检测及报告的填写。
4.依据中国药典2015版0903不溶性微粒检查法GB 8368-2005《一次性使用输液器重力输液式》。
5.程序5.1试验前准备6mol/L的盐酸、6mol/L氢氧化钠、纯化水、无粉手套。
本法所用微粒检查用水(或其他适宜溶剂),使用前须经不大于0.2μm的微孔滤膜滤过。
取微粒检査用水(或其他适宜溶剂)符合下列要求:光阻法取50ml测定,要求每10ml含lOμm及10μm以上的不溶性微粒数应在10粒以下,含25μm及25μm 以上的不溶性微粒数应在2粒以下。
显微计数法取50ml测定,要求含10μm及10μm以上的不溶性微粒数应在20粒以下,含25μm及25μm以上的不溶性微粒数应在5粒以下。
5.2环境万级环境下的百级工作台上进行。
5.3设备PLD-601A不溶性微粒检查仪。
PS-3100超声波振荡器。
PSD-250清洁过滤装置。
5.4空白对照液制备5.4.1将接触检测液的器具用纯化水清洁3遍,备用。
5.4.2量取37ml的分析纯盐酸置量筒中,加纯化水至200ml,即得6mol/L的盐酸。
5.4.3称取48g的氢氧化钠置量筒中,加纯化水至200ml,即得6mol/L的氢氧化钠。
5.4.4量取150ml的6mol/L的盐酸置磨口的三角烧瓶中,加6mol/L的氢氧化钠调节至PH7.0左右,再加纯化水至520ml,作为空白对照液,备用。
5.4.5将520ml空白对照液沿壁缓慢倒入检测杯中,避免产生气泡。
5.4.6将检测杯放在检测平台上,静止1-2min,目测溶液没有气泡为止,按《PLD - 601A不溶性微粒检查仪操作规程》检测。
范围:成品及其它供试品职员:检验室对本规程的实施负责正文:1.原理(光阻法)——光阻法是将一定体积的注射液通过一窄小的检测区时,位于流体流向垂直方向上的光检测元件所能接收到的光能,由于微粒的阻挡作用而减弱,因此传感器输出的信号降低,这种信号变化与微粒的截面积成正比;再根据通过检测区注射液的体积,计算出被检测注射液每1ml中含大于10µm和大于25µm的不溶性微粒数。
2.仪器与用具2.1光阻法不溶性微粒测定仪包括定量取样器、传感器、和数据处理器三部分。
测量范围应包括2~50µm,检测微粒浓度为0~5000个/ml。
测定仪应定期校正与检定,并符合规定。
3.操作方法3.1检查前准备3.1.1使用适宜的清洁仪器,将50ml净化水置于取样瓶中,旋转使其均匀,静置待气泡消失。
每次取样量不少于5ml,依法测定不少于3次;第一次数据弃去,取读数稳定后两次测定结果的平均值,每100ml中含10µ以上的不溶性微粒应在10粒以下。
否则表明净化水、玻璃仪器或实验环境不适于进行微粒检查,应重新进行处理,检测合格后方可进行供试品检查。
3.1.2待检样品应事先松开瓶盖,并用水将容器外壁冲洗干净,置适宜实验环境中备用。
3.2检查法取供试品,翻转20次,使溶液混合均匀,立即小心开启容器,先倒出部分溶液冲洗瓶口及取样瓶后,将供试品溶液倒入取样瓶中(或直接置于取样器上),依法安装取样瓶,静置俟气泡消失后,开启仪器缓慢搅拌使溶液均匀,依法测定不少于3次;第一次测得数据弃去,取稳定后两次测定结果的平均值,即得。
4.记录与计算由数据处理器打印出相应的数据。
5.结果与判定5.1除另有规定外,每1ml供试液中含10µm以上的微粒未超过20粒,且其中含25µm以上的微粒未超过2粒,判为符合规定,否则则判为不符合规定。
6.注意事项6.1光阻法不适于测定混悬液、乳剂、胶体溶液、脂肪乳及易析出结晶的制剂如甘露醇注射液等。
医疗器械不溶微粒验收标准
医疗器械不溶微粒验收标准主要参照中国药典、美国药典USP、日本药典和欧洲药典等。
具体标准因器械类型、使用方式等而有所差异。
以注射液为例,中国药典主要针对静脉注射的注射剂或无菌原料药进行不溶微粒检查;而美国药典USP的规定则涵盖了肌肉注射、皮下注射和静脉注射的大部分注射剂。
在检查方法上,中国药典和日本药典通常采用光阻法和显微计数法;美国药典USP在光阻法和显微计数法的基础上增加了动态图像法。
医疗器械不溶微粒验收标准对于确保器械的安全有效至关重要,建议在验收过程中严格遵守相关规定。
一、目的:制订详尽的工作程序,规范检验操作,保证检验数据的准确性。
二、范围:本标准适用于样品不溶性微粒的测定。
三、职责:1、检验员:严格按操作规程操作,认真、及时、准确地填写检验记录;2、化验室负责人:监督检查检验员执行本操作规程。
四、内容:1、简述:1.1本法系用以检查静脉用注射剂(溶液型注射液、注射用无菌粉末、注射用浓溶液)及供静脉注射用无菌原料药中不溶性微粒的大小及数量。
1.2本法包括光阻法和显微计数法。
当光阻法测定结果不符合规定或供试品不适于用光阻法测定时,应采用显微计数法进行测定,并以显微计数法的测定结果作为判定依据。
1.3光阻法不适用于黏度过高和易析出结晶的制剂,也不适用于进人传感器时容易产生气泡的注射剂。
对于黏度过高,采用两种方法都无法直接测定的注射液,可用适宜的溶剂稀释后测定。
2、试验环境及检测:2.1试验操作环境应不得引入外来微粒,测定前的操作应在洁净工作台进行。
玻璃仪器和其他所需的用品均应洁净、无微粒。
本法所用微粒检查用水(或其他适宜溶剂),使用前须经不大于l.Oμm的微孔滤膜滤过。
2.2取微粒检査用水(或其他适宜溶剂)符合下列要求:光阻法取50ml测定,要求每10ml 含lOμm及10μm以上的不溶性微粒数应在10粒以下,含25μm及25μm上的不溶性微粒数应在2粒以下。
显微计数法取50ml测定,要求含10μm 及10μm以上的不溶性微粒数应在20粒以下,含25μm及25μm以上的不溶性微粒数应在5粒以下。
3、第一法(光阻法):3.1测定原理:当液体中的微粒通过一窄细检测通道时,与液体流向垂直的入射光,由于被微粒阻挡而减弱,因此由传感器输出的信号降低,这种信号变化与微粒的截面积大小相关。
3.2对仪器的一般要求:3.2.1仪器通常包括取样器、传感器和数据处理器三部分。
3.2.2测量粒径范围为2〜100um,检测微粒浓度为0〜10000个/ml。
3.3仪器的校准:所用仪器应至少每6个月校准一次。
3.3.1取样体积:待仪器稳定后,取多于取样体积的微粒检查用水置于取样杯中,称定重量,通过取样器由取样杯中量取一定体积的微粒检查用水后,再次称定重量。
以两次称定的重量之差计算取样体积。
连续测定3次,每次测得体积与量取体积的示值之差应在±5% 以内。
测定体积的平均值与量取体积的示值之差应在±3% 以内。
也可采用其他适宜的方法校准,结果应符合上述规定。
3.3.2微粒计数:取相对标准偏差不大于5%,平均粒径为10um的标准粒子,制成每lml 中含1000〜1500微粒数的悬浮液,静置2分钟脱气泡,开启搅拌器,缓慢搅拌使其均匀(避免气泡产生),依法测定3次,记录5um通道的累计计数,弃第一次测定数据,后两次测定数据的平均值与已知粒子数之差应在±20%以内。
3.3.3传感器分辨率:取相对标准偏差不大于5%,平均粒径为10μm的标准粒子(均值粒径的标准差应不大于lμm),制成每lml中含1000〜1500微粒数的悬浮液,静置2分钟脱气泡,开启搅拌器,缓慢搅拌使其均匀(避免气泡产生),依法测定8μm、10μm 和 12μm三个通道的粒子数,计算 8μm 与 lOμm两个通道的差值计数和 lOμm与12μm两个通道的差值计数,上述两个差值计数与lμm 通道的累计计数之比都不得小于68%。
若测定结果不符合规定,应重新调试仪器后再次进行校准,符合规定后方可使用。
3.3.4如所使用仪器附有自检功能,可进行自检。
3.4检查法:3.4.1标示装量为25ml或25ml以上的静脉用注射液或注射用浓溶液除另有规定外,取供试品至少4个,分别按下法测定:用水将容器外壁洗净,小心翻转20次,使溶液混合均匀,立即小心开启容器,先倒出部分供试品溶液冲洗开启口及取样杯,再将供试品溶液倒入取样杯中,静置2分钟或适当时间脱气泡,置于取样器上(或将供试品容器直接置于取样器上)。
开启搅拌,使溶液混匀(避免气泡产生),每个供试品依法测定至少3次,每次取样应不少于5ml,记录数据,弃第一次测定数据,取后续测定数据的平均值作为测定结果。
3.4.2标示装量为25ml以下的静脉用注射液或注射用浓溶液3.4.2.1除另有规定外,取供试品至少4个,分别按下法测定:用水将容器外壁洗净,小心翻转 20次,使溶液混合均匀,静置 2 分钟或适当时间脱气泡,小心开启容器,直接将供试品容器置于取样器上,开启搅拌或以手缓缓转动,使溶液混匀(避免产生气泡),由仪器直接抽取适量溶液(以不吸入气泡为限),测定并记录数据,弃第一次测定数据,取后续测定数据的平均值作为测定结果。
3.4.2.2 3.4.1、3.4.2项下的注射用浓溶液如黏度太大,不便直接测定时,可经适当稀释,依法测定。
3.4.2.3也可采用适宜的方法,在洁净工作台小心合并至少4个供试品的内容物(使总体积不少于25ml),置于取样杯中,静置2分钟或适当时间脱气泡,置于取样器上。
开启搅拌,使溶液混匀(避免气泡产生),依法测定至少4次,每次取样应不少于5ml。
弃第一次测定数据,取后续3次测定数据的平均值作为测定结果,根据取样体积与每个容器的标示装置体积,计算每个容器所含的微粒数。
3.4.3静脉注射用无菌粉末:3.4.3.1除另有规定外,取供试品至少4个,分别按下法测定:用水将容器外壁洗净,小心开启瓶盖,精密加人适量微粒检查用水(或适宜的溶剂),小心盖上瓶盖,缓缓振摇使内容物溶解,静置2 分钟或适当时间脱气泡,小心开启容器,直接将供试品容器置于取样器上,开启搅拌或以手缓缓转动,使溶液混匀(避免气泡产生),由仪器直接抽取适量溶液(以不吸人气泡为限),测定并记录数据;弃第一次测定数据,取后续测定数据的平均值作为测定结果。
3.4.3.2也可采用适宜的方法,取至少4个供试品,在洁净工作台上用水将容器外壁洗净,小心开启瓶盖,分别精密加人适量微粒检查用水(或适宜的溶剂),缓缓振摇使内容物溶解,小心合并容器中的溶液(使总体积不少于25ml),置于取样杯中,静置2 分钟或适当时间脱气泡,置于取样器上。
开启搅拌,使溶液混勻(避免气泡产生),依法测定至少4次,每次取样应不少于5ml,弃第一次测定数据,取后续测定数据的平均值作为测定结果。
3.4.4供注射用无菌原料药:按各品种项下规定,取供试品适量(相当于单个制剂的最大规格量)4份,分别置取样杯或适宜的容器中,照上述3.4.3法,自“精密加入适量微粒检查用水(或适宜的溶剂),缓缓振摇使内容物溶解”起,依法操作,测定并记录数据,弃第一次测定数据,取后续测定数据的平均值作为测定结果。
3.5结果判定:3.5.1标示装量为l00ml或 100ml以上的静脉用注射液:除另有规定外,每lml中含10um 及10um以上的微粒数不得过25粒,含25um及25um 以上的微粒数不得过3粒。
3.5.2标示装量为100ml以下的静脉用注射液、静脉注射用无菌粉末、注射用浓溶液及供注射用无菌原料药:除另有规定外,每个供试品容器(份)中含10um及10um以上的微粒数不得过6000粒,含25um及25um以上的微粒数不得过600粒。
4、第二法(显微计数法):4.1对仪器的一般要求:仪器通常包括洁净工作台、显微镜、微孔滤膜及其滤器、平皿等。
4.1.1洁净工作台:高效空气过滤器孔径为0.45μm,气流方向由里向外。
4.1.2显微镜:双筒大视野显微镜,目镜内附标定的测微尺(每格5〜10μm)。
坐标轴前后、左右移动范围均应大于30mm, 显微镜装置内附有光线投射角度、光强度均可调节的照明装置。
检测时放大100倍。
4.1.3微孔滤膜:孔径0.45μm、直径25mm或13mm,一面印有间隔3mm的格栅;膜上如有10μm及lOμm以上的不溶性微粒,应在5粒以下,并不得有25μm及 25μm以上的微粒,必要时,可用微粒检査用水冲洗使符合要求。
4.2检査前的准备:在洁净工作台上将滤器用微粒检查用水(或其他适宜溶剂)冲洗至洁净,用平头无齿慑子夹取测定用滤膜,用微粒检查用水(或其他适宜溶剂)冲洗后,置滤器托架上;固定滤器,倒置,反复用微粒检查用水(或其他适宜溶剂)冲洗滤器内壁,控干后安装在抽滤瓶上,备用。
4.3检査法:4.3.1标示装量为25ml或25ml以上的静脉用注射液或注射用浓溶液:除另有规定外,取供试品至少4个,分别按下法测定:用水将容器外壁洗净,在洁净工作台上小心翻转20次,使溶液混合均匀,立即小心开启容器,用适宜的方法抽取或量取供试品溶液25ml,沿滤器内壁缓缓注人经预处理的滤器 (滤膜直径25mm)中。
静置1分钟,缓缓抽滤至滤膜近干,再用微粒检查用水25ml,沿滤器内壁缓缓注入,洗涤并抽滤至滤膜近干,然后用平头镊子将滤膜移置平皿上(必要时,可涂抹极薄层的甘油使滤膜平整),微启盖子使滤膜适当干燥后,将平皿闭合,置显微镜载物台上。
调好入射光,放大100倍进行显微测量,调节显微镜至滤膜格栅清晰,移动坐标轴,分别测定有效滤过面积上最长粒径大于10μm 和 25μm的微粒数。
计算三个供试品测定结果的平均值。
4.3.2标示装量为25ml以下的静脉用注射液或注射用浓溶液:除另有规定外,取供试品4个,用水将容器外壁洗净,在洁净工作台上小心翻转20次,使混合均匀,立即小心开启容器,用适宜的方法直接抽取每个容器中的全部溶液,沿滤器内壁缓缓注入经预处理的滤器(滤膜直径13mm)中,照上述:4.3.1同法测定。
4.3.3静脉注射用无菌粉末及供注射用无菌原料药:除另有规定外,照光阻法中检查法的3.4.3或3.4.4制备供试品溶液,同上述4.3.1操作测定。
4.4结果判定:4.4.1标示装量为100ml或100ml以上的静脉用注射液除另有规定外,每l ml中含10μm 及 10μm以上的微粒数不得过12粒,含25μm 及25μm以上的微粒数不得过2粒。
4.4.2标示装量为100ml以下的静脉用注射液、静脉注射用无菌粉末、注射用浓溶液及供注射用无菌原料药:除另有规定外,每个供试品容器(份)中含10μm及 10μm以上的微粒数不得过3000粒,含25μm及25μm以上的微粒数不得过300粒。
五、参考文献:药品生产质量管理规范(2010年修订)《中国药典》2020年版四部通则0903六、相关文件:N/A七、相关记录:N/A八、变更记录及原因:。