磁卡读写器使用说明
- 格式:doc
- 大小:1.77 MB
- 文档页数:7
IC卡读写器使用说明一、产品特点:1.高度兼容性:IC卡读写器支持多种类型的IC卡,如非接触IC卡、接触式IC卡、CPU卡等。
2.快速读写:IC卡读取和写入速度快,可以实现迅速的数据传输和处理。
3.简单易用:IC卡读写器的操作简单方便,只需将IC卡放入读卡槽即可完成读取或写入操作。
4.高安全性:IC卡读写器支持密码认证功能,保证IC卡信息的安全性和私密性。
5.强大的扩展性:IC卡读写器支持多种接口类型,可以与不同设备进行连接,满足多样化的应用需求。
二、使用步骤:1.连接读写器:将IC卡读写器与电脑、POS机等设备的通信接口相连,确保接口连接正常。
2.安装驱动程序:根据设备的系统要求,在电脑上安装相应的驱动程序,确保设备可以正常工作。
3.打开读写器:打开IC卡读写器的电源开关,待指示灯亮起后,表示读写器已经准备就绪。
4.放置IC卡:将要读取或写入信息的IC卡放入读卡槽中,确保IC卡与读卡槽接触良好。
5.进行操作:根据实际需求,选择读取或写入操作,按照设备的操作提示进行操作。
6.完成操作:待操作完成后,及时将IC卡从读卡槽中取出,确保信息的安全性。
三、常见问题及解决方法:1.IC卡无法读取:首先检查IC卡与读卡槽是否接触良好,如果接触不良,可以用干净软布擦拭IC卡的金属接点。
还需检查读写器是否正常工作,可以尝试更换其他IC卡进行测试。
2.驱动程序无法安装:检查驱动程序是否与设备的操作系统相匹配,也可尝试重新插拔连接线,重新安装驱动程序。
3.读取或写入速度慢:可以尝试降低IC卡读写器与设备的通信速率,或者将IC卡稍微调整位置,以提升读取或写入速度。
4.IC卡读写器无法被识别:首先检查连接线是否松动或接触不良,可以尝试更换连接线。
还可以尝试连接到其他设备,以确定是否是设备的问题。
5.场景应用不稳定:如果在使用过程中出现稳定性问题,可查看设备是否与电源或其他干扰源距离过近,或者调整设备与电源之间的距离,以消除干扰。
读卡器的使用方法
读卡器是一种常用的计算机外设,能够将存储在卡片上的数据读取到计算机中并利用其它程序进行处理及存档。
它有多种类型,比如磁卡读卡器、存储卡读卡器等,它们有着极其重要的应用,例如银行交易业务、社保系统管理等。
1、安装:将磁卡读卡器插入你的计算机USB端口,如果它没有安装任何驱动程序,系统会提示你安装相应的驱动程序,然后进行安装;
2、识别卡片:将磁卡放在磁卡读卡器的读取槽中,当你的电脑检测到磁卡时会提示你输入密码或者输入磁卡携带的信息,然后读取磁卡中的数据;
3、操作:当磁卡读卡器读取数据时,如果需要在计算机上保存数据,可以选择不同的文件夹,将数据保存到不同的文件夹中;
4、移除:当你完成磁卡的读取与操作后,打开文件夹中的数据,然后确认数据的完整性,然后移除磁卡。
总之,使用读卡器的操作都很简单:安装驱动程序-读取卡片-在计算机上保存数据-移除卡片。
要想更好的使用读卡器,在使用前需要先了解一下它的特性,为使用读卡器做好准备。
IC卡读写机具的使用指南和操作技巧IC卡读写机具,也被称为智能卡读写器,是一种能够读取和写入IC卡信息的设备。
它广泛应用于各种领域,包括金融、物流、交通等,为用户提供了便捷和安全的服务。
本文将为您介绍IC卡读写机具的使用指南和操作技巧,以帮助您更好地应用这一设备。
一、IC卡读写机具的基本介绍IC卡读写机具是一种具备读取和写入IC卡信息能力的设备。
它可以与各类IC卡进行数据交换和通信,并通过这些卡片实现相应的功能。
例如,金融领域中的银行卡、交通领域中的公交卡、物流领域中的门禁卡等,都可以通过IC卡读写机具来读取和写入信息。
IC卡读写机具通常由硬件设备和相应的软件程序组成。
硬件设备部分包括读卡口、键盘、显示屏等,用于用户操作和信息显示。
而软件程序部分则是指控制卡片信息读取和写入的程序,通常会提供相应的用户界面以供操作。
二、IC卡读写机具的使用指南1. 准备工作在使用IC卡读写机具之前,需要先进行一些准备工作。
首先,确保IC卡读写机具处于正常工作状态,接通电源,并插入相应的通信线缆。
同时,也需要保证所使用的IC卡是正常的、已激活且具备相应的功能。
2. IC卡读取将IC卡放入读卡口中,并确保卡片与读卡口接触良好。
有些IC卡读写机具会自动读取卡片上的信息,而其他的可能需要用户手动触发读取操作。
在读卡过程中,注意保持卡片和读卡口的清洁,避免灰尘或刮伤对读取质量产生影响。
3. IC卡写入如果需要对IC卡进行写入操作,首先确保所使用的IC卡具备可写入的功能。
然后,通过IC卡读写机具提供的相应软件程序进入写入操作界面。
根据需要填写或选择相应的字段,然后点击写入按钮进行写入操作。
4. 安全性注意事项在使用IC卡读写机具时,需要注意保护用户信息的安全性。
首先,确保IC卡读写机具的软件程序是安全可靠的,不会泄露用户信息。
其次,在进行读写操作时,需要确保所在环境的安全性,避免他人窥视或非法读取用户信息。
另外,及时更新IC卡读写机具的系统或软件程序,以免遭受恶意攻击或病毒侵袭。
磁卡读写器使用说明一、说明高抗读写机高抗写磁头在持续供电的工作环境下,容易被卡片上的磁条磨损,因此,建议在写满4万~5万张卡片后,应检查写磁头的磨损情况,如果磨损严重应更换写磁头。
低抗读写机低抗读写机同样在持续供电的工作环境下,也容易被卡片上的磁条磨损,因此,建议在写满20万~30万张卡片和应检查写磁头的磨损情况,如果磨损严重应更换写磁头。
二、联机:YLE-J300系列磁卡读写器与PC机的连接:先拔下主机大键盘的键盘插头,将读写器电缆线的PS2公头(插针)插入主机键盘插孔(紫色插孔),另一端PS2母头(插孔)与大键盘键盘连接。
通讯接头(九芯孔式插头)插入主机的com口。
如下图所示:注:a.电脑机箱后面板各接口的排列以实物为主,上图所示仅供参考。
b. 电缆线的PS2公头插到电脑机箱后面板时,要对准插孔位置(要注意PS2公头的方向,不同的计算机可能有不同的方向),力度不能太大,否则会造成电缆线插针弯曲或针断现象,导致机器无法正常使用。
三、使用方法:磁条读写机与电脑正确联接后,即可进行如下操作:1.上电自检上电或接到硬复位命令后,红、黄、绿三个指示灯同时闪亮,数秒后全部熄灭,蜂鸣器响一声,说明自检通过,否则自检出错且红灯长亮。
2.读操作YLE-J300系列磁条读写机接收读命令后,绿色指示灯亮,操作者正对商标,磁条面向身体,将磁卡或存折以稳定的速度从右向左划过卡槽。
若读正确则绿色指示灯灭,蜂鸣器响一声;若不正确,则绿色指示灯灭,红色指示灯亮,蜂鸣器响三声。
3.写操作YLE-J300系列磁条读写机接收写命令后,黄色指示灯亮,操作者正对商标,磁条面向身体,将磁卡或存折以稳定的速度从右向左划过卡槽。
若写正确则黄色指示灯灭,蜂鸣器响一声;若不正确,则黄色指示灯灭,红色指示灯亮,蜂鸣器响三声。
四、驱动程序安装1、首先将随读写机所配的CD-ROM 放入到光盘驱动器中,这时光盘将自动引导到演示程序安装界面,这时点击取消推出安装。
磁卡读写器使用说明一、说明高抗读写机高抗写磁头在持续供电的工作环境下,容易被卡片上的磁条磨损,因此,建议在写满4万~5万张卡片后,应检查写磁头的磨损情况,如果磨损严重应更换写磁头。
低抗读写机低抗读写机同样在持续供电的工作环境下,也容易被卡片上的磁条磨损,因此,建议在写满20万~30万张卡片和应检查写磁头的磨损情况,如果磨损严重应更换写磁头。
二、联机:YLE-J300系列磁卡读写器与PC机的连接:先拔下主机大键盘的键盘插头,将读写器电缆线的PS2公头(插针)插入主机键盘插孔(紫色插孔),另一端PS2母头(插孔)与大键盘键盘连接。
通讯接头(九芯孔式插头)插入主机的com口。
如下图所示:注:a.电脑机箱后面板各接口的排列以实物为主,上图所示仅供参考。
b. 电缆线的PS2公头插到电脑机箱后面板时,要对准插孔位置(要注意PS2公头的方向,不同的计算机可能有不同的方向),力度不能太大,否则会造成电缆线插针弯曲或针断现象,导致机器无法正常使用。
三、使用方法:磁条读写机与电脑正确联接后,即可进行如下操作:1.上电自检上电或接到硬复位命令后,红、黄、绿三个指示灯同时闪亮,数秒后全部熄灭,蜂鸣器响一声,说明自检通过,否则自检出错且红灯长亮。
2.读操作YLE-J300系列磁条读写机接收读命令后,绿色指示灯亮,操作者正对商标,磁条面向身体,将磁卡或存折以稳定的速度从右向左划过卡槽。
若读正确则绿色指示灯灭,蜂鸣器响一声;若不正确,则绿色指示灯灭,红色指示灯亮,蜂鸣器响三声。
3.写操作YLE-J300系列磁条读写机接收写命令后,黄色指示灯亮,操作者正对商标,磁条面向身体,将磁卡或存折以稳定的速度从右向左划过卡槽。
若写正确则黄色指示灯灭,蜂鸣器响一声;若不正确,则黄色指示灯灭,红色指示灯亮,蜂鸣器响三声。
四、驱动程序安装1、首先将随读写机所配的CD-ROM 放入到光盘驱动器中,这时光盘将自动引导到演示程序安装界面,这时点击取消推出安装。
一\在卡片管理里边设置这些读写器设置在如图17.7-1所示界面中点击【读写器】按钮,弹出如图17.7.6-1所示的界面图17.7.6-1 读写器设置选择“磁卡”进行磁卡设备设置,选择IC卡进行IC卡设备设置。
磁卡设备设置:读写器型号只能选择一种;会员卡型号是磁卡;选择一个读写器连接的接口,包括Com1、Com2、Com3、Com4、LPT1、LPT2、USB等;选择一种读写器速率;IC卡原始密码、IC卡读写密码和读写密码确认对磁卡设置是无效的,不用设置;设置完毕以后,点击【确定】按钮,保存数据,以后读写磁卡或IC卡按照这里设置的设备进行读取17.7.1 制卡完成对磁卡、IC卡的读写操作,对磁卡,设置正确设备后,按照设定的会员卡格式进行读写操作,对IC卡,设置正确设备后,按照预制的IC卡格式进行读写操作。
查询会员信息:主要使用刷新功能,在如图17.7-1所示界面中的条件框和【条件】按钮加以配合查询出合适的会员数据。
如果要进行批量写卡时,建议设置“会员卡类型”查询条件和输入会员编码范围。
设置设备类型:打开“会员卡制作”界面,点击【制卡】按钮,弹出的菜单中点击【单张写】一项,弹出如图17.7.1-1的界面。
图17.7.1-1 单张写单张写:分为磁卡写卡和IC卡写卡两部分,IC卡还包含IC卡初始化的功能,然后对IC卡进行写卡;磁卡写卡:会员卡类型选择磁卡,录入一个已经存在的磁卡会员号后,自动带出会员姓名和会员金额等信息,如果已经查询出会员数据则您选中的会员号会自动带入到界面中,设备连接正确后,点击【写卡】按钮,进行磁卡的写操作,系统即可按照设定的会员卡格式信息把数据写入磁卡中;批量写:批量写卡时要求查询出的会员卡必须是同一种类型的,比如都是磁卡或者都是IC卡。
会员信息查询出来后默认都是选中状态,如果您不想为其中的某些卡制卡则可以将其取消选择,然后点击【批量写】按钮即可根据提示对选中的会员卡依次进行写卡操作。
MCR / W 磁卡读写器概述:SDC MCR/W磁道1-2-3磁卡读写器或SDC MCR磁道2读卡器是56 XX ATM的可选部件。
MCR/W磁卡读写器的基本功能是读取持卡人磁卡上贮存的资料,为辨认持卡人的身份,持卡人需要输入个人的资料PIN(personal indentification number),这一个安全预防措施可保证使用磁卡帐号的使用者是有权使用的人。
MCR/W磁卡读写器的操作过程:* 检测磁卡是否正确插入* 由软件控制磁卡在磁卡读写器内移动* 检查磁卡的位置* 在磁道1 , 2 , 3 ,或只在磁道2上读取数据(可在向前方向或向后方向进行) * 只能在向前方向时写入数据在3磁道上(MCR/W磁道1 , 2 , 3 ,磁卡读写器) * 写数据后再从磁道3读取数据(MCR/W)* 退卡或吞卡* 通过SDC接口与ATM核心通信两种类型的读卡器都包含下述的子系统:*磁卡传送通道:这一机构负责带动在读写器上的磁卡当磁卡进入传送通道,通过系统控制,通道的传送轮将磁卡送到合适的位置。
传送通道上的动力由马达通过黄色的扁皮带传送到大飞轮上,再由飞轮通过皮带(O-ring)传送到胶轮再带动磁卡。
磁卡读写器上方是空的,方便操作员或工程人员取出阻塞通道上的磁卡。
*吞卡器:吞卡器装在传送通道后方,它的动力由传送机构通过“O-ring”皮带提供,当接收到吞卡命令时,吞卡器驱动磁卡到吞卡盒上。
*感应器:1.)入口磁头:(又称预读感应磁头)检测磁卡磁条上的2 , 3 , 磁道上的存在编码。
该磁头是一个两磁道的磁头,安装在入口槽内。
2.)卡宽测试开关(SW1):用于测试插入磁卡是否正确宽度。
SW1位于读卡器入口的左边。
3.)闸口开关(SW2):用于检测操作时闸口的位置(打开或关闭)。
4.)位置感应器(photo detectors):有三粒位置感应器,PD1 , PD2 , PD3 ,它们的作用是检测在传送通道中的磁卡的位置。
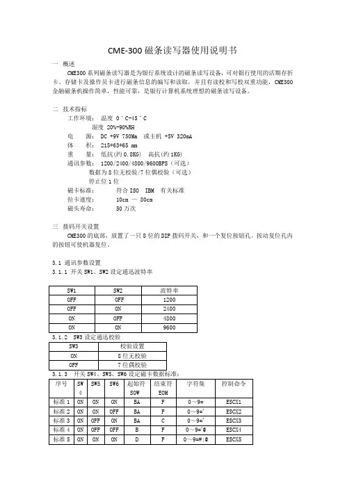
CME-300磁条读写器使用说明书一概述CME300系列磁条读写器是为银行系统设计的磁条读写设备,可对银行使用的活期存折卡、存储卡及操作员卡进行磁条信息的编写和读取,并且有读校和写校双重功能,CME300金融磁条机操作简单,性能可靠,是银行计算机系统理想的磁条读写设备。
二技术指标工作环境:温度 0˙C-45˙C湿度 20%-90%RH电源: DC +9V 750Ma 或主机 +5V 320mA体积: 215*63*65 mm重量:低抗(约0.8KG) 高抗(约1KG)通讯参数: 1200/2400/4800/9600BPS(可选)数据为8位无校验/7位偶校验(可选)停止位1位磁卡标准:符合ISO IBM 有关标准拉卡速度: 10cm — 80cm磁头寿命: 50万次三拨码开关设置CME300的底部,放置了一只8位的DIP拨码开关,和一个复位按钮孔。
按动复位孔内的按钮可使机器复位。
3.1 通讯参数设置3.1.1 开关SW1、SW2设定通迅波特率3.1.5 开关SW8设定某些特殊使用环境3.1.6 拔码开关调整后一定要使机器重新上电或按底部复位按钮硬复位,新的设置功能方能有效。
3.6 记录密度控制命令ESC H (1B 48)置第二磁道为 210BPIESC L (1B 4C)置第二磁道为 75BPI3.7 记录密度控制命令3.四控制命令4.1 读磁条命令主机通过串口向CME300磁条读写器送命令后,读写器的读灯亮,提示可以刷卡。
如果成功读出数据,则CME300发出一声鸣叫;否则,错误灯亮,蜂鸣器响三声。
成功读出的数据以如下格式返回主机:读磁条命令(单二道)ESC ](1B 5D)拉卡正确,返回:ESC s 读出的数据? FS1B 73 读出的数据 3F 1C读磁条命令(单三道)ESC T ](1B 54 5D)拉卡正确,返回:ESC s A 读出的数据? FS1B 73 41 读出的数据 3F 1C读磁条命令(二三道)ESC B ](1B 42 5D)拉卡正确,返回:ESC s 二道数据 A 三道数据? FS1B 73 二道数据 41 三道数据 3F 1C上述命令中,磁道数据之含义为:读成功为磁条上的数据读失败为DEL(7F)4.2 写磁道命令主机通过串口向读写器送ESC\命令后,读写器的写灯亮,提示您可以划卡写数据。
JINBORANJinBoran C300磁卡读写器说明书包含:安装和调试保养和关键技巧诊断和故障检修帮助和服务保修信息JINBORAN注在使用本资料及其支持的产品之前,请务必阅读以下信息:·程序包中与本出版物一起提供的《安全与保修指南》。
·查看第5附录『声明』。
目录请首先阅读 (3)第一章安装和调试 (4)第二章保养JinBoran读写器 (4)重要提示 (4)注意工作环境和工作方式 (4)正确移动机器 (5)其他重要提示 (5)清洁磁头 (5)清洁外壳 (5)第三章解决计算机问题 (5)常见问题 (5)故障检修 (6)启动问题 (6)第四章获取帮助或服务 (7)获取帮助和服务 (7)从Web上获取帮助 (7)致电客服中心 (7)获取全球帮助 (7)附录A: 保修信息 (8)保修服务类型 (8)附录B: 规格 (9)附录C: 声明 (14)声明 (14)请首先阅读交流电源适配器与电源插和机器连接后会发热。
使用适配器是请勿将与其身体的任何部位接触。
切勿使用交流电源适配器取暖。
长时间与身体接触,即使隔着衣服,仍可能灼伤皮肤。
适当布放交流电源适配器、通信线路、鼠标、键盘、打印机或其他任何电子设备的电缆或通信线路,使线缆不会被机器或其他物体夹住、践踏、绊倒他人或处于任何妨碍正常使用设备的位置、对电缆施力过大可能会损坏或弄断电缆。
移动设备之前,请执行一下某项操作:关闭机器、关闭电源、或者保证接口处不断开。
注意接口请勿摔落、撞击、刮擦、扭曲、击打、震动、移动,或在它们的上面放置重物。
试液体远离设备以避免泼溅,同时使设备远离有水的地方以避免电击危险。
第一章安装和调试1. 安装:计算机关闭情况下:PS/2:32:设备的线上三个接口,一端连电脑主机的键盘口,一端连电脑键盘,第三个链接电脑串口。
USB:直接插在USB上,安装随机光盘中驱动,等计算机的左下角提示设备可以使用。
2. 安装软件:注:USB接口可以在计算机开机情况下安装测试设备磁卡读写机与上位机(终端)正确联接后,即可进行如下操作:1.根据读写机底部标签说明将设置开关拨正确位置,与上位机(终端)通讯参数一致。
IC 读写器使用说明一、读写器连接1.1 把通讯线“DB9”端插到PC 机的串口1/2 上1.2 把通讯线2510端插到读写器的插座,使读写器和PC 机的串口良好连接1.2 把电源线的“圆柱”端插到读写器的电源座子上1.3 读写器上电以后可以听到一声风鸣器的响声,如果没有听到风鸣器声,表明读写器没有正常上电.二、启动Demo 软件2.1 双击启动测试软件2.2 如果串口良好连接的话可以听到一声风鸣器的响声,如果启动测试软件以后并没有听到风鸣器声表明串口通讯没有连接好,请检查串口连接线是否连接正确三、M1卡片读写测试3.1 把一张Mifare One 卡片放在天线区域范围内3.2 进入功能选项“低级操作”里面点击“寻卡”,如果出现“寻卡成功!”表明寻卡正常,如果出现“执行失败!”表明出现异常,请检查卡片是否在寻卡范围内,如果确认卡片没有问题,那读写器有异常3.3 点击“防冲突”,如果出现“执行成功”表明防冲突正常,如果出现“执行失败”表明读写器出现异常或者卡片没有在天线区域范围内3.4 点击“选择”,如果出现“执行成功”表明选择正常,如果出现“执行失败” 表明读写器出现异常或者卡片没有在天线区域范围内3.5 进入功能选项“密码下载”里面下载卡片密码,比如需要测试卡片扇区1 数据的读写,那么就在扇区1 后面填上密码A/B(注:卡片的初始密码A/B 均为全‘F’),然后选择“A 组密码”或者“B 组密码”,最后点击“下载”,如果出现“密码下载成功”表明密码下载成功,如果出现异常请按照错误提示更改后再下载一次,直至“下载成功”为止3.6 进入功能选项“数据读写”里面,“请选择扇区号”下面的可拉选项里面选择第5步下载密码的扇区号(比如扇区1),然后点击“读出”,如果提示“第*扇区数据读出成功”表明读数据正确。
如果出现“第*扇区数据读出失败”表明密码校验出错或者出现其他异常,请返回第5 步重新下载密码3.7 如果读数据正确,在块0、块1、块2 后面修改数据,比如改成“块0:12345678901234567890123456789012”“块1:23456789012345678901234567890123”“块2:34567890123456789012345678901234”然后点击“写入”,如果出现“第*扇区数据写入成功”表明写入数据正确。
磁卡读写器使用说明书磁卡读写器使用说明书一、主要功能及指标:1、手刷式磁卡读写器,可读写任何符合ANSI/ISO、IBM等标准的磁卡。
2、能同时对磁卡的第一轨、第二轨和第三轨进行读写;H为高抗型磁卡器,可读写300OE——4000OE的磁卡。
3、磁卡读写器包括:600/ 600H:只能对磁卡的第二轨进行读写。
700/ 700H:可对磁卡的第二和第三轨进行读写。
800/ 800H:可对磁卡的第一轨、第二轨和和第三轨进行读写。
4、磁记录密度:第一轨75BPI;第二、第三轨210BPI;5、刷卡速度:20-120cm/秒。
6、电源电压:5V DC,PC器键盘口取电,不需另接电源。
7、通讯方式:标准RS-232串行接口,波特率9600、无校验、8个数据位、1个停止位。
8、工作环境:温度:5~45℃湿度:10—90%相对湿度。
9、规格:长X宽X高度230mm X 59mm X 46mm。
二、安装方法:1、关闭计算器电源。
2、将磁卡读写器所带的串行接口(9D孔型插头)与计算器的串口相连接。
3、将计算器上的键盘线从计算器主器后方的键盘口拨下来。
4、将磁卡读写器的取电接口(带6针圆口)与计算器主器后方的键盘口相连接。
5、将磁卡读写器的另一接口(带6孔圆口)与拨下来的计算器键盘线相连接。
6、打开计算器主器电源。
7、磁卡读写器上的黄、红、绿三个LED灯同时点亮,且磁卡读写器发出一声鸣叫,表示磁卡读写器连接运行正常。
三、使用方法:1、读卡——读取磁卡中的数据:磁卡读写器接收到读命令后,黄色LED灯长亮,将磁卡接一连续稳定的速度从右向左划过刷卡槽(磁面向内),黄灯会熄灭一下而后红、黄、绿三个灯同时点亮,且蜂鸣器响一声,表示读卡成功;若红灯、黄灯点亮且蜂鸣器连响两声,表示读卡失败,请再试一遍。
2、写卡——向磁卡中写入数据:磁卡读写器接收到要写入的有效数据后,蜂鸣器响一声,绿灯长亮,表示写卡准备就绪,这时可将磁卡接一连续稳定的速度从右向左划过刷卡槽(磁面向内),绿灯会熄灭而后灯黄、红、绿三个灯同时点亮,且蜂鸣器响一声,表示写卡成功;若红灯、绿灯点亮且蜂鸣器连响两声后三灯同时点亮,表示写卡失败,请再试一遍。
磁条读写器使用说明1.型号说明:1000单二轨低磁读写器1000H单二轨高磁读写器2000一二轨低磁读写器2000H一二轨高磁读写器3000二三轨低磁读写器3000H二三轨高磁读写器2、磁卡读写器技术要求工作环境:温度:0℃-·40℃湿度:20%-90%RH电源:DC+5V±0.5V ≤300MA体积:215×70×65mm重量:≤1.4KG通讯参数:波特率9600BPS格式:8位数据位、1位停止位、无校验磁卡标准:符合ISO、IBM标准磁道:1、2、3道读写记录密度:75BPI/210BPI拉卡速度:10cm/s-180cm/s寿命:≥50万次错误率:<1/1000读写字符集兼容ISO、IBM两种标准字符集:ISO字符集IBM字符集3、电缆连接线定义磁条读写器的电源是通过通讯电缆提供的,接口为RS-232九芯母头。
通讯电缆的信号排列如下列所示:4、自检功能:磁条读写器在每次上电开机或收到复位命令后都进行自检,自检开始时红绿黄指示灯都亮,自检结束后指示灯灭。
自检完毕后,SBH-6型磁条读写器进入正常工作状态。
4.1.1磁条读写器能与目前市场上的各种类终端配套。
操作要求4.1.2 读操作:磁条读写器接到读命令后,绿色指示灯亮,此时操作员便可以进行读操作,指示灯灭表示读操作成功,如果红色指示灯亮则表示读操作失败,可再次发读命令进行读操作。
可以自动识别磁条信息ISO、IBM标准。
4.1.3 写操作:磁条读写器收到写命令和正确的写数据后,绿色指示灯闪烁,此时操作员便可以拉卡进行写操作,指示灯灭表示写操作成功,如果红色指示灯亮则表示写操作失败,可再发命令进行写操作。
4.1.4 串行命令集:以进入磁条读写器的信息为下行数据。
以磁条读写器送出的信息为上行数据。
字符集为0-9及‘,=4.2 磁条读写器读写控制磁卡可支持以下6种标准格式:起始符终止符格式1: BA ………… F格式2: B ………… C格式3: B ………… F格式4: BA …………C格式5: D ………… F格式6: D ………… C5、磁条读写器控制命令集磁条读写器开机或软复位缺省状态设置为ISO标准。
磁卡阅读器产品介绍及技术说明一、产品简介该磁卡/存折阅读器是本公司自主研制开发的磁条信息的阅读系列产品之一,专为银行、商业、邮电、证券等行业配套设计,用于符合ANSI/ISO技术标准的磁卡/存折磁条信息的读取和传送;可支技双向刷卡;可联各种微机和终端键盘。
二、技术指标磁条标准(Tape standard0): ISO7811/2读取字符数: 第一磁道(TK1): 79个字符第二磁道(TK2): 40个字符第三磁道(TK3): 104个字符电源(Power suppl):该产品不需要额外电源,由主机或终端接口供电。
接口通讯:IBM PC/XT/A T USB通讯。
磁头寿命(headlife):大于1000000次刷卡速度(card feeding speed) :10-120cm/s重量:约300克尺寸:W44*L170*H42mm外壳:ABS原料,黑色。
三、数据格式读取传输格式:(根据DIP开关设置不同下述数据格式可能有变化)。
SS 磁卡数据ES CR% DA TA?0x0d (TK1):DA TA?0x0d (TK2)+ DA TA?0x0d (TK3)四、DIP开关设置(机器底部位置)SW1:选择主机接口ON:PC/A T主机键盘OFF:PC/XT主机键盘SW2:选择键盘类型ON:非美制键盘OFF:美制键盘SW3:厂家保留为OFFSW4:选择是否连接大键盘ON:无(不连接)大键盘OFF:有(连接)大键盘SW5:厂家保留为OFFSW6:选择TK3前缀字符ON:TK3前加“;”OFF:TK3前加“+”SW7:选择框架启始字符P:SS-ESON:无SS-ESOFF:有SS-ESSW8:选择刷卡加回车(CR)ON:刷卡后加(自动)CROFF:刷卡后不加CRDIP开关出厂设置:SW1 SW2 SW3 SW4 SW5 SW6 SW7 SW8ON OFF OFF OFF OFF OFF OFF ON五、使用说明1、该产品阅读器是通过usb接口与主机相连。
磁条读写器使用说明书目录第一章概述 (2)第二章产品型号说明 (3)第三章技术指标及功能 (4)第四章联机方式及引脚定义 (5)第五章操作方法 (7)第六章记录格式及记录字符集 (8)第七章 SJE系列磁条读写器初始参数设置 (11)第八章日常维护 (12)附录 1 SJE381串行口扩展器使用方法 (13)附录 2 SJE系列磁条读写器演示程序的安装使用及命令集 (15)附录 3 SJE系列磁条读写器设置程序的安装与使用 (21)附录 4 装箱清单 (23)第一章概述磁条读写器是本公司研制的新一代磁条读写器,可联接任何具有RS232串口的电脑或终端,用于读写磁卡或存折本上的磁条信息。
该系列磁条读写器外形美观、操作简单舒适,读写均一次刷卡完成,具有读、写双重校验功能,性能稳定可靠,并且兼容性好(能自动识别多种磁条读写器的命令集),有更好的通用性。
可广泛用于金融、邮电、交通、海关等各个领域,特别是银行系统的信用卡发行、磁卡和存折的读写。
第二章产品型号说明磁条读写器型号定义:B 普通型I 兼容IBM4777型1:磁道1; 2:磁道2; 3:磁道34:磁道1+磁道2;5:磁道2+磁道3;6:磁道1+磁道2+磁道3例如:SJE353B:为第2,3磁道磁条读写器,普通型。
第三章技术指标及功能一、技术指标1.工作环境:温度0℃~40℃,湿度20~90%RH2.电源:DC+5V 读电流≤85mA,写电流≤150mA3.拉卡速度:10cm~120cm/s4.读写标准:ISO7810\7811~1-5; IBM5.记录密度:第一磁道:210BPI第二磁道:75BPI/210 BPI可选第三磁道:210BPI6.记录字符数:第一磁道:76个字符第二磁道:37个字符第三磁道:104个字符7.通讯规格:串行异步通讯(RS—232)8.磁头寿命: 50万次9.主机体积:212×64×63mm310.重量:1.4kg二、功能:1.手动式划卡。
win95/win98/win2000/WinXP下密码小键盘32位动态链接库函数说明----------------------------------------------------------------------------------------------------------------------int Readkey(char* sett,char* rdata,int cmd)功能:控制小键盘进行读按键值操作.返回: 整型= 1:读键盘正确-1:串口打开失败-2:串口设置错误-4:(发给动态库的)命令参数错-7:按ESC 键退出当前操作-8:读小键盘失败参数:sett: 字符串,用来设置串口.格式: "1,9600,N,8,1"------ (1=com1或2=com2),(9600=baud9600或4800=baud4800或2400=baud2400或1200=baud1200),(N=无校验或O=奇校验或E=偶校验),(8=8个数据位或7=7个数据位),(1=1个停止位或2=2个停止位).如:"1,9600,N,8,1"表示: 串口1,波特率9600,无校验,8个数据位,1个停止位.cmd:表示密码键盘的命令代号:如:1: "您好,请输入密码"2: "请再输入一次密码"rdata: 读密码键盘数据输出缓冲区(用于存放读密码键盘成功后的返回数据)字符串,长度不少于300字节.如:ReadKey("1,9600,N,8,1",rdata,1)-------- 表示通过串行口1以波特率9600BPS,8位数据位,1位停止位,无校验的方式,同时键盘放语音提示“您好,请输入密码”并从密码键盘读取数据(存放在rdata中)ReadKey("1,9600,N,8,1",rdata,2)-------- 表示通过串行口1以波特率9600BPS,8位数据位,1位停止位,无校验的方式,同时键盘放语音提示“请再输入一次密码”并从密码键盘读取数据(存放在rdata中)。
磁卡读写器使用说明
一、 说明
高抗读写机
高抗写磁头在持续供电的工作环境下,容易被卡片上的磁条磨损,因此,建议在写满4万~5万张卡片后,应检查写磁头的磨损情况,如果磨损严重应更换写磁头。
低抗读写机
低抗读写机同样在持续供电的工作环境下,也容易被卡片上的磁条磨损,因此,建议在写满20万~30万张卡片和应检查写磁头的磨损情况,如果磨损严重应更换写磁头。
二、 联机:
YLE-J300系列磁卡读写器与PC 机的连接:先拔下主机大键盘的键盘插头,将读写器电缆线的PS2公头(插针)插入主机键盘插孔(紫色插孔),另一端PS2母头(插孔)与大键盘键盘连接。
通讯接头(九芯孔式插头)插入主机的com 口。
如下图所示:
注:a.电脑机箱后面板各接口的排列以实物为主,上图所示仅供参考。
b. 电缆线的PS2公头插到电脑机箱后面板时,要对准插孔位置(要注意PS2公头的方向,不同的计算机可能有不同的方向),力度不能太大,否则会造成电缆线插针弯曲或针断现象,导致机器无法正常使用。
三、 使用方法:
磁条读写机与电脑正确联接后,即可进行如下操作: 1.上电自检
上电或接到硬复位命令后,红、黄、绿三个指示灯同时闪亮,数秒后全部熄灭,蜂鸣器响一声,说明自检通过,否则自检出错且红灯长亮。
2.读操作
YLE-J300系列磁条读写机接收读命令后,绿色指示灯亮,操作者正对商标,磁条面向身体,将磁卡或存折以稳定的速度从右向左划过卡槽。
若读正确则绿色指示灯灭,蜂鸣器响一声;若不正确,则绿色指示灯灭,红色指示灯亮,蜂鸣器响三声。
3.写操作
YLE-J300系列磁条读写机接收写命令后,黄色指示灯亮,操作者正对商标,磁条面向身体,将磁卡或存折以稳定的速度从右向左划过卡槽。
若写正确则黄色指示灯灭,
绿色(鼠标接口) 紫色(键盘接口)
PS/2接口
打印机接口
串口(com 口)
蜂鸣器响一声;若不正确,则黄色指示灯灭,红色指示灯亮,蜂鸣器响三声。
磁条面向自己,卡
片稍向下用力从右
往左划卡
四、驱动程序安装
1、首先将随读写机所配的CD-ROM放入到光盘驱动器中,这时光盘将自动引导到演示程序安装界面,这时点击取消推出安装。
2、将磁卡读写机的USB插头插到主机的USB口上,这时主机检测到会弹出添加新硬件向导窗口,如下图所示:
点击下一步继续
点击浏览,选择光盘目录
X:\YLE-USBDriver\YLE-USBDriver
文件夹,点击下一步
安装完成后点
击完成按钮
3、这时主机会继续寻找到新设备,如下图示继续:
点击下一步继续
点击浏览,选择光盘目录
X:\YLE-USBDriver\YLE-USBDriver
文件夹,点击下一步
安装完成后点
击完成按钮
4、USB驱动程序正确安装后,在系统属性的设备管理中点击【端口】可看到,如下图所示:
安装好后的
USB-COM3口
正确安装的
USB驱动程序
五、 演示程序的用户界面
运行演示程序后,磁条读写机安装正确后出现的用户界面如下:
读磁卡操作
磁卡读写机正常打开后,可以通过在【磁卡读写】菜单中选择【读取磁卡】菜单项或在工具栏上点击【读磁卡】按钮来读取磁卡数据,另外还有【F2】快捷键也可读取磁卡。
在读取磁卡前必须选择相应的磁道。
在选择好要读取的磁道后,可以点击开始按钮或按【Ctrl +S 】快捷键来读取磁卡。
磁卡正确读取后,在数据显示框中显示如下:
第二磁道读卡成功! (37)个字符
;22222=2222222222222222222222222222222? 第三磁道读卡成功! (104)个字符
+33333=33333333333333333333333333333333333333333333333333333333333333333333333333333333333333333333333333?
主菜单 工具条 操作信息窗口 状态条
1:首先点击读磁卡按钮
2:然后选择磁道
3:点击开始按钮开始读磁卡
4:显示读磁卡成功后的数据
其中";""+" 为磁道符号,数字是磁道数据。
磁道符号显示与否可在【显示】菜单中【显示读取磁道符号】菜单项来控制。
在读磁卡发生错误时你可以由【选项】菜单中【读磁卡失败则自动重读】菜单项来控制是否立即重新读取。
写磁卡操作
磁卡读写机正常打开后,可以通过在【磁卡读写】菜单中选择【以设定数据写磁卡】菜单项或在工具栏上点击【写磁卡】按钮来写磁卡,另外还有【F3】快捷键也可直接写磁卡。
在写磁卡前必须选择相应的磁道。
在选择好要写的磁道后,应用程序提示输入磁道数据,在磁道数据输入框中必须输入要写的数据,磁道数据必须符合要求,否则开始按钮始终是灰色不可选。
当输入正确的磁道数据后,可以点击开始按钮或按【Ctrl +S 】快捷键来写磁卡。
磁卡正确写入后,在数据显示框中显示如下:
第二磁道(37)个字符:
22222=2222222222222222222222222222222 第三磁道(104)个字符:
33333=33333333333333333333333333333333333333333333333333333333333333333333333333333333333333333333333333 写磁卡成功!
表示写磁卡成功。
在写磁卡发生错误时你可以由【选项】菜单中【写磁卡失败则自动重写】菜单项来控制是否立即重新写入。
以上仅简单的介绍了磁卡读写操作过程,具体其他的操作可参见演示程序的在线帮助。
1:首先点击读磁卡按钮
2:然后选择磁道
3:设置写卡数据
4:点击开始按钮开始写磁卡
5:显示写磁卡成功
六、日常维护
磁卡读写机在日常使用时应注意维护,以保证其可靠工作。
维护方法如下:
1.清洁磁头
在每日工作前或多次出现读写错误时按如下步骤清洁磁头:
1)将干清洁卡的毡面紧靠磁头在导槽中划过5 ~ 10次。
2)如果认为磁头很脏,可先用清洁液或酒精浸湿清洁卡的毡面,让毡面紧靠磁头在
导槽中划过几次,然后再用干清洁卡在导槽中划几次。
毡面
2.清洁编码器滚轮
1)用清洁液或酒精浸湿清洁卡,将毡面紧贴滚轮在导槽中划过,一般10次即可。
2)用干的清洁卡再划2 ~ 3次。
3.清洁导槽
1)用沙布缠在清洁卡上放入导槽边缘。
2)将卡送入槽内到达磁头边沿为止,在磁头两边移动清洁,但不要到磁头上。
3)注意清洁完毕后不要将纤维留在槽内或磁头上。