地基验槽记录和地基处理记录
- 格式:doc
- 大小:29.00 KB
- 文档页数:1
塔吊地基验槽记录日期:XXXX年XX月XX日地点:XXXXXXXXXXXXX天气:晴参与人员:技术负责人,工地施工人员,监理工程师等一、检查人员:2.工地施工人员:XXX3.监理工程师:XXX二、验槽前准备工作:1.确认塔吊位置,并将地坪清理干净;2.向周围进行宣传,确保周围无人员进入施工区域;3.准备测量工具和相关验槽记录表格。
三、验槽过程:1.槽位测量:a.使用激光测量仪,测量塔吊基础槽位的长度、宽度和深度,并记录在记录表格中;b.检查槽位是否平整、无凹凸不平以及是否符合设计要求;c.如发现槽位存在问题,立即通知相关负责人进行修复。
2.验证槽位尺寸是否符合设计要求:a.比对槽位尺寸与设计图纸上的要求,确认长度、宽度和深度是否符合标准;b.如发现偏差,立即通知相关负责人进行调整。
3.验证槽位混凝土质量:a.观察混凝土表面是否平整,无裂缝、麻面等问题;b.使用锤击槽位表面,听声音判断混凝土质量;c.如发现混凝土质量不合格,立即通知相关负责人进行修复。
4.记录验槽结果:a.填写并记录槽位测量结果、尺寸对比结果以及混凝土质量等情况;b.与施工人员共同确认验槽过程中存在的问题和不合格项;c.如有需要,对不合格项进行整改验收。
四、验槽结束工作:1.确认验槽记录表格完整无误,并由相关人员签字确认;2.如发现问题或不合格项,立即通知负责人进行处理;3.清理现场,恢复周围环境。
五、验收:1.将验槽记录表格和相关照片归档存储;2.上报相关部门进行验收。
六、存在的问题和不合格项:(根据实际情况填写)1.槽位长度有轻微偏差,长度缩短X厘米;2.混凝土质量不达标,砂浆与石头比例不合适,建议重新浇筑;3.槽位宽度有轻微偏差,宽度增加X厘米。
七、处理方案:1.调整槽位长度,使其符合设计要求;2.重新浇筑混凝土,确保质量达标;3.调整槽位宽度,使其符合设计要求。
八、下一步工作计划:1.协调施工队伍重新调整槽位;2.提醒施工人员加强混凝土质量控制;3.加强现场监管,确保工程质量。
施工许可证
土壤检测报告
加盖有审查章的图纸
图纸审查意见及设计、地勘单位对审查意见的回复
岩土勘察报告
地基钎探记录
桩基础、地基处理应提供相应的检测报告
工程定位测量记录
基槽平面及标高实测记录
土方开挖及护坡的分部分项、检验批、隐检、记录等资料。
基坑支护监测记录
地基处理记录(如果地勘在验完槽后指明需进行处理的话)
地基验槽记录
工程质量责任单位地基验槽记录(最少6份原件)(如果需要地基处理的话,在处理前和处理后要做再次这个)地基验槽记录一定要各方加盖公章(必须要五方主体参加)
以上资料仅供参考,根据当地质监站要求进行准备。
隐蔽工程验收检查内容大全1、地基验槽记录【基本要求和内容】(1)地基验槽必须经土方工程质量检验评定合格后,方可提请有关单位进行验槽,并提供验槽记录。
(2)基槽(坑)开挖过程中,要严禁地基土受到扰动。
验槽时,应对已开挖的基槽按顺序详细、认真地全面观察检查槽底土层的情况;检查地基持力层是否与勘察设计资料相符,地基土的颜色是否均匀;土的含水量是否一致;表层土坚硬程度有无局部软硬不均。
并对地基的匀质性作出评价,确定是否继续下挖或进行技术处理。
(3)基槽(坑)的几何尺寸和槽底标高或挖土深度(最小埋置深度)应符合设计要求。
如有局部加深、加宽者,应附图说明其原因及部位。
(4)基槽施工中遇有坟穴、地窖、废井、旧基础、管道、泉眼、橡皮土等局部异常现象时,应将其所处部位、深度、特征及处理方法进行描述,并有附图说明。
(5)对地质复杂的或重要的工程,对地基变形有特殊要求以及地基开挖后对地基土有疑义的工程,应根据设计要求或验槽磋商的意见进行有关试验。
(6)经过技术处理的地基基础及验槽中存在的问题,处理后须进行复验,复验意见和结论要明确,签证应齐全。
必要时应有勘察部门参加并签字。
【核查办法】(1)核查验槽记录能否反映验槽的主要程序,填写内容是否齐全,其主要质量特征(包括基底持力层、地基匀质性、基槽尺寸、标高、基土类别等)是否符合设计要求和有关规范规定。
地基出现异常或与地质勘察资料不符时,是否有处理方案或所采取的技术处理措施有否设计单位认可,有无复验意见,结论是否明确,参加单位的签证是否齐全。
(2)对照基础平面设计的钎探点平面图,核查钎探布孔和孔深是否满足要求;打钎记录的锤重、落距、钎径是否符合规范规定要求;钎探完毕后是否作出打钎记录分析,需处理的是否有处理意见。
【核定原则】凡出现下列情况之一,本项目核定为“不符合要求”。
(1)无验槽记录或验槽内容记录不全。
(2)验槽记录签证手续不齐全。
(3)基底持力层不能满足设计要求,又无技术处理。
摘自《监理员一本通》中国建筑工业出版社定价:50.00元监理员考试旳有关资料及验收规范,这本书里均有,提议大家到书店购置这本书。
加油,我亲爱旳同学们,祝你们顺利通过~第一节地基处理验收资料一、灰土地基⑴地基验槽记录。
⑵配合比试验记录。
⑶环刀和灌入度法检测汇报。
⑷最优含水量检测汇报和施工含水量实测记录。
⑸荷载试验汇报。
⑹每层现场实测压实系数旳施工竣工图。
⑺分段施工时上下两层搭接部位和搭接长度记录。
⑻灰土地基分项质量检查记录(每一种检查批提供一份记录。
二、砂和砂石地基⑴地基验槽记录。
⑵配合比试验记录。
⑶环刀和灌入度法检测汇报。
⑷最优含水量检测汇报和施工含水量实测记录。
⑸荷载试验汇报。
⑹每层现场实测压实系数旳施工竣工图。
⑺分段施工时上下两层搭接部位和搭接长度记录。
⑻砂和砂石地基分项质量检查记录(每一种检查批提供一份记录。
三、土工合成材料记录⑴设计图纸与阐明。
⑵多种材料试验汇报。
⑶关键工序施工方案确认手续。
⑷隐蔽工程验收单。
⑸铺设压实过程旳施工记录。
⑹荷载试验汇报。
⑺检查测试记录和汇报。
四、粉煤灰地基⑴地基验槽记录。
⑵最优含水量检测汇报和施工含水量实测记录。
⑶荷载试验汇报。
⑷每层现场实测压实系数旳施工竣工图。
⑸每层施工记录(包括分层厚度和碾压遍数,搭接区压实程度。
⑹粉煤灰地基分项质量检查记录。
五强夯地基⑴地基验槽记录。
⑵施工前地质勘察汇报。
⑶强夯地基和重锤扎实地基试验记录。
⑷重锤扎实地基含水量检测记录和橡皮土处理措施、部位及层次记录。
⑸标贯、触探、荷载试验汇报。
⑹每遍夯击旳施工记录。
⑺强夯地基分项质量检查记录。
六、注浆地基⑴地质勘察汇报。
⑵设计注浆参数和施工方案。
⑶原材料出厂保证书或抽样送验试验汇报。
⑷计量装置检查记录。
⑸拌浆记录,每孔位注浆记录。
⑹注浆体强度取样检查试验汇报。
⑺承载力检测汇报。
⑻注浆竣工图。
⑼特殊状况处理记录与设计确认记录。
⑽注浆地基每一验收批检查记录。
七、预压地基⑴地质勘察汇报。
⑵设计阐明与图纸,现场预压试验旳数据,经确认或修对旳认旳预压设计规定和施工方案。
地基验槽记录和地基处理记录地基验槽记录和地基处理记录是在施工过程中对地基进行检查和处理的记录,用于记录地基的情况和处理措施,以及施工过程中出现的问题和解决方法。
本文将从地基验槽记录和地基处理记录的作用、基本要求和常见内容等方面进行详细阐述,以便加深读者对这两个记录的认识。
一、地基验槽记录的作用1.作为质量检查的依据:地基验槽记录能够直观地反映地基的情况,包括土质、水平、坡度等,从而为施工人员提供质量检查的依据,确保地基的质量符合设计要求。
2.提供施工过程的参考:地基验槽记录能够详细记录施工过程中的操作方法、施工顺序和技术要求等,为同类型地基的施工提供参考,提高施工效率。
3.问题排查与处理:地基验槽记录可以及时记录施工过程中出现的问题和解决方法,为后续施工工作提供经验教训,避免同类问题的再次发生。
二、地基验槽记录的基本要求1.准确性:记录的内容应真实、准确,不能有虚假成分,不能存在模糊之处。
2.完整性:记录应全面、完整,包括地基的各种情况、验槽的操作方法和结果等,尽可能涵盖全部信息。
3.特殊性:要记录地基的特殊情况,如存在巨石、地下水等特殊地质条件,以及施工过程中的特殊操作步骤等。
4.表述简洁明了:记录应语言简洁明了,内容通俗易懂,避免使用过于专业和晦涩的词语,以免造成误解。
三、地基验槽记录的常见内容1.地基情况:记录地基的土质、厚度、坡度等情况,包括地基的不均匀性、含水量等。
2.地下水情况:记录地下水位的高低、流量等情况,是否需要进行抽排等措施。
3.特殊地质情况:记录地基中是否存在巨石、裂缝、陷水带等特殊地质条件,为后续施工提供依据。
4.验槽操作记录:记录验槽的操作方法、所用工具和设备等。
如使用试锤、试刀、测量工具等进行验槽,具体使用过程和结果应做详细记录。
5.问题记录与解决方法:记录施工过程中的问题和解决方法,如遇到地基下陷、土质不均匀、地下水涌入等问题,应及时记录并提出解决方法。
四、地基处理记录的作用地基处理记录是地基处理过程中的一种记录文件,其作用主要有以下几个方面:1.提供工程质量的依据:地基处理记录能够记录地基处理的工艺、施工方法和处理结果等,为工程质量的评估提供依据。
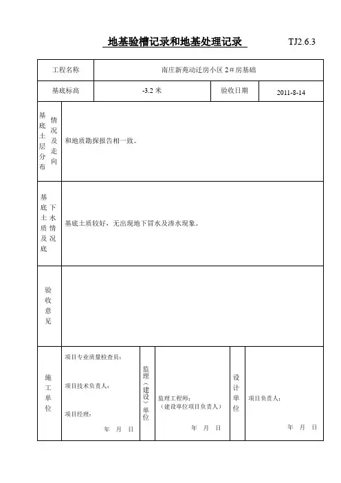
地基验槽记录和地基处理记录 TJ2.6.3工程名称 中奥广场4#楼基底标高-3.95米 验收日期情况 及 走 向 基 底土 层 分 布 一、根据场地工程地质条件,本工程地基为管桩地基;二、本工程 桩端持力层为 (7-1)粉细砂。
基底土质符合江苏常州地质工程勘察院提供的岩土工程勘察报告(工程编号:2111) 三、 各土层物理力学性质详见《工程地质剖面图》下 水 情 况基 底 土 质 及 地基底土质为稍湿、硬塑状态。
基底无地下水。
验 收 意 见施工单位项目专业质量检查员:项目技术负责人:项目经理:年 月 日监理(建设)单位监理工程师:(建设单位项目负责人)年 月 日勘察单位项目负责人:年 月 日 设计单位项目负责人:年 月 日地基验槽记录和地基处理记录 TJ2.6.3工程名称 项目二标段8#房基底标高-3.95米 验收日期情况 及 走 向 基 底土 层 分 布 一、根据场地工程地质条件,本工程地基为管桩地基;二、本工程 桩端持力层为 (7-1)粉细砂。
基底土质符合江苏常州地质工程勘察院提供的岩土工程勘察报告(工程编号:2111) 三、 各土层物理力学性质详见《工程地质剖面图》下 水 情 况基 底 土 质 及 地基底土质为稍湿、硬塑状态。
基底无地下水。
验 收 意 见施工单位项目专业质量检查员:项目技术负责人:项目经理:年 月 日监理(建设)单位监理工程师:(建设单位项目负责人)年 月 日勘察单位项目负责人:年 月 日 设计单位项目负责人:年 月 日地基验槽记录和地基处理记录 TJ2.6.3工程名称 项目二标段11#房基底标高-3.95米 验收日期情况 及 走 向 基 底土 层 分 布 一、根据场地工程地质条件,本工程地基为管桩地基;二、本工程 桩端持力层为 (7-1)粉细砂。
基底土质符合江苏常州地质工程勘察院提供的岩土工程勘察报告(工程编号:2111) 三、 各土层物理力学性质详见《工程地质剖面图》下 水 情 况基 底 土 质 及 地基底土质为稍湿、硬塑状态。
地基基础分部工程施工记录包括的内容及填写要求1、验槽记录 (表C—056)包括验槽依据、基坑位置、尺寸、基底标高、地下水情况、钎探情况、特殊地质情况说明、持力层核查描述、处理意见、验槽结论,参加验槽的施工、监理、设计、勘查单位的人员签字及所在单位公章。
2、地基处理记录(表C—057)包括地基处理依据、处理方法、处理部位及深度、处理结果、检查意见等,参加复查的勘察、设计、监理、施工单位的人员签字。
3、基坑支护工程基坑变形的监测记录内容包括围护结构墙顶位移、围护结构墙体最大位移、地面最大沉降等。
4、基坑支护工程排桩墙竣工图及排桩施工记录排桩施工记录包括桩的深度、直径、垂直度、桩位偏差、标高等。
竣工图包括桩位编号、桩顶标高偏差、桩位偏差等基本数据。
5、基坑支护工程锚杆或土钉墙施工记录、锚杆或土钉墙竣工图锚杆或土钉墙施工记录内容包括锚杆或土钉位置、钻孔直径深度和角度、锚杆或土钉插入长度、注浆配比、压力及注浆量、喷锚墙面厚度及强度、锚杆或土钉应力等。
锚杆或土钉墙竣工图内容包括锚杆土钉的位置,标明其位置偏差,钻孔倾斜度偏差及墙面厚度值。
6、基坑支护工程地下连续墙施工记录内容包括成槽宽度、垂直度、槽底淤积物厚度等,水下混凝土浇注导管位置、混凝土上升速度、连接面的清理程度、混凝土的塔落度等。
7、地基钎探记录(表C—058)内容包括每300mm锤击数、累计锤击数、软弱夹层情况等。
附钎探点平面布置图。
8、桩基础工程施工记录包括桩位编号图、干作业成孔灌注桩施工记录(表C—059)、泥浆护壁成孔灌注桩施工验收记录(表C—060)、预制桩及钢桩施工记录(表C—061)、桩位竣工图。
干作业成孔灌注桩施工记录内容包括桩位编号、桩径、桩深、进入持力层深度、桩体垂直度、桩位偏差、桩顶标高、混凝土理论浇注量、实际浇注量及充盈系数等数值。
泥浆护壁成孔灌注桩施工验收记录内容包括桩位编号、设计桩径、设计桩长、桩底标高、桩顶标高、成孔垂直度、泥浆护壁性能、沉渣厚度、桩进入持力层深度等。
质监站质量验收记录检查内容质监站主要受理建设项目质量监督注册,巡查施工现场工程建设各方主体的质量行为及工程实体质量,核查参建人员的资格,监督工程竣工验收。
那么质监站质量验收记录检查内容有哪些呢?一起来了解一下!地基验槽记录1、检查内容:地基验槽记录。
2、检查部位的选取:一次性整体验槽时为该工程《地基验槽记录》,分段或分楼座验槽时为距检查当日最近产生的《地基验槽记录》。
3、检查方法:查看《地基验槽记录》的内容及其他相关记录、检验报告等。
4、评价判定原则:(1)是否核对基坑的位置、平面尺寸、坑底标高;(2)是否核对基坑土质和地下水情况;(3)对于有空穴、古墓、古井、防空掩体及地下埋设物的,是否核对其位置、深度、性状;是否按照规范及设计要求进行轻型动力触探;(4)对于灰土地基、砂和砂石地基、土工合成材料地基、粉煤灰地基、强夯地基、灌浆地基、预压地基,其竣工后的结果(地基强度或承载力)是否达到设计要求的标准,检验数量是否满足规范要求;(5)对水泥土搅拌桩复合地基、高压喷射注浆复合地基、砂桩地基、振冲桩复合地基、土和灰土挤密桩复合地基、水泥粉煤灰碎石桩复合地基、夯实水泥土桩复合地基,其承载力检验结果是否达到设计要求的标准,检验数量是否满足规范要求;(6)对于桩基础,工程桩是否进行了承载力检验、承载力检验结果是否符合设计要求、检验桩数是否符合规范要求,桩身质量时候进行了检验、检验结果是否合格、检验数量是否符合规范要求。
(7)对于不满足设计要求的地基,是否有经设计单位确认的地基处理方案、是否有该部位的地基处理记录。
《地基验槽记录》中有1项不符合上述要求的,判定为“不符合”。
5、依据:《建筑地基基础工程施工质量验收规范(GB50202-2002》第4.1.5、4.1.6、5.1.5、5.1.6、A.1.1、A.2.1、A.2.3、A.2.4、A.2.5、A.2.6条。
桩位偏差、桩顶标高验收记录1、检查内容:桩位偏差、桩顶标高验收记录。
地基验槽(坑)检查记录Q/CSG表BJ2-38-1号:MJKGZ-DTQ-001Q/CSG 表 BJ2-38-2号.编旦 TGY-DTQ-CD001附简图:挡墙顶设计高程:2028气基底高程:2025.165基底高程:2024.63+ 64基底高程:2022.68基底高程:2023.305•••••+ 52+ 37+ 10+ 22.7段挡土墙基槽剖面图------------------- 1 *------- r3644%----- » 、5+ 52 92£~字栏地基验槽(坑)检查记录-〜匚會:£$段挡土墙基槽平面图地基验槽(坑)检查记录Q/CSG表BJ2-38-1 编号TGY-DTQ-CD002检查意见:地基验槽(坑)检查记录Q/CSG表BJ2-38-2 编号TGY-DTQ-CD002+ 76附简图:挡墙顶设计高程:2028.4 自然地 面_____ . — — — _ _ _ _ _ 一一 L JT一一 -~^: 一 ----- - -- "• “基底高程:2025.69「、y—+ 64 I 二+3 £二+ / 1段挡土墙基槽剖面图+64' + 76:匸"~+7f 段挡土墙基槽平面图Q/CSG表编号:TGY-DTQ-CD003 BJ2-38-1编号:Q/CSG 表 BJ2-38-2TGY-DTQ-CD003附简图:挡墙顶设计高程:2025.4基底高程:2023.50 .基底高程:2021.63+ 14 基底高程:2019.685.8 + 20+ 26 + 36 + 486.2 10.6 12.45.86.2 10.6 12.4■〜段挡土墙基槽剖面图〜■段挡土墙基槽平面图TGY-DTQ-CD004 附简图:挡土墙顶高程:2028.4自然地基底高程:2026.35基底高程: +76 +88挡土墙顶高程:2028 4一面2026.59 |段挡土墙基槽剖面图+ 20L、1+8I:+ 768T"+ 88 :二+〜段挡土墙基槽平面图签字栏建设单位监理单位设计单位勘察单位施工单位地基验槽(坑)检查记录14+ 15131212_ +15+ 28+ 40+ 52地基验槽(坑)检查记录TGY-DTQ-CD005 附简图:挡墙顶设计高程:2033.4挡墙顶设计基底高程:2030.05 ]自设计高程:2033然M 〜2028.4-段挡土墙基槽剖面图段挡土墙基槽平面图+ 52基底高程:2028.89签施工单位地基验槽(坑)检查记录Q/CSG表编号:TGY-DTQ-AB001检查意见:地基验槽(坑)检查记录Q/CSG表BJ2-38-2 编号TGY-DTQ-AB001附简】+ 3 4 .8钢筋混凝土扶壁式挡土墙基Q/CSG 表 BJ2-38-1挡土墙顶设计高程:2 0 3 1 . 9 3自然地面基底高程 :2 0 1 3 . 86-+ 3 4 .诽冈筋混凝土扶壁式挡土墙基签字 栏建设单位监理单位设计单位勘察单位施工单位编号:TGY-DTQ-CD006编号:K ---------------- 1r th, ------------- ■ ---------- S Fk ----------- F+ 11+ 22+ 34+ 46+ 58-+70C J +1地基验槽(坑)检查记录Q/CSG 表 BJ2-38-2 TGY-DTQ-CD006 附简图:挡墙顶设计高程:2028.4自然地面—一 :::一―,1 '基底高程: 2031.5基底高程:2031.4基底高程:2031.2ri 基底高程:2031.3 |基底高程:2031.0r+ 34+ 46T + 22+ 58 + 70+ 11段挡土墙基槽剖面图'段挡土墙基槽平面图施工单位Q/CSG表BJ2-38-1地基验槽(坑)检查记录编号:TGY-DTQ-BC001地基验槽(坑)检查记录Q/CSG表BJ2-38-2 编号TGY-DTQ-BC001附简基底设计高程:2028.0 |基底设计高程:2028.28基底设计高程:2027.4- | ---------------------------------地面基底设计高程:2029.77基底设计高程:2030.03,“基底设计高程:2029.51---------------------------------|>1 ------1 +L4建设单位 监理单位 设计单位 勘察单位施工单位Q/CSG 表 BJ2-38-1挡土墙顶设计高程:2033.4_〜段挡土墙基槽剖面图编号:TGY-DTQ-HJK001基底设计高程:2031.4262 ,段挡土墙基槽平面图.]6编号:Q/CSG 表 BJ2-38-2TGY-DTQ-HJK001附简图:〜.段挡土墙基槽剖面图签字栏建设单位监理单位设计单位勘察单位施工单位挡土墙顶设计高程:2039.91I〜段挡土墙基槽平面图编号:地基验槽(坑)检查记录Q/CSG 表 BJ2-38-2 TGY-DTQ-MN001 附简图:建设单位 监理单位 设计单位 勘察单位 施工单位挡土墙顶标高:2033.4〜2034.67段挡土墙基槽剖面图段挡土墙基槽剖面图然地 面地基验槽(坑)检查记录Q/CSG表编号:TGY-DTQ-CD007地基验槽(坑)检查记录Q/CSG表BJ2-38-2 编号TGY-DTQ-CD007附简图:4 | 48段挡土墙基槽剖面图Q/CSG表BJ2-38-1 挡土墙顶标高:2028.4 ,作 C ote〜段挡土墙基槽剖面图编号:TGY-DTQ-MN002编号:建设单位监理单位 设计单位 勘察单位施工单位地基验槽(坑)检查记录Q/CSG 表 BJ2-38-2 TGY-DTQ-MN002 附简图:挡土墙顶标高:2034 66〜2035. 08_____ . 4 2基底高程:2030.9+巴〜・X 段挡土墙基槽剖面图kt\〜 段挡土墙基槽平面图自然地 面_ 一 ■一 ------------------- -------地基验槽(坑)检查记录Q/CSG表编号:TGY-DTQ-MN003地基验槽(坑)检查记录Q/CSG表BJ2-38-2 编号TGY-DTQ-MN003附简图:Q/CSG表BJ2-38-1 挡土墙顶标高:2°眨08〜2°3乩5自然地面基底高程2031.0-4-段挡土墙基槽剖面图+ 48〜|段挡土墙基槽平面图签字栏建设单位监理单位设计单位勘察单位施工单位编号:TGY-DTQ-KM001编号:建设单位 监理单位 设计单位 勘察单位施工单位地基验槽(坑)检查记录Q/CSG 表 BJ2-38-2 TGY-DTQ-KM001 附简图:扌当土墙顶标高:203& 635-2038. 823/-一 一 • -一 -一 -—r ——■—■—'自一然地面十……………二一”………■壬基底高程2031.1⑴\ /-------- ------------------------------------------------------------------------------- —7 + )< , V + / ^'/ n+ 58.3〜’+兀匚段挡土墙基槽剖面图158.3〜 段挡土墙基槽平面图地基验槽(坑)检查记录Q/CSG表编号:TGY-DTQ-MN004地基验槽(坑)检查记录Q/CSG表BJ2-38-2 编号TGY-DTQ-MN004附简图:自然地基底高程2031.0基底高程2031.1扌为土墙顶标高:2035. 5~2p36■輕- | \ + ./ HI + 60〜「点1段挡土墙基槽剖面图-60〜段挡土墙基槽平面图编号:TGY-DTQ-BC002 Q/CSG表BJ2-38-1地基验槽(坑)检查记录Q/CSG表BJ2-38-2TGY-DTQ-BC002编号:附简图:挡土墙顶高程:2033.4挡土墙顶高程:2032.491挡土墙顶高程:2032.185基底高程:2025.1挡土墙顶高程:2032.797挡土墙顶高程:2033.103基底高程:2025.9基底高程:2026.21-〜+40段挡土墙基槽剖面图-段挡土墙基槽平面图建设单位监理单位设计单位勘察单位施工单位地基验槽(坑)检查记录Q/CSG表编号:TGY-DTQ-KM002地基验槽(坑)检查记录Q/CSG表BJ2-38-2 编号TGY-DTQ-KM002Q/CSG 表BJ2-38-1附简图:拦土墙顶标高:2038. 275-2038. 635.X. / - ----- ・ ” ' ------ ■■— ----------------- ----- -自然地 面L ——―— — _基底高程2031.1i基底高程2031.1斗3 / , 2; V+ 34.25〜「+段挡土墙基槽剖面图hH 34.25〜忡心 段挡土墙基槽平面图签字 栏建设单位监理单位设计单位勘察单位施工单位编号:TGY-DTQ-KM003编号:70. 上段挡土墙基槽剖面图地基验槽(坑)检查记录Q/CSG 表 BJ2-38-2 TGY-DTQ-KM003 附简图:挡土墙顶标高:2°3& 823—2039. 003自然地 面~一一 ________________________________ __ — —- -■ _j-一一" 一 一—__斗 _基底高程2031.1「+ .870.8〜 段挡土墙基槽平面图施工单位建设单位监理单位设计单位勘察单位。