室内消火栓系统安装检验批
- 格式:doc
- 大小:712.00 KB
- 文档页数:33
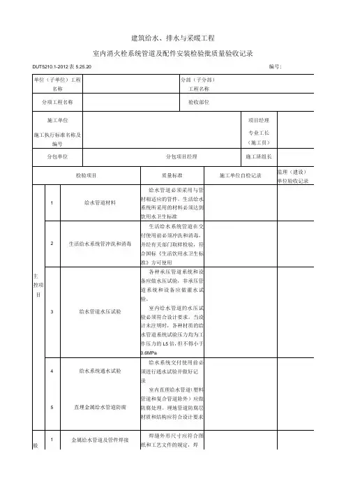
室内消火栓系统安装工程检验批质量验收记录项目名称:室内消火栓系统安装工程工程地点:XXX建筑物工程编号:XXXXX施工单位:XXX建筑工程有限公司监理单位:XXX监理有限公司验收单位:XXX消防监督局一、工程概况二、验收内容本次验收主要针对室内消火栓系统的安装质量进行检查验收,包括消火栓设备、消火栓管道、水泵、水箱等的安装情况。
三、验收标准本次验收参照以下标准进行:1.《建筑设计防火规范》2.《建筑消防设施设计规范》3.《室内消火栓系统技术规范》4.《建筑消防设施工程施工质量验收规范》四、验收依据本次验收依据以下文件进行:1.工程设计文件2.施工图纸3.施工合同及补充协议4.相关设备和材料的合格证明5.施工记录五、验收过程1.现场检查对消火栓设备、消火栓管道、水泵、水箱等进行现场检查,确认其安装位置、固定及接口连接等情况。
同时,检查周边区域是否保持清洁、整齐,无杂物阻挡。
2.设备功能测试对消火栓系统进行功能测试,包括消火栓手轮操作、喷头喷水效果测试、水泵启动及运行测试等。
检查设备运行是否正常,喷水效果是否达到相应要求。
3.管道质量验收检查管道的连接情况,包括连接的牢固性、密封性等,是否存在漏水、渗漏等情况。
同时,验收管道的施工质量,如铺设是否平整、无松动、变形等。
4.材料验收对消火栓设备、消火栓管道、水泵、水箱等材料进行验收,检查其合格证明及相关技术资料是否齐全,并与施工记录进行核对。
5.施工记录审查对施工记录进行审查,确认施工单位按照设计要求进行施工,是否存在非正常操作及不合格记录等情况。
六、验收结论根据现场检查、设备功能测试、管道质量验收、材料验收和施工记录审查的结果,确认室内消火栓系统安装工程达到了设计要求和相关规范要求。
七、存在问题及整改措施1.发现消火栓设备一处安装位置与设计不符,要求施工单位整改并重新验收。
2.发现部分消火栓管道连接不紧密,存在漏水情况,要求施工单位进行修复。
3.施工记录中存在漏填内容,要求施工单位补充完整相关记录。
室内消火栓系统安装工程检验批质量验收
记录表.doc
室内消火栓系统安装工程检验批质量验收记录表
工程名称:室内消火栓试射试验
施工单位:______________ 监理单位:______________
验收部位:消火栓箱体安装
设计要求:栓口朝外,中心距地面1.1m允许偏差,阀门中心距箱侧面允许偏差140mm,距箱后内表面100mm允许偏差,消火栓箱体安装的垂直度允许偏差±20mm。
施工执行标准:GB-2002
检查内容:室内消火栓水龙带在箱内安放,消火栓箱体安装是否符合设计要求。
检查结果:消火栓水龙带在箱内安放正确,消火栓箱体安装符合设计要求。
验收结论:该部位验收合格。
美文欣赏:
1、秋天是一个安静祥和的世界,没有繁花似锦,却有硕
果累累。
清风落叶舞秋韵,枝头硕果醉秋容。
秋天是甘美的酒,壮丽的诗,动人的歌。
2、人的一生就是一个储蓄的过程,在人生旅途中,学会
储蓄每一个闪光的瞬间,然后用它们酿成一杯美好的回忆,在四季的变幻与交替之间,散发浓香,珍藏一生!
3、春天来了,让心灵长出北归大雁的翅膀,乘着吹动XXX的熏风,唱着荡漾晨舟的渔歌,回到久别的家乡。
让梦
沐浴灿烂的阳光,长出枝蔓,结下向往已久的真爱的果实。
4、好好享受生活吧,每个人都是幸福的。
人生山一程,
水一程,轻握一份懂得,将牵挂折叠,将幸福尽收,带着明媚,温暖前行,只要心是温润的,再遥远的路也会走得安然。
愿阳光时时明媚,愿生活处处晴好。
室内消火栓系统安装检验批质量验收记录一、安装单位信息:安装单位名称:项目名称:施工日期:竣工日期:验收日期:二、安装检验批质量验收内容:1.消火栓系统安装工程验收记录:施工过程中是否按照国家规范和相关标准进行施工?(是/否)消火栓系统的设计是否满足建筑消防设计规范要求?(是/否)安装单位是否具备相应的施工资质和人员证书?(是/否)消火栓设施的安装位置是否合理、方便使用?(是/否)消火栓系统安装工程是否符合消防设施工程验收规范要求?(是/否)2.消火栓系统管道安装工程验收记录:消火栓系统管道连接是否牢固、紧密?(是/否)管道是否采用防腐措施,并保证耐久性和使用寿命?(是/否)现场焊接接头是否符合相关标准和规范要求?(是/否)管道的走向和布置是否合理、美观?(是/否)3.消火栓系统设施安装工程验收记录:喷头和喷洒设备是否按照设计要求进行安装?(是/否)储水罐等消防设施是否防水、防漏,并具备良好的密封性能?(是/否)消火栓系统的控制设备是否安装牢固、正常工作?(是/否)消火栓系统的相关配件是否齐全、完好?(是/否)消火栓系统的消防栓是否符合相关标准和规范要求?(是/否)4.消火栓系统工程竣工验收记录:消火栓系统施工质量是否符合验收标准和要求?(是/否)消火栓系统是否操作正常、可靠?(是/否)施工单位是否提供了消防设施的技术资料和维护保养手册?(是/否)施工单位是否进行了完善的安全交底和保养保修知识培训?(是/否)三、质量验收结论:经过对室内消火栓系统安装工程的检查和测试,各项施工质量均符合国家规范和相关标准的要求,满足了建筑消防设计规范要求。
因此,对消火栓系统的安装检验批质量进行结论。
结论:合格四、存在的问题和改进措施:在安装过程中,未发现明显的施工缺陷和质量问题。
但建议施工单位在今后的工程中进一步加强施工质量管控,确保整个消防设施安装过程的质量可控和可靠。
以上为室内消火栓系统安装检验批质量验收记录,请按照验收检查结果进行处理和决策。
室内消火栓管道及配件安装报验申请表工程名称:固始县怡和首府广场住宅区给水管道及配件安装检验批质量验收记录浆液回流管路安装工程检验批质量验收记录表反应池曝气搅拌管工程检验批质量验收记录表气力搅拌管工程检验批质量验收记录表石灰打浆管工程检验批质量验收记录表水泵轴封水冷却工程检验批质量验收记录表反冲洗管路工程检验批质量验收记录表反冲洗管路工程检验批质量验收记录表分项工程名称:水泵接合器和消火栓安装验收日期:年月日注:分项工程质量验收合格应符合:所含的检验批均应符合合格质量的规定;所含的检验批的质量验收记录应完整。
分项工程质量分项工程名称:水泵接合器和消火栓安装验收日期:年月日注:分项工程质量验收合格应符合:所含的检验批均应符合合格质量的规定;所含的检验批的质量验收记录应完整。
分项工程质量分项工程名称:水泵接合器和消火栓安装验收日期:年月日注:分项工程质量验收合格应符合:所含的检验批均应符合合格质量的规定;所含的检验批的质量验收记录应完整。
分项工程质量的验收均应在施工单位自行检查评定的基础上进行,参加验收的各方人员应具备规定的专业技术资格。
分项工程名称:水泵接合器和消火栓安装验收日期:年月日注:分项工程质量验收合格应符合:所含的检验批均应符合合格质量的规定;所含的检验批的质量验收记录应完整。
分项工程质量的验收均应在施工单位自行检查评定的基础上进行,参加验收的各方人员应具备规定的专业技术资格。
分项工程名称:水泵接合器和消火栓安装验收日期:年月日注:分项工程质量验收合格应符合:所含的检验批均应符合合格质量的规定;所含的检验批的质量验收记录应完整。
分项工程质量的验收均应在施工单位自行检查评定的基础上进行,参加验收的各方人员应具备规定的专业技术资格。
分项工程名称:水泵接合器和消火栓安装验收日期:年月日注:分项工程质量验收合格应符合:所含的检验批均应符合合格质量的规定;所含的检验批的质量验收记录应完整。
分项工程质量的验收均应在施工单位自行检查评定的基础上进行,参加验收的各方人员应具备规定的专业技术资格。
室内消火栓系统安装检验批质量验收记录
05010803
页脚内容1
页脚内容2
室内消火栓系统安装检验批质量验收记录
05010803
页脚内容3
页脚内容4
室内消火栓系统安装检验批质量验收记录
05010803
页脚内容5
页脚内容6
页脚内容7
室内消火栓系统安装检验批质量验收记录
05010803
页脚内容8
页脚内容9
室内消火栓系统安装检验批质量验收记录
05010803
页脚内容10
页脚内容11
室内消火栓系统安装检验批质量验收记录
05010803
页脚内容12
页脚内容13
页脚内容14
室内消火栓系统安装检验批质量验收记录
05010803
页脚内容15
页脚内容16
页脚内容17。
室内消火栓系统安装工程检验批质量验收记录室内消火栓系统安装工程检验批质量验收记录室内消火栓系统安装工程检验批质量验收记录室内消火栓系统安装工程检验批质量验收记录室内消火栓系统安装工程检验批质量验收记录室内消火栓系统安装工程检验批质量验收记录室内消火栓系统安装工程检验批质量验收记录室内消火栓系统安装工程检验批质量验收记录室内消火栓系统安装工程检验批质量验收记录K2MG-E《专业技术人员绩效管理与业务能力提升》练习与答案室内消火栓系统安装工程检验批质量验收记录室内消火栓系统安装工程检验批质量验收记录室内消火栓系统安装工程检验批质量验收记录室内消火栓系统安装工程检验批质量验收记录室内消火栓系统安装工程检验批质量验收记录室内消火栓系统安装工程检验批质量验收记录室内消火栓系统安装工程检验批质量验收记录室内消火栓系统安装工程检验批质量验收记录K2MG-E《专业技术人员绩效管理与业务能力提升》练习与答案室内消火栓系统安装工程检验批质量验收记录室内消火栓系统安装工程检验批质量验收记录室内消火栓系统安装工程检验批质量验收记录室内消火栓系统安装工程检验批质量验收记录室内消火栓系统安装工程检验批质量验收记录室内消火栓系统安装工程检验批质量验收记录室内消火栓系统安装工程检验批质量验收记录室内消火栓系统安装工程检验批质量验收记录(GB50242-2002)表4.3 编号:050102009室内消火栓系统安装工程检验批质量验收记录室内消火栓系统安装工程检验批质量验收记录室内消火栓系统安装工程检验批质量验收记录室内消火栓系统安装工程检验批质量验收记录室内消火栓系统安装工程检验批质量验收记录室内消火栓系统安装工程检验批质量验收记录室内消火栓系统安装工程检验批质量验收记录室内消火栓系统安装工程检验批质量验收记录K2MG-E《专业技术人员绩效管理与业务能力提升》练习与答案室内消火栓系统安装工程检验批质量验收记录室内消火栓系统安装工程检验批质量验收记录室内消火栓系统安装工程检验批质量验收记录室内消火栓系统安装工程检验批质量验收记录室内消火栓系统安装工程检验批质量验收记录室内消火栓系统安装工程检验批质量验收记录室内消火栓系统安装工程检验批质量验收记录室内消火栓系统安装工程检验批质量验收记录K2MG-E《专业技术人员绩效管理与业务能力提升》练习与答案室内消火栓系统安装工程检验批质量验收记录室内消火栓系统安装工程检验批质量验收记录室内消火栓系统安装工程检验批质量验收记录世上没有一件工作不辛苦,没有一处人事不复杂。
陕西省建设工程质量验收技术资料统一用表室内消火栓系统安装检验批质量验收记录陕西省建设工程质量安全监督总站编印编写说明:一、验收依据:1、《建筑给排水及采暖工程施工质量验收规范》GB50242-2002二、规范摘要:4.3 室内消火栓系统安装主控项目4.3.1 室内消火栓系统安装完成后应取屋顶层(或水箱间内)试验消火栓和首层取二处消火栓做试射试验,达到设计要求为合格。
检验方法:实地试射检查。
说明:4.3.1 室内消火栓给水系统在竣工后均应作消火栓试射试验,以检验其使用效果,但不能逐个试射,故选取有代表性的三处:、屋顶(北方一般在屋顶水箱间等室内)试验消火栓和首层取两处消火栓。
屋顶试验消火栓试射可检验两股充实水柱同时到达本消火栓应到达的最远点的能力。
一般项目4.3.2 安装消火栓水龙带,水龙带与水枪和快速接头绑扎好后,应根据箱内构造将水龙带挂放在箱内的挂钉、托盘或支架上。
检查方法:观察检查。
说明:4.3.2 施工单位在竣工时往往不按规定把水龙挂在消火栓箱内挂钉或水龙带卷盘上,而将水龙带卷放在消火栓箱内交工,建设单位接管后必须重新安装,否则失火时会影响使用。
4.3.3 箱式消火栓的安装应符合下列规定:1 栓口应朝外,并不应安装在门轴侧。
2 栓口中心距地面为1.1m,允许偏差±20mm。
3 阀门中心距箱侧面料140mm,距箱后内表面为100mm,允许偏差±5mm。
4 消火栓箱体安装的垂直度允许偏差为3mm.检验方法:观察和尺量检查。
说明:4.3. 箱式消火栓的安装,其栓口朝外并不应安装在门轴侧主要是取用方便;栓口中心距地面为1.1m符合现行防火设计规范规定。
控制阀门中心距侧面及后内表面距离,规定允许偏差,给出箱体安装的垂直度允许偏差均为了确保工程质量和检验方便。
室内消火栓管道安装分项工程质量验收记录
工程检验批报验单
工程名称:和威饲料车间及钢板仓编号:
室内给水管道及配件安装工程检验批质量验收记录表
工程检验批报验单
工程名称:和威饲料车间及钢板仓编号:
室内给水管道及配件安装工程检验批质量验收记录表
工程检验批报验单
工程名称:和威饲料车间及钢板仓编号:
室内给水管道及配件安装工程检验批质量验收记录表
工程检验批报验单
工程名称:和威饲料车间及钢板仓编号:
室内给水管道及配件安装工程检验批质量验收记录表
工程检验批报验单
工程名称:和威饲料车间及钢板仓编号:
室内给水管道及配件安装工程检验批质量验收记录表
工程检验批报验单
工程名称:和威饲料车间及钢板仓编号:
室内给水管道及配件安装工程检验批质量验收记录表
工程检验批报验单
工程名称:和威饲料车间及钢板仓编号:
室内给水管道及配件安装工程检验批质量验收记录表
室内消火栓系统安装分项工程质量验收记录
室内消火栓系统安装报验申请表
室内消火栓系统安装检验批质量验收记录
室内消火栓系统安装报验申请表
室内消火栓系统安装检验批质量验收记录
室内消火栓系统安装报验申请表
室内消火栓系统安装检验批质量验收记录
室内消火栓系统安装报验申请表
室内消火栓系统安装检验批质量验收记录
室内消火栓系统安装报验申请表
室内消火栓系统安装检验批质量验收记录
室内消火栓系统安装报验申请表
室内消火栓系统安装检验批质量验收记录
室内消火栓系统安装报验申请表
室内消火栓系统安装检验批质量验收记录
室内消防栓试射安装分项工程质量验收记录
室内消防栓试射试验报验申请表
室内消防栓试射试验记录。