斜道计算书
- 格式:docx
- 大小:70.58 KB
- 文档页数:13
仰斜式路堑墙理正计算书仰斜式路堑墙理正计算书一、设计参数:路宽:W=7.5m路堑深度:H=4m路堑坡度:1:1.5路堑宽度:B=H/1.5=2.67m墙体长度:L=10m墙体高度:h=3.5m墙体宽度:b=0.3m水平力设计值:Q=10kN/m二、剪力计算:路堑承台受到的土压力大小为:p=γ·H·tan(α+β)/2=19.5kPa承台长度为2B,受到的合力为:F=2B·p=104.13kN由此可得干砌墙的剪力大小为:V=F/2=52.07kN三、弯矩计算:水平力Q对路堑承台产生的弯矩大小为:M=Q·H/2=20kN·m墙顶处受到的土压力大小为:p0=γ·H·tanβ=12.6kPa由此可得:F0=p0·L·h=441kN所受弯矩大小为:M0=F0·b/6=4.41kN·m因此,干砌墙受到的合成弯矩为:M=M+M0=24.41kN·m四、综合验算:干砌墙的受力状态符合要求,计算结果如下:剪力大小V=52.07kN弯矩大小M=24.41kN·m墙体自重G=32.55kN由此可得,剪应力τ和弯应力σ的大小分别为:τ=V/bh=0.60Mpaσ=M·e/I=3.88Mpa其中,I=b·h^3/12,e=h/2得出的结果均小于混凝土抗剪强度和弯曲抗拉强度,说明墙体结构强度充足,符合设计要求。
五、结论:经计算,仰斜式路堑墙理正受力合理、强度充足,符合设计要求。
300x800坡屋面斜梁模板钢管支撑架计算书坡屋面支模荷载计算说明:该坡屋面坡度i=0.283,tanα=0.283 水平面夹角α=15.8°荷载增大系数k=1/cos15.8°=1.04。
以下利用专业软件计算坡屋面结构支模中,大梁及楼板截面高度、模板自重、砼内钢筋含量、每平方米施工荷载等,均乘以1.04后再进行计算。
模板支架搭设高度为17.20米,基本尺寸为:梁截面 B×D=300mm×830mm,梁两侧楼板厚度125mm,梁支撑立杆的横距(跨度方向) l=0.45米,立杆的步距 h=1.50米,梁底布置3道龙骨,梁底小横杆间距0.450m,梁底增加2道承重立杆。
梁顶托采用单钢管: 48×3.0。
立杆上端伸出至模板支撑点长度:0.30米。
采用的钢管类型为48×3.0,采用扣件连接方式。
梁模板支撑架立面简图一、模板面板计算使用模板类型为:胶合板。
面板为受弯结构,需要验算其抗弯强度和刚度。
模板面板按照多跨连续梁计算。
(1)钢筋混凝土板自重(kN/m):q11 = 26.500×0.830×0.450=9.898kN/m(2)模板的自重线荷载(kN/m):q12 = 0.520×0.450×(2×0.830+0.300)/0.300=1.529kN/m(3)活荷载为施工荷载标准值(kN/m):q13 = 2.600×0.450=1.170kN/m均布线荷载标准值为:q = 26.500×0.830×0.450+0.520×0.450×(2×0.830+0.300)/0.300=11.427kN/m均布线荷载设计值为:q1 = 1.0×[1.35×(9.898+1.529)+1.4×0.9×1.170]=16.900kN/m 面板的截面惯性矩I和截面抵抗矩W分别为:本算例中,截面抵抗矩W和截面惯性矩I分别为:W = 45.00×1.50×1.50/6 = 16.88cm3;I = 45.00×1.50×1.50×1.50/12 = 12.66cm4;施工荷载为均布线荷载:计算简图剪力图(kN)弯矩图(kN.m)经过计算得到从左到右各支座力分别为N1=0.951kNN2=3.169kNN3=0.951kN最大弯矩 M1 = 0.048kN.m(1)抗弯强度计算经计算得到面板抗弯强度计算值 f = 0.048×1000×1000/16875=2.817N/mm2面板的抗弯强度设计值 [f],取12.00N/mm2;面板的抗弯强度验算 f < [f],满足要求!(2)挠度计算验算挠度时不考虑可变荷载值,仅考虑永久荷载标准值,故采用均布线荷载标准值q = 11.43kN/m为设计值。
【摘要:】本设计是南宁地区某技术经济型三级公路路基路面综合设计。
通过研究和分析讨论,掌握所设计课题的有关结构构造、使用功能及质量要求。
第一步是公路路线设计,其中包括:选线,平面设计、纵断面设计、横断面设计;第二步是公路路基设计,土石方的调配。
【关键字:】三级公路选线土方设计路基第一节公路平面设计公路选线设计设计段起止点K136+000~K136+777.713,该路段路线途径宁明盆地边缘,穿越第三系始新统那读组粘土岩、泥质粉砂岩及少部分砂岩,其中部分风化粘土岩具有膨胀性,为膨胀泥岩。
第三系始新统那读组粘土岩的风化残坡积物则普遍具有膨胀性,为膨胀土,其厚度一般在2—5米间。
通过地质勘探,获得设计路段土层的基本分布情况为:表土层(1-2m),灰白色粘土(2-4m),灰黑色粘土(4m以下),再往下是灰色泥岩。
其中灰白色粘土层及灰黑色粘土为灰色粘土岩的风化残坡积层。
1.选线原则在道路设计的各阶段,应运用各种先进手段对路线方案做深入、细致研究,在各方案的论证、比选的基础上,选定最优的路线方案。
(1)路线的设计应在保证行车安全,舒适、迅速的前提下,做到工程量小,造价低、营运费用省、效益好,并有利于施工和养护。
在工程量增加不大时,应尽量采用较高的技术指标,不要轻易采用极限指标,也不应不顾工程量的大小,片面的追求高指标。
(2)通过名胜、风景、古迹地区的道路,应该注意保护原有的自然状态,其人工构造物应与周围的环境、景观相协调,处理好重要的历史文物遗址。
(3)平原区选线,因地形限制不大,而线应在基本符合路线走向的前提下,正确处理对地物、地质的避让与超越,找出一条理想的路线来。
(4)平原区农田成片,渠道纵横交错,布线应从支援农业着眼,尽量做到少占和不占高产田,从各项费用上综合考虑放线,不能片面求直占用大片良田,也不能片面强调不占某块田而使路线弯弯曲曲,造成行车条件恶化。
(5)路线应与农田水利建设相结合,有利于农田灌溉,尽可能少于灌溉渠道相交把路线布置在渠道上方非灌溉的一侧或渠道尾部。
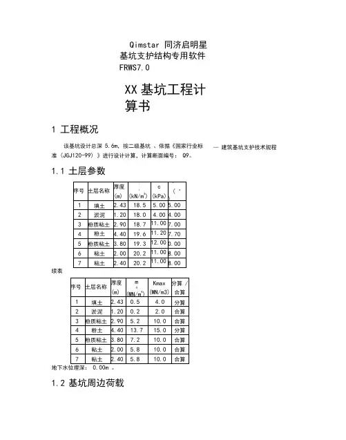
Qimstar 同济启明星基坑支护结构专用软件FRWS7.0XX基坑工程计算书1工程概况该基坑设计总深5.6m,按二级基坑、依据《国家行业标—建筑基坑支护技术规程准(JGJ120-99) 》进行设计计算,计算断面编号:Q9。
1.1土层参数续表地下水位埋深:0.00m 。
1.2基坑周边荷载地面超载:20.0kPa2开挖与支护设计基坑支护方案如图:XX基坑工程基坑支护方案图2.1挡墙设计钢板桩;5.900m;0.500m;U500*225;1000mm;2.2支撑(锚)结构设计本方案设置2道支撑(锚),各层数据如下:第1道支撑(锚)为平面内支撑,距墙顶深度0.500m,工作面超过深度0.300m,预加轴力0.00kN/m 。
该道平面内支撑具体数据如下:· 支撑材料:钢支撑;挡墙类型嵌入深度露出长度型钢型号桩间距:支撑长度:10.000m;支撑间距:3.200m;与圈梁之间的夹角:30.000 不动点调整系数:0.500 ;型钢型号:@609*12;根数:1;松弛系数:1.000 。
第2道支撑(锚)为平面内支撑,距墙顶深度3.000m,工作面超过深度0.300m,预加轴力0.00kN/m 。
该道平面内支撑具体数据如下:· 支撑材料:钢支撑;· 支撑长度:10.000m ;· 支撑间距:3.200m ;· 与圈梁之间的夹角:30.000 °;· 不动点调整系数:0.500 ;· 型钢型号:@609*12;· 根数:1;· 松弛系数:1.000 。
2.3工况顺序该基坑的施工工况顺序如下图所示:3计算原理描述3.1围护墙主动侧土压力计算3.1.1朗肯主动土压力深度z 处第i 层土的主动土压力强度的标准值e ak,i按下列公式计算:采用水土合算或计算点在水位以上时:小于0取0)小于0取0) 采用水土分算且计算点在水位以下时:对于矩形土压力模式,自重部分须扣除坑内土的自重(对水位以下的分算土层,扣除有效自重;坑内水位取坑底位置,天然水位在坑底以下就取天然水位)。
81度斜柱施工方案及计算书第一节、工程概况1、项目概况莲塘口岸总用地面积174532.00㎡,建筑面积:123875.48㎡,计容建筑总面积约9.34万㎡,有两层地下室,面积约为30843.44㎡。
本项目分为旅检区和货检区。
旅检区主要建筑物有旅检大楼(含高架平台、入境缓冲车场、地下室)、出境检查通道及监控楼、入境检查通道及监控楼、上落客区雨棚、旅检大楼与西岭下村通廊、旅检区辅助用房,其中旅检大楼地下2层,地上五层。
本计算书涉及81度斜柱分布于旅检大楼南北两侧。
2、斜柱位置及尺寸根据施工图,在1-Q交1轴部位有斜柱十一根,1-E交1轴部位有斜柱十二根,截面尺寸为700*700,与水平面夹角约为81°,斜柱强度等级为C60。
与之并排的框架柱(立柱)截面尺寸为700*700,强度等级为C60。
1-16轴交1-Q轴处设有斜柱一根,截面尺寸为1000*1000,与水平面夹角约为81°,斜柱强度等级为C60。
与之并排的框架柱(立柱)截面尺寸为800*800,强度等级为C60。
81度斜柱立面截图第二节、施工方案的选择通常对于往外倾斜的柱子施工有如下方法可以选择:第三节、施工方案介绍通过上面分析,该斜柱部位可以采用方法2进行施工。
由于该工程工期较不紧张,因而其施工周期较长的缺点能够克服。
施工过程如下:将斜柱与旁边的立柱用钢管拉结在一起,浇注混凝土时,立柱先进行浇注,待立柱浇注3天后,再浇注斜柱,最后浇注该层梁、板,各层按此顺序交替施工。
在适当位置留设竖向施工缝,竖向施工缝到斜柱范围内按照上述方法进行施工,其余部位按梁、板、柱同时浇注的方案施工。
斜柱与框架立柱的拉结措施如下图。
第四节、相关计算1、对700*700斜柱拉结体系的计算m KN KN mKN KN mKN /618.3)438.0438.0(4.1)038.01.955(2.1斜向均布荷载:(采用泵送混凝土)m /438.0sin97.04倾倒混凝土荷载:/438.0sin97.04振倒荷载:m/038.09sin 7.035.0模板荷载:/1.9559sin 7.07.05.25混凝土荷载:=+⨯++⨯=︒⨯⨯=︒⨯⨯=︒⨯⨯=︒⨯⨯⨯2、力学模型及计算结果2.1、2F与3F经求解,得到以下计算结果弯矩图剪力图由上图可知斜柱所受最大弯矩为2.45KN·m,最大剪力为7.95KN。
20m-45°斜梁桥计算分析目录第1章设计资料 (1)1.1 计算依据及参考 (1)1.2 桥梁基本概况 (1)1.2设计荷载取值 (2)第2章结构尺寸拟定 (3)2.1 主梁跨中主要尺寸拟定 (3)2.2 T梁横截面 (3)2.3 主梁间距与主梁片数 (4)第3章有限元模型 (5)3.1 预应力钢筋布置 (5)3.2 普通钢筋布置 (5)第4章计算结果 (8)4.1支座反力 (8)4.2主梁内力及应力计算 (8)4.2.1主梁内力计算 (8)4.2.2主梁应力计算 (10)4.3荷载组合作用下主梁应力计算 (11)4.3.1正常使用极限状态组合 (11)4.3.2承载能力极限状态组合 (13)4.4主梁变形及刚度计算 (15)4.5 截面强度验算 (16)第5章正交/斜交横隔板对比分析 (21)5.1 横隔板受力分析 (21)5.2 主梁受力分析 (22)5.3小结: (25)第6章梁端预应力锚固区域应力分析 (26)6.1 有限元建模 (26)6.2 计算结果分析 (26)6.3 结论 (26)第7章EI地震作用分析 (27)7.1 EI地震作用参数 (49)7.2 计算结果分析 (49)7.3 结论 (49)第8章施工方案设计 (49)第6章总结 (49)第1章设计资料1.1计算依据及参考1.《公路桥涵设计通用规范》JTG D60-20042.《公路钢筋混凝土及预应力混凝土桥涵设计规范》JTG D60-20043.《公路桥涵设计规范》JTJ023-851.2桥梁基本概况(1)桥梁跨径及桥宽标准跨径:20m(墩中心距离);斜度45°;桥面净空:净—11m+2×0.5m=12.0 m;(2)桥面布置2个宽度3.75m行车道,1个宽度3.5m行车道。
(3)设计荷载公路I级,每侧防撞栏重力的作用力为2.99kN/m。
(4)材料及工艺混凝土:主梁用C50,桥面铺装用C30。
1。
0 安全技术设计1.1 一般规定本工程按《建筑施工扣件式钢管脚手架安全技术规范》(JGJ130—2001)规定:(1)脚手架的承载能力应按概率极限状态设计法的要求,采用分项系数设计表达式进行设计。
本工程安全专项施工方案设计需进行下列设计计算:1)纵向、横向水平杆等受弯构件的强度和连接扣件的抗滑承载力计算;2)立杆的稳定性计算;3)连墙件的强度、稳定性和连接强度的计算;4)立杆地基承载力计算。
(2)计算构件的强度、稳定性与连接强度时,应采用荷载效应基本组合的设计值。
永久荷载分项系数应取1.2,可变荷载分项系数取1。
4。
(3)脚手架中的受弯构件,尚应根据正常使用极限状态的要求验算变形。
验算构件变形时,应采用荷载短期效应组合的设计值。
(4)纵向或横向水平杆的轴线对立杆轴线的偏心距不大于 55mm时,立杆稳定性计算中可不考虑此偏心距的影响。
(5)钢材的强度设计值与弹性模量(N/mm2)按下表采用.(6)扣件、底座的承载力设计值(KN)按下表采用。
注:扣件螺栓拧紧扭力矩值不应小于40N。
m,且不应大于65N.m。
(7)受弯构件的挠度不应超过下中规定的容许值。
注:l为受弯构件的跨度(8)受压、受拉构件的长细比不应超过下中规定的容许值。
1.2 构造要求1.2.1 脚手架设计本工程外脚手架采用扣件钢管双排脚手架,搭设高度60.35m(以最高建筑标高为58。
85米计算为例),采用的钢管类型为48×3.5。
内排架距离墙体距离为550mm。
脚手架施工均布荷载为2.0kN/㎡,同时施工2层,脚手板共铺设4层。
脚手架沿高度方向采用分层多次沿四周满搭设的方式,搭设高度至屋面女儿墙上1。
5m。
1。
2。
2 平面布置立杆纵向间距1500mm,横向间距1200mm。
内排立杆距离建筑物的距离为550mm,下端垫木垫板并设置扫地杆。
立杆与大横杆必须采用直角扣件扣紧,不得隔步设置和遗漏.立杆的接头应错开布置,相邻立杆接头不得设于同步内,错开距离应大于500mm,其接头距大横杆的距离不大于步距的1/3(≤600mm)。
坡道板计算书项目名称_____________构件编号_____________日期_____________ 设计_____________校对_____________审核_____________一、基本资料1.设计规范《建筑结构荷载规范》(GB50009—2001)《混凝土结构设计规范》(GB50010—2010)2.几何参数见结构图3.荷载参数混凝土容重: γb = 25.00 kN/m3面层容重: γc1 = 22.00 kN/m3找平层容重: γc2 = 20.00 kN/m3均布活荷载标准值: q = 4.0 kN/m2可变荷载组合值系数: ψc = 0.70可变荷载准永久值系数: ψq = 0.604.材料参数混凝土强度等级: C30混凝土抗压强度设计值: f c = 14.3 N/mm2混凝土抗拉强度标准值: f tk = 2.01 N/mm2混凝土抗拉强度设计值: f t= 1.43 N/mm2混凝土弹性模量: E c = 3.00 × 104 N/mm2钢筋强度等级: HRB335(20MnSi) f y = 300.00 N/mm2钢筋弹性模量: E s = 200000 N/mm2受拉纵筋合力点到坡道板底边的距离: a s = 20mm二、荷载计算过程1.坡道几何参数坡道板与水平方向夹角余弦值: cosα = 0.989坡道的计算跨度: L n = 4200 mm坡道板厚度: T = 200 mm取1m板宽为计算单元2.荷载设计值2.1 均布恒载标准值2.1.1 板自重gk1' = γb ×T × 1000 = 25.00 × 200 /1000 = 5.0 kN/mgk1 = gk1'2.1.2 板面层自重gk 3' = γc1 × C 2 ×1000 = 22.00 × 30 /1000 = 0.66 kN/m gk 3 = gk 3'2.1.3 找平层自重gk 5' = γc2 × C 3 × 1000 = 20.00 × 20 /1000 = 0.40 kN/m gk 5 = gk 5' 永久荷载标准值 gk =( gk 1 + gk 3 + gk 5 )/ cos α = (5.0 + 0.66+ 0.4 )/0.989 = 6.13 kN/m 2.2 均布荷载设计值 由活荷载控制的坡道板荷载设计值: p L = 1.2gk + 1.4q = 1.2 × 6.13+ 1.4 × 4.0 = 13kN/m 由恒荷载控制的坡道板荷载设计值: p D = 1.35gk + 1.4ψc q = 1.35 × 6.13 + 1.4 × 0.70 × 4.0= 12.2 kN/m 最不利的坡道板荷载设计值: p = Max{p L ,p D } = Max{13,12.2}= 13 kN/m三、正截面承载能力计算1.配筋计算 h 0 = T - a s = 200 - 20 = 180 mm 跨中最大弯矩, M max =218pL =1/8×13×24200× 10-6 = 28.67 kN·m1) 相对界限受压区高度ξbεcu = 0.0033 - (f cu,k - 50) × 10-5 = 0.0033 - (30 - 50) × 10-5 = 0.0035 > 0.0033 取εcu = 0.0033按规范公式(7.1.4-1)ξb =β11 +f yE s εcu=0.801 +3002.00 × 105 × 0.00330= 0.552) 受压区高度x按规范公式(7.2.1-1), A s ' = 0, A p ' = 0 M = α1f c bx ⎝⎛⎭⎫h 0 - x2x = h 0 -h 02 -2Mα1f c b= 180 - 1802 - 2 × 28.67 × 1061.00 × 14.3 × 1000= 11.51mm< ξb h 0 = 0.55 ×180 = 99.00mm, 按计算不需要配置受压钢筋3) 受拉钢筋截面积A s 按规范公式(7.2.1-2)α1f c bx = f y A s得 A s =α1f c bx f y=1.00 × 14.3 × 1000 × 11.51300.00= 549mm 24) 验算配筋率ρ = A s bh = 5491000 × 200 × 100% = 0.27% < ρmax = 1.76% 不超筋⎭⎬⎫ρmin = 0.2%ρmin = 0.45 × 1.43/ 300.00 = 0.21% ρmin = 0.210% < ρ满足最小配筋率要求梯段中间截面实际配置受拉钢筋为B 10@140, 每米宽板实际配筋面积为561mm 2四、斜截面承载能力验算V = 0.5pL 0 = 0.5 × 13 × 4200 / 1000 = 27.3kN 1) 复核截面条件 按规范公式(7.5.1)0.25βc f c bh 0 = 0.25 × 1.00 × 14.3 × 1000 × 180 = 643.5 × 103 N V = 27.3 kN < 643.5 kN, 截面尺寸满足要求 2) 验算构造配筋条件按规范公式(7.5.7-2) 取λ = 30.70bh f t = 0.7 × 1.43 × 1000 × 180= 180.18 × 103 N > V = 22.2kN斜截面承载力满足要求五、跨中挠度验算1.荷载效应的标准组合值 p k = gk + q = 6.13 + 4.0 = 10.13 kN/mM k = 18p k L 02 = 18× 10.13 × 42002 × 10-6 = 22.34 kN·m2.荷载效应的准永久组合值 p q = gk + ψq q = 6.13 + 0.60 × 4.0 = 8.53 kN/mM q = 18p q L 02 = 18× 8.53× 42002 × 10-6 = 18.81 kN·m 3.挠度验算 1) 裂缝间纵向受拉钢筋应变不均匀系数ψ: 由规范公式(8.1.3-3), 纵向受拉钢筋的应力: σsk = M k0.87h 0A s=223400000.87 × 180× 561=254.3N/mm 2对矩形截面受弯构件, 有效受拉混凝土截面面积: A te = 0.5bh = 0.5 × 1000 × 180 = 90000 mm 2 按规范公式(8.1.2-4)计算纵向钢筋配筋率: ρte = A s A te = 56190000= 6.23 × 10-3混凝土抗拉强度标准值: f tk = 2.01 N/mm 2按规范公式(8.1.2-2), ψ = 1.1 - 0.65f tkρte σsk= 1.1 - 0.65 ×2.01 × 10006.23 × 254.3= 0.282) 钢筋弹性模量和混凝土弹性模量的比值: αEαE = E s E c= 20000030000 = 6.673) 受压翼缘面积与腹板有效面积的比值: γf ' 对于矩形截面, γf ' = 0.00 4) 纵向受拉钢筋配筋率: ρρ = A s bh 0= 5611000 × 180 = 0.00315) 受弯构件的短期刚度: B s由规范公式(8.2.3-1), B s =E s A s h 021.15ψ + 0.2 +6αE ρ1 + 3.5 γf '= 200000 × 561 × 18021.15 × 0.28 + 0.2 +6 × 6.67 × 0.00311 + 3.5 × 0.00× 10-9 = 5626.83 kN·m 26) 考虑荷载长期效应组合对挠度增大的影响系数: θ根据混凝土结构设计规范8.2.5条规定: ρ' = ρ, 取θ = 1.6 7) 受弯构件的长期刚度: B 根据规范公式(8.2.2), 可得B = M kM q (θ - 1) + M k B s=22.3418.81 × (1.6 - 1) + 22.34× 5626.83 = 3738.28kN·m 28) 跨中挠度: ff = 5384p k L 04B = 5384 × 10.13 × 420043738.28× 10-9 = 11 mm9) 容许挠度: 因计算跨度L 0小于7000mm, 所以容许挠度[L 0] = L 0200 = 4200200= 21.00 mm跨中最大挠度小于容许挠度, 满足要求。
******项目基坑安全通道专项施工方案批准:审核:编制:*****项目经理部二零**年*月目录一、编制依据 (1)二、工程概况 (1)三、施工方案 (2)四、施工准备 (3)五、施工工艺流程 (5)六、施工方法 (5)七、安全文明施工 (10)基坑安全通道施工方案一、编制依据《建筑施工扣件式钢管脚手架安全技术规范》JGJ130-2011 《建筑地基基础设计规范》GB50007-2011《建筑结构荷载规范》GB50009-2012《钢结构设计规范》GB50017-2003《建筑施工临时支撑结构技术规范》JGJ300-2013《建筑施工安全检查标准》 JGJ59-2011《钢管脚手架扣件》GB15831-2006《建筑施工高处作业安全技术规范》 JGJ80-2016本工程施工组织设计本工程深基坑支护和土方施工方案高层施工手册建筑施工脚手架实用手册二、工程概况(一)、工程概况工程名称:建设单位:设计单位:监理单位:施工单位:建设地点:项目规模:**m2。
质量要求:合格。
工期要求: 20**年11月1日计划开工,20**年9月28日计划竣工,施工总工期**日历天。
本工程为**项目,位于兰州新区甘肃政法学院兰州新校区;本工程占地面积为**平方米,总建筑面积**平方米。
建筑层数为地下*层,地上*层,地下一层层高为**米,地上一层层高为**米,地上二、三层层高为**米建筑高度为**m;室内外高差**m。
(二)、设计标准1、建筑性质:多层公共建筑2、设计使用年限:50 年3、建筑耐火等级:地下一级、地上二级4、建筑结构安全等级:*级5、抗震设防烈度:* 度6、人防工程:核*级7、结构形式:钢筋混凝土框架结构三、施工方案为保证地下室结构施工期间的安全,避免质量和安全事故发生,消除基坑施工危险因素,方便施工人员上下基坑,本工程拟采取以下安全技术措施来确保施工安全:搭设一处“之字”上下人通道,满足人员的垂直交通需要。
斜道计算书计算依据:1、《建筑施工扣件式钢管脚手架安全技术规范》JGJ130-20112、《建筑地基基础设计规范》GB50007-20113、《建筑结构荷载规范》GB50009-20124、《钢结构设计标准》GB50017-2017一、基本参数二、荷载参数平面图立面图三、纵向水平杆验算纵、横向水平杆布置方式纵向水平杆在上横向水平杆上纵向水平杆根数m 2横杆抗弯强度设计值[f](N/mm2) 205 横杆截面惯性矩I(mm4) 121900 横杆弹性模量E(N/mm2) 206000 横杆截面抵抗矩W(mm3) 5080水平杆布置方式承载力使用极限状态q=(1.2×(0.038+G kjb×l b/(m+1))+1.4×G kq×l b/(m+1))×cosθ=(1.2×(0.038+0.35×1/(2+1))+1.4×3×1/(2+1))×0.949=1.505kN/m正常使用极限状态q'=((0.038+G kjb×l b/(m+1))+G kq×l b/(m+1))×cosθ=((0.038+0.35×1/(2+1))+3×1/(2+1))×0.9 49=1.096kN/m计算简图如下:M max=0.1q(l a/cosθ)2=0.1×1.505×(1.5/0.949)2=0.376kN·mσ=M max/W=0.376×106/5080 = 74.016 N/mm2≤[f]=205N/mm2满足要求!2、挠度验算νmax= 0.677q'(l a/cosθ)4/(100EI)=0.677×1.096×(1500/0.949)4/(100×206000×121900)=1.844mm ≤[ν] = min[l a/cosθ/150,10]= min[1500/0.949/150,10]=10mm满足要求!3、支座反力计算承载力使用极限状态R max=1.1×ql a/cosθ=1.1×1.505×1.5/0.949=2.617kN正常使用极限状态R max'=1.1×q'l a/cosθ=1.1×1.096×1.5/0.949=1.906kN四、横向水平杆验算承载力使用极限状态F1=R max/cosθ=2.617/0.949=2.758kNq=1.2×0.038=0.046kN/m正常使用极限状态F1'=R max'/cosθ=1.906/0.949=2.008kNq'=0.038kN/m计算简图如下:σ=M max/W=0.924×106/5080 = 181.89 N/mm2≤[f]=205N/mm2满足要求!2、挠度验算νmax =2.856mm≤[ν] = min[l b/150,10]= min[1000/150,10]=6.667mm满足要求!3、支座反力计算承载力使用极限状态R max=2.781kN五、扣件抗滑承载力验算横杆与立杆连接方式单扣件扣件抗滑移折减系数0.8max c纵向水平杆:R max=2.617/0.949/2=1.379kN≤R c=0.8×8=6.4kN满足要求!六、荷载计算1、立杆承受的结构自重荷载N G1k每米内立杆承受斜道新增加杆件的自重标准值g k1'g k1'=(l a/cosθ+(l a/cosθ)×m/2)×0.038×n/2/(n×H)=(1.5/0.949+(1.5/0.949)×2/2)×0.038×2/2/(2×6 )=0.01kN/m单内立杆:N G1k=(g k+ g k1')×(n×H-H1)=(0.35+0.01)×(2×6-5)=2.52kN双内立杆:N GS1k =(g k+ g k1'+0.038)×H1=(0.35+0.01+0.038)×5=1.99kN每米中间立杆承受斜道新增加杆件的自重标准值g k1'g k1'=(l a/cosθ+(l a/cosθ)×m/2)×0.038/H=(1.5/0.949+(1.5/0.949)×2/2)×0.038/6=0.02kN/m 单中间立杆:N G1k=(2×g k-0.038+ g k1')×(n×H-H1)=(2×0.35-0.038+0.02)×(2×6-5)=4.774kN双中间立杆:N GS1k =(2×g k+ g k1')×H1=(2×0.35+0.02)×5=3.6kN2、立杆承受的脚手板及挡脚板荷载标准值N G2k每米内立杆承受斜道脚手板及挡脚板荷载标准值g k2'g k2'=[G kjb×(l a/cosθ)×l b/2+G kdb×(l a/cosθ)]×(n/2)/(n×H)=[0.35×(1.5/0.949)×1/2+0.14×(1.5/0.9 49)]×(2/2)/(2×6)=0.041kN/m单内立杆:N G2k=g k2'×(n×H-H1)=0.041×(2×6-5)=0.287kN双内立杆:N GS2k =g k2'×H1=0.041×5=0.205kN每米中间立杆承受斜道脚手板及挡脚板荷载标准值g k2'g k2'=[G kjb×(l a/cosθ)×l b/2+G kdb×(l a/cosθ)]/H=[0.35×(1.5/0.949)×1/2+0.14×(1.5/0.949)]/6=0.0 83kN/m单中间立杆:N G2k=g k2'×(n×H-H1)=0.083×(2×6-5)=0.581kN双中间立杆:N GS2k =g k2'×H1=0.083×5=0.415kN立杆施工活荷载计算N Q1k=[G kq×(l a/cosθ)×l b/2]×n j=[3×(1.5/0.949)×1/2]×2=4.742kN七、立杆稳定性验算立杆计算长度l0=kμh=1×1.5×1.8=2.7m长细比λ= l0/i =2700/15.8=170.886≤210满足要求!轴心受压构件的稳定系数计算:立杆计算长度l0=kμh=1.155×1.5×1.8=3.119m长细比λ= l0/i =3119/15.8=197.405查《规范》JGJ130-2011表A.0.6得,φ=0.1862、立杆稳定性验算不组合风荷载作用下的单立杆轴心压力设计值:单立杆的轴心压力设计值:单内立杆:N1=1.2×(N G1k+N G2k)+1.4×N Q1k=1.2×(2.52+0.287)+1.4×4.742=10.007kN 单中间立杆:N2=1.2×(N G1k+N G2k)+1.4×N Q1k=1.2×(4.774+0.581)+1.4×4.742=13.065kNN=max{N1,N2}=13.065kNσ= N/(φA) =13065/(0.186×489)=143.644N/mm2≤[f]=205 N/mm2满足要求!双立杆的轴心压力设计值:双内立杆:N S1=1.2×(N GS1k+N GS2k)+N1=1.2×(1.99+0.205)+10.007=12.641kN双中间立杆:N S2=1.2×(N GS1k+N GS2k)+N2=1.2×(3.6+0.415)+13.065=17.883kNN=max{N s1,N s2}=17.883kNσ= (K S×N S)/(φA) =(0.6×17883)/(0.186×489)=117.97N/mm2≤[f]=205 N/mm2满足要求!组合风荷载作用下的单立杆轴向力:单立杆的轴心压力设计值:单内立杆:N1=1.2×(N G1k+N G2k)+0.9×1.4×N Q1k=1.2×(2.52+0.287)+0.9×1.4×4.742=9.343kN 单中间立杆:N2=1.2×(N G1k+N G2k)+0.9×1.4×N Q1k=1.2×(4.774+0.581)+0.9×1.4×4.742=12.401kN N=max{N1,N2}=12.401kNM w=0.9×1.4M wk=0.9×1.4ωk l a h2/10=0.9×1.4×0.22×1.5×1.82/10=0.135kN·mσ=N/(φA)+M w/W=12401/(0.186×489)+0.135×106/5080=162.918N/mm2≤[f]=205 N/mm2满足要求!双立杆的轴心压力设计值:双内立杆:N S1=1.2×(N GS1k+N GS2k)+N1=1.2×(1.99+0.205)+9.343=11.977kN双中间立杆:N S2=1.2×(N GS1k+N GS2k)+N2=1.2×(3.6+0.415)+12.401=17.219kNN=max{N s1,N s2}=17.219kNM w=0.9×1.4M wk=0.9×1.4ωk l a h2/10=0.9×1.4×0.22×1.5×1.82/10=0.135kN·mσ=K S×N S/(φA)+M w/W=0.6×17219/(0.186×489)+0.135×106/5080=140.164N/mm2≤[f]=2 05 N/mm2满足要求!八、连墙件承载力验算lw k a长细比λ=l0/i=600/15.8=37.975,查《规范》JGJ130-2011表A.0.6得,φ=0.896 (N lw+N0)/(φAc)=(4.99+2)×103/(0.896×489)=15.954N/mm2≤0.85 ×[f]=0.85 ×205N/mm2=174.25N/mm2满足要求!扣件抗滑承载力验算:N lw+N0=4.99+2=6.99kN≤0.8×12=9.6kN满足要求!九、立杆地基承载力验算单内立杆:N1=(N G1k+N G2k)+N Q1k=(2.52+0.287)+4.742=7.549kN单中间立杆:N2=(N G1k+N G2k)+N Q1k=(4.774+0.581)+4.742=10.097kN双立杆的轴心压力设计值:双内立杆:N S1=(N GS1k+N GS2k)+N1=(1.99+0.205)+7.549=9.744kN双中间立杆:N S2=(N GS1k+N GS2k)+N2=(3.6+0.415)+10.097=14.112kNN=max{N1,N2,N s1,N s2}=14.112kN立杆底垫板平均压力P=N s/(k c A)=14.112/(0.4×0.25)=141.12kPa≤f g=160kPa满足要求!。
斜道计算书计算依据:1、《建筑施工扣件式钢管脚手架安全技术规范》JGJ130-20112、《建筑地基基础设计规范》GB50007-20113、《建筑结构荷载规范》GB50009-20014、《钢结构设计规范》GB50017-2003一、基本参数斜道附着对象建筑物斜道类型之字形斜道立杆纵距或跨距l a(m) 1.2 立杆横距l b(m) 1.2立杆步距h(m) 1.5 斜道每跑高度H(m) 1.5斜道水平投影长度L(m) 2 平台宽度Lpt (m) 1.2斜道跑数n 30 斜道钢管类型Ф48×3.5双立杆计算方法不设置双立杆二、荷载参数平面图立面图三、横向水平杆验算水平杆布置方式承载力使用极限状态q=1.2×(0.038 +G kjb×(l a/cosθ )/(m+1))+1.4×G kq×(l a/cosθ)/(m+1)=1.2×(0.038+0.25×(1.2/0.8)/(1+1))+1.4×0.5×(1.2/0.8)/(1+1) =0.796kN/m 正常使用极限状态q'=(0.038 +G kjb×(l a/cosθ )/(m+1))+G kq×(l a/cosθ)/(m+1)=(0.038+0.25×(1.2/0.8)/(1+1))+0.5×(1.2/0.8)/(1+1) =0.6kN/m 计算简图如下:1、抗弯验算M max=ql b2/8= 0.796×1.22/8=0.143kN·mσ=M max/W=0.143*106/5080 = 28.15 N/mm2≤[f]=205N/mm2满足要求!2、挠度验算νmax = 5q'l b4/(384EI)= 5×0.6×12004/(384×206000×121900)=0.645mm≤[ν] = min[l b/150,10]= min[1200/150,10]=8mm满足要求!3、支座反力计算承载力使用极限状态R max= ql b/2=0.796×1.2/2=0.478kN正常使用极限状态R max'= q'l b/2=0.6×1.2/2=0.36kN四、纵向水平杆验算承载力使用极限状态F1=R max×cosθ=0.478×0.8=0.382kNq=1.2×0.038×cosθ=1.2×0.038×0.8=0.036 kN/m正常使用极限状态F1'=R max'×cosθ=0.36×0.8=0.288kNq'=0.038×cosθ=0.038×0.8=0.03 kN/m计算简图如下:1、抗弯验算σ=M max/W=0.118×106/5080 = 23.228 N/mm2≤[f]=205N/mm2满足要求!2、挠度验算νmax=0.396mm≤[ν] = min[l a/cosθ/150,10]= min[1500/150,10]=10mm 满足要求!3、支座反力计算承载力使用极限状态R max= 0.598kN五、扣件抗滑承载力验算max纵向水平杆:R max=0.598/0.8=0.747KN≤Rc =0.8×8=6.4kN满足要求!六、荷载计算1、立杆承受的结构自重荷载N G1k每米内立杆承受斜道新增加杆件的自重标准值g k1'g k1'=(l a/cosθ+l b×m/2)×0.038×n/2 /(n×H)=(1.2/0.8+1.2×1/2)×0.038×30/2/(30×1.5)=0.027 kN/m单内立杆:N G1k=(g k+ g k1')×(n×H)=(0.15+0.027)×(30×1.5) =7.965KN每米中间立杆承受斜道新增加杆件的自重标准值g k1'g k1'=(l a/cosθ+l b×m/2)×0.038/H=(1.2/0.8+1.2×1/2)×0.038/1.5=0.053 kN/m单中间立杆:N G1k=(2×g k-0.038+ g k1')×(n×H)=(2×0.15-0.038+0.053)×(30×1.5) =14.175KN2、立杆承受的脚手板及挡脚板荷载标准值N G2k每米内立杆承受斜道脚手板及挡脚板荷载标准值g k2'g k2'=[G kjb×(l a/cosθ)×l b/2+G kdb×(l a/cosθ)]×(n/2 )/(n×H)=[0.25×(1.2/0.8)×1.2/2+0.15×(1.2/0.8) ]×(30/2)/(30×1.5)=0.15kN/m单内立杆:N G2k=g k2'×(n×H)=0.15×(30×1.5) =6.75KN每米中间立杆承受斜道脚手板及挡脚板荷载标准值g k2'g k2'=[G kjb ×(l a /cosθ)×l b /2+G kdb ×(l a /cosθ)]/H=[0.25×(1.2/0.8)×1.2/2+0.15×(1.2/0.8)]/1.5=0.3k N/m单中间立杆:N G2k =g k2'×(n×H)=0.3×(30×1.5) =13.5KN 立杆施工活荷载计算N Q1k =[G kq ×(l a /cosθ)×l b /2]×n j =[0.5×(1.2/0.8)×1.2/2]×20 =9 kN七、立杆稳定性验算斜道每跑高度H(m) 1.5 斜道跑数n30 立杆计算长度系数μ 1.05 立杆截面抵抗矩W(mm 3) 5080 立杆截面回转半径i(mm) 15.8 立杆抗压强度设计值[f](N/mm 2)205立杆截面面积A(mm 2)4891、立杆长细比验算立杆计算长度l 0=kμh=1×1.05×1.5=1.575m 长细比λ= l 0/i =1575/15.8=99.684≤210 满足要求!轴心受压构件的稳定系数计算:立杆计算长度l 0=kμh=1.155×1.05×1.5=1.819m 长细比λ= l 0/i =1819/15.8=115.127查《规范》JGJ130-2011表A.0.6得,φ=0.483 2、立杆稳定性验算不组合风荷载作用下的单立杆轴心压力设计值: 单立杆的轴心压力设计值:单内立杆:N 1=1.2×(N G1k + N G2k )+ 1.4×N Q1k =1.2×(7.965+ 6.75)+ 1.4×9=30.258KN 单中间立杆:N 2=1.2×(N G1k + N G2k )+ 1.4×N Q1k =1.2×(14.175+ 13.5)+ 1.4×9=45.81KNN=max{N 1,N 2}=45.81KNσ= N/(φA) =45810/(0.483×489)=193.956N/mm 2≤[f]=205 N/mm 2 满足要求!组合风荷载作用下的单立杆轴向力: 单立杆的轴心压力设计值:单内立杆:N 1=1.2×(N G1k + N G2k )+ 0.9×1.4×N Q1k =1.2×(7.965+ 6.75)+ 0.9×1.4×9=28.998KN单中间立杆:N 2=1.2×(N G1k + N G2k )+ 0.9×1.4×N Q1k =1.2×(14.175+ 13.5)+ 0.9×1.4×9=44.55KNN=max{N 1,N 2}=44.55KNM w =0.9×1.4M wk =0.9×1.4w k l a h 2/10=0.9×1.4×0.17×1.2×1.52/10=0.058 kN·m σ=N/(φA)+M w /W=44550/(0.483×489)+0.058×106/5080=200.039N/mm 2≤[f]=205 N/mm 2满足要求!八、连墙件承载力验算连墙件布置方式两步三跨连墙件连接方式 扣件连接 连墙件约束脚手架平面外变形轴向力N 0(kN)2 连墙件计算长度l 0(mm)2000连墙件截面面积Ac(mm 2) 489 连墙件截面回转半径i(mm)15.8 连墙件抗压强度设计值[f](N/mm 2) 205 连墙件与扣件连接方式双扣件扣件抗滑移折减系数0.8N lw =1.4×ωk ×2×h×3×l a =1.4×0.23×2×1.5×3×1.2=3.478kN长细比λ=l 0/i=2000/15.8=126.582,查《规范》JGJ130-2011表A.0.6得,φ=0.417 (N lw +N 0)/(φAc)=(3.478+2)×103/(0.417×489)=26.864N/mm 2≤0.85 ×[f]=0.85 ×205N/mm 2=174.25N/mm 2 满足要求!扣件抗滑承载力验算:N lw +N 0=3.478+2=5.478kN≤0.8×12=9.6kN 满足要求!九、立杆地基承载力验算单内立杆:N1=(N G1k+ N G2k)+ N Q1k=(7.965+ 6.75)+ 9=23.715KN单中间立杆:N2=(N G1k+ N G2k)+ N Q1k=(14.175+ 13.5)+ 9=36.675KNN=max{N1,N2}=36.675KN立杆底垫板平均压力P=N/(k c A)=36.675/(1×0.25)=146.7kPa≤f g=220kPa 满足要求!。
计算书一、基本参数二、荷载参数搭设示意图:平面图立面图三、横向水平杆验算纵、横向水平杆布置方式 横向水平杆在上 纵向水平杆上横向水平杆根数m 2 横杆抗弯强度设计值[f](N/mm 2) 205 横杆截面惯性矩I(mm 4) 121900 横杆弹性模量E(N/mm 2)206000横杆截面抵抗矩W(mm 3)5080计算简图如下:水平杆布置方式承载力使用极限状态q=1.2×(0.038 +G kjb×(l a/cosθ )/(m+1))+1.4×G kq×(l a/cosθ)/(m+1)=1.2×(0.038+0.35×(1.5/0.986)/(2+1))+1.4×3×(1.5/0.986)/(2+1) =2.388kN/m 正常使用极限状态q'=(0.038 +G kjb×(l a/cosθ )/(m+1))+G kq×(l a/cosθ)/(m+1)=(0.038+0.35×(1.5/0.986)/(2+1))+3×(1.5/0.986)/(2+1) =1.737kN/m 计算简图如下:1、抗弯验算M max=ql b2/8= 2.388×12/8=0.298kN·mσ=M max/W=0.298*106/5080 = 58.661 N/mm2≤[f]=205N/mm2满足要求!2、挠度验算νmax = 5q'l b4/(384EI)= 5×1.737×10004/(384×206000×121900)=0.901mm≤[ν] =min[l b/150,10]= min[1000/150,10]=6.666mm满足要求!3、支座反力计算承载力使用极限状态R max= ql b/2=2.388×1/2=1.194kN正常使用极限状态R max'= q'l b/2=1.737×1/2=0.868kN四、纵向水平杆验算承载力使用极限状态F1=R max×cosθ=1.194×0.986=1.177kNq=1.2×0.038×cosθ=1.2×0.038×0.986=0.045 kN/m正常使用极限状态F1'=R max'×cosθ=0.868×0.986=0.856kNq'=0.038×cosθ=0.038×0.986=0.037 kN/m计算简图如下:1、抗弯验算σ=M max/W=0.485×106/5080 = 95.472 N/mm2≤[f]=205N/mm2满足要求!2、挠度验算νmax=3.191mm≤[ν] = min[l a/cosθ/150,10]= min[1521.29817444219/150,10]=10mm满足要求!3、支座反力计算承载力使用极限状态R max= 2.74kN五、扣件抗滑承载力验算横向水平杆:R max=1.194KN≤Rc =0.8×8=6.4kN纵向水平杆:R max=1.194/0.986/2=0.605KN≤Rc =0.8×8=6.4kN满足要求!六、荷载计算立杆静荷载计算1、立杆承受的结构自重荷载N G1k双立杆:N GS1k=(g k+0.038+(l a/cosθ+l b×m/2)×0.038/H )×H1=(0.35+0.038+(1.5/0.986+1×2/2)×0.038/5)×5=2. 036 kN/m2、立杆承受的脚手板及挡脚板荷载标准值N G2kg k2'=[G kjb×(l a/cosθ)×l b/2+G kdb×(l a/cosθ)]/H=[0.35×(1.5/0.986)×1/2+0.14×(1.5/0.986)]/5=0.096k N/mg k2'=[G kjb×(l a/cosθ)×l b/2+G kdb×(l a/cosθ)]/H=[0.35×(1.5/0.986)×1/2+0.14×(1.5/0.986)]/5=0.096k N/m双立杆:N GS2k =g k2'×H1=0.096×5=0.48KN立杆施工活荷载计算N Q1k=[G kq×(l a/cosθ)×l b/2]×n j=[3×(1.5/0.986)×1/2]×2 =4.564 kN七、立杆稳定性验算1、立杆长细比验算立杆计算长度l0=kμh=1×1.5×1.8=2.7m长细比λ= l0/i =2700/15.8=170.886≤210满足要求!轴心受压构件的稳定系数计算:立杆计算长度l0=kμh=1.155×1.5×1.8=3.118m长细比λ= l0/i =3118/15.8=197.342查《规范》JGJ130-2011表A.0.6得,φ=0.1862、立杆稳定性验算不组合风荷载作用下的单立杆轴心压力设计值:双立杆的轴心压力设计值:双立杆:N S=1.2×(N GS1k+ N GS2k)+ 1.4×N Q1k=1.2×(2.036+ 0.48)+ 1.4×4.564=9.409KN σ= (K S×N S)/(φA) =(0.6×9409)/(0.186×489)=62.069N/mm2≤[f]=205 N/mm2满足要求!组合风荷载作用下的单立杆轴向力:双立杆的轴心压力设计值:双立杆的轴心压力设计值:双立杆:N S=1.2×(N GS1k+ N GS2k)+ 0.9×1.4×N Q1k=1.2×(2.036+ 0.48)+0.9×1.4×4.564=8.77KNM w=0.9×1.4M wk=0.9×1.4w k l a h2/10=0.9×1.4×0.26×1.5×1.82/10=0.159 kN·mσ=K S×N S/(φA)+M w/W=0.6×8770/(0.186×489)+0.159×106/5080=89.153N/mm2≤[f]=205 N/mm2满足要求!八、立杆地基承载力验算地基土类型素填土地基承载力特征值f g(kPa) 160地基承载力调整系数k c0.4 垫板底面积A(m2) 0.25 双立杆的轴心压力设计值:双立杆:N S=(N GS1k+ N GS2k)+ N Q1k=(2.036+ 0.48)+ 4.564=7.08KN立杆底垫板平均压力P=N s/(k c A)=7.08/(0.4×0.25)=70.8kPa≤f g=160kPa满足要求!。
楼梯斜跑脚⼿架计算公式斜道计算书计算依据:1、《建筑施⼯扣件式钢管脚⼿架安全技术规》JGJ130-20112、《建筑地基基础设计规》GB50007-20113、《建筑结构荷载规》GB50009-20124、《钢结构设计规》GB50017-2003⼀、基本参数平⾯图⽴⾯图三、纵向⽔平杆验算纵、横向⽔平杆布置⽅式纵向⽔平杆在上横向⽔平杆上纵向⽔平杆根数m2横杆抗弯强度设计值[f](N/mm2)205 横杆截⾯惯性矩I(mm4) 113600 横杆弹性模量E(N/mm2) 206000 横杆截⾯抵抗矩W(mm3) 4730⽔平杆布置⽅式承载⼒使⽤极限状态q=(1.2×(0.035+Gkjb ×lb/(m+1))+1.4×Gkq×lb/(m+1))×cosθ=(1.2×(0.035+0.3×1.2/(2+1))+1.4×3×1.2/(2+1))×0.894=1.668kN/m 正常使⽤极限状态q'=((0.035+Gkjb ×lb/(m+1))+Gkq×lb/(m+1))×cosθ=((0.035+0.3×1.2/(2+1))+3×1.2/(2+1))×0.894=1.211kN/m 计算简图如下:1、抗弯验算Mmax =0.1q(la/cosθ)2=0.1×1.668×(1/0.894)2=0.209kN·mσ=Mmax/W=0.209×106/4730 = 44.186 N/mm2≤[f]=205N/mm2满⾜要求!2、挠度验算νmax=0.677q'(la/cosθ)4/(100EI)=0.677×1.211×(1000/0.894)4/(100×206000×1136 00)=0.548mm≤[ν] = min[la/cosθ/150,10]= min[1000/0.894/150,10]=7.457mm 满⾜要求!3、⽀座反⼒计算承载⼒使⽤极限状态Rmax =1.1×qla/cosθ=1.1×1.668×1/0.894=2.052kN正常使⽤极限状态Rmax '=1.1×q'la/cosθ=1.1×1.211×1/0.894=1.49kN四、横向⽔平杆验算承载⼒使⽤极限状态F1=Rmax/cosθ=2.052/0.894=2.295kNq=1.2×0.035=0.042kN/m 正常使⽤极限状态F1'=Rmax'/cosθ=1.49/0.894=1.667kNq'=0.035kN/m计算简图如下:1、抗弯验算σ=Mmax/W=0.925×106/4730 = 195.56 N/mm2≤[f]=205N/mm2 满⾜要求!2、挠度验算νmax =4.406mm≤[ν] = min[lb/150,10]= min[1200/150,10]=8mm满⾜要求!3、⽀座反⼒计算承载⼒使⽤极限状态Rmax=2.32kN五、扣件抗滑承载⼒验算横杆与⽴杆连接⽅式双扣件扣件抗滑移折减系数0.8max c纵向⽔平杆:Rmax =2.052/0.894/2=1.148kN≤Rc=0.8×12=9.6kN满⾜要求!六、荷载计算斜道跑数n 2 斜道每跑⾼度H(m) 3双⽴杆计算⾼度H1(m) 3 斜道钢管类型Ф48×3.21、⽴杆承受的结构⾃重荷载N G1k每⽶⽴杆承受斜道新增加杆件的⾃重标准值g k1' g k1'=(l a /cos θ+(l a /cos θ)×m/2)×0.035×n/2/(n×H)=(1/0.894+(1/0.894)×2/2)×0.035×2/2/(2×3)=0.013kN/m单⽴杆:N G1k =(g k + g k1')×(n×H -H 1)=(0.35+0.013)×(2×3-3)=1.089kN 双⽴杆:N GS1k =(g k + g k1'+0.035)×H 1= (0.35+0.013+0.035)×3=1.194kN 每⽶中间⽴杆承受斜道新增加杆件的⾃重标准值g k1' g k1'=(l a /cos θ+(l a /cos θ)×m/2)×0.035/H=(1/0.894+(1/0.894)×2/2)×0.035/3=0.026kN/m 单中间⽴杆:N G1k =(2×g k -0.035+g k1')×(n×H -H 1)=(2×0.35-0.035+0.026)×(2×3-3)=2.073kN双中间⽴杆:N GS1k =(2×g k + g k1')×H 1=(2×0.35+0.026)×3=2.178kN 2、⽴杆承受的脚⼿板及挡脚板荷载标准值N G2k 每⽶⽴杆承受斜道脚⼿板及挡脚板荷载标准值g k2' g k2'=[G kjb ×(l a /cosθ)×l b /2+G kdb ×(l a /cosθ)]×(n/2)/(n×H)=[0.3×(1/0.894)×1.2/2+0.16×(1/0.894)]×(2/2)/(2×3)=0.063kN/m单⽴杆:N G2k =g k2'×(n×H -H 1)=0.063×(2×3-3)=0.189kN 双⽴杆:N GS2k =g k2'×H 1=0.063×3=0.189kN每⽶中间⽴杆承受斜道脚⼿板及挡脚板荷载标准值g k2' g k2'。
上人“之字”斜道、卸料平台及屋面挑悬板搭设方法及计算一、概况:上人“之字”斜道搭设在○A、○B轴间,○5、○6轴○13、○14轴间。
一层至十层搭设,十一层至屋面搭设。
每一楼层在模板拆除后,为保证模板、钢管向上面工作面倒运的方便和安全。
在该楼层○D、○G轴间,○5、○6轴○13、○14轴间搭设运料平台,材料倒运完后拆除平台。
结施97页○7轴~○12轴间○C轴~○D轴间设挑板,由○C轴线外挑5.4米,标高+79.9米。
在十七层、十八层搭设悬挑平台。
悬挑板的模板架体搭设在悬挑架上。
二、上人“之字”斜道的搭设要求:1、斜道供操作人员上下,搭设一定要牢固。
斜道长5.6m,宽2.6m,两头休息平台为1.5m ×2.6m,坡道为2.6m,坡度为1/3。
2、斜道必须与建筑物每层连接,采用建筑物边梁予埋短钢管与斜道水平杆硬性连接。
3、斜道两头设休息平台,中间为斜道,斜道两侧和休息平台外围均设置18㎝高档脚板和1.2米高栏杆。
4、坡道与休息平台满铺木板,用铁丝绑扎牢固,坡道上钉防滑条,防滑条采用3㎝×5㎝木条,间距为250mm—300mm。
5、“之字”斜道外围竖向用密目网封闭,斜道搭设要求与外架搭设要求一致。
三、上人“之字”斜道搭设荷载计算:(后附图)(一)、横向(小横杆)水平杆:小横杆在大横杆的上面。
1、 均布荷载值计算:小横杆的重自重标准值 P 1=0.038KN/m木踏布板荷载标准值 P 2=0.35×1.5KN/m=0.525 KN/m活荷载标准值 Q=3×1.5 KN/m =4.5 KN/m静荷载标准值 q 1=1.2×(P 1+ P 2)=0.676 KN/m活荷载的计算值 q 2=1.4×4.5=6.3 KN/m q ×l ² q= q 1+ q 2=6.98KN/m2、强度计算:均布荷载最大弯矩计算公式如下:M qmax =q q 2l ⨯=85.198.62⨯=1.96 KN/mσ=W Mqmax =361008.51096.1⨯⨯=385N/mm 2>205 N/mm 2 不能满足要求.3、挠度计算:均布荷载最大挠度计算公式:V qmax =W ql 45=1219001006.2384150098.6554⨯⨯⨯⨯⨯=18.3>1501500=10 不能满足要求.(二)、纵向水平杆(大横越杆)计算:1、均布荷载值计算:大横杆自重标准值P 1=0.038KN/m2、强度计算:最大弯矩考虑为小横杆自重均布荷载与荷载的计算最不利分配的弯矩和均布荷载最大弯矩计算公式如下:M qmax =8l 2⨯q 集中荷载最大弯矩计算公式如下:M Pmax =3l ⨯q M= M qmax + M Pmax =85.1038.02.12⨯⨯=35.149.3⨯=1.76 K N ·m σ=W M =361008.51076.1⨯⨯=346 N/mm 2>205 N/mm 2 不能满足要求。
斜道计算书计算依据:1、《建筑施工扣件式钢管脚手架安全技术规范》JGJ130-20112、《建筑地基基础设计规范》GB50007-20113、《建筑结构荷载规范》GB50009-20124、《钢结构设计规范》GB50017-2003一、基本参数二、荷载参数搭设示意图:平面图立面图三、纵向水平杆验算计算简图如下:水平杆布置方式承载力使用极限状态q=(1.2×(0.038+G kjb×l b/(m+1 ))+ 1.4×G kq×l b/(m+1))×cosθ=(1.2×(0.038 +0.35×1/(2+1 ))+ 1.4×3×1/(2+1))×0.949 =1.505kN/m正常使用极限状态q'=((0.038+G kjb×l b/(m+1 ))+G kq×l b/(m+1))×cosθ=((0.038 +0.35×1/(2+1 ))+3×1/(2+1))×0.949 =1.096kN/m计算简图如下:1、抗弯验算M max=0.1q(l a/cosθ)2=0.1×1.505×(1.5/0.949)2= 0.376kN·mσ=M max/W=0.376×106/5080 = 74.016 N/mm2≤[f]=205N/mm2满足要求!2、挠度验算νmax =0.677q'(l a/cosθ)4/(100EI)=0.677×1.096×(1500/0.949)4/(100×206000×121900)=1.844mm≤[ν] = min[l a/cosθ/150,10]= min[1500/0.949/150,10]=10mm满足要求!3、支座反力计算承载力使用极限状态R max= 1.1×ql a/cosθ=1.1×1.505×1.5/0.949=2.617kN正常使用极限状态R max'= 1.1×q'l a/cosθ=1.1×1.096×1.5/0.949=1.906kN四、横向水平杆验算承载力使用极限状态F1=R max/cosθ=2.617/0.949=2.758kNq=1.2×0.038=0.046 kN/m正常使用极限状态F1'=R max'/cosθ=1.906/0.949=2.008kNq'=0.038kN/m计算简图如下:1、抗弯验算σ=M max/W=0.924×106/5080 = 181.89 N/mm2≤[f]=205N/mm2 满足要求!2、挠度验算νmax=2.856mm≤[ν] = min[l b/150,10]= min[1000/150,10]=6.667mm 满足要求!3、支座反力计算承载力使用极限状态R max= 2.781kN五、扣件抗滑承载力验算横向水平杆:R max=2.781KN≤Rc =0.8×8=6.4kN纵向水平杆:R max=2.617/0.949/2=1.379KN≤Rc =0.8×8=6.4kN满足要求!六、荷载计算立杆静荷载计算1、立杆承受的结构自重荷载N G1k每米内立杆承受斜道新增加杆件的自重标准值g k1'g k1'=(l a/cosθ+(l a/cosθ)×m/2)×0.038×n/2 /(n×H)=(1.5/0.949+(1.5/0.949)×2/2)×0.038×2/2 /(2×6)=0.01 kN/m单内立杆:N G1k=(g k+ g k1')×(n×H-H1)=(0.35+0.01)×(2×6-5) =2.52KN双内立杆:N GS1k =(g k+ g k1'+0.038)×H1=(0.35+0.01+0.038)×5=1.99KN每米中间立杆承受斜道新增加杆件的自重标准值g k1'g k1'=(l a/cosθ+(l a/cosθ)×m/2)×0.038/H=(1.5/0.949+(1.5/0.949)×2/2)×0.038/6=0.02 kN/m单中间立杆:N G1k=(2×g k-0.038+ g k1')×(n×H-H1)=(2×0.35-0.038+0.02)×(2×6-5)=4.774KN双中间立杆:N GS1k =(2×g k+ g k1')×H1=(2×0.35+0.02)×5=3.6KN2、立杆承受的脚手板及挡脚板荷载标准值N G2k每米内立杆承受斜道脚手板及挡脚板荷载标准值g k2'g k2'=[G kjb×(l a/cosθ)×l b/2+G kdb×(l a/cosθ)]×(n/2 )/(n×H)=[0.35×(1.5/0.949)×1/2+0.14×(1.5/0.949)]×(2/2)/(2×6)=0.041kN/m单内立杆:N G2k=g k2'×(n×H-H1)=0.041×(2×6-5) =0.287KN双内立杆:N GS2k =g k2'×H1=0.041×5=0.205KN每米中间立杆承受斜道脚手板及挡脚板荷载标准值g k2'g k2'=[G kjb×(l a/cosθ)×l b/2+G kdb×(l a/cosθ)]/H=[0.35×(1.5/0.949)×1/2+0.14×(1.5/0.949)]/6=0.083k N/m单中间立杆:N G2k=g k2'×(n×H-H1)=0.083×(2×6-5) =0.581KN双中间立杆:N GS2k =g k2'×H1=0.083×5=0.415KN立杆施工活荷载计算N Q1k=[G kq×(l a/cosθ)×l b/2]×n j=[3×(1.5/0.949)×1/2]×2 =4.742 kN七、立杆稳定性验算1、立杆长细比验算立杆计算长度l0=kμh=1×1.5×1.8=2.7m长细比λ= l0/i =2700/15.8=170.886≤210满足要求!轴心受压构件的稳定系数计算:立杆计算长度l0=kμh=1.155×1.5×1.8=3.118m长细比λ= l0/i =3118/15.8=197.342查《规范》JGJ130-2011表A.0.6得,φ=0.1862、立杆稳定性验算不组合风荷载作用下的单立杆轴心压力设计值:单立杆的轴心压力设计值:单内立杆:N1=1.2×(N G1k+ N G2k)+ 1.4×N Q1k=1.2×(2.52+ 0.287)+ 1.4×4.742=10.007KN 单中间立杆:N2=1.2×(N G1k+ N G2k)+ 1.4×N Q1k=1.2×(4.774+ 0.581)+1.4×4.742=13.065KNN=max{N1,N2}=13.065KNσ= N/(φA) =13065/(0.186×489)=143.644N/mm2≤[f]=205 N/mm2满足要求!双立杆的轴心压力设计值:双内立杆:N S1=1.2×(N GS1k+ N GS2k)+ N1=1.2×(1.99+ 0.205)+ 10.007=12.641KN双中间立杆:N S2=1.2×(N GS1k+ N GS2k)+ N2=1.2×(3.6+ 0.415)+ 13.065=17.883KNN=max{N s1,N s2}=17.883KNσ= (K S×N S)/(φA) =(0.6×17883)/(0.186×489)=117.97N/mm2≤[f]=205 N/mm2满足要求!组合风荷载作用下的单立杆轴向力:单立杆的轴心压力设计值:单内立杆:N1=1.2×(N G1k+ N G2k)+ 0.9×1.4×N Q1k=1.2×(2.52+ 0.287)+0.9×1.4×4.742=9.343KN单中间立杆:N2=1.2×(N G1k+ N G2k)+ 0.9×1.4×N Q1k=1.2×(4.774+ 0.581)+0.9×1.4×4.742=12.401KNN=max{N1,N2}=12.401KNM w=0.9×1.4M wk=0.9×1.4w k l a h2/10=0.9×1.4×0.25×1.5×1.82/10=0.153 kN·mσ=N/(φA)+M w/W=12401/(0.186×489)+0.153×106/5080=166.462N/mm2≤[f]=205 N/mm2 满足要求!双立杆的轴心压力设计值:双内立杆:N S1=1.2×(N GS1k+ N GS2k)+ N1=1.2×(1.99+ 0.205)+ 9.343=11.977KN双中间立杆:N S2=1.2×(N GS1k+ N GS2k)+ N2=1.2×(3.6+ 0.415)+ 12.401=17.219KNN=max{N s1,N s2}=17.219KNM w=0.9×1.4M wk=0.9×1.4w k l a h2/10=0.9×1.4×0.25×1.5×1.82/10=0.153 kN·mσ=K S×N S/(φA)+M w/W=0.6×17219/(0.186×489)+0.153×106/5080=143.707N/mm2≤[f]=205 N/mm2满足要求!八、连墙件承载力验算lw k a长细比λ=l0/i=600/15.8=37.975,查《规范》JGJ130-2011表A.0.6得,φ=0.896(N lw+N0)/(φAc)=(5.67+2)×103/(0.896×489)=17.506N/mm2≤0.85 ×[f]=0.85×205N/mm2=174.25N/mm2满足要求!扣件抗滑承载力验算:N lw+N0=5.67+2=7.67kN≤0.8×12=9.6kN满足要求!九、立杆地基承载力验算单立杆的轴心压力设计值:单内立杆:N1=(N G1k+ N G2k)+ N Q1k=(2.52+ 0.287)+ 4.742=7.549KN单中间立杆:N2=(N G1k+ N G2k)+ N Q1k=(4.774+ 0.581)+ 4.742=10.097KN 双立杆的轴心压力设计值:双内立杆:N S1=(N GS1k+ N GS2k)+ N1=(1.99+ 0.205)+ 7.549=9.744KN双中间立杆:N S2=(N GS1k+ N GS2k)+ N2=(3.6+ 0.415)+ 10.097=14.112KN N=max{N1,N2,N s1,N s2}=14.112KN立杆底垫板平均压力P=N s/(k c A)=14.112/(0.4×0.25)=141.12kPa≤f g=160kPa 满足要求!。