吊篮脚手架验收表
- 格式:docx
- 大小:43.31 KB
- 文档页数:2
高处作业吊篮检测验收使用登记表
4.每台高处作业吊篮安全锁的检测标定报告(新出厂的安全锁自出厂之日起在12个月之内有效的出厂合格证);
5.每台高处作业吊篮的验收表
6.高处作业吊篮的安装、拆卸(包括二次移位)和日常使用专项方案和审批意见(施工高度50米及以上的建筑幕墙安装工程使用高处作业吊篮的,应有专
家论证意见和修改审批方案)
备注:本表一式六份,施工总承包单位、使用单位、监理单位、吊篮提供单位、检测单位和监督机构各留存一份。
高处作业吊篮验收表。
一、吊蓝验收表(一)施工方案(1)吊蓝应编制设计计算书及施工方案并经上级批准。
(2)施工方案必须根据工程特点,制定选用的挑梁,对挑梁与建筑结构固定和抗倾覆,要有明确的措施要求。
(3)当使用厂家生产的产品时,应有产品合格证及安装、维修、使用说明书等相关资料。
(4)吊篮平台的宽度0.8-1m,长度不宜超过6m,小于3m长度设2个吊点,大于3m设3个吊点。
(二)制作组装(1)挑梁锚固应不小于14号工字钢或承载能力大于14号工字钢的钢材,预埋件应是大于16mm的圆钢,距支点大于3m,悬挑梁挑出长度应使吊篮钢丝绳垂直地面,并在挑梁两端分别用纵向水平杆将挑梁连接成整体。
挑梁必须与建筑结构连接牢靠;当采用压重时,应确定配重的质量,并有固定措施,防止配重产生位移。
挑梁应外高里低,外侧与内侧的力矩比1:3为宜。
(2)吊蓝组装应依据设计进行。
吊监平台可采用焊接或螺栓连接,不允许使用钢管扣件连接方法组装。
吊监平台组装后,应经2倍的均布额定荷载试压(不少于4h)确认,并标明允许载重量。
(3)电动(手板)葫芦应有出厂合格证。
手动吊篮必须使用建筑吊篮专用手扳葫芦,其松卸系统必须有二次闭锁装置。
(HHS型手扳葫芦)(4)吊篮应在使用前进行荷载试验。
(三)安全装置(1)升降葫芦应设保险卡。
保险卡是在弹簧的作用下能锁定松卸手柄,其夹紧系统始终处于夹紧状态,不致因受到各种原因的外力误动作松卸手柄,防止吊篮平台在正常工作情况下发生自动下滑事故。
(2)吊篮必须装有安全锁,并在各吊篮平台悬挂处增设一根与提升钢丝绳相同型号的保险绳;(保险钢丝绳直径大于12.5mm),每根保险绳上安装建筑吊篮专用安全锁,吊篮在下滑速度大于25m/min时动作,在下滑距离100mm以内停止。
(4)当使用电动提升机时,应在吊篮平台上下两个方向装设行程限位器,对其上下运行位置、距离进行限定;配备两套独立的制动器,每套均可使带有额定荷载125%的吊篮平台停住。
(5)严禁使用有接头的钢丝绳,一组接头绳卡不少于4个,绳头应做安全弯。
吊篮安装移位检查验收表一、工程概况本项目为某高层建筑外墙施工吊篮安装移位检查验收表。
工程位于城市中心区域,建筑高度为280米,共计60层。
工程内容包括外墙保温、涂料、玻璃幕墙等施工。
为确保施工安全和提高工作效率,本项目采用电动吊篮作为施工主要设备。
二、准备工作1. 技术准备:熟悉设计图纸、施工方案及吊篮操作规程,对施工人员进行技术交底。
2. 材料准备:根据施工需求,提前采购符合国家标准的吊篮设备及其配件。
3. 人员准备:配备专业的吊篮安装、操作、维护人员,并对人员进行培训。
4. 设备准备:检查吊篮设备及其配件是否齐全,确保设备性能良好。
5. 场地准备:现场设置专门的吊篮存放、安装、拆除区域,确保施工顺利进行。
6. 安全准备:制定吊篮安装、移位、拆除等环节的安全措施,并对施工人员进行安全教育。
三、吊篮参数及组成部件1. 吊篮参数:(1)型号:ZLP-800型电动吊篮;(2)额定载重量:800kg;(3)提升速度:9-11m/min;(4)钢丝绳规格:Φ12.5mm;(5)电源:380V,50Hz。
2. 吊篮组成部件:(1)悬挂机构:包括支架、横梁、配重块等;(2)提升机构:包括电机、减速器、钢丝绳、滑轮组等;(3)控制系统:包括控制箱、遥控器、限位器等;(4)安全装置:包括安全锁、限位器、超载保护装置等;(5)工作平台:包括框架、防护网、底板等。
四、吊篮的安装、移位和拆除方案1、吊篮搭设方案(1)根据建筑物的结构特点,选择合适的悬挂点,确保吊篮的稳定性和安全性。
(2)在悬挂点处安装支架和横梁,连接牢固,确保承载能力。
(3)将吊篮的提升机构、工作平台、安全装置等部件按照说明书要求进行组装。
(4)安装配重块,保证吊篮的平衡,防止在工作过程中发生倾斜。
(5)检查吊篮的电气系统,确保电源接入正确,各控制元件动作正常。
2、吊篮的自检和互检(1)安装完成后,由安装人员进行自检,检查吊篮各部件是否安装正确、齐全,连接是否牢固。
脚手架验收记录
施工单位:
工程名称:
日期:
专职安全生产管理人员(章):
扣件式钢管落地脚手架搭设验收表
搭设前;②作业层施加荷载前;③每搭设完6~8m高度后;④达到设计高度后;
⑤遇有六级强风及以上风或大雨后,冻结地区解冻后;⑥停用超过一个月。
悬挑式钢管脚手架搭设验收表
手架搭设前;②作业层施加荷载前;③每搭设完6~8m高度后;④达到设计高度后;⑤遇有六级强风及以上风或大雨后,冻结地区解冻后;⑥停用超过一个
高处作业吊篮使用验收表
注:高处作业吊篮在施工现场初次安装或安装位置变动时使用前应进行验收
高处作业设施验收表
2、每周应进行一次高处作业设施检查验收,悬挑式物料钢平台如有位置变动时,应重新进行验收。
吊篮验收记录表填写示范吊篮验收记录表是用来记录吊篮的检查和验收情况的重要文件,填写时需要详细、准确地记录各项检查内容。
以下是一般吊篮验收记录表的填写示范,以供参考:吊篮验收记录表。
日期,_______________________。
吊篮型号,_______________________。
生产厂家,_______________________。
检查人,_______________________。
序号检查项目检查内容检查结果备注。
1 吊篮外观检查吊篮表面是否有明显损坏、变形或腐蚀□合格□不合格 _________________________。
2 吊篮结构检查吊篮结构是否完好,吊篮连接件是否牢固□合格□不合格 _________________________。
3 吊篮安全装置检查吊篮安全门、安全锁等安全装置是否齐全可靠□合格□不合格 _________________________。
4 吊篮钢丝绳检查吊篮钢丝绳是否有断裂、变形或磨损□合格□不合格 _________________________。
5 吊篮悬挂检查吊篮悬挂系统是否完好,吊篮悬挂点是否牢固□合格□不合格 _________________________。
6 吊篮操作检查吊篮操作系统是否灵活可靠□合格□不合格 _________________________。
7 吊篮标识检查吊篮标识是否清晰完整□合格□不合格 _________________________。
检查人签名,_______________________ 复核人签名,_______________________。
填写说明:1. 日期栏填写检查日期。
2. 吊篮型号和生产厂家栏填写相应信息。
3. 检查项目栏列出吊篮的各项检查内容,如外观、结构、安全装置、钢丝绳、悬挂系统、操作系统、标识等。
4. 检查内容栏填写具体的检查情况,包括发现的问题或异常情况。
5. 检查结果栏勾选“合格”或“不合格”,如有不合格情况,需在备注栏说明具体情况。
附表 1:脚手架检查验收书
工程名称:年月日
2、扣件扭力矩标准:40—50N。
m,不大于65N。
m。
实测点数在总点数的3%—5%之间。
3、合格打“√”,不合格打“×”。
附表2: 挂脚手架验收表工程名称:验收部位:日期:
附表3:悬挑脚手架验收表工程名称:验收部位:日期:
附表4:卸料平台验收表工程名称:日期:
附表5:安全设施检查验收表工程名称:结构类型:年月日
附表6:洞口与临边防护逐层检查验收表施工单位:工程名称:验收部位:
洞口与临边防护逐层检查验收表
续表
施工单位:工程名称:验收部位:
注:每次验收对缺项部分可不填写验收内容及验收意见
每次填写一式两份,该施工段主管工长一份,项目安全部一份附表7:模板工程验收表
附表8:临时用电设施检查验收表
临时用电设施检查验收表
临时用电设施检查验收表
续表2
注:每次验收对缺项部分可不填写验收内容及验收意见
每次填写一式两份,该施工段主管工长一份,项目安全部一份附表9:起重机械安装后检查验收表
附表10:物料提升机(龙门架)检查验收表
附表11:电动吊篮安装检查验收表
附表12:中小型机械设备安全技术性能验收表工程名称;使用单位:验收日期:
附表13:安全防护设施交接验收表
工程名称: 年月日。
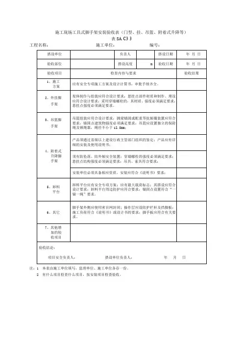
B-9-9 吊篮脚手板验收表工程名称验收部位安装日期序号验收项目验收内容验收结果1 施工方案及设计计算书有专项安全施工组织设计及设计计算书并经上级审批,针对性强,能指导施工有专项安全技术交底搭架单位及人员具有相应的资质2 架体组装挑梁锚固或配重设置及挑梁间间距、尺寸、材质应符合设计及说明书要求。
电动(手动)葫芦具有产品合格证吊篮组装符合设计要求;产品应有合格证3 安全装置吊篮必须装有安全锁且灵敏可靠,并在吊篮悬挂处增设一根安全钢丝绳两片吊篮同时升降时必须设置同步升降装置并灵敏可靠吊钩应有保险装置并完好吊篮钢丝规格应满足设计要求,保养良好,绳卡不少于3个;钢丝绳不得接长使用吊点间距,数量应符合要求提升钢丝绳必须与地面保持垂直,不得斜拉吊篮上应设超载保护装置和防倾斜装置并灵敏可靠续表C8-4序号验收项目验收内容验收结果4 脚手板脚手板采用钢、木材料制作,每块质量应不大于30kg木脚手板厚度应大于50mm,宽度应大于200mm。
有腐朽、扭曲、裂纹、破裂的不得使用钢脚手板应铺满、铺稳,有固定措施,不得有探头板5 吊篮防护吊篮外侧用密目式安全网封严作业层外侧设置1.2m和0.6m双道防护栏杆及18cm高的挡脚板,靠建筑物的里侧设置0.8m高的防护栏杆多层作业,顶部应设防护顶板,顶板与作业层脚手架距离应不小于2 m6 架体稳定吊篮在建筑物滑动时,应设导轮装置吊篮距建筑物间隙应不大于200 mm 作业时,吊篮应与建筑物拉牢7 荷载吊篮施工荷载应不超过额定荷载并均匀分布,不得过于集中堆放。
防止超载吊篮上应设置醒目的限载标志牌8 试运转经荷载试验,操纵装置,制动装置以及安全锁等装置应灵敏可靠,运转无异常,各零部件完好连接坚固验收意见:年月日项目负责人技术负责人安装负责人安全员分包单位负责人。
建筑工程深基坑工程土方开挖安全验收表
注:1.土方开挖工程验收应根据施工方案要求进行开挖后分段验收。
2.超规模危大工程应经专家验收。
高大模板支撑安全验收表
注:1.高支模工程工程分段搭设时,应根据施工方案要求进行分段验收。
2. 超规模危大工程应经专家验收。
落地式钢管扣件脚手架搭设验收表(危大工程)
注:1.落地脚手架应按搭设次数分段逐次验收。
2.超规模危大工程应经专家验收。
悬挑式脚手架验收表表7.3.4-2
注:1.悬挑脚手架应按搭设次数分段逐次验收。
2.超规模危大工程应经专家验收。
门式脚手架验收表(危大工程)表7.3.4-3
注:1.门式脚手架应按搭设次数分段逐次验收。
2.超规模危大工程应经专家验收。
悬挑式卸料平台验收表表7.3.4-4
注:l、悬挑式钢平台,每移位一次须重新验收。
落地操作平台搭设验收单表7.3.4-5
注:1.移动式操作平台面积不应超过10 m2,高度不超5 m。
建筑施工起重机械(塔式起重机)安装验收记录表
(续表)。
吊篮验收表作为一年级的小学生来说,如何能让他们在40分钟的课堂上认真地听讲,是非常重要的。
因此,培养学生良好的学习习惯是我教学工作开始的重点。
从坐直到站立,从写字到读书拿书,从保持正确的读写姿势到爱惜学习用品,都需要老师不厌其烦地说,通过一学期来的培养,我班学生基本都能养成良好的学习习惯。
在教学方面,首先汉语拼音知识是学生学习语文的基础,在开学前一个半月教学拼音的时间里,我针对学生因材施教,并经常引导学生对已学拼音知识活学活用,通过学儿歌、摘苹果游戏等形式激发学生学习的兴趣。
识字是阅读和习作的基础,也是低年级语文教学的一个重点。
所以特别注重引导学生主动识字,一年级上学期是意义识字的关键期,不仅要求对课文内容熟悉,同时加强了课外阅读。
学生在阅读实践中反复多次和汉字见面,并通过一段时间后又对多篇课文进行阅读训练,使学生逐渐认识汉字,然后以适当的方法强化刺激,达到识字的目的。
写字教学是一年级语文教学工作的难点。
学生的字写得好坏美丑,在很大程度上可以反映他的语文水平。
在课堂上引导学生学会读帖、描红,既从技能方面要求学生,又从习惯方面的要求学生。
特别是习惯方面的要求,如怎样握笔,写字姿势,这些往往容易忽略,而恰恰正是这影响了学生的写字质量的提高。
因此,在抓好学生写好字的同时,我更注重学生有良好的写字习惯。
在读书的训练上我采用了当天阅读最认真的小朋友就可以当隔天的小老师进行带读的办法,或者是小组读、合作读、擂台读等多种形式的手段来提高孩子们对课文进行多次阅读的兴趣。
课前我要求每天学生需预习课文,在学习课文的开始阶段,教师不需要过早给学生加以引导提示,让学生先行感知课文,那么这第一次的感受能训练学生的理解能力,就算有理解偏差、有错误,经过之后的共同讨论、共同订正、理解课文,都能够解决。
先学后教,体现了以学生为主体,重视学生主动参与,有利于课文的感知和学习。
课后要求不定时复习,巩固原有知识,承上启下帮助新知识的掌握。
脚手架搭建验收表一、工程概况本项目为某高层建筑施工工程,位于XX市区,占地面积约10000平方米,建筑高度为98米,共计28层。
工程结构类型为钢筋混凝土框架-剪力墙结构。
本工程的外脚手架采用落地式双排钢管脚手架,为确保施工安全和工程质量,现制定如下施工方案。
二、施工准备工作及主要材料需用量计划(一)、技术准备工作1. 组织技术人员学习国家有关脚手架施工的标准和规范,熟悉施工图纸,了解工程特点及施工要求。
2. 编制脚手架施工方案,并对施工人员进行技术交底。
3. 对脚手架施工过程中可能出现的问题进行预判,制定相应的解决方案。
4. 组织专家对脚手架施工方案进行评审,确保方案的科学性、合理性和可行性。
(二)、物资准备工作1. 根据脚手架施工方案,计算主要材料需用量,如下:(1)钢管:约300吨;(2)扣件:约50万个;(3)脚手板:约15000平方米;(4)安全网:约10000平方米;(5)其他材料:如电线、电缆、照明设备等。
2. 选择合格的供应商,确保材料的质量和供应。
3. 对采购的材料进行验收,验收合格后方可投入使用。
4. 合理安排材料进场时间,确保施工进度不受影响。
5. 妥善保管材料,防止材料损坏或丢失。
三、一般规定1. 施工前,必须对施工人员进行安全技术交底,确保施工人员熟悉脚手架施工方案及相关安全操作规程。
2. 施工过程中应严格执行国家及地方相关标准和规范,包括但不限于《建筑施工扣件式钢管脚手架安全技术规范》、《建筑施工高处作业安全技术规范》等。
3. 脚手架的搭设必须由具有相应资质的专业队伍进行,施工人员应持证上岗。
4. 脚手架搭设前,应清除搭设位置下的障碍物,并对地基进行平整、夯实,确保地基承载能力满足脚手架搭设要求。
5. 脚手架搭设过程中,应定期进行监督检查,发现问题及时整改,确保脚手架施工安全。
6. 脚手架搭设应严格按照施工方案进行,不得随意更改。
如需变更,应重新编制施工方案,并经审批后方可实施。