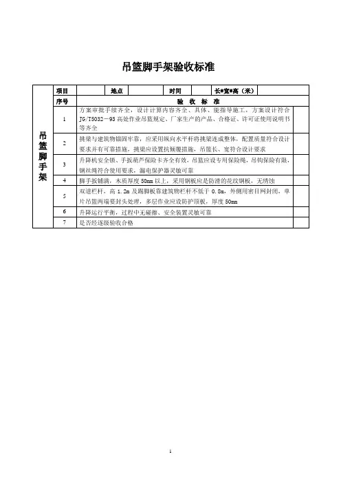
吊篮脚手架验收
- 格式:xls
- 大小:25.00 KB
- 文档页数:1
吊篮脚手架验收摘要:吊篮脚手架作为建筑施工中常用的高空作业设备,对于施工安全和质量具有重要影响。
为了保证吊篮脚手架的安全使用和工程质量,必须对其进行验收。
本文将介绍吊篮脚手架验收的重要性、验收的时间和内容,并提出一些常见的验收规范和方法,以及在验收中常见的问题和解决方法。
引言:吊篮脚手架是建筑施工中常见的高空作业平台,广泛应用于建筑外装修、玻璃幕墙安装、钢结构搭建等工程项目中。
随着吊篮脚手架在施工中的使用越来越广泛,吊篮脚手架的验收也变得十分重要。
只有通过验收,才能保证吊篮脚手架的安全性和稳定性,确保施工工程的安全和质量。
一、吊篮脚手架验收的重要性吊篮脚手架验收是对吊篮脚手架是否满足安全、稳定和质量要求的评估和检测过程。
验收是在吊篮脚手架搭设完成后进行的,通过对吊篮脚手架各项指标的检查和测量,以确定其是否符合规定的技术标准和工程要求。
吊篮脚手架验收的重要性主要有以下几点:1. 施工安全保障:吊篮脚手架的安全性直接关系到施工过程中工人的人身安全。
只有经过严格的验收,确保吊篮脚手架各项指标合格,才能保证高空作业的安全。
2. 工程质量保证:吊篮脚手架搭设的稳定性和可靠性直接影响到施工工程的质量。
通过验收能够评估吊篮脚手架的质量,及时发现和解决问题,确保施工质量达到要求。
3. 法律法规要求:根据《建设工程质量管理条例》和《建筑起重吊装机械安全监督管理规定》,吊篮脚手架必须经过合格的验收才能使用。
否则,将可能面临相关的法律责任。
二、吊篮脚手架验收的时间和内容1. 验收时间吊篮脚手架的验收时间应在其搭设完成后尽快进行,确保施工前的高空作业平台的安全和稳定。
验收时间一般应安排在24小时内,以便及时发现和解决潜在的问题。
2. 验收内容吊篮脚手架的验收内容主要包括以下几个方面:(1)吊篮脚手架搭设是否符合设计要求和施工规范。
(2)吊篮脚手架的材料质量和机械性能是否符合要求。
(3)吊篮脚手架的安全措施是否完备,如扶手、安全网等。
脚手架检查验收制度
是指对搭建脚手架工作进行检查和验收的一套规范与流程。
脚手架是建筑工程中搭建起来的临时结构,用于支撑施工人员和材料,保证工程施工的安全和有效进行。
脚手架检查验收制度的目的是确保脚手架的搭建、使用和拆除符合安全规范,确保工作现场的安全,并保障工人的生命财产安全。
脚手架检查验收制度应包括以下内容:
1. 脚手架搭建前的准备工作:包括脚手架设计方案、脚手架材料的采购和检验、搭建团队的组织和培训等。
2. 脚手架搭建过程的质量控制:包括脚手架搭建的合理性、稳固性、标志的清晰与完整性等,确保脚手架能够承受施工负荷,安全可靠。
3. 脚手架使用期间的安全管理:包括脚手架的定期检查、维护和修理,对脚手架的使用规则与操作要求的宣传和培训,以及脚手架使用过程中的安全防护。
4. 脚手架的拆除与场地清理:包括脚手架拆除的程序与要求,以及拆除后的场地清理与恢复。
脚手架检查验收制度应有明确的责任分工与流程,由专职管理人员负责制定和监督执行。
同时应制定相应的处罚措施与奖惩机制,对违反制度和规定的行为进行处理和奖励。
脚手架检查验收制度的实施不仅能够保障施工工人的生命安全,也能够提高工作效率,减少差错和事故的发生,对于工程的顺利进行具有重要的保障作用。
吊篮脚手架验收一、验收前的准备工作在进行吊篮脚手架验收之前,需要做好充分的准备工作。
首先,应熟悉吊篮脚手架的设计方案、安装说明书以及相关的安全规范和标准。
同时,要确保验收人员具备相应的专业知识和经验。
其次,准备好验收所需的工具和设备,如量具(卷尺、游标卡尺等)、力矩扳手、安全检查表等。
此外,还需检查吊篮脚手架的现场安装情况,包括场地的平整度、周围环境的安全性等。
二、吊篮脚手架的结构验收吊篮脚手架的结构是其安全性能的关键所在。
验收时,要仔细检查以下几个方面:1、吊篮框架检查吊篮框架的材质、规格是否符合设计要求,有无变形、开裂、腐蚀等缺陷。
框架的连接部位应牢固可靠,螺栓、销轴等连接件应无松动。
2、悬挂机构悬挂机构是吊篮的支撑部分,要检查其强度和稳定性。
重点查看悬挂梁的材质和尺寸,前后支架的安装位置和间距,以及配重的数量和固定情况。
3、提升机构提升机构包括电机、减速机、钢丝绳等部件。
验收时,要检查电机的工作性能,减速机的润滑情况,钢丝绳的磨损、断丝情况以及绳端固定是否牢固。
4、安全锁安全锁是吊篮的重要安全装置,必须进行严格检查。
测试安全锁的锁绳性能,确保在吊篮倾斜或超速下降时能及时锁住钢丝绳。
三、电气系统验收吊篮脚手架的电气系统也是验收的重要内容之一。
1、电气控制箱检查控制箱的外观是否完好,内部的电器元件是否齐全、安装牢固。
控制箱的接地、接零保护应符合要求,电线电缆的敷设应整齐、无破损。
2、电机及电器元件电机的绝缘性能要良好,运行时无异常声响和过热现象。
电器元件如接触器、继电器等应动作灵敏、可靠。
3、照明和警示装置吊篮上的照明设备应能正常工作,亮度满足施工要求。
同时,要有明显的警示标志和信号装置,如蜂鸣器、闪光灯等。
四、安全防护设施验收安全防护设施是保障作业人员生命安全的关键。
1、安全带和安全绳检查安全带和安全绳的质量、规格是否符合标准,有无磨损、断裂等情况。
安全带的系挂点应牢固可靠,安全绳应固定在建筑物的可靠部位。
脚手架验收标准脚手架验收标准一、引言脚手架是建造工程中用于支撑施工人员、材料和设备的暂时性结构。
为确保工程安全、质量和顺利进行,在脚手架搭设完毕后,需要进行验收以确认其符合相关标准和规定。
本文档旨在制定一个完整的脚手架验收标准,供参预验收的人员参考和执行。
二、验收人员脚手架验收应由具备相关专业知识和工作经验的人员进行。
验收人员应包括建造工程师、安全工程师和质量管理人员等,并应经过专业培训和合理筛选。
三、验收准备工作1. 验收前应对脚手架相关文件进行复查,包括设计文件、施工图纸、材料合格证明等。
2. 确保脚手架现场整洁、无障碍和安全。
对可能影响验收工作的因素要提前消除,如天气条件不佳时需采取相应措施。
四、验收内容1. 脚手架结构检查(a)检查脚手架基础的稳定性与坚固性。
(b)检查脚手架立杆、横杆、斜杆的材质和连接方式,是否符合相关规定。
(c)检查脚手架立杆和横杆的纵横间距、间隔和倾角是否符合设计要求。
(d)检查脚手架横杆与立杆、横杆与斜杆的连接是否坚固。
2. 脚手架材料检查(a)检查脚手架材料的规格、型号和批次。
(b)检查脚手架材料的外观质量,如无明显划伤、变形等。
(c)检查脚手架材料的强度和刚度,是否符合要求。
3. 安全措施检查(a)检查脚手架的安全围护、安全通道、安全网的设置是否到位。
(b)检查脚手架上是否设置了防滑措施。
(c)检查脚手架上的鹰架、吊篮等设备是否符合相关安全要求。
4. 使用规范检查(a)检查脚手架使用是否符合设计要求和使用说明书。
(b)检查脚手架使用中是否存在破损、松动、变形等情况。
(c)检查脚手架使用过程中是否存在违规行为。
五、验收结果判定根据对脚手架的检查结果,结合相关标准和规定,对脚手架的验收结果进行判定。
1. 合格:脚手架符合设计要求和相关标准,可投入使用。
2. 不合格:脚手架存在严重安全隐患或者不符合设计要求,需进行整改和调整。
3.待定:脚手架的一部份或者某些问题需要进一步评估和解决。
悬挂式脚手架验收标准悬挂式脚手架作为一种常见的高空作业设备,广泛应用于建筑、维修、装饰等行业。
为了确保悬挂式脚手架在使用过程中的安全性和稳定性,对其进行验收是至关重要的。
本文将介绍悬挂式脚手架验收的标准。
一、资质验证在悬挂式脚手架验收前,首先需要核实搭建单位的资质是否合法。
应查验搭建单位的工商营业执照、施工许可证等相关证件。
二、脚手架结构验收1. 脚手架架体结构的验收:a) 架体结构应牢固稳定,不存在明显的变形、位移等问题;b) 主管道纵梁与立杆之间的连接应牢固,连接点应使用专用的扣件,并经过正规安装;c) 横向连接件和斜撑件应齐全,并能正确安装,确保脚手架整体稳定性;d) 脚手架主体的悬挂点应均匀分布;2. 脚手架悬挂系统的验收:a) 悬挂系统的挂轮、悬挂钩等部件应完好,无损坏或地方性严重磨损;b) 悬挂系统各组件之间的连接必须牢固,无明显松动;c) 悬挂系统的限位装置应正常工作,并能有效防止悬挂器件脱离主体结构;d) 悬挂系统的吊篮应能顺畅升降,并能稳定地停留在所需高度;e) 悬挂系统的电气设备应符合相关安全要求,并能正常使用;三、工作平台验收1. 工作平台的结构验收:a) 工作平台的承重板材应完好,无裂缝、变形等问题;b) 工作平台的固定方式应牢固可靠,板材与脚手架架体之间的连接应使用合适的固定件;c) 工作平台的边缘应设置防滑防护措施,以确保工人在高空作业时的安全;2. 工作平台的附属设施验收:a) 工作平台上的护栏、安全网等安全设施应齐全,并能按照要求正确安装,有效保护工人的人身安全;b) 工作平台的进出口设备(如上下楼梯、防护门)应牢固可靠,方便工人进出,同时能防止工人意外坠落;四、安全用具验收1. 安全带和安全绳的验收:a) 安全带和安全绳应符合相关标准要求,无明显磨损、裂纹等问题;b) 安全带和安全绳应有专人负责检查、保养和更换,保证其安全可靠的使用;2. 其他安全用具的验收:a) 脚手架上的作业人员应配备安全帽、防滑鞋等个人防护用具;b) 脚手架上的灭火器、防护网等消防和防护设备应摆放在适当的位置,并保持完好。
脚手架检查与验收
标题:脚手架检查与验收
引言概述:
脚手架是建筑施工中常用的临时性工作平台,为了确保施工安全和质量,脚手架的检查与验收是非常重要的环节。
本文将详细介绍脚手架检查与验收的内容和步骤。
一、脚手架搭建前的检查
1.1 确认脚手架搭建地点是否符合要求
1.2 检查搭建脚手架所需的材料和工具是否完备
1.3 检查脚手架搭建方案和设计图纸是否符合规范要求
二、脚手架搭建过程中的检查
2.1 检查脚手架搭建的工艺流程是否符合规范
2.2 检查脚手架搭建的工人是否持证上岗
2.3 检查脚手架搭建的质量和安全措施是否到位
三、脚手架使用前的检查
3.1 检查脚手架的结构是否完整,无损坏
3.2 检查脚手架的连接件是否紧固可靠
3.3 检查脚手架的支撑和固定是否牢固稳定
四、脚手架使用过程中的检查
4.1 定期检查脚手架的使用情况,发现问题及时处理
4.2 检查脚手架的承重情况,不得超过设计要求
4.3 检查脚手架的安全设施是否完善,如扶手、护栏等
五、脚手架拆除前的验收
5.1 检查脚手架拆除前的安全措施是否到位
5.2 检查脚手架拆除过程中是否有人员受伤
5.3 对脚手架拆除后的场地进行清理和整理,确保无安全隐患
结论:
脚手架的检查与验收是保障施工安全和质量的重要环节,只有严格按照规范要求进行检查与验收,才能有效预防事故的发生,确保施工的顺利进行。
建议相关施工单位和工人严格遵守相关规定,认真履行脚手架检查与验收的责任。
吊篮脚手架验收表
吊篮脚手架验收表
一、项目名称:吊篮脚手架
二、施工单位:XXX公司
三、安装日期:20XX年XX月XX日
四、验收日期:20XX年XX月XX日
五、验收标准:
1. 吊篮脚手架的安装必须符合国家相关法律法规和行业标准。
2. 吊篮脚手架的材料、构造、安装应符合设计要求,并经过合格的检测,使用合格证明。
3. 吊篮脚手架的每个部位的承载力必须符合国家建筑行业标准和吊篮脚手架生产厂家规定的技术标准。
4. 吊篮脚手架的窗口和门必须符合国家的安全要求,并符合相关的管理规定。
5. 吊篮脚手架的固定方式必须符合国家建筑行业标准和吊篮脚手架生产厂家规定的技术标准。
6. 吊篮脚手架必须有完善的接地、防雷等因素考虑,符合相关规定。
7. 吊篮脚手架的电气设备应符合国家大厦电气安装规范。
六、验收结果:
1. 吊篮脚手架的安装符合国家相关法律法规和行业标准。
2. 吊篮脚手架的材料、构造、安装及使用合格证明都符合设计
要求。
3. 吊篮脚手架的每个部位的承载力均符合国家建筑行业标准和
吊篮脚手架生产厂家规定的技术标准。
4. 吊篮脚手架的窗口和门均符合国家安全要求,并符合相关的
管理规定。
5. 吊篮脚手架的固定方式符合国家建筑行业标准和吊篮脚手架
生产厂家规定的技术标准。
6. 吊篮脚手架有完善的接地、防雷等因素考虑,符合相关规定。
7. 吊篮脚手架的电气设备均符合国家大厦电气安装规范。
七、结论:吊篮脚手架经过验收合格,可以安全使用。