DB3301T+0277—2018重点工业企业挥发性有机物排放标准
- 格式:doc
- 大小:352.07 KB
- 文档页数:31
山东省环境保护厅关于征求《挥发性有机物排放标准第7部分:其他行业(二次征求意见稿)》意见的函文章属性•【制定机关】山东省环境保护厅•【公布日期】2018.07.09•【字号】•【施行日期】2018.07.09•【效力等级】地方规范性文件•【时效性】现行有效•【主题分类】环境保护综合规定正文山东省环境保护厅关于征求《挥发性有机物排放标准第7部分:其他行业(二次征求意见稿)》意见的函各有关单位:为加强挥发性有机物污染防治,改善大气环境质量,我厅组织编制了《挥发性有机物排放标准第7部分:其他行业》,并于2017年12月征求了有关单位意见。
根据反馈意见情况修改形成了二次征求意见稿,根据国家和我省环境保护标准制修订工作有关规定,现将标准二次征求意见稿文本印发给你们,请研究并提出修改意见,于7月12日前书面反馈我厅,无意见也请书面反馈。
联系人:王伟,吴秀超联系电话:*************,*************传真:*************通讯地址:济南市经十路3377号,邮编:250101附件:1.征求意见单位名单附件:2.挥发性有机物排放标准第7部分:其他行业(二次征求意见稿)附件:3.挥发性有机物排放标准第7部分:其他行业编制说明山东省环境保护厅2018年7月9日附件1?征求意见单位名单生态环境部标准所17市环保局济南贵和酒业有限公司济南皇冠油墨有限公司山东齐聚建材有限公司济南新惠学特种耐火材料有限公司平阴山水水泥有限公司台玻青岛玻璃有限公司青岛富源木业有限公司贝卡尔特(青岛)钢丝产品有限公司青岛啤酒股份有限公司青岛啤酒五厂青岛丛林染整有限公司青岛东方铁塔股份有限公司青岛乐途涂料有限公司青岛田庄恒源石墨有限公司淄博腾誉釉料加工厂山东金晶节能玻璃有限公司淄博宏达钢铁有限公司阳煤集团淄博齐鲁第一化肥有限公司山东前昊炭素有限公司山东沂蒙山花生油股份有限公司枣庄恒润纺织品有限公司八亿橡胶有限责任公司兖矿鲁南化肥厂山东华泰纸业股份有限公司烟台金海化工有限公司潍坊盛瑞铸造有限公司青州市欣隆钙业有限公司山东晨鸣纸业集团股份有限公司安丘市酶制剂厂济宁如意印染有限公司济宁鲁鑫油脂有限公司汶上县仓兴新型建材厂泰山玻璃纤维有限公司威海天威皮毛制品有限公司威海恒邦化工有限公司日照三木冶金矿业有限公司莱芜钢铁集团银山型钢有限公司山东千山木业有限公司山东临沂沂州水泥股份有限公司山东省舜天化工集团有限公司金正大生态工程集团股份有限公司德州元茂纺织有限公司德州精贵铸件集团有限公司阳信县兴龙皮革有限公司邹平县鲁扬炭素有限责任公司菏泽木成林板业有限公司菏泽市亚联合创人造板有限公司山东巨铭能源有限公司。
DB3301 浙江省杭州市地方标准DB 3301/T 0250—2018 锅炉大气污染物排放标准2018-11-10 发布2018 -12- 10实施前言为贯彻落实《中华人民共和国环境保护法》、《中华人民共和国标准化法》、《中华人民共和国大气污染防治法》和《杭州市大气污染防治规定》等法律法规,加强对锅炉大气污染物的排放控制,改善环境质量,保障人体健康,制定本标准。
本标准规定了杭州市辖区内锅炉大气污染物排放限值、监测和监控等要求。
本标准为首次发布,并将根据社会经济发展状况和环境保护要求适时修订。
本标准实施之日后,新制定或新修订的国家、浙江省大气污染物排放标准严于本标准限值,以及国务院环境保护主管部门或省级人民政府发布执行特别排放限值公告的,按照从严原则,根据适用范围执行相应大气污染物排放标准。
本标准附录A~附录D为规范性附录, 附录E~附录F为资料性附录。
本标准由杭州市环境保护局提出并归口。
本标准主要起草单位:杭州市环境保护科学研究院、杭州市环保产业协会本标准主要起草人:井宝莉、应巍、杨强、何校初、施明才、杨超、卢滨、唐伟、夏阳、张天、王婷。
锅炉大气污染物排放标准1 适用范围本标准规定了锅炉烟气中烟气黑度、雾滴和颗粒物、二氧化硫、三氧化硫、氮氧化物、氨、汞及其化合物等大气污染物排放控制要求,大气污染物采样与监测要求,以及实施与监督等相关规定。
本标准未涉及到的烟气中的污染物,执行国家及浙江省相应标准。
本标准适用于杭州市辖区内燃煤、燃气、燃油电厂锅炉,各种比例掺烧污泥的燃煤热电厂锅炉,燃煤、燃气、燃油、燃生物质的蒸汽锅炉、热水锅炉及有机热载体锅炉和层燃炉等锅炉的大气污染物排放管理。
使用型煤、水煤浆、煤矸石、石油焦、炭黑尾气等的锅炉,参照本标准中燃煤锅炉排放控制要求执行。
燃油、燃气的溴化锂机组,参照本标准中相应燃油、燃气锅炉排放控制要求执行。
本标准不适用于以垃圾、危险废物为燃料的锅炉(焚烧炉)。
本标准适用于杭州市辖区内现有锅炉大气污染物的排放管理,以及新建、改建、扩建项目的锅炉环境影响评价、环境保护设施设计、竣工环境保护验收及其投产后的大气污染物排放管理。
工业企业挥发性有机物排放标准(征求意见稿)编制说明《工业企业挥发性有机物排放标准》编制组2015 年9 月目录1. 项目背景 (1)1.1 任务来源 (1)1.2 工作过程 (1)2. 重点VOCs排放工业概况 (2)2.1河北省VOCs排放调查及排放量核算 (2)2.2河北省各重点行业概况 (3)3.标准制订必要性 (10)3.1 VOCs对大气环境质量的主要影响 (10)3.2 环保主管部门的相关要求 (11)3.3 现行相关标准存在的主要问题 (12)3.3.1 综合性排放标准 (12)3.3.2 行业性排放标准 (12)3.3.2 现行相关标准的主要问题 (14)4总体思路、编制原则和技术路线 (15)4.1 总体思路 (15)4.2 编制原则 (15)4.3 技术路线 (15)5重点行业产排污情况及污染防治技术分析 (18)5.1 行业主要生产工艺及产污分析 (18)5.1.1制药工业 (18)5.1.2石油炼制工业 (22)5.1.3石油化学工业 (26)5.1.4有机化工行业 (28)5.1.5炼焦工业 (36)5.1.6钢铁冶炼及压延工业 (38)5.1.7木材加工行业 (39)5.1.8家具制造 (42)5.1.9交通运输设备制造行业 (43)5.1.10表面涂装 (47)5.1.11印刷行业 (49)5.2 挥发性有机废气治理技术 (51)5.2.1末端治理技术 (51)5.2.2无组织控制技术 (57)6.标准主要技术内容 (60)6.1 标准适用范围 (60)6.2 标准结构框架 (60)6.3 术语与定义 (60)6.4 污染物项目的选择 (60)6.5 排气筒污染物排放限值的确定及相关标准限值 (62)6.5.1 医药制造工业 (63)6.5.2 石油炼制工业 (63)6.5.3 石油化学工业 (64)6.5.4 有机化工 (65)6.5.5 炼焦工业 (65)6.5.6 钢铁冶炼及压延工业 (66)6.5.7 木材加工业 (66)6.5.8 家具制造业 (67)6.5.9 交通运输设备制造业 (67)6.5.10 表面涂装业 (68)6.5.11 印刷行业 (68)6.5.12 其他行业 (69)6.6 无组织监控点浓度限值的确定 (69)7.与国家标准的比较 (72)8.达标的技术经济可行性分析 (78)8.1 技术可行性分析 (78)8.2 经济可行性分析 (78)8.3 社会和环境效益 (79)1. 项目背景1.1 任务来源根据国务院颁布的《大气污染防治行动计划》及河北省政府颁布的《大气污染防治行动计划实施方案》,挥发性有机物(VOCs)的治理已成为环境保护的重点工作。
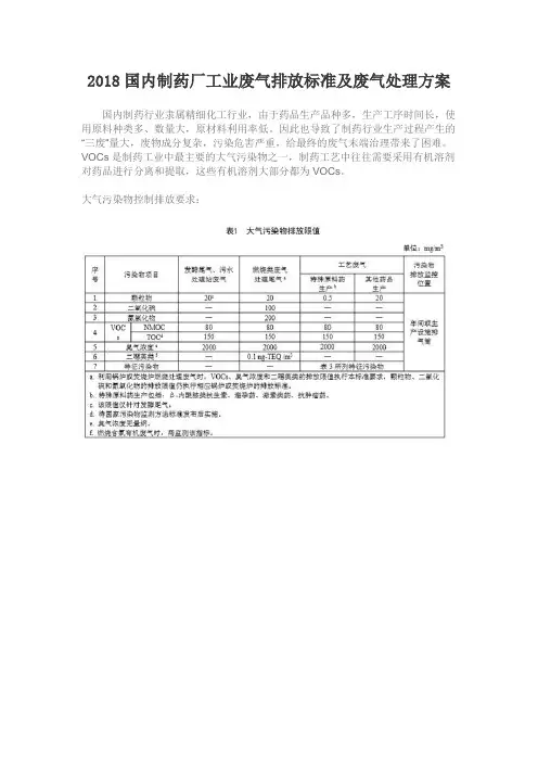
2018国内制药厂工业废气排放标准及废气处理方案国内制药行业隶属精细化工行业,由于药品生产品种多,生产工序时间长,使用原料种类多、数量大,原材料利用率低。
因此也导致了制药行业生产过程产生的“三废”量大,废物成分复杂,污染危害严重,给最终的废气末端治理带来了困难。
VOCs是制药工业中最主要的大气污染物之一,制药工艺中往往需要采用有机溶剂对药品进行分离和提取,这些有机溶剂大部分都为VOCs。
大气污染物控制排放要求:近年来,为了适应制药工业污染物排放管理的需要,上海、浙江、河北、天津等地针对制药或包括制药在内的化工行业制定了地方污染物排放标准,现将标准的控制污染物项目和排放限值详见下汇总表:制药厂工业废气治理方案的几个基本要素:根据废气成分(是否含有水分、固态物、油状物,及处理难易程度)、浓度(高、低)、排放形式(连续或间歇排放)选择处理方案。
以下情况适合选择等高温离子焚烧处理方案:有机物含量较高、成分复杂、易燃易爆(丁二烯等)、较难分解物质如二硫化碳,含有颗粒物、油状物、连续大剂量排放的工业废气。
如凹版印刷、胶板印刷、涂装、化学合成、石油化工、香精、香料等行业。
加装二级玻纤过滤装置:废气处理设备进气口加装二级玻纤过滤装置,控制粉尘排放。
高温等离子焚烧技术:高温等离子焚烧技术是高频(30KHz)高压(10万伏)大功率电源在特定条件下的聚能放电。
工业废气在反应器中由常温急剧上升至3千度高温,在高温、高电势的双重作用下,有机污染成分(VOCs)瞬间被电离并完全裂解。
经高温等离子焚烧处理,工业废气中有机物(VOCs)裂解成为碳、二氧化碳、水蒸气等单质物质。
工艺流程示意图:高温等离子焚烧处理设备特点:强大的功率和专业的设计使工业废气瞬间成为3千多度的高温等离子体,有害物质清除率大于98%,符合国家指定排放标准。
不锈钢一体化结构,耐腐蚀;安全可靠,维护方便。
智能化远程控制,无需专职人员值守。
传统的RTO技术:传统的天燃气焚烧方式处理工业废气,消耗大量天然气、氧气,排放一氧化碳、二氧化碳等有害气体,能效比低,适用面窄。
2018大气污染物综合排放标准大全前言根据《中华人民共和国大气污染防治法》第七务的规定,制定本标准。
本标准在原有《工业“三废”排放试行标准》(GBJ4-73)废气部分和有关其它行业性国家大气污染物排放标准的基础上制定。
本标准在技术内容上与原有各标准有一定的继承关系,亦有相当大的修改和变化。
本标准规定了33种大气污染物的排放限值,其指标体系为最高允许排放浓度、最高允许排放速率和无组织排放监控浓度限值。
国家在控制大气污染物排放方面,除本标准为综合性排放标准外,还有若干行业性排放标准共同存在,即除若干行业执行各自的行业性国家大气污染物排放标准外,其余均执行本标准。
下列各标准的废气部分由本标准取代,自本标准实施之日起,下列各标准的废气部分即行废除。
•GBJ4-73 工业“三废”排放试行标准•GB3548-83 合成洗涤剂工业污染物排放标准•GB4276-84 火炸药工业硫酸浓缩污染物排放标准•GB4277-84 雷汞工业污染物排放标准•GB4282-84 硫酸工业污染物排放标准•GB4286-84 船舶工业污染物排放标准•GB4911-85 钢铁工业污染物排放标准•GB4912-85 轻金属工业污染物排放标准•GB4913-85 重有色金属工业污染物排放标准•GB4916-85 沥青工业污染物排放标准•GB4917-85 普钙工业污染物排放标准本标准的附录A、附录B、附录C都是标准的附录。
本标准由国家环境保护局科技标准司提出。
本标准由国家环境保护局负责解释。
1 主题内容与适用范围1.1 主题内容本标准规定了33种大气污染物的排放限值,同时规定了标准执行中的各种要求。
1.2 适用范围1.2.1 在我国现有的国家大气污染物排放标准体系中,按照综合性排放标准与行业性排放标准不交叉执行的原则,锅炉执行GB13271-91《锅炉大气污染物排放标准》、工业炉窑执行GB9078-1996《工业炉窑大气污染物排放标准》、火电厂执行GB13223-1996《火电厂大气污染物排放标准》、炼焦炉执行GB16171-1996《炼焦炉大气污染物排放标准》、水泥厂执行GB4915-1996《水泥厂大气污染物排放标准》、恶臭物质排放执行GB14554-93《恶臭污染物排放标准》、汽车排放执行GB14761.1~14761.7-93《汽车大气污染物排放标准》、摩托车排气执行GB 14621-93《摩托车排气污染物排放标准》,其它大气污染物排放均执行本标准。
国内外VOCs表征和监测方法的区别一、国外表征和监测方法国外主要以TOC来表征VOCs,通过分析方法的不同而赋予TOC不同的内涵。
美国的分析方法最为完整,有“方法18”“方法25”“方法25A”“方法25B”等。
其中,“方法18”是通过气相色谱将混合气体中主要有机物分离后,采用氢火焰离子化(FID)、光离子化检测器(PID)、电子捕获(ECD)、电导检测器(ELCD)或者其他检测器逐一定量并加和后的总有机化合物,在正式分析前需要预调查和预采样分析,当出现不确定的色谱峰时,推荐采用GC-MS法加以鉴别,主要应用于工业污染源排放VOCs的种类鉴定和浓度测定。
“方法25”测定的是非甲烷气态有机化合物(TGNMO),可以半连续自动检测,通过色谱分离柱(碳分子筛填充柱)使CO、CO2和CH4从非甲烷有机物(NMO)中分离出来,然后将NMO氧化为CO2,再还原为CH4,由FID检测器定量测得TOC浓度。
由于“方法25”将所有的NMO都氧化为CO2,因此几乎测定了所有的有机物,这与国内NMHC的测定方法明显不同。
美国的“方法25A”主要用于在线监测,是采用废气直接进入FID检测器的方法,而且不再扣除甲烷,与中国台湾地区总碳氢化合物(THC)的分析方法相似;同时,“方法25B”也可用于在线监测,采用的检测器是非分散红外检测器(NDIR),而不是FID。
日本颁布了《揮発性有機化合物濃度の測定法》,给出了VOCs的分析测试方法。
由于通常使用的VOCs是各种成分的混合物,因此日本不单独测定某种具体物质的浓度,而是使用TVOC值,即换算成每立方米废气中的碳含量,采用FID或者非分散红外法测定。
TVOC浓度的计算方法与美国的“方法25A”和“方法25B”比较一致,但具体浓度计算方法却有很大的不同。
欧盟通过《EN 12619:2013固定源排放-总气态有机态质量浓度测定连续氢火焰离子化检测器方法》整合了EN 12619—1999和EN 13526—2002两个方法标准,以TVOC表示,但此处的TVOC为总挥发性有机碳(total volatile organic carbon),与生态环境部发布的GB 37822—2019《挥发性有机物无组织排放控制标准》等提出的TVOC 以质量浓度直接加和方法的内涵明显不同;该方法使用FID直接测定挥发性有机物组分(以碳计),同时给出了基于氧含量、水含量折算的公式。
2018年重点地区环境空气挥发性有机物监测方案
日前,环保部印发《2018年重点地区环境空气挥发性有机物监测方案》。
案对于VOCS监测的城市、监测项目、时间频次及操作规程等做了规定。
全文如下:
关于印发《2018年重点地区环境空气挥发性有机物监测方案》的通知。
北京、天津、上海、重庆、河北、山西、辽宁、江苏、浙江、山东、河南、湖北、广东、四川、陕西省(市)环境保护厅:为积极推进环境空气挥发性有机物监测体系和能力建设,提升臭氧等大气污染防治工作的科学化、精细化水平,根据《“十三五”挥发性有机物污染防治工作方案》,我部制定了《2018年重点地区环境空气挥发性有机物监测方案》。
现印发给你们,请抓好落实,按时推进各项工作,及时报送监测结果。
2018新版大气污染物综合全套排放标准前言根据《中华人民共和国大气污染防治法》第七务的规定,制定本标准。
本标准在原有《工业“三废”排放试行标准》(GBJ4-73)废气部分和有关其它行业性国家大气污染物排放标准的基础上制定。
本标准在技术内容上与原有各标准有一定的继承关系,亦有相当大的修改和变化。
本标准规定了33种大气污染物的排放限值,其指标体系为最高允许排放浓度、最高允许排放速率和无组织排放监控浓度限值。
国家在控制大气污染物排放方面,除本标准为综合性排放标准外,还有若干行业性排放标准共同存在,即除若干行业执行各自的行业性国家大气污染物排放标准外,其余均执行本标准。
下列各标准的废气部分由本标准取代,自本标准实施之日起,下列各标准的废气部分即行废除。
•GBJ4-73 工业“三废”排放试行标准•GB3548-83 合成洗涤剂工业污染物排放标准•GB4276-84 火炸药工业硫酸浓缩污染物排放标准•GB4277-84 雷汞工业污染物排放标准•GB4282-84 硫酸工业污染物排放标准•GB4286-84 船舶工业污染物排放标准•GB4911-85 钢铁工业污染物排放标准•GB4912-85 轻金属工业污染物排放标准•GB4913-85 重有色金属工业污染物排放标准•GB4916-85 沥青工业污染物排放标准•GB4917-85 普钙工业污染物排放标准本标准的附录A、附录B、附录C都是标准的附录。
本标准由国家环境保护局科技标准司提出。
本标准由国家环境保护局负责解释。
1 主题内容与适用范围1.1 主题内容本标准规定了33种大气污染物的排放限值,同时规定了标准执行中的各种要求。
1.2 适用范围1.2.1 在我国现有的国家大气污染物排放标准体系中,按照综合性排放标准与行业性排放标准不交叉执行的原则,锅炉执行GB13271-91《锅炉大气污染物排放标准》、工业炉窑执行GB9078-1996《工业炉窑大气污染物排放标准》、火电厂执行GB13223-1996《火电厂大气污染物排放标准》、炼焦炉执行GB16171-1996《炼焦炉大气污染物排放标准》、水泥厂执行GB4915-1996《水泥厂大气污染物排放标准》、恶臭物质排放执行GB14554-93《恶臭污染物排放标准》、汽车排放执行GB14761.1~14761.7-93《汽车大气污染物排放标准》、摩托车排气执行GB 14621-93《摩托车排气污染物排放标准》,其它大气污染物排放均执行本标准。
地方喷涂废气排放标准
地方喷涂废气排放标准根据不同的地方而异。
在中国,国家排放标准与地方排放标准有所不同。
国家排放标准由环保部制定,而地方排放标准由省、自治区、直辖市人民政府制定。
例如,浙江省有《工业涂装工序大气污染物排放标准》(DB33/ 2146-2018),福建省有《工业涂装工序挥发性有机物排放标准》(DB35_ 1783-2018),巩义市有《工业涂装工序挥发性有机物排放标准》(DB41 1951—2020),江苏省有《表面涂装(家具制造业)挥发性有机物排放标准》(DB323152-2016),辽宁省有《工业涂装工序挥发性有机物排放标准》(DB21/3160-2019),山东省有《挥发性有机物排放标准第5部分:表面涂装行业》(DB372801.52018),河南省有《工业涂装工序挥发性有机物污染防治技术规范》(DB41T 1946-2020 ),重庆市有《汽车整车制造表面涂装大气污染物排放标准》(DB 50577-2015)、《摩托车及汽车配件制造表面涂装大气污染物排放标准》(DB_50_6602016)。
请注意,具体的排放标准可能因地区和行业而异。
如果您需要了解特定地区的喷涂废气排放标准,建议您查询当地的环保部门或相关机构,以获取准确的信息。
DB3301 浙江省杭州市地方标准DB 3301/T 0277—2018 重点工业企业挥发性有机物排放标准2018-12-30发布2019-01-30实施目次前言............................................................................................................................ 错误!未定义书签。
1 范围 (3)2 规范性引用文件 (3)3 术语和定义 (4)4 污染物排放控制要求 (6)5 监测要求 (8)6 实施与监督 (10)附录 A (规范性附录)挥发性有机物的采样方法 (11)附录 B (规范性附录)便携式仪器法测量挥发性有机物的方法 (14)附录 C (规范性附录)固定污染源挥发性有机物自动监控系统技术要求 (20)附录 D (规范性附录)金属滤筒吸收和红外分光光度法测定纺丝油烟的采样及分析方法 (26)前言为贯彻《中华人民共和国环境保护法》《中华人民共和国大气污染防治法》《浙江省大气污染防治条例》《杭州市大气污染防治规定》《杭州市生态文明建设促进条例》等法律和法规,防治污染,保障人体健康,改善环境质量,加强杭州市印刷、工业涂装、化学纤维制造等行业大气污染物的排放控制,促进行业生产工艺和污染治理技术的进步,结合杭州市的实际情况和特点,制定本标准。
本标准规定了印刷、工业涂装、化学纤维制造等行业挥发性有机物及臭气浓度的排放控制要求、监测和监督要求。
本标准颁布实施后,国家和浙江省发布的相应行业型污染物排放标准中涉上述行业污染控制要求的,当其严于本标准或本标准未作规定的污染物项目时,执行国家和浙江省行业型排放标准的相关规定。
环境影响评价文件或排污许可证要求严于本标准时,按照批复的环境影响评价文件或排污许可证执行。
新建污染源自本标准实施之日起,现有污染源自2020年1月1日起执行本标准。
本标准为首次发布,并将根据社会经济发展状况和环境保护要求适时修订。
本标准附录A~附录D为规范性附录。
本标准由杭州市环境保护局提出并归口。
本标准起草单位:杭州市环境保护科学研究院、杭州市环保产业协会。
本标准起草人:杨强、应巍、唐伟、夏阳、卢滨、何校初、井宝莉、杨超、张奇漪、施明才、陈超、沈小东、沈鸿海。
重点工业企业挥发性有机物排放标准1 范围本标准规定了印刷、工业涂装、化学纤维制造等行业挥发性有机物及臭气浓度排放控制、管理、监测和监督要求。
汽车、船舶、飞机等维修行业参照本标准中工业涂装的相关规定执行。
本标准适用于现有和新建污染源废气中挥发性有机物和臭气浓度的排放管理,以及建设项目的环境影响评价、环境保护设施设计、竣工环境保护验收、排污许可管理及其投产后挥发性有机物和臭气浓度的排放管理。
2 规范性引用文件下列文件对于本文件的应用是必不可少的。
凡是注日期的引用文件,仅所注日期的版本适用于本文件。
凡是不注日期的引用文件,其最新版本(包括所有的修改单)适用于本文件。
GB 3836.1 爆炸性气体环境用电气设备第1部分:通用要求GB 4053 固定式钢梯及平台安全要求GB 4208 外壳防护等级GB/T 8170 数值修约规则与极限数值的表示和判定GB/T 14675 空气质量恶臭的测定三点比较式臭袋法GB/T 16157 固定污染源排气中颗粒物测定与气态污染物采样方法GB 50057 建筑物防雷设计规范HJ 38 固定污染源废气总烃、甲烷和非甲烷总烃的测定气相色谱法HJ 75 固定污染源烟气(SO2、NOX、颗粒物)排放连续监测技术规范HJ 194 环境空气质量手工监测技术规范HJ 212 污染物在线自动监控(监测)系统数据传输标准HJ/T 55 大气污染物无组织排放监测技术导则HJ/T 373 固定污染源监测质量保证与质量控制技术规范(试行)HJ/T 386 环境保护产品技术要求工业废气吸附净化装置HJ/T 388 环境保护产品技术要求湿法漆雾过滤净化装置HJ/T 389 环境保护产品技术要求工业有机废气催化净化装置HJ/T 397 固定源废气监测技术规范HJ 604 环境空气总烃、甲烷和非甲烷总烃的测定直接进样-气相色谱法HJ 691 环境空气半挥发性有机物采样技术导则HJ 732 固定污染源废气挥发性有机物的采样气袋法HJ 734 固定污染源废气挥发性有机物的测定固相吸附-热脱附/气相色谱-质谱法HJ 759 环境空气挥发性有机物的测定罐采样/气相色谱-质谱法HJ 819 排污单位自行监测技术指南总则HJ 905 恶臭污染环境监测技术规范HJ 944 排污单位环境管理台账及排污许可证执行报告技术规范总则(试行)HJ 2000 大气污染治理工程技术导则HJ 2026 吸附法工业有机废气治理工程技术规范HJ 2027 催化燃烧法工业有机废气治理工程技术规范DB 33/2046 制鞋工业大气污染物排放标准DB 33/2146 工业涂装工序大气污染物排放标准《杭州市生态文明建设促进条例》《污染源自动监控管理办法》(国家环境保护总局令第28号)《国控重点污染源自动监控能力建设项目污染源监控现场端建设规范》(暂行)《浙江省工业企业挥发性有机物泄漏检测与修复(LDAR)技术要求》3 术语和定义下列术语和定义适用于本标准。
3.1印刷使用印版或其他方式将原稿上的图文信息转移到承印物上的工艺过程,包括出版物印刷、包装装潢印刷、其他印刷品印刷和排版、制版、印后加工四大类。
3.2工业涂装工业生产中涂料调配、表面处理(脱脂、除旧漆等)、涂覆(含底涂、中涂、面涂、清漆)、流平、干燥/固化等环节的生产工序。
3.3化学纤维制造用天然高分子化合物或人工合成的高分子化合物为原料,经过制备纺丝原液、纺丝和后处理等工序制得具有纺织性能纤维的过程。
3.4其他行业除印刷、工业涂装、化学纤维制造行业外其他产生、排放挥发性有机物的行业。
3.5污染源排放大气污染物的设施或建(构)筑物。
3.6现有污染源本标准实施之日前已建成投产或环境影响评价文件已通过审批或备案的污染源,按现有污染源管理。
以下简称现有污染源。
3.7新建污染源自本标准实施之日起环境影响评价文件通过审批或备案的新建、改建和扩建污染源。
以下简称新建污染源。
3.8挥发性有机物参与大气光化学反应的有机化合物,或者根据规定的方法测量或核算确定的有机化合物,简称VOCs。
在表征挥发性有机物(VOCs)总体排放情况时,根据行业特征和环境管理要求,可采用总烃(以THC表示)、非甲烷总烃(以NMHC表示)作为污染物控制项目。
3.9总烃指在本标准规定的测定条件下,在氢火焰离子化检测器或催化氧化-非分散红外吸收法上有响应的气态有机化合物的总和,以碳计。
3.10非甲烷总烃指在本标准规定的测定条件下,从总烃中扣除甲烷以后其他气态有机化合物的总和,以碳计。
3.11乙酸酯类指乙酸甲酯、乙酸乙酯、乙酸丙酯和乙酸丁酯浓度的算术之和。
3.12纺丝油烟化学纤维制造油剂在纺丝、拉伸、加弹等过程中挥发的油性物质。
3.13臭气浓度用无臭空气对臭气样品连续稀释至嗅辨员阈值时的稀释倍数,单位为无量纲。
3.14排气筒高度自排气筒(或其主体建筑构造)所在的地平面至排气筒出口计的高度,单位为m。
3.15最高允许排放浓度排气筒中大气污染物任何一小时浓度平均值不得超过的限值,单位为mg/m3。
3.16无组织排放大气污染物不经过排气筒或烟囱的无规则排放,包括开放式作业场所逸散,以及通过缝隙、通风口、敞开门窗和类似开口(孔)的排放等。
3.17厂区内大气污染物监控点指为判别厂界内车间或生产装置外大气污染物是否超过本标准而设立的监控点。
一般设立在车间门窗、生产装置及未经处理车间排风口(含车间顶部排风口)外1m处。
3.18厂区内大气污染物监控点浓度限值指标准状态下厂区内大气污染物监控点的大气污染物浓度任何1h内最大值不得超过的限值,单位为mg/m3。
3.19密闭排气系统将工艺设备、车间排出或逸散出的大气污染物,捕集并输送至污染控制设备或排放管道,使输送的气体不直接与大气接触的系统。
3.20污染物控制设施用于减少污染物向空气中排放的除尘设备、燃烧装置、吸收装置、吸附装置、冷凝装置、生物处理设施、催化处理设施或者其他有效的污染物控制设施。
3.21污染物控制设施总去除效率指污染物控制设施处理污染物的排放量与处理前污染物的量之比,可通过同时测定处理前后废气中污染物的排放浓度和排气量,以被去除的污染物与处理之前的污染物的质量百分比计,具体见式(1):%100Q Q -Q P ⨯⨯⨯⨯=∑∑∑)()()(前前后后前前C C C (1)式中:P ——污染物控制设施的总去除效率,%;C 前——进入污染物控制设施前的污染物浓度,mg/m 3; Q 前——进入污染物控制设施前的排气量,m 3/h ;C 后——经最终处理后排入环境空气的污染物浓度,mg/m 3; Q 后——经最终处理后排入环境空气的排气量,m 3/h ;当污染物控制设施为多级串联处理工艺时,处理效率为多级处理的总效率,即以第一级进口为“处理前”、最后一级出口为“处理后”进行计算;当污染物控制设施处理多个来源的废气时,应以各来源废气的污染物总量为“处理前”,以污染控制设施总出口为“处理后”进行计算;当污染物控制设施有多个排放出口,则以各排放口的污染物总量为“处理后”。
4 污染物排放控制要求 4.1 有组织排放限值新建污染源自本标准实施之日起,现有污染源自2020年1月1日起,执行表1、表2规定的大气污染物排放限值和最低去除效率要求。
表1 大气污染物排气筒污染物排放限值表2 大气污染物排气筒臭气浓度排放控制限值挥发性有机物废气和其他废气混合排放或混合处理后排放,须按公式(2)将排气筒实测浓度换算为基准排放浓度,并以基准排放浓度作为判定排放是否达标的依据。
=C Q C Q C Q 排放排放混合混合基准基准(2)式中:C 基准——进入污染物控制设施前的总烃浓度,mg/m 3;Q 基准——进入污染物控制设施前的总烃的排气量,m 3/h ;C 混合——进入污染物控制设施前的其他废气的污染物浓度,mg/m 3; Q 混合——进入污染物控制设施前的其他废气的排气量,m 3/h ; C 排放——经最终处理后排入环境空气的污染物浓度,mg/m 3; Q 排放——经最终处理后排入环境空气的排气量,m 3/h ; 当挥发性有机物废气为多路时,计算的基准浓度为多路混合的浓度;当进入污染物控制设施前的其他废气有多个来源的废气时,应以各来源废气的污染物总量进行计算。
当适用不同大气污染物排放标准的污染物合并排气筒排放时,排放标准适用最严格的类别。
4.2 厂区内及厂界大气污染物监控点浓度限值新建污染源自本标准实施之日起,现有污染源自2020年1月1日起,执行表3中厂区内大气污染物监控点浓度限值。