热处理硬度检测标准
- 格式:docx
- 大小:24.33 KB
- 文档页数:2
热处理检验方法和规范金属零件的内在质量主要取决于材料和热处理。
因热处理为特种工艺所赋予产品的质量特性往往又室补直观的内在质量,属于“内科”范畴,往往需要通过特殊的仪器(如:各种硬度计、金相显微镜、各种力学性能机)进行检测。
在GB/T19000-ISO9000系列标准中,要求对机械产品零部件在整个热处理过程中一切影响因素实施全面控制,反映原材料及热处理过程控制,质量检验及热处理作业条件(包括生产与检验设备、技术、管理、操作人员素质及管理水平)等各方面均要求控制,才能确保热处理质量。
一、硬度检验:通常是根据金属零件工作时所承受的载荷,计算出金属零件上的应力分布,考虑安全系数,提出对材料的强度要求,以强度要求,以强度与硬度的对应关系,确定零件热处理后应具有大硬度值。
为此,硬度时金属零件热处理最重要的质量检验指标,不少零件还时唯一的技术要求。
1、常用硬度检验方法的标准如下:GB230 -2002 金属洛氏硬度试验方法(合并了GB1818 金属表面洛氏硬度试验方法)GB231-2002 金属布氏硬度试验方法GB4340-2000 金属维氏硬度试验方法(合并了GB4342 金属显微维氏硬度试验方法 GB5030 金属小负荷维氏试验方法)2、待检件选取与检验原则如下:为保证零件热处理后达到其图纸技术(或工艺)要求,待检件选取应有代表性,通常从热处理后的零件中选取,能反映零件的工作部位或零件的工作部位硬度的其他部位,对每一个待检件的正式试验点数一般应不少于3个点。
通常连续式加热炉(如网带炉):应在连续生产的网带淬火入回火炉前、回火后入料框前的网带上抽检3-5件/时。
且及时作检验记录。
同时,若发现硬度超差,应及时作检验记录。
同时,若发现硬度越差,应及时进行工艺参数调整,且将前1小时段的零件进行隔离处理(如返工、检)。
通常周期式加热炉(如井式炉、箱式炉):应在淬火后、回火后均从料框的上、中、下部位抽检6-9件/炉,且及时作检验记录。
钢材热处理硬度标准
一、低碳钢
低碳钢是指碳含量较低的钢材,其热处理硬度标准通常在HRC (Rockwe11硬度)标度下进行评估。
以下是低碳钢热处理硬度标准的一般范围:
1.软态(软退火):HRC20-30
2.中态(退火):HRC30-45
3.硬态(正火):HRC45-60
4.过热(淬火):HRC60-75
5.回火:根据回火温度的不同,硬度会有所变化,回火温度越高,硬度越低。
二、中碳钢
中碳钢是指碳含量适中的钢材,其热处理硬度标准范围较广。
以下是中碳钢热处理硬度标准的一般范围:
1.软态(软退火):HRC20-30
2.中态(退火):HRC30-45
3.硬态(正火):HRC45-65
4.过热(淬火):HRC65-80
5.回火:根据回火温度的不同,硬度会有所变化,回火温度越高,硬度越低。
三、高碳钢
高碳钢是指碳含量较高的钢材,其热处理硬度标准通常在HRC标
度下进行评估。
以下是高碳钢热处理硬度标准的一般范围:
1.软态(软退火):HRC20-30
2.中态(退火):HRC30-45
3.硬态(正火):HRC45-70
4.过热(淬火):HRC70-85
5.回火:根据回火温度的不同,硬度会有所变化,回火温度越高,硬度越低。
需要注意的是,具体的热处理硬度标准可能会因不同的钢材类型、制造工艺和应用要求而有所差异。
在实际操作中,应根据具体的钢材类型和制造要求来确定热处理工艺和硬度标准。
热处理工件硬度检测方法表面热处理分为两大类, 一类是表面淬火回火热处理, 另一类是化学热处理, 其硬度检验方法以下:1、表面淬火回火热处理表面淬火回火热处理通常见感应加热或火焰加热方法进行。
关键技术参数是表面硬度、局部硬度和有效硬化层深度。
硬度检测可采取维氏硬度计, 也可采取洛氏或表面洛氏硬度计。
试验力(标尺)选择与有效硬化层深度和工件表面硬度相关。
维氏硬度计、表面洛氏硬度计和洛氏硬度计试验选择可参考表1、表2和表3。
表1 维氏试验力选择表2 表面洛氏硬度标尺选择表3洛氏硬度标尺选择表1~表3分别是采取维氏硬度计、表面洛氏硬度计和洛氏硬度计时, 对应于不一样热处理工件表面硬化层深度和热处理工件表面硬度值维氏硬度试验力和洛氏、表面洛氏硬度标尺选择表。
由表1~表3可知:1.1维氏硬度计是测试热处理工件表面硬度关键手段, 它可选择0.5~100kg试验力, 测试薄至0.05mm厚表面硬化层, 它精度是最高, 可分辨出热处理工件表面硬度微小差异。
另外, 有效硬化层浓度也要由维氏硬度计来检测, 所以, 对于进行表面热处理加工或大量使用表面热处理工件单位, 配置一台维氏硬度计是有必需。
1.2表面洛氏硬度计也是十分适于测试表面淬火工件硬度, 表面洛氏硬度计有三种标尺能够选择。
能够测试有效硬化深度超出0.1mm多种表面硬化工件。
尽管表面洛氏硬度计精度没有维氏硬度计高, 不过作为热处理工厂质量管理和合格检验检测手段, 已经能够满足要求。
况且它还含有操作简单、使用方便、价格较低, 测量快速、可直接读取硬度值等特点, 利用表面洛氏硬度计可对成批表面热处理工件进行快速无损逐件检测。
这一点对于金属加工和机械制造工厂含相关键意义。
1.3当表面热处理硬化层较厚时, 也可采取洛氏硬度计。
当热处理硬化层厚度在0.4~0.8mm时, 可采取HRA标尺, 当硬化层厚度超出0.8mm时, 可采取HRC标尺。
1.4维氏、洛氏和表面洛氏三种硬度值能够方便地进行相交换算, 转换成标准、图纸或用户需要硬度值。
7075一t6热处理硬度标准一、硬度标准的定义热处理是通过控制材料的加热和冷却过程,改变其微观结构,从而改变其性能的过程。
在7075一t6铝合金热处理硬度标准中,硬度是一个重要的参数,它反映了材料的抗压能力和耐磨性。
硬度标准通常通过硬度试验来进行检测和表征。
二、7075一t6铝合金的概述7075一t6铝合金是一种强度高、耐腐蚀性好的铝合金材料,广泛应用于航空航天、航空航天和国防等领域。
在其生产过程中,热处理是不可或缺的步骤,可以显著改善材料的性能和使用寿命。
三、7075一t6热处理硬度标准的参数1. 硬度测试方法:7075一t6铝合金的硬度通常通过巴氏硬度测试和洛氏硬度测试来进行测定。
这两种测试方法分别采用不同的硬度计进行测试,得到的结果有一定的差异,但都能反映出7075一t6铝合金的硬度水平。
2. 热处理工艺:7075一t6铝合金的热处理工艺包括固溶处理和人工时效处理。
固溶处理是将材料加热到固溶温度保持一定时间后,快速冷却至室温,以消除合金元素的析出和析出硬化作用。
人工时效处理则是在固溶处理后,将材料再次加热到一定温度保持一定时间后冷却,以增强材料的硬度和抗拉强度。
3. 热处理硬度标准:根据不同的热处理工艺参数,7075一t6铝合金的硬度标准也会有所不同。
通常来说,经过固溶处理和人工时效处理后,材料的硬度应满足特定的硬度值要求,以确保其在实际使用中具有良好的性能和可靠性。
四、7075一t6热处理硬度标准的应用7075一t6铝合金热处理硬度标准的确定对于保证其材料的性能和可靠性起着至关重要的作用。
合理的热处理工艺参数和严格的硬度标准可以有效地控制7075一t6铝合金的质量和稳定性,避免因热处理不当导致的材料失效和事故。
结语7075一t6铝合金作为一种重要的材料,在航空、航天、国防等领域的应用越来越广泛。
热处理是其生产过程中不可或缺的步骤,硬度标准作为评价其质量和性能的重要参数,需要严格控制和监测。
7075一t6热处理后硬度标准一、7075一t6合金铝板的热处理工艺概述7075一t6合金是一种铝锌镁合金,常用于航空航天、机械制造等领域。
7075一t6合金的热处理工艺是其生产过程中至关重要的一环,热处理后的硬度标准直接影响其使用性能和品质。
二、7075一t6合金的热处理工艺步骤在进行7075一t6合金的热处理过程中,通常包括以下几个步骤:1. 固溶处理:将7075一t6合金加热至固溶温度,保温一定时间,使其内部的合金元素充分溶解均匀。
2. 急冷淬火:迅速将固溶处理后的合金冷却至室温,以固定其内部的组织结构。
3. 人工时效:对已经固溶处理和淬火的合金进行加热处理,使其内部的合金元素沉淀成一定尺寸和形状的固溶体。
4. 自然时效:将经过人工时效处理后的合金在室温下自然陈化一段时间,使其硬度逐渐稳定。
三、7075一t6合金热处理后的硬度标准经过上述热处理工艺后的7075一t6合金,其硬度标准通常应符合以下要求:1. 硬度测试:用洛氏硬度计或布氏硬度计对7075一t6合金进行硬度测试,得到的硬度值应在120-130HBW之间。
2. 抗拉强度:经过热处理后的7075一t6合金的抗拉强度应在540MPa以上。
3. 屈服强度:热处理后的7075一t6合金的屈服强度应在480MPa以上。
四、7075一t6合金热处理后硬度标准的影响因素7075一t6合金热处理后的硬度标准受到多种因素的影响,包括:1. 热处理工艺参数:固溶温度、保温时间、淬火速度、时效温度等热处理参数的选择和控制对硬度标准有重要影响。
2. 合金元素成分:7075一t6合金中不同元素的含量和比例也会影响其热处理后的硬度标准。
3. 板材厚度和形状:7075一t6合金的板材厚度和形状也会对热处理后的硬度标准产生一定影响。
五、7075一t6合金热处理硬度不合格的原因及对策若7075一t6合金经热处理后的硬度标准不符合要求,可能的原因包括:1. 热处理工艺参数选取不当;2. 热处理设备不合格或操作不当;3. 合金材料质量不达标。
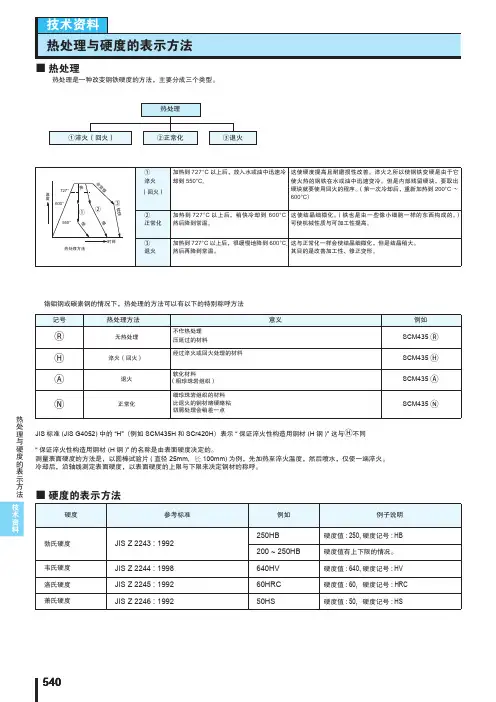
■ 热处理
热处理是一种改变钢铁硬度的方法,主要分成三个类型。
铬钼钢或碳素钢的情况下,热处理的方法可以有以下的特别称呼方法JIS 标准(JIS G4052)中的 “H”(例如SCM435H 和SCr420H )表示“保证淬火性构造用钢材 (H 钢)” 这与Ⓗ不同“保证淬火性构造用钢材 (H 钢)”的名称是由表面硬度决定的。
测量表面硬度的方法是,以圆棒试验片(直径25mm ,长100mm)为例,先加热至淬火温度,然后喷水,仅使一端淬火。
冷却后,沿轴线测定表面硬度,以表面硬度的上限与下限来决定钢材的称呼。
法方示表的度硬与理处热540。
中国热处理检验规范热处理检验方法和规范金属零件的内在质量主要取决于材料和热处理。
因热处理为特种工艺所赋予产品的质量特性往往又室补直观的内在质量,属于“内科”范畴,往往需要通过特殊的仪器(如:各种硬度计、金相显微镜、各种力学性能机)进行检测。
在GB/T19000-ISO9000系列标准中,要求对机械产品零部件在整个热处理过程中一切影响因素实施全面控制,反映原材料及热处理过程控制,质量检验及热处理作业条件(包括生产与检验设备、技术、管理、操作人员素质及管理水平)等各方面均要求控制,才能确保热处理质量。
为此,为了提高我公司热处理产品质量,遵循热处理相关标准,按零件图纸要求严格执行,特制定本规范一、使用范围:本规范适用于零件加工部所有热处理加工零件。
二、硬度检验:通常是根据金属零件工作时所承受的载荷,计算出金属零件上的应力分布,考虑安全系数,提出对材料的强度要求,以强度要求,以强度与硬度的对应关系,确定零件热处理后应具有大硬度值。
为此,硬度时金属零件热处理最重要的质量检验指标,不少零件还时唯一的技术要求。
1、常用硬度检验方法的标准如下:GB230 金属洛氏硬度试验方法GB231 金属布氏硬度试验方法GB1818 金属表面洛氏硬度试验方法GB4340 金属维氏硬度试验方法GB4342 金属显微维氏硬度试验方法GB5030 金属小负荷维氏试验方法2、待检件选取与检验原则如下:为保证零件热处理后达到其图纸技术(或工艺)要求,待检件选取应有代表性,通常从热处理后的零件中选取,能反映零件的工作部位或零件的工作部位硬度的其他部位,对每一个待检件的正时试验点数一般应不少于3个点。
通常连续式加热炉(如网带炉):应在连续生产的网带淬火入回火炉前、回火后入料框前的网带上抽检3-5件/时。
且及时作检验记录。
同时,若发现硬度超差,应及时作检验记录。
同时,若发现硬度越差,应及时进行工艺参数调整,且将前1小时段的零件进行隔离处理(如返工、检)。
焊后热处理硬度检测要求1.引言1.1 概述焊后热处理硬度检测是指对焊后经过热处理的金属材料进行硬度测量的一种方法。
在现代制造业中,焊接是一种常见的连接技术,但焊接过程会导致金属材料的组织结构和性能发生变化。
为了确保焊接后材料的质量和可靠性,需要对焊接过程进行热处理。
热处理可以改变焊缝区域的组织结构,提高材料的硬度和强度。
焊后热处理硬度检测的重要性不容忽视。
首先,硬度是评估金属材料性能的重要指标之一。
通过硬度测试,可以了解材料的硬度值,从而推断其强度和耐用性。
其次,焊后热处理硬度检测可以提供关于焊接和热处理工艺的有效信息。
通过监测焊接材料的硬度变化,可以判断热处理过程是否达到预期效果,进而指导焊接工艺的调整和改进。
此外,在一些特殊应用领域,如航空航天和核能工业,焊后热处理硬度检测更是必不可少的,因为这些领域对材料的强度和可靠性要求非常高。
综上所述,焊后热处理硬度检测是对焊接后材料进行质量评估和性能控制的重要手段。
通过对焊接材料的硬度进行检测和分析,可以评估焊接工艺的合理性,指导热处理工艺的优化,并最终确保焊接结构的强度和可靠性。
在未来的研究中,还需要进一步深入探索焊后热处理硬度检测的方法和技术,以满足不断发展的焊接工艺和材料需求。
1.2 文章结构本文将按照以下结构进行叙述和讨论焊后热处理硬度检测要求的相关内容:第一部分为引言,包括概述、文章结构和目的。
在引言部分,将简要介绍焊后热处理硬度检测问题的背景和重要性,并提出本文的研究目的。
第二部分为正文,主要分为两个小节。
第一个小节将详细阐述焊后热处理的概念和作用,介绍焊后热处理在材料加工中的重要性。
第二个小节将重点探讨焊后热处理硬度检测的重要性及相关要求,包括对硬度测试方法的介绍、检测流程和必要的设备要求等。
第三部分为结论,将总结焊后热处理硬度检测的要求,对焊后热处理进行全面的回顾和概括,并强调其在实际应用中的意义。
同时,还将展望未来的研究方向,探讨焊后热处理硬度检测可能存在的问题和需要进一步研究的方向。
热处理工件硬度的检测方法表面热处理分为两大类,一类是表面淬火回火热处理,另一类是化学热处理,其硬度检验方法如下:1、表面淬火回火热处理表面淬火回火热处理通常用感应加热或火焰加热的方式进行。
主要技术参数是表面硬度、局部硬度和有效硬化层深度。
硬度检测可采用维氏硬度计,也可采用洛氏或表面洛氏硬度计。
试验力(标尺)的选择与有效硬化层深度和工件表面硬度有关。
维氏硬度计、表面洛氏硬度计和洛氏硬度计试验的选择可参照表1、表2和表3。
表1 维氏试验力的选择表2 表面洛氏硬度标尺的选择表3洛氏硬度标尺的选择表1~表3分别是采用维氏硬度计、表面洛氏硬度计和洛氏硬度计时,对应于不同的热处理工件表面硬化层深度和热处理工件表面硬度值维氏硬度试验力和洛氏、表面洛氏硬度标尺的选择表。
由表1~表3可知:1.1维氏硬度计是测试热处理工件表面硬度的重要手段,它可选用0.5~100kg的试验力,测试薄至0.05mm厚的表面硬化层,它的精度是最高的,可分辨出热处理工件表面硬度的微小差别。
另外,有效硬化层浓度也要由维氏硬度计来检测,所以,对于进行表面热处理加工或大量使用表面热处理工件的单位,配备一台维氏硬度计是有必要的。
1.2表面洛氏硬度计也是十分适于测试表面淬火工件硬度的,表面洛氏硬度计有三种标尺可以选择。
可以测试有效硬化深度超过0.1mm的各种表面硬化工件。
尽管表面洛氏硬度计的精度没有维氏硬度计高,但是作为热处理工厂质量管理和合格检查的检测手段,已经能够满足要求。
况且它还具有操作简单、使用方便、价格较低,测量迅速、可直接读取硬度值等特点,利用表面洛氏硬度计可对成批的表面热处理工件进行快速无损的逐件检测。
这一点对于金属加工和机械制造工厂具有重要意义。
1.3当表面热处理硬化层较厚时,也可采用洛氏硬度计。
当热处理硬化层厚度在0.4~0.8mm时,可采用HRA标尺,当硬化层厚度超过0.8mm时,可采用HRC标尺。
1.4维氏、洛氏和表面洛氏三种硬度值可以方便地进行相互换算,转换成标准、图纸或用户需要的硬度值。
热处理检验规范金属零件的内在质量主要取决于材料和热处理。
因热处理为特种工艺所赋予产品的质量特性往往又室补直观的内在质量,属于“内科”范畴,往往需要通过特殊的仪器(如:各种硬度计、金相显微镜、各种力学性能机)进行检测。
在GB/T19000-ISO9000系列标准中,要求对机械产品零部件在整个热处理过程中一切影响因素实施全面控制,反映原材料及热处理过程控制,质量检验及热处理作业条件(包括生产与检验设备、技术、管理、操作人员素质及管理水平)等各方面均要求控制,才能确保热处理质量。
为此,为了提高我公司热处理产品质量,遵循热处理相关标准,按零件图纸要求严格执行,特制定本规范一、使用范围:本规范适用于零件加工部所有热处理加工零件。
二、硬度检验:通常是根据金属零件工作时所承受的载荷,计算出金属零件上的应力分布,考虑安全系数,提出对材料的强度要求,以强度要求,以强度与硬度的对应关系,确定零件热处理后应具有大硬度值。
为此,硬度时金属零件热处理最重要的质量检验指标,不少零件还时唯一的技术要求。
1、常用硬度检验方法的标准如下:GB230 金属洛氏硬度试验方法 GB231 金属布氏硬度试验方法GB1818 金属表面洛氏硬度试验方法 GB4340 金属维氏硬度试验方法GB4342 金属显微维氏硬度试验方法 GB5030 金属小负荷维氏试验方法2、待检件选取与检验原则如下:为保证零件热处理后达到其图纸技术(或工艺)要求,待检件选取应有代表性,通常从热处理后的零件中选取,能反映零件的工作部位或零件的工作部位硬度的其他部位,对每一个待检件的正时试验点数一般应不少于3个点。
通常连续式加热炉(如网带炉):应在连续生产的网带淬火入回火炉前、回火后入料框前的网带上抽检3-5件/时。
且及时作检验记录。
同时,若发现硬度超差,应及时作检验记录。
同时,若发现硬度越差,应及时进行工艺参数调整,且将前1小时段的零件进行隔离处理(如返工、检)。
通常期式加炉(如井式炉、箱式炉):应在淬火后、回火后均从料框的上、中、下部位抽检6-9件/炉,且及时作检验记录。
1.0401热处理硬度-回复1. 什么是热处理硬度?2. 为什么需要进行热处理?3. 热处理硬度的测量方法有哪些?4. 影响热处理硬度的因素有哪些?5. 如何选择合适的热处理方法来达到期望的硬度?6. 热处理硬度的应用领域有哪些?7. 热处理硬度的发展趋势是什么?1. 什么是热处理硬度?热处理硬度是指材料经过热处理后表面或体积的硬度。
热处理是在材料加热至一定温度后,通过冷却或保温的方式,改变材料的组织结构以达到改善性能的目的。
2. 为什么需要进行热处理?热处理可以提高材料的硬度、强度、耐磨性、韧性等力学性能,使材料满足具体应用需求。
对于某些材料,热处理还可以改变其电学、磁学性能或其他特殊性能。
3. 热处理硬度的测量方法有哪些?常用的热处理硬度测量方法包括洛氏硬度测试,布氏硬度测试,维氏硬度测试,超音速冲击测试等。
这些测试方法通过将压痕或试样的变形程度与硬度值进行关联来评估材料的硬度。
4. 影响热处理硬度的因素有哪些?影响热处理硬度的因素主要包括热处理温度、保温时间、冷却速率、材料成分和母材状态等。
不同的温度、时间、冷却速率以及材料成分的组合将会导致不同的组织结构和硬度。
5. 如何选择合适的热处理方法来达到期望的硬度?选择合适的热处理方法需要考虑材料的成分、形状、尺寸和应用要求等因素。
通常情况下,需要进行实验研究来确定最佳热处理方案,包括热处理温度、保温时间和冷却速率等。
6. 热处理硬度的应用领域有哪些?热处理硬度在许多领域都有广泛的应用。
例如,汽车行业中的发动机零件、齿轮和轴承等需要具有高硬度和耐磨性;航空航天领域的引擎部件和结构材料通常需要高强度和高硬度;刀具和模具行业的工具材料需要具有高硬度和耐磨性。
7. 热处理硬度的发展趋势是什么?随着科学技术的不断进步,热处理硬度的发展也在不断演进。
越来越多的新材料被研发出来,新的热处理方法也不断涌现。
未来,热处理硬度的发展趋势可能包括更精确的控制技术,更高的效能和更低的能耗,以及更好地满足特定领域需求的定制化热处理方法的研究。
名称通用检验标准版本日期A 2009.10.20一、制定目的明确并统一本公司自制及委外生产产品热处理硬度检验与测试的方法和依据,使产品质量得到有效控制,从而确保本公司向客户提供满意的产品。
二、适用范围上海纬泰自制或委外生产的各类产品及金属热处理零件硬度的检验与测试三、抽样标准抽样方法及判定标准,按照国标GB/T2828.1-2003规定的抽样程序及计数抽样表中之规定执行。
规定如下:检验项目检验水平Inspection levels合格质量水平Acceptable quality levels硬度测试S-1 2.5(不作抽样转换)四、检验项目及方法1.热处理件进厂时要查验供应商附送的相应的热处理检验记录,并确认记录内容是否符合相关技术要求。
2.硬度测试仪器的选用原则:1)铸铁类产品(灰铁、球墨铸铁等),应选用布氏硬度计或维氏、里氏硬度计测试,但不可用洛氏或表面洛氏硬度计测试。
2)各类钢件可依产品特性选用适当的测试仪器:布氏、洛氏、维氏或里氏硬度计等。
3)薄壁件(厚度在2mm以下),及有色金属类应选用维氏、里氏或表面洛氏硬度计等,但不可用布氏硬度计测试。
3.表面打磨为得到较为准确的测试结果,零件的测试部位均应进行表面打磨、抛光,表面光洁度应达到Ra1.6以上。
(成品件或不允许表面打磨的零件测试时,先不进行表面打磨直接在零件不影响外观表面检测。
若测试结果不合格时,则须进行破坏性打磨检测,若打磨后检测合格,则判定合格)4.每一零件原则上应至少检测四点,取其平均值作为评价结果。
(零件较小或无法取多点除外)5.当热处理零件表面产生脱碳现象时,须将零件表面磨深0.5~2mm后再进行检测。
名称通用检验标准版本日期A 2009.10.206.表面热处理硬度检测:1)化学热处理化学热处理是使工件表面渗入一种或几种化学元素的原子,从而改变工件表面的化学成分、组织和性能。
化学热处理工件的主要技术参数是硬化层深度和表面硬度。
t235热处理硬度标准热处理是一种通过加热和冷却的过程,用来改变材料的物理和机械性能。
在热处理过程中,硬度是一个重要的性能指标,它表示了材料抵抗塑性变形和抗压缩的能力。
在不同行业和应用中,对于材料的硬度有不同的标准和要求。
在一般的材料热处理过程中,通常会参考以下几个硬度标准:1. 哈氏硬度(HRC):哈氏硬度是一种广泛应用于金属材料的硬度标准。
它通过将一个已知负荷施加到针尖上,然后测量针尖的压痕大小,来表示材料的硬度。
HRC标准通常适用于合金钢、工具钢和不锈钢等金属材料。
硬度值越高,材料的抗压能力越强,也就意味着材料更难切削。
2. 洛氏硬度(Rockwell Hardness):洛氏硬度是一种常见的硬度测试方法,用于测量一种材料的硬度。
洛氏硬度测试通过使用钻石或球形钢珠,施加不同的负荷,并测量压痕的深度来表示材料的硬度。
这种测试方法通常适用于金属材料,如铸铁、有色金属和塑料等。
3. 布氏硬度(Brinell Hardness):布氏硬度是一种用于测量金属和非金属材料硬度的标准。
在布氏硬度测试中,使用一个带有一定直径球形压头的压力机,将其施加到材料表面。
然后,测量压痕的直径来计算硬度值。
布氏硬度测试适用于大部分金属材料,包括铸铁、钢铁、铝合金等。
4. Vickers硬度(Vickers Hardness):Vickers硬度是一种常见的用于测量金属材料硬度的标准。
Vickers硬度测试使用一个V型钻石压头,在一定的负荷下施加于材料表面产生一个类似于菱形的压痕。
通过测量压痕对角线的长度来计算硬度值。
Vickers硬度适用于各种金属和非金属材料,通常用于测量硬度较高的材料。
在实际的应用中,根据不同的材料和需求,硬度标准会有所不同。
例如,对于某些特殊材料,可能采用其他的硬度标准,比如超硬材料使用洛克韦尔硬度(LRH)。
此外,不同的行业对于材料硬度的标准和要求也有所不同。
比如航空航天行业对于材料的硬度要求较高,以确保材料在高温和高压环境下仍保持稳定的性能。
p92材料热影响区最高硬度测试标准一、测试范围本测试标准适用于测定p92材料热影响区的最高硬度。
适用于评估p92钢材在焊接过程中热影响区的硬度变化,以及材料性能的变化。
二、测试原理本测试基于维氏硬度测试原理,通过测量材料表面在一定压力下的压痕深度来确定硬度值。
测试中,采用特定的试验力在材料表面形成压痕,然后测量压痕的对角线长度,进而计算出硬度值。
三、测试设备与材料1. 维氏硬度计:应符合相关国家和行业标准,具有有效的计量检定证书,并处于良好状态。
2. 标准硬度块:用于设备校准,确保测试的准确性。
3. p92钢材试样:应按照相关标准制备,确保试样具有代表性。
四、试样制备1. 试样尺寸:试样尺寸应满足维氏硬度测试的要求,一般选择50mm x 50mm x 5mm的尺寸。
2. 试样表面处理:试样表面应平整、光滑,无划痕、锈迹等缺陷。
在测试前应对试样进行研磨和抛光处理。
五、测试步骤1. 将维氏硬度计调整至规定试验力,确保测试的准确性。
2. 将试样放置在测试台上,调整试样位置,确保压痕对角线可清晰观察。
3. 对试样施加规定的试验力,保持一定时间后卸载。
4. 测量压痕对角线长度,记录数据。
5. 根据压痕对角线长度计算硬度值,记录结果。
6. 重复以上步骤,在不同区域测试至少10个点,取平均值作为最终结果。
六、结果解读根据所测得的硬度值,可分析p92材料热影响区的硬度变化趋势,进而评估材料的性能变化和焊接工艺的可靠性。
硬度值越高,表明材料的硬度和强度越高。
通过比较不同温度和时间下的硬度值,可进一步研究焊接工艺参数对热影响区硬度的影响。
七、测试精度与误差本测试标准的精度取决于设备的精度和操作人员的技能水平。
误差可能来源于设备校准误差、压痕测量误差和计算误差等。
为减小误差,应定期对设备进行校准,提高操作人员的技能水平,并遵循标准的测试步骤进行操作。
八、测试报告测试报告应包括以下内容:测试日期、试样编号、试验力、硬度值、平均硬度值、结论等。
304不锈钢热处理硬度hrc
(实用版)
目录
1.304 不锈钢概述
2.304 不锈钢热处理目的
3.304 不锈钢热处理方法
4.304 不锈钢热处理后的硬度
5.HRC 硬度标准介绍
6.304 不锈钢热处理硬度 HRC 的测量与计算
正文
一、304 不锈钢概述
304 不锈钢,是铬镍不锈钢中的一种,它的含铬量为 18%,含镍量为8%,还含有少量的锰、硅、碳等元素。
304 不锈钢具有良好的耐腐蚀性、焊接性能和抗氧化性,广泛应用于建筑装饰、厨房用具、化工设备等领域。
二、304 不锈钢热处理目的
304 不锈钢的热处理主要是为了改善其组织结构,提高其力学性能,以满足不同使用环境和条件的需求。
三、304 不锈钢热处理方法
304 不锈钢的热处理方法主要包括退火、正火、调质等。
其中,退火主要用于消除材料中的应力,正火主要用于提高材料的硬度,调质则是通过控制温度来达到一定的硬度和强度。
四、304 不锈钢热处理后的硬度
304 不锈钢热处理后的硬度通常在 HRC20-30 之间。
具体的硬度值会根据热处理的方法和参数有所不同。
五、HRC 硬度标准介绍
HRC 是硬度测量的一种标准,全称为“硬度试验钢球压痕直径”,是国际上通用的硬度测量方法。
HRC 硬度值的计算公式为:HRC=100-钢球压痕直径/钢球直径的 0.01 倍。
六、304 不锈钢热处理硬度 HRC 的测量与计算
测量 304 不锈钢热处理后的 HRC 硬度,需要使用硬度计进行实验。
热处理硬度检测标准
热处理是一种常见的金属材料加工工艺,通过对金属材料进行加热和冷却的过程,可以改变其组织结构和性能,从而达到一定的硬度和强度要求。
而硬度检测则是评定材料是否符合热处理标准的重要手段之一。
本文将介绍热处理硬度检测的相关标准和方法。
1. 硬度检测的标准。
热处理后的材料硬度检测需要遵循一定的标准,以确保检测结果的准确性和可
靠性。
常见的硬度检测标准包括国际上广泛应用的洛氏硬度(Rockwell Hardness)
标准、巴氏硬度(Brinell Hardness)标准和维氏硬度(Vickers Hardness)标准等。
这些标准都有相应的检测方法和设备,用于评定材料的硬度值。
2. 硬度检测的方法。
硬度检测的方法根据不同的标准和要求而有所不同。
洛氏硬度检测主要通过在
材料表面施加一定载荷,然后测量材料表面的残留印痕深度来确定硬度值。
巴氏硬度检测则是通过在材料表面施加一定载荷,然后测量压痕的直径来计算硬度值。
而维氏硬度检测则是通过在材料表面施加一定载荷,然后测量压痕的对角线长度来计算硬度值。
这些方法都有各自的优缺点,需要根据具体的情况选择合适的方法进行硬度检测。
3. 硬度检测的设备。
进行硬度检测需要使用相应的硬度检测设备。
常见的硬度检测设备包括硬度计、洛氏硬度计、巴氏硬度计和维氏硬度计等。
这些设备根据不同的检测方法和标准,具有不同的测量范围和精度。
在进行硬度检测时,需要根据具体的要求选择合适的设备,并严格按照设备操作说明进行操作,以确保检测结果的准确性。
4. 硬度检测的注意事项。
在进行硬度检测时,需要注意一些细节和注意事项,以确保检测结果的准确性。
首先,需要保证待测材料表面的平整度和清洁度,以免影响硬度检测的准确性。
其次,在进行硬度检测时,需要根据具体的标准和方法选择合适的载荷和时间,以确保检测结果的可靠性。
最后,需要对硬度检测设备进行定期的校准和维护,以确保设备的正常工作和检测结果的准确性。
总之,热处理硬度检测是热处理工艺中的重要环节,对材料的性能和质量有着
重要的影响。
通过遵循相应的标准和方法,选择合适的设备并注意一些细节和注意事项,可以确保硬度检测结果的准确性和可靠性,为热处理工艺的控制和改进提供重要的参考依据。