季度绩效考核奖金发放相关表格填写说明
- 格式:docx
- 大小:20.97 KB
- 文档页数:2
公司的绩效考核表如何填写公司的绩效考核表如何填写每逢年末的时候,很多的公司都要进行一个自己的绩效考核,那么应该如何写绩效考核表呢?下面为您精心推荐了绩效考核表填写技巧,希望对您有所帮助。
绩效考核表填写方法首先、是要填写自己的相关信息,例如姓名、部门、岗位、入职日期、本岗位任职日期以及考核周期。
填写这个信息是为了区分不同同事,不同岗位的。
也能够更好的分析指标任务。
这里讲解的是非销售类的岗位。
第二、定绩效,绩效可以分为以下2个部分,其中重点工作计划(80%),指的是自己工作中主要工作内容,这里是要占据整个绩效的80%。
第二部分是态度指标(20%),态度指标指的是工作态度,需要员工对工作保持端正的态度,积极主动的按时完成上级交办的工作,这里由上级填写。
第三、填写指标:其中包括指标名称、指标定义/描述、计算方式、目标值(或完成时间)、权重等等。
例如指标名称为:活动策划执行的话,指标描述可以写成对活动进行整理与分析每次活动后的3天内进行整理活动效果数据分析,并形式XXx书面报告如此第四、计算绩效。
其中要填写本季度奖惩情况,其中可以包含受到上级部门表彰奖励的加2分。
因违规违纪被上级相关部门给予处分的扣10分;工作中出现重大失误的扣5分。
迟到、早退或不按规定打卡(因公务不能正常打卡的,需出示领导签字的公差单)一次扣0.5分。
请事假一天扣0.5分,一个月内累计请事假3天以上的一天扣1分;年休假、探亲假、病假、产假、婚丧假等按国家相关规定执行;旷工一天扣2分,一个月内累计旷工3天以上的一天扣3分。
等等类似的情况。
第五、填写工作自评,对自己的工作情况进行评价,反思自己做得还不够好的地方。
第二个工作评价(直接上级评):包括:、长处、缺点、改善方面、培养方向、建议等。
最后总结出一个考核等级:优秀良好称职待改进不合格。
绩效考核表怎么做结合我司的具体实战经验来谈下究竟怎么做员工绩效考核表。
我司用的团队协作软件是日事清,公司规定所有的事务都需要写到日事清,完成后标记完成。
个人收集整理-ZQ(《绩效考核奖金审批表》和《绩效考核奖金发放花名册》市人事局有变动,请重新下载!)绩效考核奖金发放花名册、依次按优秀、良好、称职、不称职、不定等次、当季度退休人员填写,方便填报统计《绩效考核奖金审批表》.文档来自于网络搜索、当季度退休人员,不参与考核直接定为“称职”,不计入参加考核人数,只在备注栏中注明“何时执行退休工资”,当季度绩效奖金只发放在职期间月份.文档来自于网络搜索、不享受考核奖金对象,应在备注栏中注明序号.具体序号如下:①当季新录用(聘用)或外县(市、区)新调入人员工作不满个工作日地,②当季旷工累计超过个工作日地,③当季请病事假累计超过个工作日地,④当季被效能告诫地,⑤受党纪政纪处分在处分期间地,⑥受刑事处罚在处罚期间地,⑦受立案调查地;文档来自于网络搜索、本季度考核奖金:优秀元,良好元,称职元.、每一季度数据应保存电子数据,连续填报,以便年终可按人员进行汇总统计.即年终时,要在本表中清楚看出每一人员绩效考核奖金.文档来自于网络搜索、本表一式份,打印,每页人,插入页码排版,且最后一页体现本单位本季度奖金合计数.、其他事项:单位及职务填写专业岗位(如专技级、中级工、技术工级、普通工、见习期等).二、绩效考核奖金审批表在填写好《绩效考核奖金发放花名册》后,再进行《绩效考核奖金审批表》统计.具体如下:、表内关系:①在编人数=优秀良好称职不称职不定等次,不含当季度退休人员.②绩效考核等次:优秀=在编人数×;良好=在编人数×;应严格控制优秀、良好等次人数,每一计算结果采取去尾法.突破比例将被退回,请严格执行!文档来自于网络搜索、表间关系:本表中在编人数当季度退休人员=《绩效考核奖金发放花名册》所罗列地总人数.、本表一式份,打印.三、离退休(职)人员临时生活补贴花名册、月补贴标准:离休人员元,退休人员元,退职人员和民办退养人员(民办退养应独立造册审批)元,自年月日执行.文档来自于网络搜索四、审批时间:初定月日审批第三季度绩效考核奖金,《实施方案》一式两份于审批时送交.1 / 1。
绩效考核表格填写操作说明为更好地提高集团全体员工的工作绩效,明确工作目标,保证员工个人绩效目标与集团整体战略目标相一致,集团人力资源部对绩效工作进行了全面的改革调整,新的绩效考核管理系统将于10月25日晚八点上线,现就此次绩效考核管理新办法所涉及的表格填写重点进行说明。
一、关于《绩效考核表》的填写说明《绩效考核表》是对员工考核周期内的各指标完成情况进行评价和统计,并用之判断员工在绩效考核周期内与岗位的要求是否相称的方法、工具。
新的绩效考核采用目标考核的方法,根据集团全年总战略目标,分解至部门全年目标,再逐级分解至部门个人全年目标,最后分解至部门个人月度目标。
让员工更清楚的了解到个人绩效目标,提升工作水平,同时让员工个人绩效目标不背离集团的战略目标,使两者相结合并达成统一。
现就重点进行说明:1、考核目标的分解及结果评定1.1各目标项由员工直接上级为员工本人进行制定,根据集团全年总战略目标,分解至部门全年目标,再逐级分解至部门个人全年目标,最后分解至部门个人月度目标,最终由员工本人进行填写,由考核人和各部门(分校)一级负责人进行审核,并三方签字确认。
1.2绩效指标体系的设计应遵循以定量指标为主、定性指标为辅的原则,尽可能地将能够量化的指标进行量化,同时,对于定性考核指标也可以运用一些数字工具进行恰当处理,从而使定性指标的以量化,使评估的结果更准确。
例:考核指标说明(以下各部门指标设定方法及内容仅供参考,具体制定考核周期内指标时,仍需根据实际工作内容设定)财务部KPI指标市场部KPI指标客服部KPI指标行政部KPI指标人力资源部KPI指标1.3尽量用可量化数据进行衡量并制定相应指标考核标准,例如用业绩完成量、出错次数、所占比率等数字说话。
例:绩效目标的衡量标准(以下指标衡量标准仅供参考,具体评定考核周期内指标时,仍需根据实际工作情况评定)2.1如有重大突出或失误的事例,则根据考核周期内被考核人的指标完成情况列举出来,以作为绩效系数最终结果的重大-参-考依据。
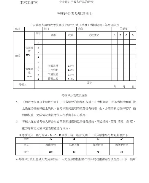
木木工作室专业致力于智力产品的开发
考核评分表及填表说明
中层管理人员绩效考核直接上级评分表(季度)考核期间:年月至年月
考核评分表填表说明
1. 《绩效考核直接上级评分表》中任务绩效的指标和权重,在考核期初,由被考核者和直接
上级在协商的基础上确认。
在考核期间出现的重要任务的变化,必须重新协商并填写指标和权重。
完成情况由被考核人在季度末自己填写。
2. 考核人在对被考核人评分时必须参照对应岗位的任务绩效、周边绩效、管理绩效、态度、
能力等的定义或评定表描述进行评分。
3.考核评分一般分为A、B、C、D四级,每一级含义如下:评分结果与分数对照表如下:
4.考核评分表汇总到人力资源部后,人力资源部根据各个指标的权重和评分情况统计计算出所
有人的综合得分。
2014年度绩效考核各类表格填写说明
一、《内蒙古医科大学教职工考核结果汇总表》
1、总人数=参加考核人数+未参加考核人数;
2、参加考核人数=优秀+合格+基本合格+不合格+未定等次;
3、需要填写时间的统一填2014年12月31日。
二、《内蒙古自治区事业单位工作人员年度考核登记表》
1、单位:所在单位全称;
2、岗位类别:填写专业技术岗位、管理岗位、工勤技能岗位中的一种;岗位等级填写各类岗位相对应的等级(2014年新招聘人员岗位等级不用填写);不确定项目的各单位汇总后,咨询人事处;
3、主管领导评鉴意见:填写优秀、合格、基本合格、不合格、未定等次中的一种;签名处需单位、部门领导签字或盖手章,并加盖本单位、部门公章;
4、考核机构审定意见不要填写任何文字;
5、被考核人意见处,填写“同意”,被考核人签名处需本人手写签名;
6、需要填写时间的统一填2014年12月31日。
《内蒙古医科大学2014年度参加绩效考核人员名单》、《内蒙古医科大学2014三、
年奖励性绩效工资发放明细表》
人员编号为教职工工号
精心整理,仅供参考编辑文案使用,请按实际需求再行修改编辑
2020年2月17日。
绩效考核反馈表怎么写在现代企业管理中,绩效考核反馈表被广泛运用来评估员工的工作表现和帮助员工改进自身绩效。
如何写一份有效的绩效考核反馈表是每个管理者都需要掌握的技巧。
以下是一些关键步骤和要点,帮助您正确地撰写绩效考核反馈表。
确定反馈表的内容绩效考核反馈表应该包含以下几个关键部分:1. 员工基本信息在表格的顶部,填写员工的基本信息,包括姓名、部门、职位等,以便将来进行准确的归档和追踪。
2. 考核标准列出需要评估的考核标准,这些标准应该与员工的工作职责和目标相一致。
可以包括工作成果、工作质量、工作态度等方面。
3. 评分方式确定评分方式,可以使用数字评分、文字描述或者两者兼有的方式,以便清晰地表达评估结果。
4. 反馈内容在表格中为每个考核标准附上具体的反馈内容,包括员工表现的优点和改进建议。
反馈内容应该客观、具体、建设性,避免主观臆断和模棱两可的措辞。
撰写绩效考核反馈表1. 遵循事实在填写反馈表时,应该以客观的事实为基础。
避免使用主观情感或推测来评价员工的表现,而应该依据员工的实际行为和结果给予评价。
2. 具体化反馈反馈内容应该具体细致,避免空泛的总结或泛泛的表述。
通过具体的例子和案例来支撑反馈内容,让员工更容易理解和接受反馈。
3. 强调改进在表格中,应该明确突出员工的优点和长处,并同时提出改进建议和行动计划。
帮助员工识别自身的提升空间,激励其改进表现。
4. 保持平衡在填写反馈表时,要保持中立和公正,避免过于贬低或过分夸赞员工,要力求客观公正地评价员工的绩效表现。
总结撰写一份有效的绩效考核反馈表需要管理者具备客观性、专业性和建设性。
通过合理的结构安排和清晰的表达,能够帮助员工更好地理解自身表现,并激励其不断提升。
管理者应该在撰写反馈表时认真思考每一个评价标准,尽可能注重细节和准确性,为员工提供有益的反馈和指导。
希望以上内容对您撰写绩效考核反馈表时有所帮助,祝您在员工管理和考核方面取得成功!。
员工季度绩效考核表品味人生1、不管鸟的翅膀多么完美,如果不凭借空气,鸟就永远飞不到高空。
想象力是翅膀,客观实际是空气,只有两方面紧密结合,才能取得显着成绩。
2、想停下来深情地沉湎一番,怎奈行驶的船却没有铁锚;想回过头去重温旧梦,怎奈身后早已没有了归途。
因为时间的钟摆一刻也不曾停顿过,所以生命便赋予我们将在汹涌的大潮之中不停地颠簸。
3、真正痛苦的人,却在笑脸的背后,流着别人无法知道的眼泪,生活中我们笑得比谁都开心,可是当所有的人潮散去的时候,我们比谁都落寂。
4、温暖是飘飘洒洒的春雨;温暖是写在脸上的笑影;温暖是义无反顾的响应;温暖是一丝不苟的配合。
5、幸福,是一种人生的感悟,一种个人的体验。
也许,幸福是你风尘仆仆走进家门时亲切的笑脸;也许,幸福是你卧病床上百无聊赖时温馨的问候;也许,幸福是你屡遭挫折心灰意冷时劝慰的话语;也许,幸福是你历经艰辛获得成功时赞赏的掌声。
关键的是,你要有一副热爱生活的心肠,要有一个积极奋进的目标,要有一种矢志不渝的追求。
这样,你才能感受到幸福。
6、母爱是迷惘时苦口婆心的规劝;母爱是远行时一声殷切的叮咛;母爱是孤苦无助时慈祥的微笑。
7、淡淡素笺,浓浓墨韵,典雅的文字,浸染尘世情怀;悠悠岁月,袅袅茶香,别致的杯盏,盛满诗样芳华;云淡风轻,捧茗品文,灵动的音符,吟唱温馨暖语;春花秋月,红尘阡陌,放飞的思绪,漫过四季如歌。
读一段美文,品一盏香茗,听一曲琴音,拾一抹心情。
8、尘缘飞花,人去楼空,梦里花落为谁痛?顾眸流盼,几许痴缠。
把自己揉入了轮回里,忆起,在曾相逢的梦里;别离,在泪眼迷朦的花落间;心碎,在指尖的苍白中;淡落,在亘古的残梦中。
在夜莺凄凉的叹息里,让片片细腻的柔情,哽咽失语在暗夜的诗句里。
9、用不朽的“人”字支撑起来的美好风景,既有“虽体解吾犹未变兮”的执着吟哦,也有“我辈岂是蓬蒿人”的跌宕胸怀;既有“我以我血荐轩辕”的崇高追求,也有“敢教日月换新天”的豪放气魄。
33 我是一只蜜蜂,在祖国的花园里,飞来飞去,不知疲倦地为祖国酿制甘甜的蜂蜜;我是一只紫燕,在祖国的蓝天上,穿越千家万户,向祖国向人民报告春的信息;我是一滴雨点,在祖国的原野上,从天而降,滋润干渴的禾苗;我是一株青松,在祖国的边疆,傲然屹立,显示出庄严的身姿。
《一般员工半年度考核表》
填报说明
1、填报人:一般员工本人填写
2、填报内容:2015年上半年(1月-6月)工作总结、2015年下半年(7月-12月)工作计划均填写本表格,需分别填报,共2份。
3、填报说明:
(1)一般员工半年度工作考核实行百分制,其中任务绩效考核=量化KPI的分值+质化KPI的分值+临时交办任务指标的分值=80分,工作态度及能力分值=20分;
(2)具体考核内容(如:量化KPI、质化KPI、临时交办任务指标、否决类指标、实际完成、描述等)、分值的分配(如:分值、评分、扣分等)由填报人根据实际情况自行填报;
(3)否决类指标是控制重大失误的指标,该类指标制定时的权重不计入总分,当所表述的情况发生时,作为扣分的依据。
否决类指标没有可不填;
(4)如有特殊情况需文字说明,可在“备注”一栏中填写;
(5)一般员工本人根据半年度工作情况,按照实际情况如实填报,不得弄虚作假。
4、上报时间:年月日前
5、提交版本:2015年上半年工作总结和下半年工作计划均需提交电子版和纸质版,纸质版需经被考核人签字后提交。
一般员工半年度考核表考核期间:年月至年月
说明: 1、量化KPI的分值+质化KPI的分值+临时交办任务指标的分值=80分, 任务绩效分值+工作态度及能力分值=100分;
2、否决类指标是控制重大失误的指标,该类指标制定时的权重不计入总分,当所表
述的情况发生时,作为扣分的依据。
一般员工态度及能力考核指标评定表。
绩效考核表格
姓名:部门:职位:
考核周期:考核标准:
备注/评价:
考核结果:(√)优秀(△)良好(×)一般
员工自评:
员工对自己在以上指标方面的评价以及其他需要补充说明的内容。
主管评语:
主管对员工在以上指标方面的评价以及其他需要补充说明的内容。
综合评价:
对员工在本次考核中的总体表现和发展建议。
在填写绩效考核表格时,确保考核指标具体明确,并为每个指标设定适当的权重。
考核指标可以根据具体的岗位要求和公司实际情况进行相应的调整。
同时,考核结果应根据员工的实际表现进行客观评定,并提供详细的评价和发展建议。
此外,绩效考核表格需要被保密,并由相关人员按照公司规定进行评估和讨论。
在填写表格时,请确保准确、公正地反映员工的绩效情况,并保护员工的隐私权。
季度指标完成奖罚表摘要:一、季度指标完成奖罚表概述二、季度指标的具体内容三、完成季度指标的奖励措施四、未完成季度指标的惩罚措施五、奖罚表对公司业绩的影响正文:一、季度指标完成奖罚表概述季度指标完成奖罚表是企业用来激励员工努力完成季度任务目标的一种管理工具。
通过设定具体的季度指标,并对完成情况进行考核,根据完成情况给予相应的奖励或惩罚,从而提高员工的工作效率和公司的整体业绩。
二、季度指标的具体内容季度指标通常包括以下几个方面:1.销售额:完成销售任务是企业的核心目标之一,因此销售额通常是季度指标的重要组成部分。
2.生产量:对于生产型企业来说,生产量是考核季度业绩的关键指标。
3.项目完成率:对于项目型企业,项目完成率是考核员工业绩的重要指标。
4.客户满意度:客户满意度是衡量企业服务质量的重要指标,对于服务型企业尤为重要。
5.其他指标:根据企业的具体情况,还可能包括其他一些特定指标,如成本控制、新品研发等。
三、完成季度指标的奖励措施完成季度指标的员工可以获得一定的奖励,奖励措施通常包括:1.奖金:根据完成情况给予一定比例的奖金,激励员工提高工作效率。
2.晋升:对于表现优秀的员工,可以给予晋升的机会,提高其职业发展空间。
3.培训:提供专业培训,帮助员工提升技能,提高工作效率。
4.团队建设活动:组织团队建设活动,提高团队凝聚力,增进员工之间的合作。
四、未完成季度指标的惩罚措施对于未完成季度指标的员工,企业需要采取一定的惩罚措施,以示公正并督促员工改进工作:1.罚款:根据未完成任务的比例,对员工进行罚款。
2.降级:对于未完成任务的员工,可以给予降级的处罚,降低其待遇和权限。
3.通报批评:对未完成任务的员工进行通报批评,以示警示。
4.加强培训:对于能力不足导致未完成任务的员工,可以加强培训,提高其工作能力。
五、奖罚表对公司业绩的影响季度指标完成奖罚表对于公司业绩具有重要影响。
通过奖罚制度,可以激励员工努力完成任务,提高企业的整体业绩。
季度指标完成奖罚表摘要:一、季度指标完成奖罚表概述二、季度指标的具体内容三、完成季度指标的奖励措施四、未完成季度指标的惩罚措施五、奖罚表对公司和员工的影响正文:一、季度指标完成奖罚表概述季度指标完成奖罚表是企业对员工进行绩效考核的一种方式,通过设定一定的季度指标,对员工的工作进行量化评估。
完成指标的员工可以获得相应的奖励,而未完成指标的员工则需要承担一定的惩罚。
这样的奖罚制度旨在激发员工的积极性和工作热情,提高整体工作效率,实现公司的发展目标。
二、季度指标的具体内容季度指标完成奖罚表通常包括以下几个方面的具体指标:1.销售业绩:包括销售额、销售增长率等;2.项目完成情况:包括项目进度、项目质量等;3.客户满意度:包括客户满意度调查、客户投诉处理等;4.个人能力提升:包括培训学习、技能提升等;5.团队合作:包括团队协作、沟通协调等。
这些指标可以根据公司的具体情况进行调整和优化,以更好地反映公司的核心业务和战略目标。
三、完成季度指标的奖励措施完成季度指标的员工可以获得一定的奖励,奖励措施包括:1.奖金:根据完成指标的情况,发放一定比例的奖金;2.晋升:表现优秀的员工可以获得晋升的机会,提高职位和薪资待遇;3.培训和成长:公司为员工提供各类培训和学习机会,帮助员工提升个人能力;4.表彰和鼓励:对完成指标的员工进行公开表彰,提高员工的荣誉感和自豪感。
四、未完成季度指标的惩罚措施未完成季度指标的员工需要承担一定的惩罚,惩罚措施包括:1.罚款:根据未完成指标的情况,扣除一定比例的工资;2.警告:对未完成指标的员工进行警告,提醒其改进工作;3.调岗:对表现不佳的员工进行岗位调整,帮助其找到更适合的岗位;4.淘汰:对长期未能改进表现的员工,公司可以依法解除劳动合同。
五、奖罚表对公司和员工的影响季度指标完成奖罚表对公司和员工都产生了一定的影响:1.对公司的影响:通过奖罚制度,公司可以更好地实现战略目标,提高整体竞争力;同时,奖罚表有助于优化人力资源管理,提高员工的工作效率和执行力。
员工季度绩效考核表部门: 考核 项目工作 业绩 (65 分)姓名:职位:考核指标考核标准销售额实际销售额/预计销售额实际完成 数值本季销售额 元新客户开发 实际开发客户/预计开发客户人团队协作 个人利益服从集体利益违规 次重点客户维护 重点客户家总计 家有效新客户拜 有效新客户 家,访(潜在)新客户 家。
日常行为规范 公司各项规章制度总计 家 违规 次部门主管:完成 比率备注填表日期:完成比率=实际销售额÷计划销售额×100%年月日标准 自评 考评20完成比率=实际数÷预计开发数×100%20—— 因个人原因而影响整个团队工作的情况出现一次,扣 5 分。
10每月必须对老客户进行邮件、电话维护,上海市或者临—— 近区域每月必须拜访一次,若经考察未维护,一次扣 510分。
(以 CRM 系统跟进管理为准)拜访新客户要有实质性结果,取得客户责人或相关负责人电——5话;未达到要求一次扣 2 分。
—— 公司所有现行制度,违反一次该项不得分2工作 规范 (15 分)工作 能力 (20 分)执行力 工作总结 责任意识 专业知识对领导工作安排的服从意识违规 次 —— 听从领导合理安排,恶意违背此项不得分31 分:总结流于形式,没有价值;2 分:思路基本清晰,有自己的思考在里面; 54 分:能对市场清晰了解,对客户充分认识,对自己的工作充分掌握;5 分:工作成果超乎想象,积极对待各项工作。
并对未来工作有完善的计划,并至少有一条有效的市场信息。
1 分:工作马虎,不能保质、保量地完成工作任务且工作态度极不认真;2 分:自觉地完成工作任务,但工作中有失误; 54 分:自觉地完成工作任务且对自己的行为负责;5 分:除了做好自己的本职工作外,还主动承担公司额外的工作。
1 分:只了解公司产品基本知识;2 分:熟悉本行业及本公司的产品;4 分:熟练的掌握本岗位所具备的专业知识,但对其他相关知识了解不多;55 分:掌握熟练的业务知识及其他相关的行业信息以及产品信息知识并能给运用到销售过程中,在公司能主动积极的帮助新的销售人员。
季度指标完成奖罚表1. 介绍在企业管理中,为了激励员工积极工作、提高绩效,以及监督员工的工作进展,季度指标完成奖罚表是一种常用的管理工具。
通过制定明确的季度指标,对员工的工作进行评估,并根据评估结果给予相应的奖励或惩罚。
本文将就季度指标完成奖罚表的设计与实施进行探讨。
2. 设计原则2.1 明确性季度指标完成奖罚表应该明确具体的指标和要求,避免模糊和主观性,使员工能够清晰地了解工作目标和绩效评估的标准。
2.2 公正性季度指标完成奖罚表应该公正地对待所有员工,避免偏袒或歧视。
指标的设定应基于客观的数据和事实,评估过程应透明公开,确保每个员工都有公平的机会。
2.3 可衡量性季度指标应该是可衡量的,即能够通过具体的数据和指标来评估员工的工作成果。
这样可以确保评估结果客观准确,避免主观性评价的偏差。
2.4 激励性季度指标完成奖罚表应该具有一定的激励作用,能够激发员工的积极性和动力,促使他们主动努力工作,实现绩效目标。
3. 设计步骤3.1 确定关键指标首先,需要确定关键的绩效指标。
这些指标应该与企业的战略目标和核心业务相关,能够客观地反映员工的工作成果和贡献。
例如,销售额、市场份额、客户满意度等。
3.2 设定目标和要求根据关键指标,制定每个季度的工作目标和要求。
目标应该具体、可衡量,并与企业的整体目标相一致。
要求应该明确员工需要完成的具体任务和工作内容。
3.3 制定评估标准为了评估员工的工作绩效,需要制定相应的评估标准。
评估标准可以根据关键指标的权重和重要性来确定,可以采用打分制、百分比制或其他形式。
评估标准应该能够客观地反映员工的工作成果,并与目标和要求相一致。
3.4 奖罚措施根据评估结果,制定相应的奖罚措施。
奖励可以包括薪资调整、晋升机会、奖金或其他形式的激励措施。
惩罚可以包括薪资降低、岗位调整、警告或其他形式的惩罚措施。
奖罚措施应该与评估结果相一致,公平公正。
4. 实施与管理4.1 沟通与培训在实施季度指标完成奖罚表之前,需要与员工进行充分的沟通和培训。
关于季度绩效考核奖金发放相关表格填写说明(《绩效考核奖金审批表》和《绩效考核奖金发放花名册》市人事局有变动,请重新下载!)
一、绩效考核奖金发放花名册
1、依次按优秀、良好、称职、不称职、不定等次、当季度退休人员填写,方便填报统计《绩效考核奖金审批表》。
2、当季度退休人员,不参与考核直接定为“称职”,不计入参加考核人数,只在备注栏中注明“何时执行退休工资”,当季度绩效奖金只发放在职期间月份。
3、不享受考核奖金对象,应在备注栏中注明序号。
具体序号如下:①当季新录用(聘用)或外县(市、区)新调入人员工作不满20个工作日的,②当季旷工累计超过2个工作日的,③当季请病事假累计超过40个工作日的,④当季被效能告诫的,⑤受党纪政纪处分在处分期间的,⑥受刑事处罚在处罚期间的,⑦受立案调查的;
4、本季度考核奖金:优秀2100元,良好1800元,称职1500元。
5、每一季度数据应保存电子数据,连续填报,以便年终可按人员进行汇总统计。
即年终时,要在本表中清楚看出每一人员绩效考核奖金。
6、本表一式4份,A4打印,每页20人,插入页码排版,1
且最后一页体现本单位本季度奖金合计数。
7、其他事项:单位及职务填写专业岗位(如专技5级、中级工、技术工5级、普通工、见习期等)。
二、绩效考核奖金审批表
在填写好《绩效考核奖金发放花名册》后,再进行《绩效考核奖金审批表》统计。
具体如下:
1、表内关系:
①在编人数=优秀+良好+称职+不称职+不定等次,不含当季度退休人员。
②绩效考核等次:优秀=在编人数×25%;良好=在编人数×30%;应严格控制优秀、良好等次人数,每一计算结果采取去尾法。
突破比例将被退回,请严格执行!
2、表间关系:本表中在编人数+当季度退休人员=《绩效考核奖金发放花名册》所罗列的总人数。
3、本表一式4份,A4打印。
三、离退休(职)人员临时生活补贴花名册
1、月补贴标准:离休人员600元,退休人员420元,退职人员和民办退养人员(民办退养应独立造册审批)180元,自2011年7月1日执行。
四、审批时间:
初定10月20-25日审批第三季度绩效考核奖金,《实施方案》一式两份于审批时送交。
2。