021-MQ2.4.1 预埋件或后置埋件或后置螺栓连接件埋设隐蔽验收记录
- 格式:xls
- 大小:14.00 KB
- 文档页数:1
门窗预埋件和锚固件隐蔽工程验收记录门窗预埋件和锚固件隐蔽工程验收记录一、工程概述本工程位于某城市新区,是一座多功能综合体建筑。
本次验收的是门窗预埋件和锚固件隐蔽工程。
本工程施工单位为某建筑有限公司,建设单位为某地产开发有限公司,建设设计单位为某设计院。
二、施工情况1.门窗预埋件施工门窗预埋件施工内容包括门窗洞口的加固、预留洞口的尺寸规范、预埋件的尺寸规范和埋设深度等。
施工过程中,施工人员严格按照设计要求进行操作,加固处理、加强筋分布间距与锚固件预留孔间距符合设计要求。
门窗预埋件的类型、规格、批号、生产厂家等信息齐全,符合国家标准及相关规范。
2.锚固件施工锚固件施工内容主要包括钢筋锚固、预埋套管锚固和化学锚固等。
施工过程中,施工人员按照设计要求进行操作,钢筋埋入深度、直径符合要求;预埋套管尺寸规范、壁厚符合设计要求;化学锚固材料型号齐全,施工操作正确、流动性好,符合标准。
锚固件的类型、规格、批号、生产厂家等信息齐全,符合国家标准及相关规范。
三、验收情况1. 门窗预埋件验收- 实测尺寸符合设计要求,误差小于设计标准值。
- 预埋位置准确,无偏移、倾斜等情况。
- 预留孔平整、无明显毛边、划伤、断面不平坦等缺陷。
- 预埋件数量、型号、规格、批号等信息齐全,均符合标准。
2. 锚固件验收- 锚固位置准确,无偏移、倾斜等情况。
- 钢筋埋入深度、直径符合要求。
- 预埋套管尺寸规范、壁厚符合设计要求。
-化学锚固材料材质、型号、批号、生产日期等信息齐全,符合标准。
- 锚固件施工操作规范,流动性好,硬化时间正常。
四、验收结论经过现场勘查和资料审查,门窗预埋件和锚固件隐蔽工程验收全部达到设计要求,质量符合国家标准和相关规范。
现场施工人员操作规范,施工管理严格,保证了施工质量。
建议建设单位和施工单位继续注意工程质量监控,确保工程进展顺利,能够按时竣工,并达到优良的工程品质。
幕墙预埋件(后置埋件)施工隐蔽验收记录MQ2.3.1 项目经理董侃专业工长周荣明施工标准名称
及代号
建筑装饰装修工程质量验收规范(GB50210-2001)施工图名称及
编号
幕墙施工图
隐蔽工程
部位质量要求施工单位自检记录
监理(建设)单位验
收记录
C3#石材
幕墙东立面后置埋件
后置埋件的
材质、规格、数量
后置埋件用钢板加工制成,其
规格、数量符合设计要求
C3#石材幕墙东立面后置埋件
后置埋件的
位置、标高和牢固
度
后置埋件埋入的轴线位
置准确,位置尺寸实测偏差在
±20mm以内;标高实测偏差
在±10mm以内;后置埋件牢
固度符合要求
MQ2.3.1
幕墙预埋件(后置埋件)施工隐蔽验收记录
幕墙预埋件(后置埋件)施工隐蔽验收记录MQ2.3.1
MQ2.3.1
幕墙预埋件(后置埋件)施工隐蔽验收记录
C3#石材幕墙北立面后置埋件
后置埋件的
位置、标高和牢固
度
后置埋件埋入的轴线位
置准确,位置尺寸实测偏差在
±20mm以内;标高实测偏差
在±10mm以内;后置埋件牢
固度符合要求
检结论
经检查,符合设计要求和《建筑
装饰装修工程质量验收规范》
(GB50210-2001)的规定。
施工单位项目技术负责人:
专职质检员:
年月
日
收
结
论
监理工程师:
(建设单位项目负责人)
年
月日。
施工技术文件隐蔽工程验收记录工程名称鼎泰和国际金融中心(两岸金融中心地块) 施工单位 中国建筑装饰集团有限公司分部(子分部)工 程分项工程 楼(区)四层幕墙后置埋件名 称 装饰装修(幕墙)名 称隐检部位 楼(区)四层隐蔽项目幕墙后置埋件隐蔽隐蔽日期 年 月 日后置埋板采用规格为:** 的热镀锌板,隐蔽内容施工单位 检查情况隐蔽验收结论签字栏根化学锚栓规格为: *根机械螺栓规格为: *后置埋件与化学锚栓和机械螺栓位置符合设计要求。
幕墙后置埋件经自检符合设计及施工质量验收要求。
年 月 日专业技术负责人专业质检员 专业施工员施工单位注册监理施工全过程管理人员(甲方 技术负人)隐蔽工程验收记录工程名称鼎泰和国际金融中心(厦门两岸金融中心施工单位中国建筑装饰集团有限公司地块)分部(子分部)工程分项工程区裙楼二层幕墙预埋件名称装饰装修(幕墙)名称隐检部位区裙楼二层隐蔽项目幕墙预埋件隐蔽隐蔽日期年月日预埋板采用规格为:**的热镀锌板,四根长度为,直径为的螺纹钢肋。
**的热镀锌板,六根长度为,直径均为的螺纹钢肋。
隐蔽内容 ** 的热镀锌板,九根长度为,直径为的螺纹钢肋。
预埋板与钢筋绑扎位置符合设计要求。
幕墙预埋件经自检符合设计及施工质量验收要求。
施工单位检查情况隐蔽验收年月日结论专业技术负责人专业质检员专业施工员施工单位签字栏注册监理施工全过程管理人员(甲方技术负人)隐蔽工程验收记录鼎泰和国际金融中心(厦门两岸金融中心工程名称施工单位中国建筑装饰集团有限公司地块)分部(子分部)工程分项工程区裙楼三层幕墙预埋件装饰装修(幕墙)名称名称隐检部位区裙楼三层隐蔽项目幕墙预埋件隐蔽隐蔽日期年月日预埋板采用规格为:隐蔽内容施工单位检查情况隐蔽验收结论签字栏**的热镀锌板,四根长度为,直径为的螺纹钢肋。
**的热镀锌板,六根长度为,直径均为的螺纹钢肋。
预埋板与钢筋绑扎位置符合设计要求。
幕墙预埋件经自检符合设计及施工质量验收要求。
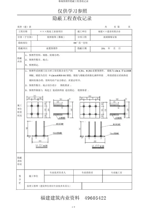
质控(建)表共页第页工程名称×××海沧工业园项目施工单位福建××建设有限企业分部(子分部)装饰装饰 ( 幕墙 )分项工程玻璃幕墙安装隐检部位3#厂房一层柱隐蔽项目前置预埋件隐蔽日期201年月日隐蔽内容施工单位检查状况隐蔽查收结论签字栏1、预埋件资料、规格、防腐办理;2、预埋件数目、地点;3、预埋固定。
1、预埋件采纳厦门宏万祥工贸有限企业生产的MJ01、MJ02前置预埋件,锚板为 10mm厚 Q235B钢板 , 锚筋为直径Φ12mmHRB400钢筋,锚筋与锚板采纳塞孔满焊焊接, 焊渣消除后采纳热浸镀锌防腐办理,资料均有产品合格证、质量证明书。
2、预埋件数目、地点切合设计图纸要求;3、预埋件锚筋与构造主筋采纳焊接连结固定,稳固靠谱。
专业技术负责人专业质检员专业施工员施工单位监理工程师(建设单位项目专业技术负责人)质控(建)表共页第页工程名称×××海沧工业园项目施工单位福建××建设有限企业分部(子分部)装饰装饰 ( 幕墙 )分项工程玻璃幕墙安装隐检部位3#厂房二层梁板隐蔽项目前置预埋件隐蔽日期201年月日1、预埋件资料、规格、防腐办理;隐蔽2、预埋件数目、地点;内容3、预埋固定。
1、预埋件采纳厦门宏万祥工贸有限企业生产的MJ01、MJ02前置预埋件,锚板为 10mm厚 Q235B钢板 , 锚筋为直径Φ12mmHRB400钢筋,锚筋与锚板采纳塞孔满焊焊接, 焊渣消除后采纳热浸镀锌防腐办理,资料均有产品合格证、质量证明书。
2、预埋件数目、地点切合设计图纸要求;3、预埋件锚筋与构造主筋采纳焊接连结固定,稳固靠谱。
施工单位检查状况隐蔽查收结论专业技术负责人专业质检员专业施工员签施工单位字栏监理工程师(建设单位项目专业技术负责人)。
后置埋件隐蔽工程检查验收记录编号:03 02001----后置埋件隐蔽工程检查验收记录编号: 03 02002--后置埋件隐蔽工程检查验收记录编号: 03 02003--后置埋件隐蔽工程检查验收记录编号:03 02004--后置埋件 隐蔽工程检查验收记录编号:03 02005求。
--后置埋件隐蔽工程检查验收记录编号: 03 02006说明或简图:后置埋件的标高、尺寸、间距等符合设计要求,质量符合规范要求。
--后置埋件隐蔽工程检查验收记录编号: 03-02007说明或简图:后置埋件的标高、尺寸、间距等符合设计要求,质量符合规范要求。
--后置埋件隐蔽工程检查验收记录编号: 03-02008说明或简图:后置埋件的标高、尺寸、间距等符合设计要求,质量符合规范要求。
说明或简图:后置埋件的标高、尺寸、间距等符合设计要求,质量符合规范要求。
后置埋件隐蔽工程检查验收记录编号:03-02009说明或简图:后置埋件的标高、尺寸、间距等符合设计要求,质量符合规范要求。
后置埋件隐蔽工程检查验收记录编号: 03-02010说明或简图:后置埋件的标高、尺寸、间距等符合设计要求,质量符合规范要求。
后置埋件隐蔽工程检查验收记录编号: 03-02011说明或简图:后置埋件的标高、尺寸、间距等符合设计要求,质量符合规范要求。
后置埋件隐蔽工程检查验收记录编号: 03 02012说明或简图:后置埋件的标高、尺寸、间距等符合设计要求,质量符合规范要求。
后置埋件隐蔽工程检查验收记录编号: 03 02013说明或简图:后置埋件的标高、尺寸、间距等符合设计要求,质量符合规范要求。
后置埋件隐蔽工程检查验收记录编号: 03 02014说明或简图:后置埋件的标高、尺寸、间距等符合设计要求,质量符合规范要求。
后置埋件隐蔽工程检查验收记录编号: 03 02015说明或简图:后置埋件的标高、尺寸、间距等符合设计要求,质量符合规范要求。
后置埋件隐蔽工程检查验收记录编号: 03 02016说明或简图:后置埋件的标高、尺寸、间距等符合设计要求,质量符合规范要求。
预埋件隐蔽验收记录
31230□□□单位(子单位)工程名称甘肃机场集团运输维修部宿舍楼改造
分部(子分部)工程名称主体结构(砌体结构)验收部位三层
施工单位甘肃华厦建设集团有限公司项目经理
分包单位/ 分包项目经理/
预埋件
用途安装门窗的混凝土砌块
部位(轴线、墙柱、楼面)等三层
代号/
数量104
图(变更)号建施-01
标高偏差(mm)+2、-2、+3、-5、+4、-1、+2、-5、2、1 位置偏差(mm)2、5、3、1、2、2、3、2、1、4 固定情况牢固
图
示
`
说明预埋混凝土砌块的部位在门窗洞口上下口一皮(洞口小于2m)或二皮砖
(洞口大于2m)处开始并均匀设置,并且砌体安装门窗的混凝土砌块每
边不少于三块。
砌块为混凝土砌块,砌块100×100mm,同墙宽
复
核
意
见
经检查安装门窗洞口混凝土砌块预埋的
尺寸、位置符合要求
施工单位检查结果
专业质量检查员:
符合施工质量验收规范要求项目技术负责人:
项目经理:
监理(建设)单位验收结论□符合要求,同意隐蔽
□不符合要求,不同意隐蔽
监理工程师
(建设单位项目技术专业负责人)
资料员签章:甘肃省工程质量监督总站编制(版权所有不准翻印)年月日。
A3.5工序质量报验单幕墙预埋件(后置埋件)施工隐蔽验收记录MQ2.3.1工序质量报验单工程名称:万绿城国际酒店外装饰工程编号:A3.5 —幕墙预埋件(后置埋件)施工隐蔽验收记录MQ2.3.1工序质量报验单工程名称:万绿城国际酒店外装饰工程编号:A3.5 —幕墙预埋件(后置埋件)施工隐蔽验收记录MQ2.3.1工序质量报验单工程名称:万绿城国际酒店外装饰工程编号:A3.5 —幕墙预埋件(后置埋件)施工隐蔽验收记录MQ2.3.1工序质量报验单工程名称:万绿城国际酒店外装饰工程编号:A3.5 —幕墙预埋件(后置埋件)施工隐蔽验收记录MQ2.3.1工序质量报验单工程名称:万绿城国际酒店外装饰工程编号:A3.5 —幕墙预埋件(后置埋件)施工隐蔽验收记录MQ2.3.1工序质量报验单工程名称:万绿城国际酒店外装饰工程编号:A3.5 —幕墙预埋件(后置埋件)施工隐蔽验收记录MQ2.3.1工序质量报验单工程名称:万绿城国际酒店外装饰工程编号:A3.5 —幕墙预埋件(后置埋件)施工隐蔽验收记录MQ2.3.1工序质量报验单工程名称:万绿城国际酒店外装饰工程编号:A3.5 —幕墙预埋件(后置埋件)施工隐蔽验收记录MQ2.3.1工序质量报验单工程名称:万绿城国际酒店外装饰工程编号:A3.5 —幕墙预埋件(后置埋件)施工隐蔽验收记录MQ2.3.1工序质量报验单工程名称:万绿城国际酒店外装饰工程编号:A3.5 —幕墙预埋件(后置埋件)施工隐蔽验收记录MQ2.3.1工序质量报验单工程名称:万绿城国际酒店外装饰工程编号:A3.5 —幕墙预埋件(后置埋件)施工隐蔽验收记录MQ2.3.1工序质量报验单工程名称:万绿城国际酒店外装饰工程编号:A3.5 —幕墙预埋件(后置埋件)施工隐蔽验收记录MQ2.3.1工序质量报验单工程名称:万绿城国际酒店外装饰工程编号:A3.5 —幕墙预埋件(后置埋件)施工隐蔽验收记录MQ2.3.1工序质量报验单工程名称:万绿城国际酒店外装饰工程编号:A3.5 —幕墙预埋件(后置埋件)施工隐蔽验收记录MQ2.3.1工序质量报验单工程名称:万绿城国际酒店外装饰工程编号:A3.5 —幕墙预埋件(后置埋件)施工隐蔽验收记录MQ2.3.1工序质量报验单工程名称:万绿城国际酒店外装饰工程编号:A3.5 —幕墙预埋件(后置埋件)施工隐蔽验收记录MQ2.3.1工序质量报验单工程名称:万绿城国际酒店外装饰工程编号:A3.5 —幕墙预埋件(后置埋件)施工隐蔽验收记录MQ2.3.1工序质量报验单工程名称:万绿城国际酒店外装饰工程编号:A3.5 —幕墙预埋件(后置埋件)施工隐蔽验收记录MQ2.3.1工序质量报验单工程名称:万绿城国际酒店外装饰工程编号:A3.5 —幕墙预埋件(后置埋件)施工隐蔽验收记录MQ2.3.1工序质量报验单工程名称:万绿城国际酒店外装饰工程编号:A3.5 —幕墙预埋件(后置埋件)施工隐蔽验收记录MQ2.3.1工序质量报验单工程名称:万绿城国际酒店外装饰工程编号:A3.5 —幕墙预埋件(后置埋件)施工隐蔽验收记录MQ2.3.1工序质量报验单工程名称:万绿城国际酒店外装饰工程编号:A3.5 —幕墙预埋件(后置埋件)施工隐蔽验收记录MQ2.3.1工序质量报验单工程名称:万绿城国际酒店外装饰工程编号:A3.5 —幕墙预埋件(后置埋件)施工隐蔽验收记录MQ2.3.1工序质量报验单工程名称:万绿城国际酒店外装饰工程编号:A3.5 —幕墙预埋件(后置埋件)施工隐蔽验收记录MQ2.3.1工序质量报验单工程名称:万绿城国际酒店外装饰工程编号:A3.5 —。
幕墙隐蔽验收记录范例一、幕墙隐蔽工程检查内容依据施工图纸、有关施工验收规范要求和施工方案、技术交底,检查以下内容:1.预埋件(或后置埋件)、连接件、紧固件连接:各种埋件、连接件、紧固件的数量、规格、位置、锚固深度和防腐处理等。
2.连接节点处理:幕墙顶部(女儿墙部位)、幕墙底部、立柱、梁柱等的连接情况。
3.变形缝及墙面转角处的构造节点处理:幕墙的抗震缝、伸缩缝、沉降缝等部位的处理(宜采用详图示意),墙角的连接节点(宜采用详图示意)应符合设计要求和技术标准的规定;变形缝罩面与两侧幕墙结合处不得渗透。
4.幕墙防雷装置设置:幕墙应形成自身的防雷体系,并与主体结构的防雷体系可靠地连接,严禁串联;女儿墙部位的连接节点(宜采用详图示意)应符合设计规定等。
5.幕墙防火、保温及防潮层构造处理。
1)防火材料铺设:防火材料品种、材质、耐火品级、铺设厚度、防腐处置惩罚应吻合设计和标准划定;铺设应饱满、均匀、无漏掉,厚度同等且不宜小于70mm;防火材料不得与幕墙玻璃间接接触。
防火层的密封材料应接纳防火密封胶,防火层与玻璃的间距应大于40mm。
2)防火节点安装:防火节点构造必须符合设计要求;安装应牢固,无遗漏,并应严密无缝隙;防火层与幕墙和主体结构间的缝隙必须用防火密封胶严密封闭。
3)玻璃幕墙四周与主体布局之间的漏洞,应接纳防火保温材料填塞,填塞应饱满、平整、接缝应周密不渗漏。
保温材料密度、厚度应吻合设计请求。
2、幕墙隐蔽工程填写要点幕墙工程隐检记录中要注明施工图纸编号,幕墙类型,主要材料的规格型号、预埋件、连接件、紧固件的具体位置、连接方法和防腐处理;主体结构与立柱、立柱与横梁的连接情况;玻璃与玻璃、玻璃与玻璃肋间缝隙的填充情况;防雷节点的位置,防火、防水、保温情况等,将检查内容描述清楚。
隐蔽工程验收记录表C5-1工程名称施工单位验收项目验收部位XXX玻璃幕墙(立柱、横粱安装)资料编号筑业软件大厦监理单位验收日期0309C5001XXX2017年4月11日六层,1-17/A-H轴,33.6m~39.2m验收内容:1.后置埋件(MJ01、MJ02)使用M12×160的化学螺栓及M12×100的收缩螺栓固定在主体布局上,化学螺栓与收缩螺检对角布置。
下面红色部分是赠送的总结计划,不需要的可以下载后编辑删除!2014年工作总结及2015年工作计划(精选)XX年,我工区安全生产工作始终坚持“安全第一,预防为主,综合治理”的方针,以落实安全生产责任制为核心,积极开展安全生产大检查、事故隐患整改、安全生产宣传教育以及安全生产专项整治等活动,一年来,在工区全员的共同努力下,工区安全生产局面良好,总体安全生产形势持续稳定并更加牢固可靠。
一、主要工作开展情况(一)认真开展安全生产大检查,加大安全整治力度。
在今年的安全生产检查活动中,工区始终认真开展月度安全检查和日常性安全巡视检查记录,同时顺利完成公司组织的XX年春、秋季安全生产大检查和国家电网公司组织的专项隐患排查工作。
截止日前,工区先后共开展各类安全检查71次,查出事故隐患点22处,均进行了闭环处理。
通过检查活动,进一步夯实了工区的安全生产基础。
(二)顺利完成保电专项工作。
本年度工区共进行专项保电工作10次,累计保电天数达到90余天,通过工区全员的共同努力,顺利完成春节保电、国庆保电、七一保电、特高压投送电保电、500kv沁博线保电等一批重要节假日的保电工作。
(四)工作票统计及其他工作情况。
截止11月15日,我工区连续实现安全生产1780天;全年共办理工作票50张,其中第一种工作票24张,含基建单位8张;第二种工作票26张。
工作票合格率100%,执行情况较好。
全年工区所辖线路跳闸次数共计0次,线路跳闸率为0次/(百公里·年)。
(四)安环体系标准化建设本年度在公司统一的部署下,工区积极参与安环体系标准化建设工作,先后派员参加安环体系标准化培训2次,迎接公司开展安环体系内审工作三次,先后审查出问题共计20余处,先后进行了闭环整改。
截止日前,工区已初步建立起了标准化安环工作体系,在今后工作中,工区将进一步完善各项工作流程,努力确保体系工作符合外审相关要求。
(五)强化安全生产责任制的落实。
工区高度重视安全生产工作,根据年初制定的安全工作目标,按照公司统一要求,工区各级人员均签订安全生产责任书,强化各级人员安全责任意识,一级一级,层层抓落实。