垫铁计算公式
- 格式:docx
- 大小:7.75 KB
- 文档页数:2
设备安装时,如何确定垫铁的面积设备安装时,每台设备在底座就位前,都应根据底座的形状尺寸,地脚螺栓直径及设备的重量等来确定垫铁的尺寸、组数和堆放位置,以保证安装质量。
根据〈水泥机械设备安装工程施工及验收规范〉(JCJ03—90),垫铁的面积计算公式:RQ Q C A )(10021+= (1) 式中:A —垫铁面积,mm 2;C —安全系数,一般取1.5~3;Q 1—设备的重量加在该垫铁组上的负荷,N ;Q 2—地脚螺栓拧紧后(可采用地脚螺栓的许可抗拉强度),分布在该垫铁组上的压力,N ;R —基础或地坪混凝土的抗压强度(可采用混凝土设计标号),N/cm 2。
为便于比较将(1)式变换成: CA R Q Q 10021∙=+ (2) 由(2)式可知,根据实际垫铁面积A 计算出的总承载力(Q 1+Q 2)要大于设备已给定的总负荷。
以Φ2.4m×7m 生料磨为例说明。
取一侧轴承支墩,根据设备总图查得Q 1=1225kN ;查《钢结构设计手册》得地脚螺栓的许可抗拉强度13.23kN/cm 2,M42的螺栓共4个,KN D Q 733423.13422=⨯⨯⨯=π。
故总承载力Q 1+Q 2=1958kN 。
实际垫铁8组,150×80总面积为96000mm 2,垫槽钢6组100×140,总面积为84000mm 2(注:垫槽钢不合规范),总垫铁面积180000mm 2。
安全系数取3,基础混凝土设计标号1.96kN/cm 2,则垫铁实际总承载能力: KN KN Q Q 19581176310096.118000021<=⨯⨯=+ 承载能力不足,因此需调整垫铁面积为300000mm 2,方可承载1958kN 力满足规范要求。
因此,根据垫铁实需面积调整了垫铁块大小及垫铁组数,取消了槽钢垫铁。
用8组150×80;4组240×220共计垫铁面积307200mm 2。
垫铁总承载力小于设备的总荷载就保证不了设备的安装质量。
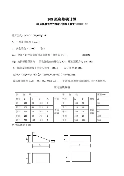
(压力隔膜式空气泡沫比例混合装置V10801) 5T计算公式:A ≥C*(W 1+W 2)/P A :一组垫铁面积(mm 2) C :安全系数(1.5~3) 取2W 1:设备及附件重量作用在垫铁组上的负荷(N ); 50000N W 2:地脚螺栓预紧力 泵设备底座的螺栓为M24,螺栓预紧力为146.4KN P :基础或地坪混凝土的抗压强度(MPa ) 设计强度40 MPa A ≥C*(W 1+W 2)/P ≥[2*(50000+146400)]/40=9820mm现场使用垫铁δ=14 80x160=12800 mm 2 ,一平两斜,斜垫铁选用斜四,共12组垫铁。
常用垫铁规格垫铁简图见下图chLLhabb(消防稳压泵P10801A-B)2.8T计算公式:A ≥C*(W 1+W 2)/P A :一组垫铁面积(mm 2) C :安全系数(1.5~3) 取2W 1:设备及附件重量作用在垫铁组上的负荷(N ); 28000N W 2:地脚螺栓预紧力 泵设备底座的螺栓为M16,螺栓预紧力为100KN P :基础或地坪混凝土的抗压强度(MPa ) 设计强度40 MPa A ≥C*(W 1+W 2)/P ≥[2*(28000+100000)]/40=6400mm现场使用垫铁δ=14 60x120=7200 mm 2 ,一平两斜, 共12组垫铁,采用斜三。
常用垫铁规格垫铁简图见下图chL Lhabb(电动泡沫消防泵P10802A)3T计算公式:A ≥C*(W 1+W 2)/P A :一组垫铁面积(mm 2) C :安全系数(1.5~3) 取2W 1:设备及附件重量作用在垫铁组上的负荷(N ); 30000N W 2:地脚螺栓预紧力 泵设备底座的螺栓为M16,螺栓预紧力为100KN P :基础或地坪混凝土的抗压强度(MPa ) 设计强度40 MPa A ≥C*(W 1+W 2)/P ≥[2*(30000+100000)]/40=6500mm现场使用垫铁δ=14 60x120=8400 mm 2 ,一平两斜,共12组垫铁,斜垫铁采用斜二。
垫铁面积计算公式【一块】
当垫铁组放在混凝土基础或地坪上时,其面积可按下述近似公式计算:
A=2.3×Q1+Q2×n
R×n
式中A——一块垫铁面积;(单位:mm2)
C——安全系数,可采用1.5~3;(我们一般取2.3)
Q1——设备等的重量加在该垫铁组上的总负荷;(单位:N)
Q2——一条地脚螺栓的预紧力;(单位:N)
n——预埋地脚螺栓数量(个);
R——基础或地坪混凝土的抗压强度(可采用混凝土设计标号)单位:Mpa,
例如:如混凝土设计标号为C30,那么其抗压强度就是30MPa)MPa换算单位N/mm2
示例:塔最大重量262000kg,预埋28条M30的地脚螺栓,塔基础混凝土设计标号是C30,如一条螺栓只垫一组垫铁,试计算垫铁的面积不小于多少?(查表M30螺旋预紧力为199KN)
A=2.3×262000×10+199000×28
30×28
=22430 mm2。
权威垫铁计算公式垫铁组布置应符合下列规定:1、在地脚螺栓两侧各放置一组,应使垫铁靠近地脚螺栓,当地脚螺栓间距小于300mm 时,可在各地脚螺栓的同一侧放置一组垫铁;2、相邻两垫铁组间距,可根据设备本体重量、底座的结构形式以及载荷分布等具体情况而定,宜为500mm ~1000mm ;3、对于带锚板的地脚螺栓两侧的垫铁组,应放置在预留孔的两侧。
4、垫铁表面平整,无氧化皮、飞边等。
斜垫铁的斜面粗糙度不得大于Ra25μm ,斜度宜为1:20~1:10,对于中心较高或震动较大的设备采用1:20的斜度为宜。
每一组垫铁的最小面积,可按公式(1)近似计算。
()nRQ Q C 21A +⨯≥ []'4Q 202n d σπ= A :每一组垫铁的最小面积,mm 2;C :安全系数,宜取1.5~3,一般取2.3;Q 1:设备的质量加在该垫铁组上的载荷,N ;Q 2:地脚螺栓拧紧后,分布在该垫铁组上的压力,可取地脚螺栓拧紧后所产生的轴向力,可按附录A 选用,N ;n :垫铁组数;R :基础混凝土单位面积抗压强度,可采用混凝土设计强度,MPa ;d 0:地脚螺栓直径,mm ;σ:地脚螺栓抗拉强度N/mm 2;n ':地脚螺栓的数量。
(1公斤力=9.8N ,1MPa=10公斤力/cm 2,1Pa=1N/m 2)5、A 值计算出后,可在表2选用比计算A 值大的垫铁;当垫铁承载能力有余,而 长度不够时,可选较大规格的垫铁。
垫铁加工形状见图1。
6、斜垫铁应配对使用,与平垫铁组成垫铁组时,垫铁的层数宜为三层(即一平二斜),最多不应超过四层,薄垫铁厚度不应小于2mm,并放在斜垫铁与厚平垫铁之间。
斜垫铁可与同号或者大一号的平垫铁搭配使用。
垫铁组的高度宜为30mm~70mm。
7、垫铁直接放置在基础上,应整齐平稳、接触良好,接触面积应不小于50%。
平垫铁顶面水平度的允许偏差为2mm/m,各垫铁组顶面的标高应与设备地面实际安装标高相符。
钢结构垫铁计算公式
1. 载荷,首先需要确定连接处的载荷,包括静载荷和动载荷。
静载荷是指结构自身的重量和静止状态下的外部荷载,而动载荷则是指结构在运行时受到的振动或冲击荷载。
2. 材料,垫铁的材料和强度也是计算的重要因素。
通常使用的材料包括碳钢、不锈钢等,而强度则取决于材料的抗压强度和抗剪强度。
3. 接触面积,垫铁与支座或连接件的接触面积会影响其承载能力,因此需要计算接触面积以确定垫铁的尺寸。
综合考虑以上因素,一般可以采用以下简化的计算公式来确定垫铁的尺寸:
垫铁面积 = 载荷 / 材料的抗压强度。
垫铁厚度 = 垫铁面积 / 接触面积。
垫铁数量 = 连接处总载荷 / 单个垫铁的承载能力。
需要注意的是,以上公式仅为一种简化的计算方法,实际的垫铁计算可能还需要考虑更多因素,如垫铁的形状、安装方式、破坏模式等。
因此,在实际工程中,需要结合具体情况和相关规范进行详细计算和设计。
垫铁计算公式垫铁计算公式垫铁组布置应符合下列规定:1、在地脚螺栓两侧各放置一组,应使垫铁靠近地脚螺栓,当地脚螺栓间距小于300mm 时,可在各地脚螺栓的同一侧放置一组垫铁;2、相邻两垫铁组间距,可根据设备本体重量、底座的结构形式以及载荷分布等具体情况而定,宜为500mm ~1000mm ;3、对于带锚板的地脚螺栓两侧的垫铁组,应放置在预留孔的两侧。
4、垫铁表面平整,无氧化皮、飞边等。
斜垫铁的斜面粗糙度不得大于Ra25μm ,斜度宜为1:20~1:10,对于中心较高或震动较大的设备采用1:20的斜度为宜。
每一组垫铁的最小面积,可按公式(1)近似计算。
()nRQ Q C 21A +⨯≥ []'4Q 202n d σπ= A :每一组垫铁的最小面积,mm 2;C :安全系数,宜取1.5~3,一般取2.3;Q 1:设备的质量加在该垫铁组上的载荷,N ;Q 2:地脚螺栓拧紧后,分布在该垫铁组上的压力,可取地脚螺栓拧紧后所产生的轴向力,可按附录A 选用,N ;n :垫铁组数;R :基础混凝土单位面积抗压强度,可采用混凝土设计强度,MPa ;d 0:地脚螺栓直径,mm ;σ:地脚螺栓抗拉强度N/mm 2;n ':地脚螺栓的数量。
(1公斤力=9.8N ,1MPa=10公斤力/cm 2,1Pa=1N/m 2)5、A值计算出后,可在表2选用比计算A值大的垫铁;当垫铁承载能力有余,而长度不够时,可选较大规格的垫铁。
垫铁加工形状见图1。
6、斜垫铁应配对使用,与平垫铁组成垫铁组时,垫铁的层数宜为三层(即一平二斜),最多不应超过四层,薄垫铁厚度不应小于2mm,并放在斜垫铁与厚平垫铁之间。
斜垫铁可与同号或者大一号的平垫铁搭配使用。
垫铁组的高度宜为30mm~70mm。
7、垫铁直接放置在基础上,应整齐平稳、接触良好,接触面积应不小于50%。
平垫铁顶面水平度的允许偏差为2mm/m,各垫铁组顶面的标高应与设备地面实际安装标高相符。
垫铁计算公式垫铁组布置应符合下列规定:1、在地脚螺栓两侧各放置一组,应使垫铁靠近地脚螺栓,当地脚螺栓间距小于300mm 时,可在各地脚螺栓的同一侧放置一组垫铁;2、相邻两垫铁组间距,可根据设备本体重量、底座的结构形式以及载荷分布等具体情况而定,宜为500mm ~1000mm ;3、对于带锚板的地脚螺栓两侧的垫铁组,应放置在预留孔的两侧。
4、垫铁表面平整,无氧化皮、飞边等。
斜垫铁的斜面粗糙度不得大于Ra25μm ,斜度宜为1:20~1:10,对于中心较高或震动较大的设备采用1:20的斜度为宜。
每一组垫铁的最小面积,可按公式(1)近似计算。
()nRQ Q C 21A +⨯≥ []'4Q 202n d σπ= A :每一组垫铁的最小面积,mm 2;C :安全系数,宜取1.5~3,一般取2.3;Q 1:设备的质量加在该垫铁组上的载荷,N ;Q 2:地脚螺栓拧紧后,分布在该垫铁组上的压力,可取地脚螺栓拧紧后所产生的轴向力,可按附录A 选用,N ;n :垫铁组数;R :基础混凝土单位面积抗压强度,可采用混凝土设计强度,MPa ;d 0:地脚螺栓直径,mm ;σ:地脚螺栓抗拉强度N/mm 2;n ':地脚螺栓的数量。
(1公斤力=9.8N ,1MPa=10公斤力/cm 2,1Pa=1N/m 2)5、A 值计算出后,可在表2选用比计算A 值大的垫铁;当垫铁承载能力有余,而长度不够时,可选较大规格的垫铁。
垫铁加工形状见图1。
6、斜垫铁应配对使用,与平垫铁组成垫铁组时,垫铁的层数宜为三层(即一平二斜),最多不应超过四层,薄垫铁厚度不应小于2mm,并放在斜垫铁与厚平垫铁之间。
斜垫铁可与同号或者大一号的平垫铁搭配使用。
垫铁组的高度宜为30mm~70mm。
7、垫铁直接放置在基础上,应整齐平稳、接触良好,接触面积应不小于50%。
平垫铁顶面水平度的允许偏差为2mm/m,各垫铁组顶面的标高应与设备地面实际安装标高相符。
8、若采用压浆法或座浆法放置垫铁,放置方法应符合附录B的规定。
安二垫铁计算书一、T1201/1202急冷水洗塔数据条件:重量577077kg 、地脚螺栓螺纹64mm 、地脚螺栓许用应力170MPa (材质Q345B )、地脚螺栓数量64个、垫铁组数128组。
依据SH/T3504-2014平垫铁与斜垫铁计算公式:nRQ Q K A 21+≥;422N D Q b 】【σπ= 其中:422ND Q b 】【σπ==464×170×64×14.32=34983116.8N ;1Q =577077×9.8=5655354.6N ;nR Q Q KA 21+≥=30×1288.349831166.56553543.2+=24340.82mm 所以单组垫铁面积不小于24340.82mm 。
二、T1203污水汽提塔 数据条件:重量69242kg 、地脚螺栓螺纹72mm 、地脚螺栓许用应力170MPa (材质Q345B )、地脚螺栓数量28个、垫铁组数56组。
依据SH/T3504-2014平垫铁与斜垫铁计算公式:nRQ Q K A 21+≥;422N D Q b 】【σπ= 其中:422ND Q b 】【σπ==428×170×72×14.32=19370534.4N ;1Q =69242×9.8=678571.6N ;nR Q Q KA 21+≥=30×564.193705346.6785713.2+=27448.22mm 所以单组垫铁面积不小于27448.22mm 。
三、E1207A/B 数据条件:重量25000kg 、地脚螺栓螺纹24mm 、地脚螺栓许用应力170MPa (材质Q345B )、地脚螺栓数量8个、垫铁组数16组。
依据SH/T3504-2014平垫铁与斜垫铁计算公式:nRQ Q K A 21+≥;422N D Q b 】【σπ=其中:422ND Q b 】【σπ==48×170×24×14.32=614937.6N ;1Q =25000×9.8=245000N ;nR Q Q KA 21+≥=30×166.6149372450003.2+=4120.52mm 所以单组垫铁面积不小于4120.52mm 。
垫铁计算公式垫铁组布置应符合下列规定:1、在地脚螺栓两侧各放置一组,应使垫铁靠近地脚螺栓,当地脚螺栓间距小于300mm 时,可在各地脚螺栓的同一侧放置一组垫铁;2、相邻两垫铁组间距,可根据设备本体重量、底座的结构形式以及载荷分布等具体情况而定,宜为500mm ~1000mm ;3、对于带锚板的地脚螺栓两侧的垫铁组,应放置在预留孔的两侧。
4、垫铁表面平整,无氧化皮、飞边等.斜垫铁的斜面粗糙度不得大于Ra25μm ,斜度宜为1:20~1:10,对于中心较高或震动较大的设备采用1:20的斜度为宜。
每一组垫铁的最小面积,可按公式(1)近似计算。
()nRQ Q C 21A +⨯≥ []'4Q 202n d σπ= A :每一组垫铁的最小面积,mm 2;C:安全系数,宜取1。
5~3,一般取2.3;Q 1:设备的质量加在该垫铁组上的载荷,N ;Q 2:地脚螺栓拧紧后,分布在该垫铁组上的压力,可取地脚螺栓拧紧后所产生的轴向力,可按附录A 选用,N ;n :垫铁组数;R :基础混凝土单位面积抗压强度,可采用混凝土设计强度,MPa;d 0:地脚螺栓直径,mm ;σ:地脚螺栓抗拉强度N/mm 2;n ':地脚螺栓的数量。
(1公斤力=9。
8N ,1MPa=10公斤力/cm 2,1Pa=1N/m 2)5、A 值计算出后,可在表2选用比计算A 值大的垫铁;当垫铁承载能力有余,而长度不够时,可选较大规格的垫铁。
垫铁加工形状见图1。
6、斜垫铁应配对使用,与平垫铁组成垫铁组时,垫铁的层数宜为三层(即一平二斜),最多不应超过四层,薄垫铁厚度不应小于2mm,并放在斜垫铁与厚平垫铁之间。
斜垫铁可与同号或者大一号的平垫铁搭配使用。
垫铁组的高度宜为30mm~70mm。
7、垫铁直接放置在基础上,应整齐平稳、接触良好,接触面积应不小于50%。
平垫铁顶面水平度的允许偏差为2mm/m,各垫铁组顶面的标高应与设备地面实际安装标高相符。
8、若采用压浆法或座浆法放置垫铁,放置方法应符合附录B的规定.9、设备找平后,垫铁组布置应符合下列要求:a)每一垫铁组应放置整齐平稳,接触良好,并应露出底座10mm~30mm;b)地脚螺栓两侧的垫铁组,每块垫铁伸入及其底座底面的长度,均应超过地脚螺栓;c)设备底座的底面与垫铁接触宽度不够时,垫铁组放置的位置应保证底座坐落在垫铁组承压面的中部;d) 配对斜垫铁的搭接长度应小于全长的3/4,其相互间的偏斜角α应不大于3°。
垫铁计算公式垫铁组布置应符合下列规定:1、在地脚螺栓两侧各放置一组,应使垫铁靠近地脚螺栓,当地脚螺栓间距小于300mm时,可在各地脚螺栓的同一侧放置一组垫铁;2、相邻两垫铁组间距,可根据设备本体重量、底座的结构形式以及载荷分布等具体情况而定,宜为500mm~1000mm;3、对于带锚板的地脚螺栓两侧的垫铁组,应放置在预留孔的两侧。
4、垫铁表面平整,无氧化皮、飞边等。
斜垫铁的斜面粗糙度不得大于Ra25μm,斜度宜为1:20~1:10,对于中心较高或震动较大的设备采用1:20的斜度为宜。
每一组垫铁的最小面积,可按公式(1)近似计算。
A:每一组垫铁的最小面积,mm2;C:安全系数,宜取~3,一般取;Q1:设备的质量加在该垫铁组上的载荷,N;Q2:地脚螺栓拧紧后,分布在该垫铁组上的压力,可取地脚螺栓拧紧后所产生的轴向力,可按附录A选用,N;n:垫铁组数;R:基础混凝土单位面积抗压强度,可采用混凝土设计强度,MPa;d0:地脚螺栓直径,mm;σ:地脚螺栓抗拉强度N/mm2;n':地脚螺栓的数量。
(1公斤力=,1MPa=10公斤力/cm2,1Pa=1N/m2)5、A值计算出后,可在表2选用比计算A值大的垫铁;当垫铁承载能力有余,而长度不够时,可选较大规格的垫铁。
垫铁加工形状见图1。
6、斜垫铁应配对使用,与平垫铁组成垫铁组时,垫铁的层数宜为三层(即一平二斜),最多不应超过四层,薄垫铁厚度不应小于2mm,并放在斜垫铁与厚平垫铁之间。
斜垫铁可与同号或者大一号的平垫铁搭配使用。
垫铁组的高度宜为30mm~70mm。
7、垫铁直接放置在基础上,应整齐平稳、接触良好,接触面积应不小于50%。
平垫铁顶面水平度的允许偏差为2mm/m,各垫铁组顶面的标高应与设备地面实际安装标高相符。
8、若采用压浆法或座浆法放置垫铁,放置方法应符合附录B的规定。
9、设备找平后,垫铁组布置应符合下列要求:a) 每一垫铁组应放置整齐平稳,接触良好,并应露出底座10mm~30mm;b) 地脚螺栓两侧的垫铁组,每块垫铁伸入及其底座底面的长度,均应超过地脚螺栓;c) 设备底座的底面与垫铁接触宽度不够时,垫铁组放置的位置应保证底座坐落在垫铁组承压面的中部;d) 配对斜垫铁的搭接长度应小于全长的3/4,其相互间的偏斜角α应不大于3°。
垫铁计算公式垫铁组布置应符合下列规定:1、在地脚螺栓两侧各放置一组,应使垫铁靠近地脚螺栓,当地脚螺栓间距小于300mm时,可在各地脚螺栓得同一侧放置一组垫铁;2、相邻两垫铁组间距,可根据设备本体重量、底座得结构形式以及载荷分布等具体情况而定,宜为500mm~1000mm;3、对于带锚板得地脚螺栓两侧得垫铁组,应放置在预留孔得两侧。
4、垫铁表面平整,无氧化皮、飞边等。
斜垫铁得斜面粗糙度不得大于Ra25μm,斜度宜为1:20~1:10,对于中心较高或震动较大得设备采用1:20得斜度为宜。
每一组垫铁得最小面积,可按公式(1)近似计算。
A:每一组垫铁得最小面积,mm2;C:安全系数,宜取1、5~3,一般取2、3;Q1:设备得质量加在该垫铁组上得载荷,N;Q2:地脚螺栓拧紧后,分布在该垫铁组上得压力,可取地脚螺栓拧紧后所产生得轴向力,可按附录A选用,N;n:垫铁组数;R:基础混凝土单位面积抗压强度,可采用混凝土设计强度,MPa;d0:地脚螺栓直径,mm;σ:地脚螺栓抗拉强度N/mm2;n':地脚螺栓得数量。
(1公斤力=9、8N,1MPa=10公斤力/cm2,1Pa=1N/m2)5、A值计算出后,可在表2选用比计算A值大得垫铁;当垫铁承载能力有余,而长度不够时,可选较大规格得垫铁。
垫铁加工形状见图1。
6、斜垫铁应配对使用,与平垫铁组成垫铁组时,垫铁得层数宜为三层(即一平二斜),最多不应超过四层,薄垫铁厚度不应小于2mm,并放在斜垫铁与厚平垫铁之间。
斜垫铁可与同号或者大一号得平垫铁搭配使用。
垫铁组得高度宜为30mm~70mm。
7、垫铁直接放置在基础上,应整齐平稳、接触良好,接触面积应不小于50%。
平垫铁顶面水平度得允许偏差为2mm/m,各垫铁组顶面得标高应与设备地面实际安装标高相符。
8、若采用压浆法或座浆法放置垫铁,放置方法应符合附录B得规定。
9、设备找平后,垫铁组布置应符合下列要求:a) 每一垫铁组应放置整齐平稳,接触良好,并应露出底座10mm~30mm;b) 地脚螺栓两侧得垫铁组,每块垫铁伸入及其底座底面得长度,均应超过地脚螺栓;c) 设备底座得底面与垫铁接触宽度不够时,垫铁组放置得位置应保证底座坐落在垫铁组承压面得中部;d)配对斜垫铁得搭接长度应小于全长得3/4,其相互间得偏斜角α应不大于3°。
垫铁计算公式————————————————————————————————作者: ————————————————————————————————日期:ﻩ垫铁计算公式垫铁组布置应符合下列规定:1、在地脚螺栓两侧各放置一组,应使垫铁靠近地脚螺栓,当地脚螺栓间距小于300mm时,可在各地脚螺栓的同一侧放置一组垫铁;2、相邻两垫铁组间距,可根据设备本体重量、底座的结构形式以及载荷分布等具体情况而定,宜为500mm ~1000mm;3、对于带锚板的地脚螺栓两侧的垫铁组,应放置在预留孔的两侧。
4、垫铁表面平整,无氧化皮、飞边等。
斜垫铁的斜面粗糙度不得大于Ra 25μm,斜度宜为1:20~1:10,对于中心较高或震动较大的设备采用1:20的斜度为宜。
每一组垫铁的最小面积,可按公式(1)近似计算。
()nRQ Q C 21A +⨯≥ []'4Q 202n d σπ= A:每一组垫铁的最小面积,mm 2;C:安全系数,宜取1.5~3,一般取2.3;Q 1:设备的质量加在该垫铁组上的载荷,N;Q 2:地脚螺栓拧紧后,分布在该垫铁组上的压力,可取地脚螺栓拧紧后所产生的轴向力,可按附录A 选用,N ;n:垫铁组数;R :基础混凝土单位面积抗压强度,可采用混凝土设计强度,MP a; d0:地脚螺栓直径,mm ;σ:地脚螺栓抗拉强度N/mm 2;n ':地脚螺栓的数量。
(1公斤力=9.8N ,1MPa =10公斤力/cm 2,1Pa =1N/m2)5、A 值计算出后,可在表2选用比计算A 值大的垫铁;当垫铁承载能力有余,而长度不够时,可选较大规格的垫铁。
垫铁加工形状见图1。
6、斜垫铁应配对使用,与平垫铁组成垫铁组时,垫铁的层数宜为三层(即一平二斜),最多不应超过四层,薄垫铁厚度不应小于2mm,并放在斜垫铁与厚平垫铁之间。
斜垫铁可与同号或者大一号的平垫铁搭配使用。
垫铁组的高度宜为30mm~70mm。
7、垫铁直接放置在基础上,应整齐平稳、接触良好,接触面积应不小于50%。
垫铁计算公式垫铁组布置应符合下列规定:1、在地脚螺栓两侧各放置一组,应使垫铁靠近地脚螺栓,当地脚螺栓间距小于300mm时,可在各地脚螺栓的同一侧放置一组垫铁;2、相邻两垫铁组间距,可根据设备本体重量、底座的结构形式以及载荷分布等具体情况而定,宜为500mm~1000mm;3、对于带锚板的地脚螺栓两侧的垫铁组,应放置在预留孔的两侧。
4、垫铁表面平整,无氧化皮、飞边等。
斜垫铁的斜面粗糙度不得大于Ra25μm,斜度宜为1:20~1:10,对于中心较高或震动较大的设备采用1:20的斜度为宜。
每一组垫铁的最小面积,可按公式(1)近似计算。
A:每一组垫铁的最小面积,mm2;C:安全系数,宜取1.5~3,一般取2.3;Q1:设备的质量加在该垫铁组上的载荷,N;Q2:地脚螺栓拧紧后,分布在该垫铁组上的压力,可取地脚螺栓拧紧后所产生的轴向力,可按附录A选用,N;n:垫铁组数;R:基础混凝土单位面积抗压强度,可采用混凝土设计强度,MPa;d0:地脚螺栓直径,mm;σ:地脚螺栓抗拉强度N/mm2;n':地脚螺栓的数量。
(1公斤力=9.8N,1MPa=10公斤力/cm2,1Pa=1N/m2)5、A值计算出后,可在表2选用比计算A值大的垫铁;当垫铁承载能力有余,而长度不够时,可选较大规格的垫铁。
垫铁加工形状见图1。
6、斜垫铁应配对使用,与平垫铁组成垫铁组时,垫铁的层数宜为三层(即一平二斜),最多不应超过四层,薄垫铁厚度不应小于2mm,并放在斜垫铁与厚平垫铁之间。
斜垫铁可与同号或者大一号的平垫铁搭配使用。
垫铁组的高度宜为30mm~70mm。
7、垫铁直接放置在基础上,应整齐平稳、接触良好,接触面积应不小于50%。
平垫铁顶面水平度的允许偏差为2mm/m,各垫铁组顶面的标高应与设备地面实际安装标高相符。
8、若采用压浆法或座浆法放置垫铁,放置方法应符合附录B的规定。
9、设备找平后,垫铁组布置应符合下列要求:a) 每一垫铁组应放置整齐平稳,接触良好,并应露出底座10mm~30mm;b) 地脚螺栓两侧的垫铁组,每块垫铁伸入及其底座底面的长度,均应超过地脚螺栓;c) 设备底座的底面与垫铁接触宽度不够时,垫铁组放置的位置应保证底座坐落在垫铁组承压面的中部;d) 配对斜垫铁的搭接长度应小于全长的3/4,其相互间的偏斜角α应不大于3°。
垫铁计算公式
垫铁组布置应符合下列规定:
1在地脚螺栓两侧各放置一组,应使垫铁靠近地脚螺栓,当地脚螺栓间距小于300mm寸, 可在各地脚螺栓的同一侧放置一组垫铁;
2、相邻两垫铁组间距,可根据设备本体重量、底座的结构形式以及载荷分布等具体情况
而定,宜为 500mnrr 1000mm
3、对于带锚板的地脚螺栓两侧的垫铁组,应放置在预留孔的两侧。
4、垫铁表面平整,无氧化皮、飞边等。
斜垫铁的斜面粗糙度不得大于Ra25卩m斜度宜为
1: 20〜1: 10,对于中心较高或震动较大的设备采用1: 20的斜度为宜。
每一组垫铁的最小面积,可按公式 (1) 近似计算。
A:每一组垫铁的最小面积,口血
C:安全系数,宜取1.5〜3, 一般取2.3 ;
Q:设备的质量加在该垫铁组上的载荷,N;
Q:地脚螺栓拧紧后,分布在该垫铁组上的压力,可取地脚螺栓拧紧后所产生的轴向力,可按附录A选用,N;
n垫铁组数;
R:基础混凝土单位面积抗压强度,可采用混凝土设计强度,MPa
d o :地脚螺栓直径,mm
(T :地脚螺栓抗拉强度N/mr r;
n,:地脚螺栓的数量。
(1 公斤力=9.8N, 1MPa=1(公斤力 /cm2,1Pa=1N/rf)
5、 A值计算出后,可在表2选用比计算A值大的垫铁;当垫铁承载能力有余,而长度不够时,可选较大规格的垫铁。
垫铁加工形状见图 1。
6、斜垫铁应配对使用,与平垫铁组成垫铁组时,垫铁的层数宜为三层(即一平二斜 ),最
多不应超过四层,薄垫铁厚度不应小于2mm并放在斜垫铁与厚平垫铁之间。
斜垫铁可与同号或者大一号的平垫铁搭配使用。
垫铁组的高度宜为30mm〜70mm。
7、垫铁直接放置在基础上,应整齐平稳、接触良好,接触面积应不小于50%。
平垫铁顶面
水平度的允许偏差为2mm/m各垫铁组顶面的标高应与设备地面实际安装标高相符。
&若采用压浆法或座浆法放置垫铁,放置方法应符合附录B的规定
9、设备找平后,垫铁组布置应符合下列要求:
a)每一垫铁组应放置整齐平稳,接触良好,并应露出底座10mmr30mm
b)地脚螺栓两侧的垫铁组,每块垫铁伸入及其底座底面的长度,均应超过地脚螺栓;
c)设备底座的底面与垫铁接触宽度不够时,垫铁组放置的位置应保证底座坐落在垫铁组承压面的中部;
d)配对斜垫铁的搭接长度应小于全长的 3/4,其相互间的偏斜角a应不大于3°。
10、设备用垫铁找平、找正后,对垫铁组应做如下检查:
a)用 0.25kg 或 0.5kg 的手锤敲击检查垫铁组的松紧程度,应无松动现象;
b)用0.005mm的塞尺检查,垫板之间及垫铁与底座底面之间的间隙,在垫铁同一断面处从两侧塞入的长度总和,不应超过垫板长(宽)度的 1/3。
11、垫铁组检查合格后应在垫铁组的两侧进行层间定位焊焊牢,垫铁与设备底座之间不得焊
接。
12、安装在金属结构上的设备调平后,其垫铁均应与金属结构用定位焊焊牢。