空气中粉尘爆炸极限表
- 格式:docx
- 大小:26.82 KB
- 文档页数:7
空气中粉尘爆炸极限表 This model paper was revised by the Standardization Office on December 10, 2020粉尘种类粉尘爆炸下极限g/m3起火点℃金属钼35645锑420416锌500680锆40常温硅160775钛45460铁120316钒220500硅铁合金425860镁20520镁铝合金50535锰210450热固性塑料绝缘胶木30460环氧树脂20540酚甲酰胺25500酚糠醛25520热塑性塑料缩乙醛35440醇酸155500乙基纤维素20340合成橡胶30320醋酸纤维素35420四氟乙烯-670尼龙30500丙酸纤维素25460聚丙烯酰胺40410聚丙烯腈25500聚乙烯20410聚对苯二甲酸乙40500酯聚氯乙烯-660聚醋酸乙烯酯40550聚苯乙烯20490聚丙烯20420聚乙烯醇35520甲基纤维素30360木质素65510松香55440塑料一次原料己二酸35550酪蛋白45520对苯二酸50680多聚甲醛40410对羧基苯甲醛20380塑料填充剂软木35470纤维素絮凝物55420棉花絮凝物50470木屑40430农产品及其它玉米及淀粉45470大豆40560小麦60470花生壳85570砂糖19410煤炭(沥青)35610肥皂45430干浆纸60480(1)粉尘粒径越小,爆炸下限越低。
(2)氧浓度越高,爆炸下限越低。
(3)可燃挥发性成分含量越高,粉尘爆炸下限越低。
工作场所空气中粉尘容许浓度(mg/m3)**指游离SiO低于10%,不含石棉和有毒物质,而尚未制定容许浓度的粉尘。
表中列出的2高于10%者,却按矽尘容许浓度对待。
各种粉2尘(石棉纤维尘外),游离SiO2。
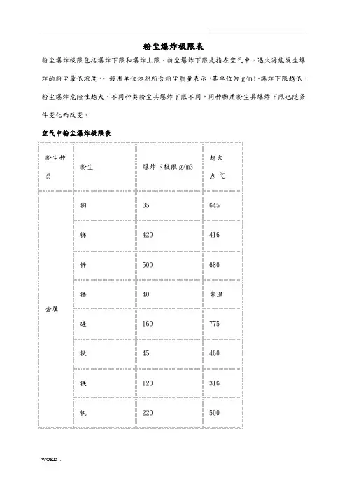
粉尘爆炸极限表粉尘爆炸极限包括爆炸下限和爆炸上限。
粉尘爆炸下限是指在空气中,遇火源能发生爆 炸的粉尘最低浓度。
一般用单位体积内所含粉尘质量表示,其单位为 g/m3。
爆炸下限 越低,粉尘爆炸危险性越大。
不同种类粉尘其爆炸下限不同,同种物质粉尘其爆炸下限 也随条件变化而改变。
空气中粉尘爆炸极限表 粉尘种 类 粉尘 爆炸下极限 g/m3 35 420 500 40 160 45 120 220 425 20 50 210 30 20 25 25 起火 点 ℃ 645 416 680 常温 775 460 316 500 860 520 535 450 460 540 500 520钼 锑 锌 锆 硅 钛 金属 铁 钒 硅铁合金 镁 镁铝合金 锰 绝缘胶木 环氧树脂 酚甲酰胺 酚糠醛热固性 塑料缩乙醛 醇酸 乙基纤维素 合成橡胶 醋酸纤维素 四氟乙烯 尼龙 丙酸纤维素 聚丙烯酰胺 聚丙烯腈 热塑性 塑料 聚乙烯 聚对苯二甲酸乙 酯 聚氯乙烯 聚醋酸乙烯酯 聚苯乙烯 聚丙烯 聚乙烯醇 甲基纤维素 木质素 松香 塑料一 己二酸35 155 20 30 35 30 25 40 25 20 40 40 20 20 35 30 65 55 35440 500 340 320 420 670 500 460 410 500 410 500 660 550 490 420 520 360 510 440 550次原料酪蛋白 对苯二酸 多聚甲醛 对羧基苯甲醛 软木 纤维素絮凝物 棉花絮凝物 木屑 玉米及淀粉 大豆 小麦 花生壳 砂糖 煤炭(沥青) 肥皂 干浆纸45 50 40 20 35 55 50 40 45 40 60 85 19 35 45 60520 680 410 380 470 420 470 430 470 560 470 570 410 610 430 480塑料填 充剂农产品 及其它(1)粉尘粒径越小,爆炸下限越低。
空气中粉尘爆炸极限表 Document serial number【KK89K-LLS98YT-SS8CB-SSUT-SST108】
酚甲酰胺25500酚糠醛25520
热塑性塑料缩乙醛35440
醇酸155500乙基纤维素20340合成橡胶30320醋酸纤维素35420四氟乙烯-670尼龙30500丙酸纤维素25460聚丙烯酰胺40410聚丙烯腈25500聚乙烯20410
聚对苯二甲酸乙
酯
40500聚氯乙烯-660聚醋酸乙烯酯40550聚苯乙烯20490聚丙烯20420聚乙烯醇35520
甲基纤维素30360木质素65510松香55440
塑料一次原料己二酸35550酪蛋白45520对苯二酸50680多聚甲醛40410对羧基苯甲醛20380
塑料填充剂软木35470纤维素絮凝物55420棉花絮凝物50470木屑40430
农产品及其它玉米及淀粉45470大豆40560小麦60470花生壳85570砂糖19410煤炭(沥青)35610肥皂45430干浆纸60480
高于10%者,却按矽尘容许浓度对待。
的各种粉2尘(石棉纤维尘外),游离SiO
2。
空气中粉尘爆炸极限表 WTD standardization office【WTD 5AB- WTDK 08- WTD 2C】
热固性塑料绝缘胶木30 460 环氧树脂20 540 酚甲酰胺25 500 酚糠醛25 520
热塑性塑料缩乙醛35 440
醇酸155 500 乙基纤维素20 340 合成橡胶30 320 醋酸纤维素35 420 四氟乙烯- 670 尼龙30 500 丙酸纤维素25 460 聚丙烯酰胺40 410 聚丙烯腈25 500 聚乙烯20 410
聚对苯二甲酸乙
酯
40 500 聚氯乙烯- 660 聚醋酸乙烯酯40 550 聚苯乙烯20 490
聚丙烯20 420 聚乙烯醇35 520 甲基纤维素30 360 木质素65 510 松香55 440
塑料一次原料己二酸35 550 酪蛋白45 520 对苯二酸50 680 多聚甲醛40 410 对羧基苯甲醛20 380
塑料填充剂软木35 470 纤维素絮凝物55 420 棉花絮凝物50 470 木屑40 430
农产品及其它玉米及淀粉45 470 大豆40 560 小麦60 470 花生壳85 570 砂糖19 410
煤炭(沥青)35 610 肥皂45 430 干浆纸60 480
**指游离SiO2低于10%,不含石棉和有毒物质,而尚未制定容许浓度的粉尘。
表中列出的各种粉2尘(石棉纤维尘外),游离SiO2高于10%者,却按矽尘容许浓度对待。
.粉尘爆炸极限表粉尘爆炸极限包括爆炸下限和爆炸上限。
粉尘爆炸下限是指在空气中,遇火源能发生爆炸的粉尘最 低浓度。
一般用单位体积内所含粉尘质量表示,其单位为 g/m3。
爆炸下限越低,粉尘爆炸危险性 越大。
不同种类粉尘其爆炸下限不同,同种物质粉尘其爆炸下限也随条件变化而改变。
空气中粉尘爆炸极限表粉尘种 类粉尘爆炸下极限 g/m3起火 点℃钼35645锑420416锌500680锆40常温金属硅160775钛45460铁120316钒220500硅铁合金425860.镁20镁铝合金50锰210绝缘胶木30环氧树脂 热固性20塑料酚甲酰胺25酚糠醛25缩乙醛35醇酸155乙基纤维素20热塑性合成橡胶30塑料醋酸纤维素35四氟乙烯-尼龙30.520 535 450 460 540 500 520 440 500 340 320 420 670 500.丙酸纤维素25聚丙烯酰胺40聚丙烯腈25聚乙烯20聚对苯二甲酸乙40 酯聚氯乙烯-聚醋酸乙烯酯40聚苯乙烯20聚丙烯20聚乙烯醇35甲基纤维素30木质素65松香55.460 410 500 410500660 550 490 420 520 360 510 440.己二酸35酪蛋白45塑料一对苯二酸50次原料多聚甲醛40对羧基苯甲醛20软木35纤维素絮凝物 塑料填55充剂棉花絮凝物50木屑40玉米及淀粉45大豆40农产品小麦60及其它花生壳85砂糖19.550 520 680 410 380 470 420 470 430 470 560 470 570 410.煤炭(沥青)35.610肥皂45430干浆纸60480(1)粉尘粒径越小,爆炸下限越低。
(2)氧浓度越高,爆炸下限越低。
(3)可燃挥发性成分含量越高,粉尘爆炸下限越低。
工作场所空气中粉尘容许浓度(mg/m3)序 中文名 CAS No.号1 白云石粉尘2 玻璃钢粉尘3 茶尘沉淀 SiO2(白炭黑) 4(112926-00-8)英文名PC-TWA(mg/m3) 呼 超限总尘 尘 倍数Dolomite dustFiberglass reinforced plastic dust(total)Tea dust(total)8423222Precipitated silica dust(total) 52.序 中文名 CAS No.号.英文名PC-TWA(mg/m3) 呼 超限总尘 尘 倍数5 大理石粉尘(1317-65-3)Marble dust8426 电焊烟尘Welding fume(total)42二氧化钛粉尘7Titanium dioxide dust(total)82(13463-67-7)8 沸石粉尘Zeolite dust(total)529 酚醛树酯粉尘Phenolic aldehyde resin dust(total)62谷物粉尘(游离 SiO2 含10Grain dust(free SiO2<10%)(total) 42量<10%)硅灰石粉尘 11(13983-17-0)Wollastonite dust(total)52硅藻土粉尘 12 (61790-53-2)Diatomite dust free SiO2<10%(total)游离 SiO2 含量<10%62滑石粉尘(游离 SiO2 含13 量<10%)Talc dust(free SiO2<10%)(14807-96-6)活性炭粉尘 14(64365-11-3)Active carbon dust(total)3125215 聚丙烯粉尘Polypropylene dust(total)5216 聚丙烯腈纤维粉尘Polyacryonitrile fiber dust(total).22序 中文名 CAS No.号.英文名聚氯乙烯粉尘 17(9002-86-2)Polyvinyl chloride(PVC)dust(total)18 聚乙烯粉尘(9002-88-4)Polyethylene dust(total)铝尘(7429-90-5) Aluminium dust19 铝金属、铝合金粉尘 Alloys dust氧化铝粉尘Aluminium oxide dust麻尘Flax,jute and remine dusts(游离 SiO2 含量 <10%) (free SiO2 <10%)(total)20 亚麻Flax黄麻Jute苎麻Ramie21 煤尘(游离 SiO2 含量 Coal dust(free SiO2<10%) <10%)22 棉尘Cotton dust(total)23 木粉尘Wood dust(total)24 凝聚 SiO2 粉尘Condensed silica dust25 膨润士粉尘(1302-78-9)Bentonite dust(total)26 皮毛粉尘Fur dust(total)27 人造玻璃质纤维Man-made vitrious fiberPC-TWA(mg/m3) 呼 超限总尘 尘 倍数52522324221.5222324 2.5 212321.5 0.5 262822.序 中文名 CAS No.号.英文名PC-TWA(mg/m3) 呼 超限总尘 尘 倍数玻璃棉棉粉尘)Fibrous glass dust(total)32矿渣棉粉尘Slag wool dust(total)32岩棉粉法Rock wool dust(total)3228 桑蚕丝尘Mulberry silk dust(total)8229 砂轮磨尘Grinding wheel dust(total)8230 石膏粉尘(10101-41-4)Gypsum dust84231 石灰石粉尘(1317-65-3)Limestone dust842石棉(石棉含量〉10%) Asbestos (asbestos >10%)21332-21-432 粉尘dust0.82纤维Asbestos fibre0.8f/ml233 石墨粉尘(7782-42-5) Graphite dust422水泥粉尘(游离 SiO2 含34Cement dust(free SiO2<10%)量<10%)4 1.5 235 炭黑粉尘(1333-86-4) Carbon black dust(total)4236 碳化硅粉尘(409-21-2)Silicon carbide dust84237 碳纤维粉尘Carbon fiber dust(total)32矽尘(14808-60-7) Silica dust 38含 10%~50%游离 Containing 10%~50% free SiO22 1 0.7 2.序 中文名 CAS No.号.英文名PC-TWA(mg/m3) 呼 超限总尘 尘 倍数SiO2 的粉尘含 50%~80%游离 Containing 50%~80% free SiO2SiO2 粉尘0.7 0.3 2含 80%以上游离SiO2 粉尘Containing >80% free SiO20.5 0.2 239稀土粉尘(游离 SiO2 量 <10%)含Rare-earth dust (free SiO2<10%)(total)2.5240 洗衣粉混合尘Detergent mixed dust1241 烟草尘Tobacco dust (total)2242 萤石混合性粉尘Fluorspar mixed dust (total)1 0.7 243 云母粉尘(12001-26-2)Mica dust2 1.5 2珍珠岩粉尘44Perlite dust2(93763-70-3)45 蛭石粉尘Vermiculite dust(total)3246 重晶石粉尘(7727-43-7)Barite dust (total)5247 其他粉尘**Particles not otherwise regulated82**指游离 SiO2 低于 10%,不含石棉和有毒物质,而尚未制定容许浓度的粉尘。
粉尘爆炸极限表
粉尘爆炸极限包括爆炸下限和爆炸上限。
粉尘爆炸下限是指在空气中,遇火源能发生爆炸的粉尘最低浓度。
一般用单位体积内所含粉尘质量表示,其单位为g/mso爆炸下限越低,粉尘爆炸危险性越大。
也随条件变化而改变。
空气中粉尘爆炸极限表
不同种类粉尘其爆炸下限不同,同种物质粉尘其爆炸下限
金属粉尘
爆炸下极限
g/m3
起火;
点C !
g
■钳35 645 ■■ ft1■
■
■
■辛弟420 416 t1
锌500 680
t
L
1
40 常温
I
1
1
1硅160 775
…•飞
1
■钛45 460
■
■
S
1
■
<
1铁120 316
220 500
硅铁合金425 860
J 镁20 520
■-
镁铝合金50 535
1
1镭210 450 •
绝缘胶木30 460
■
环氧树脂20 540 ■1;
1酚甲酰胺25 500
■?
酚糠醛25 520 A■
■
粉尘种类
热固性塑料
精选文库
缩乙醛 35 440 醇酸 155 500 乙基纤维素 20 340 合成橡胶 30 320 醋酸纤维素 35 420 四氟乙烯 ■ 670 尼龙 30 500 丙酸纤维素 25 460 聚丙烯酰胺 40 410 聚丙烯月青
25 500 聚乙烯 20
410
聚对苯二屮酸乙 酯 40 500
聚氯乙烯 ■
660
聚醋酸乙烯酯 40 550 聚苯乙烯 20 490 聚丙烯 20 420 聚乙烯醇 35 520 甲基纤维素
30 360 ■ L -- — ■■■■ ■…♦、
65 510 松香
55
440
热塑性 塑料
精选文库
(1)
(2)氧浓度越高,爆炸下限越低。
(3)可燃挥发性成分含量越高,粉尘爆炸下限越低。
工作场所空气中粉尘容许浓度(mg/m3)
4
6
**指游离SiO2低于10%,不含石棉和有毒物质,而尚未制;^容许浓度的粉尘。
表中列出的各种粉2尘(石棉纤维尘外),游离SiO2高于10%者,却按矽尘容许浓度对待。