1.5厚合成高分子防水涂料
- 格式:doc
- 大小:64.00 KB
- 文档页数:3
PC4标段装饰装修工程做法一览表屋面做法面砖内墙面酚醛板1、2厚配套专用界面砂浆批刮2、7厚1:1:6水泥石灰砂浆3、6厚1:0.525 水泥石灰砂浆4、素水泥砂浆一道<用专用胶粘剂粘贴时无此道工序>5、4〜5厚1:1水泥砂浆加水重20%t筑胶<或配套专用胶粘剂>粘结层6、5〜7厚面砖,白水泥擦缝或填缝剂填缝1、保护层:20厚1:2.5或M15水泥沙井抹平压光,1m&1r分格,缝宽20,密封胶嵌缝2、隔离缝:0.4厚剧乙烯膜一层或a.3厚发泡聚乙烯膜b.200g/m2聚酯无纺布c.2厚石油沥青卷材一层3、防水层:防水材料为两层3厚SBS改性沥青防水卷材,1.5厚高聚物改性沥青防水涂料组合,满铺0.4厚聚乙烯薄膜一层<防水等级一级>4、30厚C20细石砼找平5、保温层:70厚酚醛板6、20厚1: 2.5水泥砂浆找平7、最薄处30厚找坡2%找坡层:1:6水泥憎水型膨胀珍珠岩或a.1:8水泥加气块碎块b.1:6水泥焦渣C.LC5.0轻骨料砼总厚度:24〜27卫生间至吊顶上5070厚酚醛板淡米色防滑地砖600*600淡米色地砖800*800 大理石套边1.8〜10厚地砖铺实拍平,稀水泥浆擦缝2.30厚1:3干硬性水泥砂浆3. F1: 1.5厚合成高分子防水涂料,F22.0厚聚合物水泥防水涂料4. 最薄处20厚1:3水泥砂浆或C20细石砼找坡层5. 素水泥砂浆一道6.60厚C15砼垫层或现浇砼楼板7.150厚3:7灰土或碎石灌M5水泥砂浆8.素土夯实_____________________________1.8〜10厚地砖铺实拍平,稀水泥浆擦缝—2.20厚1:3干硬性水泥砂浆3.素水泥砂浆一道4.60厚C15砼垫层或现浇砼楼板5.150厚3:7灰土或碎石灌M5水泥砂浆6. 素土夯实1.20厚大理石,< 花岗岩>板、稀水泥浆或彩色水泥浆擦缝2.30厚1:3干硬性水泥砂浆3.素水泥浆一道4.60厚C15砼垫层或现浇砼楼板5.150厚3:7灰土或碎石灌M5水泥砂浆6.素土夯实卫生间二层除新风机房、厕所以外所有房间走道、楼梯细石砼防潮地面淡米黄色地砖防潮地面淡米黄色耐酸地砖1.40厚细石砼,表面撒1:1水泥砂子随打随抹光2. F C1: 1.2厚合成高分子防水涂料FC2 : 1.5厚聚合物水泥防水涂料3.60厚C15砼垫层随打随抹平4.150厚3:7灰土或碎石灌M5水泥砂浆5.素土夯实1.8〜10厚地砖铺实拍平,稀水泥浆擦缝2.30厚1:3干硬性水泥砂浆3. F1 : 1.5厚合成高分子防水涂料,F22.0厚聚合物水泥防水涂料4. 最薄处20厚1:3水泥砂浆或C20细石砼找坡层5. 素水泥砂浆一道6.60厚C15砼垫层或现浇砼楼板7.150厚3:7灰土或碎石灌M5水泥砂浆8.素土夯实1.30厚耐酸砖用呋喃胶泥铺砌,缝宽2〜32.4〜6厚呋喃胶泥结合层3.1.5厚聚氨酯隔离层,表面撒粘细石英砂4. 最薄处20厚1:3水泥砂浆或C20细石砼找坡层抹平5. 素水泥砂浆一道6.120厚C20砼垫层或现浇钢筋砼楼板7.150厚3:7灰土或碎石灌M5水泥砂浆8.素土夯实空调机房洗涤室辅助室、辛烷值/十六烷值分析室、药品室、样品室实用标准文案文档大全。
合成高分子卷材防水层一、材料要求1 三元乙丙橡胶防水卷材、氯化聚乙烯——橡胶共混防水卷材:应有出厂合格证、卷材及胶粘剂的现场抽样复验报告,并应符合现行国家标准或行业标准。
卷材规格:厚度:1.5mm、1.2mm;宽度:1.0mm;卷材长度:20.0mm。
防水卷材主要技术性能见表1。
表1 合成高分子防水卷材主要技术性能项目技术性能三元乙丙橡胶防水卷材氯化聚乙烯—橡胶共混防水卷材断裂拉伸强度(MPa)≥7.5 ≥6.0 扯断伸长率(%)≥450 ≥400 撕裂强度(Kn/m)≥25 ≥24 低温弯折(℃) ≤-40 ≤-30不透水性0.3 MPa,30min,无渗漏0.3 MPa,30min无渗漏臭氧老化伸长率40%,500pphm无裂纹伸长率20%,500pphm无裂纹注:表中三元惭丙橡胶防水卷材,执行GB18173.1-2000(JL)标准;氯化聚乙烯—橡胶共混防水卷材,执行GB18173.1-2000(JL)标准。
2 配套材料见表2。
卷材名称配套材料名称规格用途三元乙丙橡胶防水卷材聚氨酯底胶甲、乙料,双组分基层处理剂CX—404胶单组分氯丁胶卷材与基层粘结丁基胶粘剂A、B双组分卷材与卷材粘结聚氨酯密封膏甲、乙双组分卷材接缝密封氯化聚乙烯—橡胶共混防水聚氨酯底胶甲、乙料,双组分基层处理剂CX—409胶单组分氯丁粘剂卷材与基层粘结注:胶粘剂的粘结剥离强度(卷材与卷材)≥15N/10mm,浸水后的保持率不小于70%。
二、主要机具一般应备有配料桶、台秤、手持电动搅拌器、手持压辊、长把滚刷、油漆刷、扫帚、钢丝刷、开刀、剪刀、橡皮刮板、弹线盒、盒尺等。
三、作业条件1 地下防水层施工,在地下水位较高的情况下,防水层施工之前应做好降低地下水位和排水工作,地下水位应降至防水层底标高500mm以下,并保持到防水层施工完毕及底板混凝土打完。
2 铺贴防水层的基层表面,应平整、牢固、清洁、干燥,并经验收合格。
3 基层表面不得有空鼓、开裂、起砂、脱皮等缺陷。
项目屋面泳池防水工程施工方案编制人:审核人:审批人:编制单位:目录一产品介绍1二产品特性2三适用范围及技术性能 4四施工工艺4五施工过程5六施工注意事项9七施工中质量问题及处理措施10 八安全环保措施15喷涂速凝橡胶沥青防水涂料施工方案一产品介绍1.5厚喷涂速凝橡胶沥青防水涂料是采用特殊工艺将超细、悬浮、微乳型阴离子改性乳化沥青和合成高分子橡胶聚合物(A组份)与特种固化剂(B组份)混合后生成的一种高弹性防水、防腐涂料。
经现场专用设备喷涂瞬间形成致密、连续、完整并具有极高伸长率、超强弹性、优异耐久性的防水涂膜。
喷涂速凝橡胶防水材料是一种高分子聚合弹性防水材料,特点是固体含量高﹑水性环保﹑附着力强﹑超高弹性﹑并可以双组分常温喷涂,瞬时成型﹑施工机械化﹑应用广泛。
喷涂3~5秒后基本成型,胶膜可以和基层完美黏结,形成整体完美包裹,尤其对于不规则结构及边角缝,可以一次性喷涂成型,整体无连接缝。
是一种弹性胶状材料﹑其柔韧性﹑高延伸率﹑自愈修复能力突出,真正做到“皮肤式防水效果”,无窜水之忧。
二产品特性1.喷涂表面处理简便;5℃以上的各种环境都可施工;2.施工过程中,每组3—4人,可以连续作业,且不含挥发性有机化合物,无毒无味,作业过程中无废气排放、无环境污染,可以适用于密闭的空间中;3.喷涂后3—5s内即可成型,可以踩踏;且有1800%延展性和95%复原性及有效的隔音性能;能够有效解决各种构筑物因应力变形、膨胀开裂、穿刺或连接不牢等造成的渗漏、锈蚀等问题;4.涂层可完美包覆基底,实现涂层,基底之间的无缝连接,不起层,不剥离,不脱落,对基层起到良好的保护作用,对于异型结构或形状复杂的基层施工更加简便可靠,具有卷材难以实现的不窜水、不剥离特性;5.可满足不同气候区的低温柔度和耐热性的要求,使用寿命长达50年以上,在-35℃—80℃的环境温度下均可使用;6.优异的耐化学腐蚀性、耐酸碱性、耐盐和氯性能以及耐老化性能;7.喷涂后瞬间成型,一次速凝成膜,厚度可达4mm以上。
精心整理05J1-12-地1(水泥砂浆地面)·20厚1:2水泥砂浆抹面压光·素水泥浆结合层一遍·60厚C15混凝土·素土夯实05J1-12-·20厚1··80厚·05J1-12-·60厚·20·05J1-12-地5(细石混凝土地面二)·30厚C20细石混凝土随打随抹光·素水泥浆结合层一遍·80厚C15混凝土·素土夯实05J1-12-地6(细石混凝土地面二)·30厚C20细石混凝土随打随抹光·素水泥浆结合层一遍·100厚C15混凝土·05J1-13-·18·20厚1··60厚·05J1-13-·18·20厚1:4干硬性水泥砂浆·素水泥浆结合层一遍·80厚C15混凝土·素土夯实05J1-13-地17(陶瓷锦砖地面)·4-5厚陶瓷锦砖铺实拍平,素水泥浆擦缝(俗称马赛克)·20厚1:4干硬性水泥砂浆·素水泥浆结合层一遍·60厚C15混凝土·素土夯实05J1-13-·4-5·20厚1··80厚·05J1-14-·8-10·20厚1·素水泥浆结合层一遍·80厚C15混凝土·素土夯实05J1-14-地20(陶瓷地砖地面)·8-10厚地砖铺实拍平,素水泥浆擦缝(陶瓷地砖又名地砖或地面陶瓷砖)·20厚1:4干硬性水泥砂浆·素水泥浆结合层一遍·100厚C15混凝土·素土夯实05J1-14-·20·30厚1··80厚·05J1-14-·20·30厚1··100厚C15混凝土·素土夯实05J1-14-地23(碎拼大理石地面)·20厚碎拼大理石板铺实拍平,1:2水泥砂浆填缝,表面磨光·25厚1:4干硬性水泥砂浆·素水泥浆结合层一遍·80厚C15混凝土·素土夯实05J1-14-地24(碎拼大理石地面)·20厚碎拼大理石板铺实拍平,1:2水泥砂浆填缝,表面磨光·25厚1··100厚·05J1-14-·20·30厚1··80厚·05J1-14-地26(花岗岩地面)·20厚花岗岩板铺实拍平,素水泥浆擦缝(花岗岩规格一般小于等于500*500*20,详见设计)·30厚1:4干硬性水泥砂浆·素水泥浆结合层一遍·100厚C15混凝土·素土夯实05J1-18-地46(水泥砂浆防水地面)·20厚1:2水泥砂浆抹面压光·素水泥浆结合层一遍·60厚·60厚·05J1-18-·20厚1··60厚·80厚·05J1-19-地52(陶瓷地砖防水地面)·8-10厚地砖铺实拍平,水泥浆擦缝或1:1水泥砂浆填缝·20厚1:4干硬性水泥砂浆·1.5厚聚氨酯防水涂料,面上撒黄砂,四周沿墙上翻150高·刷基层处理剂一遍·15厚1:2水泥砂浆找平·50厚C15细石混凝土找坡不小于0.5%,最薄处不小于30·80厚C15混凝土·素土夯实05J1-27-·18·20厚1··05J1-27-·8-10·20厚1··钢筋混凝土楼板05J1-28-楼11(大理石楼面)·20厚大理石铺实拍平,水泥浆擦缝(大理石规格一般小于等于500*500*20,详见设计)·30厚1:4干硬性水泥砂浆·素水泥浆结合层一遍·钢筋混凝土楼板05J1-28-楼12(碎拼大理石楼面)·20厚碎拼大理石板铺实拍平,1:2水泥砂浆填缝,表面磨光·25厚1:4干硬性水泥砂浆··05J1-28-·20·30厚1··05J1-32-·8-10·25厚1:4干硬性水泥砂浆·1.5厚聚氨酯防水涂料,面撒黄砂,四周沿墙上翻150高·刷基层处理剂一遍·15厚1:2水泥砂浆找平·50厚C15细石混凝土找坡不小于0.5%,最薄处不小于30厚·钢筋混凝土楼板05J1-33-楼29(水泥砂浆防水楼面)·20厚1:2水泥砂浆抹面压光·素水泥浆结合层一遍·50厚C15细石混凝土防水层找坡不小于0.5%,最薄处不小于30厚·05J1-33-·30厚·1.2··20厚1·05J1-39-·18厚1:3石灰砂浆·2厚麻刀(或纸筋)石灰面05J1-39-内墙2(石灰砂浆墙面二)·18厚1:3石灰砂浆·2厚1:0.1石灰细砂面05J1-39-内墙3(混合砂浆墙面一)·18厚1:3:9水泥石灰砂浆,分两次抹灰·2厚麻刀(或纸筋)石灰面05J1-39-·15厚1·5厚105J1-39-··15厚1·5厚105J1-39-·15厚1·5厚1:2水泥砂浆05J1-40-内墙7(水泥砂浆墙面二)·刷建筑胶素水泥浆一遍,配合比为建筑胶:水=1:4 ·15厚2:1:8水泥石灰砂浆,分两次抹灰·5厚1:2水泥砂浆05J1-40-内墙8(釉面砖墙面一)·15厚1:3水泥砂浆·刷素水泥浆一遍·3-4厚1:1水泥砂浆加水重20%的建筑胶镶贴·4-505J1-40-··15厚2··3-4厚·4-505J1-40-·15厚1·刷素水泥浆一遍·4-5厚1:1水泥砂浆加水重20%的建筑胶镶贴·8-10厚面砖,水泥浆擦缝或1:1水泥砂浆勾缝05J1-41-内墙12(面砖墙面二)·刷建筑胶素水泥浆一遍,配合比为建筑胶:水=1:4 ·15厚2:1:8水泥石灰砂浆,分两次抹灰·刷素水泥浆一遍·4-5厚1:1水泥砂浆加水重20%的建筑胶镶贴·8-10厚面砖,水泥浆擦缝或1:1水泥砂浆勾缝05J1-42-··D·4-6··05J1-46-·12厚1·8厚105J1-46-外墙2(水泥砂浆外墙面二)·刷建筑胶素水泥浆一遍,配合比为建筑胶:水=1:4 ·15厚2:1:8水泥石灰砂浆,分两次抹灰·5厚1:2.5水泥砂浆05J1-46-外墙3(混合砂浆外墙面)·12厚1:1:6水泥石灰砂浆·8厚1:1:4水泥石灰砂浆05J1-48-外墙12(面砖外墙面一)·15厚1··4-5厚·8-1005J1-48-··15厚2··4-5厚·8-1005J1-48-外墙14(花岗岩外墙面)·30厚1:2.5水泥砂浆、分层灌浆·20-30厚花岗岩板(背面用双股16号铜丝绑扎与墙面固定)·水泥浆擦缝05J1-50-外墙21(水性涂料外墙面一)·12-15厚1:3水泥砂浆·5-8厚1:2.5水泥砂浆木抹搓平·喷或滚刷底涂料一遍·喷或滚刷底涂料两遍05J1-50-·12-15·5-8厚··05J1-50-··12-15·5-8厚·喷或滚刷底涂料一遍·喷或滚刷底涂料两遍05J1-50-外墙23(溶剂型涂料外墙面二)·刷建筑胶素水泥浆一遍,配合比为建筑胶:水=1:4·12-15厚2:1:8水泥石灰砂浆,分两次层抹灰·5-8厚1:2.5水泥砂浆·喷或滚刷底涂料一遍·喷或滚刷底涂料两遍05J1-52-外墙27(胶粉聚苯颗粒保温外墙面)··D·4-6··05J1-59-·6厚1·6厚105J1-59-踢2(150高水泥砂浆踢脚一)·6厚1:3水泥砂浆·6厚1:2水泥砂浆抹面压光05J1-59-踢3(120高水泥砂浆踢脚二)·15厚1:3水泥砂浆·10厚1:2水泥砂浆抹面压光05J1-59-踢4(150高水泥砂浆踢脚二)·15厚1:3水泥砂浆·10厚105J1-59-··15厚2·10厚105J1-59-··15厚2·10厚105J1-59-踢21(100高面砖踢脚一)·17厚1:3水泥砂浆·3-4厚1:1水泥砂浆加水重20%建筑胶镶贴·8-10厚面砖,水泥浆擦缝05J1-59-踢22(150高面砖踢脚一)·17厚1:3水泥砂浆·3-4厚1:1水泥砂浆加水重20%建筑胶镶贴·8-10厚面砖,水泥浆擦缝05J1-59-··17厚2·3-4厚·8-1005J1-59-··17厚2·3-4厚·8-1005J1-62-踢25(120高石质板材踢脚一灌浆法)·灌20厚1:2.5水泥砂浆·20厚石质板材,水泥浆擦缝05J1-62-踢26(150高石质板材踢脚一灌浆法)·灌20厚1:2.5水泥砂浆·20厚石质板材,水泥浆擦缝05J1-62-踢27(120高石质板材踢脚二粘贴法)·15厚1:3水泥砂浆·5-6厚·1005J1-62-·15厚1·5-6厚·1005J1-62-··15厚2·5-6厚1:1水泥砂浆加水重20%建筑胶镶贴·10厚大理石板,水泥浆擦缝工程做法(天棚)05J1-67-顶1(石灰砂浆顶棚)·钢筋混凝土板底面清理干净·10厚1:1:4水泥石灰砂浆·2厚麻刀(或纸筋)石灰面·表面喷刷涂料另选05J1-67-顶3(混合砂浆顶棚)··7厚1·5厚1·05J1-67-··7厚1·5厚1·工程做法(屋面)05J1-94-屋6(铺块材上人屋面)·保护层:8-10厚地砖铺平拍实,缝宽5-8,1:1水泥砂浆填缝·结合层:1:4干硬性水泥砂浆,面上撒素水泥·隔离层:满铺0.15厚聚乙烯薄膜一层·防水层:按屋面说明附表1选用·找平层:1:3水泥砂浆,砂浆中掺聚丙烯或锦沦-6纤维0.75-0.90kg/立方米·保温层:B2为聚苯乙烯泡沫塑料板,B1为挤塑聚苯乙烯泡沫塑料板·找坡层:1:8水泥膨胀珍珠岩找2%坡·结构层:钢筋混凝土屋面板05J1-94-··········结构层:钢筋混凝土屋面板05J1-98-屋13(不上人涂料或粒料保护层屋面)·保护层:涂料或粒料·防水层:按屋面说明附表1选用·找平层:1:3水泥砂浆,砂浆中掺聚丙烯或锦沦-6纤维0.75-0.90kg/立方米·保温层:B2为聚苯乙烯泡沫塑料板,B1为挤塑聚苯乙烯泡沫塑料板·找坡层:1:8水泥膨胀珍珠岩找2%坡·结构层:钢筋混凝土屋面板05J1-98-········平屋面(柔性)防水层材料选用表??附件表1代号????材料类别????厚度(mm)F1????高聚物改性沥青防水卷材????>=3.0 ????高聚物改性沥青防水卷材????>=3.0 ????基层处理剂????F2????高聚物改性沥青防水卷材????>=3.0 ????高聚物改性沥青防水涂料????>=3.0????F3????????????F4????????????F5????????合成高分子防水涂料????>=1.5 ????基层处理剂????F6????高聚物改性沥青防水卷材????>=4.0 ????基层处理剂????????高聚物改性沥青防水涂料????>=3.0 ????基层处理剂????F8????合成高分子防水卷材????>=1.2 ????基层处理剂????F9????合成高分子防水涂料????>=2.0????F10????????05J1-77-····05J1-80-涂12(金属基层调和漆一)·清理金属面除锈·除锈漆或红丹一遍·刮腻子、磨光·调和漆两遍05J1-80-涂13(金属基层调和漆二)·清理金属面除锈·除锈漆或红丹一遍·刮腻子、磨光·调和漆三遍05J1-82-·····60厚·150厚·素土夯实,向外坡4%05J1-113-散2(细石混凝土散水)·40厚C15细石混凝土,面上加5厚1:1水泥砂浆随打随抹光·150厚3:7灰土·素土夯实,向外坡4%05J1-113-散3(水泥砂浆散水)·40厚C15细石混凝土,面上加5厚1:1水泥砂浆随打随抹光·150厚3:7灰土·素土夯实,向外坡4%·20厚1··60厚·300厚··20厚1·M5.0·300厚3:7灰土(厚度不包括踏步三角部分)·素土夯实05J1-116-台5(陶瓷地砖台阶)·8-10厚地砖,缝宽5-8,1:1水泥砂浆填缝·25厚1:4干硬性水泥砂浆·素水泥浆结合层一遍·60厚C15混凝土台阶(厚度不包括踏步三角部分)·300厚3:7灰土·素土夯实·20-25·30厚1··60厚·300厚··60厚·300厚·素土夯实05J1-117-坡1(60厚混凝土坡道)·60厚C15混凝土,面上加5厚1:1水泥砂浆捣实,木抹搓平·300厚3:7灰土·素土夯实(坡度按单项工程设计)05J1-117-坡2(100厚混凝土坡道)·100厚C15混凝土,面上加5厚1:1水泥砂浆捣实,木抹搓平·300厚3:7灰土·素土夯实(坡度按单项工程设计)·20厚1··60厚·300厚··20厚1··100厚C15混凝土·300厚3:7灰土·素土夯实(坡度按单项工程设计)05J1-117-坡4(100厚水泥砂浆坡道)·20厚1:2水泥砂浆,木抹搓平·素水泥浆结合层一遍·100厚C15混凝土·300厚3:7灰土·素土夯实(坡度按单项工程设计)·25厚1··60厚·300厚··25厚1··100厚·300厚3:7灰土·素土夯实(坡度按单项工程设计)05J1-118-坡9(地砖坡道)·8-10厚地砖,每150-200做一道15宽水泥金刚砂防滑条(高出砖面3),横向砖缝宽5-8·20厚1:4干硬性水泥砂浆·素水泥浆结合层一遍·100厚C15混凝土·300厚3:7灰土·素土夯实(坡度按单项工程设计)·40·30厚1··60厚·300厚··40·30厚1·素水泥浆结合层一遍·60厚C15混凝土·300厚3:7灰土·素土夯实(坡度按单项工程设计)工程做法(道路)05J1-121-路1(120混凝土车行道路面)·120厚C25混凝土面层·25厚粗砂·300厚3:7灰土·路基碾压密实·180厚·25·300厚··220厚·25·300厚·路基碾压密实05J5项目编码????项目名称????计量单位????备注5-1-24-2制作、运输、安装、刷油漆????吨????Ⅱ型????米????2米范围内采用钢管外刷涂料含16个落水口参见????参见????B-1????B-1????B-1????B-1????05J5-1-42-18????平方米????05J6项目编码????项目名称????计量单位????备注????固定金属网窗护栏1、????尺寸:2300*20002、????05J6-93-5????樘????05J705J8项目编码????项目名称????计量单位????备注油漆品种、刷漆遍数:扶手底漆一遍,调和漆两遍;栏杆防锈漆一遍,调和漆两遍。
屋面合成高分子防水卷材施工工艺标准1.适用范围本工艺标准适用于合成高分子防水卷材屋面防水层工程粘贴法施工。
2。
施工准备2。
1材料及要求2。
1.1合成高分子卷材2.1。
1.1三元乙丙-丁基橡胶防水卷材规格:厚1.2mm、1。
5mm,长20m,宽1m;&nbsp;2.1。
1。
2氯化聚乙烯—橡胶共混防水卷材规格:厚1。
2mm、1.5mm,长20m,宽1m、2m;2.1。
1。
3氯化聚乙烯防水卷材规格:厚1。
2mm,长20m,宽0.9m;2。
1。
1.4技术性能:注:I类为高性能塑性体卷材;Ⅱ类为普通塑性体卷材2。
1.2外观检查卷材面应平滑、无空洞、裂纹、折皱以及影响不透水性的其它缺陷。
折痕:每卷不超过2处,总长度不超过20mm;杂质:大于0。
5mm粒不允许;胶块:每卷不超过6处,每处面积不大于4mm2;缺胶:每卷不超过6处,每处不大于7mm,深度不超过本身厚度的30%。
2.1.3贮存、运输.2。
1.3.1应贮存在阴凉通风的室内,避免雨淋、日晒和受潮,严禁接近火源。
2.1。
3。
2卷材应直立堆放,其高度不得超过两层,两层存放或运输时应在两层之间放一块纤维板或胶合板。
短途运输平放不得超过4层.2。
1。
3.3应避免与化学介质及有机溶剂等有害物质接触.2.1。
4辅助材料2。
1.4.1合成高分子防水卷材配套材料2.1。
4.2改性沥青防水涂料、聚合物水泥基复合防水涂料:节点密封材料。
2.1。
4.3改性沥青防水油膏:节点密封材料。
2。
2工具:2.3作业条件2.3.1基层必须坚固、不起砂、不起皮、表面清洁平整,用2m直尺检查,最大空隙不应大于5mm,不得有空鼓、开裂及起砂、脱皮等缺陷,空隙只允许平缓变化。
阴角处应做成半径为20mm的圆角;阳角处应做成半径为50mm的圆角。
2。
3。
2基层必须干燥,其含水率不得大于9%,检测简易方法是将1m×1m卷材或塑料布平铺在基层上,静置3~4小时(阳光强烈时1.5~2小时)后掀开检查,若基层覆盖部位及卷材或塑料布上未见水印即可施工。
基层应符合设计要求。
施工时环境温度不应低于0℃,温度过低,粘度大,造成施工不便,固化慢。
双组份产品应按配比要求进行配制,并搅拌均匀,配制好的产品要及时用完。
单组份产品要随用随封闭,防止因固化造成浪费,施工前应加强对基层的验收,对出现的裂缝应及时处理,以免施工过程中涂膜开裂。
对防水涂料进行稀释时,应按要求使用相应的溶剂聚氨酯防水涂料施工工艺作者:中国土建工程信息网发表日期:2005—07—12 08:58:21 人气:798聚氨脂防水涂料施工工艺1 适用范围:各种屋面的防水工程(须覆盖保护层)2 施工材料准备:2.1 主体材料:材料名称规格用量用途甲组份(预聚体) —NCO=3.5%1kg/m2 涂膜用乙组份(固化体)—OH=0.8% 1.5kg/m2 涂膜用底涂乙料—OH=0.23% 0.1~0。
2kg/m2 底膜用2。
2 主要辅助材料:材料名称规格用途磷酸或苯磺酰氯化学纯凝固过快时,做缓凝剂用二月桂酸二丁基锡化学纯或工业纯凝固过慢时,做促凝剂用二甲苯工业纯清洗施工工具用乙酸乙脂工业纯清洗手上凝胶用107 胶工业修补基层用水泥32。
5MPa 修补基层用石渣ф2 mm 左右粘结过渡层用3 施工工具:名称用途名称用途电动搅拌器混合甲、乙料用油漆刷刷底胶用拌料桶混合甲、乙料用滚动刷刷底胶用小型油漆桶装混合料用小抹子修补基层用塑料刮板涂刮混合料用油工铲刀清理基层用铁皮小刮板在复杂部位涂刮混合料墩布清理基层用橡胶刮板涂刮混合料用条帚清理基层用50 kg 磅称配料称量用高压吹风机清理基层用4 施工工艺流程:防水层的构造及用料见下表:项次防水构造材料名称用量1 基层混凝土或水泥砂浆2 基层处理剂聚氨脂底胶0。
2kg/m23 第一度涂层聚氨脂防水涂料1。
5kg/m24 第二度涂层聚氨脂防水涂料1.0kg/m25 保护层缸砖、水泥砖等注:涂层总厚度约为2mm。
4。
1 找平层与保温层施工的工艺与卷材防水相同.4。
2 基层要求及处理:4.2。
建筑安装工程技术交底单施工单位:填写日期:年月日交底内容:自粘防水卷材施工技术交底交底内容:二、施工方法湿铺法:是指将用于非外露防水工程的湿铺防水卷材,用水泥凝胶(素水泥浆)与基层粘结的施工方法。
适用于各类工业与民用建筑的屋面、地下室等防水工程,特别适用于防水等级较高、施工环境较差、潮湿、赶工期的防水工程。
⑴、施工工具准备:基层清理工具:钢丝刷、扫帚、小平铲、锤子等、冲洗水管。
施工工具:铁抹子、电动搅拌器、配料桶、塑料刮板、橡胶压辊、剪刀或裁纸刀、钢卷尺、皮卷尺、热风枪或喷枪等。
防护工具:工作服、安全帽、橡胶手套、平底橡胶鞋、安全带(绳)等。
⑵、基层要求:基层表面应坚实、平整、干净、并充分湿润无积水。
进入施工现场,首先进行基层和节点部位检查,若发基层有鼓泡、分层、起皮、蜂窝、麻面的必须凿除重新进行修补;阴阳角采用水泥砂浆抹成圆弧形,阴角最小径50mm,阳角最小半径20mm;然后将基层表面的凸起物、砂浆疙瘩等异物铲除掉;若基面较干燥,须洒水充分润湿,有明水和积水的要及时扫除。
①各种预埋件已安装并固定完毕,如管道、排水口等。
②清除基层表面杂物、油污、砂子,凸出表面的石子、砂浆疙瘩等应清理干净,清扫工作必须在施工中E 、卷材搭接宽度的允许偏差为±10mm 。
(5)、附加层及细部节点处的防水处理:阴阳角处:将自粘卷材根据现场情况进行裁剪,在阴阳角等部位进行附加增强处理,地下室附加层宽度附加层材料均采用1.5mm 厚合成高分子自粘防水卷材(双面1型)。
侧墙及顶板后浇带位置的附加层应该 通设。
管根等细部节点处:将自粘卷材根据现场情况进行裁剪。
方法是先按细部形状将卷材剪好,在细部贴一下,视尺寸、形状合适后,再将自粘卷材进行粘贴。
附加 层要求无空鼓,并压实铺牢。
(6)、铺贴大面卷材将卷材粘结面向下平铺在基层上,从一端(在立面为上端)开始将隔离膜从背面缓缓撕开,同时将撕掉 隔离膜的部分粘贴在墙体基层上。
1.5厚合成高分子防水涂料1.技术参数2.合成高分子防水涂料施工验收要求一、品种:反应型和水乳型防水涂料。
溶剂型防水涂料。
二、质量要求:注:产品按拉伸性能分为I、Ⅱ两类合成高分子防水涂料(挥发固化型)质量要求三、厚度要求:二道或三道以上设防(二布三涂)厚度不应小于1.5MM。
3.施工工艺流程:基层处理→涂刷基层处理剂→附加层施工→大面防水层涂布→淋水或蓄水检验→保护层→隔离层施工→验收。
4.技术要求1、基层处理:清理基层表面尘土、砂粒、砂浆硬块等。
2、涂刷基层处理剂:对于溶剂型防水涂料;可用相应的溶剂稀释后使用;也可用沥青溶液(即冷底子油)要求涂刷均匀,无露底、无堆积,应用刷子用力薄涂,使涂料尽量刷进基层表面的毛细孔中。
3、附加层施工。
4、甲乙组分混合(双组)其配料方法是将聚氨酯甲、乙组按产品说明书配比(另:有单组)。
5、第一遍涂膜施工:在基层处理剂基本干燥固化后(即表面不粘手)用塑料刮板或橡皮刮板均匀涂刷一遍涂膜,厚度为0.8-1.0mm涂量约1kg/m2涂刷应均匀一致,不得有漏刷,起泡等缺陷,若遇起泡,采用针刺消泡。
第二遍应待先涂的涂层干燥成膜后方可涂后一遍,涂刷方向与每一遍垂直,涂量略第一遍,厚度为0.5-0.8mm用量约为0.7kg/m2要求涂刷均匀不得漏涂、起泡。
6、胎体(玻璃丝布)长边搭接宽度不应小于50mm,短边搭接宽度不小于70mm;采用二层胎体(玻璃丝布)时上下层不得相互垂直铺设,搭接缝应错开,其间距不应小于幅宽的1/3。
7、待涂刷防水涂料实干后,蓄水检验,蓄水深度(最浅处)20-30mm。
蓄水时间不少于24小时,如无渗漏即认为合格,如发现渗漏,应及时修补。
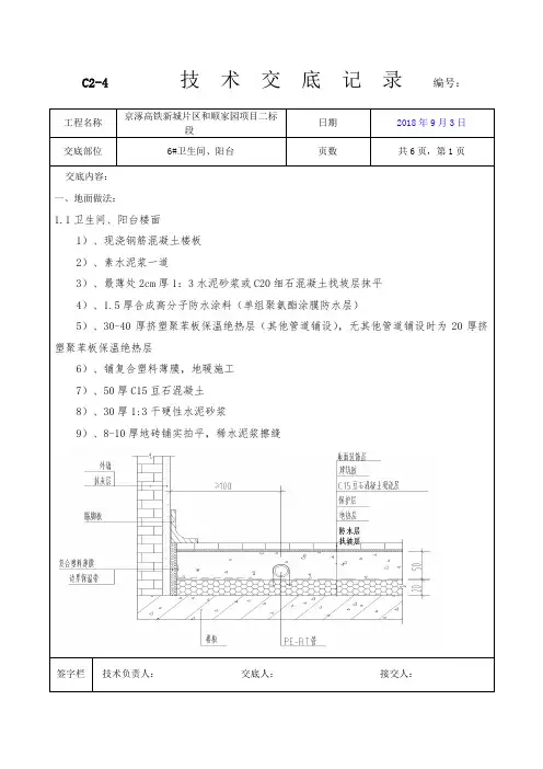
C2-4 技术交底记录编号:交底内容:一、地面做法:1.1卫生间、阳台楼面1)、现浇钢筋混凝土楼板2)、素水泥浆一道3)、最薄处2cm厚1:3水泥砂浆或C20细石混凝土找坡层抹平4)、1.5厚合成高分子防水涂料(单组聚氨酯涂膜防水层)5)、30-40厚挤塑聚苯板保温绝热层(其他管道铺设),无其他管道铺设时为20厚挤塑聚苯板保温绝热层6)、铺复合塑料薄膜,地暖施工7)、50厚C15豆石混凝土8)、30厚1:3干硬性水泥砂浆9)、8-10厚地砖铺实拍平,稀水泥浆擦缝C2-4 技术交底记录编号:二、施工准备2.1材料准备:主要材料为1.5厚聚氨酯涂膜防水材料(单组份),应有出厂合格证,应经复试合格后使用。
其辅助材料有二甲苯、醋酸乙酯、沙粒和胎体增强材料等。
2.2、机具准备:电动搅拌器(功率0.3-0.5KW,200-500r/min)、搅拌桶(容积10L),油漆桶(3L)、塑料或橡胶刮板、滚动刷、油漆刷、弹簧秤、干粉灭火器等。
2.3、施工条件:1)卫生间楼地面找平层已完成,穿过卫生间地面及楼面的所有立管、套管已完成,并已固定牢固,经过验收。
2)涂刷防水层的基层表面,必须将尘土、杂物等清扫干净,表面残留的灰浆硬块和突出部分应铲平、扫净,抹灰、压实,阴阳角处应抹成圆弧或钝角。
签字栏技术负责人:交底人:接交人:3)涂膜防水层:楼地面的防水层在门口处应水平延展,且向延展的长度不应小于500mm,向两侧延展的宽度不应小于200mm(下见附图),卫生间墙面翻起1.8m,水箱间墙面翻起0.5m,其他房间翻起0.25m,临电梯井、电气管井的卫生间墙满作防水。
第一道涂膜防水层:将已配好的聚氨酯涂膜防水材料,用塑料或橡皮刮板均匀涂刮在已涂好底胶的基层表面,不得有漏刷和鼓泡等缺陷,24h固化后,可进行第二道涂层,对平面基层以涂刷3-4遍为宜,对立面基层以涂刷3-4遍为宜。
4)第二道涂层:在已固化的涂层上,采用与第一道涂层相互垂直的方向均匀涂刷在涂层表面,涂刮量与第一道相同,不得有漏刷和鼓泡等缺陷。
一、坡屋面做法(自下而上)1、现浇砼板刷素水泥结结构浆一道。
(随刷随抹找平层)2、抹20厚1:3水泥砂浆找平层。
(冲筋、贴饼、挂线、确定抹灰厚度)3、粘铺75厚挤塑聚苯板。
4、40厚C20细石砼,内配4@200钢筋网与屋脊两侧预埋在砼板中的10钢筋绑扎,屋脊处的钢筋网应跨过屋脊披下。
5、铺贴高分子防水卷材。
(根据实际情况可调整顺序)6、20厚1:3水泥砂浆保护层。
7、1:2水泥砂浆铺贴原色水泥瓦。
8、待突出层面的烟气道、太阳能、抽气孔、上人孔、伸缩缝两侧哨墙、避雷、檐沟、防水等全部完成后,于验收前数日喷漆。
二、阁楼层阳台非上人平屋面做法(自下而上)1、钢筋砼屋面板上铺贴75厚挤塑板。
2、40厚(最薄处)1:8(重量比)水泥珍珠岩找坡,坡向落水管,坡度2%。
3、20厚1:3水泥砂浆找平层。
4、铺贴SBS防水卷材(与檐沟防水卷材同时施工)。
三、屋面变形缝做法(采用L01J202图集22页②节点)1、在屋面变形缝(伸缩线)两侧的屋面板上M7.5混浆砌240宽砖墙,墙高450;砖墙顶浇筑80厚C20砼压顶,内配 2 6钢筋与檐口处构造柱钢筋绑扎,分布筋6@200.2、变形缝两侧的砖墙外侧及砼压顶均抹1:2.5水泥砂浆压光。
3、粘贴SPS防水卷材,顶部的防水卷材应两侧相互搭接,中间伸缩缝处应松动(不要紧贴)。
4、变形缝顶盖为1.0mm厚铝板固定。
(见该图集节点详图)顺坡上压下搭接。
四、突出屋面烟道、排气道(采用L05J104图集20页)1、烟道、排气道高出屋面砼板(或挂瓦后)的高度符合该图集注2规定。
2、在伸出坡屋面烟道、排气道四周的坡屋面砼板上植入10钢筋,竖向单排@150,水平箍筋6@200;C20砼浇筑100厚风帽基座。
3、按该图集21页要求在C20砼基座顶部预埋铁件,后与风帽焊接。
五、屋面太阳能砼支墩。
1、按照工程部2012年11月20日印发的详图施工。
每个支墩应认真放线定位,按准确位置植入4 10钢筋,箍筋6@200;必须确保所有砼支墩顶部预埋铁件在同一高度上;确保支墩平行、垂直于屋脊轴线,若偏移,太阳能支架无法安装时必须重新浇支墩。
屋面建筑做法屋面4:平瓦坡屋面使用部位:坡屋面建筑做法:1、15厚(最薄处)1:1水泥砂浆粘贴平瓦2、35厚C20细石混凝土找平层,内配4双向间距150钢筋网与预埋10锚筋绑扎3、防水层:a1.5厚合成高分子防水涂料4、刷基层处理剂一道5、20厚1:3水泥砂浆找平6、聚合物砂浆粘贴保温层b挤塑聚苯板70厚7、20厚1:3水泥砂浆找平8、素水泥砂浆一道9、钢筋混凝土屋面板,板内在檐口及屋脊部位预埋10锚固筋一排间距1500屋面14:水泥砂浆平屋面使用部位:非上人平屋面建筑做法:1、25厚1:2.5水泥砂浆牟平压光1×1m分格,密封胶嵌缝2、隔离层(干铺玻纤布或低强度等级砂浆)一道3、防水层:a 1.2厚合成高分子防水卷材4、刷基层处理剂一道5、20厚1:3水泥砂浆找平6、保温层b挤塑聚苯板70厚7、20厚1:3水泥砂浆找平8、40厚(最薄处)1:8(重量比)水泥珍珠岩找坡层2℅9、钢筋混凝土屋面板屋面20:彩色水泥砖上人屋面使用部位:屋顶连廊(上人平屋面)建筑做法:1、20厚彩色水泥砖,20厚干砂铺卧2、隔离层(干铺玻纤布或低强度等级砂浆)一道3、防水层:a 1.2厚合成高分子防水卷材4、刷基层处理剂一道5、20厚1:3水泥砂浆抹平6、保温层:b挤塑聚苯板70厚7、防水层:a 1.5厚合成高分子防水涂料8、刷基层处理剂一道9、20厚1:3水泥砂浆找平10、40厚(最薄处)1:8(重量比)水泥珍珠岩找坡层2℅11、钢筋混凝土屋面板屋面6:小青瓦使用部位:老虎窗屋面建筑做法:1、20厚(最薄处)石灰砂浆坐浆粘贴小青瓦2、35厚C20细石混凝土找平层,内配4双向间距150钢筋网与预埋10锚筋绑扎3、防水层:a1.5厚合成高分子防水涂料4、刷基层处理剂一道5、20厚1:3水泥砂浆找平6、聚合物砂浆粘贴保温层b挤塑聚苯板70厚7、20厚1:3水泥砂浆找平8、素水泥砂浆一道9、钢筋混凝土屋面板,板内在檐口及屋脊部位预埋10锚固筋一排间距1500外墙做法外墙20:涂料外墙使用部位:详见立面图及空调板内部墙体建筑做法:1、外墙弹性涂料2、刷弹性底涂,刮柔性腻子3、3~5厚抗裂砂浆复合耐碱玻纤网格布4、10厚粘结型胶粉聚苯颗粒找平层5、贴砌横向梯形槽聚苯板保温层6、15厚粘结型胶粉聚苯颗粒7、刷界面砂浆一道8、砖墙、混凝土墙、混凝土小型空心砌块墙、加气混凝土砌块墙、大模板混凝土墙内墙做法内墙30:面砖防水内墙使用部位:厨房、卫生间、阳台、电梯机房内墙建筑做法:1、5厚面砖,擦缝材料擦缝2、3~4厚瓷砖胶粘剂,揉挤压实3、1.5厚聚合物水泥防水涂料4、6厚1:3水泥砂浆压实抹平5、9厚1:1:6水泥石灰膏浆打底扫毛6、刷界面处理剂一道7、加气混凝土砌块墙外墙23:胶粉聚苯颗粒保温涂料外墙使用部位:与楼梯间隔墙建筑做法:1、外墙弹性涂料2、刷弹性底涂,刮柔性腻子3、3~5厚抗裂砂浆复合耐碱玻纤网格布4、胶粉聚苯颗粒保温层分层抹平5、刷专用界面砂浆6、加气混凝土砌块墙内墙5:混合砂浆抹面内墙使用部位:除厨房、卫生间、与楼梯间隔墙、分户墙,电梯机房外所有的墙建筑做法:1、内墙涂料2、7厚1:0.3:2.5水泥石灰膏砂浆压实抹光3、7厚1:0.3:3水泥石灰膏砂浆找平4、7厚1:1:6水泥石灰膏砂浆打底扫毛或划出纹道5、刷界面处理剂一道6、加气混凝土砌块墙地面做法地5:细石混凝土地面使用部位:地下二层地面建筑做法:1、40厚C20细石混凝土,表面撒1:1水泥砂子随打随抹光2、素水泥浆一道3、60厚C15混凝土垫层4、300厚3:7灰土夯实或150厚小毛石灌M5水泥砂浆5、素土夯实,压实系数大于等于0.9楼面做法楼1:水泥砂浆楼面使用部位:地下一层楼面楼梯间楼面建筑做法:1、20厚水泥砂浆压实赶光2、素水泥浆一道3、现浇钢筋混凝土楼板楼20:花岗岩楼面使用部位:电梯厅门厅建筑做法:1、20厚磨光花岗石(大理石)板,板背面刮水泥浆粘贴,稀水泥浆(或彩色水泥浆)擦缝2、30厚1:3干硬性水泥砂浆结合层3、素水泥浆一道4、现浇钢筋混凝土楼板楼17:地面砖防水楼面使用部位:阳台、水箱间、电梯机房建筑做法:1、8~10厚地面砖,砖背面刮水泥砂浆粘贴,稀水泥浆(或彩色水泥浆)擦缝2、30厚1:3干硬性水泥砂浆结合层3、1.5厚合成高分子防水涂料4、刷基层处理剂一道5、30厚C20细石混凝土找坡抹平6、素水泥浆一道7、现浇钢筋混凝土楼板楼51:地面砖低温热水辐射采暖防水楼面使用部位:厨房卫生间楼面建筑做法:1、8~10厚地面砖,干水泥擦缝2、25厚1:3干硬性水泥砂浆结合层3、1.5厚合成高分子防水涂料4、刷基层处理剂一道5、50厚C15细石混凝土填充层随打随抹平,从门口向地漏找1%坡(上下配φ3双层双向间距50钢筋网片),中间配加热管,加热管上皮最薄处大约等于30厚,沿外墙内侧贴20×50高挤塑聚苯板保温层,高于填充层上皮平6、铺真空镀铝举止薄膜或铺玻璃布基铝箔贴面层7、20厚挤塑聚苯板或详工程设计8、1.5厚合成高分子防水涂料9、刷基层处理剂一道10、20厚1:3水泥砂浆找平层11、现浇钢筋混凝土楼板楼48:地面砖低温热水辐射采暖楼面使用部位:除上述外其他楼面建筑做法:1、8~10厚地面砖,干水泥擦缝2、30厚1:3干硬性水泥砂浆结合层3、素水泥浆一道4、50厚C15细石混凝土填充层随打随抹平(上下配φ3双向间距50厚钢筋网片),中间配加热管,中间配加热管,加热管上皮最薄处大约等于30厚,沿外墙内侧贴20×50高挤塑聚苯板保温层,高于填充层上皮平5、铺真空镀铝举止薄膜或铺玻璃布基铝箔贴面层6、20厚挤塑聚苯板或详工程设计7、20厚1:3水泥砂浆找平层8、现浇钢筋混凝土楼板踢脚做法踢1:水泥砂浆踢脚使用部位:地下室、阁楼、机房层踢脚建筑做法:1、7厚1:2.5水泥砂浆压实赶光2、7厚1:3水泥砂浆找平扫毛3、7厚1:3水泥砂浆打底扫毛或划出纹道4、砖墙踢9:磨光花岗石踢脚使用部位:门厅电梯厅踢脚建筑做法:1、8~12厚磨光花岗石(大理石)板,稀水泥浆(或彩色水泥浆)擦缝2、3~5厚1:1砂浆水泥砂浆或建筑胶粘剂粘贴3、6厚1:2水泥砂浆压实抹光4、9厚1:2.5水泥砂浆打底扫毛5、素水泥浆一道6、混凝土墙、混凝土小型空心砌块墙踢6:面砖踢脚使用部位:除上述外其他踢脚建筑做法:1、5~10厚面砖,白水泥浆(或彩色水泥浆)擦缝2、3~5厚1:1水泥砂浆或建筑粘剂粘贴3、6厚1:2.5水泥砂浆压实赶光4、9厚1:1:6水泥水泥石灰膏砂浆打底扫毛或划出纹道5、刷界面处理剂一道6、加气混凝土砌块墙天棚做法棚3:水泥砂浆顶棚使用部位:厨房卫生间天棚建筑做法:1、现浇钢筋混凝土楼板2、素水泥浆一道3、7厚1:2.5水泥砂浆打底扫毛或划出纹道4、7厚1:2水泥砂浆找平5、内墙涂料棚31:不采暖地下室顶板保温顶棚使用部位:地下一层天棚、电梯机房部位下层顶棚建筑做法:1、现浇钢筋混凝土楼板2、35~50厚阻燃型挤塑聚苯板,用建筑胶粘贴3、热镀锌电焊网9(塑料锚栓固定,双向中距500)4、20厚胶粉聚苯颗粒找平5、10厚石灰膏抹灰层6、3~5厚抗裂砂浆复合耐碱玻纤网格布7、2~3厚柔性耐水腻子分遍找平8、内墙涂料9、保温材料为15厚阻燃型挤塑聚苯板棚2:麻刀灰涂料顶棚使用部位:除上述天棚外其他天棚建筑做法:1、现浇钢筋混凝土楼板2、素水泥浆一道3、6厚1:3:9水泥石灰膏砂浆打底扫毛或划出纹道4、3厚麻刀灰罩面5、内墙涂料地下室做法地下室底板1:地下室卷材防水建筑做法:1、地面构造详工程设计2、防水钢筋混凝土底板3、50厚C20细石混凝土保护层4、卷材防水层a.4厚高聚物改性沥青防水卷材或3厚双层高聚物改性沥青防水卷材b.1.5厚合成高分子防水卷材或1.2厚双层合成高分子防水卷材5、刷基层处理剂一道(空铺时不用)6、20厚1:2.5水泥砂浆找平层7、100~150厚C15混凝土垫层8、地基持力层地下室顶板1:地下室卷材防水使用部位:主楼范围以外建筑做法:1、上部构造详工程设计2、70厚C20细石混凝土保护层随打随抹,内配φ6双向间距200钢筋网3、隔离层(干铺玻纤布或低强度等级砂浆)一道4、卷材防水层a.4厚高聚物改性沥青防水卷材或3厚双层高聚物改性沥青防水卷材b.1.5厚合成高分子防水卷材或1.2厚双层合成高分子合成卷材5、刷基层处理剂一道6、20厚1:2.5水泥砂浆找平层7、防水钢筋混凝土顶板地下室侧墙1:地下室卷材防水建筑做法:1、3:7灰土分层夯实或素土分层夯实2、粘结剂粘贴50厚挤塑聚苯板或120厚砖墙保护层3、防水卷材层a.4厚高聚物改性沥青防水卷材或3厚双层高聚物改性沥青防水卷材b.1.5厚合成高分子防水卷材或1.2厚双层合成高分子防水卷材4、刷基层处理剂一道5、20厚1:2.5水泥砂浆找平层或防水钢筋混凝土侧墙局部修补6、防水钢筋混凝土侧墙。
华店办公楼消防水池地面做法(1)(2)
消防水池地面做法:
1. 40厚C20细石混凝土随打随抹
2. 1.5厚合成高分子防水涂料
3. 30厚防水砂浆找平
4.防水钢筋混凝土底板
5.50厚C20细石混凝土垫层保护层
6.3+3厚高聚物改性沥青防水卷材
7.刷基层处理剂一道
9.20厚1:2.5水泥砂浆找平层
10.100~150厚C15混凝土垫层
消防水池内墙做法:
1. 20厚水泥砂浆压实抹光
2. 1.5厚合成高分子防水涂料,表面撒粗石英砂一层
3.
3. 30厚防水砂浆找平
4. 钢筋混凝土墙
消防泵房、生活泵房地面做法:地2 水泥砂浆地面做法消防泵房、生活泵房内墙做法:内墙5 混合砂浆抹面内墙。
1.5厚合成高分子防水涂料
1.技术参数
2.合成高分子防水涂料施工验收要求
一、品种:
反应型和水乳型防水涂料。
溶剂型防水涂料。
二、质量要求:
注:产品按拉伸性能分为I、Ⅱ两类
合成高分子防水涂料(挥发固化型)质量要求
三、厚度要求:
二道或三道以上设防(二布三涂)厚度不应小于1.5MM。
3.施工工艺流程:
基层处理→涂刷基层处理剂→附加层施工→大面防水层涂布→淋水或蓄水检验→保护层→隔离层施工→验收。
4.技术要求
1、基层处理:清理基层表面尘土、砂粒、砂浆硬块等。
2、涂刷基层处理剂:对于溶剂型防水涂料;可用相应的溶剂稀释后使用;也可用沥青溶液(即冷底子油)要求涂刷均匀,无露底、无堆积,应用刷子用力薄涂,使涂料尽量刷进基层表面的毛细孔中。
3、附加层施工。
4、甲乙组分混合(双组)其配料方法是将聚氨酯甲、乙组按产品说明书配比(另:有单组)。
5、第一遍涂膜施工:在基层处理剂基本干燥固化后(即表面不粘手)用塑料刮板或橡皮刮板均匀涂刷一遍涂膜,厚度为0.8-1.0mm涂量约1kg/m2涂刷应均匀一致,不得有漏刷,起泡等缺陷,若遇起泡,采用针刺消泡。
第二遍应待先涂的涂层干燥成膜后方可涂后一遍,涂刷方向与每一遍垂直,涂量略第一遍,厚度为0.5-0.8mm用量约为0.7kg/m2要求涂刷均匀不得漏涂、起泡。
6、胎体(玻璃丝布)长边搭接宽度不应小于50mm,短边搭接宽度不小于70mm;采用二层胎体(玻璃丝布)时上下层不得相互垂直铺设,搭接缝应错开,其间距不应小于幅宽的1/3。
7、待涂刷防水涂料实干后,蓄水检验,蓄水深度(最浅处)20-30mm。
蓄水时间不少于24小时,如无渗漏即认为合格,如发现渗漏,应及时修补。