数控机床基础知识教案
- 格式:ppt
- 大小:3.39 MB
- 文档页数:47
一、教案基本信息数控机床操作与维护技术授课教案课时安排:5课时(每课时45分钟)教学目标:1. 了解数控机床的基本概念、分类和特点。
2. 掌握数控机床的操作步骤和注意事项。
3. 学习数控机床的维护保养知识。
教学内容:1. 数控机床的基本概念、分类和特点。
2. 数控机床的操作步骤和注意事项。
3. 数控机床的维护保养知识。
教学方法:1. 讲授法:讲解数控机床的基本概念、分类、特点、操作步骤和注意事项。
2. 演示法:展示数控机床的操作过程和维护保养方法。
3. 实践法:让学生亲自动手操作数控机床,进行实际操作练习。
二、教学过程第一课时:数控机床的基本概念、分类和特点1. 导入新课:介绍数控机床的定义和作用。
2. 讲解数控机床的分类和特点。
3. 课堂互动:学生提问,教师解答。
第二课时:数控机床的操作步骤和注意事项1. 讲解数控机床的操作步骤。
2. 讲解数控机床操作的注意事项。
3. 课堂互动:学生提问,教师解答。
第三课时:数控机床的维护保养知识1. 讲解数控机床的日常维护保养内容。
2. 讲解数控机床的故障排除方法。
3. 课堂互动:学生提问,教师解答。
第四课时:数控机床实际操作练习1. 学生分组,进行数控机床实际操作练习。
2. 教师巡回指导,纠正操作错误。
3. 课堂互动:学生提问,教师解答。
第五课时:课程总结与考试1. 复习本节课的重点内容。
2. 学生进行课程考试,检验学习效果。
3. 总结本节课的学习情况,布置课后作业。
三、教学评价1. 课后作业:检查学生对数控机床操作和维护保养知识的掌握情况。
2. 课程考试:评估学生对数控机床操作和维护保养知识的掌握程度。
3. 课堂互动:观察学生在课堂上的参与程度和提问情况,了解学生的学习兴趣和需求。
四、教学资源1. 教材:数控机床操作与维护技术。
2. 数控机床:用于实际操作练习。
3. 投影仪:用于展示操作过程和维护保养方法。
五、教学进度安排第一课时:数控机床的基本概念、分类和特点第二课时:数控机床的操作步骤和注意事项第三课时:数控机床的维护保养知识第四课时:数控机床实际操作练习第五课时:课程总结与考试六、教学过程(续)第五课时:课程总结与考试1. 复习本节课的重点内容。
教学内容教学方法件,并将程序单的信息输入数控系统的整个过程。
1.手工编程
手工编程是指编程的各阶段均由人工完成。
手工编程的意义。
2.自动编程
自动编程是利用计算机专用软件来编制数控加工程序。
按计算机专用软件的不同,自动编程可分为数控语言自动编程、图形交互自动编程和语音提示自动编程等。
目前应用较广泛的是图形交互自动编程,常用的软件有UG、Pro/E、Cimatron、Mastercam、CAXA等。
三、数控编程的步骤
1.分析零件图样
首先应准确地识读零件图样表述的各种信息,主要包括零件的材料、形状、尺寸、精度、批量、毛坯形状和热处理要求等。
2.确定工艺过程
在分析图样的基础上,进行工艺分析,选定机床、刀具和夹具,确定零件加工的工艺路线、工步顺序以及重点讲解手工编程的意义
教师可简要介绍几种常用的自动编程软件,或通过课件演示自动编程软件的应用过程,激发学生的学习兴趣。
教师手工绘制或通过PPT展示数控编程的步骤,让学生了解数控编程的步骤。
然后再逐一讲解每个步骤的具体内容。
教师讲授分析零件图样的意义和具体内容工艺过程包含:工艺分析,选定机床、刀具和夹具,确定工艺路线、。
学习情境一认识数控机床一、情境描述(一)数控车床的产生、发展和未来趋势如何?1)数控技术发展的原因客观:计算机、电子技术发展主观:战争需要2)数控机床的出现和发展史:第一阶段:(1952年~1970年)硬线数控阶段第一代:1952年,美国麻省理工学院研制,电子管控制的第一台三坐标联动的铣床;第二代:1959年,出现了晶体管控制的“加工中心”;第三代:1965年,出现了小规模集成电路.使数控系统的可靠性得到了进一步的提高;以上三代数控系统都是采用专用控制硬件逻辑数控系统,称为普通数控系统,即NC系统.。
第四代:1967年以计算机作为控制单元的数控制系统.FMS(Flexible Manufacturing System) ,柔性制造系统。
第二阶段:计算机数控阶段(1970年~今)第五代:1970年,美国英特尔开发使用了微处理器.CNC。
3)未来趋势(二)数控、数控技术和数控机床数控:数控是数字控制( Numerical control )的简称,是近代发展起来的,用数字化信息进行控制的自动控制技术.其含义使用以数值和符号构成的数字信息自动控制机床的运转.数控技术:用数字控制技术来控制机床按预先制定的程序来动作。
数控机床:数字控制机床(Numerical Control Machine Tools),也称NC机床.利用数控技术,准确的按照事先安排好的工艺流程实现加工动作的金属切削机床。
(三)数控机床的加工特点(四)国内外数控机床和加工的现状与差别留给学生写论文二、数控车床观摩(车间)数控车床,计算机数字控制的车床1、数控车的结构特点2、数控车的组成(车床组成视频)数控机床的基本组成及工作原理3、数控车床的分类(1)按车床主轴位置分类1)立式数控车床2)卧式数控车床(2)按刀架数量分类1)单刀架数控车床2)双刀架数控车床(3)按功能分类1)经济型数控车床2)普通数控车床3)车削加工中心(4)按系统控制原理分类(1)开环系统(2)闭环系统:半闭环系统和全闭环系统4、数控车的加工范围(零件车削模拟视频、车床概述视频、车床加工实例视频)5、数控车的优点和特点(1)优点:1)适应能力强2)加工精度高3)工序集中,周期短4)能完成复杂型面加工5)技术含量高,有利于现代化管理(2)加工特点:1)超精零件2)形状复杂零件3)普通机床不能加工的零件4)一次装夹,多工序加工5)同时加工两个或两个以上的零件6)同时加工多工序的不同零件7)自动化程度高三、数控车床的操作(一)安全生产数控车的开机与关机:开机:机床开----系统开----急停开关机:急停关----系统关----机床关1. 机床加工前注意事项(1)机床通电后,检查各开关、按钮和键是否正常、灵活,机床有无异常现象。
项目任务:1. 数控机床的产生与发展。
2. 数控机床加工的典型案例及应用范围。
3. 数控机床常的构成与特点。
4. 数控机床的分类。
5. 与数控机床加工性能相关的精度指标和运动性能指标6. 数控机床的发展趋势。
7. 与数控机床应用相关的知识拓展。
第一单元:模块一数控机床的产生与发展模块二数控机床的应用模块三数控机床的构成与特点模块四数控机床的分类学习目标:1.了解数控机床产生的背景。
2.掌握数控机床发展历程的两个阶段,第一代至第六代数控系统的特征。
3. 熟知数控机床加工的典型案例。
4.了解数控机床的应用范围。
5.掌握数控机床主要由人机交互装置、数控装置、伺服系统和机床本体四部分组成。
6. 掌握控控机床作为一种高自动化、高柔性、高精度、高效率的机械加工设备所具备的特点。
7. 掌握按加工工艺方法可以数控机床分为五大类。
8. 熟知金属切削类和特种加工类数控机床的常见机型。
9. 掌握切削类典型的数控机床布局及应用。
10.了解3D打印技术与传统切削加工方式的区别及应用实例。
11.按运动方式、按伺服驱动的控制方式对数控机床进行分类。
教学重点:1. 数控机床的应用范围及特点。
2. 组成数控机床主要的四个部分。
3. 数控机床按加工工艺方法分为五大类。
4. 切削类典型的数控机床布局及应用。
教学难点:1. 数控机床按加工工艺方法分为五大类。
2. 切削类典型的数控机床布局及应用。
辅助教学:1. 多媒体课件2. 微课单元学时:2学时教学过程:模块一 数控机床的产生与发展一、数控机床的产生数控机床是指采用了数控技术进行控制的机床,现代数控系统是通过计算机进行控制的,因此,将数控机床又称为 CNC 机床。
数控机床的产生,是机械制造业发展的必然,世界上第一台数控机床是为了满足航空工业制造复杂工件的需要而产生的。
1952年第一台由专用电子计算机控制的三坐标立式数控铣床研制成功,于1955年进入实用阶段,这标志着制造业和控制领域一个崭新时代的到来。
一、教学目标1. 知识与技能:(1)使学生了解数控机床的定义、分类、特点和应用范围;(2)使学生掌握数控机床的基本组成和工作原理;(3)培养学生对数控机床的认知能力和实际操作能力。
2. 过程与方法:(1)通过讲解、演示和实例分析,使学生了解数控机床的基本概念;(2)通过实验和操作,使学生掌握数控机床的基本操作方法。
3. 情感态度与价值观:(1)培养学生对数控技术的兴趣和好奇心;(2)使学生认识到数控机床在现代制造业中的重要地位和作用。
二、教学内容1. 数控机床的定义和发展历程2. 数控机床的分类和特点3. 数控机床的应用范围4. 数控机床的基本组成5. 数控机床的工作原理三、教学重点与难点1. 教学重点:(1)数控机床的定义、分类、特点和应用范围;(2)数控机床的基本组成和工作原理。
2. 教学难点:(1)数控机床的基本组成和工作原理;(2)数控机床的操作方法。
四、教学方法与手段1. 教学方法:(1)讲解法:讲解数控机床的基本概念、组成和原理;(2)演示法:演示数控机床的操作过程;(3)实验法:让学生亲自动手操作数控机床;(4)案例分析法:分析数控机床在实际生产中的应用案例。
2. 教学手段:(1)多媒体课件:展示数控机床的图片、动画和视频;(2)数控机床模型:直观展示数控机床的结构;(3)实验设备:让学生亲身体验数控机床的操作。
五、教学过程1. 导入新课:(1)引导学生思考:什么是数控机床?它有什么特点?(2)讲解数控机床的定义和发展历程。
2. 讲解数控机床的分类和特点:(1)讲解数控机床的分类;(2)分析数控机床的特点。
3. 讲解数控机床的应用范围:(1)列举数控机床在各个领域的应用案例;(2)使学生了解数控机床在现代制造业中的重要地位。
4. 讲解数控机床的基本组成:(1)讲解数控机床的硬件组成;(2)讲解数控机床的软件组成。
5. 讲解数控机床的工作原理:(1)讲解数控机床的加工原理;(2)讲解数控机床的操作系统。
《数控车教案》一、教学目标:1. 知识与技能:(1)掌握数控车床的基本结构与工作原理;(2)了解数控车床的编程方法及操作步骤;(3)学会使用数控车床进行简单零件的加工。
2. 过程与方法:(1)通过实物观察、讲解等方式,使学生了解数控车床的组成与功能;(2)通过上机操作,培养学生熟练操作数控车床的能力;(3)通过案例分析,使学生掌握数控车床编程的方法。
3. 情感态度与价值观:(1)培养学生对数控技术感兴趣,认识到其在现代制造业中的重要性;(2)培养学生遵守生产纪律,注重安全意识;(3)培养学生团队协作精神,提高沟通与协调能力。
二、教学内容:1. 数控车床的基本结构与工作原理(1)数控车床的组成部分;(2)数控车床的工作原理及操作步骤。
2. 数控车床的编程方法(1)数控车床编程的基本概念;(2)数控车床编程的指令系统;(3)数控车床编程的注意事项。
三、教学方法:1. 讲授法:讲解数控车床的基本结构、工作原理及编程方法;2. 演示法:展示数控车床实物,让学生了解其组成与功能;3. 实践法:安排上机操作,让学生动手操作数控车床;4. 案例分析法:分析实际加工案例,使学生掌握数控车床编程的方法。
四、教学准备:1. 教室环境:多媒体教学设备;2. 教学工具:数控车床模型、实物图片、编程软件;3. 上机设备:数控车床、计算机。
五、教学过程:1. 导入新课:通过展示数控车床实物图片,引导学生了解数控车床的组成与功能;2. 讲解数控车床的基本结构与工作原理,让学生掌握其工作原理及操作步骤;3. 讲解数控车床编程的方法,使学生了解编程的基本概念、指令系统及注意事项;4. 安排上机操作,让学生动手操作数控车床,巩固所学知识;5. 分析实际加工案例,使学生掌握数控车床编程的方法;6. 总结本节课所学内容,布置课后作业。
六、教学评价:1. 平时成绩:考察学生在课堂上的参与程度、提问回答等情况,占总评的30%;2. 上机操作:评价学生在数控车床操作过程中的技能掌握程度,占总评的30%;3. 课后作业:评价学生对课堂所学知识的巩固情况,占总评的20%;4. 期末考试:考察学生对数控车床基本原理、编程方法等知识的掌握,占总评的20%。
数控车教案下一、教学目标:1. 了解数控车床的基本结构和工作原理。
2. 掌握数控车床的操作方法和编程技巧。
3. 能够独立完成简单的数控车削加工任务。
二、教学内容:1. 数控车床的基本结构:床身、主轴、进给系统、刀架等。
2. 数控车床的工作原理:数控系统、伺服系统、程序控制系统等。
3. 数控车床的操作方法:开机、关机、选择工件坐标系、设置刀具补偿等。
4. 数控车床的编程技巧:G代码、M代码、T代码、刀具半径补偿等。
5. 简单数控车削加工实例:轴类零件、螺纹零件、螺母零件等。
三、教学方法:1. 理论教学:讲解数控车床的基本结构、工作原理、操作方法和编程技巧。
2. 实践教学:操作数控车床进行简单加工实例,让学生亲身体验数控车削加工过程。
3. 案例教学:分析实际加工案例,让学生学会运用数控车床解决实际问题。
四、教学环境:1. 教室:配备投影仪、计算机、黑板等教学设施。
2. 数控车床实验室:配备多台数控车床和相应的辅助设备。
五、教学评估:1. 平时成绩:考察学生的出勤、课堂表现、作业完成情况等。
2. 实践操作考核:学生在数控车床上进行加工操作,评估其操作熟练程度和加工质量。
3. 期末考试:考察学生对数控车床基本知识、操作方法和编程技巧的掌握程度。
教学计划:第一周:数控车床的基本结构和工作原理第二周:数控车床的操作方法第三周:数控车床的编程技巧第四周:简单数控车削加工实例第五周:综合训练六、教学内容:1. 复杂零件的数控车削加工:曲轴、凸轮、螺纹等。
2. 数控车床的刀具选择与补偿:刀具类型、刀具补偿设置等。
3. 数控车床的加工工艺:切削参数、走刀路线、切削液的使用等。
4. 数控车床的故障排除:常见故障现象、故障原因及解决方法。
5. 数控车床的安全操作规程:操作注意事项、紧急停机方法等。
七、教学方法:1. 理论教学:讲解复杂零件的数控车削加工、刀具选择与补偿、加工工艺等。
2. 实践教学:操作数控车床进行复杂零件加工实例,让学生亲身体验数控车削加工过程。
《数控机床》教案总学时:36学时第一章数控机床概述(2学时)课题第1章数控机床概述教学学时2学时§ 1-1数控机床的产生和发展§ 1-2数控机床的工作原理及组成教学时数1学时【教学目标】1、了解数控机床的产生及发展过程2、掌握数控机床的组成及各部分功能3、掌握数控机床的工作原理4、掌握数控机床的特点及适用场合5、掌握按运动方式、控制方式分类的情况6、掌握数控技术的发展趋势7、了解数控机床按工艺用途、数控系统功能水平及联动轴数的分类【重点、难点】重点:1、数控、数控机床的概念2、数控装置、伺服系统、位置检测反馈装置的作用3、数控机床的工作原理及组成4、点位、直线、轮廓控制数控机床的特点5、开环、闭环、半闭环控制数控机床的特点①有无检测之件②检测之件安装位置6、“柔性”概念及FMC、FMS、CIMS的含义【教具、参考书】1.多媒体教学2.朱晓春《数控技术》,机械工业出版社3.王爱玲《现代数控机床》,机械工业出版社【时间分配】1、数控机床的产生和发展(30分钟)2、特点及适用场合(20分钟)3、数控机床分类(30分钟)4、发展趋势(15分钟)5、小结布置作业(5分钟)§ 1-3数控机床分类§ 1-4数控技术发展趋势教学时数1学时【教学过程】第一章数控机床概述§ 1-1数控机床的产生和发展1)开环控制系统这种控制系统采用步进电机,无位置测量元件,输入数据经过数控系统运算,输出指令脉冲控制步进电机工作,如图1T所示,这种控制方式对执行机构不检测,无反馈控制信号,因此称之为开环控制系统。
开环控制系统的设备成本低,调试方便,操作简单,但控制精度低,工作速度受到步进电机的限制。
图1-1开环控制系统2)闭环控制系统这种控制系统绝大多数采用伺服电机,有位置测量元件和位置比较电路。
如图1-2所示,测量元件安装在工作台上,测出工作台的实际位移值反馈给数控装置。
位置比较电路将测量元件反馈的工作台实际位移值与指令的位移值相比较,用比较的误差值控制伺服电机工作,直至到达实际位置,误差值消除,此称之为闭环控制。
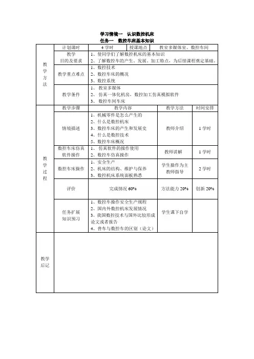
第一章数控技术基础知识教案课题第一节认识数控机床课时 2教学目标1、使学生了解数控系统的基本概念、数控系统的组成,融职业素质教育于课堂教学中。
2、使学生了解本门课程的性质、任务与作用,明确课程学习的目标、要求,激发学生学习本课程的兴趣。
教学重点难点数控系统的基本概念、数控系统的组成教学内容一、数控机床的基本概念①数控(Numerical Control,简称NC)是采用数字化信息对机床的运动及其加工过程进行控制的方法。
②数控机床(Numerically Controlled Machine tool)是指装备了计算机数控系统的机床,简称CNC机床。
二、数控机床的组成计算机数控机床由输入输出装置、计算机数控装置、伺服系统和机床本体等部分组成,其组成框图如图1所示.图1数控机床的组成框图三.常见的数控机床图2数控车床在数控机床上加工不同的零件,通过观察,了解应选用哪一种类型的数控机床,通过选择数控机床了解数控机床的分类。
数控机床的图片展示图3数控铣床图4立式数控铣床图5数控车床图6加工中心四.数控机床的加工特点1.适应范围广2.加工精度高,产品质量稳定3.生产效率高4.自动化程度高,劳动强度低5.良好的经济效益第一章数控技术基础知识教案第一章数控技术基础知识教案课题第三节计算机数控系统的基本组成及其功能课时 2教学目标使学生了解计算机数控系统的工作过程、基本组成及其功能。
教学重点难点理解计算机数控系统的工作过程、基本组成及其功能。
教学内容复习内容:计算机的组成及功能新授:一、计算机数控系统的组成计算机数控系统由输入输出装置、计算机数字控制装置、可编程序控制器(PLC)、主轴驱动装置和进给驱动装置等组成。
CNC系统基本组成如图10图10 计算机数控系统的组成CNC系统的核心是计算机数字控制装置(CNC)装置),数控系统是在软件的控制下有条不紊地完成各项工作的。
二、计算机数控系统的工作过程CNC软件要完成9个方面的工作,如图11图11 CNC对零件程序的处理流程图1。
第1章数控加工基础教案第1章数控加工基础本章要紧介绍数控加工的基础知识,内容包含数控编程简述、数控机床、数控加工工艺概述、高度与安全高度与走刀路线的选择等。
1.1 数控加工概论数控技术即数字操纵技术(numerical control technology),指用计算机以数字指令方式操纵机床动作的技术。
数控加工具有产品精度高、自动化程度高、生产效率高与生产成本低等特点,在制造业及航天加工业,数控加工是所有生产技术中相当重要的一环。
特别是汽车与航天产业的零部件,其几何外形复杂且精度要求较高,更突出了数控加工制造技术的优点。
数控加工技术集传统的机械制造、计算机、信息处理、现代操纵、传感检测等光机电技术于一体,是现代机械制造技术的基础。
它的广泛应用给机械制造业的生产方式及产品结构带来了深刻的变化。
近年来,由于计算机技术的迅速进展,数控技术的进展相当迅速。
数控技术的水平与普及程度,已经成为衡量一个国家综合国力与工业现代化水平的重要标志。
1.2 数控编程简述数控编程通常能够分为手工编程与自动编程。
手工编程是指从零件图样分析、工艺处理、数值计算、编写程序到程序校核等各步骤的数控编程工作,均由人工完成的全过程。
该方法适用于零件形状不太复杂、加工程序较短的情况,而关于复杂形状的零件,如具有非圆曲线、列表曲面或者组合曲面的零件,或者者零件形状虽不复杂,但是程序很长,则比较适合于自动编程。
自动数控编程是从零件的设计模型(即参考模型)获得数控加工程序的全部过程。
其要紧任务是计算加工走刀过程中的刀位点(Cutter Location Point,简称CL点),从而生成刀位数据文件。
使用自动编程技术能够帮助人们解决复杂零件的数控加工编程问题,其大部分工作由计算机来完成,编程效率大大提高,还能解决手工编程无法解决的许多复杂形状零件的加工编程问题。
CA TIA V5数控模块提供了多种加工类型用于各类复杂零件的粗精加工,用户能够根据零件结构、加工表面形状与加工精度要求选择合适的加工类型。
《数控机床》教案§1 数控机床绪论一、数控技术的基本概念1.计算机数控的概念(1)数控的概念GB8129—1997中对NC的定义为:用数值数据的控制装置,在运行过程中不断的引入数值数据,从而对某一生产过程实现自动控制。
(2)数控机床(NC machine tools)若机床的操作命令以数值数据的地式描述,工作还按照规定的程序自动地进行,则这种机床称为数控机床。
(3)数控系统数控系统是指计算机数字控制装置、可编程序控制器、进给驱动与主轴驱动装置等相关设备的总称。
为区别起见将其中的计算机数字控制装置称为数控装置。
2.计算机数控的发展3计算机直接数控(Direct Numerical Control,DNC)系统,即使用一台计算机为数台数控机床进行自动编程,编程结果直接通过数据线输送到各台数控机床的控制箱。
柔性制造系统(Flexible Manufacturing System,FMS)也叫做计算机群控自动线,它是将一群数控机床用自动传送系统连接起来,并置于一台计算机的统一控制之下,形成一个用于制造的整体。
计算机集成制造系统(Computer-Integrated Manufacturing System,CIMS),是指用最先进的计算机技术,控制从定货、设计、工艺、制造到销售的全过程,以实现信息系统一体化的高效率的柔性集成制造系统。
二、数控机床的基本结构及工作原理数控机床的组成:图1.1 数控机床的基本组成1.输入装置数控加工程序可通过键盘,用手工方式直接输入数控系统。
还可由编程计算机用RS232C或采用网络通信方式传送到数控系统中。
零件加工程序输入过程有两种不同的方式:一种是边读入边加工,另一种是一次将零件加工程序全部读入数控装置内部的存储器,加工时再从存储器中逐段调出进行加工。
2.数控装置数控装置是数控机床的中枢。
数控装置从内部存储器中取出或接受输入装置送来的一段或几段数控加工程序,经过数控装置它的逻辑电路或系统软件进行编译、运算和逻辑处理后,输出各种控制信息和指令,控制机床各部分的工作,使其进行规定的有序运动和动作。
一、教学目标:1. 让学生了解数控机床的定义、发展历程和分类。
2. 使学生掌握数控机床的基本工作原理和主要组成部分。
3. 培养学生对数控机床的安全操作意识和维修保养能力。
二、教学内容:1. 数控机床的定义和发展历程2. 数控机床的分类及特点3. 数控机床的基本工作原理4. 数控机床的主要组成部分5. 数控机床的安全操作和维修保养三、教学重点与难点:1. 教学重点:数控机床的定义、发展历程、分类、基本工作原理及主要组成部分。
2. 教学难点:数控机床的基本工作原理和主要组成部分。
四、教学方法:1. 采用讲授法,讲解数控机床的基本概念、原理和组成部分。
2. 采用案例分析法,分析数控机床在实际应用中的案例,提高学生的实践能力。
3. 采用讨论法,引导学生探讨数控机床的发展趋势和应用前景。
五、教学准备:1. 准备数控机床的相关图片、视频和案例资料。
2. 准备多媒体教学设备,如投影仪、电脑等。
3. 准备教学课件和教案。
教案示例:【课堂导入】(1)教师展示数控机床的图片,引导学生思考:什么是数控机床?它与普通机床有什么区别?(2)学生回答问题,教师总结并板书:数控机床的定义。
【教学内容】(1)数控机床的定义和发展历程教师讲解数控机床的定义,引导学生了解数控机床的基本特点。
通过时间轴展示数控机床的发展历程,使学生了解数控机床的演变过程。
(2)数控机床的分类及特点教师讲解数控机床的分类,如数控车床、数控铣床、数控磨床等,并分析各类数控机床的特点。
(3)数控机床的基本工作原理教师讲解数控机床的基本工作原理,如数控系统的工作原理、伺服系统的原理等。
(4)数控机床的主要组成部分教师讲解数控机床的主要组成部分,如数控装置、伺服系统、机床本体等。
(5)数控机床的安全操作和维修保养教师讲解数控机床的安全操作注意事项,如操作规范、紧急停机方法等。
介绍数控机床的维修保养方法,提高学生的维护能力。
【课堂互动】(1)提问:数控机床的主要组成部分有哪些?(2)学生回答问题,教师点评并总结。
第二章数控车床编程基础教案第二章数控车床编程基础教案第二章数控车床编程基础教案第二章数控车床编程基础教案G90 X40.0 Z30.0 R5. F0.4;X30.0 ;X20.0;例:图33圆柱面切削加工切削程序:T0101;M03 S100QG00 X105.0 Z5.0 ;G90 X90.0 Z-80.0 F0.3 ; X85.0;X80.0;X75.0;X70.0;G00 X150.0 Z100.0 ;M05M30 例:图34圆锥面切削加工切削程序:T0101;M03 S100QG00 X105.0 Z5.0 ;G90 X96.0 Z-80.0 R-10.0 F0.3 ;X93.0;X90.0;G00 X100.0 Z100.0 ;M05M30②端面切削循环指令(G94)格式:直端面G94 X(U) Z(W) F :X、Z切削终点坐标值;U W切削终点相对于循环起点的坐标。
图35圆柱面端面循环切削加工(a) 图36圆柱面端面循环切削加工(b) 例:L 41AL i F—D^ AA^ G^ H—D—A05003G94 X50.0 Z16.0 F0.3 ;Z13.0;Z10.0;格式:锥端面G94 X(U)_Z(W)___ R___ F___ ;X、Z切削终点坐标值;U w切削终点相对于循环起点的坐标。
Z向坐R为端面切削的起点相对于终点在Z轴方向的坐标分量。
当起点标小于终点Z向坐标时K为负,反之为正。
图37圆柱面端面循环切削加工(C)图38圆柱面端面循环切削加工(d)例:L 41AL i F—D^ AA^ G^ H—D—A05004G94 X15.0 Z33.48 F0.2 ;Z31.48;Z28.78;X、z—绝对值编程时,螺纹终点C的坐标值;U W—增量值编程时,螺纹终点C相对于循环起点A的增量值;F —螺纹导程。
例:加工如图所示M3C X 1.5伽圆柱螺纹,螺纹外径已加工完成,起刀点定在X100.0、Z150.0位置,利用螺纹固定循环指令G92编写螺纹加工程序。