三相负载的连接教案
- 格式:doc
- 大小:77.00 KB
- 文档页数:6
三相负载的星形接法教案三相负载的星形接法教案引导思考一、负载的Y连接发现观察记录启发掌握分析记录方法画图分析讨论分析电路总结独立分析引导分析短路情况学生练习,断路情况实际电路图检验学习辅导学生,归纳出现情况U?3U、电压关系:1YPL学生总结归的问题, I :流过负载的电流、电流关系:相电流2YP指出改进纳本节内容线电流I:流过相线的电流YL意见I?I YLYP教师补充二、电路分析、对称三相负载(三相电动机、变压器)1 Z︱=︱)特点:︱ZZ︱=︱Z︱=︱︱(1312P U YP==(2)相电流III==I3 12 YP Z P对称三相电路的计算可归结为一相电路的计算(3)中线电流0I++II=3 125/ 2三相负载的星形接法教案0 =+II+II=3 12 N,Y接时,中线电流为0 这时中线不起作用,可以去掉,此时三相四线制变为三相三线制。
380V:三相对称负载星形连接在电源线电压为例1,求6的电路中,每相负载的电阻为8,电抗为??线电流及中线电流。
这时每相负载的相电压、相电流、U380L VU??220?分析:(1)YP33U YP I==(2)I YLYP Z0(3)I=N、不对称三相负载(照明电路)2 ︱≠︱Z︱︱≠︱(1)特点:︱ZZ312)有中线时,各相按照单向电路的分析方法分别(2 0。
计算,注意此时中线电流不等于接照明负载均Y2、已知电源线电压为380V,三相例相相开路,V50220V 为“,40W”白炽灯盏,求:U 开路?解:图路电5/ 3三相负载的星形接法教案情况又如何?无中线一相断路时,其余两相相当于串联接a.分析: U与220V 比较线电压上,分析于380VU、WV b.总结:对通常工作在不对称情况下的三相电路而言,中线绝对不允许断开!而且必须保证中线可靠。
为中线上不允许安装保险丝确保中线在运行中不断开,和开关。
(四)课堂练习??U?U、三相对称负载做星形连接时,1,LYP??I?I,此时中线电流为()?YYPL、中线的作用是什么?为什么不允许在中线上安装2 熔断器和开关?U=Y3、在三相四线制供电电路中负载接,已知L5/ 4三相负载的星形接法教案5 / 5。
教案三相负载的接法一、教学目标:1.了解三相负载的基本概念与原理。
2.掌握三相负载的接法及计算方法。
3.培养学生分析和解决实际问题的能力。
二、教学重点和难点:1.三相负载接法的原理和特点。
2.三相负载的计算方法及问题解决能力。
三、教学过程:Step 1:导入新课教师简单介绍三相负载的基本概念和应用背景,并与学生进行互动讨论,激发学生的学习兴趣。
1.星形接法:将每一相的负载接在一个交流电源相线上,然后在另一侧将三个负载的中点连接在一起形成一个节点,称为中性点。
这种接法称为星形接法,也称为Y形接法。
2.三角形接法:将每一相的负载依次连接在两个相线上,不连接在中立线上,形成一个三角形。
这种接法称为三角形接法。
3.讲解两种接法的特点和优缺点,并进行讨论。
Step 3:三相负载的计算方法1.星形接法下的计算方法:(1)线电压和相电压的关系:线电压等于相电压的根号3倍。
(2)线电流和相电流的关系:线电流等于相电流。
(3)线功率和相功率的关系:线功率等于相功率。
2.三角形接法下的计算方法:(1)线电压和相电压的关系:线电压等于相电压。
(2)线电流和相电流的关系:线电流等于相电流的根号3倍。
(3)线功率和相功率的关系:线功率等于相功率的根号3倍。
Step 4:计算实例或案例分析教师给出一些具体的实例或案例,让学生进行计算或分析解决实际问题。
Step 5:巩固练习组织学生进行一些基本的练习题,巩固所学知识。
Step 6:作业布置布置一些课后作业,要求学生在家继续进行巩固和拓展。
四、教学评价:1.通过学生的讨论和回答问题,检查学生对三相负载接法的理解和运用。
2.评价学生在计算实例和解决问题中的能力。
五、板书设计:教师可根据实际情况设计板书内容,包括三相负载接法的原理和计算公式。
六、教学反思:本节课主要讲解了三相负载的接法和计算方法。
通过互动讨论和实例分析,使学生更好地理解和掌握这一知识点。
但是,由于时间的限制,教学内容较为简单和基础,对于一些更深入的问题和应用场景没有进行更详细的讲解。
教案内容、过程教法时间分配三相负载的连接三相对称负载:在三相负载中,如果每相负载的电阻相等,电抗相等,性质相同(均为容性或均为感性),则称为。
如果各相负载不同,就是不对称的三相负载。
负载采用两种不同的连接方法:(Y型)、(△型)一、三相负载的星形连接星形连接:它的接线原则与电源的星形连接相似,将每相负载末端连成一点N(中性点N),首端U1、V1、W1分别接到电源线上。
三相三线制:只有3根相线而没有中性线的电路,三相四线制:接线方式除了3根相线外,在中性点还接有中性线。
复习提问 10`课题引入5`N U V W I I I I =++三相负载的线电压就是电源的线电压,也就是两根相线之间的电每相负载两端的电压称作负载的相电压,当忽略输电线上的电压降时,负载的相电压就等于电源的相电压,因此有: 3L P U U =N I 为:N U V W I I I I =++=0当三相电路中的负载完全对称时,在任意一个瞬间,3个相电流中总有一相电流与其余两相电流之和大小相等、方向相反,正好互相抵消。
所以,流过中性线的电流等于零。
教 案 内 容、 过 程教 法 时间分配()1152sin 100601201152sin100V i t tA ππO O =--=-()()1152sin 100601201201152sin 10060w i t t A ππO O O O =---=+A 12022A 10120220222︒-∠=︒-∠==R U I A 12011A 20120220333︒+∠=︒+∠==R U I中性线电流二、三相负载的三角形连接三角形连接:将三相负载分别接在三相电源的每两根相线之间的接法。
即 UV VW WU L P U U U U U ==== 在负载三角形连接时,相电流和线电流是不一样的。
分析三相负载的的两种连接的相互之间的关系及区别15`UW V +-UWV .UVW+-.UUV .U WU-+Z UZ VZ W.IUV.IWUI VW..IU.IV.I W0U V W I I I ++=线电流有效并且线电流相位依次滞后因此三相对称负载三角形连接时的电流、电压关系如下。
§3.5三相负载的连接学案【目标导学】1、 掌握三相负载的两种连接方式。
2、了解线电压与相电压,线电流与相电流,中性线电流之间的关系,了解中线的作用。
3、理解对称三相负载作星形、三角形联结时电压、电流和功率的计算。
【知识探究】一、三相负载的星形(Y 形)联结1. 星形(Y 形)联结的特点相电流:每相负载上的电流线电流:三条端线上的电流P P L Y Yp Z U I I ==&&P L U U 3=2.三相对称负载 (1)负载对称时,各相电流大小相等,且每相电流的相位差为120°,中性线电流为零,可省去. 0=++=CB A N I I I I &&&& 三相三线制c e A C B Z Z ZC e B eA e3.中性线的注意事项:(1)零线上不能安装开关和熔断器.(2)三相负载尽量平衡以减小中性线电流(3)采用钢芯导线加强机械强度二、负载三角形联结1. 负载三角形接法的特点:(1)相电压=线电压(2)三角形联结的线电流是相电流的√3倍,线电流比相应的相电流滞后30°。
︒∆∆-∠=303P L I I && 【例题】大功率三相电动机启动时,由于启动电流较大而采用降压启动。
其方法之一是启动时将三相绕组接成星形,而在正常运行时改接为三角形。
试比较当绕组星形联结和三角形联结时,相电流的比值及线电流的比值。
时当绕组按三角形联结时L YP U U =Z U Z U I L P YP ==∆Lp U U &&=∆ 3LYP U U =ZU Z I I L YP YL YP 3===Z U I I L P L 33==∆∆所以两种连接法相电流的比值为:313==∆L L P YP U Z Z U I I线电流的比值为: 3133==∆L L L YL U Z Z U I I由此可见,三相电动机用星形-三角形(Y-△)降压启动时,线电流仅是采用三角形连接启动时的线电流的1/3。
第四章三相交流电路
§4-2 三相负载的连接方式
一、几个概念
1、三相负载:接在三相电源上的负载。
2、对称三相负载:各相负载相同的三相负载,如三相电动机、大功率三相电路等。
3、不对称三相负载:各相负载不同,如三相照明电路中的负载。
二、三相负载的星形连接
把三相负载分别接在三相电源的一根相线和中线之间的接法(常用“Y”标记)。
U线=√3U相 I线Y=I相Y=U相Y/Z相
三、三相负载的三角形连接
把三相负载分别接在三相电源每两根相线之间的接法(常用“△”标记)。
四、三相负载的功率
在三相交流电源中,三相负载消耗的总功率为各相负载消耗的功率之和。
在对称三相电路中,有:P=3U相I相cosφ=3P相
对称三相负载的无功功率和视在功率的计算式分别为:
Q=√3 U线I线sinφ= 3U相I相sinφ
S=√3 U线I线= 3U相I相
举例:已知某三相对称负载接在线电压为380V的三相电源中,其中R相 = 6Ω,X相 = 8Ω。
试分别计算该负载作星形连接和三角形连接时的相电流、线电流及有功功率。
课堂练习:课本P109第5、6、7题
作业布置:习题册P35四5。
【课题名称】 8.2 三相负载的连接【课时安排】2课时(90分钟)【教学目标】1.了解对称负载与不对称负载的概念。
2.了解对称负载星形联结的特点。
3.了解中性线的作用。
【教学重点】重点:负载星形联结的特点【教学难点】难点:中性线的作用【关键点】理解三相负载星形联结时有中性线与无中性线时的区别【教学方法】理论联系实际法、多媒体演示法、讲授法、谈话法【教具资源】多媒体课件【教学过程】一、导入新课教师可联系生产生活实际,创设具体的问题情景,如某台三相异步电动机的接线盒中有六个接线柱,这六个接线柱分别是电动机三个绕组的接头,因为每个绕组有两个接头。
如果电动机的铭牌上标注着“Y”接法、额定电压“380V”,那么电动机正常工作时,其六个接线柱该如何接?又如何把其接到三相四线制供电系统中去呢?从而引出三相负载连接的学习内容。
二、讲授新课教学环节1:三相负载的星形联结教师活动:教师可在黑板或多媒体展示三相负载星形联结图,并给予解释和说明。
然后引导学生一起学习什么是三相负载、什么是星形联结及星形联结时的特点。
学生活动:学生可在教师的引导下自主学习什么是三相负载、什么是星形联结及星形联结时的特点。
知识点:1.三相负载:三相负载是指用三相电源供电的设备,如三相异步电动机、三相电炉等。
在三相交流电路中,各相负载的大小和性质都相等(即Z U =Z V =Z W )的三相负载称为三相对称负载,如三相异步电动机、三相电炉等。
否则,称为三相不对称负载,如三相照明电路中的负载。
2.星形联结:将各相负载的末端U 2、V 2、W 2连在一起接到三相电源的中性线上,把各相负载的首端U 1、V 1、W 1分别接到三相交流电源的三根相线上,这种连接方式称为三相负载有中性线的星形联结法,用符号“Y 0”表示。
3.电路特点:①负载的相电压等于电源线电压的1/3,即U P =U L /3。
②负载的相电流等于电源的线电流,即L P I I 。
4.中线电流:流过中性线的电流称为中线电流,用I N 表示。
三相负载授课教案课题模块三正弦交流电路课题五三相交流电路2---三相负载授课班级授课时间教学目的1.掌握三相负载星形和三角形连接2.掌握两种连接方式下,线电压与相电压、线电流和相电流的关系3.掌握对称三相电路功率的计算及其测量方法教学重点及难点重点:1.两种连接方式下,线电压与相电压、线电流和相电流的关系2.三相电路的有功功率难点:1.三相负载星形和三角性连接方式下的线电压与相电压、线电流和相电流的关系2.中性线的作用3.三相电路的功率因数教学内容纲要教学方法一、三相对称负载的星形连接图5-7 1. 常用术语:如图5-7所示1)端线:由电源始端引出的联接线2)中性线:联接两个中性点, 的联接线3)相电压:指每相电源(负载)的端电压。
4)线电压:指两端线之间的电压5)相电流:流过每相电源(负载)的电流,有效值记作6)线电流:流过端线的电流,有效值记作7)中线电流:流过中性线的电流2 .三相四线制电路图5-81)三相四线制定义:在电源与负载都是星形连接的电路中,连接电源与负载有四条输电线,即三根端线与一根中性线,这样的连接叫三相四线制,用 Y/Y 0 表示,如图5-8所示。
目前我国低压配电系统普遍采用三相四线制,线电压是 380V ,相电压是 220V 。
当负载不是对称负载时,应采用三相四线制连接。
2)三相四线制特点:①线电流等于相电流,②中性线电流等于各相电流代数和3 .三相三线制电路1)三相三线制定义:在电源与负载都是星形连接的电路中,连接电源与负载有三条输电线,即三根端线,这样的连接叫三相三线制,如图5-9所示。
当负载是对称负载时,可以省略中性线,采用三相三线制连接。
2)三相三线制特点:①线电流等于相电流,即②注:由于三个线电流的初相位不同,在某一瞬时不会同时流向负载,至少有一根端线作为返回电源的通路。
图5-9五、三相对称负载的三角形联接图5-101 .定义:将三相负载首尾依次连接成三角形后,分别接到三相电源的三根端线上,这种连接称为三角形连接,如图5-10所示。
实验七三相负载的连接一、实验目的:1、练习三相负载的星形连接和三角形连接。
2、验证对称负载作三角形连接时线电流与相电流的关系3、进一步明确不对称负载作星形连接时,中线的作用。
二、仪器与设备:1、配电盘上,备有220/127V三相电源插座。
2、实验电路板一块,其中,A相为25W、15W灯泡各一个,B相、C相各为40W灯泡一个。
3、交流电流表0~1A一只(附有测量电流的塞头一个)。
4、交流电压表0~500V一只。
5、单相闸刀一个。
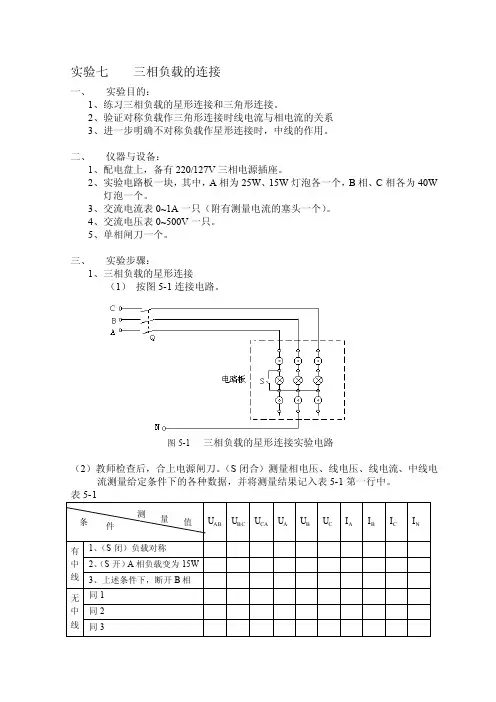
三、实验步骤:1、三相负载的星形连接(1)按图5-1连接电路。
图5-1 三相负载的星形连接实验电路(2)教师检查后,合上电源闸刀。
(S闭合)测量相电压、线电压、线电流、中线电流测量给定条件下的各种数据,并将测量结果记入表5-1第一行中。
表5-12、三相负载的三角形连接(1)按图5-2连接电路。
图5-2 三相负载的三角形连接实验电路(2)教师检查后,合上电源闸刀。
测量给定条件下的线电压、相电流、线电流,将测量结果记入表5-2第一行中。
四、实验报告1、在三相负载星形连接电路中:(1)有中线时相电压和线电压的关系:线电压/ 相电压=(2)相电流和线电流的关系是:(3)若负载对称,中线可省掉,若负载不对称,中线不能省掉。
分析表5-1所示的实验结果发现:对称负载无中线时,各相相电压数量约不对称负载无中线时,造成相电压过高。
2、在三相负载三角形连接电路中:(1)相电压为,线电压为,两者。
(2)线电流与相电流的关系是:是差。
3、思考题:(1)负载作星形连接时,中线的作用是什么?(2)负载作星形、无中线连接时,一相负载断路,将产生什么后果?(3)负载作三角形连接时,一相负载断路,三个线电流与其余两相负载的相电流之间的关系?(用式子说明)。
课题三相负载的星形接法教熟练掌握 Y 接时负载相电压与线电压、相电流与线电流的关系学知识目标及中线的作用目能力目标掌握负载对称、不对称情况下电路的分析方法标德育目标养成善于观察、勤于思考的习惯教学重点负载对称 Y 接时的电路分析及中线的作用教学难点负载不对称 Y 接时的电路分析教学方法负载分析法学习方法理论实践结合教具多媒体三相负载的星型接法一、负载的 Y 接法二、电路分析板1、电压U L3U YP 1 、对称三相负载 2、不对称三相负载书2、电流I YP I YL( 1)( 1)设计(2)(2)(3)(3)教学过程教师活动学生活动(一)复习提问1、三相交流电源的特点是什么?提问回顾旧知识2、三相四线制电源的线电压和相电压的关系?回答问题(大小、相位)(二)引入新课创设问题明确学习三相电源有 Y 和△接法,那负载有哪些连接方式呢?情境,激发目标这样的三相电路如何分析呢?学生的求(三)讲授新课知欲三相负载的星形接法提出课题教学过程教师活动学生活动一、负载的 Y 连接原 理 图引导思考发现启发观察实际电路图1、电压关系: U L3U YP教学重点2、电流关系:相电流 I YP :流过负载的电流线电流 I YL :流过相线的电流IYPIYL记录二、电路分析教学重点举例子1、对称三相负载(三相电动机、变压器)( 1)特点:︱ Z 1︱=︱ Z 2 ︱=︱ Z 3︱=︱ Z P ︱分析、归纳 总结方法( 2)相电流 I 1 =I 2 =I 3=I YP = U YPZ P对称三相电路的计算可归结为一相电路的计算( 3)中线电流引导I 1+I 2+I 3=0I N=I 1+I 2+I 3=0总结Y 接时,中线电流为0,分析向量图这时中线不起作用,可以去掉,此时三相四线制变为三相三线制。
例 1:三相对称负载星形连接在电源线电压为380V的电路中,每相负载的电阻为 8,电抗为 6,求分析问题解决问题这时每相负载的相电压、相电流、线电流及中线电流。
10. 3三相负载的三角形连接导学案四、三相负载三角形连接时的计算1、三相负载对称时的计算:。
用相量解析式计算过程:(1)相电流:IAB= ;IBC ;ICA。
(2)线电流2、三相负载不对称时的计算过程:(1)相电流:IAB= ;IBC= ;ICA=。
(2)线电流五、三相负载的功率1、有功功率(1)负载对称时P=。
(2)负载不对称时:应每相分别计算,三相总功率为各相功率之和。
P=2、无功功率(1)负载对称时Q=。
(2)负载不对称时:应每相分别计算,三相总功率为各相功率之和。
Q=3、视在功率(1)负载对称时S=。
(2)负载不对称时:应每相分别计算,三相总功率为各相功率之和。
S= 【课前练习】一、判断题1只要每相负载所承受的相电压相等,那么不论三相负载是接成星形还是三角形,三相负载所消耗的功率是相等的。
()2三相负载接成三角形时,无论对称与否,其线电压都等于相应的相电压。
()二、选择题1某三角形联接的线电容对称负载接于三相对称电源上,已知各相容抗Xc=6Q,各线电流为10A,贝U三相电路的视在功率为()A. 1800VAB.600VAC.600WD.1800W 10. 3三相负载的三角形连接导学案2三相对称负载作三角形连接,假如有一根相线断开,贝U三相负载消耗的功率将是原来的________ 倍。
()A. 0.25B.0.33C.0.50D.0.673、如图所示,R=12Q, XL=16Q,线电流为60 A,则电源相电压为()A. 1200 VB. 400 VC.400VD.220 V4、如图所示的三相对称负载,K断开时,A表读数为10A,则K闭合时,A表的读数为()A.153A B.lOA C.20A D . 30A第3题图第4题图三、填空题1、三相对称负载作三角形连接,接于线电压220V的三相电源上,线电流为103A,若三相负载消耗的总功率为3.3 kW,则负载的功率因数为,若负载呈感性,则参数为R= ________ ,XL=。