矿井维修钳工操作试题1
- 格式:docx
- 大小:23.92 KB
- 文档页数:5
维修钳工操作规程考试题
姓名时间成绩
一、填空题(每空3分共60分)
1、维修钳工必须具备一定的钳工及知识。
经过培训并后,方可持证上岗。
2、维修工必须熟知自己的职责范围,熟练掌握所维修设备的技术性能、、检修工艺和检修质量标准,并了解及相关设备的配合关系。
3、下井前,要由维修工作负责人向有关人员讲清工作内容、步骤、人员分工和;维修工要根据当日工作的需要认真检查所带工具是否,材料、备件是否充足,是否与所检修和维修设备需要的材料备件型号相符;并备好专用停电牌。
4、不允许在井下拆检的设备、部件等,必须及时。
5、在距检修地点米内风流中瓦斯浓度达到 %时,严禁送电试车;达到 %时,停止一切作业,并切断电源。
6、在吊运物件时,必须检查周围环境,检查锚杆、、绳套、润滑、千斤顶和用具,应符合。
7、在打开机盖、油箱进行拆检、换件或换油等检修工作时,必须注意好,严防落入、粉尘、或其它异物等;注意保护好拆下的零部件,应放在的地方,防止损坏、丢失或落入。
8、维修工应会同司机对检修部位进行检查验收;并就检修部位、内容、结果及遗留问题做好。
二、简答题(40分)
1、检修前的准备有那些?
2、收尾工作注意那些事项?:。
矿井维修钳工题库1-
0-7
问题:
[单选]手工铰孔进给完毕后,铰刀要()退出。
A.A、按进刀时的顺时针方向倒转,即逆时针
B.B、按进刀时的顺时针方向,即顺时针方向
问题:
[多选]根据高速公路沥青混合料配合比设计的有关规定,试回答下列问题。
最佳沥青用量根据马歇尔试验指标确定,其目标是()。
A.流值和VMA满足要求
B.空隙率和VFA接近中值
C.稳定度接近低值
D.密度接近峰值
问题:
[填空题]原核起始tRNA,可表示为(),而起始氨酰tRNA表示为();真核生物起始tRNA可表示为(),而起始氨酰-tRNA表示为()。
/ 孕妇护肤品
问题:
[问答题]什么叫纸张的结合水?它对档案纸张产生什么影响?
问题:
[单选]提供飞行横滚控制的是:()
A.副翼、扰流板系统
B.襟翼、扰流板系统
C.缝翼、副翼系统
D.襟翼、副翼系统
问题:
[判断题]空压机安全运转,气缸要使用专用的压缩机油,其闪电不得低于225℃。
A.正确
B.错误
问题:
[单选]《悲剧前半小时》视频事故加油站和便利店的结构是()
A.混凝土
B.砖木
C.钢构
D.木质。
矿井维修钳工试题1、由三个频率相同、电势相等、相位相差120°的交流电路组成的电力系统,叫做三相交流电。
2、材料的塑性越好,其可锻性也就越好。
3、链传动中,链轮的齿逐渐磨损,齿距增加,使链条磨损加快。
磨损严重时,应当更换链条和链轮。
4、钢丝绳绳股的外层钢丝直径不同,内层钢丝直径相同,内外层钢丝数目不同为瓦林吞式。
5、划线分为平面划线和立体划线两种。
6、油液有两个重要的特性:压缩性和粘性。
7、液压泵是将电动机输出的机械能转换为液体压力能的能量转换装置。
8、液压缸是将液压能转变为机械能的转换装置。
9、液压控制阀主要用来控制和调节液流方向、压力和流量。
10、三视图包括主视图、左视图和俯视图。
11、三视图的投影关系为:主、俯视图长对正,主、左视图高平齐,左、俯视图宽相等。
12、F子分为扁蠢、窄蠢和油槽蠢。
13、滚动轴承的装配方法有:敲入法、压入法和温差法。
14、灰铸铁用符号HT表示,球墨铸铁用符号QT表示,可锻铸铁用符号KT表示。
15、常用的标准圆柱齿轮的齿形角是20°。
16、平面锉削的方法有顺向锉、交叉锉和推锉三种。
17、金属的力学性能包括强度、塑性、硬度、韧性及疲劳强度等。
18、强度是指金属抵抗塑性变形或断裂的能力,其大小通常用应力来表示。
19、断裂前金属材料产生永久变形的能力称为塑性。
2o、审的热处理方法可分为退火、正灰、锋火、性火及表面热处理亚时。
,21、回火可分为低温回火、中温回火和高温回火。
22、装配方法可分为:互换法、分组法、修配法和调整法。
23、一对渐开线直齿圆柱齿轮的正确啮合条件是两齿轮压力角相等,模数相当。
24、V带的内圆周长是标准长度。
25、导向键联接特点是:键宽与轴槽的实际配合较为紧固,不会松动,键宽与轴毂槽之间有较大间隙。
26、精密机床床身导轨的修复,主要采用刮削方法。
27、局部视图的断裂边界应以波浪线表示。
28、运行中的温度滚动轴承不得超过75℃;滑动轴承不得超过(65℃)。
煤矿钳工基础试题及答案一、单项选择题(每题2分,共10分)1. 煤矿钳工在进行设备维修时,以下哪项是必须遵守的安全操作规程?A. 随意使用工具B. 穿戴个人防护装备C. 忽视机械设备的运行状态D. 擅自离开工作岗位答案:B2. 煤矿钳工在进行设备维修时,以下哪项是正确的操作步骤?A. 先断电,后维修B. 先维修,后断电C. 边维修边通电D. 无需断电即可维修答案:A3. 煤矿钳工在进行设备维修时,以下哪项是正确的工具使用方式?A. 使用不合适的工具进行作业B. 使用损坏的工具进行作业C. 使用合适的工具进行作业D. 随意更换工具进行作业答案:C4. 煤矿钳工在进行设备维修时,以下哪项是正确的工作态度?A. 粗心大意B. 认真负责C. 敷衍了事D. 急躁冒进答案:B5. 煤矿钳工在进行设备维修时,以下哪项是正确的工作方法?A. 凭经验操作,不按规程B. 严格遵守操作规程C. 随意更改操作步骤D. 忽视安全警示答案:B二、多项选择题(每题3分,共15分)1. 煤矿钳工在进行设备维修时,以下哪些是必须遵守的安全操作规程?A. 穿戴个人防护装备B. 确保机械设备断电C. 使用合适的工具进行作业D. 忽视机械设备的运行状态答案:A、B、C2. 煤矿钳工在进行设备维修时,以下哪些是正确的操作步骤?A. 先断电,后维修B. 先维修,后断电C. 边维修边通电D. 检查设备运行状态答案:A、D3. 煤矿钳工在进行设备维修时,以下哪些是正确的工具使用方式?A. 使用不合适的工具进行作业B. 使用损坏的工具进行作业C. 使用合适的工具进行作业D. 定期检查工具的完好性答案:C、D4. 煤矿钳工在进行设备维修时,以下哪些是正确的工作态度?A. 粗心大意B. 认真负责C. 敷衍了事D. 严格遵守操作规程答案:B、D5. 煤矿钳工在进行设备维修时,以下哪些是正确的工作方法?A. 凭经验操作,不按规程B. 严格遵守操作规程C. 随意更改操作步骤D. 定期进行设备检查答案:B、D三、判断题(每题2分,共10分)1. 煤矿钳工在进行设备维修时,可以随意使用工具。
山东省职业技能鉴定题库统一试卷
山东省金蓝领矿井维修钳工技能考试评分记录表准考证号:姓名:工作单位:
注:实操部分×60%+技能笔试成绩=操作技能成绩(100分制)
考评员签字:考试日期:
山东省职业技能鉴定题库
山东省金蓝领矿井维修钳工操作技能考核准备通知单一、材料准备
二、设备准备
三、工、量、刃具准备
山东省职业技能鉴定题库统一试卷
山东省金蓝领矿井维修钳工技能考核试卷(实操)
准考证号:姓名:工作单位:
试题:4L-20/8型空压机连杆部件的装配
4L-20/8型空压机一台,按照大修技术标准对其连杆部件进行检测和装配,作出评判。
一、考核要求:
1、考生按照空压机的检修标准,在修理中装配空压机的连杆部件,并
按要求装配和调整。
主要考核内容包括:装配前准备;配制操作;装配及试运行;安全与文明生产等
2、依据要求向考评员简述检测、配制步骤和装配顺序。
3、工具、量具、检具选择合理,操作顺序和检测的方法、步骤正确。
二、考核时间:180分钟。
矿井维修钳工技能鉴定培训考试题含答案[试题]矿井维修钳工技能鉴定培训考试题单位:姓名:得分:一、选择题。
每题4分,共40分。
1.外径千分尺的活动套转动一格,测微螺杆移动()。
A 1 mmB 0. 1 mm CO. 01 mm DO. 001 mm2.液压传动的工作介质是具有一定压力的()o A气体B液体C机械能D 电能3.在钻床钻孔时,钻头的旋转是()运动。
A主B进给C切削D工作4.零件的加工精度和装配精度的关系()。
A有直接影响B无直接影响C可能有影响D可能无影响5.签子的前刀面与后刀面之间夹角称()。
A前角B后角C楔角D副后角6. 加工零件的非凡表面用()刀。
A普通锂B整形镂C特种锂D板铿7.按规定的技术要求,将若干零件结合成部件或若干个零件和部件结合成机器的过程称为()。
A装配B装配工艺过程C装配工艺规程D装配工序8.对于拆卸后还要重复使用的滚动轴承,拆卸时不能损坏轴承的()oA内圈B外圈C滚动体D配合表面和滚动体9.通过改变轴承盖与壳体端面间垫片厚度h来调整轴承的轴向游隙s的方法叫()法。
A调整游隙B调整垫片C螺钉调整D调整螺钉10.轴承装配到轴上和轴承孔内后的游隙为()。
A原始游隙B配合游隙C工作游隙D安装游隙二、填空题。
每空4分,工 40分。
1.压力的法定计量单位是。
2.制动系统由和传动机构两部分组成。
3.提升机完好标准规定滑动轴承温度不超过65度,滚动轴承温度不超过度。
4.蛇形弹簧式联轴器弹簧厚度磨损不得超过原厚的。
5.电动机的机械特性是指转速和的关系。
6.液压传动是以为工作介质。
7. 液压传动最基本的技术参数是和流量。
8.三视图主要是指:主视图、俯视图和。
所组成的微观几9.表面粗糙度是指加工表面上具有较小间距和何形状特性。
10.配合分、过盈配合和过渡配合。
三、问答题。
每题10分,共20分。
1.常用液压泵是怎样分类的,答:2.简述液压控制阀的分类及作用。
答:矿井维修钳工技能鉴定培训考试题答案一 CBAAC CADBB二1 Pa/ 2执行机构3 75 4 20? 5转矩6液体7压力8左视图9峰谷10 间隙配合三1液压泵的种类很多,按结构不同可分为柱塞泵,齿轮泵,叶片泵,螺杆泵,转子泵等;按输出油方向能否改变可分为单向泵,双向泵;按输出的流量能否调节可分为定量和变量泵;按额定压力的高低可分为低压泵,中压泵,高压泵.2液压控制阀是液压控制系统的控制元件,用以控制液流方向,调节压力和流量,从而控制执行元件的运动方向,运动速度,动作顺序,输出力或力矩.控制阀根据用途和工作特点可分为:方向控制阀,压力控制阀,流量控制阀三大类.。
矿井维修钳工试题第一篇:矿井维修钳工试题矿井维修钳工试题一、判断题1、当游标卡尺两量爪贴合时,尺身和游标的零线要对齐.(√)2、游标卡尺尺身和游标上的刻线间距都是1mm.(x)3、游标卡尺是一种常用量具,能测量各种不同精度要求的零件。
(x)4、千分尺活动套管转一周,测微螺杆就移动1mm。
(x)5、塞尺也是一种界限量规。
(√)6、在台虎钳上作业时,应尽量使作用力朝向固定钳身。
(√)7、零件都必须经过划线后才能加工。
(x)8、锯条反装后,由于楔角发生变化,而锯削不能正常进行。
(x)9、锉削过程中,两手对锉刀压力的大小应保持不变。
(x)10、对机器进行超出额定负荷范围的运转试验是不允许的。
(x)11、经过划线确定加工时的最后尺寸,在加工过程中,应通过加工来保证尺寸的准确程度。
(x)12、对于转速越高的旋转体,规定的平衡精度应越高,即偏心速度越大。
(x)13、部分式轴瓦一般都用与其相配的轴来研点。
(√)14、机床导轨面的接触点越多越好,精密机床的接触点数在25点/25mm×25mm以上(x)15、可以单独进行装配的零件,称为装配单元。
(x)16、在装配过程中,每个零件都必须进行式装,通过试装时的修理、刮削、调整等工作,才能使产品达到规定的技术要求。
(x)17、离心泵使依靠高速旋转的叶轮而使液体获得压头的。
(√)18、机床主要零部件的相对位置和运动精度,都与导轨精度无关。
(x)19、车床空运转试验,使在全负荷强度试验之后进行的。
(x)20、当一个齿轮的最大齿距与另一齿轮的最小齿距处于同一相位时,产生的传动误差为最小。
(x)21、大型工件的划线,因其形大,体重、不易移动和翻转,故一般采用拉线,吊线或拼接平板等方法来进行。
(√)22、精密机械零件制造精度与装配后组件所要求的精度相差比较悬殊。
(x)23、零件的加工工艺规程是由各道工步所组成的。
(x)24、编制工艺规程既要合理,保证产品质量,但也要考虑其经济性。
兴仁市潘家庄镇兴隆煤矿井下维修作业(钳工)考试题姓名队组分数一.填空(每空 1分,共20分)1.紧固用电螺栓、螺母、垫圈等应。
2.带式输送机输送带的传动借助于输送带与传动滚筒的。
3.轮齿折断可分为和。
4.水泵发生气蚀的原因在于进口水压或水温过高,入口管阀门故障或堵塞使供水不足。
5.搬运、安装阀门时,不得于作为起吊点,阀门安装时,除特殊要求外,一般不允许手轮朝安装。
6.金属材料变形有变形和变形两种。
7.国家标准规定,机械图样中的尺寸以为单位。
8.密封圈的宽度不得小于倍的电缆外径。
9.润滑的作用主要是降低摩擦阻力、、减少表面磨损、延长机械设备使用寿命。
10. 钳工在加工过程中“三按”指、、。
11.滚动轴承的装配方法有 ,压入法和。
12.轴承是当代机械设备中一种重要零部件,它的主要功能是支撑机械旋转体,降低其运动过程中的,并保证其回转精度。
二、选择题(每题 2分,共 30分)1、维护设备的“四项要求”()A.整理、整顿、润滑、安全 B.整齐、清洁、打磨、安全C.整齐、清洁、润滑、安全 D.整顿、清洁、润滑、防火2、用螺栓紧固隔爆面,其紧固程度以()为合格。
A.严密B.压平弹簧垫圈C.压紧3、下列不属于传动机构的是()。
A、螺纹传动B、花键传动C、离合器4、拧紧成组螺母时,为使被连接件及螺杆受力均匀一致,必须按一定顺序分次逐步拧紧,其一般原则为()。
A、从中间向两边对称地扩展B、从两边向中间对称地扩展C、从两边向中间对角线地扩展5、台虎钳夹紧工件时,只允许(手柄。
A、用手锤敲击B、用手扳C、套上长管子扳D、两人同时扳6、离心泵中主要保护轴不受磨损的部件是( )A、密封;B、轴套;C、隔板;D、泵壳。
7、螺纹连接产生松动的故障原因,主要是经受长期()而引起的。
A.磨损B.运转C.振动8、通过人体电流为时就有生命危险()。
A.30mAB.50mAC.36 mA9、井下一旦发生电气火灾,首先应()A.切断电源灭火B.迅速汇报C.迅速撤离10、矿井主通风机、排水泵等属于()。
2013-10矿井机修工试卷单位:姓名:成绩:一、填空题:(每空1分,共15分)1、运行中的温度:滚动轴承不超过 75 ℃,滑动轴承不得超过 65 ℃。
2、平键的装配过程中键的长度一般应比轴槽长度小 0.1~1 mm,轮键槽顶部与键之间要有 0.3~0.4 mm的间隙。
3、配合的制度有基孔制和基轴制两种。
4、斜井提升制动减速度达不到规程要求时,需装设二级制动装置制动方式。
5、钢丝绳按股在绳中的捻向分为左捻钢丝绳和右捻钢丝绳。
按丝在股中的和股在绳中的捻向分为同向捻钢丝绳和交互捻钢丝绳。
6、物体依靠摩擦保持平衡的现象称为自锁,且不论受到多大的主动力总能够保持静止(常称“卡死”现象)7、平面连杆机构是由一些刚性构件用转动副、移动副相互连接而组成的机构。
8、螺母扭紧后螺栓螺纹应露出螺母1--3个螺距,不得用增加垫圈的办法调整螺纹的露出长度。
9、轴瓦与轴颈的承载部分应有90o~120o的接触弧面,接触长度不得小于轴瓦长度的80%。
10、铰孔结束后,铰刀应正向退出。
二、选择题:(每题2分,共20分)1、在形状公差中,符号“//”表示( D )。
A、直线度B、圆度C、倾斜度D、平行度2、液压缸是液压传动系统中的(B)部分。
A、控制B、执行C、辅助D、动力3、多绳摩擦式提升机钢丝绳打滑,与( C )无关。
A、制动力矩过大B、超负荷运行C、所用钢丝绳直径较小4、压力容器端盖上均布的螺杆是(A )的联接螺纹。
A、受轴向载荷B、受横向载荷C、受径向载荷5、固定式排水扬程较高的水泵,必须安装闸阀和逆止阀,逆止阀应安装在闸阀的( A )A、上方B、下方C、侧方6、已知一齿轮齿数为32,分度圆直径为64mm,则该齿轮的模数是( A )A、2B、4C、67、型号为22220的滚动轴承的小径是(A)mmA、100B、120C、1258、常用的轴瓦材料是(B)A、轴承钢B、巴氏合金C、铝合金D、铜合金9、按《完好标准》要求,盘形闸的闸盘端面圆跳动应不超过(B)mm。
矿井维修钳工试题一、判断题1、当游标卡尺两量爪贴合时,尺身和游标的零线要对齐.()2、游标卡尺尺身和游标上的刻线间距都是1mm.()3、游标卡尺是一种常用量具,能测量各种不同精度要求的零件。
()4、千分尺活动套管转一周,测微螺杆就移动1mm。
()5、塞尺也是一种界限量规。
()6、在台虎钳上作业时,应尽量使作用力朝向固定钳身。
()7、零件都必须经过划线后才能加工。
()8、锯条反装后,由于楔角发生变化,而锯削不能正常进行。
()9、锉削过程中,两手对锉刀压力的大小应保持不变。
()10、对机器进行超出额定负荷范围的运转试验是不允许的。
()11、经过划线确定加工时的最后尺寸,在加工过程中,应通过加工来保证尺寸的准确程度。
()12、对于转速越高的旋转体,规定的平衡精度应越高,即偏心速度越大。
()13、部分式轴瓦一般都用与其相配的轴来研点。
()14、机床导轨面的接触点越多越好,精密机床的接触点数在25点/25mm×25mm以上()15、可以单独进行装配的零件,称为装配单元。
()16、在装配过程中,每个零件都必须进行式装,通过试装时的修理、刮削、调整等工作,才能使产品达到规定的技术要求。
()17、离心泵使依靠高速旋转的叶轮而使液体获得压头的。
()18、机床主要零部件的相对位置和运动精度,都与导轨精度无关。
()19、车床空运转试验,使在全负荷强度试验之后进行的。
()20、当一个齿轮的最大齿距与另一齿轮的最小齿距处于同一相位时,产生的传动误差为最小。
()21、大型工件的划线,因其形大,体重、不易移动和翻转,故一般采用拉线,吊线或拼接平板等方法来进行。
()22、精密机械零件制造精度与装配后组件所要求的精度相差比较悬殊。
()23、零件的加工工艺规程是由各道工步所组成的。
()24、编制工艺规程既要合理,保证产品质量,但也要考虑其经济性。
25、装配工人在装配整台机器时,其主要工艺依据是机器的总装图。
()26、轴系找中过程中,务必使两个转子同时转过相同的角度。
矿井维修钳工技能鉴定考试题库(最新版)一、填空题。
1.通过螺纹轴线的剖面上螺纹的轮廓形状称为( )。
常用的有( )( )( )和( )等。
答案:螺纹牙型、三角形、梯形、锯齿形、矩形2.( )是代表螺纹尺寸的直径,指螺纹大经的尺寸。
螺纹直径有( )( )( )。
答案:公称直径、大经、中经、小径3.螺纹有单线和多线之分,沿一条螺旋线形成的螺纹称为( )螺纹。
两条以上螺旋线的螺纹为( )螺纹。
答案:单线、多线4.螺纹相邻两牙在中经线上对应点的轴向距离称( )。
答案:螺距5.同一条螺旋线上的相邻两牙在中经线上对应点间的轴向距离称为( )。
答案:导程6.螺纹是指( )、( )、( )符合国家螺纹。
答案:牙型、公称直径、螺距7.单线螺纹的导程等于( ),多线螺纹的导程等于( )与螺距的( )。
答案:螺距、螺旋线数、乘积8.( )是指两相邻牙侧间的夹角。
( )是螺纹牙形上牙侧与螺纹轴线的( )间的夹角。
答案:牙形角、牙侧角、垂线9.普通螺旋传动时,从动件做直线运动的方向不仅与螺纹的回转方向有关,还与螺纹的( )有关。
答案:旋向10.普通螺旋传动中,螺杆(或螺母)的移动距离与螺纹的( )有关。
答案:导程11.齿轮在传动过程中,在载荷的作用下,如果轮齿发生折断、齿面损坏等现象,使齿轮失去正常的工作能力,称之为( )。
答案:失效12.齿面点蚀主要有( )( )和( )三种。
答案:局限性点蚀、扩展性点蚀、片蚀13.齿面磨损严重时,将使渐开线齿面损坏,加大齿侧间隙而引起传动不平稳和( ),过度磨损甚至发生轮齿( )。
答案:冲击、折断14.轮齿折断可分为( )和( )。
答案:疲劳折断、过载折断15.铰链四杆机构组成由( )、( )和( )。
答案:机架、连杆、连架杆16.连杆架按其运动特征可分为( )和( )两种。
答案:曲柄、摇杆17.铰链四杆机构一般分为三种基本类型,即( )( )和( )。
答案:曲柄摇杆机构、双曲柄机构、摇杆机构18.凸轮机构主要有( )( )和( )三个基本构件组成。
矿井维修钳工试题一、判断题1、当游标卡尺两量爪贴合时,尺身和游标的零线要对齐.(√)2、游标卡尺尺身和游标上的刻线间距都是1mm.( x )3、游标卡尺是一种常用量具,能测量各种不同精度要求的零件。
( x )4、千分尺活动套管转一周,测微螺杆就移动1mm。
(x )5、塞尺也是一种界限量规。
(√)6、在台虎钳上作业时,应尽量使作用力朝向固定钳身。
(√)7、零件都必须经过划线后才能加工。
( x )8、锯条反装后,由于楔角发生变化,而锯削不能正常进行。
(x )9、锉削过程中,两手对锉刀压力的大小应保持不变。
( x )10、对机器进行超出额定负荷围的运转试验是不允许的。
( x )11、经过划线确定加工时的最后尺寸,在加工过程中,应通过加工来保证尺寸的准确程度。
( x )12、对于转速越高的旋转体,规定的平衡精度应越高,即偏心速度越大。
( x )13、部分式轴瓦一般都用与其相配的轴来研点。
(√)14、机床导轨面的接触点越多越好,精密机床的接触点数在25点/25mm×25mm以上( x )15、可以单独进行装配的零件,称为装配单元。
( x)16、在装配过程中,每个零件都必须进行式装,通过试装时的修理、刮削、调整等工作,才能使产品达到规定的技术要求。
( x )17、离心泵使依靠高速旋转的叶轮而使液体获得压头的。
(√)18、机床主要零部件的相对位置和运动精度,都与导轨精度无关。
( x )19、车床空运转试验,使在全负荷强度试验之后进行的。
( x )20、当一个齿轮的最大齿距与另一齿轮的最小齿距处于同一相位时,产生的传动误差为最小。
(x )21、大型工件的划线,因其形大,体重、不易移动和翻转,故一般采用拉线,吊线或拼接平板等方法来进行。
(√)22、精密机械零件制造精度与装配后组件所要求的精度相差比较悬殊。
( x )23、零件的加工工艺规程是由各道工步所组成的。
( x )24、编制工艺规程既要合理,保证产品质量,但也要考虑其经济性。
采煤机维修钳工操作理论试题多选题一1.交流电动机,由正转到反转只要改变电机电源()相接头。
A、 2B、都可以C、 3D、 1标准答案为:A2.防爆外壳的不透螺孔,其周围及底部的厚度应大于螺孔直径的1/3,但不得小于()mm。
A、 4B、 1C、 3D、 2标准答案为:C3.胶带输送机运行中不必立即停机的现象是()。
A、信号不通B、电机有异声C、巷道中有行人D、皮带断裂标准答案为:C4.《煤矿安全规程》规定采掘工作面回风流中CO2的浓度不得超过()%。
B、0.75C、 1.0D、 1.5标准答案为:D5.《煤矿安全规程》规定,低瓦斯矿井的绝对瓦斯涌出量应该为()m3/min。
A、≥40B、<40C、≤40D、=40标准答案为:C6.集团公司使用的MG550/1380采煤机牵引电机功率等级是()V。
A、80kWB、50kWC、90kWD、70kW标准答案为:C7.SGB-620/40型刮板输送机的电动机功率为()KW。
A、380B、40D、110标准答案为:B8.带式输送机输送带跑偏的原因是:()。
A、电动机安装位置不正B、托辊或滚筒安装位置不正C、减速器安装位置不正D、机尾滚筒轴承落架标准答案为:B9.井下采掘工作面都应该采用()通风。
A、独立B、串联C、机械D、压入式标准答案为:A10.在额定压力和流量下,测定高压过滤器两端的压力差,不得大于()MPa。
A、0.98B、 1.1C、0.9D、1标准答案为:A11.一台乳化液箱,可供()乳化液泵使用。
A、4台B、3台C、2台D、1台标准答案为:C12.采用2台局部通风机间隔串联为掘进工作面送风时,为避免循环风,2台局部通风机的间距一般不得大于风筒全长的()。
A、1/2B、1/3C、1/5D、1/4标准答案为:B13.采煤机的机身联接采用的是()形式。
A、细牙螺栓B、长拉杠配合液压螺母联接C、法兰盘和高强螺栓联接D、框架式配合长拉杠联接标准答案为:B14.以下哪一过程可产生CO气体。
煤矿综采维修钳工试题煤矿综采维修钳工试题一、选择题(每题2分,共50分)1、掘进机的行走部滑动轴承的工作表面局部出现钩痕或损伤时()修复使用。
A 允许B 不允许2、掘进机的油缸活塞杆表面轴向划痕深度不得大于()A 0.1㎜B 0.2㎜C 0.3 ㎜3、掘进机的油缸活塞杆表面轴向划痕长度不得大于()A 45㎜B 50㎜C 55 ㎜4、掘进机的油缸活塞杆表面径向划痕深度不得大于()A 0.1㎜B 0.2㎜C 0.3 ㎜5、掘进机的油缸活塞杆表面径向划痕长度不得大于圆周的()A 1/3B 2/3C 3/46、掘进机的油缸活塞杆表面同一圆周上划痕不多于()条。
A 1B 2C 37、掘进机的油缸活塞杆表面擦伤不多于()处。
A 2B 3C 18、液压系统胶管接头无严重锈蚀、变形、毛刺、能顺利插入配合件,检修时()O型圈。
A 必须更换B 可以不换9、运输机检修时运输机圆环链节距伸长量应不大于原节距的()A 3%B 1% C2%10、运输机圆环链的链环直径磨损量不得大于()A 1~2㎜B 1~3㎜C 2~3㎜11、撬棍要直,不得弯曲过大,有弯曲的弯曲度不得超过(B)A 3°B 4°C 2°12、如齿面有点蚀,点蚀区高度为齿面高的()时,必须更换A 100%B 90%C 95%13、如齿面有点蚀,点蚀区高度为齿高的();长度为齿长的40%时,必须更换。
A 100%B 30%C 50%14、采煤机轴承轴颈的表面粗糙度不得大于()A 0.5B 0.8C 0.715、油箱的检修,检修时()将油箱清洗干净。
A 必须B 不用16、机组整机空转时滚筒调至最高位置,牵引部正向牵引运转()小时A 1B 1.5C 0.517、机组试转后要测定空载电机功率和()。
A 液压系统压力B 转速C 压强18、刮板输送机的机头机尾沿纵向平面变形量用钢板尺校验不超过()毫米。
A 1.5B 2C 119、刮板输送机各孔形位公差允许超限量不大于图纸要求公差的()。
井下维修钳工理论考试题井下维修钳工理论考试题本试卷共分二部分(总分100分),第一部分为煤矿安全生产的法律法规和方针政策及其煤矿的基础知识(12分);第二部分为专业知识和相关专业知识(88分)。
考试时间120分钟。
考号总分第一部分煤矿安全基础知识部分一、填空题(每空0.5分,共7分)1、安全生产管理坚持( 安全第一)、(预防为主)的方针,生产经营单位的( 法人代表)对本单位的安全生产工作全面负责。
2、"三并重"的原则是指:管理、( 装备)和培训三并重,它是我国煤矿安全生产长期实践经验的总结,是安全生产的三大支柱。
3、从业人员有权对本单位安全生产工作中存在的问题,提出( 批评)、( 检举)、控告,有权拒绝违章指挥和违章作业。
4、煤矿企业的管理人员( 违章指挥),强令职工冒险作业,发生重大伤亡事故的依照《刑法》第( 114 )条的规定追究刑事责任。
5、《煤矿安全规程》规定特种作业人员必须按国家有关规定培训合格,取得( 操作资格证书),方能上岗操作。
6 、当人所处环境中氧含量低于(12% )时,会有生命危险。
7、矿井(每季度)应至少检查一次反风设施。
8、煤矿井口房和通风机房附近(20米)内,不得有烟火或用火炉取暖。
9、瓦斯的(可燃性)特性,决定瓦斯可作为民用燃料。
10、煤矿生产中,当生产与安全发生矛盾时必须是(安全第一)。
二、判断正误(错的打"x",对的打" ",每题0.5分,共5分)1、扩散通风适应在进风风流中,长度不超过8米,入口宽度大于1.5米的硐室。
(x )2、在带好自救器逃离灾区的过程中,紧急情况下不能摘掉口具讲话。
( )3、带电设备着火时,可以用井下水进行灭火。
(x )4、矿山建设工程的安全设施必须和主体工程同时设计、同时施工、同时投入生产和使用。
( )5、电动机的温升取决于环境温度的高低。
( x )6、安全与生产的关系:生产是目的,安全是前提,安全为了生产,生产必须安全。
准考证号:
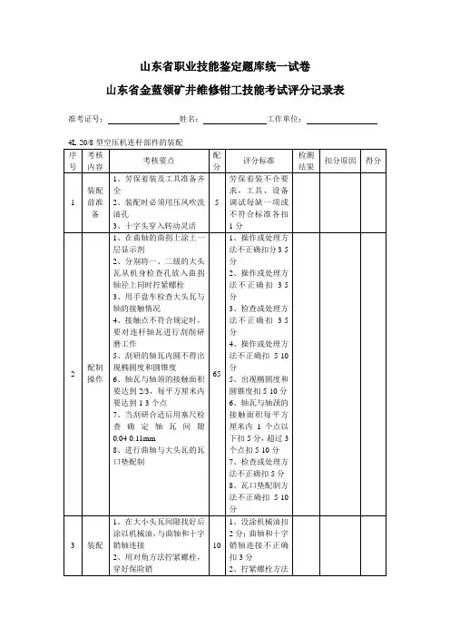
山东省职业技能鉴定题库统一试卷
山东省金蓝领矿井维修钳工技能考试评分记录表
姓名: 工作单位:
4L-20/8型空压机连杆部件的装配
考核内容考核要点评分标准
检测
结果
扣分原因得分
装配前准备1、劳保着装及工具准备齐全
2、装配时必须用压风吹洗油
孔
3、十字头穿入转动灵活
劳保着装不合要
求,工具、设备调
试每缺一项或不符合
标准各扣1分
配制操作1、在曲轴的曲拐上涂上一层显
示剂
2、分别将一、二级的大头瓦从
机身检查孔放入曲拐轴径上同
时拧紧螺栓
3、用手盘车检查大头瓦与轴的
接触情况
4、接触点不符合规定时,要对连
杆轴瓦进行刮削研磨工作
5、刮研的轴瓦内圆不得岀现
椭圆度和圆锥度
6、轴瓦与轴颈的接触面积要达
到2/3,每平方厘米内要达
到1-3个点
7、当刮研合适后用塞尺检查
确定轴瓦间隙、进行曲轴与
大头瓦的瓦口垫配制
65
1、操作或处理方法
不正确扣分 3-5 分
2、操作或处理方法
不正确扣3-5分
3、检查或处理方法
不正确扣3-5分
4、操作或处理方法
不正确扣5-10
分
5、岀现椭圆度和圆
锥度扣5-10分
6、轴瓦与轴颈的接
触面积每平方厘米内
1个点以下扣5分,
超过3个
点扣5-10分
7、检查或处理方
法不正确扣5分
8、瓦口垫配制方法
不正确扣5-10
分
装配1、在大小头瓦间隙找好后涂
以机械油,与曲轴和十字销
轴连接
2、用对角方法拧紧螺栓,穿好保
险销
10
1、没涂机械油扣2
分;曲轴和十字销轴
连接不正确扣 3 分
2、拧紧螺栓方法不
正确扣3分;未穿好
保险销扣2分
1、起动,关闭进气阀起动, 10 1、操作不正确不
注:实操部分X 60%+技能笔试成绩二操作技能成绩(100分制)
考评员签字:
考试日期: 山东省职业技能鉴定题库
山东省金蓝领矿井维修钳工操作技能考核准备通知单、材料准备
二、设备准备
三、工、量、刃具准备
山东省职业技能鉴定题库统一试卷山东省金蓝领矿井维修钳工技能考核试卷(实操)
准考证号:_______________________ 姓名:____________________ 工作单位:
试题:4L-20/8 型空压机连杆部件的装配
4L-20/8 型空压机一台,按照大修技术标准对其连杆部件进行检测和装配,作出评判。
考核要求:
1、考生按照空压机的检修标准,在修理中装配空压机的连杆部件,并按要求装配和调整。
主要考核内容包括:装配前准备;配制操作;装配及试运行;安全与文明生产等
2、依据要求向考评员简述检测、配制步骤和装配顺序。
3、工具、量具、检具选择合理,操作顺序和检测的方法、步骤正确。
二、考核时间:180 分钟。