木器漆施工工艺
- 格式:ppt
- 大小:1.07 MB
- 文档页数:57
木器漆施工工艺流程木器漆施工工艺流程是一项复杂的工作,需要经过多个步骤才能完成。
下面我将介绍一下常见的木器漆施工工艺流程。
首先,准备工作。
在进行木器漆施工之前,需要对木器进行细致的检查和处理。
首先,要检查木器表面是否平整,是否有划痕、磕碰等损坏。
如果有,则需要进行修补和砂光处理,使木器表面光滑。
然后,对木器进行除尘处理,确保木器表面清洁无尘。
第二步是底漆施工。
底漆是为了增强木器的粘结力和涂层的附着力。
首先,在木器表面涂刷一层底漆,并等待干燥。
然后,使用砂纸对底漆进行打磨,使木器表面更加平滑。
第三步是中涂施工。
中涂是为了增加木器的色彩和光泽度。
在进行中涂之前,需要根据需要选择合适的颜色和类型的漆。
然后,使用刷子或喷枪将漆均匀地涂在木器表面上,并等待干燥。
在中涂过程中需要注意保持漆层的均匀和一致。
第四步是面涂施工。
面涂是为了保护木器表面和增加其光滑度。
在进行面涂之前,需要先对中涂进行打磨,使木器表面更加平整。
然后,使用刷子或喷枪将漆均匀地涂在木器表面上,并等待干燥。
在面涂过程中需要注意保持漆层的均匀和一致。
最后,进行封面保护。
封面保护是为了保护木器表面的漆层不受外界因素的损害,如紫外线、潮湿等。
可以使用透明的保护漆或增加一层清漆进行封面保护。
在进行封面保护之前,需要先对面涂进行打磨,使木器表面更加平整。
然后,使用刷子或喷枪将保护漆均匀地涂在木器表面上,并等待干燥。
以上就是木器漆施工工艺流程的概述。
在进行木器漆施工时,需要严格按照各个步骤进行操作,并注意保持整个工作过程的卫生和安全。
只有这样,才能保证木器漆施工的质量和效果。
装饰装修:木材油漆施工工艺流程[工程类精品文档]本文内容极具参考价值,如若有用,请打赏支持,谢谢!(1)清漆施工工艺:清理木器表面磨砂纸打光上润泊粉打磨砂纸满刮第一遍腻子,砂纸磨光满刮第二遍腻子,细砂纸磨光涂刷油色刷第一遍清漆拼找颜色,复补腻子,细砂纸磨光刷第二遍清漆,细砂纸磨光刷第三遍清漆、磨光水砂纸打磨退光,打蜡,擦亮。
清油涂刷的施工规范:打磨基层是涂刷清漆的重要工序,应首先将木器表面的尘灰、油污等杂质清除干净。
上润油粉也是清漆涂刷的重要工序,施工时用棉丝蘸油粉涂抹在木器的表面上,用手来回揉擦,将油粉擦入到木材的察眼内。
涂刷清油时,手握油刷要轻松自然,手指轻轻用力,以移动时不松动、不掉刷为准。
涂刷时要按照蘸次要多、每次少蘸油、操作时勤,顺刷的要求,依照先上后下、先难后易、先左后右、先里后外的顺序和横刷竖顺的操作方法施工。
(2)混色油漆施工工艺:首先清扫基层表面的灰尘,修补基层用磨砂纸打平节疤处打漆片打底刮腻子涂干性油第一遍满刮腻子磨光涂刷底层涂料底层涂料干硬涂刷面层复补腻子进行修补磨光擦净第三遍面漆涂刷第二遍涂料磨光第三遍面漆抛光打蜡。
木质表面混油的施工规范:基层处理时,除清理基层的杂物外,还应进行局部的腻子嵌补,打砂纸时应顺着木纹打磨。
在涂刷面层前,应用漆片(虫胶漆)对有较大色差和木脂的节疤处进行封底。
应在基层涂干性油或清泊,涂刷干性油层要所有部位均匀刷遍,不能漏刷。
底子油干透后,满刮第一遍腻子,干后以手工砂纸打磨,然后补高强度腻子,腻子以挑丝不倒为准。
涂刷面层油漆时,应先用细砂纸打磨。
(3)注意:清理周围环境,防止尘土飞扬减低油漆质量。
油漆都有一定毒性,对呼吸道有较强的刺激作用,施工中一定要注意做好通风。
必须在产品要求的室内温度范围内施工。
不同的产品对于温度的要求是不同的,这个可以在产品包装或者说明书中查阅到。
避免在高潮湿或高寒的情况下强行施工。
每一工序确保干透方进行第二遍工序。
使用同一种基质的油漆,不要把不同类别的油漆混用(比如硝基漆和醇酸漆不能混用),以免发生不良反应。
家装中木器的油漆施工工艺和流程木制品由于木材自身的特性,所以大多需要对表面进行刷漆。
因为如果不这样处理,木器会很容易变形、腐坏等,涂漆后会大大增加木制品的使用寿命。
另外,油漆有很多种颜色可以选择,所以也能让木器品看起来更加美观。
那么,木器的油漆施工工艺是什么样的呢?流程又是什么?一. 清漆工艺1)首先将要木器表面打磨平整,上着色油或调色油(注:这道工序普通的工程并不需要,仅限于有变色要求的施工)2)刷清漆(注:如果不需要第一道工序,这就是第一道工序)注:如果是保持原色进行刷清漆的话,那么在材料进入工地后就必须清洁表面并立即进行第一遍的保护底漆。
底漆一般也是使用面漆。
需要注意的是清漆面层刷漆必须在墙漆进行之前处理。
3)清理其表面的灰尘和污物。
4)用砂纸把表面打磨光滑。
5)刷第一遍漆。
6)干透后用经过调配的色粉、熟胶粉、双飞粉调合成腻子把钉眼和树疤等不美观部位遮盖掉。
7)干透后用细砂纸继续磨光,这一遍很关键,一定要把表面打磨的足够光滑,否则日后使用易受伤。
8)刷一遍漆。
9)用湿布将木器表面擦湿润,然后用砂纸湿水后打磨表面,俗称水磨。
10)水磨后刷最后一遍漆。
注①:一般来说,算上最后一道漆,共需要刷面漆约为4至8遍才会达到比较好的效果。
面层油漆通常越多遍越好,这样就会更仔细,但不能够超过10遍。
注②:夏季雨水相对较多,特别是梅雨期间,每次下雨后空气湿度比较大的时候,喷涂油漆非常容易发白,硝基漆尤其明显,这时施工要引起注意,预防方法有二:1、在调配油漆时加入适量防白水(不超过稀释剂总量的8%);2、在刷涂前对施工场地作去湿处理。
二、混油工艺1)先清理木器表面灰尘和污物。
2)用猪血灰加双飞粉拌好满批木器表面。
3)干透后用砂纸打光4)刷第一遍漆5)点补不良处6)干透后用砂纸打光7)刷第二遍漆8)干透后用砂纸打光9)刷第三遍漆一般来说,混油以二至三遍为宜。
三.套色施工工艺打磨平整、上两遍底漆、擦色(底着色、面着色或同时着色)两底三面、无流痕平整为止。
木器油漆施工工艺流程一、准备工作木器油漆施工前的准备工作非常重要,包括清洁木器表面、修补木器缺陷、打磨木器表面等。
首先,需要清洁木器表面,去除尘土和油污,可以使用湿布擦拭或吸尘器清理。
其次,对于有缺陷的木器,需要进行修补,如填补裂缝、修复凹陷等。
最后,在施工前需要对木器表面进行打磨,以确保油漆能够附着牢固。
二、底漆施工底漆是木器油漆施工中的第一道工序,主要作用是提高木器表面的附着力和保护木材。
在施工底漆前,需要先搅拌均匀底漆,然后使用刷子或喷枪将底漆均匀涂刷在木器表面上。
底漆需要进行充分干燥,通常需要等待24小时以上。
三、中涂施工中涂是木器油漆施工的第二道工序,主要作用是增加木器的色彩和质感。
在施工中涂前,需要先搅拌均匀中涂漆,然后使用刷子或喷枪将中涂漆均匀涂刷在木器表面上。
中涂需要进行充分干燥,通常需要等待12小时以上。
四、修补工序修补工序是为了修复中涂施工中可能出现的瑕疵和缺陷。
在中涂干燥后,需要检查木器表面是否存在划痕、气泡等问题,如有需要进行修补。
修补可以使用砂纸进行打磨和填补,然后再进行中涂施工。
五、面漆施工面漆是木器油漆施工的最后一道工序,主要作用是保护木器表面和增加光泽。
在施工面漆前,需要先搅拌均匀面漆,然后使用刷子或喷枪将面漆均匀涂刷在木器表面上。
面漆需要进行充分干燥,通常需要等待24小时以上。
六、打磨和抛光在面漆干燥后,需要对木器表面进行打磨和抛光,以提高光泽度和光滑度。
打磨可以使用砂纸进行,从粗砂纸逐渐过渡到细砂纸,直到木器表面光滑。
抛光可以使用抛光机或抛光布进行,使木器表面更加光亮。
七、清洁和保养木器油漆施工完成后,需要对施工区域进行清洁,清除油漆残渣和工具等。
同时,需要注意木器的保养,避免长时间暴露在阳光下或受潮,以免影响油漆的质量和寿命。
总结:木器油漆施工工艺流程包括准备工作、底漆施工、中涂施工、修补工序、面漆施工、打磨和抛光以及清洁和保养等步骤。
每个步骤都有其特定的要求和注意事项,只有严格按照工艺流程进行施工,才能保证木器油漆的质量和效果。
木器漆施工七大重要工序三分涂料,七分工,品质源于细节,再好的涂料如果施工不好,同样出不了很好的效果。
小编整理了“木器漆施工七大重要工序”,希望对从事家居涂料装饰的油漆工朋友,以及初期进入涂料技术服务的朋友们有所帮助。
一、基层表面处理:在木制品涂装中,白坯表面处理主要包括基材颜色调整、清理油污、补钉孔、打磨几项内容。
1、基材颜色调整:主要是统一板材颜色,比如美式家具涂装工艺中所谈到的偏白相基材修红水,偏红相基材修绿水,而在一般家装中,根据主人、设计师的需要,也有把偏红相之板材通过漂白处理,而转化成一种偏白相板材,最后再进行清漆(本色)涂饰,不过,一般的涂装效果,这道环节都很少应用到。
2、清理油污:一般涂装都是采用180#、240#砂纸顺木纹打磨,板材通过打磨后就可以把基层表面上的油污、胶水、硬伤以及跳刀痕彻底清除干净,使基层获得平整、整洁、手感不粗糙之表面效果,但打磨也要注意手法,不能改变木工成品造型,行业有句话:“三分油漆,七分磨”可见打磨在透明有色涂装中的重要性。
3、补钉孔:补钉孔是在打磨过程中,对板材表面上的钉孔、缺陷等,采用水性有色腻子进行及时的修补、找平,使其基层获得更加完美、平整之效果。
注意:补钉孔的腻子颜色一定要接近基材,并随基材颜色而变化,而不能千篇一律。
待钉孔修补完毕、干燥后,必须将木径上多余腻子彻底打磨干净。
二、板材封闭:板材封闭,其实就是对板材涂刷头道底漆,注意:在板材封闭前,一定要先根据涂装效果工艺设计,确认板材是否需要先喷涂底色,如果不需要做底色就可直接刷涂或喷涂头道底漆。
1、根据产品涂装工艺需要,如基层表面先喷涂过底色,则头道底漆必须是喷涂而不能刷涂,否则很容易刷脏底色,对于头道底漆,很多涂料厂都生产了板材专用封闭剂,如能使板材专用封闭剂效果最佳。
2、涂装头道底漆时粘度不宜过高,而且不宜一次性厚涂。
否则涂层很容易产生针孔、气泡(鱼眼)。
三、擦色:擦色是高档透明有色涂装,底着色工艺中最重要的工序之一,一般需要在封闭底漆实干之后进行。
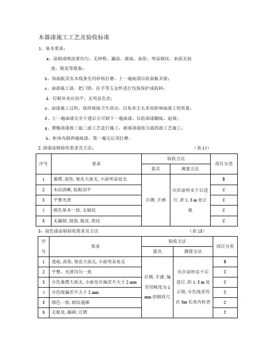
木器漆施工工艺及验收标准
1、基本要求:
a、涂刷或喷涂要均匀,无掉粉、漏涂、露底、流坠、明显刷纹,表面无鼓
泡,脱皮等现象;
b、饰面板及实木线条先用砂纸打磨,上一遍底漆以防面板弄脏;
c、油漆施工前,把门锁、拉手等五金件进行包装保护或拆卸;
d、钉眼补灰应刮平,无明显色差;
e、油漆施工过程,保持现场卫生清洁,以免灰尘太多而影响油漆工程质量;
f、上一遍油漆完全干透后方可刷下一遍油漆,以防面漆翻底、起皱;
g、聚酯清漆按三底三面工艺进行施工,硝基清漆按五底四面工艺施工;
h、柜体内刷两遍底漆,第一遍完后须打磨。
2.清漆涂刷验收要求及方法;(表14)
3:混色漆涂刷验收要求及方法(表15)。
木器油漆施工工艺如何做好木器油漆施工木制品,即是用木材加工而成的物件,由于木材本身的特性,木制品上如不做任何的保护措施,则其易会发生翘边、变形、虫蛀等现象。
因此在现在大多的木制品的表面都会有一层油漆,以防止木制品显现虫蛀、变形、腐烂等现象,保证木制品的使用寿命。
那么,木器油漆施工工艺是怎样的呢,怎样才能够做好木器油漆的施工呢。
木器油漆施工工艺1、木器表面清理。
油漆在正式的涂刷前,要将木器表面的油污、尘土等清理干净。
以免油漆在涂刷时,显现油漆涂抹不均匀,颜色分布不均的现象。
对于表面有不平整之处、裂缝的木器,其要先进行修补,在修补平整之后才能够进行清理工作。
2、打光。
木器表面清扫干净后,可用砂纸将其的表层打磨干净,表面干净的木器,其能够加强油漆与木器表面的粘黏度,这样才能够保证油漆涂刷均匀,不会显现脱落开裂的现象。
3、上润泊粉。
木器表面在打光后,可上一层润泊粉,以防止木器表面因打光而显现表面粗糙的现象,保证木器表面的光滑性。
4、刮腻子。
为保证木器表面的平整度,木器的表面在进行上漆时,都会进行刮腻子工序。
第一遍刮腻子结束后,在其稍干时,要用砂纸将其磨光,然后在进行第二遍的刮腻子工序,第二遍刮腻子工序结束时,同样要用细砂纸将其的表面磨光。
5.涂刷油漆。
用刷子蘸上调配好的油漆,轻缓的刷在木器的表面。
刷上第一遍油漆后,要查看其的颜色是否均匀周正,然后在进行一道补腻子工序,并用细砂纸将其磨光。
然后进行第二遍的刷油漆工序,在第二遍的刷油漆工序结束时,其亦要用细砂纸将其磨光。
6、打蜡。
在刷油漆工序结束时,可用水砂纸将木器表面打磨退光,并进行上蜡工序,上蜡工序在完成后,要将木器的表面重新清扫干净。
木器油漆施工注意事项1、木器油漆在上润泊粉时,其要用棉丝蘸油粉涂抹在木器的表面上,并用手在其上来回的揉擦,以保证其能够擦入到木器的擦眼内。
2、油漆在涂刷时,其使用的力度要适中,手握刷子要自然,以其在移动时不松动、掉刷为标准。
第1篇一、概述工程木器涂料施工是建筑工程中不可或缺的一部分,其主要目的是保护木材表面,延长其使用寿命,并赋予其美观的外观。
本施工方案旨在规范木器涂料施工流程,确保施工质量,提高工程效率。
二、施工准备1. 材料准备:- 涂料:根据工程需求选择合适的木器涂料,如聚氨酯漆、丙烯酸漆、硝基漆等。
- 工具:滚筒、刷子、砂纸、砂布、腻子、腻子刀、刷子、抹子、手套、口罩等。
- 辅助材料:清洁剂、稀释剂、固化剂等。
2. 施工人员:熟悉木器涂料施工工艺,具备一定的施工经验。
三、施工工艺流程1. 清理木材表面:- 使用清洁剂将木材表面的灰尘、油污等杂质清除干净。
- 对于新木材,需进行打磨处理,去除毛刺、锯痕等。
2. 打磨处理:- 使用砂纸对木材表面进行打磨,使表面光滑、平整。
- 打磨过程中注意保护木材不受损伤。
3. 刮腻子:- 在木材表面刮上一层薄腻子,填补孔洞、缝隙等缺陷。
- 确保腻子干燥后,用砂纸打磨平整。
4. 底漆施工:- 在木材表面均匀刷上一层底漆,起到防潮、防霉、提高附着力等作用。
- 底漆干燥后,进行第二次刷涂。
5. 涂饰面漆:- 根据工程需求选择合适的面漆,如聚氨酯漆、丙烯酸漆等。
- 面漆施工前,需根据产品要求进行调配。
- 面漆施工时,注意均匀涂抹,避免漏涂、流淌等现象。
6. 干燥与养护:- 面漆干燥后,对木材进行养护,如避免阳光直射、保持室内通风等。
四、质量要求1. 木材表面应平整、光滑,无毛刺、锯痕等缺陷。
2. 涂层应均匀、细腻,无漏涂、流淌等现象。
3. 涂层与木材粘结牢固,无起泡、脱落等现象。
4. 涂层颜色、光泽应符合设计要求。
五、施工注意事项1. 施工过程中,注意保护木材不受损伤。
2. 施工环境应保持通风、干燥。
3. 施工人员应穿戴好个人防护用品,如手套、口罩等。
4. 涂料施工过程中,注意防火、防爆。
通过以上施工方案,确保工程木器涂料施工质量,为工程带来美观、实用的效果。
第2篇一、施工概述1. 工程背景:为确保木器涂装质量,提高工程美观度,特制定本施工方案。
木器漆施工工艺流程
《木器漆施工工艺流程》
木器漆施工工艺是将涂料施加在木制品表面的一种技术。
它可以提高木制品的美观度和耐用性,同时保护木材免受外界侵蚀。
下面将介绍木器漆施工的工艺流程。
首先是准备工作。
在进行木器漆施工之前,需要对木制品进行处理,包括去除木屑、砂光和填充木材的孔洞。
在施工现场,也需要做好防尘、防水和通风的准备工作。
其次是底漆施工。
底漆主要用于提高漆膜的附着力和木材的密封性,使得表面更加平整。
底漆一般需要进行2-3遍的涂刷,
每一遍都需要等待底漆完全干燥后才能进行下一遍的涂刷。
接着是中涂施工。
中涂可以提高木制品的光泽度和色泽度,增加漆膜的厚度。
同样需要进行2-3遍的涂刷,每一遍都需要等
待中涂完全干燥后才能进行下一遍的涂刷。
最后是面漆施工。
面漆是木器漆的最后一道工序,它可以提高木制品的外观效果和保护性能。
在施工时,需要再进行2-3遍
的涂刷,每一遍都需要等待面漆完全干燥后才能进行下一遍的涂刷。
在漆施工完毕后,需要对漆面进行砂光和打磨,以提高漆膜的光洁度和平整度。
最后进行擦拭和清洁工作,确保木制品的外观效果达到预期的要求。
通过上述工艺流程,我们可以看出木器漆施工是一个非常细致和繁琐的过程,需要严格遵循操作规程和注意安全防护。
只有在确保每一个环节都做到位的情况下,才能保证木制品的漆面效果和使用寿命。
1、家具木器漆主要施工工艺
(1)清漆施工工艺:
基层清理、除油污——磨砂纸——润粉——磨砂纸——局部处理——第一遍满刮腻子——磨光——第二遍满刮腻子——磨光——刷油色——第一遍清漆——补腻子、磨光——第二遍清漆——磨光——第三遍清漆——磨退——打蜡——擦亮。
(2)混色油漆施工工艺:
基层清理、除油污——磨砂纸——处理节疤——干性油打底——局部刮腻子、磨光——第一遍满刮腻了——磨光——第二遍刮腻子——磨光——涂刷底漆——磨光——第一遍面漆——实腻子、磨光——第二遍面漆——磨光——第三遍面漆。
2、家具木器漆施工要点
(1)基层清理要除去家具木材表面的灰尘、油污、毛刺等,并用与木纹相同的材料对洞眼涂胶嵌补。
木材表面颜色不匀、有色斑的,可对家具木材进行脱色处理。
(2)清漆施工,需将填孔料满涂于家具木材表面,进行底色着色,使家具木材表面色调一致。
(3)涂刷油漆和打磨的遍数取决于质量要求和油漆品种。
3、家具木器漆注意事项
(1)基层处理要按要求施工,以保证表面油漆涂刷不会失败。
(2)清理周围环境,防止尘土飞扬。
(3)施工中一定要注意做好通风。
油漆施工工艺工序规程(7篇范文)(经典版)编制人:__________________审核人:__________________审批人:__________________编制单位:__________________编制时间:____年____月____日序言下载提示:该文档是本店铺精心编制而成的,希望大家下载后,能够帮助大家解决实际问题。
文档下载后可定制修改,请根据实际需要进行调整和使用,谢谢!并且,本店铺为大家提供各种类型的经典范文,如工作报告、合同协议、心得体会、演讲致辞、规章制度、岗位职责、操作规程、计划书、祝福语、其他范文等等,想了解不同范文格式和写法,敬请关注!Download tips: This document is carefully compiled by this editor. I hope that after you download it, it can help you solve practical problems. The document can be customized and modified after downloading, please adjust and use it according to actual needs, thank you!Moreover, our store provides various types of classic sample texts, such as work reports, contract agreements, insights, speeches, rules and regulations, job responsibilities, operating procedures, plans, blessings, and other sample texts. If you want to learn about different sample formats and writing methods, please pay attention!油漆施工工艺工序规程(7篇范文)【第1篇】油漆施工工艺工序规程油漆工艺工序一、木器漆1、清漆工艺(1)上着色油或调色油(注:仅限于有变色要求的工程,这道工序普通的工程都不需要。
木器漆施工的含义木器漆是指用于木制品上的一类树脂漆,有聚酯、聚氨酯漆等,可分为水性和油性。
按光泽可分为高光、半哑光、哑光。
按用途可分为家具漆、地板漆等。
木器漆使得木质家具表面更加光滑,避免木质材质直接性被硬物刮伤、划痕,有效地防止水分渗入到木材内部造成腐烂,有效防止阳光直晒木质家具造成干裂等。
木器漆施工流程(1)清漆施工工艺:清理木器表面→磨砂纸打光→上润泊粉→打磨砂纸→满刮第一遍腻子,砂纸磨光→满刮第二遍腻子,细砂纸磨光→涂刷油色→刷第一遍清漆→拼找颜色,复补腻子,细砂纸磨光→刷第二遍清漆细砂纸磨光→刷第三遍清漆、磨光→水砂纸打磨退光,打蜡,擦亮。
(2)混色油漆施工工艺:首先清扫基层表面的灰尘,修补基层→用磨砂纸打平→节疤处打漆片→打底刮腻子→涂干性油→第一遍满刮腻子→磨光→涂刷底层涂料→底层涂料干硬→涂刷面层→复补腻子进行修补→磨光擦净第三遍面漆涂刷第二遍涂料→磨光→第三遍面漆→抛光打蜡。
木器漆施工注意事项1、不与乳胶漆同时施工木器漆产品中含有甲苯二异氰酸酯(TDI),如果木器漆与乳胶漆同时施工,这些处于游离状态的TDI会与乳胶漆中的成分发生化学反应,使涂刷乳胶漆的墙面变黄。
所以木器漆与乳胶漆不能同时施工。
建议先刷木器漆再刷墙面漆,防止木器漆中的成分污染墙面。
2、防止五金污染无论采用什么工艺,先用美纹纸将工件上的五金进行保护,防止五金件沾上木器漆。
除了操作要细和及时将不五金等污染处清擦干净外,应尽量先上漆,后装门锁、拉手和插销等,以确保五金洁净美观。
3、调配时选配套产品木器漆施工时,如果选用的是水性木器漆,只需要按比例用水稀释。
而如果选用的是硝基漆和聚氨酯漆则需要添加相关固化剂和稀释剂,必须严格按照固定的配比进行调配。
所以,硝基漆和聚氨酯漆在施工过程中,最好有专业人员的指导。
严格按比例并选用配套的稀释剂、固化剂,以免造成咬底、起皱等问题。
4、木器漆调配好后要过滤木器漆调配好后要进行过滤这一步。
木器油漆工程木器油漆工程施工工艺分为清漆施工工艺和混油施工工艺。
清漆施工工艺一般先着色油或调色油,再刷清漆保护饰面板、木线,如果是保持原色进行刷清漆的话,那么在材料购进工地后就必须清洁表面并立即进行第一遍的“封漆保护”。
混油施工工艺是首先清理木器表面灰尘和污物,然后用原子灰拌好满批木器表面,待其干透后用砂纸打光刷第一遍漆,并点补不良处,同样待干透后用砂纸打光,然后刷第二遍漆,待干透后重复用砂纸打光再刷漆的工艺程序,一般来说,混油以二至三遍为宜。
一、木器油漆工程主要施工工艺流程1.清漆施工工艺流程清理木器表面→磨砂纸打光→上润油粉→打磨砂纸→满刮第一遍腻子,砂纸磨光→满刮第二遍腻子,细砂纸磨光→涂刷油色→刷第一遍清漆→拼找颜色,复补腻子,细砂纸磨光→刷第二遍清漆,细砂纸磨光→刷第三遍清漆、磨光→水砂纸打磨退光,打蜡,擦亮。
清油涂刷的施工规范:上润油粉也是清漆涂刷的重要工序,施工时用棉丝蘸油粉涂抹在木器的表面上,用手来回揉擦,将油粉擦入到木材内。
涂刷清油时,手握油刷要轻松自然,手指轻轻用力,以移动时不松动、不掉刷为准。
涂刷时要按照蘸次要多、每次少蘸油、操作时勤顺刷的要求,依照先上后下、先难后易、先左后右、先里后外的顺序和横刷竖顺的操作方法施工。
2.混色油漆施工工艺清扫基层表面的灰尘,修补基层→用磨砂纸打平→节疤处打漆片→打底刮腻子→涂干性油→第一遍满刮腻子→磨光→涂刷底层涂料→底层涂料干硬后涂刷面层→复补腻子进行修补→磨光擦净为第三遍面漆涂刷第二遍涂料→磨光→第三遍面漆→抛光打蜡。
木质表面混油的施工规范:基层处理时,除清理基层的杂物外,还应进行局部的腻子嵌补,打砂纸时应顺着木纹打磨。
在涂刷面层前,应用漆片(虫胶漆)对有较大色差和木脂的节疤处进行封底。
应在基层涂干性油或清油,涂刷干性油层要所有部位均匀刷遍,不能漏刷。
底子油干透后,满刮第一遍腻子,干后以手工砂纸打磨,然后补高强度腻子,腻子以挑丝不倒为准。
木器漆施工工艺介绍木器漆的工艺主要是两种,一是清漆工艺,顾名思义,这种木器漆就是指在木质表面涂刷透明或不透明的漆,从而达到清丽自然的效果;二是混油工艺,主要表现在所用漆的材质的颜色可选多种,以不透明的饱和度高色彩为主。
这两种木器漆的名称不一样,具体的施工工艺也有很大的差别。
清漆工艺的施工工艺比较复杂一些,一共分为12个步骤,具体如下:1.上着色或调色油;2.刷清漆保护底漆,在这一步需要注意一下,如果是保持原色进行刷清漆的话,在材料购进后必须先清洁表面并立即进行第一遍地保护底漆,底漆一般也是使用面漆,清漆面层刷漆必须在墙漆进行之前处理;3.清理木器表面的灰尘和污物;4.用砂纸将板面或者木线条表面打光;5.刷第一遍漆;6.干透后用经过调配的色粉、熟胶粉、双飞粉调和成腻子,并将诸如钉眼和树疤掩饰掉,以使与本色一样;7.干透后用细砂纸将色粉粗糙的部分打磨光,第一遍很关键,一定要将表面打光;8.下面就刷一边漆;9.干透后将细砂纸磨光;10.接着再刷一遍漆;11.先用湿布将木器表面抹湿,用砂纸湿水后打磨表面,这也就是所说的水磨;12.最后,再刷一遍漆。
一般来说,在清漆工艺中,算上最后一道漆,一共需要刷漆约4-8遍才会有比较优质的效果,面层油漆越多遍越好,但是一般不要超过10遍。
与清漆工艺不同,混油工艺则简单一些了,一共分为9步,主要是以下几点:1.先清理木器表面灰尘和污物;2.用猪血灰加双飞粉拌好木器表面;3.干透后用砂纸打光;4.刷第一遍漆;5.点补不良之处;6.干透后用砂纸打光;7.刷第二遍漆;8.干透后用砂纸打光;9.刷第三遍漆。
在混油工艺中,工艺算是比较简单的,刷漆以两至三遍为主。
以上就是清漆工艺与混油工艺两者之间的区别了,当然,无论采用哪种木器漆工艺,都要注意将木器表面的尘灰、油污等杂质清除干净。
中国新型涂料网。
木器油漆施工工艺流程
《木器油漆施工工艺流程》
木器油漆施工工艺是指在木制品表面进行油漆施工的过程。
下面是一般的木器油漆施工工艺流程:
1. 表面处理
首先,要对木器表面进行处理,包括修磨、打磨、填补细孔和瑕疵等。
这一步是为了让木器表面平整,便于后续的油漆施工。
2. 底漆施工
在表面处理后,要进行底漆的施工。
底漆的作用是提高木器表面的附着力和密封性,防止木器受潮、变形和褪色。
底漆的颜色一般比较浅,主要是为了让面漆的颜色更加鲜艳。
3. 面漆施工
接下来就是面漆的施工。
面漆是木器表面的最后一道工序,也是最能体现装饰效果的一道工序。
在施工时,需要注意均匀涂抹,避免漆面产生滞胀。
4. 涂装工艺
在涂装时,需要根据木器的不同部位和不同的工艺要求,使用适当的涂装工艺。
比如,对于立体构件和细部雕刻要求高的地方,可以采用喷涂工艺;对于平面构件可以采用滚涂或刷涂。
5. 烘干
烘干是木器油漆施工工艺流程中不可或缺的一步。
在烘干时,
需要根据木器油漆的种类和厚度来确定温度和时间,确保漆面干燥均匀。
以上就是一般的木器油漆施工工艺流程。
通过以上流程的施工,可以使木器表面光滑、坚固且美观,增强木器的耐久性和装饰性。
木器油漆施工工艺流程木器油漆施工工艺流程是指将木制家具等产品表面进行涂油漆的一系列步骤。
下面是一份常见的木器油漆施工工艺流程:1.物料准备:准备所需的油漆和涂刷工具,包括油漆、腻子、砂纸、刷子、滚筒等。
2.表面处理:清洁和准备木器表面。
首先,用砂纸打磨木器表面,去除残留的油漆和其他杂质。
然后,用湿布清洁表面,确保无尘和油渍。
3.填补裂缝:使用木器腻子填充木器表面的裂缝和孔洞。
将腻子涂抹在需要修补的区域,并使用刮刀将其平整。
4.打磨:用砂纸再次打磨木器表面,使其光滑平整。
从粗砂纸开始,逐渐使用细砂纸,直到表面光滑。
5.清洁:用湿布清洁木器表面,去除砂纸残留的灰尘。
确保表面干燥和清洁。
6.底漆涂刷:涂刷底漆。
选择适当的底漆,根据木器的材质进行选用。
用刷子或滚筒均匀地涂抹底漆在木器表面上,保持干燥后再涂刷第二层底漆。
7.打磨:用细砂纸轻轻打磨底漆,使其表面更加光滑。
8.中涂:再次清洁木器表面,去除底漆打磨产生的灰尘。
然后涂抹适当的中涂漆,用刷子或滚筒均匀地涂抹在木器表面上。
保持干燥后再涂刷第二层中涂漆。
9.打磨:用细砂纸轻轻打磨中涂漆,使其表面更加光滑。
10.面漆涂刷:再次清洁木器表面,去除中涂漆打磨产生的灰尘。
然后涂抹适当的面漆,用刷子或滚筒均匀地涂抹在木器表面上。
保持干燥后再涂刷第二层面漆。
11.打磨:用细砂纸轻轻打磨面漆,使其表面更加光滑。
12.上光:使用特殊的涂刷或喷涂器向木器表面涂抹光亮剂,以提高木器的光泽度。
13.质检:检查木器表面是否平整、光滑且没有划痕、气泡或其他瑕疵。
14.包装和运输:经过质检合格的木器将被包装好,并准备好运输。
这是一个基本的木器油漆施工工艺流程,不同的木器品种和要求可能会有所不同。
在实际施工过程中,需要根据具体情况进行调整和改变。
同时,施工过程中要注意环保和安全,确保油漆施工的质量和效果。