工程签证申请单
- 格式:doc
- 大小:3.25 MB
- 文档页数:3
现场签证申请单
注1:本单供现场签证事项在实施前申请使用,如没有签证申请即施工,补报签证申请无效;
2:表中“工程概况”和“签证原因”由承包商/分包商填写,必须详细说明变更原因及需要,及影响造价分析;
3:本签证单只确认所签证的事项属实,是否涉及费用的变更由项目成本部及顾问估算师按照合同确认。
所签证的数量如有图纸可计算,则该签数量仅供参考,具体估算数量由项目成本部及顾问估算师按照图纸重新计量;
4:表中“审批结果”应在《工程签证审批单》审核完成后,由项目负责人签字、盖章后发施工单位实施;
5:施工单位/承包商须在完工后7日内提出合同造价变更申请,逾期不予办理。
第 1 页共1 页。
工程技术经济签证单工程技术经济签证单是一种用于确认工程项目的技术经济性的文件。
该签证单主要用于工程项目的审批和监督过程中,以确保项目的技术和经济可行性。
下面将详细介绍工程技术经济签证单的标准格式。
一、签证单的基本信息部份1. 项目名称:填写工程项目的名称,确保准确反映项目的实际情况。
2. 项目编号:为工程项目分配的惟一编号,方便项目的管理和追踪。
3. 项目负责人:填写工程项目的负责人姓名和职务,确保项目有明确的责任人。
4. 项目所在地:填写工程项目所在的具体地点,方便对项目的地理位置进行了解。
二、签证单的技术经济评估部份1. 技术评估:a. 技术可行性:对工程项目的技术可行性进行评估,包括技术方案的合理性、技术难度的可控性等。
b. 技术进度:评估工程项目的技术进度,包括已完成的工作和待完成的工作。
c. 技术风险:评估工程项目存在的技术风险,提出相应的风险应对措施。
2. 经济评估:a. 投资估算:对工程项目的投资进行估算,包括设备、人员、材料等方面的投资。
b. 收益预测:预测工程项目的经济收益,包括项目完成后的销售收入、节约成本等。
c. 经济效益:评估工程项目的经济效益,包括投资回收期、资本利润率等指标。
三、签证单的审批部份1. 申请单位:填写工程项目的申请单位名称和联系方式。
2. 审批单位:填写对工程项目进行审批的单位名称和联系方式。
3. 审批意见:对工程项目的技术和经济评估结果进行审批,包括允许、不允许或者需要修改的意见。
4. 签字和日期:审批人员在相应位置签字,并填写审批日期。
四、签证单的附件部份1. 技术方案:附上工程项目的技术方案,包括设计图纸、技术规范等。
2. 经济报告:附上工程项目的经济报告,包括投资估算表、收益预测表等。
五、签证单的备案部份1. 备案单位:填写对工程项目进行备案的单位名称和联系方式。
2. 备案意见:对工程项目的技术和经济评估结果进行备案,包括允许、不允许或者需要修改的意见。
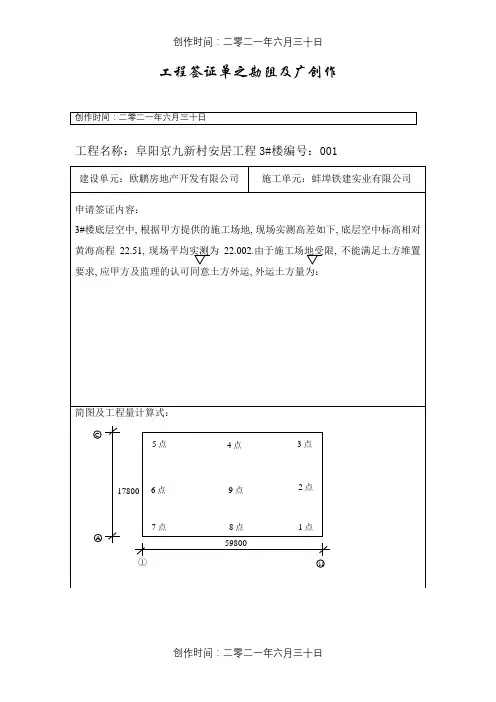
建设单位:欧鹏房地产开发有限公司施工单位:蚌埠铁建实业有限公司申请签证内容:3#楼底层地面,根据甲方提供的施工场地,现场实测高差如下,底层地面标高相对于黄海高程22.51,现场平均实测为22.002。
由于施工场地受限,不能 满足土方堆置要求,应甲方及监理的认可同意土方外运,外运土方量为:简图及工程量计算式:5点4点3点现场平均实测高差为 0.508m6点9点2占 J 八、、 7点 8点1占>八、、5980017800施工单位代表:监理工程师:建设单位审批意见:日期:(盖章) 日期: 日期: (盖章)①建设单位:漳州信地房地产有限公司 申请签证内容:施工单位:福建大舟建筑工程有限公司5点4点3点现场平均实测高差为 0.586点9点2占J 八、、 7点8点 1占 >八、、6880020幢厂房底层地面,根据甲方提供的施工场地,现场实测高差较大,底 层地面标高相对于黄海高程22.27,现场平均实测为21.69,所以须人工土方回填、 平整打夯。
(其中原设计地面碎石垫层为60mm 厚,砼垫层90mm 厚,实际回填土 方厚度为0.43m )施工单位代表:监理工程师: 建设单位审批意见:时间: (盖章) 时间: 时间: (盖章)注明:1、所有签证均应使用本工程签证单标准格式。
2、 签证单原则上只应签证工程量,涉及造价金额由建设单位预算科依据预算规定确3、 施工单位应在签证工作发生后三日内办理签证手续,否则视为放弃,补办签证结 算时不予确认。
4、 签证单应按顺序进行编号。
5、 单项经济签证单金额超过五千元的签证项目需由建设单位盖章生效。
5点4点3点现场平均实测高差为 0.313m6点9点2占 J 八、、 7点8点 1占 >八、、68800建设单位:漳州信地房地产有限公司 施工单位:福建大舟建筑工程有限公司申请签证内容:19幢厂房底层地面,根据甲方提供的施工场地,现场实测高差较大,底层 地面标高相对于黄海高程22.61,现场平均实测为22.297,所以须人工土方回填、 平整打夯。
现场签证申请单工程名称:220kV东善桥至高桥线路双开断环入九龙变工程—电缆土建工程编号:01本表一式份,由承包单位填报,建设管理单位、项目监理部各一份,承包单位存份。
电缆隧道(AK0+000~AK0+440)原始场地自然标高实测平面图垃圾层挖除场地平整后图现场签证单工程名称:220kV东善桥至高桥线路双开断环入九龙变工程—电缆土建工程编号:1-1本表一式份,由承包单位填报,建设管理单位、项目监理部各一份,承包单位存份。
工程名称:220kV东善桥至高桥线路双开断环入九龙变工程—电缆土建工程编号:1-2本表一式份,由承包单位填报,建设管理单位、项目监理部各一份,承包单位存份。
工程名称:220kV东善桥至高桥线路双开断环入九龙变工程—电缆土建工程编号:02本表一式份,由承包单位填报,建设管理单位、项目监理部各一份,承包单位存份。
道路铺设工程名称:220kV东善桥至高桥线路双开断环入九龙变工程—电缆土建工程编号:2-1本表一式份,由承包单位填报,建设管理单位、项目监理部各一份,承包单位存份。
工程名称:220kV东善桥至高桥线路双开断环入九龙变工程—电缆土建工程编号:2-2本表一式份,由承包单位填报,建设管理单位、项目监理部各一份,承包单位存份。
现场签证申请单工程名称:220kV东善桥至高桥线路双开断环入九龙变工程—电缆土建工程编号:03本表一式份,由承包单位填报,建设管理单位、项目监理部各一份,承包单位存份。
施工道路道路铺设现场签证单工程名称:220kV东善桥至高桥线路双开断环入九龙变工程—电缆土建工程编号:03本表一式份,由承包单位填报,建设管理单位、项目监理部各一份,承包单位存份。
工程合同签证单模板甲方(工程施工方):_____________乙方(发包方):_____________经甲乙双方友好协商,就工程合同(合同编号:______)中存在的事项进行签证如下:一、签证内容1. 项目名称:___________2. 工程地址:___________3. 施工范围:___________4. 工程量:___________5. 变更原因:___________6. 变更内容:___________7. 变更后工程费用:___________元8. 变更后工期:___________天二、签证流程1. 工程合同签订后,如遇到项目变更或补充需求,乙方需书面通知甲方,并提出签证申请。
2. 甲方接到签证申请后,需在_____天内进行签证评估,确定签证内容和费用。
3. 甲乙双方就签证内容和费用进行协商,并签署《工程合同签证单》。
4. 签署后,新的签证内容及费用将列入工程合同,并生效。
5. 甲方按照签证单内容及费用进行施工,乙方支付签证费用。
三、签证费用结算1. 签证费用结算标准为___________。
2. 签证费用包括但不限于材料费、人工费、设备费等,具体费用按照签证单确定。
3. 签证费用结算方式为_______________。
四、其他约定1. 本签证单为工程合同的补充,具有同等法律效力。
2. 本签证单一式两份,甲乙双方各执一份,自签署之日起生效。
3. 本签证单未尽事宜,可由甲乙双方协商补充。
甲方(签章):__________________ 日期:____________乙方(签章):__________________ 日期:____________以上为工程合同签证单范本,甲乙双方应遵守合同规定,履行各自责任,并保证签证内容合法、合理、合规。
希望双方能够共同遵守,最终完成工程目标,保证工程质量和进度。
工程签证单之勘阻及广创作
工程名称:阜阳京九新村安居工程3#楼编号:001
海信集团通用表格编号:FXJT-ZJGL-006
工程签证单
工程名称:漳州市金峰工业区北斗福星标准厂房编号:
注明:1、所有签证均应使用本工程签证单标准格式.
2、签证单原则上只应签证工程量, 涉及造价金额由建设单元预算科依据预算规定确定.
3、施工单元应在签证工作发生后三日内规画签证手续, 否则视为放弃, 补办签证结算时不予确认.
4、签证单应按顺序进行编号.
5、单项经济签证单金额超越五千元的签证项目需由建设单元盖章生效.
海信集团通用表格编号:FXJT-ZJGL-006
工程签证单
工程名称:漳州市金峰工业区北斗福星标准厂房编号:
注明:1、所有签证均应使用本工程签证单标准格式.
2、签证单原则上只应签证工程量, 涉及造价金额由建设单元预算科依据预算规定确定.
3、施工单元应在签证工作发生后三日内规画签证手续, 否则视为放弃, 补办签证结算时不予确认.
4、签证单应按顺序进行编号.
5、单项经济签证单金额超越五千元的签证项目需由建设单元盖章生效.
海信集团通用表格编号:FXJT-ZJGL-006
工程签证单
工程名称:漳州市金峰工业区北斗福星标准厂房编号:
注明:1、所有签证均应使用本工程签证单标准格式.
2、签证单原则上只应签证工程量, 涉及造价金额由建设单元预算科依据预算规定确定.
3、施工单元应在签证工作发生后三日内规画签证手续, 否则视为放弃, 补办签证结算时不予确认.
4、签证单应按顺序进行编号.
5、单项经济签证单金额超越五千元的签证项目需由建设单元盖章生效.。
建造工程经济技术签证单建造工程经济技术签证单是建造工程项目中的一项重要文件,用于确认工程项目的经济和技术方面的合规性。
下面是建造工程经济技术签证单的标准格式:1. 项目基本信息:- 项目名称:XXXXXXXX- 项目地点:XXXXXXXX- 建设单位:XXXXXXXX- 设计单位:XXXXXXXX- 施工单位:XXXXXXXX- 监理单位:XXXXXXXX2. 签证单编号:XXXXXXXX3. 签证内容:- 经济方面签证内容:- 原合同金额:XXXXXXXX元- 签证后合同金额:XXXXXXXX元- 签证金额:XXXXXXXX元- 签证原因:XXXXXXXX- 签证依据:XXXXXXXX- 签证后合同总工期:XXXXXXXX天- 签证后工期变化:XXXXXXXX天- 技术方面签证内容:- 原设计方案:XXXXXXXX- 签证后设计方案:XXXXXXXX- 签证变更内容:XXXXXXXX- 签证变更原因:XXXXXXXX- 签证变更影响:XXXXXXXX4. 签证审批流程:- 申请单位:XXXXXXXX- 申请日期:XXXXXXXX- 相关部门审批:XXXXXXXX- 审批日期:XXXXXXXX- 审批结果:XXXXXXXX- 审批意见:XXXXXXXX5. 签证实施情况:- 施工单位:XXXXXXXX- 施工日期:XXXXXXXX- 签证变更工程量:XXXXXXXX- 施工过程中的问题及处理情况:XXXXXXXX6. 签证结算:- 签证金额结算方式:XXXXXXXX- 结算依据:XXXXXXXX- 结算金额:XXXXXXXX元- 结算日期:XXXXXXXX7. 签证总结:- 签证先后工程量变化情况:XXXXXXXX- 签证先后工期变化情况:XXXXXXXX- 签证先后成本变化情况:XXXXXXXX- 签证的影响和意义:XXXXXXXX请注意,以上内容仅为示例,实际的建造工程经济技术签证单需要根据具体项目进行编写,确保准确反映项目的实际情况。
工程技术经济签证单引言概述:工程技术经济签证单是一种用于申请工程技术经济类签证的重要文件。
它包含了申请人的个人信息、工作经历、学历背景等关键信息,是签证官评估申请人是否符合签证要求的重要依据。
本文将详细介绍工程技术经济签证单的内容和要求,帮助申请人更好地准备申请材料。
一、个人信息1.1 姓名:工程技术经济签证单上需要填写申请人的姓名,确保与其他申请材料一致。
1.2 出生日期:填写准确的出生日期,以便签证官核实申请人的年龄和身份。
1.3 联系方式:包括电话号码和电子邮箱地址,确保签证官能够及时联系到申请人。
二、工作经历2.1 公司名称:填写过去工作的公司名称,包括详细地址和联系方式。
2.2 职位:填写在该公司的具体职位和工作内容,突出与工程技术经济相关的经验。
2.3 工作时间:填写在该公司的工作时间,包括入职日期和离职日期。
三、学历背景3.1 学历证书:提供最高学历的学历证书复印件,确保与签证单上填写的学历信息一致。
3.2 毕业院校:填写毕业院校的名称和专业,以及毕业时间。
3.3 学历认证:如有需要,提供学历认证材料,确保学历信息的真实性。
四、工程技术经济相关信息4.1 专业技能:填写申请人在工程技术经济领域的专业技能和特长。
4.2 项目经验:列举过去参与的工程技术经济项目,突出自己的实践经验。
4.3 职业规划:描述申请人未来在工程技术经济领域的发展规划和目标。
五、其他要求5.1 签名:申请人需要在签证单上签名确认所填写的信息真实有效。
5.2 日期:填写签名日期,确保签证单的时效性。
5.3 注意事项:申请人在填写签证单时需要注意填写规范,确保信息的准确性和完整性。
结论:工程技术经济签证单是申请工程技术经济类签证的重要文件,申请人需要认真填写并准备相关材料。
通过本文的介绍,希望能够帮助申请人更好地了解工程技术经济签证单的内容和要求,提高申请成功的几率。
祝愿申请人顺利获得所需签证,实现自己的工程技术经济发展目标。
钢结构工程签证单.pdf范本一:【文档名称】XXXXXXXXX签证单【文档编号】XXXXXXXXX【文档版本】V1.0一、签证单概述1.1 签证单目的本签证单旨在对XXXXXXXXX项目的相关工程进行签证,确保施工质量和安全,满足相关法律法规要求。
1.2 签证单范围本签证单适用于XXXXXXXXX项目中的XXXXXXXXX工程,包括但不限于XXXXXXXXX。
1.3 签证单流程签证单流程包括申请、审批、实施和验收等环节。
详细流程请参考附件1。
二、签证单申请2.1 申请人信息申请人姓名:XXXXXX连系方士:XXXXXX单位名称:XXXXXX2.2 申请事项描述请在此处详细描述需要签证的工程内容、原因和要求,包括但不限于设计变更、施工工艺调整等。
三、签证单审批3.1 审批人信息审批人姓名:XXXXXX连系方士:XXXXXX单位名称:XXXXXX3.2 审批意见请在此处填写审批人对申请事项的意见和决定。
四、签证单实施4.1 实施方案请在此处描述实施签证事项的具体方案,包括但不限于图纸修改、工艺调整、材料更换等。
4.2 实施责任人实施责任人姓名:XXXXXX连系方士:XXXXXX单位名称:XXXXXX五、签证单验收5.1 验收标准请在此处描述签证事项的验收标准,包括但不限于质量标准、安全要求等。
5.2 验收结果请在此处填写签证事项的验收结果,包括但不限于合格、不合格等。
【附件】1. XXXXXXXXXX项目签证流程图【法律名词及注释】1. 签证:施工过程中对工程变更或调整进行申请、审批、实施和验收的一种管理措施。
2. 施工质量:指工程施工过程中的各项技术要求和标准。
3. 相关法律法规:指与工程施工相关的国家法律法规、标准和规范等规定。
---范本二:【文档名称】XXXXXXX工作报告【文档编号】XXXXXXX【文档版本】V1.0一、报告概述本工作报告旨在对XXXXXXX项目的工作进展情况进行总结和分析,详细描述目前存在的问题和下一步工作计划。
最新建筑签证单模板1. 申请人信息
- 姓名:__(姓名)__
- 性别:__(性别)__
- 出生日期:__(出生日期)__
- 国籍:__(国籍)__
- 护照号码:__(护照号码)__
- 居住地址:__(居住地址)__
- 联系__(联系电话)__
- 电子邮件:__(电子邮件)__
2. 工作单位信息
- 公司名称:__(公司名称)__
- 公司地址:__(公司地址)__
- 公司联系__(公司联系电话)__
- 公司邮编:__(公司邮编)__
- 担任职位:__(职位)__
- 入职日期:__(入职日期)__
- 工作职责:__(工作职责)__
3. 建筑签证信息
- 建筑项目名称:__(项目名称)__
- 建筑地点:__(地点)__
- 建筑规模:__(规模)__
- 建筑类型:__(类型)__
- 建筑周期:__(周期)__
- 签证理由:__(理由)__
- 所需签证期限:__(期限)__
4. 申请原因
__(在此说明申请建筑签证的原因和必要性,包括但不限于以下方面的说明:建筑设计变更、工程安全改进、材料更换、施工计划调整等。
)__
5. 申请材料清单
- 护照复印件
- 入职证明
- 公司委任书
- 项目委任书
- 建筑工程设计文件
- 工程变更申请书
- 施工计划调整方案
- 其他相关证明文件
6. 其他注意事项
__(在此列举申请人需要注意的事项,例如办理时间、地点、费用等。
)__
以上是最新的建筑签证单模板,希望能对您的申请起到指导作用。
如有其他疑问,请随时与我们联系。
工程经济技术签证单一、签证单概述工程经济技术签证单是为了确保工程项目的经济和技术目标能够得到有效实施和控制,以及保证工程项目的质量和进度达到预期要求而制定的一种管理工具。
签证单包含了工程项目的基本信息、签证事项、签证内容、签证依据、签证程序、签证责任等内容,旨在确保项目的经济效益和技术实施的合理性和可行性。
二、签证单内容1. 工程项目基本信息- 项目名称:XXX工程项目- 项目编号:XXX-2022-001- 项目负责人:XXX- 项目所在地:XXX市2. 签证事项- 签证事项描述:对工程项目进行经济和技术方面的调整和变更- 签证事项原因:由于工程项目实施过程中浮现了一些不可预见的问题,需要对原计划进行调整和变更3. 签证内容- 经济方面的签证内容:对工程项目的预算进行调整和变更,包括成本、资金等方面的调整- 技术方面的签证内容:对工程项目的设计、施工方案等进行调整和变更,以适应实际情况的需要4. 签证依据- 法律法规:根据国家相关法律法规的规定,工程项目可以进行签证调整和变更- 合同约定:根据工程项目的合同约定,可以进行签证调整和变更5. 签证程序- 提出签证申请:由项目负责人提出签证申请,说明签证事项、原因和调整内容- 签证审批:签证申请经过相关部门的审批,包括经济、技术等相关部门的审批- 签证执行:签证申请获得批准后,执行签证内容的调整和变更6. 签证责任- 项目负责人:负责提出签证申请,并监督签证执行的发展和效果- 相关部门:负责对签证申请进行审批,并提供必要的技术和经济支持- 监理单位:负责对签证执行过程进行监督和验收,确保签证的质量和效果三、签证单的重要性和作用工程经济技术签证单对于工程项目的顺利实施和控制具有重要的作用:1. 确保工程项目的经济效益:通过对工程项目的经济方面进行调整和变更,确保项目的成本控制和资金使用的合理性,最大程度地提高工程项目的经济效益。
2. 保证工程项目的技术实施:通过对工程项目的技术方面进行调整和变更,确保项目的设计和施工方案的合理性和可行性,提高工程项目的技术实施水平。
工程进度施工费签证单1. 背景根据我们合同中的约定,我方承担了一项工程的施工任务。
然而,在施工过程中,由于一些不可预见的因素,例如天气原因或其它外部因素的干扰,我们的工程进度受到了一定的影响。
因此,我们需要进行工程进度施工费的签证处理。
2. 签证内容根据对工程进度影响的评估,我方提出了以下签证内容:- 延长工期:由于外部因素的干扰,我们请求将工程的完工时间延长 X天/周/月。
- 增加施工费:考虑到工期延长对我们的施工成本造成的影响,我们请求增加工程进度施工费 Y金额。
3. 签证依据为了支持我们的签证请求,我们提供以下依据:- 天气报告:附上相关的气象报告,以证明天气原因对工程进度的影响。
- 施工记录:提供我们的施工记录,包括工程进展照片、施工日志等,以证明工程进度受到了外部因素的干扰。
- 实际成本分析:提供我们的实际成本分析报告,说明工期延长对施工费用的影响,并明确请求增加的金额。
4. 签证流程我们提出的工程进度施工费签证申请,需要经过以下步骤进行审批:- 递交申请:将签证申请书及相关证明材料提交给责任项目经理。
- 审查评估:项目经理将组织相关专业人员对签证申请进行审查评估,包括对天气报告、施工记录和实际成本分析的核实。
- 决策审批:根据专业评估结果,项目经理将作出决策,确定是否批准该签证申请,并确定签证的具体内容。
- 签证通知:项目经理将向我方发出签证通知,明确批准的签证内容,包括工期延长和施工费增加的金额。
5. 签证效力一旦签证通知发出,签证内容即具有法律效力,我方将按照签证内容进行施工,并据此确定最终的工程完工时间和施工费用。
6. 结论工程进度施工费签证是为了解决工程施工过程中的变动与调整问题,确保工程能够顺利进行。
我们相信,通过专业评估和合理的签证处理,我们能够公正、合理地解决工程进度受阻的问题,并保证工程的质量和进度。
希望能得到您的批准和支持。
尊敬的甲方单位:我司承接贵单位[项目名称]工程,自[开工日期]以来,严格按照合同约定和相关规范要求,精心组织施工,确保了工程质量和进度。
现根据工程进展情况,特向贵单位申请[签证款金额]元的工程签证款,具体报告如下:一、工程概况[项目名称]工程位于[项目地址],总建筑面积为[总建筑面积],占地面积为[占地面积]。
该工程包括[结构类型]结构、[装修风格]装修,工期为[工期]。
我司作为施工单位,严格按照合同约定,配备了专业的施工队伍和先进的技术设备,确保工程顺利进行。
二、工程进展情况截至[申请日期],[项目名称]工程已完成以下工作:1. 土建工程:已完成[土建工程完成比例]%,包括主体结构、地下室结构等。
2. 装修工程:已完成[装修工程完成比例]%,包括墙面、地面、吊顶等。
3. 安装工程:已完成[安装工程完成比例]%,包括给排水、电气、消防等。
4. 环境保护及文明施工:严格执行国家环保法规,现场文明施工,未发生任何安全事故。
三、签证款申请原因1. 设计变更:在施工过程中,根据现场实际情况,对部分设计进行了调整,产生了设计变更。
经甲方、设计方、监理方确认,设计变更部分费用为[设计变更费用]元。
2. 施工图纸深化:为确保工程质量和进度,我司对施工图纸进行了深化,产生了深化图纸费用[深化图纸费用]元。
3. 不可抗力因素:在施工过程中,因[不可抗力因素],导致部分工程无法按原计划进行,产生了额外费用[不可抗力因素费用]元。
4. 材料价格上涨:近期,部分施工材料价格出现上涨,根据市场行情,我司已及时调整材料采购价格,但导致成本增加[材料价格上涨费用]元。
四、签证款申请金额根据以上原因,我司特申请[签证款金额]元的工程签证款,用于支付设计变更、施工图纸深化、不可抗力因素及材料价格上涨等产生的费用。
五、申请事项1. 请贵单位尽快审核我司的签证款申请,确保工程顺利进行。
2. 请贵单位在收到本报告后[申请审核期限]个工作日内给予回复,以便我司及时安排资金周转。