控制器接线图
- 格式:pptx
- 大小:324.68 KB
- 文档页数:1
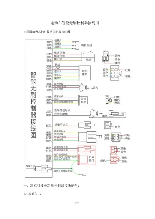
电动车智能无刷控制器接线图下图所示为高标科技动控制器接线图:一、高标科技电动车控制器接线说明:1.电源输入:2.粗红色线为电源正端,黑色线为电源负端,细橙色线为电门锁。
3.2.电机相位(u、v、w输出):4.粗黄色线为U,粗绿色线为V ,粗蓝色线为W。
5.3.转把信号输入:6.细红色线为+5V电源,细绿色为手柄信号输入,细黑色线为接地线。
7.4.电机霍耳(A、B、C输入):8.细红色线为+5V电源,细黑色线为接地线。
细黄色线为 A,细绿色线为 B,细蓝色线为 C。
9.5.刹车(柔性EABS+机械刹):10.细黄色线为柔性EABS,细蓝色线为机械刹(高电平刹车:+12V),细黑色线为接地线(低电平刹车)。
11.6.传感器 : 细红色线为+5V电源,细黑色线为接地线, 细绿色线为传感器信号输入。
12.7.仪表(转速):细紫色线13.8.巡航:细棕色线14.9.限速:细灰色线15.10.自动识别开关线:细黄色线二、高标科技电动车控制器如何接线:分清楚每根线的作用,给控制供电的电源线(一般三根线用一个朔料插销弄在一起,其中最粗的两根是给控制器供电的、红+级、黑的-级,还一根细的红色的是电源锁线)2.转把(控制速度的),一般是三根细线、红、蓝、黑。
也是用朔料插销弄在一起的。
3.仪表线、速度线、刹车断电线。
一般仪表线和刹车断电线也是在一起的。
4.还有两个线,它们可以互相连接在一起的,那可以调节角度。
(60度和120度)5.三跟主相线,5跟细的(和电机里面霍尔连接的)一、高标科技电动车控制器接线说明:16.电源输入:17.粗红色线为电源正端,黑色线为电源负端,细橙色线为电门锁。
18.2.电机相位(u、v、w输出):19.粗黄色线为U,粗绿色线为V ,粗蓝色线为W。
20.3.转把信号输入:21.细红色线为+5V电源,细绿色为手柄信号输入,细黑色线为接地线。
22.4.电机霍耳(A、B、C输入):23.细红色线为+5V电源,细黑色线为接地线。
门禁控制器接线原理图2008-08-08 初始版本完成2010-11-18 升级版本门禁系统操作手册版本: 2.0版本: 2. 11一.设备特性:1.485控制器特性第一部分门禁控制器硬件手册门禁系统操作手册485 门禁控制器使用标准的工业串口通信,通信距离可达 1200 米,每个总线可以接 255 台设备,使用485 集线器可以扩展多条总线。
支持多达 6 个输出和 10 个输入。
型号有单门、双门、4门等。
✍✍✍✍✍标准 485(波特率 9600)通讯;✍✍✍✍✍大容量存储卡,54000 卡记录,60000 刷卡记录,10000 报警记录(控制器的记录保存在 Flash 里面;双存储器,卡数据、刷卡记录分别存储,数据不易丢失;在脱机状况下,如果记录(刷卡记录和报警记录)超出容量,将覆盖最早的记录);✍✍✍✍✍开门时区设置多达 16 组,且可以分别设定对应的多种开门方式,如卡、卡+密码、密码、双卡、首卡开门等;✍✍✍✍✍支持远程操作开关门、远程开关火警、报警。
支持软件锁门常闭功能;✍✍✍✍✍支持多个报警事件的报警输出,如无效卡、无效时间、门报警、门开超时等;✍✍✍✍✍默认支持 2—4个 weigend 读卡器,自动适应 26、34、37协议;✍✍✍✍✍支持多达 6 个输出,分别控制门和报警输出联动;✍✍✍✍✍多门控制器支持互锁、防潜返功能;✍✍✍✍✍所有设备可以混合安装在一个系统里面;✍✍✍✍✍配合软件支持考勤、实时在线巡更功能。
支持多用户多机实时管理监控;✍✍✍✍✍内置 web 网页,同时可以网络实时监控;2.T CP/IP控制器特性以太网门禁控制器是专门为对通信要求比较高而设计的门禁设备。
具有远程升级、远程初始化、数据复位、防区功能的功能;可以扩展的 485 接口空间;支持多达6个输出和 10 个输入。
是一个可以通过以太网进行远程管理的门禁系统。
型号有单门、双门、4门等。
✍✍✍✍✍标准 10M TCP/IP 通讯;✍✍✍✍✍大容量存储卡,支持远程升级版卡容量 4000,刷卡记录 4000,报警记录 6000;✍✍✍✍✍标准版卡容量 54000,刷卡记录 60000,报警记录 20000(控制器的记录保存在 Flash 里面。
电动车控制器接线图及接线方法下图所示的是高标科技自主研发的电动车控制器接线图:高标电动车控制器接线方式:1.电动车控制器电源输入:粗红色线为电源正端,黑色线为电源负端,细橙色线为电门锁。
2.电动车电机相位(u,v,w 输出):粗黄线为U,粗绿线为V,粗蓝色为W。
3.电动车控制器转把型号输入:细红色线为+5V电源,细绿色为手柄信号输入,细黑色线为接地线。
4.电动车电机霍尔(A,B,C输入):细红色线为+5V电源,细黑色线为接地线,细黄色线为A,细绿色线为B,细蓝色线为C。
5.电动车刹车(柔性EABS+机械刹):细黄色线为柔性EABS,细蓝色线为机械刹,细黑色线为接地线。
6. 电动车传感器:细红色线为+5V电源,细黑色线为接地线,细绿色线为传感器信号输入。
7.电动车仪表(转速):细紫色线。
8.电动车巡航:细棕色线。
9.电动车限速:细灰色线。
10.电动车自动识别开关线:细黄色线。
高标智能型无刷电动车控制器使用方法和注意事项:1、在接线前先切断电源,按接线图所示连接各根导线;2、高标控制器虽然防水、抗震,但控制器做好还是安装在通风、防水、防震部位。
3、控制器限速控制插头应放置容易操作的地方。
4、控制器接插件应接插到位,禁止将控制器电源正负极反接(即严禁粗红、细橙和粗黑;细红和细黑接反)。
5、电机模式自动识别:正确接好电动车控制器的电源、转把、刹把等线束,,将电机识别模式开关线(细灰)短接,打开电门锁,使电机进入自动识别状态,若电机反转则按一下刹车即可使电机正向转动,在控制器识别电机模式10秒后将电机识别模式开关线(细灰)直接断开即可完成电机模式自动识别。
6、1+1助力方向调整:在通电状态,将调速电阻从最大值调到最小值,再回到原始状态后,可将1+1助力的方向从正向模式切换到反向模式,再调整一次可从反向模式切换到正向模式,并将最终的模式存入单片机。
电动车智能无刷控制器接线图下图所示为高标科技动控制器接线图:一、高标科技电动车控制器接线说明:1.电源输入:粗红色线为电源正端,黑色线为电源负端,细橙色线为电门锁。
2.电机相位(u、v、w输出):粗黄色线为U,粗绿色线为V ,粗蓝色线为W。
3.转把信号输入:细红色线为+5V电源,细绿色为手柄信号输入,细黑色线为接地线。
4.电机霍耳(A、B、C输入):细红色线为+5V电源,细黑色线为接地线。
细黄色线为A,细绿色线为B,细蓝色线为C。
5.刹车(柔性EABS+机械刹):细黄色线为柔性EABS,细蓝色线为机械刹(高电平刹车:+12V),细黑色线为接地线(低电平刹车)。
6.传感器: 细红色线为+5V电源,细黑色线为接地线, 细绿色线为传感器信号输入。
7.仪表(转速):细紫色线8.巡航:细棕色线9.限速:细灰色线10.自动识别开关线:细黄色线二、高标科技电动车控制器如何接线:分清楚每根线的作用,给控制供电的电源线(一般三根线用一个朔料插销弄在一起,其中最粗的两根是给控制器供电的、红+级、黑的-级,还一根细的红色的是电源锁线)2.转把(控制速度的),一般是三根细线、红、蓝、黑。
也是用朔料插销弄在一起的。
3.仪表线、速度线、刹车断电线。
一般仪表线和刹车断电线也是在一起的。
4.还有两个线,它们可以互相连接在一起的,那可以调节角度。
(60度和120度)5.三跟主相线,5跟细的(和电机里面霍尔连接的)一、高标科技电动车控制器接线说明:2.电源输入:粗红色线为电源正端,黑色线为电源负端,细橙色线为电门锁。
2.电机相位(u、v、w输出):粗黄色线为U,粗绿色线为V ,粗蓝色线为W。
3.转把信号输入:细红色线为+5V电源,细绿色为手柄信号输入,细黑色线为接地线。
4.电机霍耳(A、B、C输入):细红色线为+5V电源,细黑色线为接地线。
细黄色线为A,细绿色线为B,细蓝色线为C。
5.刹车(柔性EABS+机械刹):细黄色线为柔性EABS,细蓝色线为机械刹(高电平刹车:+12V),细黑色线为接地线(低电平刹车)。
1 / 5无刷电动车控制器接线说明1.电源输入粗红色线为电源正端黑色线为电源负端细橙色线为电门锁2.电机相位(u、v、w输出)粗黄色线为U 粗绿色线为V 粗蓝色线为W3.转把信号输入细红色线为+5V电源细绿色为手柄信号输入细黑色线为接地线4.电机霍耳(A、B、C输入)细红色线为+5V电源细黑色线为接地线细黄色线为 A 细绿色线为B 细蓝色线为 C5.刹车(柔性EABS+机械刹)细黄色线为柔性EABS;细蓝色线为机械刹(高电平刹车:+12V)细黑色线为接地线(低电平刹车)6.传感器细红色线为+5V电源细黑色线为接地线细绿色线为传感器信号输入7.仪表(转速):细紫色线8.巡航:细棕色线9.限速:细灰色线10.自动识别开关线:细黄色线PIC16F72智能型无刷电动车控制器使用方法和注意事项1、在接线前先切断电源,按接线图所示连接各根导线;2、该控制器应安装在通风、防水、防震部位。
3、控制器限速控制插头应放置容易操作的地方。
4、控制器接插件应接插到位,禁止将控制器电源正负极反接(即严禁粗红、细橙和粗黑;细红和细黑接反)。
5、电机模式自动识别:正确接好电动车控制器的电源、转把、刹把等线束,,将电机识别模式开关线(细黄)短接,打开电门锁,使电机进入自动识别状态,若电机反转则按一下刹车即可使电机正向转动,在控制器识别电机模式10秒后将电机识别模式开关线(细黄)直接断开即可完成电机模式自动识别。
6、1+1助力方向调整:在通电状态,将调速电阻从最大值调到最小值,再回到原始状态后,可将1+1助力的方向从正向模式切换到反向模式,再调整一次可从反向模式切换到正向模式,并将最终的模式存入单片机。
控制器线:红粗是正极,黑粗是负极,红细是转把5V正极,黑细是负极,绿色是信号线,你看看你的转把线是不是没有接好,红细5V正极和绿色是信号线两个相碰看看电机转吗?如果转动就是转把线你的转把黑线断了。
电动车控制器怎么接线1,分清楚每根线的作用,给控制供电的电源线(一般三根线用一个朔料插销弄在一起,其中最粗的两根是给控制器供电的、红+级、黑的-级,还一根细的红色的是电源锁线)2,转把(控制速度的),一般是三根细线、红、蓝、黑。
今天主要给大家介绍一下,控制电机的几种控制原理图,覆盖了所有电机的控制形式。
一般很难总结这么多的,希望感兴趣的可以学习一下。
一、第一张电动机的点动控制原理图
二、第二张电动机的连续运转控制线路原理图(自锁)
三、第三张电动机的点动和常动的混动控制线路原理图
四、第四张电动机的两地控制线路原理图
五、第四张电动机的两地控制线路原理图
六、第六张电动机的接触器联锁正反转控制电路原理图
七、第七张电动机的双重互锁的正反转控制电路原理图
八、第八张电动机的顺序停止控制线路原理图
九、第九张电动机的顺序启动逆序停止控制线路原理图。
电动车智能无刷控制器接线图下图所示为高标科技动控制器接线图:一、高标科技电动车控制器接线说明:1. 电源输入:粗红色线为电源正端,黑色线为电源负端,细橙色线为电门锁。
2. 电机相位(u、v、w 输出):粗黄色线为U,粗绿色线为V ,粗蓝色线为W。
3.转把信号输入:细红色线为+5V 电源,细绿色为手柄信号输入,细黑色线为接地线。
4. 电机霍耳(A、B、C 输入):细红色线为+5V 电源,细黑色线为接地线。
细黄色线为A,细绿色线为B,细蓝色线为C。
5. 刹车(柔性EABS+ 机械刹):细黄色线为柔性EABS ,细蓝色线为机械刹(高电平刹车:+12V ),细黑色线为接地线(低电平刹车)。
6. 传感器: 细红色线为+5V 电源,细黑色线为接地线, 细绿色线为传感器信号输入。
7. 仪表(转速):细紫色线8. 巡航:细棕色线9. 限速:细灰色线10. 自动识别开关线:细黄色线二、高标科技电动车控制器如何接线:分清楚每根线的作用,给控制供电的电源线(一般三根线用一个朔料插销弄在一起,其中最粗的两根是给控制器供电的、红+级、黑的-级,还一根细的红色的是电源锁线)2. 转把(控制速度的),一般是三根细线、红、蓝、黑。
也是用朔料插销弄在一起的。
3. 仪表线、速度线、刹车断电线。
一般仪表线和刹车断电线也是在一起的。
4. 还有两个线,它们可以互相连接在一起的,那可以调节角度。
(60 度和120 度)5. 三跟主相线,5 跟细的(和电机里面霍尔连接的)一、高标科技电动车控制器接线说明:2.电源输入:粗红色线为电源正端,黑色线为电源负端,细橙色线为电门锁。
2.电机相位(u、v、w 输出):粗黄色线为U,粗绿色线为V ,粗蓝色线为W。
3.转把信号输入:细红色线为+5V 电源,细绿色为手柄信号输入,细黑色线为接地线。
4. 电机霍耳(A、B、C 输入):细红色线为+5V 电源,细黑色线为接地线。
细黄色线为A,细绿色线为B,细蓝色线为C。