电子电气行业NPI新机种可制造性评估表
- 格式:xlsx
- 大小:2.73 MB
- 文档页数:6
电子产品质量及可制造性评估表1.引言在电子产品的研发和制造过程中,质量和可制造性评估是非常重要的环节。
通过对电子产品的质量和可制造性进行评估,可以有效地提高产品的质量,减少制造成本,并确保产品能够按时交付市场。
本文档将介绍电子产品质量和可制造性评估所需的内容和步骤。
2.产品规格2.1产品描述:包括电子产品的功能、外观和结构等信息。
2.2技术规格:包括电子产品的性能指标和技术要求。
3.质量评估3.1功能性评估:对电子产品的功能进行测试和评估,确保产品能够正常运行并满足用户需求。
3.2可靠性评估:对电子产品进行可靠性测试,估计产品的可靠性和寿命,并评估产品是否能够承受极端环境条件下的使用。
3.3安全性评估:对电子产品的安全性能进行评估,确保产品在正常使用过程中不会对用户造成伤害。
3.4兼容性评估:评估电子产品与其他设备的兼容性,确保产品可以与其他设备进行良好的交互和通信。
4.可制造性评估4.1组件可用性评估:评估电子产品所使用的组件的可用性和供应情况,确保可以及时获取所需的组件。
4.2制造工艺评估:评估电子产品的制造工艺,确定最佳的制造工艺流程,并评估制造过程中的潜在风险和问题。
4.3制造成本评估:评估电子产品的制造成本,并寻找降低成本的可能性,以提高产品的竞争力。
4.4制造周期评估:评估产品的制造周期,确保产品可以按时交付市场。
5.结论通过对电子产品的质量和可制造性进行评估,可以提高产品的质量和可靠性,降低制造成本,并确保产品能够按时交付市场。
本文档介绍了电子产品质量和可制造性评估所需的内容和步骤,供研发和制造团队参考和实施。
以上是电子产品质量及可制造性评估表的大致内容,根据实际情况还可以根据具体产品的特点进行补充和修改。
对于电子产品的质量和可制造性评估,需要综合考虑产品的功能、性能、可靠性、安全性、兼容性以及制造工艺、成本和周期等多方面因素,确保产品在市场上具有竞争力和可持续发展的能力。
设备可行性评估报告表1.引言本报告旨在对一款新型设备的可行性进行评估,以确定其在市场中的潜在优势和可行性。
该设备的详细信息将在后续部分进行介绍,并对其技术、市场和经济可行性进行分析。
2.设备概述该设备是一种用于家庭智能化管理的智能控制中心。
它具备以下特点:高度智能化:通过集成各种传感器和智能算法,能够自动感知环境变化,并做出相应的控制决策。
宽泛的应用领域:可用于控制家庭内的照明、温度、安全系统等多种设备,实现智能化管理。
用户友好界面:设备配备了直观的用户界面,使用户能够轻松操作和控制设备。
高度可扩展:支持与其他智能设备的连接,实现更广泛的智能化管理和自动化控制。
3.技术可行性分析3.1技术成熟度评估通过对该设备的技术成熟度进行评估,包括关键技术的可行性、可靠性和稳定性。
经过初步调研和测试,该设备的关键技术已经相对成熟,并且能够满足产品设计要求。
3.2技术竞争力分析在市场上已经存在许多类似的智能设备,因此需要评估该设备的技术竞争力。
根据市场调研结果,该设备相对于竞争对手具备更先进的智能算法和更友好的用户界面,因此在技术方面具备一定的竞争优势。
4.市场可行性分析4.1市场需求评估通过市场调研和用户需求分析,评估市场对该设备的需求情况。
调研结果显示,智能家居市场呈现出快速增长的趋势,并且用户对于智能家居设备的需求不断增加。
4.2市场竞争力分析分析市场上已有的竞争产品,并评估该设备在市场中的竞争力。
通过对竞争对手的产品特点和市场份额的分析,该设备具备与竞争对手一定的差异化优势,并且有潜力在市场中获得一定的份额。
5.经济可行性分析5.1成本评估对该设备的研发成本、生产成本和销售成本进行全面评估。
经过初步估算,该设备的生产成本相对较低,并且能够在一定规模下实现盈利。
5.2收益预测通过市场调研和销售预测,对该设备的销售收益进行预测。
根据市场需求和竞争分析,该设备具备一定的市场潜力,有望实现可观的销售收益。
6.风险评估对该设备可能面临的风险进行评估,并提出相应的风险应对策略。
电子制造业新产品导入NPI及常用英文词汇产品定义(EVT),产品设计(DVT),定型测试(PVT)EVT (Engineer Verification Test)工程样品验证测试,DVT (Design Verification Test)设计样品验证测试,PVT(Production/Process/Pilot Verification Test)生产验证测试。
1)产品确证历程:EVT(Engineering Verification Test)---> DVT(Design Verification Test) ---> PVT(Process Verification Test);2)EVTPoduct/Engineering Specification complete(由 R&D 完成,内容: 一些重要的参数,重要特征)Design Verification Plan ( B-test, Compatibility-test, EMI )(由技服部作)初步之BOM(R&D完成)Cost Review(PMP 负责)Test equipment and Tooling(R&D 和工程部门)Test process documented and released测试程序或测试文件Failure analysis and corrective actions针对不良点作设计上的改善3)DVTDesign Verification Test( B-test , Compatibility-test, EMI ) complete概念1:可靠性测试: 产品在既定的时间内, 在特定的条件下完成特定功能和性能的机率概念2:B-test--- Basic test 包括:Function TestSafety TestEnvironment TestMechanical Test概念3:Safety Test 主要有:Hit-Pot 高压测试绝缘电阻测试Current Leakage(电流测试)接地测试概念4:Mechanical Test 主要有Vibration Test(振动试验)Drop Test(落体试验)概念5: Compatibility test --- 兼容性测试硬件与软件之兼容性硬件与硬件之兼容性概念6: EMI Test--- 抗静电 ,电磁干扰Agency Compliances complete安规承认测试,安规组负责Design Change Phased in设计变更切入MPI & TPI & QII 等等制程文件试用的制作完毕BOM 进一步修改Failure Analysis and Corrective actions形成 AVL---- Acceptable Vendor List4)PVTFailure analysis / corrective actionFirst article inspection review with customer and documented 制程安排好, 各种制程文件修改并正式发行Operators/ Inspectors traning / certification programC-Test----仅小变更,仅需做 change-test 变可. 此测试可仅针对变更项做ORT Test--- ongoing reliability test连续测试 2000小时PMP 召开会议---作总结GO or STOP5)机构件的 3B ApprovalTVR--- Tooling Verification Report对生产出来的产品做全尺寸测量Cpk Report制程能力报告TVR & Cpk 由品保与工程部门共同完成Flow Chart ----流程图怎样安排制程PMP --- Process Management Plan制程安排,制程控制要点,设备,检验方法, 检验频率等等Flow Chart & PMP 由 IE 制作FAP ( Final Audit Program )要求图文并茂试模报告塑料成形条件, 冲压成形条件各单件之图面及组件之装配图材质证明书ECN--- Engineering Change Notice要求及时地切入工程变更工厂/设计产品测试:BVT是Build Verification Test,基本验证测试,对完成的代码进行编译和连接,产生一个构造,以检查程序的主要功能是否会像预期一样进行工作。
新产品导入量产作业流程一目的。
为确保新产品顺利导入量产阶段,能提供正确完整的技术文件资料及验证新产品的成熟度,以顺利大量生产。
二组织与权责。
1 研发单位:对策分析与设计变更,提供样品及技术相关文件资料及零件采购资料。
2 工程单位:(1)承接新产品技术,产品特性及生产作业性评估。
(2)任计划召集人(Project Coordinator)排定工程试制时程表及召开工程试制检讨会,工程问题分析,对策导入。
(3)制程安排,包括生产线的评估,绘制SOP,QC工程图之草拟。
同时,还有负责治具的准备,制程管制,机器设备架设,参数设定及问题分析等。
(4)规划新产品之测试策略,测试设备,治具及软体。
还有负责生产线测试设备的架设,提供测试SOP,测试计划及测试产出分析。
3 品保单位。
(1)产品设计验证测试(Design Verification:DVT)。
(2)功能及可靠度确认。
(3)负责再次确认PVT和DVT的结果是否符合工程规格及客户规格。
4 资材单位:(1)PCB委托加工及材料采购。
(2)备料及试作投料。
5 生产单位:(1)支援新产品组装。
(2)成品接受及制造技术接受。
6 文管中心:DVT资料接收确认与管制。
三名词解释。
1 工程试作(Engineering Pilot Run:EPR):为确认新产品开发设计成熟度所作的试作与测试。
2 量产试作(Production Pilot Run:PPR):为确认新产品量产时的作业组装所做的试作与测试。
3 量产(Mass Production:MP):经量产试作后之正式生产。
4 材料清册(Bill of Material:BOM):记录材料料号,品名/规格,插件位置,单位用量,承认编号,工程变更讯息等相关资讯。
5 P3-TEST(LPR阶段):新产品设计完成后,对其设计的结果依据产品规格做各种测试验证,称为P3-TEST。
6 P4-TEST(EPR阶段):通过设计审查后之工程试作后的新产品,对其做各种测试验证称为P4-TEST。
电子产品质量及可制造性评估表电子产品质量及可制造性评估表是一种常用于评估电子产品的工具,它能够综合考虑产品的各个方面,包括设计质量、制造工艺、材料选择等,以判断产品的质量和可制造性水平。
下面是一份电子产品质量及可制造性评估表的示例,供参考:评估指标,评估内容,评估标准,得分:----:,:----,:----,:----:1,产品设计,产品各部件的设计是否合理,是否易于制造和维修,1-52,材料选择,产品所采用的材料是否符合要求,是否易于获得和加工,1-53,制造工艺,产品的制造工艺是否成熟,是否具有高效和稳定性,1-54,品质控制,产品在制造过程中是否进行了严格的品质控制,包括原材料检测、生产过程控制和成品检测等,1-55,可维修性,产品是否易于维修,是否有相关维修手册和零配件供应,1-56,环境友好性,产品是否符合环境保护要求,是否采用了低能耗和无污染的制造材料和工艺,1-5...,...,...,...评估指标解析:1.产品设计:评估产品的整体设计是否符合人体工程学原理,是否易于制造和维修。
设计要优化产品功能,提高用户体验,并考虑到制造和维修的便利性。
得分越高,代表设计越合理。
2.材料选择:评估产品所采用的材料是否符合产品要求,包括材料的机械性能、耐热性、耐腐蚀性等。
同时,评估材料的供应渠道是否稳定、成本是否合理。
得分越高,代表材料选择越合适。
3.制造工艺:评估产品的制造工艺是否成熟,包括生产设备的先进性、工艺流程的合理性、生产效率等。
同时,评估工艺是否具有高度稳定性,能够保证产品质量的一致性。
得分越高,代表制造工艺越优秀。
4.品质控制:评估产品在制造过程中是否进行了严格的品质控制,包括原材料的检测、生产过程的控制和成品的检测等。
同时,评估是否存在合格品和不合格品的鉴定标准,并采取相应的措施进行品质控制。
得分越高,代表品质控制越严格。
5.可维修性:评估产品是否易于维修,包括产品的开放性设计、维修手册的编撰和维修零配件的供应等。
汽车电子行业 NPI(新产品导入)项目管理【摘要】新产品导入(New Product Introduction 简称NPI)过程是EMS(Electronics Manufacturing Service)企业将客户研究开发成功的实验室新产品转入批量生产制造的关键过渡过程,如果NPI阶段存在问题,则产品不能顺利进入批产阶段,将会直接影响与客户合作的业务进程,并可能由于耽误了客户产品上市而造成双方极大经济损失,因此非常必要建立科学、有效的NPI项目质量管理体系,为NPI过程提供良好的品质保障。
并且更重要的是知道如何将新产品导入,并进行过程问题分析与验证。
在新产品导入过程中,只有把每个阶段控制好,质量才得到保证,同时避免不必要的工时、物料的浪费,新产品对于汽车电子行业也是新的挑战,只有不断更新产品,跟着市场的脚步,才会有所发展。
【关键字】质量控制新产品的导入试产量产一,NPI的定义&职责❖NPI(New Product Introduction)即新产品导入。
❖新产品:指采用新技术原理、新设计构思研发、生产的全新产品。
❖从市场营销的角度看,凡是企业向市场提供的过去没有生产过的产品都叫新产品。
具体地说,只要是产品线中的任何一部分的变革或创新,并且给消费者带来新的利益、新的满足的产品,都可以认为是一种新产品。
1.2产品工程师在NPI过程中的职责:1、负责在试产过程中对可制造性评审,从生产角度提出建议,预警风险、及相关解决方法建议;协助验证研发输出的各种技术文件的准确性。
2、负责试产前期导入生产部时项目状态的确认和资料的准备工作。
在试产前与研发和项目经理确认项目的技术状态和技术文档,做好试产准备工作。
3、负责协助制造工程在试产过程中所需测试夹具、装配治具的设计、协助研发对供应商的技术支持。
4、负责试产线生产和技术人员项目沟通情况,对试生产的首件进行最后的核对。
及时分析、解决试产中的问题,反馈和总结试产报告给项目相关人员并跟踪、推动改善。
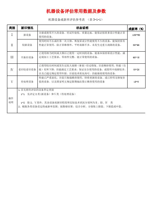
机器设备评估常用数据及参数机器设备成新率评估参考表(表3-1-1)机器设备经济使用寿命参考表(表3-1-2)机器设备安装调试费率参考指标(占设备基价的%)注:1.专用生产线或成套设备试生产过程费用未包括在内。
2.设备费用另行计加。
3.锅炉安装包括砌炉、炉体保温等工程。
4.特殊情况安装或某些专用设备的安装可按实估算。
固定资产紧急评价参数、系数及参考数据工业企业固定资产分类折旧年限表机器设备及房屋建筑物参考寿命年限(该资料依据《国营企业固定资产分类折旧年限表》规定而编,其中运输设备部分已按新文件规定作出了调整)通用设备专用设备建(构)筑物鉴定房屋新旧程序的参考数据砖混结构新旧程度鉴定表砖木结构新旧程度鉴定表简易结构新旧程度鉴定表混合结构房屋损伤鉴定表砖木结构房屋损伤鉴定表其他(简易)结构房屋的评分标准见表钢筋混凝土结构房屋的评分标准机器设备评估常用数据与参数1. 机器设备陈旧贬值参考表关于进口设备评估中重置系数的计算方法和参数每吨/时锅炉蒸发产量经济参考指标注:热水锅炉以万kcal/h(1.163×10km)为计算产量单位,可按40万kcal/h(697.8km)折算成1t/h。
国产设备运杂费(占设备原价)参考指标进口设备运杂费(占离、到岸价)参考指标全国工业用地出让最低标准附录资料:不需要的可以自行删除玻璃幕墙安装施工工艺流程1、施工准备1、设计方案送甲方审核,明确钢板、钢拉杆材断面,以便备料;2、送材料样品供甲方认可,以便设计、加工;3、协调处理现场施工相关事项;4、与土建交接基准线;5、编制详细的可行的材料计划、加工计划和施工进度计划,并保证实施;6、根据现场情况和设计要求,编制局部分项施工方案(如钢架等),并进行交底;7、确定水平和垂直运输路线以及施工临时堆放处;8、了解施工用电分布情况,确定电源的走道方式;9、检查安装所需用机具及安全设施;10、附件及其他物资准备。
11、根据现场情况和施工方案提出脚手架方面的配合要求;12、进行现场办公、加工、材料存放保管、食宿、通讯等安排布置;13、做好技术交底工作。
产品可制造性设计程序1.0、目的:为了让设计者更好的了解如何在材料,工艺和设备影响印刷电路设计,提供设计和布局的印刷电路组件的概念,给设计者一个基本的设计建议和NPI工程师一个基本指导。
2.0、适用范围:本程序仅适用于指导产品的生产过程中所需的要求。
3.0、术语:3.1、DFM:产品可制造性设计(Design for manufacturability)。
用来确定生产线的规划,使其设备满足公司产品、工艺和品质要求。
3.2、PCB:Printed Circuit Board印刷线路板;3.3、FPC:Flexible Printed Circuit 简称,柔性印刷线路板;3.4、layout: 布局设计4.0、职责:4.1、项目BU负责与客户沟通,向公司内部传达客户信息;4.2、NPI小组的PIE/ME负责制作DFM报告,NPI组长负责主导召开新产品评估会议和DFM报告的审核,工程部经理负责批准;4.3、新产品导入小组(NPI)负责评估新产品的可制造性。
5.0、程序:5.1、项目BU负责在新合同评审时,在客户有要求或者NPI小组评估需要时召集公司NPI专家评审小组成员对新产品进行可制造性评审,由NPI PIE/ME负责根据会议的结果在两个工作日内完成“可制造性评估(DFM)报告”;5.2、NPI PIE/ME将制作完成的DFM报告提交给NPI主管审核,审核OK之后,提交工程部经理批准;5.3、工程部经理批准后DFM报告NPI主管转发给项目经理提交给客户或直接提供客户对应的工程人员;5.4、PIE/ME确认DFM报告中客户的评价与改善方案,以便作出相应的对策。
6.0、可制造性设计规范DFM1、PCB/FPC layout1.1、印制线路要点:虽然布置layout是运用的软件,但是要考虑线路的形状尽可能的简单以此缩减制作成本,直角形状的板子比其它不规则的形状的成本低且更容易处理。
设计内部的拐角必须考虑板子的外形,避免暴露在外面。
NEW PRODUCT QUALITY AND MANUFCTURABILITY CHECK LIST (FOR CORDLESS )序言:编写此文件的目的是使XX 各有关部门能较有系统地评估新产品的设计质量及使新产品设计时充分考虑到生产上是否容易。
此文件不包括新产品的规格怎样订定、目标成本和价值工程方面的考虑.内文的编号是建立在分析一个新产品中的三大方面即:1. 机械结构及包装;2. PCBA ;3. 功能和可靠性;及三大方面互相关联的地方。
分段编号方法如下图:此文件只是根据作者本人的有限见识编写而成,请各部门对错误的予以纠正,对未详尽的未列出的予以补充,对过时的予以更新。
另此文应属较高机密文件,只应由经理级人员保管及不可外泄,谢谢!机械结构及非PCBA 零件 1. Mechanical & Packing 1.1 Plastic 1.2 Metal 1.3 Packing 2.1 SMT 2.2 INSERTION 2。
3 SOLDERING 2.4 TOUCH UP & HAND SOLDERING PCBA 与MECH 的配合PCBA 与功能配MECH 与功能的配合 三者的配合 3 功能,软件及可靠性1.1塑胶1.1.1材料必须确定,特别是要用防火材料的(IQC/QA跟进有关追溯性要求),混合碎口料是否不可或不宜;出现缩水或夹水纹的位置会否影响外观,塑胶厂是不是较容易控制及保证;须耐磨或要带弹性的零件及扣位会不会容易磨损,变形或弹性疲劳。
1.1.2啤塑时的CYCLE TIME是否有记录及是否合理,大量生产时供应商偷工的可能性大不大。
1.1.3行哥位的尺寸应特别标明及加强检查.1.1.4零件上是否要有环保标志,PART NO。
、REV. 标志及CAVITY标志等.1.1.5外壳上零件由多少个供应商供应,会否难于匹配颜色,丝印及皮纹;上下壳、前后壳尺寸是否吻合及在大量生产时是否容易保证吻合而不会出现哨牙,间隙不均匀,底部不平等问题. 1.1.6容易刮花或变形的零件是否已规定了来货包装方法,一些固定支柱是否规定在来料前抑或到装配前才剪去;在生产过程中,成品和付运时的保护措施应在大量生产前制订下来。
智能制造诊断参考材料-评分表评估智能制造的实施情况对于企业来说至关重要。
评估可以揭示企业的现状和存在的问题,为制定和发展计划提供依据。
下面是一个智能制造诊断参考材料-评分表,用于评估企业的智能制造实施情况。
评分表主要分为以下几个方面:1.战略与规划:-企业是否具有智能制造的发展战略和规划?(分数:5分)-企业是否将智能制造融入到整体战略中,并进行长期规划?(分数:5分)-企业智能制造的目标和发展方向是否明确?(分数:5分)2.技术与设备:-企业是否已经引入了智能制造的关键技术和设备?(分数:5分)-企业是否具备智能制造所需的数据采集和分析能力?(分数:5分)-企业是否具备智能制造所需的网络和信息安全能力?(分数:5分)3.组织与人员:-企业是否已经组建了专门的智能制造团队?(分数:5分)-企业是否对员工进行了智能制造相关培训和技能提升?(分数:5分)-企业是否建立了智能制造的激励机制和绩效评价体系?(分数:5分)4.流程与管理:-企业的生产流程是否已经实现了数字化和自动化?(分数:5分)-企业是否具备智能制造的生产调度和管理能力?(分数:5分)-企业是否采用了智能制造的质量管理和监控方法?(分数:5分)5.供应链与协同:-企业的供应链管理是否已经实现了数字化和智能化?(分数:5分)-企业是否与供应商和客户建立了智能制造的协同关系?(分数:5分)-企业是否利用智能制造的方法改进供应链上的物流和运输?(分数:5分)每个方面的满分为15分,总分为75分。
评估结果可以根据得分由高到低进行排名,以便企业更好地了解自身在智能制造方面的实施情况。
评估结果也可以帮助企业识别问题并制定相应的改进计划。
此评分表只是一个参考工具,企业可以根据自身情况进行适当的调整和修改。
评估过程中需要与企业内部的相关部门和人员进行沟通和讨论,以获得全面准确的评估结果。
评估结果的分析和解读需要由专业人员进行,以确保评估结果的准确性和可靠性。
新机器评估报告尊敬的评估委员会:根据您的要求,我将为您提供一份新机器评估报告。
本报告将分析该新机器的性能、功能和适用性,并提供详细的建议和评价。
1. 性能评估:该新机器的性能相当出色。
首先,它具有超快的处理速度和高效的操作系统,可以轻松处理大量的计算任务。
其次,它配备了先进的显卡和内存,能够处理图形密集型操作,并提供平滑的视觉效果。
此外,该机器的存储容量非常大,可以轻松存储大量的数据和文件。
综合来说,该机器在性能方面表现优秀,适用于各种计算和存储需求。
2. 功能评估:该新机器具备多种功能,能够满足各种用户需求。
首先,它配备了高清显示屏和优质扬声器,提供出色的音视频体验。
其次,它支持多种连接方式,包括Wi-Fi、蓝牙和USB接口,可以与其他设备轻松连接。
此外,该机器还配备了高质量的摄像头和麦克风,适合进行视频会议和远程办公。
总之,该机器的功能齐全,适用于各种应用场景。
3. 适用性评估:该新机器适用于各种不同的用户和场景。
首先,它适合专业人士和研究人员使用,可以满足他们的高性能计算和数据存储需求。
其次,该机器也适合学生和教育机构使用,可以支持他们进行学习和教学活动。
此外,该机器还适用于一般消费者,可以满足他们的多媒体娱乐和日常办公需求。
总之,该机器具备广泛的适用性,可以满足不同用户的需求。
综上所述,该新机器在性能、功能和适用性方面都表现出色。
它具有强大的处理能力和高效的操作系统,配备了先进的显卡和内存,适用于各种计算任务。
此外,它还具备多种功能,支持多种连接方式,适用于各种应用场景。
基于以上评估,我强烈建议您考虑采购该新机器,以满足您的需求。
希望我的评估报告能够对您的决策起到一定的帮助。
谢谢!。