(完整版)雨污水分部分项及检验批划分
- 格式:doc
- 大小:56.01 KB
- 文档页数:1
单位工程、分部、分项工程及其检验批的划分方案一、工程概况工程名称:工程地址:参建单位:建设单位:设计单位:勘察单位:监理单位:施工单位:工程规模:本工程为承包范围:基础工程、主体工程、装饰及装修工程、屋面工程、给排水、电气安装工程、节能工程的合同约定范围。
工期要求:质量要求:合格安全文明目标:合格二、编制方案的目的和依据为了加强本工程质量管理,规范本工程的各道工序质量控制、验收程序的组织,依据《建设工程施工质量验收统一标准》GB50300-2013关于单位、分部、分项工程及其检验批的有关规定,结合本工程具体情况,经建设、施工及监理等参建各方协商后,同意按以下规定划分单位、分部、分项工程及其检验批:三、单位工程的划分具有独立使用功能的单体建筑物为一个单位工程。
本工程共划分3个单位工程,其中1#楼划分为一个单位工程、2#楼划分为一个单位工程、3#楼(地下车库)及基础划分为一个单位工程。
四、分部工程的划分分部工程的划分应按专业性质、建筑部位确定。
本工程分部工程作如下划分:基础分部、主体结构分部、装饰装修分部、建筑屋面分部、建筑给排水分部、建筑电气分部、建筑节能分部、智能建筑分部、通风与空调分部、电梯分部工程共10个分部。
五、检验批划分划分原则:(1)对材料构件进场验收检验批,以进场时间及材料类型为主要分界线来划分进场检验批次。
(2)对基础、主体、装饰装修等土建工程,以楼层、设计中设置的变形缝及施工缝能连续作业的施工段(区)、隐检部位为一检验批。
基础设置2个施工段,车库、主体、装饰各层均为一个施工段。
(3)安装工程一般按设计系统或设备组别划分为一个检验批。
(4)对管线安装的验收,以干线系统,隐蔽批次(或区域)为划分单元。
(5)对设备、器具的验收,以楼层、设备间,大型设备单台(或区域)为划分;对电梯、扶梯的验收,以独立运行的台或段划分。
(6)室外工程统一划分为一个检验批;散水、台阶、明沟等含在地面检验批中。
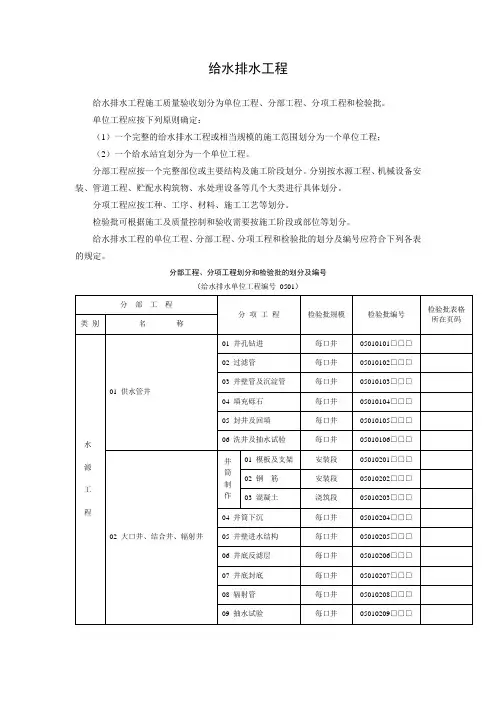
给水排水工程
给水排水工程施工质量验收划分为单位工程、分部工程、分项工程和检验批。
单位工程应按下列原则确定:
(1)一个完整的给水排水工程或相当规模的施工范围划分为一个单位工程;
(2)一个给水站宜划分为一个单位工程。
分部工程应按一个完整部位或主要结构及施工阶段划分。
分别按水源工程、机械设备安装、管道工程、贮配水构筑物、水处理设备等几个大类进行具体划分。
分项工程应按工种、工序、材料、施工工艺等划分。
检验批可根据施工及质量控制和验收需要按施工阶段或部位等划分。
给水排水工程的单位工程、分部工程、分项工程和检验批的划分及编号应符合下列各表的规定。
分部工程、分项工程划分和检验批的划分及编号
(给水排水单位工程编号0501)
续。
污水处理厂工程分部、分项、检验批划分XX市污水处理厂工程是由某单位于2013年2月19日上报的。
该工程被划分为多个分部、分项和检验批,以便对每个工序进行质量验收。
在土方开挖、土方回填和无支护土方工程中,每个工序被视为一个检验批,共划分为2个检验批。
每个检验批都需要填写相应的表格,如土方开挖工程检验批质量验收记录表、土方回填工程检验批质量验收记录表等。
对于混凝土结构基础,根据混凝土标号的不同,池壁板和顶板可能被分开划分为一个检验批。
同样,每个检验批都需要填写相应的表格,如混凝土原材料及配合比设计检验批质量验收记录表、混凝土施工检验批质量验收记录表等。
钢结构制作和安装工程也被划分为多个检验批,每个工序为一个检验批。
需要填写的表格包括焊接工程检验批质量验收记录表等。
在地基处理工程中,砂和砂石地基被划分为一个检验批,单池按施工工艺划分为一个检验批。
需要填写的表格包括砂和砂石地基检验批质量验收记录表等。
钢筋加工工程检验批质量验收记录表(Ⅰ)钢筋加工工程检验批质量验收记录表(Ⅰ)用于记录钢筋加工过程中的质量验收情况。
每个工序应划分为一个检验批,以确保每个环节的质量。
钢筋安装工程检验批质量验收记录表(Ⅱ)钢筋安装工程检验批质量验收记录表(Ⅱ)用于记录钢筋安装过程中的质量验收情况。
每个工序应划分为一个检验批,以确保每个环节的质量。
混凝土原材料及配合比设计检验批质量验收记录表(Ⅰ)混凝土原材料及配合比设计检验批质量验收记录表(Ⅰ)用于记录混凝土原材料及配合比设计过程中的质量验收情况。
每个工序应划分为一个检验批,以确保每个环节的质量。
混凝土施工检验批质量验收记录表(Ⅱ)混凝土施工检验批质量验收记录表(Ⅱ)用于记录混凝土施工过程中的质量验收情况。
每个工序应划分为一个检验批,以确保每个环节的质量。
现浇结构外观及尺寸偏差检验批质量验收记录表(Ⅰ)现浇结构外观及尺寸偏差检验批质量验收记录表(Ⅰ)用于记录现浇结构外观及尺寸偏差检验过程中的质量验收情况。
污水处理厂工程分部、分项、检验批划分精心整理XX市污水处理厂工程的分部分项工程划分报告于2013年2月19日上报。
该工程主要包括土方开挖、土方回填、地基处理、混凝土结构、钢结构、絮凝反应沉淀池等多个部分。
每个部分都划分为不同的子单元、子分部工程和分项工程,并按照施工工艺划分为不同的检验批。
下面将对每个部分进行详细说明。
XXX开挖和土方回填工程分别划分为无支护土方和+0.500以下的两个部分,并按照每道工序划分为一个检验批。
这样可以确保土方开挖和回填的质量得到有效控制。
混凝土结构部分包括混凝土基础、现浇结构外观及尺寸偏差检和水泥混凝土垫层等多个工程。
每个工程都划分为不同的子单元和子分部工程,并按照施工工艺划分为不同的检验批。
这样可以确保混凝土结构的质量得到有效控制。
钢结构部分包括钢结构制作安装和焊接工程。
每个工程都划分为不同的子单元和子分部工程,并按照每道工序划分为一个检验批。
这样可以确保钢结构的质量得到有效控制。
絮凝反应沉淀池部分包括地基处理和主体结构等多个工程。
每个工程都划分为不同的子单元和子分部工程,并按照施工工艺划分为不同的检验批。
这样可以确保絮凝反应沉淀池的质量得到有效控制。
水泥混凝土垫层检验批质量:细部构造检验批质量验收记:单池分为北段和南段,南段按标高划分为2.500以下混凝土结构和2.500-3.800池壁、柱、梁细部构造,3.800-顶板池壁、柱、梁划分为3个检验批;北段同理划分为三个检验批。
钢结构:钢结构制作安装和栏杆扶手制作安装按施工工艺划分为一个检验批。
模板安装工程、模板拆除工程、钢筋加工工程和钢筋安装工程分别划分为一个检验批质量验收。
主体结构:混凝土原材料及配合比设计、混凝土施工检验批质量验收和现浇结构外观及尺寸偏差检验分别划分为一个细部构造检验批质量验收记。
污水处理厂工程分部、分项、检验批划分:无支护土方桩基分项工程、土方开挖、土方回填和预应力钢筋砼管桩检验批均每道工序为一个检验批,共划分为2个检验批;按施工工艺分为1个检验批。
郑州市南三环污水处理厂工程箱体(含箱体内水工构筑物)检验批工程划分施工方案1 工程概况郑州市南三环污水处理厂工程箱体(含箱体内水工构筑物)土建标段位于中州大道、南三环、紫辰路交汇处,为新建工程。
主要包括粗格栅及进水泵房、细格栅及曝气沉砂池、初沉污泥泵房、第二分变电站及机修车间、初沉池、生物反应池、二沉池、V型滤池、高密度沉淀池及中间提升泵房、鼓风机房及加药间等共10个单体工程,箱体长度为247.5m,宽度为127m,建筑面积为31432.50㎡,地上建筑物耐火等级为二级,箱体耐火等级为一级,合理使用年限为50年,抗震设防烈度为7度。
2 检验批工程划分本工程承包范围主要为箱体工程土建标段,结合《建筑工程施工质量验收统一标准》(GB50300-2001),本工程分部共分为地基与基础、主体结构、建筑装饰装修、建筑屋面等四个分部工程。
各分部检验批划分如下。
2.1地基与基础工程检验批划分分部工程子分部工程分项工程检验批检查内容主控项目一般项目地基与基础有支护土方土方开挖以每个单体且深度不超过 1.5m深度为一个检验批1、标高;2、基坑长度与宽度;3、边坡。
1、表面平整度;2、基底土性。
土方回填以每个单体且深度不超过0.5m(机械回填每层深度)或0.25m(人工回填每层深度)为一个检验批1、标高;2、分层压实系数。
1、回填土料;2、分层厚度及含水量;3、表面平整度。
锚杆及土钉墙支护原材料及钢筋加工:以每个单体且不超过1.5m深度作为一个检验批1、力学性能;2、钢筋强度;3、受力钢筋弯钩和弯折。
1、外观质量;2、冷拉率;3、形状尺寸;4、钢筋顺长度方向全长的净尺寸、弯起钢筋的弯折位置。
钢筋安装:以每个单体且不超过 1.5m深度作为一个检验批1、纵向受力钢筋的连接方式;2、机械连接和焊接接头的力学性能;3、受力钢筋的品种、级别、规格和数量。
1、接头位置和数量;2、机械连接、焊接的外观质量;3、机械接头、焊接的接头面积百分率;4、绑扎搭接接头面积百分率和搭接长度。
一、地基与基础分项工程、检验批可按下表划分工程名称:注:1、检验批表中的主控项目和一般项目的质量经抽样检验合格(主控项目必须达到合格率为100%);2、分项工程所含的检验批均应符合“合格”质量规定;3、分部(子分部)工程所含分项工程的质量均应验收合格。
二、地基与基础分部工程应具备的质量控制资料目录一、主体结构分项工程、检验批可按下表划分工程名称:注:1、检验批表中的主控项目和一般项目的质量经抽样检验合格(主控项目必须达到合格率为100%);2、分项工程所含的检验批均应符合“合格”质量规定;3、分部(子分部)工程所含分项工程的质量均应验收合格。
二、主体结构分部工程应具备的质量控制资料目录一、建筑装饰装修分项工程、检验批可按下表划分工程名称:注:1、检验批表中的主控项目和一般项目的质量经抽样检验合格(主控项目必须达到合格率为100%);2、分项工程所含的检验批均应符合“合格”质量规定;3、分部(子分部)工程所含分项工程的质量均应验收合格。
二、建筑装饰装修分部工程应具备的质量控制资料目录一、建筑屋面分项工程、检验批可按下表划分工程名称:注:1、中的主控项目和一般项目的质量经抽样检验合格(主控项目必须达到合格率为100%);2、分项工程所含的检验批均应符合“合格”质量规定;3、分部(子分部)工程所含分项工程的质量均应验收合格。
二、建筑屋面分部工程应具备的质量控制资料目录一、建筑给水、排水及采暖分项工程、检验批可按下表划分工程名称:注:1、检验批表中的主控项目和一般项目的质量经抽样检验合格(主控项目必须达到合格率为100%);2、分项工程所含的检验批均应符合“合格”质量规定;3、分部(子分部)工程所含分项工程的质量均应验收合格。
二、给水、排水及采暖分部工程应具备的质量控制资料目录二、建筑电气分项工程、检验批可按下表划分工程名称:注:1、检验批表中的主控项目和一般项目的质量经抽样检验合格(主控项目必须达到合格率为100%);2、分项工程所含的检验批均应符合“合格”质量规定;3、分部(子分部)工程所含分项工程的质量均应验收合格。
重庆新闻传媒中心一期工程
分部分项工程及检验批的划分编制依据:
1、《建筑工程施工质量验收统一标准》(GB50300-2020)
《建筑节能工程施工质量验收规范》(GB50411-2020)
《建筑地基基础工程施工质量验收规范》(GB5020202020)
《屋面工程质量验收规范》(GB5020202020)
《建筑地面工程施工质量验收规范》(GB5020202020)
《混凝土结构工程施工质量验收规范(2020版)》(GB5020202020)
2、施工组织总设计
3、设计施工图纸
4、工程实际情况
根据本工程特点,本工程划分1个单位工程、10个分部工程,详细见表:
共5页第1页
分部、分项工程及检验批的划分表
共5页第2页
共5页第3页
共5页第4页
中冶建工重庆新闻传媒中心一期工程项目部
2020年8月
共5页第5页。
一、定义:1、建设项目指在一个总体范围内,由一个或几个单项工程组成,经济上实行独立核算,行政上实行统一管理,并具有法人资格的建设单位.例:一所学校、一个工厂等.2、单项工程是指在一个建设项目中,具有独立的设计文件,能够独立组织施工,竣工后可以独立发挥生产能力或效益的工程.例:一所学校的教学楼、实验楼、图书馆等。
3、单位工程指竣工后不可以独立发挥生产能力或效益,但具有独立设计,能够独立组织施工的工程。
例:土建、电器照明、给水排水等。
建筑规模较大的单位工程,可将其能形成独立使用功能的部分为一个子单位工程.单项工程与单位工程两者的区别主要是看它竣工后能否独立地发挥整体效益或生产能力。
4、分部工程分部工程是单位工程的组成部分,是建筑工程和安装工程的各个组成部分,按建筑工程的主要部位或工种工程及安装工程的种类划分。
建筑工程十大分部包括:地基与基础、主体结构、建筑装饰装修、建筑屋面、建筑给水排水及采暖、建筑电气、智能建筑、通风与空调、电梯、建筑节能工程当分部工程较大或较复杂时,可将其按材料种类、施工特点、施工顺序、专业系统和类别等划分成若干子分部工程.如装饰工程可分为:地面、门窗、吊顶工程;建筑电气工程可划分为:室外电气、电气照明安装、电气动力等子分部工程。
5、分项工程分项工程是指分部工程的组成部分,是施工图预算中最基本的计算单位。
它是按照不同的施工方法、不同材料的不同规格等,将分部工程进一步划分的。
例如,钢筋混凝土分部工程,可分为捣制和预制两种分项工程;预制楼板工程,可分为平板、空心板、槽型板等分项工程;砖墙分部工程,可分为实心墙、空心墙、内墙、外墙、一砖厚墙,一砖半厚墙等分项工程.按照不同的施工方法、不同的材料、不同的规格划分。
例:砖石工程可分为砖砌体、毛石砌体两类,其中砖砌体可按部位不同分为内墙、外墙、女儿墙.分项工程是计算工、料及资金消耗的最基本的构造要素。
6、检验批_ 分项工程可由一个或若干检验批组成,检验批可根据施工及质量控制和专业验收需要按楼层、施工段、变形缝等进行划分。
单位工程(子单位工程) 代号分部工程代号分项工程(子分项工程)(50·4-1-1)代号市政管线工程污水管道50·4土方工程50·4-1(1)沟槽开挖K292+010-K292+571(右侧)50·4-1-1-1(2)沟槽开挖K292+571-K293+160(右侧)50·4-1-1-2(3)沟槽回填K292+010-K292+571(右侧)50·4-1-2-1(4)沟槽回填K292+571-K293+160(右侧)50·4-1-2-2管道主体结构50·4-2(1)管道基础K292+010-K292+571(右侧)50·4-2-1-1(2)管道基础K292+571-K293+160(右侧)50·4-2-1-2管道接口连接(承插)(1)HDPE管K292+010-K292+571(右侧)50·4-2-2·1-1(2)HDPE管K292+571-K293+160(右侧)50·4-2-2·1-2(3)钢筋混凝土管50·4-2-2·2(4)钢筋混凝土管50·4-2-2·2管道铺设(1)HDPE管K292+010-K292+571(右侧)50·4-2-3·1-1(2)HDPE管K292+571-K293+160(右侧)50·4-2-3·1-2(3)钢筋混凝土管50·4-2-3·2-1(4)钢筋混凝土管50·4-2-3·2-2 附属构筑物工程50·4-3井室(1)预制拼装K292+010-K292+571(右侧)W2-W16 50·4-3-1·1-1(2)预制拼装K292+571-K293+160(右侧)W16-32 50·4-3-1·1-2单位工程(子单位工程) 代号分部工程代号分项工程(子分项工程) 代号市污水50土方工程50·4-1(1)沟槽开挖K293+197-K293+602(右侧)50·4-1-1-3精品文档政管线工程管道·4(2)沟槽开挖K293+602-K293+678(右侧)50·4-1-1-4(3)沟槽回填K293+197-K293+602(右侧)50·4-1-2-3(4)沟槽回填K293+602-K293+678(右侧)50·4-1-2-4管道主体结构50·4-2(1)管道基础K293+197-K293+602(右侧)50·4-2-1-3(2)管道基础K293+602-K293+678(右侧)50·4-2-1-4管道接口连接(承插)(1)HDPE管K293+197-K293+602(右侧)50·4-2-2·1-3(2)HDPE管50·4-2-2·1(3)钢筋混凝土管钢筋混凝土管K293+602-K293+678 50·4-2-2·2-1(4)50·4-2-2·2管道铺设(1)HDPE管K293+197-K293+602(右侧)50·4-2-3·1-3(2)HDPE管50·4-2-3·1-4(3)钢筋混凝土管K293+602-K293+678(右侧)50·4-2-3·2-1(4)钢筋混凝土管50·4-2-3·2 附属构筑物工程50·4-3井室(1)预制拼装K293+197-K293+602(右侧)W33-W46 50·4-3-1·1-3(2)预制拼装K293+602-K293+678(右侧)W46-W47 50·4-3-1·1-4单位工程(子单位工程) 代号分部工程代号分项工程(子分项工程) 代号市政管线工程污水管道50·4土方工程50·4-1(1)沟槽开挖K293+678-K294+249(右侧)50·4-1-1-5(2)沟槽开挖K294+310-K294+960右侧50·4-1-1-6(3)沟槽回填K293+678-K294+249(右侧)50·4-1-2-5(4)沟槽回填K294+310-K294+960右侧50·4-1-2-6精品文档管道主体结构50·4-2(1)管道基础)K293+678-K294+249(右侧)50·4-2-1-5(2)管道基础K294+310-K294+960右侧50·4-2-1-6管道接口连接(承插)(1)HDPE管K293+678-K294+249(右侧)50·4-2-2·1-4(2)HDPE管K294+310-K294+960右侧50·4-2-2·1-5(3)钢筋混凝土管50·4-2-2·2(4)钢筋混凝土管50·4-2-2·2 管道铺设(1)HDPE管K293+678-K294+249(右侧)50·4-2-3·1-4(2)HDPE管K294+310-K294+960右侧50·4-2-3·1-5(3)钢筋混凝土管50·4-2-3·2(4)钢筋混凝土管50·4-2-3·2附属构筑物工程50·4-3井室(1)预制拼装K293+678-K294+249(右侧)W47-W62 50·4-3-1·1-5(2)预制拼装K294+310-K294+960右侧W63-W79 50·4-3-1·1-6单位工程(子单位工程) 代号分部工程代号分项工程(子分项工程) 代号市政管线工程污水管道50·4土方工程50·4-1(1)沟槽开挖K295+040-K295+686(右侧)50·4-1-1-7(2)沟槽开挖K295+686-K295+724右侧50·4-1-1-8(3)沟槽回填K295+040-K295+686(右侧)50·4-1-2-7(4)沟槽回填K295+686-K295+724右侧50·4-1-2-8管道主体结构50·4-2(1)管道基础)K295+040-K295+686(右侧)50·4-2-1-7(2)管道基础K295+686-K295+724右侧50·4-2-1-8 管道接口(1)HDPE管K295+040-K295+686(右侧)50·4-2-2·1-6精品文档连接(承插)(2)HDPE管右侧50·4-2-2·1-7 (3)钢筋混凝土管K295+686-K295+724 50·4-2-2·2-2 (4)钢筋混凝土管50·4-2-2·2管道铺设(1)HDPE管K295+040-K295+686(右侧)50·4-2-3·1-6 (2)HDPE管右侧50·4-2-3·1-7 (3)钢筋混凝土管K295+686-K295+724 50·4-2-3·2-2 (4)钢筋混凝土管50·4-2-3·2附属构筑物工程50·4-3井室(1)预制拼装K295+040-K295+686(右侧)W82-W99 50·4-3-1·1-7 (2)预制拼装右侧K295+686-K295+724右侧W100-W101 50·4-3-1·1-8单位工程(子单位工程) 代号分部工程代号分项工程(子分项工程) 代号市政管线工程污水管道50·4土方工程50·4-1(1)沟槽开挖K295+724-K295+815(右侧)50·4-1-1-9(2)沟槽开挖K295+815-K296+178右侧50·4-1-1-10(3)沟槽回填K295+724-K295+815(右侧)50·4-1-2-9(4)沟槽回填K295+815-K296+178右侧50·4-1-2-10管道主体结构50·4-2(1)管道基础)K295+724-K295+815(右侧)50·4-2-1-9(2)管道基础K295+815-K296+178右侧50·4-2-1-10管道接口连接(承插)(1)HDPE管K295+724-K295+815(右侧)50·4-2-2·1-7(2)HDPE管右侧K295+815-K296+178 50·4-2-2·1-8(3)钢筋混凝土管50·4-2-2·2(4)钢筋混凝土管50·4-2-2·2精品文档管道铺设(1)HDPE管K295+724-K295+815(右侧)50·4-2-3·1-7 (2)HDPE管右侧K295+815-K296+178 50·4-2-3·1-8 (3)钢筋混凝土管50·4-2-3·2 (4)钢筋混凝土管50·4-2-3·2附属构筑物工程50·4-3井室(1)预制拼装K295+724-K295+815(右侧)w102-w104 50·4-3-1·1-9(2)预制拼装右侧K295+815-K296+178右侧w105-w114 50·4-3-1·1-10单位工程(子单位工程) 代号分部工程代号分项工程(子分项工程) 代号市政管线工程污水管道50·4土方工程50·4-1(1)沟槽开挖K296+178-k296+360(右侧)50·4-1-1-11(2)沟槽开挖K296+395-k296+839右侧50·4-1-1-12(3)沟槽回填K296+178-k296+360(右侧)50·4-1-2-11(4)沟槽回填K296+395-k296+839右侧50·4-1-2-12管道主体结构50·4-2(1)管道基础)K296+178-k296+360(右侧)50·4-2-1-11(2)管道基础K296+395-k296+839右侧50·4-2-1-12管道接口连接(承插)(1)HDPE管K296+178-k296+360(右侧)50·4-2-2·1-9(2)HDPE管右侧K296+395-k296+839 50·4-2-2·1-10(3)钢筋混凝土管50·4-2-2·2(4)钢筋混凝土管50·4-2-2·2管道铺设(1)HDPE管K296+178-k296+360(右侧)50·4-2-3·1-9(2)HDPE管右侧K296+395-k296+839 50·4-2-3·1-10(3)钢筋混凝土管50·4-2-3·2精品文档(4)钢筋混凝土管50·4-2-3·2附属构筑物工程50·4-3井室(1)预制拼装K296+178-k296+360(右侧)w114-w120 50·4-3-1·1-11 (2)预制拼装右侧K296+395-k296+839右侧w121-w133 50·4-3-1·1-12单位工程(子单位工程) 代号分部工程代号分项工程(子分项工程) 代号市政管线工程污水管道50·4土方工程50·4-1(1)沟槽开挖K296+839-k297+079(右侧)50·4-1-1-13(2)沟槽开挖K297+079-k297+398右侧50·4-1-1-14(3)沟槽回填K296+839-k297+079(右侧)50·4-1-2-13(4)沟槽回填K297+079-k297+398右侧50·4-1-2-14管道主体结构50·4-2(1)管道基础)K296+839-k297+079(右侧)50·4-2-1-13(2)管道基础K297+079-k297+398右侧50·4-2-1-14管道接口连接(承插)(1)HDPE管K296+839-k297+079(右侧)50·4-2-2·1-11(2)HDPE管右侧K297+079-k297+398 50·4-2-2·1-12(3)钢筋混凝土管50·4-2-2·2(4)钢筋混凝土管50·4-2-2·2管道铺设(1)HDPE管K296+839-k297+079(右侧)50·4-2-3·1-11(2)HDPE管右侧K297+079-k297+398 50·4-2-3·1-12(3)钢筋混凝土管50·4-2-3·2(4)钢筋混凝土管50·4-2-3·2 附属构筑物工程50·4-3井室(1)预制拼装K296+839-k297+079(右侧)w133-w139 50·4-3-1·1-13(2)预制拼装右侧K297+079-k297+398右侧w139-w147 50·4-3-1·1-14精品文档单位工程(子单位工程) 代号分部工程代号分项工程(子分项工程) 代号市政管线工程污水管道50·4土方工程50·4-1(1)沟槽开挖K297+440-k297+706(右侧)50·4-1-1-15(2)沟槽开挖K297+706-k298+074右侧50·4-1-1-16(3)沟槽回填K297+440-k297+706(右侧)50·4-1-2-15(4)沟槽回填K297+706-k298+074右侧50·4-1-2-16管道主体结构50·4-2(1)管道基础)K297+440-k297+706(右侧)50·4-2-1-15(2)管道基础K297+706-k298+074右侧50·4-2-1-16管道接口连接(承插)(1)HDPE管K297+440-k297+706(右侧)50·4-2-2·1-13(2)HDPE管右侧K297+706-k298+074 50·4-2-2·1-14(3)钢筋混凝土管50·4-2-2·2(4)钢筋混凝土管50·4-2-2·2管道铺设(1)HDPE管K297+440-k297+706(右侧)50·4-2-3·1-13(2)HDPE管右侧K297+706-k298+074 50·4-2-3·1-14(3)钢筋混凝土管50·4-2-3·2(4)钢筋混凝土管50·4-2-3·2 附属构筑物工程50·4-3井室(1)预制拼装K297+440-k297+706(右侧)w148-w158 50·4-3-1·1-15(2)预制拼装右侧K297+706-k298+074右侧w158-w167 50·4-3-1·1-16单位工程(子单位工程) 代号分部工程代号分项工程(子分项工程) 代号市政污50土方工程50·4-1(1)沟槽开挖K298+074-k298+279(右侧)50·4-1-1-17精品文档管线工程水管道·4(2)沟槽开挖K299+710-k300+816右侧50·4-1-1-18(3)沟槽回填K298+074-k298+279(右侧)50·4-1-2-17(4)沟槽回填K299+710-k300+816右侧50·4-1-2-18管道主体结构50·4-2(1)管道基础)K298+074-k298+279(右侧)50·4-2-1-17(2)管道基础K299+710-k300+816右侧50·4-2-1-18管道接口连接(承插)(1)HDPE管K298+074-k298+2796(右侧)50·4-2-2·1-15(2)HDPE管右侧K299+710-k300+816 50·4-2-2·1-16(3)钢筋混凝土管50·4-2-2·2(4)钢筋混凝土管50·4-2-2·2管道铺设(1)HDPE管K298+074-k298+279(右侧)50·4-2-3·1-15(2)HDPE管右侧K299+710-k300+816 50·4-2-3·1-16(3)钢筋混凝土管50·4-2-3·2(4)钢筋混凝土管50·4-2-3·2 附属构筑物工程50·4-3井室(1)预制拼装K298+074-k298+279(右侧)w167-w172 50·4-3-1·1-17(2)预制拼装右侧K299+710-k300+816右侧w173-w202 50·4-3-1·1-18单位工程(子单位工程) 代号分部工程代号分项工程(子分项工程) 代号市政管线工程污水管道50·4土方工程50·4-1(1)沟槽开挖k300+816-k301+023(右侧)50·4-1-1-19(2)沟槽开挖k301+023-k301+044右侧50·4-1-1-20(3)沟槽回填k300+816-k301+023(右侧)50·4-1-2-19(4)沟槽回填k301+023-k301+044右侧50·4-1-2-20精品文档管道主体结构50·4-2(1)管道基础)k300+816-k301+023(右侧)50·4-2-1-19 (2)管道基础k301+023-k301+044右侧50·4-2-1-20 管道接口连接(承插)(1)HDPE管k300+816-k301+023(右侧)50·4-2-2·1-17(2)HDPE管右侧50·4-2-2·1(3)钢筋混凝土管k301+023-k301+044 50·4-2-2·2-3(4)钢筋混凝土管50·4-2-2·2 管道铺设(1)HDPE管k300+816-k301+023(右侧)50·4-2-3·1-17(2)HDPE管右侧50·4-2-3·1(3)钢筋混凝土管k301+023-k301+044 50·4-2-3·2-3(4)钢筋混凝土管50·4-2-3·2附属构筑物工程50·4-3井室(1)预制拼装k300+816-k301+023(右侧)w202-w208 50·4-3-1·1-19 (2)预制拼装右侧k301+023-k301+044右侧w208-w209 50·4-3-1·1-20单位工程(子单位工程) 代号分部工程代号分项工程(子分项工程) 代号市政管线工程污水管道50·4土方工程50·4-1(1)沟槽开挖k301+044-k302+503(右侧)50·4-1-1-21(2)沟槽开挖k302+503-k303+216右侧50·4-1-1-22(3)沟槽回填k301+044-k302+503(右侧)50·4-1-2-21(4)沟槽回填k302+503-k303+216右侧50·4-1-2-22管道主体结构50·4-2(1)管道基础)k301+044-k302+503(右侧)50·4-2-1-21(2)管道基础k302+503-k303+216右侧50·4-2-1-22 管道接口(1)HDPE管k301+044-k302+503(右侧)50·4-2-2·1-18精品文档连接(承插) (2)HDPE管右侧k302+503-k303+216 50·4-2-2·1-19 (3)钢筋混凝土管50·4-2-2·2 (4)钢筋混凝土管50·4-2-2·2管道铺设(1)HDPE管k301+044-k302+503(右侧)50·4-2-3·1-18 (2)HDPE管右侧k302+503-k303+216 50·4-2-3·1-19 (3)钢筋混凝土管50·4-2-3·2 (4)钢筋混凝土管50·4-2-3·2附属构筑物工程50·4-3井室(1)预制拼装k301+044-k302+503(右侧)w209-w246 50·4-3-1·1-21 (2)预制拼装右侧k302+503-k303+216右侧w246-w264 50·4-3-1·1-22单位工程(子单位工程) 代号分部工程代号分项工程(子分项工程) 代号市政管线工程污水管道50·4土方工程50·4-1(1)沟槽开挖k303+256-k303+891(右侧)50·4-1-1-23(2)沟槽开挖k303+891-k304+289右侧50·4-1-1-24(3)沟槽回填k303+256-k303+891(右侧)50·4-1-2-23(4)沟槽回填k303+891-k304+289右侧50·4-1-2-24管道主体结构50·4-2(1)管道基础k303+256-k303+891(右侧)50·4-2-1-23(2)管道基础k303+891-k304+289右侧50·4-2-1-24管道接口连接(承插)(1)HDPE管k303+256-k303+891(右侧)50·4-2-2·1-20(2)HDPE管右侧k303+891-k304+289 50·4-2-2·1-21(3)钢筋混凝土管50·4-2-2·2(4)钢筋混凝土管50·4-2-2·2精品文档精品文档精品文档管道铺设(1)HDPE管k303+256-k303+891(右侧)50·4-2-3·1-20(2)HDPE管右侧k303+891-k304+289 50·4-2-3·1-21(3)钢筋混凝土管50·4-2-3·2(4)钢筋混凝土管50·4-2-3·2附属构筑物工程50·4-3井室(1)预制拼装k303+256-k303+891(右侧)w265-w281 50·4-3-1·1-23(2)预制拼装右侧k303+891-k304+289右侧w281-w293 50·4-3-1·1-24。