更换膨胀节施工方案_新版(1)
- 格式:doc
- 大小:120.50 KB
- 文档页数:13
煤气管道更换膨胀器施工方案一、前言煤气管道作为城市能源供应的主要组成部分,其安全运行至关重要。
在煤气管道使用过程中,膨胀器的作用十分重要,可以有效缓解管道因气体温度变化而产生的应力,保障管道的安全运行。
本文将针对煤气管道更换膨胀器的施工方案进行详细介绍。
二、施工前准备在进行煤气管道更换膨胀器的施工前,需要进行充分的准备工作,包括但不限于:1.安全检查:对施工现场进行全面的安全检查,确保没有危险因素存在;2.施工方案设计:根据实际情况设计合理的施工方案,包括拆除原有膨胀器、安装新膨胀器的步骤和顺序;3.材料准备:准备好需要使用的膨胀器及施工工具,确保施工顺利进行。
三、施工步骤1. 拆除原有膨胀器1.关闭煤气主阀门,并排空管道内的气体;2.使用合适的工具拆除原有膨胀器,小心处理,避免损坏周围管道。
2. 安装新膨胀器1.根据设计方案,在预留的位置安装新膨胀器;2.确保膨胀器与管道连接紧密,采取必要的支撑措施,确保安全稳固。
3. 系统测试1.安装完成后,开启煤气主阀门,检查新膨胀器是否正常工作,是否有漏气现象;2.对整个煤气管道系统进行测试,确保运行正常。
四、施工注意事项1.施工人员必须经过专业培训,严格按照操作规程进行作业;2.施工现场必须保持整洁,杜绝火种、明火等危险因素;3.施工结束后,及时清理现场,保证周边环境整洁。
五、结语本文介绍了煤气管道更换膨胀器的施工方案,合理的施工步骤和注意事项对于保障管道安全运行具有重要意义。
在进行相关工程时,务必严格按照要求进行操作,确保工程质量。
以上是本文的内容,希望能对您有所帮助。
烟道膨胀节更换施工方案在工业设备运行中,炉烟道的膨胀节扮演着重要的作用,它能够缓解因温度变化而引起的管道膨胀和收缩,保证设备安全运行。
然而,随着时间的推移,膨胀节可能会出现老化、损坏等问题,需要进行更换。
下面将介绍烟道膨胀节更换的施工方案。
1. 施工前准备工作在进行烟道膨胀节更换之前,首先需要进行准备工作。
包括: - 设备停机:确保设备处于停机状态,避免在工作时造成安全隐患。
- 安全防护措施:施工区域设置明显的安全警示标识,工作人员需佩戴相关安全防护用具。
- 工具准备:准备好所需的工具和材料,确保施工过程顺利进行。
2. 更换步骤步骤一:拆除旧膨胀节1.施工人员先检查烟道膨胀节的连接情况,确认无误后,使用相应工具将旧膨胀节进行拆除。
2.注意避免对管道和连接部位造成损坏,确保拆除过程平稳进行。
步骤二:清洁管道1.拆除旧膨胀节后,需要对管道进行清洁,去除杂物和污垢,确保连接部位干净。
2.可以使用清洁剂和清洁工具进行清洁,保持管道表面光滑。
步骤三:安装新膨胀节1.在清洁管道后,施工人员将新的膨胀节按照连接方式安装到原有位置。
2.注意膨胀节与管道的连接方式和紧固方式,确保安装牢固可靠。
步骤四:检查调试1.完成膨胀节更换后,进行系统的检查和调试,确保连接部位无泄漏,膨胀节工作正常。
2.检查系统运行情况,确认设备可以正常启动运行。
3. 施工注意事项1.施工人员应熟悉膨胀节的安装方式和连接原理,避免操作失误导致损坏。
2.在施工过程中要注意安全,避免发生意外事故,确保工作顺利进行。
3.施工完成后,及时清理施工现场,保持环境整洁。
通过以上施工方案,可以有效地更换烟道膨胀节,并确保设备安全运行。
在进行施工时,务必严格按照步骤进行操作,注意安全防护,做到保证工作质量和工作安全。
低温烟道出口膨胀节更换方案1.更换前的准备工作在进行低温烟道出口膨胀节更换前,首先需要对烟道系统进行全面检查,确定是否需要更换膨胀节。
同时,检查管道的连接是否紧密,是否存在泄漏等问题。
确认需要更换膨胀节后,要准备好所需的工具和材料,确保更换过程顺利进行。
2.拆卸旧膨胀节首先,关闭相关设备的电源,确保安全。
接下来,使用工具将管道两侧的连接螺栓拧松,将旧膨胀节与管道分离。
拆卸过程需要注意保护现场,避免对周围设备和管道造成损坏。
3.清洁管道连接口拆卸旧膨胀节后,需要仔细清洁管道连接口,以确保新膨胀节与管道的连接紧密。
清洁过程可以使用清洁剂和工具进行,确保将残留的油污、垃圾等彻底清除。
4.安装新膨胀节将清洁后的管道连接口与新膨胀节进行连接,确保连接紧密。
在连接过程中,可以使用橡胶垫片等密封材料,确保连接处没有泄漏。
使用工具将连接螺栓拧紧,但要注意不要过度拧紧,以免损坏膨胀节或管道。
5.检查和测试安装完成后,需要对新膨胀节进行检查和测试,确保其正常运行。
可以打开相关设备的电源,观察膨胀节的运行情况,检查是否存在漏气、震动等问题。
如果发现异常情况,需要进行调整或修复。
6.整理现场膨胀节更换完成后,应对现场进行整理,清除杂物和垃圾。
同时,将旧膨胀节及时处理,避免对环境造成污染。
总结:低温烟道出口膨胀节的更换方案包括准备工作、拆卸旧膨胀节、清洁管道连接口、安装新膨胀节、检查和测试以及整理现场。
在进行更换过程中,需要注意保护现场和设备安全,确保膨胀节与管道的连接紧密,以确保低温烟道系统的正常运行。
青岛润亿清洁能源有限公司综合利用工程TRT透平机出口煤气管道膨胀节更换施工作业指导书编制:审核:批准:西安陕鼓动力股份有限公司二零一六年七月施工组织设计/方案审批表目录一、适用范围···················································错误!未定义书签。
二、编制依据···················································错误!未定义书签。
三、施工慨况 (1)四、施工人力资源安排···········································错误!未定义书签。
首钢长钢燃气厂高炉煤气管道膨胀器更换工程施工方案编制人:王瑞华审核人:段富增编制单位:长治市建装饰公司长钢项目部编制日期:二〇一三年四月二十七日高炉煤气管道膨胀器更换施工方案一、工程概况该工程为利用生产系统停产检修时间,对高炉煤气管道(D1400)沿线的四处损坏不锈钢膨胀器进行更换,两处封堵盲板。
主要施工内容及部位:1、高炉煤气管道的DS1#平台位置膨胀器组更换,施工高度约12米.2、新区炼铁澡堂东侧膨胀器组更换,施工高度约10米。
3、XG1平台位置北侧膨胀器组更换(8#高炉北侧),施工高度约10米.4、焦化煤场南侧膨胀器更换,施工高度约12米.5、XG6#平台阀门东侧堵盲板,施工高度约10米。
6、XG1#平台阀门北侧堵盲板,施工高度约10米。
7、煤气柜北侧增加支架及基础,施工高度约6米。
以上1-6项管径均为D1400。
二、编制依据1、根据现场实际情况进行编制。
2、施工规范《工业金属管道工程施工及验收规范》(GB50235-97)《工业企业煤气安全规程》(GB6222-2005)《现场设备、工业管道焊接工程施工及验收规范》(GB50236—98)《建筑施工高处作业安全技术规程》(JGJ80-91)《施工现场临时用电安全技术规程》(JGJ46-2005)三、施工部署1、由于该工程为利用生产停产检修时间进行全部更换,时间紧,任务重,施工点距离分散,现场条件有限,故我项目部计划分成4个施工队进行组织施工。
每处4台电焊机,2套氧-乙炔气,7个施工人员。
2、施工中所用的机械均按实际发生的时间按相应定额计算标准进行计算。
3、施工前甲方负责吹扫管道,检测煤气办理动火手续,具备条件后方可开始切割。
4、施工前甲方负责协调施工用电接头处,施工过程中甲方派专人负责现场煤气检测。
5、施工所用材料(除型材外)及机具均为我方自供(如:电焊机、一二次线、氧乙炔气、电焊条、平台用材料)。
6、每处专门安排两人在现场安全监护。
四、主要施工方法1、高炉煤气管道的DS1#平台位置膨胀器组更换。
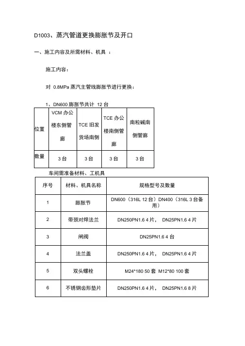
D1003、蒸汽管道更换膨胀节及开口一、施工内容及所需材料、机具:施工内容:对0.8MPa 蒸汽主管线膨胀节进行更换:车间需准备材料、工机具施工队伍需准备材料、工机具:、施工方案1、停运蒸汽管道,调度确认蒸汽停气,打开所有疏水阀门泄压,要防止烫伤,防止噪声污染。
2、确认蒸汽管道停运并泄压合格。
3、准备好各种器具(氩弧焊机、磨光机、吊车等),每组膨胀节处(共4组)安排施工人员不少于 6 人,其中要有2名高压焊工,化验管道内气体合格(可燃气体含量≤ 0.2%)。
3.1由项目负责人,再次对施工人员进行技术交底,检查各施工人员的操作证等。
3.2由监护人检查各气瓶、用电设备等工具是否完好,劳保用品是否穿戴整齐,检查无误后,开具检修作业票,动火作业票,登高作业票等。
4、切割蒸汽管线,拆除原有膨胀节组。
切割前,先使用槽钢(200mm 以上的)在每组膨胀节前后两侧(与焊缝相距 2 米)的管线上各焊接三角形固定支架两处(将管道焊接固定在管廊架上,共计 4 处),将管道固定在管廊上,防止膨胀节拆除后,管道产生变形。
5、将膨胀节组吊至地面(吊装前开具吊装作业证,检查吊车各证件是否齐全),对原有管道进行打磨坡口,打磨好后将管道使用石棉布封堵,防止进入杂物(大修第一天完成)。
5.1将膨胀节吊至地面后,项目负责人联系相关人员对弯头进行检测,确认弯头的厚度符合要求,若不符合则更换为新弯头。
5.2吊装时,施工人员和监护人分别检查吊装绳,吊具是否完好。
5.3捆扎时,吊件要捆扎牢固,应锁死,防脱措施到位。
6、将原有的膨胀节组在地面切割弯头,打磨坡口,将新膨胀节和弯头进行焊接(切割前量好尺寸,预留出收缩量,大修第二、三天完成)。
7、焊接完成,对焊缝进行X 射线探伤(第二、三天晚上对当天完成的焊缝进行X 射线探伤)。
8、将焊接好的膨胀节组使用吊车吊至原有位置(对位前,确认原有管道内无遗留的工具等杂物)。
9、对焊缝进行氩弧焊打底,使用电焊进行盖面(第四天完成焊接)。
#2炉引风机后烟道膨胀节更换施工方案编制人:审核人:审定人:批准人:批准日期:年月日一、项目概述项目公司#2炉引风机后水平烟道膨胀节膨胀节自投产运行至今,由于烟气腐蚀和冲刷较为严重,自2014年下半年开始膨胀节连续出现泄漏的情况,检修班多次采取堵漏的方法控制泄漏,但并没有从根本上解决烟气泄漏隐患。
所以经项目公司领导研究决定采购新的膨胀节,利用本次停炉检修的机会进行更换。
二、编制依据《检修技术方案》、《检修规程》、《吊装安全作业规范》、《高处安全作业规范》、《动火安全作业规范》三、检修内容与要求1.检修内容:更换东侧靠近引风机侧膨胀节。
割除靠近烟囱侧膨胀节,用6mm钢板恢复烟道。
2.检修要求:1)拆卸旧膨胀节时,割除的总长度不能大于新膨胀节安装尺寸10 mm;2)安装水平度≤1mm/m,折口≤1mm/m,错口≤1mm;3)焊接使用THJ-422碳钢焊条;每条焊缝焊两遍。
4)焊缝焊接均匀,无沙眼、夹渣、气孔、裂纹;5)安装验收合格后恢复保温及铁皮外衣。
6)四、检修有关注意事项1)设备检修前要办理工作票,工作票上到各项安全措施完成后方可施工;2)必须派专人负责现场监护,在现场进行安全告知,并督促安全防护措施的落实;3)动火以前严格办理票证,保证易燃易爆气体含量合格,环境卫生浓度合格方可作业;4)遵守中华人民共和国环境保护法和本公司有关规定,防止环境污染;5)吊装、搬运膨胀节时,要有专人指挥,正确选用起吊绳索,起吊以前检查绳索是否牢固,严禁超负荷吊装;6)拆卸部件以及检修工具要整齐摆放,做到文明检修;7)施工现场必须做到工完料尽场地清,及时清理现场。
五、施工准备:1.备件到位,型号规格符合现场使用要求;2.人员组织,具备资质的电焊工、电工、检修工;3.更换以前在更换部位搭设合格的脚手架;4.移动电源,移动防爆照明灯;5.安全带、安全绳、攀登自锁器准备到位;六、施工程序与技术要求1. 技术措施1)先拆除烟道外侧保温铁皮及岩棉保温外衣(进行保护拆除待安装完成后恢复使用)。
金属膨胀节更换施工方案1. 引言金属膨胀节是一种用于管道系统中的重要组件,其作用是通过吸收由于温度变化引起的管道膨胀和收缩而保护管道系统。
然而,由于长期使用或者其他原因,金属膨胀节可能需要进行更换。
本文将介绍金属膨胀节更换的施工方案。
2. 准备工作在进行金属膨胀节更换之前,需要进行以下准备工作:•确定更换的金属膨胀节位置,包括管道系统的类型和尺寸。
•确定金属膨胀节的材料和规格,确保新的金属膨胀节能够满足系统需求。
•准备必要的工具和设备,包括扳手、螺栓、密封垫等。
3. 施工步骤根据金属膨胀节更换的具体情况,施工步骤可能会有所不同。
以下是一般的金属膨胀节更换的施工步骤:3.1 关闭管道系统在进行金属膨胀节更换之前,需要关闭管道系统,以避免液体或气体泄漏。
3.2 卸下旧的金属膨胀节使用扳手等工具,将旧的金属膨胀节从管道系统中卸下。
注意安全操作,以防止受伤。
3.3 清理管道系统卸下旧的金属膨胀节后,需要清理管道系统,确保没有杂物或污垢影响新金属膨胀节的安装。
3.4 安装新的金属膨胀节根据金属膨胀节的规格和安装要求,安装新的金属膨胀节。
使用螺栓和密封垫等材料固定金属膨胀节,确保连接牢固。
3.5 检查和测试安装完成后,检查金属膨胀节的连接,确保没有松动或泄漏。
然后,进行系统测试,以确保金属膨胀节的正常工作。
4. 注意事项在进行金属膨胀节更换的施工过程中,需要注意以下事项:•确保遵守相关安全规定和操作规程,使用合适的个人防护装备。
•确保金属膨胀节的材料和规格符合管道系统的要求。
•在更换金属膨胀节之前,确保管道系统已经关闭,以防止泄漏事故发生。
•定期检查金属膨胀节的工作状态,及时发现并更换损坏或老化的金属膨胀节。
5. 结论金属膨胀节的更换是管道系统维护中的重要任务。
本文介绍了金属膨胀节更换的施工方案,包括准备工作、施工步骤和注意事项。
通过合理的施工方案和注意事项的遵守,可以确保金属膨胀节更换的安全和有效进行。
煤气管道更换膨胀器施工方案一、前期准备工作在进行煤气管道更换膨胀器的施工前,需要进行以下准备工作:1.1施工方案设计根据具体的施工现场情况,设计合理的施工方案。
包括膨胀器的选型及数量、施工步骤等。
1.2施工图纸绘制根据设计方案,绘制施工图纸。
包括膨胀器的安装位置、管道连接方式等。
1.3租赁设备及材料根据施工需要,租赁所需的设备和材料。
包括膨胀器、焊接设备、安全防护设备等。
1.4环境检测对施工现场进行环境检测,确保施工环境符合安全要求。
1.5建立施工组织成立施工组织,确定各个岗位的职责和任务。
1.6安全措施制定安全施工措施,确保施工过程中的安全性。
二、施工步骤2.1施工区域准备在施工区域进行清理,确保没有杂物和障碍物。
将需要拆除的管道进行包裹,以防止有害气体泄漏。
2.2膨胀器安装根据设计图纸,确定膨胀器的安装位置。
使用焊接设备将膨胀器与管道连接,并确保连接处的密封性。
2.3排气在膨胀器连接完成后,需要进行排气。
使用专用的排气工具,将管道内的气体排出。
2.4系统调试完成膨胀器的安装后,需要对整个系统进行调试。
包括对管道的压力测试,以及对连接处的密封性测试。
2.5施工记录在施工过程中,及时记录施工的情况。
包括施工人员的工作时间、材料的使用情况等。
三、质量与安全控制3.1施工过程质量控制在施工过程中,对膨胀器的安装进行检查,确保焊接质量符合标准。
对连接处进行密封性测试,确保没有漏气。
3.2施工过程安全控制在施工过程中,施工人员必须佩戴安全防护设备。
对使用的设备进行定期检查,确保安全可靠。
3.3文明施工施工人员在施工过程中需遵守相关的施工规范,保持施工现场的整洁和安全。
四、施工总结4.1施工总结会议施工完成后,召开施工总结会议。
回顾整个施工过程,总结经验教训。
4.2施工记录整理整理施工过程中的各类记录,包括施工记录、安全记录等,形成施工总结报告。
通过以上施工步骤及相关控制措施,可以有效地进行煤气管道更换膨胀器的施工。
膨胀节安装施工方法
(1)波纹膨胀节不能承重,应单独吊装,除非采取加固措施,否则不允许波纹膨胀节与管道焊接后一起吊装。
(2)安装前应先检查波纹膨胀节的位号、型号、规格,所处的管线号及管道支架的配置必须符合设计要求;
(3)波纹膨胀节安装前应按设计文件规定进行预拉伸(压缩),受力应均匀;
(4)波纹膨胀节内套有焊缝的一端,在水平管道上应迎介质流向安装,在铅垂管道上应置于上部;带导流筒的注意使导流筒方向与介质流向一致;
(5)波纹膨胀节应与管道保持同轴度,不得偏斜,严禁使用膨胀节变形的方法来调整管道的安装偏差;
(6)安装过程中,要防止焊渣飞溅到波纹管表面和使波纹管受到其他机械损伤;
(7)安装波纹膨胀节时,应设临时约束设施,待管道试压结束后再拆除。
热网膨胀节施工方案一、施工准备现场勘查:详细了解施工现场的环境、地形、气候条件等,确保施工方案与实际情况相符。
人员组织:确定施工队伍,包括技术人员、工人、安全员等,并对其进行必要的技术和安全培训。
施工计划:根据现场勘查结果,制定详细的施工计划,包括施工时间、人员分配、物资调配等。
二、技术准备熟悉施工图纸和规范:施工人员必须熟悉热网膨胀节的施工图纸和相关规范,明确施工要求和标准。
技术交底:对施工人员进行技术交底,确保每个施工人员都清楚自己的职责和任务。
三、材料准备材料采购:根据施工图纸和规范,采购合格的热网膨胀节和相关材料。
材料检验:对采购的材料进行质量检验,确保材料符合施工要求。
四、机具、工具机具准备:准备必要的施工机具,如电焊机、切割机、起重机等。
工具准备:准备施工所需的工具,如扳手、锤子、螺丝刀等。
五、安装管道支撑架根据施工图纸,确定管道支撑架的位置和高度。
使用起重机和工人合作,安装管道支撑架,确保其稳固可靠。
六、安装热网膨胀节根据施工图纸和规范,确定热网膨胀节的安装位置和方向。
使用合适的工具和设备,将热网膨胀节安装到管道上,并确保其与管道连接紧密。
七、调整位置和固定检查热网膨胀节的位置是否正确,如有偏差,及时调整。
使用合适的固定件,将热网膨胀节固定在管道上,确保其不会移位或松动。
八、密封连接处使用密封材料,对热网膨胀节与管道的连接处进行密封处理,确保无泄漏。
检查密封效果,如有泄漏,及时处理。
九、质量检查与验收对热网膨胀节的安装质量进行全面检查,包括位置、固定、密封等方面。
如发现质量问题,及时整改并重新检查。
验收合格后,填写验收报告并签字确认。
十、安全文明施工遵守施工现场的安全规章制度,确保施工过程中的安全。
对施工现场进行文明管理,保持现场整洁有序。
对施工人员进行安全教育,提高其安全意识。
本施工方案仅供参考,具体施工过程中应根据实际情况进行调整和完善。
同时,施工过程中应严格遵守相关法律法规和规范要求,确保施工质量和安全。
金属膨胀节现场施工方案1. 引言金属膨胀节是一种常见的管道连接件,用于解决管道因温度变化而引起的热胀冷缩问题。
本文档旨在提供金属膨胀节现场施工方案,确保金属膨胀节的正确安装和使用。
2. 施工准备在进行金属膨胀节现场施工前,需要进行以下准备工作: - 确定金属膨胀节的型号和规格,根据实际需求选择合适的金属膨胀节。
- 确定金属膨胀节的安装位置,并进行现场勘察和测量,以确保金属膨胀节的安装尺寸准确无误。
- 准备所需的施工工具和设备,包括扳手、焊接设备、切割机等。
3. 现场施工步骤3.1. 金属膨胀节的安装1.使用扳手等工具,将金属膨胀节的法兰部分与管道的法兰连接。
确保连接牢固,并按照规定的紧固扭矩进行紧固。
2.检查金属膨胀节与管道之间是否存在间隙或错位,必要时进行调整,以确保金属膨胀节的安装位置正确。
3.检查金属膨胀节的密封圈是否完好,并使用合适的密封材料进行补充或更换,以确保连接处的气密性。
3.2. 管道的焊接1.根据现场实际情况和设计要求,对需要焊接的管道进行切割和准备。
2.使用合适的焊接设备对管道进行焊接,确保焊缝质量合格。
根据不同的管道材质和要求,选择适当的焊接方法,如电弧焊、氩弧焊等。
3.在焊接完成后,对焊缝进行检查和测试,以确保焊缝的牢固性和密封性。
3.3. 管道的调试和测试1.完成金属膨胀节的安装和管道的焊接后,进行管道的调试和测试。
2.根据设计要求,进行泄漏测试和压力测试,确保管道的安全性和可靠性。
3.检查管道是否存在异常情况,如泄漏、松动等,必要时进行重新调试和修复。
4. 安全注意事项在金属膨胀节现场施工过程中,需要注意以下安全事项: - 操作人员应具备相关施工经验和证书,遵守相关操作规范。
- 确保现场通风良好,做好防火、防爆措施。
- 在进行焊接操作时,应佩戴防护眼镜、手套等个人防护装备,确保人身安全。
- 在进行压力测试时,严格遵守相关操作规程,确保安全操作和防护措施。
5. 结论金属膨胀节的正确施工和安装对于管道的运行和使用具有重要意义。
金属膨胀节更换技术措施金属膨胀节是一种用于管道系统中承受温度变化的器件。
在使用过程中,如果出现老化或损坏,需要及时更换以保证管道系统的正常运行。
下面将介绍金属膨胀节更换的技术措施。
1. 断开连接在更换金属膨胀节之前,需要先断开与周围管道的连接。
如果这是一条主要管道,必须先将管道截止阀关闭,以防止介质流失。
接着,使用砂轮或其他工具切开管道,将膨胀节从管道中取出。
2. 检查管道和接头一旦金属膨胀节拆下来,需要对管道和接头进行检查,以确定是否存在任何损坏和/或漏水。
如果存在破损或漏水,必须进行修理或替换。
必须确保管道和接头符合膨胀节的规格和要求。
3. 准备更换的金属膨胀节更换金属膨胀节需要选择一个与原来的膨胀节规格一致的新膨胀节。
必须检查新膨胀节的尺寸(长度,直径或厚度),材质,压力等级和类型是否符合规格要求。
在更换新的膨胀节之前,必须清洁管道两端的焊缝和膨胀节的焊口。
4. 安装新的膨胀节一旦准备就绪,新的金属膨胀节可以安装到管道上。
首先,需要在两端加上法兰或其他连接器件。
然后将膨胀节的法兰与管道连接,使用法兰螺栓将其固定。
在将金属膨胀节连接到管道上之前,使用适当的润滑剂添加到法兰垫片上,以确保焊口连接牢固,并且没有任何泄漏。
5. 再次连接在修理或更换金属膨胀节之后,需要重新将管道连接起来。
要注意管道之间的连接必须牢靠,而且必须对管道加以测试以确保没有漏水。
在完成连接后,必须将管道截止阀打开,以使介质可以流通。
总的来说,更换金属膨胀节需要一定的专业技术,并且必须小心谨慎。
如果你无法进行更换操作,建议寻求专业技术人员进行更换。
首钢长钢燃气厂高炉煤气管道膨胀器更换工程施工方案编制人:王瑞华审核人:段富增编制单位:长治市建装饰公司长钢项目部编制日期:二〇一三年四月二十七日高炉煤气管道膨胀器更换施工方案一、工程概况该工程为利用生产系统停产检修时间,对高炉煤气管道(D1400)沿线的四处损坏不锈钢膨胀器进行更换,两处封堵盲板。
主要施工内容及部位:1、高炉煤气管道的DS1#平台位置膨胀器组更换,施工高度约12米。
2、新区炼铁澡堂东侧膨胀器组更换,施工高度约10米。
3、XG1平台位置北侧膨胀器组更换(8#高炉北侧),施工高度约10米。
4、焦化煤场南侧膨胀器更换,施工高度约12米。
5、XG6#平台阀门东侧堵盲板,施工高度约10米。
6、XG1#平台阀门北侧堵盲板,施工高度约10米。
7、煤气柜北侧增加支架及基础,施工高度约6米。
以上1-6项管径均为D1400。
二、编制依据1、根据现场实际情况进行编制。
2、施工规范《工业金属管道工程施工及验收规范》(GB50235-97)《工业企业煤气安全规程》(GB6222-2005)《现场设备、工业管道焊接工程施工及验收规范》(GB50236-98)《建筑施工高处作业安全技术规程》(JGJ80-91)《施工现场临时用电安全技术规程》(JGJ46-2005)三、施工部署1、由于该工程为利用生产停产检修时间进行全部更换,时间紧,任务重,施工点距离分散,现场条件有限,故我项目部计划分成4个施工队进行组织施工。
每处4台电焊机,2套氧-乙炔气,7个施工人员。
2、施工中所用的机械均按实际发生的时间按相应定额计算标准进行计算。
3、施工前甲方负责吹扫管道,检测煤气办理动火手续,具备条件后方可开始切割。
4、施工前甲方负责协调施工用电接头处,施工过程中甲方派专人负责现场煤气检测。
5、施工所用材料(除型材外)及机具均为我方自供(如:电焊机、一二次线、氧乙炔气、电焊条、平台用材料)。
6、每处专门安排两人在现场安全监护。
四、主要施工方法1、高炉煤气管道的DS1#平台位置膨胀器组更换。
催化装置再生斜管膨胀节更换施工方法鹿文龙摘要:石化公司炼油厂140万吨/年重油催化装置检修中,发现再生斜管膨胀节存在安全隐患问题,要求进行更换。
本文主要介绍了再生斜管膨胀节更换的施工方法及步骤,以及质量保证措施和安全控制措施。
关键字:再生斜管、膨胀节、吊装、保证措施1.工程概况石化公司炼油厂140万吨/年重油催化装置检修中,再生斜管膨胀节要求更换,需要对再生斜管加固,拆除原有再生斜管膨胀节,然后安装新膨胀节,最后进行装置的整体验收。
2.施工方法及步骤对再生斜管加固→拆除原有膨胀节→效对尺寸→安装新膨胀节→理化检测→装置验收合格。
再生斜管膨胀节位于反再框架3层平台处,单重1.5吨,需使用25吨吊车进行吊装,吊装高度8.2米,吊装半径8米。
吊装机具及措施材料耗用量明细表3.技术保证措施1)膨胀节进入施工现场前对其冲压适量进行检查,表面不得有裂纹,凹凸,轧痕,皱折等缺陷;膨胀节各部位尺寸应符合以下规定:当DN>1000mm时,膨胀节管口的周长允许配偏差为±6mm.;壁厚允许配偏差为±10mm;波形压边半径允许配偏差为±5mm;进出口中心偏移允许配偏差为±5mm;2)安装膨胀节时,不能将支撑件焊接在波节上,应严格按照管道中心线安装,不得偏移,以免受压时损坏,并应注意安装方向;3)波形膨胀节的预拉或预压,应根据补偿零点温度来定位。
补偿零点温度就是管道设计时考虑能达到的最高温度和最低温度的平均值。
在环境温度等于补偿零点温度安装时,膨胀节可不进行预拉或预压。
如安装时的环境温度高于或低于补偿零点温度,应预先压缩或拉伸;安装波形膨胀节的拉伸或压缩量4)如与厂家提供的膨胀节安装说明书有误,执行厂家提供的膨胀节安装说明书4.现场管理措施4.1现场安全管理规定安全管理实施一票否决制,"谁主管,谁负责",责任承包,奖罚分明。
安全管理部门负责对施工人员进行纪律和安全教育,并对施工生产过程实施检查和监督。
青岛润亿清洁能源有限公司综合利用工程TRT透平机出口煤气管道膨胀节更换施工作业指导书编制:审核:批准:西安陕鼓动力股份有限公司二零一六年七月施工组织设计/方案审批表目录一、适用范围···················································错误!未定义书签。
二、编制依据···················································错误!未定义书签。
三、施工慨况 (1)四、施工人力资源安排···········································错误!未定义书签。
五、主要施工工器具···········································错误!未定义书签。
六、施工组织体系 (2)七、施工方法 (4)八、施工质量技术保证措施 (6)九、施工安全保证措施 (6)十、危险源辩识与风险评价及控制对策表 (7)一、适用范围为了提高煤气管道更换膨胀节的施工安全加强安装工艺和质量,特制定本方案。
本施工方案适用于青岛润亿清洁能源有限公司综合利用工程1#、2#TRT透平机出口煤气管道膨胀节更换。
二、编制依据编制原则1)积极响应招标文件的规定,确保工期、质量、安全目标的实现;2)在总体部署和资源配置上尽量做到科学、优化、充沛;3)在具体施工方案上尽量做到先进、合理,编制上突出重点;4)为工程着想,积极向业主提出合理化建议。
本次采用的施工技术规范和验收规范:《炼钢管道工程安装验收规范》GB 50403-2007《机械设备安装工程施工及验收通用规范》GB 50231-2009《工业金属管道工程施工质量验收规范》GB 50184-2011《工业金属管道工程施工规范》GB 50235-2010《工业金属管道设计规范》GB 50316-2000 (2008版)《工业企业煤气安全规程》GB6222-2005《现场设备、工业管道焊接工程施工及验收规范》GB50236-1998三、施工概况本次检修主要内容如下:1.在1#、2#TRT透平机出口原煤气管道膨胀节处搭建安全脚手架2.将1#、2#TRT透平机出口原煤气管道上的两套直径米的膨胀节拆除3.将新的两套膨胀节安装到原煤气管道上4.更换完成后,管道打压检漏四、施工人力资源安排本次膨胀节更换工作,共计投入作业人员12人左右,具体人员配置如下:五、主要施工工器具六、施工组织体系七、施工方法1)汽车吊选用依据及计算方式a.汽车吊起重高度计算:H≥H1+H2+H3+H4注:H—吊车的起重2)拆除膨胀节的步骤:a.联系业主将管道内的煤气停掉,进行氮气置换煤气、空气置换氮气工作。
确保管道内将煤气及氮气置换干净后施工。
b.在旧的膨胀节管道上焊接吊耳便于倒链吊装。
c.将1#TRT旧的膨胀节用倒链固定住,后用割枪将旧的膨胀节割除,用倒链慢慢的将其放置在地面,用吊车将其吊离现场;2#TRT膨胀节拆除时连同上方弯头一起割下,然后用吊车一起吊下来地面后,割下弯头。
d.用割枪对割除的膨胀节口部进行修补,保证其在同一平面内。
e.根据事先测量好的数据,将下方管道进行部分割除,以保证新安装的膨胀节在竖直方向上是直立的。
3)膨胀节安装步骤:a.用汽车吊将新的1#膨胀节吊至施工位置,后用倒链将膨胀节调整位置;2#膨胀节吊至施工位置,后用倒链将膨胀节调整位置,然后再将之前拆下的弯头对好扣安装到位。
膨胀节吊装前应确认内部导流筒的方向与介质流动方向一致,严禁用波纹膨胀节变形的方法来调整管道的安装误差,以免影响膨胀节的正常功能、降低使用寿命及增加管系、设备、支承构件的载荷。
b.保证膨胀节两边的管道的间隙合理,便于焊接,焊接采用焊条,焊缝均为连续焊缝,焊缝高度>10mm,焊接过程中不得向焊缝内夹杂异物。
焊接的把线不能放在波纹管上,焊接时要将波纹管保护起来,防止贱渣烫坏波纹管。
c.焊接管道与膨胀节的连接口,焊接采用焊条,焊缝均为连续焊缝,焊缝高度>10mm,焊接过程中不得向焊缝内夹杂异物。
d.管道试压、以所有焊缝无泄漏为标准。
首先进行气压强度实验,实验压力为设计压力的倍即,试压时,压力应逐级上升,先升到实验压力的50%,进行检漏,如无泄漏及异常现象,继续按实验压力的10%,逐级升压,直至强度实验压力。
每级试压应稳压3分钟,达到实验压力后稳压10分钟,以无泄漏、目测无变形等为强度实验合格。
如发现有泄漏的地方,应做出标记,待泄完压后在处理漏点,消除缺陷后,再升至实验压力。
八、施工质量技术保证措施1、坚持“快速响应、严谨务实、科学管理、追求卓越”的十六字方针,使本次检修圆满高效完成。
2、施工前坚持对作业人员进行针对性的技术交底,确保施工过程有条不紊地展开,并认真填写交底记录。
3、开工前各作业班组认真填写工时工序表,并经技术员审核确认。
4、严格执行质量“三检制”,加强班组质量自检。
自检是保证工程质量的基础,是质量控制的重要环节,是保证质量的有效办法。
班组的自检要做到“三实一可靠”即实测、实量、实记、数据可靠,坚决反对填虚假数据。
5、开工之前根据图纸核对备件尺寸,查出问题立即向有关部门反映,坚决把问题消灭在开工之前。
6、根据图纸要求,严格控制各精度等级,确保本次休风取得良好的质量效果。
7、本次检修要求统一协调,统一指挥,各班组必须服从调派。
九、施工安全保证措施1、进入施工区域必须戴好安全帽,并扣好安全帽帽带,施工时必须正确穿戴好劳防用品,须听从有关领导及现场安全员的劝告和指挥。
2、坚持安全第一,预防为主,项目经理要狠抓违章及事故苗子,及时整改安全隐患,发生险肇事故要严格做到“三不放过”。
3、吊装用起重机、电焊机、钢丝绳以及其它吊装用工具。
使用前必须认真检查,合格后才能使用,严禁超负荷使用。
起重机械使用,必须指定专人操作,专人指挥;严格执行开动牌制度。
4、在高空进行安装、装配作业时,作业人员必须系好安全带。
须全部设置好在地面上对施工作业区用的警戒绳,并派专人监护,严禁高空抛物、抛工具。
严禁非作业人员进入施工区域。
严禁患有心脏病、高血压等高处作业禁忌症者登高作业。
5、多层次立体施工时,应安排交叉作业,必须同时施工时,应采取可靠的中间隔离设施,否则不准在同一垂线下方作业。
6、施工临时用电等,必须听从业主或项目部安排接装,确保绝缘、接地良好,并有醒目标志。
施工完毕,必须及时拆除,做到“装得安全、用得正确、拆得彻底”。
7、气割、电焊、起重等特种作业人员,必须持证上岗。
在焊接工作场地,必须备有防火设备,如砂箱、灭火器、消防栓、水桶等;易燃物品距焊接场地不得小于5m,否则要用石棉板或石棉布覆盖;易暴物品距焊接场地需10m以上;焊机、电源伸出箱外的接线端需加盖防护罩;起重区域设置安全警戒区域,专人看守。
8、氧气瓶、乙炔瓶、油桶等易燃易爆物品,必须离气割、电焊等明火作业区十米以上,并设有禁火标志;氧气瓶、乙决瓶不得混放,两者应相距五米以外。
9、吊车必须有专人指挥,严格遵守“十不吊”规定,汽车,吊车转弯或倒车时必须有人带车指挥。
10、当天工程结束,必须做到“工完料清”。
验收时各类安全防护设施必须齐全有效,做到“有轮必有罩,有轴必有套,有台必有栏,有洞必有盖”,经验收合格后方可试车。
12、工作人员在施工区域要穿戴好劳动保护用品,高空作业时系好安全带,非工作人员严禁进入工作区域和攀达高空。
13、安全检查人员和项目部成员要对现场安全防护措施定期检查,发现问题及时整改。
十、危险源辩识与风险评价及控制对策表注:1、D=E×C×L(L—事故或危险事件发生的可能性E—暴露于危险环境的平率C—危险程度。