进场材料、构配件 数量清单工作表
- 格式:xls
- 大小:17.00 KB
- 文档页数:15
第十章主要材料、构配件计划一、主要材料投入计划本工程主要材料、构配件按以下计划表进行供应,材料主要来源于西安、咸阳建材市场采购及西安、咸阳地区长期合作的材料供应商供应。
名称规格/型号单位数量钢材吨清单量为准混凝土m3清单量为准水泥P.0 42.5R 吨清单量为准机制标准红砖240*115*53 千块清单量为准排水管M2 清单量为准热力管各规格M 清单量为准给水管各规格M 清单量为准铁艺栏杆M 清单量为准景观灯个清单量为准电缆M 清单量为准井圈井盖个清单量为准阀门个清单量为准模板M2 材料计划单为准方木M3 材料计划单为准钢管M 材料计划单为准说明:其它材料及安装材料按图纸及工程量清单量为准分批次计划安排进二、材料保证措施1、专人分管材料及成品的购置由项目部计划科根据本工程下月形象进度计划,计算出材料的计划用量,汇总报设备物资科,由设备物资科安排进料计划。
⑴项目部设备物资科长对材料和成品的购置总负责,物资科的物资管理人员对自己所管范围内的材料的购置和管理负直接、具体责任。
⑵材料采购采取集中统一购置,由项目部计划科提前提供用料计划,设备物资科根据用料计划进行采购。
⑶分管材料的负责人要及时与材料供应方取得联系,并通知其按计划按期供货,保证施工所需。
2、提前计划储备的措施⑴开工前,提前报送材料施工图预算用量及总体使用计划;施工过程中,计划科、施工技术科提前提交工程阶段性的材料品种、供应数量和进度计划,以便使设备物资科能早储备、保供应。
⑵材料计划需提前提交给供应商,下达供货任务书,以便于供应商统筹安排,合理调配,充分准备货源。
材料需求计划编制前要切实查清需要量,查清内部资源,了解外部情况,在认真综合平衡的基础上,编制出准确性较高的需求计划,按照计划和物资管理体制,分别编制物资申请、采购、加工等实施计划。
⑶了解市场材料动态,施工现场的材料储备量超过正常所需量的20%以上,避开材料供应高峰。
3、材料供应过程控制措施⑴材料、设备计划的编制与审批材料采购由项目部设备物资科负责确定供应商,进场时间需满足工程进度计划要求。
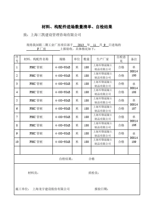
材料、构配件进场数量清单、自检结果致:上海三凯建设管理咨询有限公司现将我闵联二期工业厂房项目部于2013 年11 月9 日进场的F厂房上报验收,具体情况如下:序号材料、构配件名称规格单位数量生产厂家自检意见备注1 PHC管桩φ400-95AB米180 上海军锋混凝土制品有限公司合格单000141002 PHC管桩φ400-95AB米180 上海军锋混凝土制品有限公司合格3 PHC管桩φ400-95AB米180 上海军锋混凝土制品有限公司合格单000141084 PHC管桩φ400-95AB米180 上海军锋混凝土制品有限公司合格5 PHC管桩φ400-95AB米180 上海军锋混凝土制品有限公司合格单000141076 PHC管桩φ400-95AB米180 上海军锋混凝土制品有限公司合格7 PHC管桩φ400-95AB米180 上海军锋混凝土制品有限公司合格单000141068 PHC管桩φ400-95AB米180 上海军锋混凝土制品有限公司合格9 PHC管桩φ400-95AB米180 上海军锋混凝土制品有限公司合格单0001410910 PHC管桩φ400-95AB米180 上海军锋混凝土制品有限公司合格自检结果:合格材料员:质检员:施工单位:上海龙宇建设股份有限公司报验日期:材料、构配件进场数量清单、自检结果致:上海三凯建设管理咨询有限公司现将我闵联二期工业厂房项目部于2013 年11 月11 日进场的F厂房上报验收,具体情况如下:序号材料、构配件名称规格单位数量生产厂家自检意见备注1 PHC管桩φ400-95AB米180 上海军锋混凝土制品有限公司合格单000141032 PHC管桩φ400-95AB米180 上海军锋混凝土制品有限公司合格3 PHC管桩φ400-95AB米180 上海军锋混凝土制品有限公司合格单000141054 PHC管桩φ400-95AB米180 上海军锋混凝土制品有限公司合格5 PHC管桩φ400-95AB米180 上海军锋混凝土制品有限公司合格单000141026 PHC管桩φ400-95AB米180 上海军锋混凝土制品有限公司合格7 PHC管桩φ400-95AB米180 上海军锋混凝土制品有限公司合格单000141038 PHC管桩φ400-95AB米180 上海军锋混凝土制品有限公司合格9 PHC管桩φ400-95AB米180 上海军锋混凝土制品有限公司合格单000141610 PHC管桩φ400-95AB米180 上海军锋混凝土制品有限公司合格11 PHC管桩φ400-95AB米180 上海军锋混凝土制品有限公司合格单0001410812 PHC管桩φ400-95AB米180 上海军锋混凝土制品有限公司合格13 PHC管桩φ400-95AB米180 上海军锋混凝土制品有限公司合格单0001410714 PHC管桩φ400-95AB米180 上海军锋混凝土制品有限公司合格15 PHC管桩φ400-95AB米180 上海军锋混凝土制品有限公司合格单0001410116 PHC管桩φ400-95AB米180 上海军锋混凝土制品有限公司合格自检结果:合格材料员:质检员:施工单位:上海龙宇建设股份有限公司报验日期:。
工程材料/构配件/设备报审表工程名称:贵阳市南明区乐湾酒店编号:致:贵阳市南明区乐湾酒店 (建设单位)我方于年月日进场的工程材料/构配件/设备数量如下(见附件),现将质量证明文件及自检结果报上,拟用于如下部位:酒店消火栓、喷淋系统管网部分。
请予以审核。
附件:1.材料数量清单2. 产品质量合格证明承包单位(章):贵州双轮消防工程有限公司六盘水分公司项目经理:日期:年月日审查意见:经检查上述工程材料/构配件/设备,符合/不符合设计文件和规范的要求,准许/不准许进场,同意/不同意使用于拟定部位。
建设单位(章):项目负责人:日期:进场材料/设备拟用部位、数量清单编号:猴场会议会址文物保护工程日期年月日规格型号单位数量拟用部位- T 防潮层- m³防潮层240×120×40 块防潮层- m³防潮层- 桶防潮层- 桶防潮层- 桶木材防腐Φ110 根楼枕Φ200 根柱子墩接Φ210 根柱子墩接Φ250 根柱子墩接300mm厚块木楼板170×180×10 块瓦屋面检修工程材料/构配件/设备报审表工程名称:贵阳市南明区乐湾酒店编号:致:贵阳市南明区乐湾酒店 (建设单位)我方于年月日进场的工程材料/构配件/设备数量如下(见附件),现将质量证明文件及自检结果报上,拟用于如下部位:乐湾酒店消防报警系统部分。
请予以审核。
附件:1.材料数量清单2. 产品质量合格证明承包单位(章):贵州双轮消防工程有限公司六盘水分公司项目经理:日期:年月日审查意见:经检查上述工程材料/构配件/设备,符合/不符合设计文件和规范的要求,准许/不准许进场,同意/不同意使用于拟定部位。
建设单位(章):项目负责人:日期:进场材料/设备拟用部位、数量清单编号:工程名称贵阳市南明区乐湾酒店日期年月日材料名称规格型号单位数量拟用部位电缆管理用刚性导管Φ20 米512.3 报警系统部分聚氯乙烯绝缘电线电缆2*1.5mm²/2.0.5mm²米163 报警系统部分超五类四对双绞线4*2*0.5 米200 报警系统部分火灾声光报警器TX3304 个 6 报警系统部分感烟火灾探测器TX3101 个110 报警系统部分消火栓起泵按钮TX3152 个 4 报警系统部分手动火灾报警按钮 TX3140 个 6 报警系统部分通用底座SAN1700B 个110 报警系统部分输出模块TX3214 个 3 报警系统部分输入模块TX3200 个 2 报警系统部分拟用部位审核意见:施工单位:贵州双轮消防工程有限公司六盘水分公司建设单位(章):项目经理:项目负责人:日期:日期:。
材料、构配件、设备进场数量清单
承包单位(章):
项目经理:
日期:
关于靖边能源化工项目材料采购不符的情况说明
公司领导:
现因2012年7月9日进场的部分消防材料与需方所要求的材料规格不符。
其中有如下材料规格不符:
1、D类干粉灭火器要求MET-L-KYL13.6实际到货为D类干粉灭火器MET-L-KYL6.6
2、8-65-25型有衬里消防水带(内衬聚氨脂)实际到货8-65-25型有衬里消防水带(内衬橡胶)
3、内接卡扣必须在出厂时连接好出厂交货,现在接口处为铁丝紧固。
4、不锈钢组合式消防柜1600×700×240的材质检验报告及合格证没有,
现在交验时业主方对于采购材料提出要求,并且给与口头警告。
以后材料不符和要求必将消减我项目部在业主方和总包方的影响。
西安新竹实业有限责任公司
延长石油靖边能源化工项目部
2012年7月12日
材料、构配件、设备进场数量清单
承包单位(章):
材料员:
日期:
材料、构配件、设备进场数量清单
承包单位(章):
材料员:
日期:
材料、构配件、设备进场数量清单
承包单位(章):
材料员:
日期:
材料、构配件、设备进场数量清单
承包单位(章):
材料员:
日期:
材料、构配件、设备进场数量清单
承包单位(章):
材料员:
日期:
材料、构配件、设备进场数量清单
承包单位(章):
材料员:
日期:。
材料进场表格汇总表1. 引言材料进场表格汇总表是用于记录和管理项目中所需材料的进场情况的一种工具。
通过该表格,可以清楚地了解每种材料的进场日期、数量、质量等重要信息,有助于项目管理人员进行及时的跟踪和分析。
2. 表格结构材料进场表格汇总表通常包含以下列信息:•序号:每种材料的唯一编号,便于区分和查找。
•材料名称:每种材料的具体名称,例如水泥、砂石等。
•规格型号:每种材料的详细规格型号,例如水泥的牌号、砂石的粒径等。
•单位:每种材料的计量单位,例如吨、立方米等。
•进场日期:材料进入项目场地的具体日期。
•进场数量:材料进入项目场地的数量。
•质量情况:每种材料的质量状况,例如合格、不合格等。
3. 填写流程填写材料进场表格汇总表的流程如下:1.首先,根据项目需要确定需要统计的材料种类,并按照项目的要求设定表格的列信息。
2.每当有材料进入项目场地时,项目管理人员需要及时填写表格。
填写时需要提供以下信息:材料名称、规格型号、单位、进场日期、进场数量以及质量情况。
3.填写完成后,项目管理人员需要对表格进行整理和归档,确保数据的准确性和完整性。
4.在项目的不同阶段,项目管理人员可以根据表格中的信息进行分析和统计,以便及时调整和优化材料的采购计划和使用方案。
4. 数据分析通过对材料进场表格汇总表中的数据进行分析,可以获得以下信息:•不同材料的进场情况:根据表格中的材料名称和进场日期,可以了解不同材料的进场时间和数量情况,从而指导采购和使用计划。
•材料质量情况:通过表格中的质量情况列,可以了解每种材料的质量状况,及时发现和解决质量问题。
•材料消耗情况:根据表格中的进场数量和单位,可以计算出不同材料的消耗量,有助于掌握项目的材料使用情况和预测未来的需求量。
5. 注意事项在填写材料进场表格汇总表时,需要注意以下事项:•确保填写的信息准确无误,尤其是材料的规格型号和进场数量等重要数据。
•在填写质量情况时,应该进行客观、准确的评估,以便及时发现和解决质量问题。
材料构配件进场报验单根据工程施工进度和质量要求,现对材料构配件进场进行报验,确保施工材料的质量和进场符合相关规定。
报验内容如下:1. 项目基本信息。
项目名称,XXX工程。
项目地址,XXX地区。
建设单位,XXX公司。
施工单位,XXX公司。
监理单位,XXX公司。
2. 进场材料构配件清单。
序号材料名称规格型号生产厂家进场数量报验情况。
1 水泥 42.5号 XXX公司 1000吨□合格□不合格。
2 砂子中砂 XXX公司 500吨□合格□不合格。
3 钢筋 HRB400 XXX公司 200吨□合格□不合格。
4 钢板 Q235B XXX公司 1000平方米□合格□不合格。
5 混凝土 C30 XXX公司 500方□合格□不合格。
6 砖瓦 240115 XXX公司 10万块□合格□不合格。
3. 报验要求。
(1)材料构配件进场报验应在材料进场后及时进行,对进场材料进行检查,确保符合相关标准和规定。
(2)报验过程中,应注意对材料的数量、质量、规格型号等进行核对,确保与合同要求一致。
(3)对于不合格的材料,应及时通知供货方,并按照合同要求进行处理和整改。
4. 报验流程。
(1)施工单位在材料进场后,应将进场材料构配件清单及报验表交由质量员进行报验。
(2)质量员按照报验要求对进场材料进行检查,并在报验表上做出相应的标记。
(3)报验表经施工单位负责人签字确认后,送交监理单位进行审核。
5. 报验结果处理。
(1)监理单位对报验表进行审核,确认合格的材料可进行入库使用,不合格的材料应及时通知施工单位和供货方进行处理。
(2)不合格材料处理应按照合同约定进行,确保不合格材料不会影响施工进度和工程质量。
6. 结束语。
以上为材料构配件进场报验单内容,希望各相关单位严格按照要求执行,确保施工材料的质量和进场符合相关规定。
如有问题,请及时沟通解决,谢谢配合。
签字,日期,。
以上内容为材料构配件进场报验单,特此报验。
工程材料构配件设备进场报审表
工程名称:编号:
注本表一式份,由施工项目部填报,监理项目部存份,施工项目部存份。
填写、使用说明
(1)本表式用于工程的材料、构配件、设备的质量通用报审(下同)。
使用时,表头不做修改,填写内容中将材料/构配件/设备任选一,其他删除不写。
(2)施工项目部应在主要材料或构配件、设备进场后,将有关质量证明文件报监理项目部审查。
在附件中应详列资料的名称。
(3)主要材料或构配件、设备的范畴以设计文件中的相干使用说明为准。
(4)对材料、构配件、设备的描写应说明材料的名称、型号或规格、产地(生产厂家)、批号等唯独性标识要素。
(5)质量证明文件一样包括产品出厂合格证、检验、实验报告等。
(6)监理项目部除进行文件审查外,还应对实物质量进行验收。
(7)对于有复试要求的材料或构配件,施工项目部应在材料或构配件进场,将有关质量证明文件报监理项目部审查合格后,按有关规定,在现场经监理工程师见证,进行取样送试,并在实验合格后将实验报告报监理项目部查验。
(8)监理项目部审查或验收不合格,应要求施工项目部立刻将不合格产品清出工地现场。
(9)监理项目部意见填写要点:
1)实验结果是否合格或满足规范或设计要求。
2)实验报告版面质量是否符合归档要求。