青岛理工大学材料力学实验报告记录
- 格式:doc
- 大小:586.50 KB
- 文档页数:29
材料力学实验报告
材料力学实验是围绕力学性能和行为检验和鉴定各种材料的实验,以解释材料的性能
和可靠性的重要研究领域。
本次实验的主要目的是研究不同条件下被试材料在拉伸情况下
发挥的抗拉强度,探究材料在不同情况下断裂极限及剪切强度。
本次实验采用弹性拉伸机完成,该机械根据ISO 6892-1:2009 (E) 标准完成。
实验的试样尺寸为:长度为100mm、宽度为10mm,厚度为4mm,材料型号为45钢。
实验过程中,将实验试样放置在天平上,并以拉伸速度为5mm/min,拉伸距离为20mm。
测量当造力作用在试样上时样品拉伸负荷及变形量,并得到本次实验数据如下:
力度(N) 变形量(mm)
48.77 2.00
68.59 3.21
93.71 4.73
117.43 6.01
136.73 7.00
161.82 8.44
181.09 9.60
202.17 10.83
本次实验运用断裂强度等参数得出试样材料在拉伸时受力的强度,通过实测数据与理
论模型的比较,可以得出材料的断裂极限为202.17N,剪切强度为131.04N/mm2,断裂强度
为158.6N/mm2。
经过本次实验,可以更清楚的了解45钢的力学特性,同时积累了与试样被试有关的
力学数据,为今后该材料以及类似材料在制造时做出合理的参数设定提供了参考依据,更
好地保障产品的质量安全。
材料力学实验报告材料力学实验报告引言:材料力学是一门研究材料在外力作用下的力学性能和变形规律的学科。
通过实验研究,我们可以深入了解材料的力学性质,为工程设计和材料选择提供依据。
本报告将介绍我们在材料力学实验中的观察和结果,并对实验数据进行分析和讨论。
实验一:拉伸试验拉伸试验是材料力学实验中最常见的一种试验方法,用于研究材料在拉伸载荷下的力学性能。
我们选择了一根标准的金属试样,将其固定在拉伸试验机上,并逐渐施加拉伸力。
通过测量试样的应变和应力,我们得到了应力-应变曲线。
实验结果显示,随着拉伸力的增加,试样开始发生塑性变形。
在这个阶段,应力与应变呈线性关系,即应力随着应变的增加而线性增加。
然而,当拉伸力达到一定程度时,试样出现断裂。
通过观察断裂面的形态,我们可以判断材料的断裂模式,如韧性断裂、脆性断裂等。
进一步分析应力-应变曲线,我们可以得到一些重要的力学参数,如屈服强度、抗拉强度和延伸率。
屈服强度是材料开始发生塑性变形时的应力值,抗拉强度是试样抵抗拉伸力的最大极限,而延伸率则表示试样在断裂前的延展能力。
这些参数对于材料的工程应用和性能评估至关重要。
实验二:硬度测试硬度是材料力学中另一个重要的性能指标,它反映了材料抵抗外力的能力。
我们采用了维氏硬度计进行硬度测试,将金属球压入试样表面并测量压痕的直径。
根据硬度计的原理,我们可以计算出试样的硬度值。
硬度测试的结果显示,不同材料的硬度值存在明显差异。
硬度值高的材料通常具有较好的抗压性能,适用于承载大压力的工程应用。
而硬度值低的材料则更容易受到外力的破坏,适用于需要易变形的应用场景。
实验三:弯曲试验弯曲试验用于研究材料在弯曲载荷下的力学性能。
我们选择了一根长条状的试样,通过在试样两端施加力矩,使试样发生弯曲变形。
通过测量试样的挠度和应力分布,我们可以得到弯曲试验的结果。
实验结果表明,试样的挠度与施加的力矩呈线性关系。
在试样的底部,应力最大,而在试样的顶部,应力最小。
拉伸实验一.实验目的:1.学习了解电子万能试验机的结构原理,并进行操作练习。
2.确定低碳钢试样的屈服极限、强度极限、伸长率、面积收缩率。
3.确定铸铁试样的强度极限。
4.观察不同材料的试样在拉伸过程中表现的各种现象。
二.实验设备及工具:电子万能试验机、游标卡尺、记号笔。
三.试验原理:塑性材料和脆性材料拉伸时的力学性能。
(在实验过程及数据处理时所支撑的理论依据。
参考材料力学、工程力学课本的介绍,以及相关的书籍介绍,自己编写。
)四.实验步骤1.低碳钢实验(1)量直径、画标记:用游标卡尺量取试样的直径。
在试样上选取3各位置,每个位置互相垂直地测量2次直径,取其平均值;然后从3个位置的平均值中取最小值作为试样的直径。
用记号笔在试样中部画一个或长的标距,作为原始标距。
(2)安装试样:启动电子万能试验机,手动立柱上的“上升”或“下降”键,调整活动横梁位置,使上、下夹头之间的位置能满足试样长度,把试样放在两夹头之间,沿箭头方向旋转手柄,夹紧试样。
(3)调整试验机并对试样施加载荷:调整负荷(试验力)、峰值、变形、位移、试验时间的零点;根据计算出加载速度,其中为试样中部平行段长度,当测定下屈服强度和抗拉强度时,并将计算结果归整后输入;按下显示屏中的“开始”键,给试样施加载荷;在加载过程中,注意观察屈服载荷的变化,记录下屈服载荷的大小,当载荷达到峰值时,注意观察试样发生的颈缩现象;直到试样断裂后按下“停止”键。
(4)试样断裂后,记录下最大载荷。
从夹头上取下试样,重新对好,量取断后标距和断口处最小直径。
2.铸铁实验(1)量直径:用游标卡尺量取试样的直径。
在试样上选取3各位置,每个位置互相垂直地测量2次直径,取其平均值;然后从3个位置的平均值中取最小值作为试样的直径。
(2)安装试样:启动电子万能试验机,手动立柱上的“上升”或“下降”键,调整活动横梁位置,使上、下夹头之间的位置能满足试样长度,把试样放在两夹头之间,沿箭头方向旋转手柄,加紧试样。
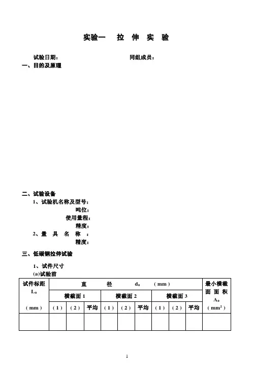
实验一拉伸实验试验日期:同组成员:一、目的及原理二、试验设备1、试验机名称及型号:吨位:使用量程:精度:2、量具名称:精度:三、低碳钢拉伸试验1、试件尺寸2、s P ,b P 测定及s σ , bσ计算3、延伸率及断面收缩率的计算=⨯-=%10001L L L δ ψ==⨯-%100010A A A4、拉伸图及应力—应变曲线四、铸铁拉伸试验2、F b测定及σb计算五、问题讨论(1)绘制低碳钢、铸铁断口示意图,并分析破坏原因。
(2)为什么在测力指针调“零”前,要先将其活动平台升起一定高度?(3)从试件的破坏断口及其拉伸图上,反应了两种材料的哪些异同?为什么将低碳钢的极限应力σjx定为σs,而将铸铁的定为σb?(4)为何在拉伸实验中必须采用标准试件或比例试件?材料和直径相同而长短不同的试件,其延伸率是否相同?为什么?实验二压缩实验试验日期:同组成员:一、目的及原理二、试验设备a) 试验机名称及型号:使用量程:精度:b)量具名称:精度:三、低碳钢压缩实验四、铸铁压缩实验五、问题讨论(1)绘制低碳钢、铸铁压缩破坏示意图,并分析破坏原因。
(2)试件偏心受压时对试验结果有何影响?(3)为什么不能求得塑性材料的强度极限?(4)铸铁拉、压破坏时断口为何不同?实验三扭转实验试验日期:同组人:一、目的及原理二、实验设备1、试验机名称及型号:( 1 ) 名称:( 2 ) 型号:2、量具名称及精度:( 1 ) 名称:( 2 ) 精度:三、低碳钢扭转实验3、测试数据处理4、作M —ϕ关系曲线T(m N -)0 ϕ四、铸铁扭转实验1、试件尺寸2、 实验结果:最大扭角 φ = (度) , 最大扭矩b T = m N - 强度极限 ==Pbb W T τ (Mpa )五、问题讨论(1)绘制两种材料断裂面示意图,并分析破坏原因。
(2)低碳钢拉伸和扭转的断裂方式是否一样?破坏原因是否相同?(3)铸铁在压缩破坏和扭转破坏实验中,断口外缘与轴线夹角是否相同?破坏原因是否一样?(4)分析并比较塑性材料和脆性材料在拉伸、压缩及扭转时的变形情况和破坏特点,并归纳这两种材料的机械性能。
河北联合大学材料力学实验报告班级:学号:姓名:拉伸实验指导教师(签字)(一)学生预习报告一、实验目的二、实验设备(规格、型号)三、实验内容四、实验操作步骤(二)学生实验报告一、实验数据记录与处理实验结果1实验结果2二、思考题1.试比较低碳钢和铸铁的机械性质。
所得数值有何实用价值?2.为什么要用标准试件?3.由自动绘图器所绘出拉伸图,最初一段为什么是曲线?压缩实验指导教师(签字)(一)学生预习报告一、实验目的二、实验设备(规格、型号)三、实验内容四、实验操作步骤(二)学生实验报告一、实验数据记录与处理实验记录数据与结果二、思考题1、由低碳钢和铸铁的拉伸和压缩实验结果,比较塑性材料和脆性材料的力学性质以及他们的破坏形成。
2、试比较铸铁在拉伸和压缩时的不同点。
3、为什么铸铁试件在压缩时沿着与轴线大致成45度的斜线截面破坏?4、低碳钢试件压缩后为什么成鼓状?矩形截面梁的弯曲正应力实验指导教师(签字)(一)学生预习报告一、实验目的二、实验设备(规格、型号)三、实验内容四、实验操作步骤(二)学生实验报告一、实验数据记录二、 实验数据处理1、各测点实验应力计算,610i i i E E σεε-∆=∆=⨯∆⨯实实 1点: 2点: 3点: 4点: 5点:2、各测点理论应力计算 载荷增量 △P= 500N 弯距增量 △M=△P·a/2=31.25 N·m 各测点理论应力计算:ii zM y I σ∆⨯∆=理。
1点: 2点: 3点: 4点: 5点:3、绘出实验应力值和理论应力值的分布图(1)实验应力分布: (2)理论应力分布:三、实验分析1、实验值与理论值的比较实验值与理论值的比较2、分析误差产生原因四、思考题1、弯曲正应力的大小是否会受到材料弹性模量E的影响?2、两个几何尺寸及受载情况完全相同,但材料不同的梁,试问在相同位置处测得的应变是否相同?应力呢?写出原因。
薄壁圆筒的弯扭组合变形指导教师(签字)(一)学生预习报告一、实验目的二、实验设备(规格、型号)三、实验内容四、实验操作步骤(二)学生实验报告一、实验记录及数据处理1.加载装置相关数据二、数据处理(写出计算过程)1、m点:主应力理论值及方向主应力实测值及方向2、m’点:主应力理论值及方向主应力实测值及方向三、数据分析四、思考题1、测量单一内力分量引起的应变,可以采用那几种桥路接线法?2、主应力测量中,45º直角应变花是否可沿任意方向粘贴?3、对测量结果进行分析讨论,误差的主要原因是什么?。
大学材料力学实验报告大学材料力学实验报告引言材料力学实验是大学材料科学与工程专业中的一门重要课程。
通过实验,我们可以深入了解材料的力学性质和行为,为材料设计和应用提供基础数据和理论依据。
本次实验旨在通过拉伸试验和硬度测试,探究不同材料的力学性能和硬度特点。
实验一:拉伸试验拉伸试验是一种常用的力学实验方法,用于评估材料的强度、延展性和塑性等性能。
在实验中,我们选择了三种常见的材料进行拉伸试验:钢材、铝材和塑料。
1. 实验步骤首先,我们准备了三个不同材料的试样,分别是圆柱形的钢材、铝材和塑料样品。
然后,将试样固定在拉伸试验机上,并施加逐渐增大的拉力,直到试样断裂为止。
在拉伸过程中,我们记录下拉力和试样的伸长量,以绘制应力-应变曲线。
2. 实验结果通过拉伸试验得到的应力-应变曲线可以反映材料的力学性能。
钢材的应力-应变曲线呈现出明显的弹性区和塑性区,具有较高的屈服强度和延展性。
铝材的应力-应变曲线也呈现出弹性和塑性的特点,但相对于钢材来说,其屈服强度和延展性较低。
而塑料的应力-应变曲线则主要表现为塑性变形,没有明显的弹性区。
实验二:硬度测试硬度是材料力学性能的重要指标之一,用于评估材料的抗压能力和耐磨性。
在实验中,我们选择了三种不同硬度的材料进行硬度测试:钢材、铝材和陶瓷。
1. 实验步骤我们使用了维氏硬度计和洛氏硬度计对试样进行硬度测试。
首先,将试样固定在硬度计上,然后施加一定的压力,观察压头对试样的印痕情况。
根据印痕的大小和形状,我们可以得出试样的硬度数值。
2. 实验结果通过硬度测试,我们发现钢材具有较高的硬度数值,表明其具有较高的抗压能力和耐磨性。
铝材的硬度数值相对较低,说明其相对较软。
而陶瓷的硬度数值最高,表明其具有极高的抗压能力和耐磨性。
结论通过本次实验,我们深入了解了材料的力学性能和硬度特点。
拉伸试验结果表明,钢材具有较高的屈服强度和延展性,铝材次之,而塑料则主要表现为塑性变形。
硬度测试结果显示,钢材具有较高的硬度数值,铝材较低,而陶瓷的硬度最高。
材料力学实验报告报告一、实验目的本实验旨在通过测量不同材料的力学性能参数,了解材料的力学性质,以及分析不同材料的力学性能差异。
二、实验原理1.弹性模量:弹性模量是评价材料抗弯刚性的一个重要指标,可以通过测量材料的拉伸和压缩位移来确定。
拉伸试验时,通过加载材料,测量应力和应变的关系,然后通过斜率求出弹性模量。
2.屈服强度:材料的屈服强度是指材料在拉伸过程中开始出现塑性变形时的抗拉强度,也是一个重要的力学性能参数,通过拉伸试验中的负荷-变形曲线求得。
3.断裂强度:材料的断裂强度是指在材料断裂前能承受的最大负荷,通过拉伸试验中的负荷-变形曲线求得。
三、实验设备与试样准备1.实验设备:拉伸试验机、压缩试验机、材料硬度测试仪等。
2.试样准备:选取不同的材料(如钢材、铝材、铜材等)制作成相同形状、尺寸的试样。
四、实验步骤1.弹性模量测定:(1)将试样固定在拉伸试验机上,设定初始载荷并开始加载。
(2)根据试验机上的位移计和负荷计,测量不同应力水平下的应变,并记录数据。
(3)通过绘制应力-应变曲线,根据直线部分的斜率求得材料的弹性模量。
2.屈服强度测定:(1)将试样固定在拉伸试验机上,设定初始载荷并开始加载。
(2)根据试验机上的压力计和位移计,测量不同载荷下的变形,并记录数据。
(3)通过绘制负荷-变形曲线,找到试样开始出现塑性变形的点,根据载荷计的读数求得材料的屈服强度。
3.断裂强度测定:(1)将试样固定在拉伸试验机上,设定初始载荷并开始加载。
(2)根据试验机上的压力计和位移计,测量试样在拉伸过程中的载荷和位移,并记录数据。
(3)通过绘制负荷-变形曲线,找到试样断裂前的最大负荷,并记录。
五、实验结果与讨论根据实验测量的数据,可以得到不同材料的力学性能参数,如弹性模量、屈服强度和断裂强度。
通过对比不同材料的实验结果,可以得出以下结论:1.钢材的弹性模量较大,机械性能优异。
2.铝材的屈服强度较低,耐腐蚀性能较好。
3.铜材的断裂强度较高,适用于承受较大载荷的工程应用。
《材料力学实验》阅读记录目录一、阅读基本信息 (2)二、实验内容与原理 (2)1. 实验一 (3)1.1 实验目的 (4)1.2 实验原理 (5)1.3 实验步骤 (6)1.4 实验数据分析与结果 (7)2. 实验二 (7)2.1 实验目的 (9)2.2 实验原理 (9)2.3 实验步骤 (10)2.4 实验结果及讨论 (11)3. 实验三 (12)3.1 实验目的 (13)3.2 实验原理及公式推导 (13)3.3 实验过程描述 (15)3.4 实验数据分析与结论 (15)三、材料种类与性能关系探讨 (17)1. 金属材料的力学性能特点分析 (18)2. 非金属材料的性能表现研究 (19)3. 复合材料力学性能的探讨 (21)四、实验技术与操作规范学习心得 (22)1. 实验仪器使用注意事项及操作技巧掌握情况 (23)2. 实验数据处理方法与技巧总结归纳学习体会及经验分享,教训和改进意见建议提出24一、阅读基本信息本实验报告主要记录了《材料力学实验》课程中的相关内容,包括实验目的、实验原理、实验仪器与设备、实验步骤与方法、数据处理与分析以及实验结果与讨论。
通过本次实验,学生将能够更好地理解和掌握材料力学的基本概念和原理,提高实践操作能力,为后续课程的学习打下基础。
二、实验内容与原理本次材料力学实验主要包括材料的拉伸、压缩、弯曲以及疲劳等力学性能的测试与分析。
实验内容旨在通过实际操作,让学生深入理解材料力学的基本理论和实际应用。
拉伸实验:通过对不同材料样品进行拉伸,测定其应力应变曲线,从而获取材料的弹性模量、屈服强度以及抗拉强度等关键力学参数。
该实验原理基于材料在拉伸过程中应力与应变的关系,反映了材料的变形及破坏行为。
压缩实验:与拉伸实验相似,压缩实验通过压缩不同材料样品,研究其在压缩过程中的应力应变关系,进而确定材料的压缩强度、弹性模量等性能指标。
该实验原理揭示了材料在承受压缩载荷时的力学响应。
扭转实验一、实验目的1.学习扭转实验机的构造原理,并进行操作练习。
2.测定低碳钢的剪切屈服极限、剪切强度极限和铸铁的剪切强度极限。
3.观察低碳钢和铸铁在扭转过程中的变形和破坏情况。
二、实验仪器扭转实验机、游标卡尺 三.实验原理 1、低碳钢扭转【抗扭屈服强度】(剪切屈服极限):W Tss 43=τ (Mpa )[ 式中: T s – 屈服阶段最小扭矩值(N · mm ); W – 抗扭截面模量(mm 3);316d W π=(mm 3); d -- 试样横截面直径(mm )。
]【抗扭强度】(剪切强度极限):W T bb 43=τ (Mpa )[ 式中: Tb – 破坏前最大扭矩值(N · mm )] 在上述两式中都存在 3/4 的系数,来源见图一。
(a )初态 (b )中间态 (c )填满态 图 一 扭转等直圆轴进入屈服状态切应力变化图当扭转等直圆轴到达初态时,T —φ试验曲线上的扭矩T 并没有进入屈服阶段,但此时截面边缘上的切应力已经达到τs ,进入实际屈服阶段,有D ·τρ= 2ρ·τs 。
此时的扭矩:3322)2(42D d D d dA T s D s D Aπτρρτπρπρρτρτρρ====⎰⎰⎰初中间变化过程是塑性变形环逐渐变大直到填满整个截面的过程。
达到填满态时的扭矩:3222)2(3Dd d dA T s D s D s As πτρρτπρπρρτρτ====⎰⎰⎰满结果:初T =43满T 。
[满T 对应T —φ试验曲线上的扭矩s T]抗扭强度式中系数也可如此推理。
图 二 低碳钢扭转试样对低碳钢等直圆轴扭转在比例变形范围内符合剪切胡克定律,截面Ⅱ相对截面Ⅰ转角:πϕ180p GI TL =( ° ) (见图二)[ 式中:φ– 截面Ⅱ相对截面Ⅰ的转角(°); T – 截面扭矩值(N · mm ); L – 试样试验段长度(mm ); G --切变模量 (Mpa ;即N / mm 2);Ip – 对截面中心的极惯性矩(mm 4); Ip =W d2=432d π (mm 4) ]【切变模量G 】:πϕ180p I TL G ⋅=(Mpa ) ;πϕϕ180)()(1212--=T T I L G p (Mpa )[(见图三)T 2、T 1 --- 扭转弹性变形阶段选定两点对应的扭矩值(N · mm )。
材料力学实验报告院系班级学号姓名实验一金属材料拉伸实验实验日期:同组成员:一.实验目的1.测定低碳钢的屈服极限,强度极限,延伸率和断面收缩率。
2.测定铸铁的强度极限。
二.实验设备1.万能材料试验机2.游标卡尺三.实验步骤1.打标点,测量直径用游标卡尺在试件标距长度内取三处,测每一处截面两个相互垂直方向的直径,取其平均值。
最后以三处平均值中最小值作为试件的直径。
2.选择试验机的量程根据试件的强度极限和截面积,估算试件的最大载荷,选择合适的量程。
3.装夹试件4.开机加载测试并观察记录5.断后试件测量6.实验整理四、实验记录及实验结果:1、试件尺寸记录2、载荷及计算结果3、绘出低碳钢和铸铁的P-ΔL图五、实验结论与分析:1、分析比较两种典型金属材料的抗拉机械性能。
2、国家标准《金属拉伸实验方法》(GB228-87)中规定拉伸试样分为短试样和长试样,对同一材质、同一直径的圆形试样,短试样和长试样的断后延伸率是否相同?若不一样哪个大?实验二铸铁材料压缩实验实验日期:同组成员:一.实验目的1.测定铸铁抗压强度极限σb。
2.观察铸铁在压缩时的变形和破坏现象。
二.实验设备1.万能材料试验机2.游标卡尺三.实验步骤1.测量试件直径用游标卡尺在试件相互垂直方向的直径各测一次,取其平均值。
2.选择试验机的量程根据试件的强度极限和截面积,估算试件的最大载荷,选择合适的量程。
3.安装试件,注意载荷对中。
4.开机加载测试并观察记录四、实验记录及实验结果:1、试件几何尺寸记录2五. 实验结论与分析:1、铸铁的破坏形式说明什么问题?2、铸铁压缩与拉伸破坏端面形状有什么不同?实验三 弹性模量E 的测定实验日期:同组成员: 一.实验目的1.测定低碳钢的弹性模量E 。
2.学习引伸仪的使用方法。
二.实验设备 1.万能材料试验机 2.引伸仪及游标卡尺 三.实验步骤1.测量试件几何尺寸。
2.按引伸仪的使用方法将其安装在试件上。
3.为消除测量系统各部分的间隙,应对试件加一定的初始载荷P 0,其大小一般取屈服载荷的10%左右。
1. 了解材料力学实验的基本原理和方法。
2. 掌握材料力学实验的基本操作技能。
3. 通过实验,验证材料力学理论,加深对材料力学基本概念和原理的理解。
4. 培养学生严谨的科学态度和实验操作能力。
二、实验内容1. 金属拉伸实验2. 金属扭转实验3. 材料切变模量G的测定三、实验原理1. 金属拉伸实验:通过拉伸试验,测定材料的弹性模量、屈服强度、极限抗拉强度等力学性能指标。
2. 金属扭转实验:通过扭转试验,测定材料的扭转刚度、剪切强度极限等力学性能指标。
3. 材料切变模量G的测定:通过扭转试验,测定材料的切变模量G,验证圆轴扭转时的虎克定律。
四、实验仪器1. 金属拉伸试验机2. 金属扭转试验机3. 电测仪4. 游标卡尺5. 扭角仪6. 电阻应变仪7. 百分表1. 金属拉伸实验(1)将试样安装在试验机上,调整试验机至适当位置。
(2)启动试验机,逐渐增加拉伸力,记录拉伸过程中的应力、应变数据。
(3)绘制应力-应变曲线,分析材料的力学性能。
2. 金属扭转实验(1)将试样安装在扭转试验机上,调整试验机至适当位置。
(2)启动试验机,逐渐增加扭矩,记录扭转过程中的扭矩、扭角数据。
(3)绘制扭矩-扭角曲线,分析材料的力学性能。
3. 材料切变模量G的测定(1)将试样安装在扭转试验机上,调整试验机至适当位置。
(2)启动试验机,逐渐增加扭矩,记录扭矩、扭角数据。
(3)利用电阻应变仪、百分表等仪器,测量试样表面的应变。
(4)根据虎克定律,计算材料的切变模量G。
六、实验数据及结果分析1. 金属拉伸实验(1)根据应力-应变曲线,确定材料的弹性模量、屈服强度、极限抗拉强度等力学性能指标。
(2)分析材料在不同应力状态下的变形特点。
2. 金属扭转实验(1)根据扭矩-扭角曲线,确定材料的扭转刚度、剪切强度极限等力学性能指标。
(2)分析材料在不同扭角状态下的变形特点。
3. 材料切变模量G的测定(1)根据扭矩、扭角、应变数据,计算材料的切变模量G。
一、实验目的1. 了解材料力学实验的基本原理和方法;2. 掌握拉伸实验、压缩实验和扭转实验的基本操作;3. 通过实验,测定材料的力学性能指标,如强度、刚度、塑性等;4. 分析实验数据,比较不同材料的力学特性。
二、实验设备1. 拉伸实验:电子万能试验机、游标卡尺、标距尺、拉伸试样;2. 压缩实验:电子万能试验机、游标卡尺、压缩试样;3. 扭转实验:扭转试验机、游标卡尺、扭转试样。
三、实验内容及步骤1. 拉伸实验(1)选取低碳钢和铸铁两种材料,分别制备拉伸试样,试样规格为d10mm×l100mm;(2)将试样安装在电子万能试验机上,调整试验机夹具,使试样与试验机轴线平行;(3)开启试验机,以10mm/min的速度进行拉伸试验,记录最大载荷Fmax、屈服载荷Fs、断后伸长率δs和断面收缩率ψ;(4)绘制拉伸曲线,分析材料的力学特性。
2. 压缩实验(1)选取铸铁材料,制备压缩试样,试样规格为d20mm×l100mm;(2)将试样安装在电子万能试验机上,调整试验机夹具,使试样与试验机轴线平行;(3)开启试验机,以1mm/min的速度进行压缩试验,记录最大载荷Fmax、屈服载荷Fs和压缩变形量ΔL;(4)绘制压缩曲线,分析材料的力学特性。
3. 扭转实验(1)选取低碳钢材料,制备扭转试样,试样规格为d10mm×l100mm;(2)将试样安装在扭转试验机上,调整试验机夹具,使试样与试验机轴线平行;(3)开启试验机,以10r/min的速度进行扭转试验,记录最大载荷Fmax、屈服载荷Fs和扭转角θ;(4)绘制扭转曲线,分析材料的力学特性。
四、实验数据及处理1. 拉伸实验数据:材料:低碳钢Fmax (N):3000Fs (N):1000δs (%):30ψ (%):20材料:铸铁Fmax (N):2000Fs (N):800δs (%):20ψ (%):152. 压缩实验数据:材料:铸铁Fmax (N):1500Fs (N):600ΔL (mm):23. 扭转实验数据:材料:低碳钢Fmax (N):1000Fs (N):400θ (°):30五、实验结果分析1. 拉伸实验结果分析:低碳钢和铸铁的拉伸曲线如图1所示。
材料力学实验报告对应课程学号学生专业班级指导教师成绩总评学年第学期目录1.低碳钢及铸铁拉伸破坏实验⋯⋯⋯⋯⋯⋯⋯⋯⋯⋯⋯⋯⋯⋯⋯(3 )2.低碳钢及铸铁压缩破坏实验⋯⋯⋯⋯⋯⋯⋯⋯⋯⋯⋯⋯⋯⋯⋯(8 )3.引伸计法测定材料的弹性模量⋯⋯⋯⋯⋯⋯⋯⋯⋯⋯⋯⋯⋯⋯( 12 )4.低碳钢及铸铁扭转破坏实验⋯⋯⋯⋯⋯⋯⋯⋯⋯⋯⋯⋯⋯⋯⋯(15)5.载荷识别实验⋯⋯⋯⋯⋯⋯⋯⋯⋯⋯⋯⋯⋯⋯⋯⋯⋯⋯⋯⋯⋯( 19)成绩总评定 :拉伸压缩测E扭转载荷识别低碳钢及铸铁拉伸破坏实验实验日期:同组成员:一、实验目的及原理二、实验设备和仪器1、试验机名称及型号:吨位:精度:2、量具名称:精度:三、实验步骤(一)、低碳钢、铸铁拉伸实验步骤:四、试样简图低碳钢试样实验前实验后试样简图铸铁试样实验前实验后试样简图五、实验数据及计算低碳钢拉伸试验(一)试件尺寸(a)试验前试件标直径d0( mm )最小横截距横截面 1横截面 2横截面 3面面积L0平平平A(1)(2)(1)(2)(1) ( 2)02 ( mm )均均均( mm )(b)试验后断后标断口直径 d 1 ( mm )距L112平均( mm )断口(颈缩处)最小横截面面积A1( mm2 )屈服极限:强度极限:断后延伸率:Fss (MPa)A0Fbb (MPa)A0( L1LO)100%L0A0 A1100%断面收缩率:A0铸铁拉伸试验(a)试验前试件标直径d0( mm )最小横截距横截面 1横截面 2横截面 3面面积L0平平平A(1)(2)(1)(2)(1) ( 2)02 ( mm )均均均( mm )(b)试验后Fb强度极限:b(MPa )(二)绘出低碳钢的“力—位移、及铸铁的“ 力-位移”曲线低碳钢铸铁六、讨论1、低碳钢和铸铁两种材料拉伸机械性能的比较2、为什么在拉伸实验中必须采用标准试件或比例试件?材料和直径相同而长短不同的试件,其延伸率是否相同?为什么?3、根据实验观察低碳钢、铸铁断口形态,分析其破坏的原因。
《材料力学》实验报告摘要本次实验主要通过测量铜杆在不同拉力下的伸长量来研究材料力学性质。
实验过程中,先使用卡尺测量铜杆长度,再使用同步预先量规测量铜杆的直径和长度。
之后,将铜杆置于拉力试验机上,分别施加不同的拉力,并记录材料伸长量。
实验结果表明,随着拉力的增加,铜杆的伸长量也在增加,但其伸长量并不完全随拉力线性增加,这表明在不同拉力下材料的力学性质发生了变化。
关键词:材料力学,拉伸实验,铜杆,伸长量Introduction材料力学是一个涵盖广泛、研究深入的学科,其研究范围包括材料的受力性质、变形机制、破坏机理等。
其中,拉伸实验是最基本的材料力学试验之一,其是通过施加拉力来观察材料在正应力和正应变作用下的力学性质。
本次实验中,我们将通过测量铜杆在不同拉力下的伸长量来探究材料力学性质的变化,从而更好地理解材料的受力机制和变形行为。
Materials and Methods本次实验所需材料主要包括铜杆、拉力试验机、卡尺、同步预先量规等。
具体实验步骤如下:1. 使用卡尺测量铜杆的长度,并记录数值。
3. 将铜杆置于拉力试验机上,施加一定的拉力,记录材料伸长量。
4. 继续增加拉力,重复第三步,每次增加的拉力应相同。
5. 重复以上步骤,直至材料破坏。
Results本次实验的数据和结果如下表所示:| 施加拉力(N) | 铜杆伸长量(mm) ||------------|------------|| 0 | 0 || 100 | 0.06 || 200 | 0.13 || 300 | 0.19 || 400 | 0.25 || 500 | 0.3 |从表中可以看出,随着拉力的增加,铜杆的伸长量不断增加。
然而,值得注意的是,铜杆的伸长量并不完全随拉力线性增加,而是存在着一定的曲线趋势,这表明在不同拉力下材料的力学性质发生了变化。
Discussion根据实验结果可知,随着施加的拉力的不断增加,铜杆的伸长量也在不断增加,这表明材料在正应力和正应变作用下呈现出类似线性弹性的行为。
材料力学实验报告LSXYNEW 材料力学实验报告实验报告专业: 专业:土木工程班级: 班级:同组成员: 同组成员:实验老师: 实验老师:实验时间: 实验时间:实验一:验一:一、实验目的拉伸实验二、实验设备三、实验数据记录及处理 1.低碳钢试件实验数据记录及处理(1)试件数据记录及处理实验前初始标距 l0(mm) 上初始直径 d0(mm) 中下初始截面面积 A0(mm2)断口处截面面积 A0(mm2)最小直径 d1(mm) 实验后断裂后标距 l1(mm)(2)相关力学指标记录及处理屈服荷载极限荷载屈服极限 P S= P b= N NσS = σb =PS = A0 Pb = A0MPa强度极限MPa延伸率δ= ψ =l1 ? l 0 × 100% = l0 A0 ? A1 × 100% = A0截面收缩率(3)荷载变形曲线图2.铸铁试件实验数据记录及处理(1)试件数据记录及处理实验前直径 d0(mm) 实验后断裂后直径 d1(mm)(2)相关力学指标记录及处理最大荷载强度极限 P b= Nσb =Pb = A0MPa(3)荷载变形曲线图实验二:实验二:一、实验目的压缩实验二、实验设备三、实验数据记录及处理1.数据记录及处理(1)试件数据记录及处理试件高度 h(mm) 截面直径 d0(mm) 截面面积 A0(mm2) (2) 相关力学指标记录及处理低碳钢试件的屈服荷载铸铁试件的最大荷载低碳钢的屈服极限 P S= P b= N N 低碳钢试件铸铁试件σS = σb =PS = A0 Pb = A0MPa铸铁的强度极限MPa(3)分别绘制低碳钢、铸铁两种材料的荷载变形曲线图2.分析低碳钢、铸铁两种材料破坏原因,并与拉伸试验作一对比。
实验三实验三:一、实验目的扭转实验扭转实验二、设备及仪器三、实验数据记录及处理实验数据记录及处理 1.实验数据记录及处理最小直径 d0/mm 抗扭截面模量 WP/mm3 剪切剪切屈服破坏屈强度扭矩扭矩服极极限限 Ts/Nm Tb/Nm τb/MPa τs/MPa 破坏的力学原因材料断口形状低碳钢铸铁2.描述两种材料的断口形式,分析破坏原因。
实验一引伸法测定材料的弹性模量E 一、实验目的:二、实验设备和仪器:三、实验记录和处理结果:四、实验原理和方法:五、实验步骤及实验结果处理:六、讨论:测E实验台说明书一、用途该实验台配上引伸仪,作为材料力学实验教学中测定材料弹性模量E实验用。
二、主要技术指标1. 试样:Q235钢,直径d =10mm,标距l=100mm。
2. 载荷增量△F=1000N①砝码四级加载,每个砝码重25N;②初载砝码一个,重16N;③采用1:40杠杆比放大。
3. 精度:一般误差小于5%。
三、操作步骤及注意事项1. 调节吊杆螺母,使杠杆尾端上翘一些,使之与满载时关于水平位置大致对称。
注意:调节前,必须使两垫刀刃对正V型槽沟底,否则垫刀将由于受力不均而被压裂。
2. 把引伸仪装夹到试样上,必须使引伸仪不打滑。
①对于容易打滑的引伸仪,要在试样被夹处用粗纱布沿圆周方向打磨一下。
②引伸仪为精密仪器,装夹时要特别小心,以免使其受损。
③采用球铰式引伸仪时,引伸仪的架体平面与实验台的架体平面需成45º左右的角度。
3. 挂上砝码托。
4. 加上初载砝码,记下引伸仪的读数。
5. 分四次加等重砝码,每加一次记一次引伸仪的读数。
注意:加砝码时要缓慢放手,以使之为静载,并注意防止失落而砸伤人、物。
6. 实验完毕,先卸下砝码,再卸下引伸仪。
7. 加载过程中,要注意检查传力机构的零件是否受到干扰,若受干扰,需卸载调整。
四、计算 试样横截面积42d A π=应力增量 AF∆=∆σ 引伸仪放大倍数K=2000 引伸仪读数 )4,3,2,1,0(=i N i引伸仪读数差 )4,3,2,1(1=-=∆-j N N N i i j 引伸仪读数差的平均值 ∑=∆=∆4141j j N N 平均试样在标距l 段各级变形增量的平均值 KN l 平均∆=∆应变增量 ll ∆=∆ε 材料的弹性模量 εσ∆∆=E实验二拉伸与压缩试验一.目的:二.设备及仪器:三.数据记录和处理:1.拉伸试验表2 试验前试样尺寸铸铁试样的测试载荷及强度极限:最大载荷P b= (),强度极限σb= ()2.压缩试验低碳钢压缩屈服应力公式σS=铸铁压缩强度极限公式σb=实验三矩形截面梁弯曲正应力电测实验一.实验目的:二.实验装置图及仪器名称:三.实验原理:四.实验步骤:五.数据记录及处理δ=100⨯-理理实σσσ%六.应力分布图:七.讨论:实验四薄壁圆管在弯曲和扭转组合作用下的主应力测定一.实验目的:二.实验装置图及仪器名称:三.实验原理:四.实验步骤:试样材料:,铝管直径为d= (),铝管壁厚为t= ()测试点到铝管自由端距离为L1= (),六.应力状态单元图(标出主应力单元)七.讨论(注:素材和资料部分来自网络,供参考。
材料力学实验报告系别班级姓名学号青岛理工大学力学实验室目录实验一、拉伸实验报告实验二、压缩实验报告实验三、材料弹性模量E和泊松比µ的测定报告实验四、扭转实验报告实验五、剪切弹性模量实验报告实验六、纯弯曲梁的正应力实验报告实验七、等强度梁实验报告实验八、薄壁圆筒在弯扭组合变形下主应力测定报告实验九、压杆稳定实验报告实验十、偏心拉伸实验报告实验十一、静定桁架结构设计与应力分析实验报告实验十二、超静定桁架结构设计与应力分析实验报告实验十三、静定刚架与压杆组合结构设计与应力分析实验报告实验十四、双悬臂梁组合结构设计与应力分析实验实验十五、岩土工程材料的多轴应力特性实验报告实验一拉伸实验报告一、实验目的与要求:二、实验仪器设备和工具:三、实验记录:1、试件尺寸实验前:实验后:2、实验数据记录:屈服极限载荷:P S= kN强度极限载荷:P b= kN四、计算屈服极限: ==0A P ss σ MPa强度极限: ==A P bb σ MPa 延伸率: =⨯-=%10000L L L δ 断面收缩率: =⨯-=%10000A AA ψ 五、绘制P -ΔL 示意图:实验二 压缩实验报告一、实验目的与要求:二、实验仪器设备和工具:三、试件测量:四、实验记录:强度极限载荷:P b = kN五、计算强度极限应力: ==A P bb σ MPa六、绘制P -ΔL 示意图:实验三 材料弹性模量E 和泊松比µ的测定实验报告一、实验目的与要求:二、实验仪器设备和工具:三、实验数据记录应变测量数据记录表四、实验结果处理1、弹性模量计算 10PE A ε∆==∆⨯2、泊松比计算 21εμε∆==∆实验四 扭转实验报告一、实验目的与要求:二、实验仪器设备和工具:三、试件尺寸:1、低碳钢:d=10mm2、铸铁: d=10mm四、实验记录:1、低碳钢: 屈服载荷:M s = N ·m强度载荷:M b = N ·m2、铸铁: 强度载荷:M b = N ·m五、计算:1、低碳钢: 316t d W π== mm 3屈服应力: 34ss tM W τ== MPa 极限应力: 34bb tM W τ== MPa 2、铸铁: 316t d W π== mm 3极限应力: bb tM W τ== MPa实验五 剪切弹性模量实验报告一、实验目的与要求:二、实验仪器设备和工具:三、试件尺寸:直径d=10mm L=150mm b=100mm ΔT=5×200 N ·mm四、实验记录:五、计算 ==324d I P π mm 4=∆=100Nδ mm ==∆bδϕ rad=∆∆=ϕP I TLG Gpa实验六纯弯曲梁的正应力实验报告一、实验目的与要求:二、实验仪器设备与工具:三、实验装置简图及应变片布置图:四、实验相关参数:五、应变测量数据记录及计算:六、实验值与理论值的比较:七、误差分析:实验七等强度梁实验一、实验目的与要求:二、实验仪器设备与工具:三、试件参数:四、实验记录:五、实验结果处理:1、理论计算: 26x pxb h σ=2、实验值计算 610i i E σε-=⨯∆⨯3、理论值与实验值比较 100σσδσ=⨯理测理-%六、误差分析:实验八薄壁圆筒在弯扭组合变形下主应力测定报告一、实验目的与要求:二、实验仪器设备和工具:三、试件参数:四、实验记录:五、实验结果处理1、主应力及方向m 点实测值主应力及方向计算:0045451,3()2(1)E εεσμ-+=±-=454500454522tg εεαεεε---==--0α=m 点理论值主应力及方向计算:圆筒抗弯截面模量:34(1)32Z D W πα=-= mm3圆筒抗扭截面模量:34(1)16t D W πα=-= mm 31,32σσ=022tg τασ-==0α=2、实验值与理论值比较3、误差分析实验九 压杆稳定实验报告一、实验目的与要求:二、实验仪器设备与工具:四、实验数据记录:五、实验结果处理:1、绘出P -1e 和P -2e 曲线,以确定实测临界力cr P 实1e 2e2、理论临界力cr P 理计算试件最小惯性矩 3min 12bh I ==理论临界力 min 2cr EIP L 理==3、实验值与理论值比较六、误差分析实验十 偏心拉伸实验报告一、实验目的与要求:二、实验仪器设备与工具:五、实验结果处理1、求弹性模量E 12()2P εεε+== 0ppE A ε∆== 2、求偏心距e12()2m εεε-==26m Ehb e p ε==∆3、应力计算理论值 206p MA bhσ=±= 实验值 max ()p m E σεε=+=min ()p m E σεε=-=六、误差分析:实验十一静定桁架结构设计与应力分析实验报告一、实验目的与要求:二、实验仪器设备与工具:三、实验搭接的结构图:五、误差分析与认识:实验十二超静定桁架结构设计与应力分析实验报告一、实验目的与要求:二、实验仪器设备与工具:三、实验搭接的结构图:五、误差分析与认识:实验十三静定刚架与压杆组合结构设计与应力分析实验报告一、实验目的与要求:二、实验仪器设备与工具:三、实验搭接的结构图:五、误差分析与认识:实验十四双悬臂梁组合结构设计与应力分析实验一、实验目的与要求:二、实验仪器设备与工具:三、实验搭接的结构图:五、误差分析与认识:实验十五岩土工程材料的多轴应力特性实验报告一、实验目的与要求:二、实验仪器设备与工具:三、实验结果记录四、实验结果处理1、求弹性模量E弹性段的应力与应变的比值。
青岛理工大学材料力学实验报告记录————————————————————————————————作者:————————————————————————————————日期:材料力学实验报告系别班级姓名学号青岛理工大学力学实验室目录实验一、拉伸实验报告实验二、压缩实验报告实验三、材料弹性模量E和泊松比µ的测定报告实验四、扭转实验报告实验五、剪切弹性模量实验报告实验六、纯弯曲梁的正应力实验报告实验七、等强度梁实验报告实验八、薄壁圆筒在弯扭组合变形下主应力测定报告实验九、压杆稳定实验报告实验十、偏心拉伸实验报告实验十一、静定桁架结构设计与应力分析实验报告实验十二、超静定桁架结构设计与应力分析实验报告实验十三、静定刚架与压杆组合结构设计与应力分析实验报告实验十四、双悬臂梁组合结构设计与应力分析实验实验十五、岩土工程材料的多轴应力特性实验报告实验一 拉伸实验报告一、实验目的与要求:二、实验仪器设备和工具:三、实验记录:1、试件尺寸 实验前:实验后:2、实验数据记录:屈服极限载荷:P S = kN强度极限载荷:P b = kN材 料标 距 L 0 (mm) 直径(mm )截面面积 A 0 (mm 2) 截面(1)截面(2)截面(3)(1) (2) 平均 (1) (2) 平均 (1) (2) 平均材 料 标 距 L (mm) 断裂处直径(mm )断裂处 截面面积 A(mm 2)(1) (2) 平均四、计算屈服极限: ==0A P ss σ MPa强度极限: ==A P bb σ MPa 延伸率: =⨯-=%10000L L L δ 断面收缩率: =⨯-=%10000A AA ψ 五、绘制P -ΔL 示意图:实验二 压缩实验报告一、实验目的与要求:二、实验仪器设备和工具:三、试件测量:四、实验记录:强度极限载荷:P b = kN五、计算强度极限应力: ==A P bb σ MPa六、绘制P -ΔL 示意图:材 料直 径(mm )截面面积 A 0(mm 2)实验三 材料弹性模量E 和泊松比µ的测定实验报告一、实验目的与要求:二、实验仪器设备和工具:三、实验数据记录试件基本尺寸厚度h (mm )宽度b (mm )5.030.0应变测量数据记录表载荷 (N )P载荷增量 (N ) △P各测点电阻应变仪读数(µε)轴向应变横向应变通道号( )通道号( )通道号( )通道号( )ε1(测点1) ε1′(测点2) ε2(测点3)ε2′(测点4)读 数增 量 读 数 增 量 读 数 增 量 读 数 增 量 5001000 500 1500 500 2000 500 2500 500 3000500平均应变(µε)i ε∆四、实验结果处理1、弹性模量计算 10PE A ε∆==∆⨯2、泊松比计算 21εμε∆==∆实验四 扭转实验报告一、实验目的与要求:二、实验仪器设备和工具:三、试件尺寸:1、低碳钢:d=10mm2、铸铁: d=10mm四、实验记录:1、低碳钢: 屈服载荷:M s = N ·m强度载荷:M b = N ·m2、铸铁: 强度载荷:M b = N ·m五、计算:1、低碳钢: 316t d W π== mm 3屈服应力: 34ss tM W τ== MPa 极限应力: 34bb tM W τ== MPa 2、铸铁: 316t d W π== mm 3极限应力: bb tM W τ== MPa实验五 剪切弹性模量实验报告一、实验目的与要求:二、实验仪器设备和工具:三、试件尺寸:直径d=10mm L=150mm b=100mm ΔT=5×200 N ·mm四、实验记录:载荷(N )百分表指示格数格数增量0 5 10 15 20 25增量平均值 ΔN= 格五、计算 ==324d I P π mm 4=∆=100Nδ mm ==∆bδϕ rad=∆∆=ϕP I TLG Gpa实验六纯弯曲梁的正应力实验报告一、实验目的与要求:二、实验仪器设备与工具:三、实验装置简图及应变片布置图:四、实验相关参数:各测点应变片至中性层距离(mm)梁的尺寸和有关参数Y1(测点1)-20 宽度 b=20mm 高度h=40mm跨度 L=600mm 载荷距离 a=125mm弹性模量 E=210GPa惯性矩Iz=bh3/121µε=10-6ε1MPa=1N/mm21GPa=103MPaY2(测点2)-10Y3(测点3)0Y4(测点4)10Y5(测点5)20五、 应变测量数据记录及计算:载荷 (N )载荷 增量 (N ) 各测点电阻应变仪读数(µε) 通道号( ) 通道号( ) 通道号( ) 通道号( ) 通道号( ) ε1(测点1) ε2(测点2) ε3(测点3) ε4(测点4) ε5(测点5) 读 数增 量 读 数 增 量 读 数 增 量 读 数 增 量 读 数 增 量 500 1000 500 1500 500 2000 500 2500 500 3000500平均应变(µε)i ε∆测点应力(MPa )610i i E σε-=⨯∆⨯六、实验值与理论值的比较:测 点 理论值σi (MPa ) 实测值σi (MPa )相对误差12 3 4 5七、 误差分析:实验七 等强度梁实验一、实验目的与要求:二、实验仪器设备与工具:三、试件参数:梁的尺寸和有关参数载荷作用点到测试点距离 x 1 = mm x 2 = mm 距载荷点x 处梁的宽度 b 1 = mmb 2 = mm梁的厚度 h= mm 弹性模量 E=210GPa四、实验记录:载荷 (N )载荷 增量 (N ) 各测点电阻应变仪读数(µε) 通道号( )通道号( )通道号( )通道号( )ε1(测点1) ε2(测点2)ε3(测点3)ε4(测点4)读 数增 量 读 数 增 量 读 数 增 量 读 数 增 量平均应变(µε)i ε∆测点应力(MPa )610i i E σε-=⨯∆⨯测五、实验结果处理:1、理论计算: 26x pxb h σ=2、实验值计算 610i i E σε-=⨯∆⨯ 3、理论值与实验值比较 100σσδσ=⨯理测理-%测 点 理论值σi (MPa ) 实测值σi (MPa )相对误差12 3 4六、误差分析:实验八 薄壁圆筒在弯扭组合变形下主应力测定报告一、实验目的与要求:二、实验仪器设备和工具:三、试件参数:四、实验记录:载荷 (N )载荷 增量 (N )各测点电阻应变仪读数(µε)通道号( )通道号( )通道号( )045ε(测点1)00ε(测点2)45ε-(测点3)读 数增 量 读 数 增 量 读 数 增 量平均应变(µε)i ε∆测点应力(MPa )610i i E σε-=⨯∆⨯测圆筒的尺寸和有关参数计算长度 L=240mm弹性模量 E=210GPa 外 径 D=40mm泊 松 比 μ=0.30 内 径 d=35mm扇臂长度 a=250mm五、实验结果处理1、主应力及方向m 点实测值主应力及方向计算:()0000002245451,3450450()2()()2(1)21E Eεεσεεεεμμ--+=±-+--+=454500454522tg εεαεεε---==--0α=m 点理论值主应力及方向计算:圆筒抗弯截面模量:34(1)32Z D W πα=-= mm 3圆筒抗扭截面模量:34(1)16t D W πα=-= mm 3221,3()22σσστ=±+=022tg τασ-==0α=2、实验值与理论值比较m 点主应力及方向比较内容实验值 理论值 相对误差/% 1/MPa σ3/MPa σ 0α/(°)3、误差分析实验九 压杆稳定实验报告一、实验目的与要求:二、实验仪器设备与工具:三、试件参数:试件参数及有关资料 厚度h (mm ) 宽度b (mm )长度L (mm ) 2 20318最小惯性矩 I min =bh 3/12弹性模量E=210GPa四、实验数据记录:载荷P/N应变仪读数(µε)1e2e五、实验结果处理:1、绘出P -1e 和P -2e 曲线,以确定实测临界力cr P 实 P1e2e2、理论临界力cr P 理计算试件最小惯性矩 3min 12bh I ==理论临界力 min 2cr EIP L理==3、实验值与理论值比较实验值cr P 实 理论值cr P 理 误差百分率 (%)|cr P 理-cr P 实|/ cr P 理六、误差分析实验十 偏心拉伸实验报告一、实验目的与要求:二、实验仪器设备与工具:三、试件参数:试件 厚度h (mm )宽度b (mm )530弹性模量 E=210GPa 偏心距 e=10mm四、实验结果记录:载荷 (N )载荷 增量 (N )各测点电阻应变仪读数(µε)通道号( )通道号( )1ε(测点1)2ε(测点2)读 数增 量 读 数增 量 10002000 1000 3000 1000 4000 1000 50001000平均应变(µε)i ε∆五、实验结果处理1、求弹性模量E 12()2P εεε+== 0ppE A ε∆== 2、求偏心距e12()2m εεε-==26m Ehb e pε==∆3、应力计算理论值 206p M A bh σ=±= 实验值 max ()p m E σεε=+=min ()p m E σεε=-=六、误差分析:实验十一静定桁架结构设计与应力分析实验报告一、实验目的与要求:二、实验仪器设备与工具:三、实验搭接的结构图:四、实验结果杆件编号应变片编号应变值计算应力值理论应力值误差五、误差分析与认识:实验十二超静定桁架结构设计与应力分析实验报告一、实验目的与要求:二、实验仪器设备与工具:三、实验搭接的结构图:四、实验结果记录及处理:杆件编号应变片编号应变值计算应力值理论应力值误差五、误差分析与认识:实验十三静定刚架与压杆组合结构设计与应力分析实验报告一、实验目的与要求:二、实验仪器设备与工具:三、实验搭接的结构图:四、实验结果记录及处理杆件编号应变片编号应变值计算应力值理论应力值误差五、误差分析与认识:实验十四双悬臂梁组合结构设计与应力分析实验一、实验目的与要求:二、实验仪器设备与工具:三、实验搭接的结构图:四、实验结果记录及处理杆件编号应变片编号应变值计算应力值理论应力值误差五、误差分析与认识:实验十五岩土工程材料的多轴应力特性实验报告一、实验目的与要求:二、实验仪器设备与工具:三、实验结果记录试件相关数据试件高度h(mm)直径d(mm)横截面面积A0=bh(mm2)截面Ⅰ截面Ⅱ截面Ⅲ平均四、实验结果处理1、求弹性模量E弹性段的应力与应变的比值。