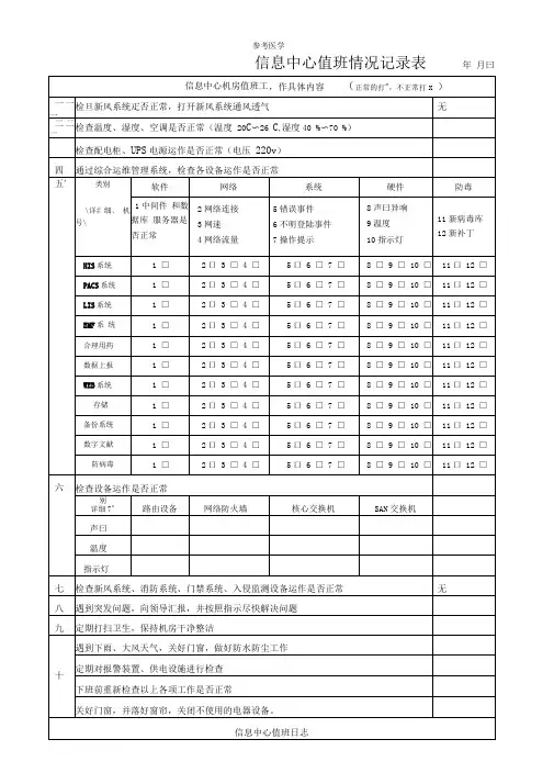
日常运维记录表
- 格式:doc
- 大小:48.00 KB
- 文档页数:2
运维中心值班记录表背景运维中心作为公司内部重要的部门之一,负责监控和维护公司的信息技术系统。
为了确保信息技术系统的稳定运行,值班工作尤为重要。
为了更好地管理和跟踪运维中心的值班工作,我们需要建立一份运维中心值班记录表。
目的运维中心值班记录表的主要目的是记录每一次值班的详细信息,包括值班人员、值班时间、工作内容以及解决的问题等。
通过记录和整理这些信息,我们可以更好地了解运维中心的运作情况,发现问题和提高工作效率。
同时,值班记录表也可以作为后续工作评估和经验总结的依据。
内容运维中心值班记录表的内容包括但不限于以下几个方面:1.值班人员信息:记录每一次值班的具体人员信息,包括姓名、职位以及联系方式等。
确保值班人员的准确性和及时性。
2.值班时间:记录每一次值班的具体时间段,包括开始时间和结束时间。
确保值班工作的正常进行和轮换。
3.工作内容:记录每一次值班期间的工作内容,包括任务分配、故障处理、系统监控等。
确保工作内容的详细准确记录,为后续工作评估提供依据。
4.解决的问题:记录每一次值班期间遇到的问题以及解决方案。
确保问题的合理解决并总结经验,为类似问题的处理提供参考。
5.备注:记录一些特殊情况或其他需要补充说明的信息。
例如,突发事件、系统升级等。
使用和管理运维中心值班记录表应由值班主管负责管理和维护。
每一次值班结束后,值班人员应及时填写相关信息,并由值班主管进行审核和整理。
记录表可以使用电子表格或类似工具进行创建和保存,以方便查询和分析。
同时,为了确保记录表的准确性和完整性,值班人员应根据实际工作情况严格执行填写要求,并在发现错误或遗漏时及时进行修改和补充。
总结运维中心值班记录表对于管理和跟踪运维中心的工作非常重要。
通过记录每一次值班的详细信息,我们可以更好地了解运维中心的运作情况,并发现问题和提高工作效率。
运维中心值班记录表的建立和使用可以帮助我们提高运维工作的质量和效果。
以上是关于运维中心值班记录表的简要介绍,请根据实际情况进行具体设计和实施。
污水处理站每日运行记录表污水处理站每日运行记录表一、基本信息日期:处理站名称:运维人员姓名:联系方式:二、进水情况1、进水总量:2、进水水质分析(包括COD、BOD、SS等指标):3、进水异常情况记录:三、处理过程情况1、初沉池a:出水流量:b:污泥排出情况:c:污泥量测量:d:异常情况记录:2、厌氧池a:进水流量:b:厌氧池COD、BOD、SS去除率情况记录: c:异常情况记录:3、好氧池a:进水流量:b:好氧池COD、BOD、SS去除率情况记录: c:溶氧情况测量:d:异常情况记录:4、二沉池a:出水流量:b:污泥排出情况:c:污泥量测量:d:异常情况记录:5、出水情况a:出水总量:b:出水水质分析(包括COD、BOD、SS等指标): c:出水异常情况记录:四、设备运行情况1、污水泵a:运行时长:b:异常情况记录:2、曝气设备a:运行时长:b:异常情况记录:3、搅拌设备a:运行时长:b:异常情况记录:4、其他设备(列出具体设备)a:运行时长:b:异常情况记录:五、维护和保养情况1、设备维护记录(包括润滑、清洁、检修等)2、保养情况记录六、安全与环境1、安全事项记录2、环境保护措施记录七、其他1、物料使用情况2、人员调整记录3、其他事项记录附件:1、进水水质分析报告2、出水水质分析报告3、异常情况图片记录法律名词及注释:1、COD:化学需氧量,指水中可被氧化剂氧气氧化的有机物质的总量。
2、BOD:生化需氧量,指在一定条件下,微生物以有机物为食物进行生理性氧化需耗氧量。
3、SS:悬浮物,指在水中的悬浮、漂浮、沉降速度较慢的固体物质。
运维服务器巡检记录表修正版运维服务器巡检记录表修正版1.服务器信息1.1 服务器名称:________________1.2 服务器IP地质:________________1.3 服务器型号:________________1.4 操作系统:________________1.5 服务器厂商:________________1.6 服务器管理员:________________2.巡检时间2.1 巡检日期:________________2.2 巡检周期:每周/每月/其他3.硬件巡检3.1 CPU状态:________________3.2 内存状态:________________3.3 硬盘状态:________________3.4 网卡状态:________________3.5 电源状态:________________3.6 其他硬件设备状态:________________4.操作系统巡检4.1 操作系统版本及更新情况:________________ 4.2 安全补丁情况:________________4.3 日志文件检查:________________4.4 系统服务运行状态:________________4.5 防火墙状态:________________4.6 磁盘空间占用情况:________________4.7 进程监控:________________5.网络巡检5.1 网络连接状态:________________5.2 域名解析情况:________________5.3 网络带宽使用情况:________________5.4 网络安全检查:________________6.数据库巡检6.1 数据库版本及更新情况:________________ 6.2 数据库备份情况:________________6.3 数据库性能监控:________________6.4 数据完整性检查:________________6.5 数据库空间占用情况:________________7.应用程序巡检7.1 应用程序版本及更新情况:________________ 7.2 应用程序运行状态:________________7.3 日志文件检查:________________7.4 接口调用情况:________________7.5 数据传输测试:________________8.安全巡检8.1 密码策略检查:________________8.2 系统权限检查:________________8.3 安全隐患检查:________________8.4 防软件更新情况:________________8.5 安全审计日志检查:________________附件:1.服务器配置信息2.巡检报告截图3.其他附件(如重要日志文件等)法律名词及注释:1.合同:法律上的协议,协议双方的权益和责任都要在其中明确规定。