储罐内壁防腐施工方案
- 格式:docx
- 大小:631.60 KB
- 文档页数:13
储罐防腐施工方案储罐防腐施工方案一、工程概况本工程是对某企业储罐进行防腐施工。
储罐主体为钢制结构,高度约20米,直径约10米,总面积约314平方米。
由于储罐长期暴露在恶劣环境下,表面已经出现严重腐蚀现象,需要进行防腐处理。
二、编制依据本方案编制依据国家相关标准及行业规范,包括《钢结构防腐技术规程》、《钢结构表面处理和防腐涂装工程施工及验收规范》等。
三、施工部署本工程施工部署分为三个阶段:准备阶段、施工阶段和验收阶段。
准备阶段包括材料采购、设备调配和人员培训等;施工阶段包括表面处理、涂装和维护等;验收阶段包括初验、复验和终验。
四、施工准备施工前需进行现场勘察和测量,制定详细的施工方案,并对施工材料进行质量检查。
同时,需要准备好必要的施工设备和人员,并进行安全培训和技术培训。
五、施工技术方案5.1作业流程图施工作业流程图如下所示:1.表面处理:包括表面清洗、除锈和去油等工序;2.底漆涂装:采用底漆进行涂装,以提高涂层附着力;3.中间涂装:采用中间涂料进行涂装,以增加涂层厚度;4.面漆涂装:采用面漆进行涂装,以提高涂层的美观度和耐候性;5.维护:对已完成的涂层进行维护,以确保涂层质量。
5.2脚手架搭设方案脚手架搭设方案如下所示:1.确定脚手架搭设位置和高度;2.搭设基础:采用钢管和钢板进行基础搭设;3.搭设主体:采用钢管和钢板进行主体搭设;4.安装安全设施:包括安装安全网、安全带等设施;5.验收:对脚手架进行验收,确保安全可靠。
以上是本工程的储罐防腐施工方案,希望能够得到您的认可和支持。
5.3 表面处理在进行涂装前,必须对储罐表面进行处理,以确保涂层能够牢固地附着在表面上,不会因为表面粗糙或污染物而脱落。
表面处理的方法包括机械处理和化学处理两种。
机械处理包括喷砂、打磨等方法,可以去除表面的氧化物、锈蚀物和老涂层等。
化学处理则包括使用酸洗剂或碱洗剂等化学药剂来清洗表面,以去除表面的污染物和氧化物。
5.4 储罐防腐涂漆施工在进行储罐涂装时,需要按照涂装工艺要求进行施工,以保证涂层的质量和使用寿命。
储罐内壁防腐施工方案一、此措施通过对本工程项目的施工方法、技术、程序及其质量保证要求、安全进行策划,使工程质量、安全、进度达到合同及标准要求。
二、材料要求1、材料进场后,必须检查其规格、质量是否符合要求。
2、材料(包括辅助材料)必须具备有效的检验证书和产品合格证。
3、材料必须在有效期内,密封完好并标识清楚、正确。
4、材料必须储存于阴凉干燥的库房内,并标明材料名称、性能等有关参数和防火、防毒注意事项。
5、玻璃布应选用无碱、无蜡、无捻的粗纱方格布,厚度为0.2-0.4mm,一般以0.22mm为宜。
玻璃布应保存在阴凉干燥处,保持干净,防止受潮、污染。
6、配料的容器及工具应耐腐蚀,清洁、干燥、无油污。
7、每次材料进场必须出施工员、技员、监理部门检验上述1-6条合格批准后方可施工。
三、具体施工方案:1、基层处理:罐子内壁用钢管搭设脚手架进行表面除锈,清理灰尘油污。
2、施工环境:环境温度一般以15-30?为宦,本对温度不大于80,。
3、施工方法以:(环氧玻窄钢采用连续滚涂、刷涂粘接法)。
(1)嵌刮腻子,基层表面或表面或层间凹凸陷不平整处,须用刮刀嵌刮腻子,予以填平,24h后再贴玻璃布。
腻子不宜太厚,否则热处理时易出现龟裂。
(2)粘贴玻璃布。
玻璃布的粘接宽度一般不于50mm,各层搭接缝应错开。
铺贴时玻璃布不要拉得太紧,达到基本直度即可。
(3)粘贴方法有间断法和连续法两种,应根据施工条件和要求选用。
本工程施工面积大,便于流水作业,防污染的条件较好,采用连续法。
(4)连续法:用毛刷或滚筒醮上环氧树酯胶料纵横各刷遍后,随即贴接第一层玻璃布,并用刮板或毛刷将玻璃布贴紧压实,或用滚筒反复滚压使其充分渗透粘贴,直到达到设计要求的厚度。
玻璃布一般采用鱼鳞式搭接法,即铺连层时,上层每幅布应压住下层各幅布的半幅第三、四、五层时,每幅布应分别压往。
五、玻璃钢施工中常见的缺陷及防治方法缺陷1:胶液渗透不良,层间发白,表面可看到白片,白点等胶液末渗透现象,用锤轻击可听出黏结不牢,分层的声音。
储罐内壁防腐施工方案编制人:审核人:日期:2008年8月18日目录一、工程概述 (2)二、方案编制及施工依据 (2)三、施工部署及准备 (2)四、施工方案 (4)1、通风 (4)2、储罐清理 (4)3、脚手架搭拆的技术措施 (4)4、机械除锈 (5)5、涂刷弹性聚氨酯涂料 (6)6、涂刷方法 (6)7、质量检验 (8)五、质量保证措施 (8)六、安全保证措施 (10)七、文明及环境保护措施 (11)一、工程概述很多储罐.无论储罐的大小,其设计使用寿命一般都为20年.但由于其贮存的油品或其他东西往往含有有机酸,无机盐、硫化物及微生物等杂质,会对钢铁造成腐蚀,这种腐蚀穿孔现象不仅使油品泄露,造成能源浪费以及污染、火灾、爆炸等危险的发生,更影响其使用寿命。
储罐的腐蚀机理(1)化学腐蚀,主要发生在干燥环境下的罐体外壁,一般腐蚀较轻.(2)浓差腐蚀,主要发生在内壁液面以下,是由于氧的浓差引起的.(3)原电池腐蚀,(即电化学腐蚀).电化学腐蚀是油罐内部最主要、最严重、危险最大的一种腐蚀,主要发生在罐底、罐壁和罐顶.电化学腐蚀的阴极区和阳极去是由于材料的热应力,机械应力,不同金属的相互接触以及金属材料本身的不均匀性(如成分,组织,表面状态和腐蚀产物沉积)等原因造成电极电位差别而形成的。
我们针对贵公司的储罐的耐腐蚀情况及防腐要求结合我公司的防腐经验特制定如下施工方案。
二、方案编制及施工依据1、GB8923-88 《涂装前钢材表面锈蚀等级和除锈等级》2、YSY441-89 《防腐蚀工程施工操作规程》3、HGJ229-91 《工业设备、管道防腐蚀工程施工及验收规范》4、SH3022-1999 《石油化工设备和管道涂料防腐蚀技术规范》5、GB-50300-2001《建设工程质量验收统一标准》6、GBJ46—88 《施工现场临时用电安全技术规范》7、GB/T28001-200 《职业健康安全体系》三、施工部署及准备1、施工部署根据本工程特点及以往经验,将整个工程分为三个阶段:施工准备、施工生产、整理验收。
储罐防腐施工方案储罐是一种用于储存液体或气体的设备,常见于化工、石油等行业。
由于储罐长期暴露在恶劣的环境下,容易受到腐蚀,因此储罐防腐施工方案至关重要。
下面是一个700字的储罐防腐施工方案示例。
一、工程介绍本次防腐施工方案的对象是某化工厂的储罐,容量为5000m³,由碳钢材质制成。
储罐表面存在轻微的锈蚀和裂缝,需要进行防腐处理。
二、施工准备1. 设备准备:准备喷涂设备,包括喷枪、压缩空气机等,确保设备工作正常。
2. 资材准备:采购防腐涂料、刷子、滚筒、砂纸等,确保质量符合要求。
3. 现场准备:清理储罐表面,将杂物和锈层彻底清除,确保表面干燥、平整。
三、施工方案根据储罐的特点和要求制定以下施工方案:1. 预处理:清洗储罐表面,去除锈蚀、油污和污垢,用砂纸将锈蚀处打磨光滑,确保表面洁净。
2. 防腐底漆:选用适合碳钢材质的底漆,在预处理后的储罐表面均匀地涂刷一遍,用刷子和滚筒配合使用,确保底漆覆盖均匀。
3. 中涂防腐层:在底漆干燥后,将中涂防腐涂料根据厂家要求稀释后,使用喷枪均匀涂刷在储罐表面,确保涂层厚度达到要求。
4. 面漆:待中涂防腐层干燥后,使用适合碳钢材质的面漆涂料涂刷在储罐表面,确保涂层平滑、光亮。
5. 检查和整理:施工完成后,仔细检查涂层的质量和缺陷,对有问题的涂层进行修补,最后清理施工现场,保持整洁。
四、施工注意事项1. 施工环境:施工时,避免在潮湿、多尘、高温或低温的环境下进行,以免影响涂层的质量。
2. 涂料质量:使用质量合格的防腐涂料,根据厂家提供的说明书操作,确保防腐涂层达到预期效果。
3. 涂层厚度:根据厂家要求,确保涂层的厚度符合规范,防止涂层脱落或龟裂。
4. 施工人员:施工人员应具备相关专业知识和经验,操作时应注意安全,佩戴好个人防护设备。
5. 环保措施:施工过程中要严格遵守环保规定,防止废弃液体和废弃物的污染。
通过以上方案,可以达到对储罐进行防腐的目的,延长其使用寿命,减少维护成本。
储罐防腐施工方案二、编制依据三、施工部署四、施工准备五、施工技术方案5.1作业流程图5.2脚手架搭设方案5.3表面处理5.4储罐防腐涂漆施工5.5补漆施工5.6涂刷质量检验5.7喷锌施工5.8 CTPU防腐施工六、质量保证技术措施七、施工HSE管理措施八、文明施工措施在施工过程中,应注重文明施工,遵守相关的环保法律法规,减少施工对环境的影响。
同时,应加强对施工现场的卫生管理,确保施工现场的整洁和卫生。
设备实物工作量包括SM贮罐、AN贮罐、新鲜溶剂贮罐、精制DMF罐和粗DMF罐。
这些设备的材质均为Q-235B和Q245R,单位数量为台。
施工组织设计需要注意表面处理,采用喷砂或抛丸处理标准Sa2.5级或动力工具和手工除锈St3级(粗糙度Rz=40-80μm)。
喷砂检验合格表面在涂第一道底漆前应用酒精或丙酮清洗CDT -32-1806-R1。
涂装位置涂层类别选用涂料,最小道数为1道,钢板拼焊边缘涂可焊性厚浆型环氧煤底漆75/道2无机硅酸锌沥青底漆。
底漆厚度为75μm,底板下表面涂厚浆型环氧煤面漆75/道2沥青面漆。
按照《涂漆规定》的要求,底漆环氧富锌底漆75/道1厚度为80μm,中间漆为环氧云铁(聚酰胺)中间漆,厚度为50/道2,面漆为聚氨酯面漆,厚度为50/道1。
储罐内壁平均厚度应不小于200μm,局部喷锌Zn-1锌丝50/道4,附件与储品部最小厚度接触表面应不小于160。
喷砂除锈→涂底漆→涂中间漆→涂面漆→检查验收2.立式储罐底板边缘上表面防腐施工:打磨→涂底漆→涂中间漆→涂面漆→检查验收3.涂装前钢材表面处理:根据GB/T8923-2008标准进行除锈处理,达到规定的锈蚀等级和除锈等级要求。
4.涂装材料:根据SH3022-99标准,选用适合石油化工设备和管道的涂料,保证防腐蚀效果。
5.石油化工设备管道钢结构表面色和标志:根据SH3043-2003标准,对涂装后的钢结构进行标志和涂色,以便于后续的维护和管理。
储罐防腐施工方案(1)
摘要
储罐作为一种储存化学品、石油、水等物质的设备,在长期使用的过程中,容易受到腐蚀的影响。
因此,对储罐进行防腐施工是非常重要的。
本文将介绍储罐防腐施工方案的相关内容,包括选择防腐材料、施工过程、注意事项等。
一、防腐材料的选择
在进行储罐防腐施工时,首先需要选择合适的防腐材料。
一般来说,常用的防腐材料有涂料、涂层、树脂等。
在选择防腐材料时,需要考虑储罐所存储物质的性质、储罐的使用环境、预算等因素,以确保防腐效果和施工质量。
二、施工过程
防腐施工的过程分为准备工作、表面处理、涂装和检查四个步骤。
首先进行准备工作,包括清洁储罐表面、修补表面缺陷等。
接着进行表面处理,一般包括除锈、除漆等工作。
然后进行涂装,根据选择的防腐材料进行涂装施工。
最后进行检查,确保施工工艺符合相关标准要求。
三、注意事项
在进行储罐防腐施工时,需要注意以下几个方面: 1. 环境因素:施工时需考
虑环境温度、湿度等因素,选择合适的施工条件。
2. 施工质量:施工过程中需要
严格按照防腐材料的使用说明和施工规范进行操作,确保施工质量达标。
3. 安全
保障:施工时需要采取必要的安全措施,保障施工人员的安全。
4. 预防措施:施
工完成后,需要进行定期检查和维护,预防意外事件的发生。
结论
储罐防腐施工是确保储罐长期使用的关键环节,选择合适的防腐材料、严格控制施工质量以及做好后期维护工作是保证储罐防腐效果的重要步骤。
只有在全面考虑各方面因素的基础上,才能制定出最合适的储罐防腐施工方案,确保储罐的安全和稳定运行。
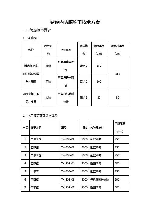
储罐内防腐施工技术方案一、防腐技术要求1、储油罐2、化工罐防腐蚀涂层体系3、消防水及污水罐防腐蚀涂层体系二、施工工序施工前准备——搭设脚手架——储罐内防腐——质量检查——拆除脚手架——交工验收三、主要技术措施1、施工前准备1)施工前应对所有施工人员进行技术培训和质量意识教育,提高全员质量意识;2)施工前应对所有施工人员进行安全技术培训和安全教育,提高全员安全意识,树立“安全第一,预防为主”的安全思想;3)配置足够的合格安全防护用品;4)配置可燃气体检测仪器,低压照明设施和通风设备,并保证在施工过程中设备的连续、正常运转;5)对施工人员进行施工技术交底,使每个施工人员明确质量要求,熟悉施工工序;2、搭设脚手架:1)脚手架搭设由专业队伍完成,操作工要持证上岗;2)参照有关脚手架搭设规范进行搭设;脚手架搭设完毕,应组织业主、监理HSE有关人员进行联合验收,验收合格挂牌后方可投入使用;3)本方案拟搭设2m×2m×1.8m“井”字型脚手架;4)如果储罐内壁不做防腐,为了加强脚手架的牢固性,脚手架边沿架杆可顶住罐壁,形成连墙杆;5)最上面一个满层设在距罐顶边沿下1.5的位置,之上三层按步高1.8m 搭设;6)最上面四层呈阶梯型收缩,各层间相互错开的平面必须铺满脚手板;7)在罐顶其中一个透光孔处设置爬梯,以便人员进出储罐。
最上面四层之间均应设置爬梯,以便各层互通。
3、防腐施工基层表面处理的基本要求(1)待防腐的金属表面,在涂敷之前应进行彻底除锈。
金属表面的除锈等级应符合GB8923《涂装前钢材表面锈蚀等级和除锈等级》中的Sa2.5级,实在无法采用喷射除锈的部位,可采用动力工具除锈达St3级。
(2)喷射除锈用压缩空气应干燥洁净,不得含有水份和油污。
(3)化工罐内防腐采用铜矿沙,其它储罐内防腐采用石英砂作为喷砂除锈的磨料。
磨料应具有一定的硬度和冲击韧性,喷砂处理薄钢板时,磨料粒度和空气压力相适应。
储罐内防腐施工方案1. 引言储罐内防腐施工是保护储罐内壁免受腐蚀和化学侵蚀的关键步骤。
选择适当的防腐材料和施工方法,能够延长储罐的使用寿命,并降低维护和修复的成本。
本文将介绍储罐内防腐施工的方案,包括防腐材料的选择和施工过程的要点。
2. 防腐材料的选择储罐内防腐施工所使用的防腐材料主要包括涂料和涂层。
涂料是一种能够形成保护膜的液体材料,而涂层则是一种能够覆盖在储罐内壁上的固体材料。
2.1 涂料的选择选择合适的涂料需要考虑以下几个因素:•腐蚀环境:根据储罐所处的腐蚀环境,选择能够提供相应防腐性能的涂料。
常见的腐蚀环境包括酸性、碱性、高温和高湿度环境等。
•耐久性:涂料应具有较长的使用寿命,并能够承受储罐内液体的腐蚀和压力。
•合规性:涂料应符合国家相关的标准和法规,确保施工过程的安全和环保。
根据以上要求,常用的涂料包括环氧涂料、酚醛涂料、聚氨酯涂料等。
具体选择哪种涂料,需要根据储罐的具体情况和防腐要求进行评估。
2.2 涂层的选择涂层也是一种常用的防腐材料,常见的涂层包括胶合物涂层、玻璃钢涂层等。
涂层的选择需要考虑以下因素:•耐腐蚀性:涂层应具有良好的耐腐蚀性能,能够有效保护储罐内壁免受腐蚀侵蚀。
•耐压性:涂层应能够承受储罐内液体的压力和冲击。
•耐温性:涂层应能够承受储罐内液体的高温。
3. 施工过程要点储罐内防腐施工的过程分为准备工作、涂料/涂层施工和后期维护三个阶段。
以下是施工过程的要点:3.1 准备工作•清洁储罐内壁:在施工前,需要彻底清洁储罐内壁,去除杂物、油污和锈蚀等物质。
•表面处理:对于有锈蚀的储罐内壁,需要采用合适的方法进行表面处理,如砂浆除锈或喷射除锈。
•补强处理:对于有损坏的储罐内壁,需要进行补强处理,如填补缺陷和修复裂纹等。
3.2 涂料/涂层施工•底涂施工:先施工底涂,以增强涂层与储罐内壁的粘结力和腐蚀防护性能。
底涂的施工厚度应符合涂料/涂层生产厂家的要求。
•中涂施工:在底涂完全干燥后,进行中涂的施工。
一、工程概况1、工程内容:2个35000m³甲醇储罐内焊缝返锈补刷(返锈原因分析见5月中旬发业主及监理)二、编制依据《涂装前钢材表面锈蚀等级和除锈等级》(GB/T8923—88)《石油化工设备和管道涂料防腐蚀技术规范》(SH3022—99)业主、监理2011年5月中旬会议纪要三、施工准备及主要的技术方案1、施工准备①技术准备熟悉施工图纸和设计文件,结合工程具体情况提出技术交底和施工方案等资料,准备齐全与本工程有关的施工标准验收规范及各种记录表格,对工程重要部位、重点环节制定针对性措施。
②原材料准备用于本工程的油漆必须保证出厂合格证、性能检测报告齐全,外包装检查合格,产品在在有效使用期内.2、技术方案本工程焊缝处理主要采用机械除锈(手工电动除锈)方式,除锈级别应达到St3级,因2个罐内浮顶已经安装完毕,对罐内焊缝除锈时无法搭脚手架,因此经过我方研究决定利用内浮顶升降法对焊缝进行防腐施工,其主要步骤如下:1、罐内充水前、先将浮盘以下及浮盘以上可进行返工操作的范围内的锈蚀部位返修好,防腐漆的厚度达到要求并已实干后,方可充水升盘(水和油漆由业主免费提供)。
2、返修范围包括焊缝和壁板所有锈蚀部位。
3、充水升盘时要做好水位测量,浮盘每次上浮高度不应过高,以 1。
5m~1.7m为宜,以方便操作及方便对壁板锈蚀情况检查和返修。
4、凡有锈斑的地方,要先铲除原p有油漆,铲除面要稍大于锈蚀范围。
5、用电动钢丝刷加砂纸把锈除尽,要达到设计规定除锈等级,呈现出金属本色。
6、已出现的锈蚀小坑或焊缝纹路底部处,如用上述方法不能除尽锈蚀时,可用电动砂轮轻轻打磨,但不得过分打磨。
7、由于罐内湿度仍然较大,除完锈后要马上用干布擦尽表面浮尘,并用喷灯或电热吹风将表面水汽吹干,之后要立即刷一遍底漆。
上述过程要快,两人一组同时作业。
8、浮盘每上浮一次,都要在返修合格,油漆实干后才能进行,以防浮盘密封带损坏返修部位油漆。
9、每一次上浮前,都要将浮盘周边铲除下来的油漆和打磨下来的氧化铁锈清理干净才能上浮。
储罐防腐施工方案储罐作为一种储存、运输和加工液体或气体的设备,经常处在恶劣的工作环境中,容易受到腐蚀的影响。
为了延长储罐的使用寿命和保证安全生产,必须对储罐进行防腐施工。
下面是一种储罐防腐施工方案。
1.准备工作:首先需要对储罐进行彻底清洁,除去污垢、油污和腐蚀物等。
然后对罐体进行检查,发现有损坏、腐蚀严重的部位需要进行修复。
接着进行基底处理,包括打磨和除锈。
2.底部防腐施工:底部是储罐最容易发生腐蚀的部位之一,因此需要进行底部防腐。
可选用防腐炭黑油漆涂装,首先进行底部的刷洗和清洁,然后进行炭黑油漆的底涂、中涂和面涂。
每一层涂装需要进行干燥和硬化处理。
3.罐体防腐施工:罐体的防腐施工可选用玻璃钢涂层。
首先需要对罐体进行脱脂和除锈处理,然后进行底涂、中涂和面涂。
每一层涂料需要进行干燥和硬化处理。
随后进行玻璃钢涂层的施工,包括玻璃纤维布和环氧树脂的涂布。
涂布后需要进行干燥和硬化。
4.上部结构防腐施工:上部结构包括进、出口管道和防火罩等部分。
可选用耐磨橡胶涂层和防火涂料进行防腐施工。
首先进行清洁和打磨处理,然后进行底涂、中涂和面涂。
每一层涂料需要进行干燥和硬化处理。
5.附属设备防腐施工:储罐的附属设备包括阀门、泄漏检测装置等部分。
可选用特殊的耐腐蚀涂料进行防腐施工。
首先进行清洁和打磨处理,然后进行涂层的底涂、中涂和面涂。
每一层涂料需要进行干燥和硬化处理。
以上是一种储罐防腐施工的方案。
在实施防腐施工的过程中,需要保证施工质量和施工环境的安全,严格按照施工标准和技术要求进行操作。
并在施工完成后进行检查,确保防腐效果达到要求,以保证储罐的安全使用。
储罐内防腐施工方案
背景
储罐在工业生产过程中扮演着重要角色,但由于暴露于恶劣环境条件下,容易
受到腐蚀的影响。
为了延长储罐的使用寿命和确保生产安全,储罐内防腐施工变得至关重要。
本文将讨论储罐内防腐的施工方案。
防腐施工方案
储罐内防腐施工方案包括以下几个主要步骤:
第一步:清洁表面
在进行防腐处理之前,首先要对储罐内表面进行清洁。
清洁表面可以有效去除
污垢和油脂,确保防腐涂层能够充分附着于表面。
第二步:除锈处理
储罐内表面上的锈蚀是造成腐蚀的主要原因之一。
进行除锈处理可以有效地延
长储罐的使用寿命。
常用的除锈方法包括机械除锈、化学除锈和喷砂除锈。
第三步:涂装防腐涂层
在清洁表面和除锈处理完成之后,下一步是涂装防腐涂层。
选择合适的防腐涂
层对延长储罐的使用寿命至关重要。
常见的防腐涂层包括环氧树脂涂层、聚氨酯涂层等。
根据储罐所处环境条件和要求选择最适合的涂层。
第四步:检查和维护
防腐施工完成之后,定期对储罐内防腐涂层进行检查和维护是必不可少的。
及
时发现并修复涂层的损坏可以避免腐蚀扩散,确保储罐长期的安全稳定运行。
结论
储罐内防腐施工方案是确保储罐长期安全运行的重要保障措施。
通过清洁表面、除锈处理、涂装防腐涂层和定期检查维护等步骤,可以有效地延长储罐的使用寿命,保障生产安全。
以上是关于储罐内防腐施工方案的简要介绍,希望能够对相关操作提供帮助。
储罐内防腐施工方案1. 引言储罐作为工业生产中重要的储存设备,其内部防腐施工是确保罐体长期使用和延长使用寿命的关键。
本文档旨在提供一个储罐内部防腐施工方案,以保证储罐的正常运行和安全使用。
2. 施工前准备在进行储罐内部防腐施工前,需要进行以下准备工作:1.罐体表面清洁:必须彻底清洗罐体内部,去除所有油脂、灰尘和污垢。
可采用高压水枪进行清洗,并确保罐体彻底干燥。
2.表面预处理:对罐体表面进行打磨处理,以去除所有锈蚀、氧化和旧漆层。
可采用喷砂或刷洗的方法进行表面处理。
3.检查与修复:对罐体进行全面检查,发现任何损坏或腐蚀的部位,需要进行修复和加固。
4.材料准备:准备好所需的防腐材料和工具,如底漆、面漆、刷子、辊子等,以备施工使用。
3. 防腐施工步骤3.1 底漆施工1.充分搅拌底漆:将底漆倒入容器中,并充分搅拌均匀,确保底漆的质地和颜色均匀一致。
2.刷涂底漆:使用刷子或辊子将底漆均匀地涂抹在罐体表面,确保无遗漏和交叠。
涂刷方向应与垂直方向交替,以确保底漆的覆盖范围。
3.底漆固化:根据所选材料的要求,等待底漆完全固化,并确保表面干燥,通常需要等待24小时以上。
3.2 面漆施工1.充分搅拌面漆:将面漆倒入容器中,并充分搅拌均匀,确保面漆的质地和颜色均匀一致。
2.刷涂面漆:使用刷子或辊子将面漆均匀地涂抹在已干燥的底漆表面上。
与底漆施工类似,涂刷方向应与垂直方向交替,确保面漆的覆盖范围。
3.面漆固化:根据所选材料的要求,等待面漆完全固化,并确保表面干燥,通常需要等待24小时以上。
4. 施工验收与后续维护4.1 施工验收在完成储罐内部防腐施工后,需要进行施工验收,以确保防腐效果和工艺满足要求。
施工验收包括以下内容:1.外观检查:检查储罐内部防腐层的外观是否均匀、光滑,无气泡、裂纹或鼓泡。
2.粘附力检测:使用适当的工具进行粘附力检测,确保防腐层与罐体表面的粘附力达到要求。
3.膜厚测量:使用合适的测量仪器,检测防腐层的厚度是否符合设计要求。
储罐防腐工程施工方案一、项目概述本工程是指对储罐进行防腐处理的施工工程。
储罐防腐工程是利用专门的防腐涂料材料对储罐内、外表面进行防腐蚀处理,以保护储罐的长期使用寿命和安全性。
本工程属于石油化工设备防腐工程的一部分,涉及到防腐材料的选择、施工工艺的确定、安全、环保等内容。
二、工程概况1. 储罐防腐工程包括内外表面的防腐处理,涉及到防腐涂料的选择和涂装工艺的确定。
2. 储罐防腐工程按照相关标准和规范进行施工。
3. 储罐防腐工程需要考虑施工环境的安全与环保方面的要求。
三、施工方案1. 防腐涂料的选择(1) 根据储罐的使用环境和介质的特性选择适合的防腐涂料材料。
(2) 考虑涂装涂料的附着力、耐蚀性、耐磨损性等性能选择合适的涂料。
(3) 可以选择环氧树脂、聚氨酯等高性能涂料作为防腐涂料。
2. 施工准备(1) 了解储罐的材质、表面状态,对表面进行清洁处理。
(2) 准备好所需的施工设备和工具。
(3) 搭建脚手架、设置安全警示标识。
3. 施工工艺(1) 内表面防腐处理a. 对储罐内表面进行清洁处理,去除油污、锈蚀等杂物。
b. 进行底漆涂装,保证底漆对基材的粘结力。
c. 进行防腐涂层的涂装,要求均匀、充实。
(2) 外表面防腐处理a. 对储罐外表面进行清洁处理,去除污物和锈蚀。
b. 进行底漆涂装。
c. 进行中间涂层和面漆的涂装。
4. 施工质量控制(1) 施工前进行施工方案的确认和操作规程的制定。
(2) 施工中进行涂料的质量控制,保证涂料质量合格。
(3) 施工结束后进行防腐层的检测,保证质量合格。
5. 安全与环保(1) 施工中保证施工人员的安全,穿戴防护装备。
(2) 控制施工环境污染,减少有害气体排放。
(3) 施工结束后及时清理施工现场,保证环境整洁。
四、施工组织1. 项目经理(1) 组织制定施工方案和操作规程。
(2) 组织协调施工人员,确保施工进度和质量。
2. 技术负责人(1) 负责施工现场技术指导和质量检查。
(2) 负责施工工艺的制定和调整。
储罐防腐施工方案储罐是一种常见的容器,用于储存和运输各种液体和气体。
在储罐的使用过程中,由于内部液体或气体的腐蚀作用,储罐的表面容易出现腐蚀现象。
为了保护储罐的使用寿命和安全性,需要进行防腐施工。
下面是一个储罐防腐施工方案的详细介绍:1.表面准备:在进行防腐施工前,首先需要对储罐的表面进行准备工作。
这包括清洁表面上的污物、锈蚀和旧涂层,确保表面干燥、光滑和平整。
2.防腐材料选择:根据储罐的具体情况和储存物质的特性,选择适合的防腐材料。
常见的防腐材料包括环氧树脂涂料、玻璃钢、聚酯薄膜涂料等。
要考虑材料的耐腐蚀性、耐磨性、耐温性等性能。
3.防腐涂料施工:根据防腐材料的要求,对储罐进行涂料施工。
具体施工步骤包括底漆涂布、涂层涂布和面漆涂布。
底漆主要起到增强附着力和防锈的作用,涂层用于防止腐蚀和增加耐磨性能,面漆用于增加美观和保护涂层。
4.薄膜涂料施工:对于使用聚酯薄膜涂料的储罐,施工过程中需要先对储罐表面进行喷砂处理,然后再进行薄膜涂料的喷涂。
薄膜涂料具有良好的耐腐蚀性和防渗漏性能。
5.玻璃钢施工:玻璃钢是一种由树脂与玻璃纤维布组成的复合材料,具有优异的耐腐蚀性和强度。
玻璃钢施工需要先将玻璃纤维布与树脂混合涂布在储罐表面,然后进行固化。
6.结构补强:在防腐施工中,还需要对储罐的结构进行补强处理。
这包括加固部分焊接缝和装配焊接部位,以增加储罐的强度和稳定性。
7.施工质量检查:在施工完成后,需要进行质量检查。
主要检查施工工艺和涂层质量是否符合要求,有无漏涂、起泡、脱落等现象。
如有不符合要求的地方,需要及时进行修复。
以上就是储罐防腐施工方案的详细介绍。
通过正确的施工工艺和选用适当的防腐材料,可以有效地延长储罐的使用寿命,保障储存物质的安全性。
在实施防腐施工时,还需要按照相关安全规范和操作规程进行操作,确保施工过程的安全和顺利进行。
储罐内壁防腐施工方案编制人:审核人:日期:2008年8月18日目录一、工程概述 (2)二、方案编制及施工依据 (2)三、施工部署及准备 (2)四、施工方案 (4)1、通风 (4)2、储罐清理 (4)3、脚手架搭拆的技术措施 (4)4、机械除锈 (5)5、涂刷弹性聚氨酯涂料 (6)6、涂刷方法 (6)7、质量检验 (8)五、质量保证措施 (8)六、安全保证措施 (10)七、文明及环境保护措施 (11)一、工程概述很多储罐.无论储罐的大小,其设计使用寿命一般都为20年.但由于其贮存的油品或其他东西往往含有有机酸,无机盐、硫化物及微生物等杂质,会对钢铁造成腐蚀,这种腐蚀穿孔现象不仅使油品泄露,造成能源浪费以及污染、火灾、爆炸等危险的发生,更影响其使用寿命。
储罐的腐蚀机理(1)化学腐蚀,主要发生在干燥环境下的罐体外壁,一般腐蚀较轻.(2)浓差腐蚀,主要发生在内壁液面以下,是由于氧的浓差引起的.(3)原电池腐蚀,(即电化学腐蚀).电化学腐蚀是油罐内部最主要、最严重、危险最大的一种腐蚀,主要发生在罐底、罐壁和罐顶.电化学腐蚀的阴极区和阳极去是由于材料的热应力,机械应力,不同金属的相互接触以及金属材料本身的不均匀性(如成分,组织,表面状态和腐蚀产物沉积)等原因造成电极电位差别而形成的。
我们针对贵公司的储罐的耐腐蚀情况及防腐要求结合我公司的防腐经验特制定如下施工方案。
二、方案编制及施工依据1、GB8923-88 《涂装前钢材表面锈蚀等级和除锈等级》2、YSY441-89 《防腐蚀工程施工操作规程》3、HGJ229-91 《工业设备、管道防腐蚀工程施工及验收规范》4、SH3022-1999 《石油化工设备和管道涂料防腐蚀技术规范》5、GB-50300-2001《建设工程质量验收统一标准》6、GBJ46—88 《施工现场临时用电安全技术规范》7、GB/T28001-200 《职业健康安全体系》三、施工部署及准备1、施工部署根据本工程特点及以往经验,将整个工程分为三个阶段:施工准备、施工生产、整理验收。
储罐内防腐施工技术方案一、储罐内表面的处理1.清洁处理:在施工前,必须彻底清洁储罐内表面,包括油污、灰尘以及其他可能的污染物,确保表面干净。
2.去锈处理:若储罐内表面有锈蚀,应先进行去锈处理。
常用的去锈方法有机械处理、化学处理和热处理等。
二、防腐底漆的涂装1.基础底漆:选用耐蚀性能好的防腐底漆,先涂刷一层厚度适中的底漆。
底漆的选择应根据储罐内介质种类、温度和压力等要素进行合理的评估。
2.上色底漆:经过基础底漆干燥后,涂刷上色底漆,以提高涂层的遮盖力和美观度。
三、防腐中间层涂装1.选择合适的材料:根据储存介质的特性选择合适的防腐中间层材料,如环氧树脂涂料、丙烯酸涂料等。
2.施工方式:采用滚涂、刷涂或喷涂等方法涂刷中间层涂料,均匀覆盖储罐内表面。
确保涂层的厚度均匀一致。
四、防腐面漆的涂装1.选择合适的面漆:根据所处环境条件、储层特性等选择合适的防腐面漆。
2.施工方式:选择适当的施工工具进行涂刷,确保涂层的厚薄均匀一致,同时保证涂层的硬度和耐磨性。
五、防腐层养护1.干燥养护:在涂刷完成后,必须进行充分的干燥养护。
养护时间和养护温度应根据涂料的特性来确定。
2.样品检测:在养护结束后,应取样进行常规物理性能和耐蚀性能的检测,确保涂层质量达标。
3.定期检查:储罐防腐涂层的质量需定期检查,发现涂层出现破损或起泡等问题,及时修补。
总结储罐内防腐施工技术方案主要包括:表面处理、底漆涂装、中间层涂装、面漆涂装和养护等步骤。
选用适当的防腐涂料材料,正确施工,经过充分的养护和定期检查,能够确保储罐内涂层的质量和持久性能,延长储罐的使用寿命,提高储存介质的贮存质量。
同时,为了保障操作人员的安全,施工过程中需遵守相关的安全操作规程,采取必要的安全措施。
储罐内壁防腐施工方案一、前期准备工作1.安全措施在进行储罐内壁防腐施工之前,必须确保施工现场的安全,包括对工作人员进行安全培训和装备。
施工现场应设置有效的安全警示标志和安全设施,确保施工期间没有其他人员进入施工区域。
2.现场清理在施工前,必须对储罐的内部进行清理,包括清除附着物、残留液体和污垢等。
清理过程中,必须采取适当的防护措施,防止废物和污水对环境造成污染。
3.表面处理储罐内壁表面的处理是防腐施工的关键步骤。
首先,应彻底清除储罐内壁表面的锈蚀、尘土、杂质等。
然后,使用砂轮机或刷磨机对储罐内壁进行打磨,以确保表面达到光洁、平整的状态。
二、防腐材料选择储罐内壁的防腐材料选择应根据储罐材质、介质性质和使用环境等因素来确定。
常见的防腐材料包括聚氨酯涂料、环氧涂料、胶黏剂和玻璃钢等。
为了确保防腐效果,施工前应对不同的防腐材料进行试验和检测。
三、施工方法1.底涂施工底涂施工是储罐内壁防腐施工的第一步,其目的是增强附着力和提供防护层。
首先,应按照防腐材料的要求,将底涂材料充分搅拌均匀。
然后,使用专用的涂刷或喷涂设备,将底涂材料均匀地涂刷在储罐内壁上。
底涂涂料施工完毕后,需要进行充分的干燥和固化时间。
2.中涂施工中涂施工是为了增强防腐效果和耐化学性能,在底涂施工后进行的。
中涂材料的选择应与底涂材料相匹配,并能提供更好的耐腐蚀性能。
中涂施工方法与底涂施工相似,需要保持涂层的均匀和充分的固化时间。
3.面涂施工面涂施工是储罐内壁防腐施工的最后一步,也是增强防腐效果和提供装饰性能的环节。
面涂材料的选择应根据储罐的使用环境和要求来确定。
施工方法同样需要保证涂层的均匀和固化时间。
四、质量控制和保养在施工过程中,必须进行质量控制和保养,以确保防腐涂层的质量和寿命。
质量控制包括对施工工艺和材料的把握,检测和监测施工过程中的各项指标。
保养包括定期检查涂层的状况,及时补漆和修复涂层损坏的部分,以延长防腐涂层的使用寿命。
总结:储罐内壁防腐施工方案的有效实施可以延长储罐的使用寿命,减少维修和更换成本。
储罐内壁防腐施工方案 This manuscript was revised on November 28, 2020储罐内壁防腐施工方案编制人:审核人:日期:2008年8月18日目录一、工程概述很多储罐.无论储罐的大小,其设计使用寿命一般都为20年.但由于其贮存的油品或其他东西往往含有有机酸,无机盐、硫化物及微生物等杂质,会对钢铁造成腐蚀,这种腐蚀穿孔现象不仅使油品泄露,造成能源浪费以及污染、火灾、爆炸等危险的发生,更影响其使用寿命。
储罐的腐蚀机理(1)化学腐蚀,主要发生在干燥环境下的罐体外壁,一般腐蚀较轻.(2)浓差腐蚀,主要发生在内壁液面以下,是由于氧的浓差引起的.(3)原电池腐蚀,(即电化学腐蚀).电化学腐蚀是油罐内部最主要、最严重、危险最大的一种腐蚀,主要发生在罐底、罐壁和罐顶.电化学腐蚀的阴极区和阳极去是由于材料的热应力,机械应力,不同金属的相互接触以及金属材料本身的不均匀性(如成分,组织,表面状态和腐蚀产物沉积)等原因造成电极电位差别而形成的。
我们针对贵公司的储罐的耐腐蚀情况及防腐要求结合我公司的防腐经验特制定如下施工方案。
二、方案编制及施工依据1、GB8923-88 《涂装前钢材表面锈蚀等级和除锈等级》2、YSY441-89 《防腐蚀工程施工操作规程》3、HGJ229-91 《工业设备、管道防腐蚀工程施工及验收规范》4、SH3022-1999 《石油化工设备和管道涂料防腐蚀技术规范》5、GB-50300-2001《建设工程质量验收统一标准》6、GBJ46—88 《施工现场临时用电安全技术规范》7、GB/T28001-200 《职业健康安全体系》三、施工部署及准备1、施工部署根据本工程特点及以往经验,将整个工程分为三个阶段:施工准备、施工生产、整理验收。
按施工特点安排劳动力、材料及设备,控制施工进度计划,安排工期,顺利交付保质、保量的合格工程。
施工准备---清理储罐---脚手架搭设---机械除锈---涂弹性聚氨酯底漆一道---涂弹性聚氨酯面漆第一道----涂弹性聚氨酯面漆第二道---交工验收---脚手架拆除1、通风储罐腾空后,打开储罐的采光孔和人孔,自然通风24小时后,最好用空气压缩机向罐内强行通风一段时间,将罐中污气排净后,作业人员方可进入罐内进行清理作业。
2、储罐清理进行人工清罐,打开人孔,人工用木削清除罐内剩余的原油污水及沉积物,清除后的废料必须按甲方要求运至指定位置,掩埋。
考虑到环保因素拉运中车辆及罐区铺设塑料布或用毛毡,确保不滴漏,防止污染沿途路面。
然后用汽油或二甲苯溶剂进行擦洗,达到了除污垢、除油效果。
化学除油剂采用手工涂刷工艺;清理时,人孔处必须有专人看守,如夜间施工罐内照明设备充足(必须使用防爆照明灯具)。
由于溶剂具有毒性,清洗时作业人员必须定时更换一次,罐口必须有专人监护,确保清污施工安全。
3、脚手架搭拆的技术措施脚手架的搭拆符合《建筑施工扣件式钢管脚手架安全技术规范》、《建筑施工安全检查标准》、等有关规定。
在脚手架搭拆过程中,所有人员均持证上岗,现场应配备项目负责人、专业技术人员、专职安全员在施工现场进行安全监督。
脚手架的搭拆必须是取得登高架设特种作业操作证的合格人员,对脚手架搭拆人员采用专业班组,实行专业管理。
搭拆脚手架时,作业人员按规定着装,挂好安全带,递杆、撑杆作业人员应密切配合。
立杆与纵向水平杆的接头不得设置的同步内。
立杆的接头除顶层顶步可采用搭接外,其余各层各步接头必须采用对接扣件连接,竖向相邻两根立杆的接头应错开0.5m以上。
纵向水平杆宜采用对接扣件连接,也可采用搭接,纵向水平杆对接时不同步不同跨两个相邻的接头在水平方向错开的距离不应小于0.5m。
一字型、开口型脚手架两端均必须设置横向斜撑,中间宜每隔6跨设置一道,高度在24m以下的封闭式脚手架可不设横向斜撑,高度在24m以上的封闭式脚手架,降拐角应设置横向斜撑外,中间应每隔6跨设置一道。
搭设的脚手架及其附着物要做到整齐、美观、规范、安全、可靠。
脚手架具体搭拆及标准立杆间距不大于2m,大横杆间距不大于1.5m,小横杆间距不大于2m,插接头不得小于1.5m。
无论对接,插接都要用扣件连接,拧紧螺栓,不得用铁丝绑扎。
脚手架搭设的原则是必须安全牢固,脚手板铺设时用铁丝绑牢,不得铺探头板和弹簧板。
脚手架应按由上而下的顺序拆除,不准上下同时作业,地面设专人指挥。
拆立杆时,先抱住再拆最后两个扣;拆大横杆、剪刀撑时,先拆中间扣,再拆两头扣,由中间作业人员往下顺杆子。
拆下的杆件、脚手板、扣件等材料,应向下传递或用绳往下吊,严禁向下投扔,随拆随运,分类码放整齐。
4、机械除锈机械处理方法可采用电动砂轮机清理储罐表面的污垢、油渍,对于机械除不到的死角部位采用钢丝刷、铲刀、刮刀进行清理。
金属结构的夹角、死角部位除锈一定要彻底。
再用棉纱或破布将金属表面上浮尘擦干净。
如有油污的地方,应用稀释剂擦洗。
除锈级别达到 St2 级。
处理后,金属表面应无可见的灰尘、水分、油污、脏垢以及风化的锈层和漆皮。
表面处理经过现场监理工程师或甲方代表验收合格后,方可进行涂料的涂装作业。
5、涂刷弹性聚氨酯涂料施工工序a除锈达到St2级后,刷弹性聚氨酯涂料底漆一遍。
b底漆检查合格后,刷弹性聚氨酯涂料面漆两遍弹性聚氨酯特性如下:具有较高的断裂伸长率和柔韧性,附着力好,不会因罐体变形而出现脆裂、脱落现象,防腐效果好;面层涂膜为白色或浅色,便于清罐。
涂层有优异的防渗漏性能,具有优异的耐腐蚀性能。
漆膜对金属附着力好,结构气孔小,使各种腐蚀介质难以渗透到金属表面,所以耐腐蚀性极好;且具有高度的稳定性。
弹性聚氨酯最大的有是带锈防锈,对除锈的要求等级很低,一般的手工和机械除锈完全能满足施工及防腐要求。
6、涂刷方法手工刷涂法涂刷时,将刷子的2/3沾上油漆,沾上漆的刷在桶边刮一下以减少刷子一边的油漆,拿出时,有油漆的一边向上进行涂刷。
用过的漆刷要及时用稀料洗干净,以免刷毛变硬,刷柄要保持清洁。
涂刷注意事项及要点(1)涂装前,金属表面处理后应无灰尘、油污、浮土等。
特别注意交叉及阴角处的涂刷。
(2)防腐涂料使用前,首先应核对油漆的种类、名称以及稀释剂是否符合涂料说明书的技术要求,油漆还应做二次检查,各项指标合格后方可调制涂装。
(3)涂料的配制应严格按照说明书的技术要求及配比进行调配,并充分搅拌,使桶底沉淀物混合均匀,放置15-30分钟后,使其充分熟化方可使用。
工程用量允许的施工时间,应根据说明书的规定控制,在现场调配时,据当天工程量配多少用多少。
(4)使用涂料时,应边刷涂边搅拌,如有结皮或其他杂物,必需清除掉,方可使用。
涂料开桶后,必须密封保存。
(5)使用稀释剂时,其种类和用量应符合油漆生产的标准规定。
(6)涂刷时,首先对边角、棱角处、夹缝处进行预涂,必要时采用长杆毛笔进行点涂,以保证漆膜厚薄均匀无漏涂。
(7)施工环境温度以15-30度为宜,相对湿度不宜大于70%,遇雨、雾、大风少天气不得进行施工。
(8)涂层的第一道漆膜干后,方可进行下道涂层的施工。
(9)涂刷时,尽量减少涂层的往复次数,以免将底层漆膜拉起,按纵横交错方式涂漆以保证漆膜的涂刷质量。
(10)为充分发挥涂料的耐腐蚀性能,应以漆膜厚度控制施工质量。
(11)所有涂层不得漏涂,涂层表面应光滑平整,颜色一致无针孔、气泡、流挂、剥落、粉化和破损等缺陷,无明显的刷痕、纹路及阴影条纹。
(12)使用稀释剂时,其余漆类的用量应符合生产厂家的规定标准。
配制涂料时,应搅拌均匀。
(13)技术要求对于死角部位,要用毛刷进行点涂,不允许有漏涂、漏刷、流淌、流挂等不良现象存在,要达到外观颜色均匀一致、光滑靓丽。
养护:自然养护7-10日,即可交付使用。
7、质量检验1)每一道漆涂敷完,应在不同部位测定涂层的湿膜厚度,并及时对工艺参数进行调整。
2)每涂完一道漆后进行目视检查,不得有气泡、褶皱、分离起皮、流挂等现象。
3)外观检查防腐层外观应平整连续、光滑、无气泡、无漏涂部位,并且不得发粘、脱皮、气泡、斑痕等缺陷存在。
五、质量保证措施1、货物到达现场后,卸车时应邀请监理工程师及工程师到达现场检查货物的合格证、出厂证明等标准的材料。
2、施工时坚持“三专一评”的原则,即:专人施工、专职检查员、专职质检工程师、班组互评的原则。
3、积极配合监理工程师及业主的工作,积极配合他们的指示,树立质量意识,杜绝质量隐患。
4、质量就是生命,所以我们坚持“百年大计质量第一”和预防为主的方针,要做到精心组织,精心施工,各级施工人员必须把质量放在首位,贯彻执行岗位责任制,加强质量管理,重点抓好技术交底工作,尤其是班组长一级技术交底,以创优质工程为目标的质量管理,我们公司已顺利通过ISO9001质量体系认证,全面贯彻执行ISO9001质量体系标准,建立了与之相应的质量保证体系,并正在运行,在本工程中我们将坚持公司“以质理求生存,以持续改进求发展,以优质工程和优良服务确保顾客满意”的质量方针,认真贯彻《质量保证体系程序文件》和《质量手册》,将各项质量要素分解落实到有关人员,通过质量体系的运行,我们要求达到:工程合格率达到100%,满意度95%,工程最终达到合格标准。
5、质量管理的措施深入开展质量意识教育,加强标准化工作。
推行全面质量管理。
(1)建立、健全质量保证体系和机构,加强工程质量的监督和检查。
(2)制定质量计划、目标、措施和质量控制点,制定和完善《质保手册》把施工全过程纳入标准化轨道。
(3)深入开展QC小组活动和“全面、全员、全过程”的“三全”质量管理活动。
(4)切实做好质量大检查整改措施的制定和实施。
(5)做好质量信息反馈和质量回访工作,强化“为工程服务,为工程负责”的观念。
(6)全面推行工法制度,严格工艺纪律。
(7)加强计量管理,建立健全计量管理机构和管理制度。
(8)实施质量奖惩条例和施行质量否决权。
(9)实例质量例会制度。
开展技术培训(1)组织特殊工种和初、中、高技工技术培训,考试,提高职工文化素质和施工技术水平。
(2)组织新技术、新工艺、施工措施和施工规范、标准学习培训。
(3)进行岗位培训,实行持证上岗。
贯彻各项质量管理制度(1)认真执行企业制定的管理制度,岗位责任制、安全操作规程等制度和规定。
(2)继续坚持“三检一评”制度。
(3)开展劳动竞赛和创全优单位工程活动。
六、安全保证措施(1)参加现场施工人员都必须接受安全技术教育,开工前由工地安全技术人员负责教育。
对新进场的工人必须进行两级安全教育,工地由安全员负责,班组由不脱产安全员负责。
(2)现场施工负责人以及管理人员均应带头遵守安全制度及规定,认真贯彻现场施工安全规定,并经常深入班组检查督促,对现场安全负责。
(3)进入施工现场应戴安全帽,高空作业应系安全带,经常检查防护用品的安全可靠性,施工人员进入现场应穿工作鞋,禁穿拖鞋、凉鞋。