员工调薪考核表官方版
- 格式:doc
- 大小:27.98 KB
- 文档页数:5
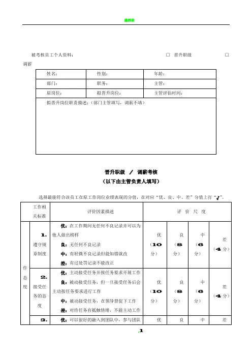
被考核员工个人资料:□晋升职级□调薪姓名:性别:年龄:
部门:职务:主管:
原岗位:拟晋升岗位:主管评估时间:
拟晋升岗位职责描述:(部门主管填写,调薪不填)
晋升职级/ 调薪考核
(以下由主管负责人填写)
选择最能符合该员工在原工作岗位业绩表现的分值,在对应“优、良、中、差”分值上打“”。
工作相
关标准
评价因素描述评价尺度
工作态度1.遵守
规章制
度
优:在工作期间无任何不良记录并可以为他人
做出榜样
良:无任何不良记录
中:有轻微不良记录但能知错就改
差:有过处罚记录不能改正
优(10分)良(8分)中(6分)差(4分)
2.接受
任务的
态度
优:主动接受任务并按任务要求开展工作
良:被动接受任务,但一旦接受任务后会主动
按任务要求进行工作
中:被动接受任务,在领导督促下工作
优(10分)良(8分)中(6分)差(4分)。
受评职工姓名:所属部门:考评日期:年月日职工查核评分表(办公室)评评论尺度(总分100)价评对评论时期工作成绩的评论重点因优良可差分素栏A.严格恪守工作制度,有效利用工作时间。
4321工B.对工作持踊跃态度 , 愿意接受任务,今天事今天毕。
4321作C.忠于职责,严守岗位,守旧企业事务机密。
4321态D.以协作精神工作,听从上司,配合同事。
4321度E.个人性格爽朗开朗,与人相处和睦。
4321A.正确理解工作内容,合理安排工作任务。
4321工B.具备优秀的工作习惯,工作前准备充足。
4321作C.不需要上司详尽的指示和指导 , 能独立达成任务。
4321准D.主动与同事及协作者获得联系,使工作顺利进行。
4321备E.快速、适合地办理工作中的问题及暂时追加任务。
4321A.以踊跃合作的精神与同事齐心戮力达成工作。
4321工B.正确认识工作目的,有效办理工作任务。
4321作C.严格履行管理流程,着重细节办理。
4321过D.踊跃向主管提出工作改良的提案。
4321程E.实时有效地进行工作目标管理。
4321A.工作效率好,指定的时间达成任务。
4321工B.任务处理适合,保持优秀业绩。
4321作C.对企业产品的专业知识,办公软、硬件的娴熟度提4321升快。
效4321 D.具备成本义识,节俭企业资源。
率E.工作中常常与领导、同事的交流,实时报告任务完4321成进度。
工4321 A.工作成就达到预期目的或计划要求。
作B.常常整理工作现场,有序定位物件摆放和文件档案4321成的保留。
4321果C.工作报告实时、正确、真切。
4321D.个人工作的娴熟程度和技术学习速度提升较快。
4321 E.乐于教授资浅职工工作技术。
查核总分:建议加薪:考分共计:查核人署名:上司主管复核署名:年月日年月日总经理审批:年月日注 :查核人参照各项评论重点对职工年度工作表现进行评分, 每一项评论尺度的选择及得分用“分值”注明。
优秀良好合格稍有欠缺急需改进10%5%0%-5%-10% 80及以上[70,80)[60,70)[50,60)[40,50)部门职位A(100)B(75)C(50)D(25)E(0)工作热情15%工作总能充满激情和热情,总能主动寻求更好的方案来完成工作,并总能把自己的正能量传递给他人经常愿意高标准完成本职工作和做好本职工作,在工作上,经常是主动热情的有时愿意高标准完成本职工作和做好本职工作,在工作上,有时是主动热情的极少愿意高标准完成本职工作和做好本职工作,在工作上,极少主动热情从没意愿去做好本职工作,工作从不主动热情责任感12%总是有很强的责任感,能清楚的知道自己的责任,总能勇于承担责任,从不寻求理由为自己开脱经常有责任感,而且经常能够勇于承担责任,极少寻求理由为自己开脱有时有责任感,有时也能够勇于承担责任,出现责任问题时有时会寻求理由开脱极少有责任感,极少能够勇于承担责任,出现责任问题时经常会寻求理由开脱对工作完全无责任感,总是会出现随心所欲的现象工作质量10%工作从不出错,总能保持高水准和让人满意工作经常能够保持高水准和让人满意,极少时候会有出错,经常能在错误出现之后及时改正工作有时能够保持高水准和让人满意,有时能在错误出现之后及时改正工作极少保持高水准和让人满意,极少能在错误出现之后及时改正工作从不让人满意,总是出错,能够避免的错误出现的非常频繁工作效率10%总是能够按时完工,还总能提前完成,从不推迟完成经常都能够按时完工,经常能够提前完成,极少推迟完成有时能够按时完工,有时能够提前完成,有时会推迟完成极少能够按时完工,极少提前完成,经常推迟完成工作慢,办事拖沓,总是不能按时完工浮动比率(普通员工)评分标准普通员工调薪幅度考核表评估标准姓名等级分数考核维度权重评分标准及系数工作互动性8%总能与上级领导、同事配合默契,总能主动与上级领导、同事进行沟通交流经常能与上级领导、同事配合默契,经常会主动与上级领导、同事进行沟通交流有时能与上级领导、同事配合默契,有时会与上级领导、同事进行沟通交流极少能与上级领导、同事配合默契,极少会与上级领导、同事进行沟通交流从不与上级领导、同事配合,也从不愿意与上级领导、同事进行沟通交流解决问题的能力8%遇到问题总能主动思考,总能利用其知识或运用所收集的资料做比较分析,迅速正确而果断解决问题遇到问题经常能够主动思考,经常能正确决策和及时解决问题遇到问题有时能够努力思考并寻求解决方案,有时能下决定执行,勉强解决问题遇到问题极少主动思考和寻求解决方案的能力,极少能够正确的下决策,对问题的解决会有困难遇到问题从不主动思考,也从不作出正确的决定和寻求解决方案团队精神6%在团队中,总能有强烈的团队意识,总是能够积极主动参加团队组织的各项活动,在团队利益和个人利益发生冲突时,总是在团队中,经常有强烈的团队意识,经常能够积极参加团队组织的各项活动,在团队利益和个人利益发生冲突时,经常能够以团队利益为在团队中,有时具有团队意识,有时能够参加团队组织的各项活动,在团队利益和个人利益发生冲突时,有时在团队中,极少具有团队意识,极少参加团队组织的各项活动,经常看重个人利益大于团队利益在团队中,毫无团队意识,从不愿意参加团队组织的个人活动,总是注重个人利益坚韧性6%在工作中遇到艰巨任务总能持之以恒,不为外界不利因素和干扰所影响,以最大的干劲去完成任务在工作中遇到困难经常能够承受住压力,尽力去完成工作任务在工作中遇到困难后有时能承受住压力,勉强能完成工作任务在工作中遇到一点困难就止步不前,极少能完成工作任务在工作中遇到一点困难,从不去想如何解决,而是选择逃避,推掉这项任务服从与执行力5%总能服从领导安排;合理分解手头的工作,上级领导安排的工作总能执行得非常到位经常能够服从上级领导安排的工作,经常能执行得非常到位有时能够服从上级安排,有时能够执行得非常到位极少能听从上级安排,有找理由、打折扣的现象,极少能够执行到位不服从上级安排,我行我素,一意孤行,从不将工作执行到位原则性5%在工作中,总是能够坚持原则,总能维护公司的长远利益,对事情的处理和看法从不会受他人错误的立场、观点、方法的影响在工作中,经常能够坚持原则,经常能维护公司的长远利益,对事情的处理和看法极少会受他人错误的立场、观点、方法的影响在工作中,有时能够坚持原则,有时能维护公司的长远利益,对事情的处理和看法有时会受他人错误的立场、观点、方法的影响在工作中,极少能够坚持原则,极少能维护公司的长远利益,对事情的处理和看法经常会受他人错误的立场、观点、方法的影响在工作中,从来没有原则,从不能维护公司的长期利益,总受他人错误的立场、观点、方法的影响全局观5%总能关注公司的长期发展,总能主动为集体利益和公司利益做贡献,并且在个人或部门利益与公司利益发生冲突时,总能以公司利益为重经常能够理解公司的长期发展,经常愿意主动为集体利益和公司利益的实现做贡献,在个人或部门利益与公司利益发生冲突时,经常以公司利益为重有时能够理解公司的长期发展,有时愿意主动为集体利益和公司利益的实现做贡献,在个人或部门利益与公司利益发生冲突时,有时也能够以公司利益为重极少能理解公司的长期发展,极少愿意主动为集体利益和公司利益的实现做贡献,在个人或部门利益与公司利益发生冲突时,极少能够以公司利益为重只求自己或本部门方便、合适,从不看重公司利益,对公司和集体的发展不理不问,对各部门的协作也视若无睹奉献精神5%总能忠诚并热爱企业,对工作有很强的使命感,总能从公司角度出发,从不计较个人得失,牺牲小我,服务大我,并且总能额外地付出经常能够热爱企业,极少计较个人得失,经常能够从公司角度出发,以公司利益为重,并且经常能额外地付出有时热爱企业,有时爱计较个人得失,有时能够从公司角度出发,以公司利益为重,有时能额外地付出极少热爱企业,经常爱计较个人得失,极少能从公司角度出发,以公司利益为重,极少能额外地付出从来没有企业归属感,总爱计较个人得失,从不考虑公司利益,只注重个人利益,从不懂得额外地付出学习成长5%总能热爱学习和看重个人成长,总能积极主动参加公司组织的各项培训,争取每一次培训的机会,并总在工作之余学习各种知识经常热爱学习和注重个人成长,经常参加公司组织的各项培训,经常会在工作之余学习各种知识有时热爱学习和注重个人成长,有时会参加公司组织的各项培训,有时会在工作之余学习各种知识极少热爱学习,公司组织的培训极少参加,也极少注重工作之余的学习从不热爱学习,对公司组织的培训怀有抵触情绪,从不注重工作之余的学习被考核人直接上级签字人力资源部签字被考核人直接上级的上级签字总经理签字注:若被考核人在工作热情维度得分为E,则无论最终考核分数为多少,公司将有权不与该员工续约。
员工绩效考核调薪计划表
员工绩效考核调薪计划表
日期:[日期]
部门:[部门名称]
员工姓名:[员工姓名]
员工工号:[员工工号]
岗位:[岗位名称]
绩效考核周期:[考核周期]
绩效评级:[绩效评级]
基本工资:[基本工资]
调薪方案:
根据员工在本次绩效考核中的表现,结合公司的薪酬政策和薪酬体系,制定如下调薪方案:
1. 调薪幅度:根据员工的绩效评级,确定调薪幅度。
具体调薪幅度如下:
- 绩效评级为优秀:调薪幅度为[调薪幅度]%;
- 绩效评级为良好:调薪幅度为[调薪幅度]%;
- 绩效评级为一般:调薪幅度为[调薪幅度]%;
- 绩效评级为不达标:无调薪。
2. 调薪后工资计算:
调薪后工资 = 基本工资 + 调薪幅度× 基本工资
例如,若员工的基本工资为[基本工资],绩效评级为优秀,调薪幅度为[调薪幅度]%,则调薪后工资为:
调薪后工资 = [基本工资] + [调薪幅度]% × [基本工资]
3. 调薪生效日期:调薪将于[生效日期]起生效。
4. 调薪后薪资结构:调薪后的薪资结构如下:
- 基本工资:[调薪后基本工资]
- 绩效工资:[调薪后绩效工资]
- 其他福利或津贴:[调薪后其他福利或津贴]
调薪后的薪资结构将在下个工资发放周期生效。
5. 备注:[备注]
以上调薪方案仅适用于本次绩效考核周期,具体的薪资调整将根据员工的绩效表现和公司的薪酬政策进行评估和调整。
如有疑问,请与人力资源部门联系。
员工薪酬调整评估表
员工薪酬调整评估表
尊敬的员工,
为了确保公司薪酬体系的公平和竞争力,我们将对员工薪酬进行定期评估和调整。
为此,我们制定了以下员工薪酬调整评估表,请您按照要求填写相关信息。
员工信息:
姓名:
部门:
职位:
入职日期:
目前薪资:
绩效评估:
请您根据以下绩效评估标准,对自己的绩效进行评估,并在相应的选项前打勾。
1. 工作质量:
- [ ] 优秀
- [ ] 良好
- [ ] 一般
- [ ] 需改进
2. 工作效率:
- [ ] 高效
- [ ] 较高
- [ ] 一般
- [ ] 需改进
3. 团队合作:
- [ ] 积极合作
- [ ] 较好
- [ ] 一般
- [ ] 需改进
4. 创新能力:
- [ ] 非常有创意
- [ ] 有一定创意
- [ ] 一般
- [ ] 需改进
薪酬调整建议:
根据您的绩效评估,我们将对您的薪酬进行调整。
请您在下面的空格中填写您认为合适的薪酬调整建议。
薪酬调整建议:
备注:
如果您有任何其他需要说明的情况,请在下面的空格中填写。
备注:
请您将填写完毕的员工薪酬调整评估表提交给人力资源部门,我们将在评估完成后尽快与您联系。
谢谢您的合作!
人力资源行政专家。
员工调薪考核表
考核指标:(请直接上级对员工进行评价,并在选项上画勾;计算总分后在总分栏相应位置画勾)
1.出勤情况(满分10 分)
A.全勤,无病事假迟到情况(10 分)
B.良好,平均每3个月有3次以内缺勤或迟到并能提前请假(7 分) C.
一般,平均每3个月有3次以上6次以下缺勤或迟到(4 分)
D.差,平均每3个月有6次以上缺勤或迟到(0 分). 2.
适岗程度(满分15 分) A.个人素质及工作能力非
常适合岗位目标要求(15 分) B.基本适合工作岗位(10
分) C.暂时不能胜任本职工作(5 分) D.完全不适合本
职工作(0 分)
3.工作效率(满分10 分)(在规定时间完成任务,遇到问题迅速反应) A.效
率高(10 分)
B.效率良好(7 分)
C.效率一般(4 分)
D.效率低(0 分)
4.工作质量(满分10 分)(完成的工作是否符合要求,达到预期效果,有无事故并造成损失)
A.很高(10 分)
B.高(7 分)
C.一般(4 分)
D.差(0 分)
5.工作态度(满分15 分)(积极推进工作,努力寻求资源,不回避困难) A.能
创造性地完成本职工作(15 分) B.能主动完成本职工作(11 分) C.在
指导下能完成工作(7 分)D.反复督促完成工作(3 分) 6.团
队意识(满分10 分)
A.能积极地配合其他部门及人员工作(10 分)B.可以较好地配合(7 分) C.配
合程度一般(4 分)D.不配合其他部门(1 分)。