铝箔退火炉的设计与应用
- 格式:pdf
- 大小:149.90 KB
- 文档页数:4
铝箔退火热处理工艺的介绍铝箔是铝加工生产中工序较多、加工技术难度较大、厚度较薄的铝材产品。
它通常是工业纯铝加工而成。
铝箔生产涉及了从熔铸、热轧、冷轧到箔轧的所有轧制工艺和热处理工艺。
铝箔的生产水平代表了铝加工工业的先进程度和发展水平。
铝箔也是国民经济中日用民需非常关键的产品。
铝箔的质量的保证需要对铸造温度和卷毛料退火温度有比较准确适当的控制,轧制、剪切和各工序也都要仔细调整和操作,才能得到质量合格的卷毛料,制作出合格的铝箔产品。
在铝箔的热处理工序之中,退火工艺是一道比较关键的工艺过程,它的效果直接关系铝箔的产品品质。
铝箔成品退火的目的是除油和软化。
对工业纯的铝箔,软化退火温度约300℃,除油退火温度为180~200℃;对高纯铝箔这两个温度应适当降低。
退火温度还要根据厚薄和季节作适当调整。
炉膛内常为强制流动的空气,但也可以使用保护气氛,如含适量CO2、CO和H2的氮气。
炉型以箱式电阻炉为较广泛。
退火时间从几小时至几十小时,主要取决于除油效果,而除油效果则与卷材的宽度、直径、松紧度和装炉量有关。
退火炉是冶金和机械行业常用的热处理工艺设各。
一般说来,退火处理工艺是冶金和机械产品的较后处理工序,它的处理效果将直接影响产品的质量。
因此,对退火炉的基本要求就是根据退火处理工艺曲线,提供准确的升温,保温及降温操作,同时保证炉内各处的温度均匀。
在目前实际生产中,退火炉的种类很多,按燃料分有燃油炉、燃气炉、电炉等。
电炉按台数计算占80%,燃油炉和燃气炉占20。
下面分别介绍电热退火炉的特点:电炉:电炉作为一种有效的退火处理加热设各,以其控制简单、温度控制精度高、热处理后表面质量高等特点,在生产中得到广泛的应用。
目前工业应用中退火炉对炉体的导流装置进行了很好的改进,并且在炉顶安装了循环风机使炉气循环,促进对流传热的效果,因此获得快速均匀的加热效果。
现在电加热退火炉的自动化控制系统技术已经达到了很高的水平,对于温度的准确控制、工艺的检测、自动化的控制等方面相比其他炉子有很大的优势,主要体现在以下几点:1、温度精密控制:辉达工控设计的智能电炉温度控制系统采用集成温度PID调节电路、可控硅及触发电路等一体化的KY系列智能温度控制器,一体化安装,带RS485通讯功能,,分别对每控温区进行温度控制,可满足0-1300℃温度范围内0.5%的控温精度。
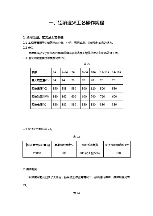
一、铝箔退火工艺操作规程1 适用范围、定义及工艺参数1.1 本规程适用于轧制箔材的分卷、分切、剪切成品、轧制卷材成品的退火。
1.2 定义为满足成品交货的机械性能和获得无油斑表面的铝箔材而进行的热处理工序。
1.3 退火炉的主要技术参数见表22。
表221.4 炉子的性能见表23。
表232 烘炉制度新炉使用前及旧炉子大修后,各系统工作正常情况下,必须进行烘炉,烘炉制度见表24。
表243 操作前准备3.1 接料时按生产卡片核对退火箔卷的合金牌号、状态、批号、规格及数量,•并检查有无碰伤、划伤、串层,发现问题及时解决。
3.2 装炉前应按顺序记录好各卷的批号、合金、规格及重量,避免出炉时混料。
3.3 同炉退火的铝箔按要求放在料架或料筐上。
3.4 工件测温采用外径230mm左右,宽度300mm左右的铝卷模拟块。
工件热电偶插在该卷端部距外圆10-20mm处,深度要求20-30mm。
装炉前要采用凉透的模拟块并检查热电偶是否插紧,以及有无破损情况,确认完好时方可装炉。
要求每炉必须安放四根工件热电偶,两根备用。
3.5 开动前应仔细检查加热系统、冷却系统、保护气体发生系统以及仪表等是否正常和安全,确认正常后方可随炉升温。
3.6 每次装炉前,应将炉内以及风机口所剩铝屑及脏物清除干净,否则不能装炉。
4 炉子操作4.1 各批料的退火均为装炉后随炉升温。
4.2 成品退火加热时炉子发生故障或因停电等原因,炉料在炉子停留时间不超过1小时可以补充加热时间,如果超过1小时则应重新退火。
4.3 装炉后炉门放下时,开启上下开启装置,放下后应开动炉门压紧装置。
4.4 调整炉子定温,当温度快达到要求时,应改定温,调到要求温度下恒温,且在此温度下进行保温,并应每小时检查一次各仪表控制情况,做好记录以免仪表失灵而跑温或引起损坏,如有异常,及时找有关人员解决。
4.5 当保温达到要求时间后,开动冷却装置,使其按工艺降到要求出炉的温度后方可出炉。
4.6 出炉时应停电,启动炉门,装卸料车速度应平稳、缓慢,以防炉料因冲击而损伤。
本栏目责任编辑:梁书计算机工程应用技术铝箔连续退火炉控制系统介绍徐锦华,陈清,罗华(中机国际工程设计研究院有限责任公司,湖南长沙41000)摘要:在铝箔退火生产过程中,常使用单体立式的退火炉,不但能耗高,而且各工艺段的温度控制时滞性差,导致退火生产效率低。
该文重点介绍设计了新型连续式退火炉系统的基本构造、控制原理,简述了实际应用中涉及的全局直接补偿与全局线性补偿优化控制策略,并总结了生产实践中的优缺点,对退火炉的后续改进具有指导意义。
关键词:连续退火炉;温度控制;控制系统中图分类号:TP311文献标识码:A文章编号:1009-3044(2017)05-0216-03The Instruction of Control System of Aluminum Foil Annealing Furnace XU Jin-hua,CHEN Qing,LUO Hua(China Machinery International Engineering Design &Research Institute Co.,LTD,Changsha 41000,China)Abstract:In the process of aluminum foil annealing,the vertical annealing furnace is often used,which not only has high energy consumption,but also has poor temperature control delay,which leads to the low efficiency of annealing production.This paper focuses on the design of the basic structure,a new kind of continuous annealing furnace control system principle,the global ap-plication relates to the direct compensation and global linear compensation control strategy optimization,and summarizes the ad-vantages and disadvantages of production practice,which provides guidance for the further improvement of annealing furnace.Key words:continuous of annealing furnace;temperature control;control system1背景退火炉是铝箔生产的最后一个主要程序热处理,它作为铝箔生产的至关重要的步骤,可以优化铝箔的性能,在产品的质量和效率方面有显著的影响。
退火炉退火炉-铝合金热处理设备的发展与关键技术1前言退火炉-随着有色金属技术的发展,铝和铝合金以它特有的优势愈来愈广泛的用于航空工业和民用建筑、医疗、食品包装等行业。
铝合金的热处理技术已发展成为热处理学科中的一个重要组成部分。
铝合金热处理包括:铝合金退火、时效、均匀化、固溶热处理等。
退火炉-随着铝合金产品的广泛应用,对铝合金热处理质量不断提出更高的要求,本文将对铝合金热处理技术的发展及关键问题进行综合分析和评述。
2铝合金的均匀化退火炉-在铝板带和铝型材生产工艺中,铸锭通过热轧、挤压可获得坯料铝卷带、铝型材。
在铸造过程中,虽然可以通过在铝液中添加微量晶粒细化剂(Al-Ti-B)达到细化铸锭晶粒的目的,但铸锭的结晶组织还是不均匀。
这是因为铝液的凝固是从结晶器的内壁开始,垂直于冷却面的方向向铝液内部扩展,所以铸造组织具有明显的方向性;随着铝凝固层的增厚,传热系数减小,内外晶核的形成和长大的不一致导致晶粒的形状、位向和大小也随之变化;凝固时金属成分造成的偏析现象,晶粒四周和晶内锰浓度的差异扩大了再结晶温度区间,降低生核率,从而容易产生粗晶;铸造时锭内部产生不同程度的缩孔和疏松组织。
退火炉-在热轧、挤压过程中,由于热加工变形与再结晶同时进行,形成了以等轴晶粒为主的再结晶组织,可使铸造的结晶组织不均匀状态得到不同程度的改善。
为了进一步改善热轧、挤压的性能,提高热加工后产品质量和档次,许多铸锭在热加工之前均在铝合金固相线下的温度570~620℃进行均匀化处理,使MnAl6相均匀析出,减小或消除晶内偏析,以达到均匀化之目的。
2.1轧制用坯锭、卷带的二次加热和均匀化生产线(1)推进式加热/均匀化炉--退火炉对于具有热轧能力的大型铝加工厂的批量生产来说,用推进式加热/均匀化炉来进行二次加热和均匀化比较合适。
根据工厂的实际情况可采用加料和卸料的全自动操作或半自动操作,铝锭加热电炉见图1。
图126t铝锭加热电炉图253t铝扁锭均热炉图335t铝棒均热炉3铝合金的固溶热处理铝合金的基本热处理形式是退火与淬火时效。
北京科技大学硕士学位研究生选题报告及文献综述铝箔退火炉控制系统研究指导教师:刘鸿飞副教授单位:北京科技大学学号:s2*******作者:闫利专业名称:机械电子工程入学时间:2010年08月2011年07 月10日1课题概况 (3)1.1课题的内容 (3)1.1.1课题来源 (3)1.2.1主要研究内容 (3)1.2.课题的意义 (4)2文献综述 (5)2.1铝箔退火炉研究现状及发展水平 (5)2.1.1铝箔退火炉的分类及特点 (5)2.1.2铝箔退火炉国内外计算机控制系统的发展 (6)2.1.3国内外退火炉技术的研究应用现状 (6)2.1.4智能控制算法在温度控制中的应用发展 (8)2.2工业过程控制系统应用发展 (10)2.2.1工业过程控制系统的发展 (10)2.2.2现场总线PROFIBUS (11)2.2.3现场总线在PLC上的实现 (12)3 课题的研究工作 (13)3.1课题研究工作的内容 (13)3.1.1退火炉控制系统的硬件系统设计 (13)3.1.2加热系统设计 (16)3.1.3风机控制系统设计 (16)3.1.4温度采集系统设计 (16)3.2退火炉控制系统的软件设计 (17)3.2.1软件设计思想 (17)3.2.2软件设计内容 (17)3.2.3软件设计方法 (18)3.3课题研究工作的技术关键 (19)3.3.1退火炉温度PID模糊控制 (19)3.3.2控制系统的网络通信 (20)3.4课题研究工作的可行性 (21)3.5研究工作初步计划 (21)参考文献 (21)1课题概况1.1课题的内容1.1.1课题来源在铝箔的生产过程中,退火是其热处理工艺中最重要的工序之一。
铝箔按生产状态有软硬两种,铝箔大多数是在软化退火后使用,软化退火不仅是为了控制铝箔的力学性能,而且要消除铝箔表面的残油,获得平整光亮的表面,并能自由展开[1]。
高质量的铝箔对退火温度有很高的要求,退火炉温度高于或低于退火工艺设定温度会造成退火料性能偏软或偏硬,因此,高质量的铝箔对退火炉的温度特性及控温精度要求很高,一般需达到±3℃,以至±1℃的精确水平。
铝箔退火工艺的选择所谓退火制度,即退火工艺参数,指的是退火过程中的加热速度,加热温度,保温时间、冷却速度等,在生产条件下,铝箔退火制度是根据退火炉的结构和生产能力、装炉量的大小和铝箔在炉内的放置方法以及对铝箔性能的要求来确定的。
1、加热速度所谓加热速度一般是指单位时间内所升高的温度,在退火工艺参数中,加热速度似乎是个不足轻重的参数,但不能很好的根据不同情况选择合适的加热速度,对产品的质量、炉子的利用率、及生产周期都有可能带来不良影响。
确定加热速度所要考虑的因素如下:(1)炉量装炉量越大,即炉料越多,则若要保持各部分温度均匀,使产品的性能均匀一致,就需要较长的均热时间,因而加热速度应相应的慢一些,反之,若装炉量少时,加热速度可适当提高。
(2)铝箔规格的大小从理论上讲铝箔的宽度越宽卷径越大热传导性越差,则加热速度就应相应的慢一些,这是因为,体积大,导热性不好的铝箔,若其加热速度太快,有可能造成铝箔中心部位与表面温度差别太大,由于热涨冷缩的原因,使得铝箔中心部位与表面的体积变化有很大差异,因而会产生很大的热应力,从而造成铝箔热鼓变形等不良后果。
(3)晶粒度快速加热易于得到细小均匀的再结晶组织,3021合金的清水箔在退火过程中极易出现晶粒不均匀现象,(局部位置晶粒十分粗大),其原因同铸锭组织中锰偏析有直接关系。
晶粒四周和晶内锰浓度的差异,扩大了再结晶温度区间,降低了生核率,从而容易产生粗晶,防止这种现象的措施之一,就是快速加热。
3021合金退火时,晶粒组织对加热速度是敏感的。
快速加热可缩小再结晶区间。
使间界和晶内同时生核,因而容易获得细小均匀的晶粒组织。
(4)缓慢的加热速度有利于防止铝箔粘连。
(5)生产效率从生产效率来考虑,加热速度应越快越好,在实际生产中,退火过程中的加热时间约占整个退火周期的1/3---1/5左右(利乐及建筑用箔除外)。
因此,加热速度对退火生产效率的影响是不可忽视的,但提高加热速度应在兼顾上述几个因素的基础上进行。
书山有路勤为径,学海无涯苦作舟铝箔热处理工艺特点进行真空退火炉的选择铝是一种延展性极佳的金属,经过多次冷轧、合卷、精轧、切边及退火后制成厚度低于0.2 mm 铝箔成品。
铝箔厚度可低至0.004mm,宽度可达2m,卷径在1.5m 左右。
有良好导热性及导电性,在导磁性及防辐射方面表现良好,因而在电力电容器、电缆、家电及医药、香烟、装饰、包装等行业广泛应用。
铝箔为成卷供货,胚料经冷轧及合卷等工序后,必须进行软化退火处理,以消除压延过程中产生的应力,提高拉伸时柔韧性和均匀性,消除开卷时的跑偏率。
铝箔在制造过程中,工艺上采用全油润滑保护,成品对除油有严格控制。
而真空退火具有脱脂及除气作用,能去除残留油脂,因此可显著提高产品质量。
铝与氧具有极高的化学亲和力,在室温下能形成致密的Al2O3 保护膜,由于氧成分在中高真空中仅为0.5%左右,烘烤后可低至0.1%~0.01%,因此可有效防止氧化膜或化合物生成。
同时,在真空炉中处理,能得到光亮表面,且炉温加热均匀,工件变形小,节能无污染等优点,特别对一些活泼金属的热处理尤为适用。
因此铝箔在真空中退火比采用其他热处理方法具有明显优势。
根据铝箔热处理工艺特点进行炉型选择由于铝箔是成卷状态,其热处理要求缓慢加热,慢速冷却。
铝的熔点为660.24 ℃,热膨胀系数(20~100℃)为23.8 乘以10-6/K。
控制铝箔表面与心部温差以减少热应力成为热处理的关键。
真空加热具有升温缓慢、受热均匀、热应力小等特点。
真空状态下, 假如仅靠辐射方式传热,根据斯蒂芬-波尔兹曼定律: 辐射传热能量与绝对温度四次方成正比,因此加热传导速度慢,尤其在低温,加热传导速度更慢,尽管炉子本身升温很快,但被加热工件依然升温缓慢,同时工件不同部位受热不均温差大,工件表面和心部温差也大,加热变形增大。
当通入惰性保。
1 绪论根据生产能力和规模,铝材退火炉分为单体退火和退火炉群组成的退火生产线。
退火生产线一般由几台退火炉、复合装卸料车、炉外料台、冷却室(有些炉子带旁路冷却器)组成。
炉体采用大风量风机对铝材进行循环加热,炉内的导流装置可有效保证气流均匀的通过铝材,使之加热均匀,加热器采用顶装整体式结构、拆装、维修很方便。
炉门开闭采用气动压紧式或机械传动升降式,运行平稳,密封性好。
炉子的排油烟系统可有效地去除铝材表面的油膜,调节炉内的压力。
这种炉子的装料量一般为10~50t。
本机组主要由炉体、旁路冷却系统、装卸料车及可控硅微机控制系统构成,是机电一体化大型专业设备。
最大装载量为20吨。
由于炉体的密封性能好,强制空气循环的风机效率高,使得升温时间短、耗能低、温度均匀性好。
备有的旁路冷却系统可实现控制冷却,使得热处理后的铝材质量优良。
利用退火炉将金属缓慢加热到一定温度,保持足够时间,然后以适宜速度冷却(通常是缓慢冷却,有时是控制冷却)。
目的是改善塑性和韧性,使化学成分均匀化,去除残余应力,或得到预期的物理性能。
2 热处理原理与工艺2.1铝合金热处理原理铝合金铸件得热处理就是选用某一热处理规范,控制加热速度升到某一相应温度下保温一定时间以一定得速度冷却,改变其合金的组织,其主要目的是提高合金的力学性能,增强耐腐蚀性能,改善加工型能,获得尺寸的稳定性。
2.2铝合金热处理特点众所周知,对于含碳量较高的钢,经淬火后立即获得很高的硬度,而塑性则很低。
然而对铝合金并不然,铝合金刚淬火后,强度与硬度并不立即升高,至于塑性非但没有下降,反而有所上升。
但这种淬火后的合金,放置一段时间(如4~6昼夜后),强度和硬度会显著提高,而塑性则明显降低。
淬火后铝合金的强度、硬度随时间增长而显著提高的现象,称为时效。
时效可以在常温下发生,称自然时效,也可以在高于室温的某一温度范围(如100~200℃)内发生,称人工时效。
2.3铝合金时效强化原理铝合金的时效硬化是一个相当复杂的过程,它不仅决定于合金的组成、时效工艺,还取决于合金在生产过程中缩造成的缺陷,特别是空位、位错的数量和分布等。
铝箔热处理工艺特点进行真空退火炉的选择书山有路勤为径,学海无涯苦作舟铝箔热处理工艺特点进行真空退火炉的选择铝是一种延展性极佳的金属,经过多次冷轧、合卷、精轧、切边及退火后制成厚度低于0.2 mm 铝箔成品。
铝箔厚度可低至0.004mm,宽度可达2m,卷径在1.5m 左右。
有良好导热性及导电性,在导磁性及防辐射方面表现良好,因而在电力电容器、电缆、家电及医药、香烟、装饰、包装等行业广泛应用。
铝箔为成卷供货,胚料经冷轧及合卷等工序后,必须进行软化退火处理,以消除压延过程中产生的应力,提高拉伸时柔韧性和均匀性,消除开卷时的跑偏率。
铝箔在制造过程中,工艺上采用全油润滑保护,成品对除油有严格控制。
而真空退火具有脱脂及除气作用,能去除残留油脂,因此可显著提高产品质量。
铝与氧具有极高的化学亲和力,在室温下能形成致密的Al2O3 保护膜,由于氧成分在中高真空中仅为0.5%左右,烘烤后可低至0.1%~0.01%,因此可有效防止氧化膜或化合物生成。
同时,在真空炉中处理,能得到光亮表面,且炉温加热均匀,工件变形小,节能无污染等优点,特别对一些活泼金属的热处理尤为适用。
因此铝箔在真空中退火比采用其他热处理方法具有明显优势。
根据铝箔热处理工艺特点进行炉型选择由于铝箔是成卷状态,其热处理要求缓慢加热,慢速冷却。
铝的熔点为660.24 ℃,热膨胀系数(20~100℃)为23.8 乘以10-6/K。
控制铝箔表面与心部温差以减少热应力成为热处理的关键。
真空加热具有升温缓慢、受热均匀、热应力小等特点。
真空状态下, 假如仅靠辐射方式传热,根据斯蒂芬-波尔兹曼定律: 辐射传热能量与绝对温度四次方成正比,因此加热传导速度慢,尤其在低温,加热传导速度更慢,尽管炉子本身升温很快,但被加热工件依然升温缓慢,同时工件不同部位受热不均温差大,工件表面和心部温差也大,加热变形增大。
当通入惰性保。
第十九章铝箔退火设备及负压退火除油原理铝箔成品退火炉是以对流传热为主的电阻炉,这类炉是以循环的气流作为加热物料的介质,通常称为气流式电阻炉, 从结构上又称为箱式退火炉。
1、工作原理及特点退火炉主要由加热室与炉膛两部分组成,加热室内安装24根电热元件,而被加热的物料放置在炉膛内,加热室与炉膛有隔风板隔开,隔风板用耐热钢板做成,风机首先将气流(一般为空气)送往加热室,流过炽热的的电热元件表面,依靠对流传热,被加热到一定温度,然后热气流进行炉膛。
又通过对流传热将物料热至所需温度。
热气流通过炉膛后,温度降低了,又被风机送往加热室。
如此在风机的作用下,气流不停的在加热室和炉膛之间进行闭路循环,将加热室内电热元件所产生的热,通过对流传热方式,不断的传递至炉膛的物料,使之达到所需要的温度。
退火炉主要元件的技术参数退火炉规格15吨退火炉20吨退火炉40吨坯料退火炉炉膛有效堆料尺寸mm 6000х1850х17305800х2160х19106100х2500х2450(SQ)1900хф560х2130冷却水耗量m3/h 20 30 15(SQ) 20加热器额定功率Kw 480 480 1020 金属退火温度℃150-500 150-450 120-500(SQ) 120-580炉膛最高工作温度℃580 550 650循环风机风量m3/h 130000 143000 140000(SQ) 140000 风压mmH2O 50 50 50最高使用温度℃650 700 700风机转速转/分钟500 1000 580.8 1161.5 580.8 1161.5吹洗风机最大风量m3/h 1704 1704 1704 风压mmH2O 360 325 325 功率Kw 2.2 3 3负压除油风机功率11Kw 风压630mmH2O 风量3400m3/h气流循环式电阻炉具有两个特点:第一热气流可以流过料层的表面和内部,使铝箔的所有表面都同时与气流接触而受到加热,这样就保证铝箔加热温度的均匀性,温差可达到±3℃以内。