水轮发电机组值班上册复习题答案
- 格式:docx
- 大小:24.96 KB
- 文档页数:31
水轮发电机组值班(上)习题集一、填空题1、河段水能数值的大小取决于水的落下高度、水量的大小。
2、从天然水能到生产电能的过程中,各种损失有水库损失、水头损失、功率损失。
3、水电厂的水工建筑物有挡水建筑物、泄水建筑物、闸门、用水建筑物。
4、闸门从其结构来看,其类型有平板闸门、弧形闸门。
5、水库的特征水位有死水位、正常蓄水位、防洪限制水位、防洪高水位、设计洪水位、校核洪水位。
6、水电厂在系统中的运行原则是安全经济可靠6、泄水建筑物的作用是宣泄洪水。
7、泄水建筑物按泄流方式可分为溢洪道、深式泄水孔。
8、水电厂的装机容量从设计角度包括最大工作容量、备用容量、重复容量。
9、水电厂中的红色管道表示压力油管和进油管,深绿色管道表示进水管,桔红色管道表示消防水管。
10、技术供水的主要对象是发电机空冷、推力及各导轴承油冷、水导轴承及主轴密封、水冷变压器、水冷空压机、深井泵润滑。
11、各用水设备对技术供水的要求是水量、水压、水温、水质。
12、排水泵的形式有离心泵、深井泵、射流泵、潜水泵。
13、水电厂的厂用电系统包括全部厂用电力、厂用配电装置、厂用电交直流电源。
14、厂用直流电源的作用是操作、保护、信号、逆变、事故照明、机组起励。
15、自动空气开关的结构,一般分为触头系统、灭弧装置、操作机构和脱扣装置四部分。
16、接触器的主要组成部分有电磁系统、触头系统、灭弧系统。
17、直接启动的异步电动机,其启动电流是额定电流的4-7倍。
18、鼠笼式异步电动机的启动方法有直接启动、降压启动。
19、低压电动机的保护一般设有熔断器、热继电器。
20、电动机的过载保护是热继电器。
21、电气设备的状态有热备用、冷备用、检修和运行。
22、电动机运行中,三相电压的相差值不应大于额定值的-5%~+10%,各相电流不大于额定值的10%。
23、按信号的不同,水电厂的信号有位置信号、事故信号、预告信号。
24、水能一般包括位能、压能、动能。
25、根据水轮机转轮水流能量的形式不同,水轮机型式可分为冲击型和反击型两类。
水轮发电机组值班(上)第一篇水电厂辅助设备及厂用电系统第一章水力发电概论复习题一、填空题:1、河段水能数值的大小取决于水的落下高度和水量的大小。
(也就是落差和水量两个要素。
)2、从天然水能到生产电能的过程中,各种损失有蒸发、渗漏损失、水头损失、功率损失。
3、水电厂的开发方式有抬水式开发、引水式开发、混合式开发、潮汐式水电厂、抽水蓄能电厂、梯级水电厂。
4、水电厂的水工建筑物有拦水建筑物—坝、泄水建筑物、闸门、用水建筑物—水电厂进水建筑物和厂房。
5、闸门从其结构来看,其类型有平板闸门和弧形闸门。
6、水库的特征水位有死水位、正常蓄水位、防洪限制水位、防洪高水位、设计洪水位、校核洪水位。
7、水电厂在系统中的运行原则是8、泄水建筑物的作用是宣泻洪水。
9、泄水建筑物按泄流方式可分为溢洪道和深水泄水道。
10、水电厂的装机容量从设计角度包括最大工作容量、备用容量、重复容量。
二、选择题1、水电站的出力公式为:( b )(a)P=9.81QH;(b)P=9.81ηQH;(c)P=KQH;(d)E=0.00272WH2、抽水蓄能电厂在电力系统中的主要作用是( d )(a)抽水;(b)发电;(c)蓄能;(d)削峰填谷。
3、按坝的受力情况和结构特点分为( c、d )(a)溢流坝;(b)混凝土坝;(c)拱坝;(d)重力坝。
4、多年调节水电厂在系统中一般( b、d )(a)担任基荷;(b)担任峰荷;(c)侒保证出力工作;(d)可担任备用任务。
5、防洪限制水位是指( c )(a)水库削落的最低水位;(b)允许充蓄并能保持的高水位;(c)汛期防洪要求限制水库兴利允许蓄水的上限水位;(d)水库承担下游防洪任务,在调节下游防护对象的防洪标准洪水时,坝前达到的最高水位。
三、判断题1、水轮机效率(ηr )和发电机效率(ηc)之积就是水电厂效率。
(√)2、潮汐式水电厂只有在落潮时才能发电。
(×)3、抽水蓄能电厂因为抽水用的电比放水时发出的电要多,所以抽水蓄能电厂在电力系统中没有什么作用。
水轮发电机组值班员(中级)知识试卷一、选择题:1. 水电站的出力公式为( B )(QH P η81.9=;)。
(A )QH P 81.9=;(B )QH P η81.9=;(C )KQH P =;(D )WH E 00272.0=;2. 抽水蓄能电厂在电力系统中的主要作用是( D )(削峰填谷)。
(A )抽水;(B )发电;(C )蓄能;(D )削峰填谷;3. 按坝的受力情况和结构特点分为( C 、D )。
(A )溢流坝;(B )混凝土坝;(C )拱坝;(D )重力坝;4. 多年调节水电厂在系统中一般( B )。
(A )担任基荷;(B )担任峰荷;(C )按保证出力工作;(D )可担任备用任务;5. 防洪限制水位是指( C )。
(A )水库消落的最低水位;(B )允许充蓄并能保持的高水位;(C )汛期防洪要求限制水库兴利允许蓄水的上限水位;(D )水库承担下游防洪任务,在调节下游防护对象的防洪标准洪水时,坝前达到的最高水位;6. 水电厂辅助设备包括( A 、B 、C )。
(A )油系统;(B )水系统;(C )风系统;(D )厂用电系统;7. 水电厂的供水包括( A 、B 、C )。
(A )技术供水;(B )消防供水;(C )生活供水;(D )水泵供水;8.推力轴承油盆中油的作用是( B 、C )。
(A)绝缘;(B)冷却;(C)润滑;(D)顶转子;9. 离心泵起动前应(C)。
(A)打开出口阀;(B)关闭出口阀;(C)充水;(D)排水;10. 深井泵轴折断后表现为(B)。
(A)电流增大;(B)电流减小;(C)振动变大;(D)振动减小;11. 润滑油的作用是(A、B、D)。
(A)润滑;(B)散热;(C)消弧;(D)传递压力;12. 调速机构压力油油压降低将会(D)。
(A)飞车;(B)自动将机组关至空载;(C)自动停机;(D)机组自动关至空载并停机;13. 水电厂厂内低压风的用途是(A、B、C、D)。
水轮发电机组值班员考试:中级水轮发电机组值班员考试题一1、问答?一个硅二极管电路如图E-37所示,要接成单相桥式整流电路,并标明输入端、输出端和输出的正负极。
正确答案:2、判断题机组进行自动准同期并网时,先合上发电机出口端断路器,然后马上给发电机加上励磁。
正确答案:错3、判断题高压断路器主要是用来切断电源的。
正确答案:错4、多选按坝的受力情况和结构特点分为()。
A、溢流坝;B、混凝土坝;C、拱坝;D、重力坝;正确答案:C, D5、单选水头是恒定的流,明渠中的()沿程不变。
A、总水头;B、流量;C、流速;D、位能正确答案:B6、单选同期并列瞬间待并发电机与电力系统的相位角差不允许超过()。
A、0°;B、5°;C、10°;D、20°;正确答案:B7、单选水电厂的厂用电是指()。
A、厂用机械用电;B、发电机用电;C、照明用电;D、厂用机械及照明;正确答案:D8、单选悬式水轮发电机的推力轴承位于()机架上,在转子的()方。
A、上;B、下;C、负荷;D、非负荷;正确答案:A9、问答题对厂用电有哪些基本要求?正确答案:对厂用电的基本要求有:(1)厂用电工作电源与备用电源应连接在不同的电源上;(2)正常运行时厂用电源不得少于两个;(3)带厂用电的机组,可适当地将重要辅机安排在有厂用发电机的系统上;(4)具有备用电源自动投入装置。
10、问答题说明厂用变压器冲击合闸试验的目的和操作步骤。
正确答案:主要目的是:检验变压器的绝缘和机械强度能否承受全电压充电和操作过电压的冲击,并且检查继电保护的整定值,能否躲开空载合闸时较大的励磁涌流,以保证变压器空载合闸时,其快速继电保护装置不会动作。
厂用变压器冲击合闸试验均采用从装有保护的高压侧进行充电。
该试验应注意以下问题:(1)收回检修作业票,检查现场无异物;(2)撤除安全措施;(3)将保护的后备接线及跳运行开关的二次接线(或压板)断开,以不影响正常的供电系统;(4)变压器保护全部投入;(5)变压器低压侧开关拉至“移开位置”;(6)变压器的保护电源、信号电源投入;(7)变压器高压侧开关的合闸电源、操作电源投入;(8)检查变压器高压侧开关在分,将该开关推至“连接”位置固定好,投入变压器的冷却系统;(9)通知值长,联系检修人员,合变压器高压侧开关,做冲击合闸试验;(10)检查变压器本体无异常;(11)分开变压器高压侧开关;(12)试验措施恢复原状。
水轮发电机组值班员考试:中级水轮发电机组值班员题库一1、单选下面有关电磁感应说法错误的是()。
A、电路中有感应电流必有感应电动势存在;B、自感是电磁感应的一种;C、互感是电磁感应的一种;D、电路中(江南博哥)产生感应电动势必有感应电流。
正确答案:D2、单选当水轮发电机组转速达到140%额定转速时,应动作于()。
A、发故障信号;B、事故停机;C、不发信号;D、紧急事故停机并关闭快速闸门;正确答案:D3、单选变压器全电压充电时,(),可能导致保护误动A、空载电流;B、激磁涌流;C、负荷电流;D、短路电流。
正确答案:B4、单选水电厂二次回路的工作电源一般采用()电源。
A、直流;B、交流;C、高压;D、低压;正确答案:A5、判断题当阀门突然关闭,管中流速减少,压强突然升高,这种以压强升高为特征的水锤称直接水锤。
正确答案:错6、判断题装在灭弧室的油,只用来作灭弧用,可以不要求其有绝缘性能。
正确答案:错7、单选半伞式水轮发电机装有()部导轴承而不装下部导轴承。
A、上;B、下;C、中;正确答案:A8、问答题单相桥式整流电路中,如果一个二极管短路、断路、反接,电路会出现什么情况?正确答案:(1)当一个二极管短路时,流过相邻一个二极管的电流特别大,所以相邻的一个二极管和变压器易烧坏;(2)当一个二极管断路时,桥式整流变为半波整流,输出变为脉动直流,使用电设备不能正常工作;(3)当一个二极管反接时,该反接二极管将在其正常时的截止半波中构成短路电路,引起整流中二极管和变压器的烧坏。
9、问答?如图F-7所示,说明厂用高压开关的操作过程,要求说明合闸、分闸和“防跳”过程。
(图中:YO是开关的合闸线圈,YR是开关的分闸线圈,KL是开关的防跳跃闭锁继电器,KOFS是跳闸位置继电器,KOS是合闸位置继电器,KMP是保护跳闸接点,SA是开关的分、合闸操作把手)正确答案:(1)开关合闸时,可将操作把手1SA(2SA)顺时针拧到“合闸”位置(或在监控计算机上操作合闸键),这时操作把手的①-②触点接通,正极母线通过①?②触点、防跳跃闭锁继电器的闭接点KL2和开关的跳闸位置辅助接点QFOF,把合闸线圈YO与负极母线接通,YO励磁将开关合闸,此时开关的跳闸位置辅助接点QFOF断开,将合闸回路断开,开关合闸后,松开操作把手,操作把手自动复归到原位,开关的合闸辅助接点QFO接闭,使合闸位置继电器KOS经过电阻R与跳闸回路接通,KOS的常开接点闭合,可向远方发开关合闸的信号;这时由于电路中有电阻R,所以通过跳闸线圈YR的电流非常小,它不足以使跳闸线圈励磁动作。
水轮发电机组复习资料一、判断题1、球阀与蝴蝶阀相比较,尺寸小、重量轻、关闭严密、造价便宜。
( ³ )2、三绕组变压器差动保护范围是三侧断路器以内。
( ³ )3、变压器铁芯中的磁通是传递能量的桥梁。
( √ )4、变压器调压方式分为有载调压和无载调压。
( √ )5、电阻表精度越高,则内阻越小。
( √ )6、绝缘材料的绝缘电阻值与湿度有关,与温度无关。
( ³ )7、准同期并列的条件是:相位、频率相同,相序一致。
( ³ )8、线路全阻抗距离保护在母线侧相间短路时保护会启动。
( √ )9、二次设备包括继电保护、自动装置、直流电源装置。
( ³ )10、在一回路中,电流i=I m sin(ωt-75°),电压u=U m sin(ωt+285°),故电流与电压之间相位差正好为360°。
( √ )11、如果励磁回路接触不良,就会出现转子一点接地信号。
( ³ )12、对负序分量滤过器,当通入正序和零序时,滤过器无输出。
( √ )13、异步电动机的转差率是指同步转数与转子转速之差。
( ³ )14、装在灭弧室的油,只用来作灭弧用,可以不要求其有绝缘性能。
( ³ )15、发电机失磁系指发电机在运行过程中失去励磁电流而使转子磁场消失。
( √ )16、频率变动范围不超过±0.5Hz时,发电机可按额定容量运行。
( √ )17、计算机的输入、输出通道又称过程通道。
( √ )18、把模拟量转换成数字量称D/A转换。
( ³ )19、输电线路高频保护的耦合电容器作用是构成高频信号通道,阻止高压工频电流进入弱电系统。
(√ )20、日调节水电站在洪水期一般担任系统的调峰任务。
( ³ )21、三极管有两个PN结,二极管有一个PN结,因此能用两个二极管组成一个两PN结的三极管( ³ )22、倍压电路主要是利用一个电容器所充得的电压和电源电压叠加后,再给另一个电容器充电,而使后一个电容器得到的电压是电源电压的二倍,依次类推,可以获得二倍、三倍…等许多倍电压。
职业技能鉴定《水轮发电机组值班员》初级工试题4.1.1选择题理论试题.基础知识部分La5A1001 单位体积液体所具有的质量称为该液体的(B)。
(A)容积; (B)密度;(C)重率;(D)压强。
La5A1002 判断A-1所示灯泡连接方式是(B)(A)串联; (B)并联;(C)混连;(D)电桥。
La5A1003 系统备用容量中,按其状态分时,当发电机组在开机状态下的备用称为( A )备用.(A)旋转; (B)检修;(C)国民经济;(D)事故。
La5A1004 金属之所以是电的良导体是因为一切金属( A ).(A)内部存有大量自由电子; (B)内部的电子比其它物质多;(C)内部电荷多;(D)由电子组成。
La5A1005 双绕组电力变压器中,一,二次绕组的额定容量( B ).(A)相等; (B)不相等;(C)高压侧大;(D)一次侧答。
La5A1006 电气设备分为高压和低压两种,对地电压在( A )称为高压电气设备.(A)250V以上;(B)250V以下;(C)220V以上;(D)220V以下。
La5A2007 单位体积液体所具有的重量称为该液体的( C ).(A)容积; (B)密度;(C)重率;(D)压强。
La5A2008 我们平时用交流电压表或电流表测量交流电时,所测数值都是( B )值.(A)最大; (B)有效;(C)平均;(D)瞬时。
La5A2009 下列说法正确的是( A )。
(A)二级管整流是利用二极管的单相导电性;(B)半波整流电路输出的电压低,脉动小,效率低;(C)全波整流电路输出的电压高,脉动小,效率低;(D)以上说法都错。
La5A2010 在交流电路中感抗与频率成( A )关系.(A)正比;(B)反比;(C)非线性;(D)二次函数关系。
La5A2011 衡量电能质量的指标是(C)(A)尽可能采用自动保护以提高供电的可靠性;(B)保持电压稳定;(C)保持系统的电压、频率变化在允许范围内;(D)供电的经济性。
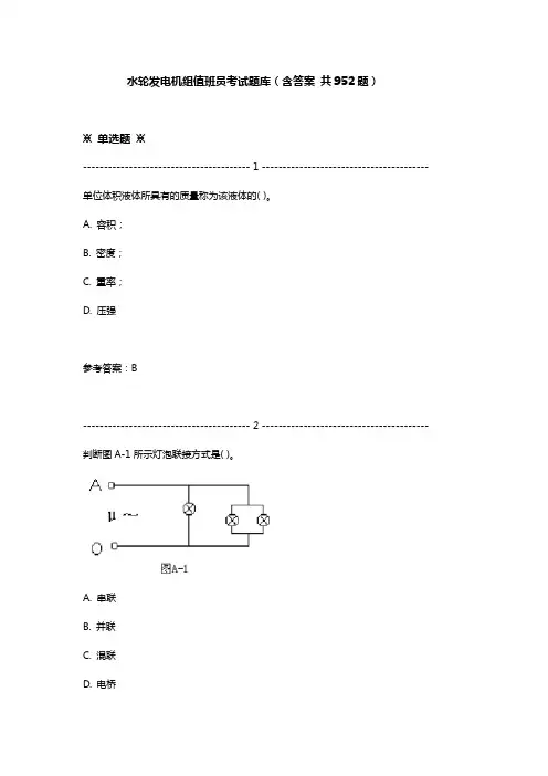
水轮发电机组值班员考试题库(含答案共952题)※单选题※---------------------------------------- 1 ---------------------------------------- 单位体积液体所具有的质量称为该液体的( )。
A. 容积;B. 密度;C. 重率;D. 压强参考答案:B---------------------------------------- 2 ---------------------------------------- 判断图A-1所示灯泡联接方式是( )。
A. 串联B. 并联C. 混联D. 电桥参考答案:B---------------------------------------- 3 ---------------------------------------- 系统备用容量中,按其状态分时,当发电机组在开机状态下的备用称为( )备用。
A. 旋转;B. 检修;C. 国民经济;D. 事故。
参考答案:A---------------------------------------- 4 ---------------------------------------- 金属之所以是电的良导体是因为一切金属( )。
A. 内部存在大量自由电子;B. 内部的电子比其它物质多;C. 内部的电荷多;D. 由电子组成。
参考答案:A---------------------------------------- 5 ----------------------------------------双线圈电力变压器中,一、二次线圈的额定容量( )。
A. 相等;B. 不相等;C. 高压侧大;D. 原边大。
参考答案:A---------------------------------------- 6 ---------------------------------------- 电气设备分为高压和低压两种,对地电压在( )称高压电气设备。
水轮发电机组值班员考试:初级水轮发电机值班员试题及答案一1、问答题说明容重和密度的定义,并说明两者之间的关系?正确答案:单位体积所具有的质量称为密度。
单位体积具有的重量称为容重。
容重等于密度和重力加速度的乘积。
(江南博哥)2、单选抽水蓄能电站在电力系统中的主要作用是()。
A、抽水;B、发电;C、储能;D、削峰填谷。
正确答案:D3、判断题在R-L-C串联电路中,发生谐振时电流最大,电路阻抗最小。
正确答案:对4、问答题一台容量为100KVA的三相变压器,当变压器满载运行时,负载cos Φ分别为1、0.8、0.6、0.4时,对应的输出功率为多少?正确答案:P=ScosΦ=100X1=100(kW )P=ScosΦ=100X0.8=80(kW)P=ScosΦ=100X0.6=60(kW)P=ScosΦ=100X1=40(kW)5、问答题发电机空气冷却器的作用是什么?正确答案:一般大中型发电机是通过密闭式通风方式来冷却的,这是利用转子端部装设的风扇或风斗,强迫发电机里的冷空气通过转子线圈,再经过定子种的通风沟,吸收线圈和铁芯等处的热量成为热空气,热空气再通过装设在发电机四周的空气冷却器,八热量传递给冷却水,经冷却后的空气重新进入发电机,以降低发电机的温度。
6、问答题什么是水锤?它对建筑物和设备有什么危害?正确答案:就是指有压力管道中的流速发生急剧变化时,引起压强的剧烈波动,并在整个管长范围内传播的现象,压力突变使管壁发生振动伴有锤击之声,故称为水锤。
由于发生水锤时,压强的升、降有时都超过正常情况的许多倍,能引起管道、水轮机振动,管道变形,甚至使管道破裂导致电站的严重设备损坏事故。
7、单选水导轴承冷却水一般是排至()。
A、顶盖;B、廊道;C、尾水;D、集水井。
正确答案:C8、问答题水电站技术供水的水源有哪几种?正确答案:1)、上游水库取水作水源;2)、下游尾水取水作水源;3)、地下水源及其他方式取水作水源。
水轮发电机组值班员技师考试复习题一、选择题(请将正确答案的代号填入括号内)1.>处于静止状态的水中,各点位置高度和测压管高度之( )为一常数。
(A)积;(B)商;(C)和;(D)差。
2.>当受压面不是水平放置时,静水总压力作用点( )受压面的形心。
(A)高于;(B)等于;(C)低于;(D)不一定。
3.>电压表A的电阻是2000Ω,电压表B的电阻是400Ω,量程都是15V,当它们串联在12V的电源上,电压表B的读数将是( )。
(A)12V;(B)10V;(C)2V;(D)1V。
4.>混流式水轮机主轴中心孔可用于( )。
(A)装置操作油管;(B)轴心补气;(C)装操作油管和轴心补气;(D)励磁引线。
5.>水流是恒定流,明渠中的( )沿程不变。
(A)总水头;(B)流量;(C)流速;(D)位能。
6.>变压器空载时,感应电动势和磁通向量关系是( )。
(A)超前90°;(B)超前180°;(C)滞后90°;(D)滞后180°。
7.>下面关于开关管的说法不正确的是:( )。
(A)三极管的开关作用,就是三极管在脉冲信号作用下,一会儿导通,一会儿截止;(B)三极管的开关速度很快,可达到每秒100万次以上;(C)三极管的开关作用在数字电路中得到了广泛的应用;(D)三极管的开关作用是由于达不到其偏值电压所致。
8.>多级放大电路中总的放大倍数为:( )。
(A)k=k1+k2+k3+……+kn;(B)k=k1·k2·k3·……·kn;(C)k=k1÷k2÷k3÷……÷kn;(D)以上公式都错。
9.>从油浸变压器顶部看,约有1%~1.5%的坡度,这是( )。
(A)安装误差;(B)导顺气流通道;(C)没有什么用途;(D)放油彻底。
10.>计算机监控系统的干扰信号按干扰源划分可分为( )。
水轮发电机组值班员<中级)知识试卷一、选择题:QH;)。
1.水电站的出力公式为(B><P9.81<A)P9.81QH;<B)P9.81QH;<C)P KQH;<D)E0.00272WH;2.抽水蓄能电厂在电力系统中的主要作用是(D><削峰填谷)。
<A)抽水;<B)发电;<C)蓄能;<D)削xx填谷;3.按坝的受力情况和结构特点分为(C、D>。
<A)溢流坝;<B)混凝土坝;<C)xx;<D)重力坝;4.多年调节水电厂在系统中一般(B>。
<A)担任基荷;<B)担任xx荷;<C)按保证出力工作;<D)可担任备用任务;5.防洪限制水位是指(C>。
<A)水库消落的最低水位;<B)允许充蓄并能保持的高水位;<C)汛期防洪要求限制水库兴利允许蓄水的上限水位;<D)水库承担下游防洪任务,在调节下游防护对象的防洪标准洪水时,坝前达到的最高水位;6.水电厂辅助设备包括(A、B、C>。
<A)油系统;<B)水系统;<C)风系统;<D)厂用电系统;7.水电厂的供水包括(A、B、C>。
<A)技术供水;<B)消防供水;<C)生活供水;<D)水泵供水;8.推力轴承油盆中油的作用是(B、C>。
<A)绝缘;<B)冷却;<C)润滑;<D)顶转子;9.离心泵起动前应(C>。
<A)打开出口阀;<B)关闭出口阀;<C)充水;<D)排水;10.深井泵轴折断后表现为(B>。
<A)电流增大;<B)电流减小;<C)振动变大;<D)振动减小;11.润滑油的作用是(A、B、D>。
<A)润滑;<B)散热;<C)消弧;<D)传递压力;12.调速机构压力油油压降低将会(D>。
水轮发电机组值班员考试:中级水轮发电机组值班员真题一1、判断题本征半导体中,空穴对外呈正电,其电量与电子电量相等。
正确答案:对2、单选运行中导水叶剪断销剪断,因水力不平衡引起机组很大()。
A、振动;B、摆度(江南博哥);C、振动和摆度;D、绕度。
正确答案:C3、问答题电压互感器高低压侧熔断器的作用有何不同?熔断器的额定电流是如何规定的?正确答案:(1)高压侧熔断器主要作用:当互感器内部故障或互感器与电网连接的引线上发生短路故障时熔断器熔断,防止电压互感器因内部故障损坏和影响高压系统正常运行。
高压侧熔断器熔丝的截面是按满足机械强度条件选择的,其额定电流比电压互感器的额定电流大很多倍,低压侧短路时可能不熔断,更不可能防止过载,因此低压侧还必须装熔断器。
(2)低压侧熔断器主要作为二次回路的短路保护和电压互感器的过载保护。
其熔丝选择原则是:熔丝熔断时间应小于二次回路短路时的保护装置的动作时间,熔丝的额定电流应为电压互感器二次侧最大负载电流的1.5倍。
4、问答题水电站中的排水泵检修时应做哪些安全措施?正确答案:排水泵检修时应做的安全措施为:(1)将需检修水泵的操作开关置于“停止”位置。
(2)切断水泵的操作电源。
(3)切断水泵的动力电源。
(4)将水泵的动力电源开关拉出或将其隔离开关拉开。
(5)防止上述措施做完后的故障信号占用了公用光字牌。
(6)关闭排水泵的进、出口阀门。
(7)关闭排水泵的充水阀门(深井泵的滑润水阀门)。
(8)所切开关、刀闸、操作把手处均挂“禁止合闸,有人工作”牌。
(9)所关闭的阀门挂“禁止开放”牌。
(10)保证其它排水泵工作正常。
5、单选一负载电流相位滞后端电压80°,该负载需电源()。
A、提供无功;B、提供有功;C、同时提供有功和无功;D、吸收有功,发出无功。
正确答案:C6、单选大型离心泵启动前的出口阀应()。
A、打开;B、关闭;C、充水;D、开旁通阀。
正确答案:B7、问答题检修发电机应做好哪些安全措施?正确答案:(1)机组完全停止后,在操作把手、按钮、机组启动装置、插座及盘车装置操作把手上悬挂“禁止合闸,有人工作”标示牌;(2)断开发电机、同期调相机开关和刀闸;(3)断开开关、刀闸的操作能源;(4)将电压互感器高、低压侧断开;(5)验明无电压后在发电机和开关间装设接地线;(6)将发电机中性点断开;(7)保证机组通风;(8)防止灭火装置误动;(9)防止机组转动。
《水轮发电机组值班员》高级工复习题一、选择题(请将正确答案的代号填入括号内)1.下面说法错误的是( ).(A)电路中有感应电流必有感应电动势存在;(B)自感是电磁感应的一种;(C)互感是电磁感应的一种;(D)电路中产生感应电动势必有感应电流. 答案:D2。
SF6气体是( )的.(A)无色无味;(B)有色有毒;(C)无色有毒;(D)有色有味。
答案:A3.某35kV中性点不接地系统,正常运行时,三相对地电容电流均为10A,当A相发生金属性接地时,A相接地电流为( )。
(A)10A;(B) 15A C 20A D 30A答案:D4.物体由于运动而具有的能量称为( )。
(A)动能;(B)势能;(C)机械能;(D)内能。
答案:A5.变压器铁芯中设置油道的目的是( )。
(A)绝缘;(B)散热;(C)导磁;(D)减小重量。
答案:B6.向心轴承主要承受( )载荷。
(A)轴向;(B)斜向;(C)径向;(D)径向和轴向。
答案:C7。
采用电容补偿装置调整系统电压时,对系统来说( ).(A)调整电压的作用不明显;(B)不起无功补偿的作用;(C)调整电容电流;(D)既补偿了系统的无功容量,又提高了系统的电压。
答案:D8.全面质量管理起源于()。
(A)中国;(B)日本;(C)美国;(D)德国。
答案:C9。
电力系统发生振荡时,振荡中心电压波动情况是( )。
(A)幅度最大;(B)幅度最小;(C)幅度不变;(D)不能确定。
答案:A10.电动机的容量越小,铜损在总损耗中所占比例( )。
(A)越大;(B)越小;(C)不变;(D)不确定。
答案:A11。
在屋外变电所和高压室内搬运梯子、管子等长物应由()进行,并保持安全距离. (A)1人;(B)2人;(C)3人;(D)4人。
答案:B12。
油压装置的压油槽中油占总容积比例为()。
(A)1/4;(B)2/3;(C)1/3;(D)1/2. 答案:C13.水轮发电机作为调相机运行时,其( )功率为负.(A)有功;(B)无功;(C)有功与无功;(D)电压。
水轮发电机组值班(上)习题有答案水轮发电机组值班(上)习题集一、填空题1、河段水能数值的大小取决于水的落下高度、水量的大小。
2、从天然水能到生产电能的过程中,各种损失有水库损失、水头损失、功率损失。
3、水电厂的水工建筑物有挡水建筑物、泄水建筑物、闸门、用水建筑物。
4、闸门从其结构来看,其类型有平板闸门、弧形闸门。
5、水库的特征水位有死水位、正常蓄水位、防洪限制水位、防洪高水位、设计洪水位、校核洪水位。
6、水电厂在系统中的运行原则是安全经济可靠6、泄水建筑物的作用是宣泄洪水。
7、泄水建筑物按泄流方式可分为溢洪道、深式泄水孔。
8、水电厂的装机容量从设计角度包括最大工作容量、备用容量、重复容量。
9、水电厂中的红色管道表示压力油管和进油管,深绿色管道表示进水管,桔红色管道表示消防水管。
10、技术供水的主要对象是发电机空冷、推力及各导轴承油冷、水导轴承及主轴密封、水冷变压器、水冷空压机、深井泵润滑。
11、各用水设备对技术供水的要求是水量、水压、水温、水质。
12、排水泵的形式有离心泵、深井泵、射流泵、潜水泵。
13、水电厂的厂用电系统包括全部厂用电力、厂用配电装置、厂用电交直流电源。
14、厂用直流电源的作用是操作、保护、信号、逆变、事故照明、机组起励。
15、自动空气开关的结构,一般分为触头系统、灭弧装置、操作机构和脱扣装置四部分。
16、接触器的主要组成部分有电磁系统、触头系统、灭弧系统。
17、直接启动的异步电动机,其启动电流是额定电流的4-7倍。
18、鼠笼式异步电动机的启动方法有直接启动、降压启动。
19、低压电动机的保护一般设有熔断器、热继电器。
20、电动机的过载保护是热继电器。
21、电气设备的状态有热备用、冷备用、检修和运行。
22、电动机运行中,三相电压的相差值不应大于额定值的-5%~+10%,各相电流不大于额定值的10%。
23、按信号的不同,水电厂的信号有位置信号、事故信号、预告信号。
24、水能一般包括位能、压能、动能。
水轮发电机组值班(上)第一篇水电厂辅助设备及厂用电系统第一章水力发电概论复习题一、填空题:1、河段水能数值的大小取决于水的落下高度和水量的大小。
(也就是落差和水量两个要素。
)2、从天然水能到生产电能的过程中,各种损失有蒸发、渗漏损失、水头损失、功率损失。
3、水电厂的开发方式有抬水式开发、引水式开发、混合式开发、潮汐式水电厂、抽水蓄能电厂、梯级水电厂。
4、水电厂的水工建筑物有拦水建筑物—坝、泄水建筑物、闸门、用水建筑物—水电厂进水建筑物和厂房。
5、闸门从其结构来看,其类型有平板闸门和弧形闸门。
6、水库的特征水位有死水位、正常蓄水位、防洪限制水位、防洪高水位、设计洪水位、校核洪水位。
7、水电厂在系统中的运行原则是8、泄水建筑物的作用是宣泻洪水。
9、泄水建筑物按泄流方式可分为溢洪道和深水泄水道。
10、水电厂的装机容量从设计角度包括最大工作容量、备用容量、重复容量。
二、选择题1、水电站的出力公式为:( b )(a)P=9.81QH;(b)P=9.81ηQH;(c)P=KQH;(d)E=0.00272WH2、抽水蓄能电厂在电力系统中的主要作用是( d )(a)抽水;(b)发电;(c)蓄能;(d)削峰填谷。
3、按坝的受力情况和结构特点分为( c、d )(a)溢流坝;(b)混凝土坝;(c)拱坝;(d)重力坝。
4、多年调节水电厂在系统中一般( b、d )(a)担任基荷;(b)担任峰荷;(c)侒保证出力工作;(d)可担任备用任务。
5、防洪限制水位是指( c )(a)水库削落的最低水位;(b)允许充蓄并能保持的高水位;(c)汛期防洪要求限制水库兴利允许蓄水的上限水位;(d)水库承担下游防洪任务,在调节下游防护对象的防洪标准洪水时,坝前达到的最高水位。
三、判断题1、水轮机效率(ηr )和发电机效率(ηc)之积就是水电厂效率。
(√)2、潮汐式水电厂只有在落潮时才能发电。
(×)3、抽水蓄能电厂因为抽水用的电比放水时发出的电要多,所以抽水蓄能电厂在电力系统中没有什么作用。
水轮发电机组值班员(中级)知识试卷一、选择题:1. 水电站的出力公式为( B )(QH P η81.9=;)。
(A )QH P 81.9=;(B )QH P η81.9=; (C )KQH P =;(D )WH E 00272.0=;2. 抽水蓄能电厂在电力系统中的主要作用是( D )(削峰填谷)。
(A )抽水; (B )发电; (C )蓄能; (D )削峰填谷;3. 按坝的受力情况和结构特点分为( C 、D )。
(A )溢流坝; (B )混凝土坝; (C )拱坝; (D )重力坝;4. 多年调节水电厂在系统中一般( B )。
(A )担任基荷; (B )担任峰荷;(C )按保证出力工作; (D )可担任备用任务;5. 防洪限制水位是指( C )。
(A )水库消落的最低水位;(B )允许充蓄并能保持的高水位;(C )汛期防洪要求限制水库兴利允许蓄水的上限水位;(D )水库承担下游防洪任务,在调节下游防护对象的防洪标准洪水时,坝前达到的最高水位; 6. 水电厂辅助设备包括( A 、B 、C )。
(A )油系统; (B )水系统; (C )风系统;(D )厂用电系统;7. 水电厂的供水包括( A 、B 、C )。
(A )技术供水; (B )消防供水; (C )生活供水; (D )水泵供水;8.推力轴承油盆中油的作用是(B、C)。
(A)绝缘;(B)冷却;(C)润滑;(D)顶转子;9. 离心泵起动前应(C)。
(A)打开出口阀;(B)关闭出口阀;(C)充水;(D)排水;10. 深井泵轴折断后表现为(B)。
(A)电流增大;(B)电流减小;(C)振动变大;(D)振动减小;11. 润滑油的作用是(A、B、D)。
(A)润滑;(B)散热;(C)消弧;(D)传递压力;12. 调速机构压力油油压降低将会(D)。
(A)飞车;(B)自动将机组关至空载;(C)自动停机;(D)机组自动关至空载并停机;13. 水电厂厂内低压风的用途是(A、B、C、D)。
水轮发电机组值班上第一篇水电厂辅助设备及厂用电系统第一章水力发电概论复习题一、填空题:1、河段水能数值的大小取决于水的落下高度和水量的大小..也就是落差和水量两个要素..2、从天然水能到生产电能的过程中;各种损失有蒸发、渗漏损失、水头损失、功率损失..3、水电厂的开发方式有抬水式开发、引水式开发、混合式开发、潮汐式水电厂、抽水蓄能电厂、梯级水电厂..4、水电厂的水工建筑物有拦水建筑物—坝、泄水建筑物、闸门、用水建筑物—水电厂进水建筑物和厂房..5、闸门从其结构来看;其类型有平板闸门和弧形闸门..6、水库的特征水位有死水位、正常蓄水位、防洪限制水位、防洪高水位、设计洪水位、校核洪水位..7、水电厂在系统中的运行原则是8、泄水建筑物的作用是宣泻洪水..9、泄水建筑物按泄流方式可分为溢洪道和深水泄水道..10、水电厂的装机容量从设计角度包括最大工作容量、备用容量、重复容量..二、选择题1、水电站的出力公式为: baP=9.81QH; bP=9.81ηQH; cP=KQH; dE=0.00272WH2、抽水蓄能电厂在电力系统中的主要作用是 da抽水;b发电;c蓄能;d削峰填谷..3、按坝的受力情况和结构特点分为 c、da溢流坝;b混凝土坝;c拱坝;d重力坝..4、多年调节水电厂在系统中一般 b、da担任基荷;b担任峰荷;c侒保证出力工作;d可担任备用任务..5、防洪限制水位是指 ca水库削落的最低水位;b允许充蓄并能保持的高水位;c汛期防洪要求限制水库兴利允许蓄水的上限水位;d水库承担下游防洪任务;在调节下游防护对象的防洪标准洪水时;坝前达到的最高水位..三、判断题1、水轮机效率ηr 和发电机效率ηc之积就是水电厂效率..√2、潮汐式水电厂只有在落潮时才能发电..×3、抽水蓄能电厂因为抽水用的电比放水时发出的电要多;所以抽水蓄能电厂在电力系统中没有什么作用..×4、按坝的材料分有重力坝、拱坝和支墩坝三类..×5、水电厂的装机容量就是满足系统最大负荷要求的那部分容量..×6、日调节水电厂在洪水期一般担任系统的调峰任务..×7、水电厂的运行费用现发电量成正比..×8、水轮发电机组操作灵活;启动与停机迅速..√9、无调节水电厂一般工作在腰荷位置..×10、水电厂出力通常是指从发电机端传送出的功率..√四、问答题1、什么是水利枢纽答:专为发电或主要为发电而建造的水工建筑物枢纽称为水利枢纽.. 2、什么是水电厂的多年平均年发电量答:是指在多年运行时间内;平均每年所生产的发电量..3、水电厂的运行有什么特点答:1水电厂的工作情况随河川径流的多变而变化..2水电厂的运行费用与实发电量的多少无关..3由于水轮发电机组操作灵活;启动与停机迅速;通常只需几分钟就可以启动或停机;增减负荷十分方便..4由于水资源及其水库具有综合利用的性质;水利系统各部分对水电厂及其水库提出各种综合利用要求;因此水电厂及其水库的运行调度方式必然受到它们的制约..4、水电厂是怎样发电的答:水轮机将水能转变为机械能;再由发电机将机械能转变为电能;送入电力系统;供用户使用..第二章水电厂辅助设备的运行一、选择题:1、水电厂辅助设备包括 a、b、c ..a油系统;b水系统;c风系统;d厂用电系统..2、水电厂的供水包括 a、b、c ..a技术供水;b消防供水;c生活供水;d水泵供水..3、推力轴承油盆中油的作用是 b、c ..a绝缘;b冷却;c润滑;d顶转子..4、离心泵启动前应 b、c ..a打开出水阀;b关闭出口阀;c充水;d排水..5、深井泵的轴折断后表现为 b ..a电流增大;b电流减少;c振动变大;d振动减小..6、润滑油的作用是a、b、d ..a润滑;b散热;c消弧;d传递压力..7、调速机构压力油油压降低将会 d ..a飞车;b自动将机组倒至空载;c自动停机;d机组自动倒至空载或停机..8、水电厂内低压风用途是 c、d ..a防冻吹冰;b空气开关的操作;c风闸制动;d检修用风..9、水电厂的消防系统由 a、c、d 组成..a消防水系统;b技术供水系统;c消防器材;d人员疏系统..10、发电机着火应用 a 灭火..a消防水;b砂子;c泡沫灭火器d1211灭火器..二、填空题1、水电厂中的红色管道表示压力油管和进油管;深绿色管道表示进水管;桔红色管道表示消防水管..2、技术供水的主要对象是发电机空气冷却器、发电机推力轴承及导轴承油冷却器、水轮导轴承及主轴密封、水冷式空气压缩机、深井泵的润滑等..3、各用水设备对技术供水的要求是水量、水温、水压、水质..4、水电厂的排水包括生产用水的排水、检修排水、渗漏排水、厂区排水..5、排水泵的形式有离心泵、深井泵、射流泵、潜水泵..6、油的粘度小则流动性大;冷却效果好;反之;粘度大时易附着金属表面不易被压出;有利于保护液体摩擦状态;一般在压力大和转速低的设备用粘度较大的油..7、机组进水闸门油压启闭机必须满足闸门正常提升、闸门正常关闭、闸门紧急关闭、闸门自降提升..8、机组进水阀的型式有蝴蝶阀、球阀、闸阀..9、水轮机进水阀的布置形式有横轴、竖轴..三、判断题1、水润滑的橡胶水导轴承不允许供水中断..√2、水电厂技术供水的排水一般设置集水井..√3、倒换机组冷却水向应采用先关后开的原则..×4、冷却用水的水温越低越好..×5、技术供水系统的通水耐水实验只要将排水阀关闭就行..×6、油的使用温度只要不达到其凝固点就行..×7、绝缘油中含有水分会使其耐压降低..√8、油的绝缘强度是以击穿电压表示的..×9、立轴式机组每次开机前都要顶转子..×10、水电厂的消防水系统比较重要..√四、问答题1、发电机空气冷却器的作用是什么答:冷却在运行过程中发电机所产生的电磁损耗和机械损耗所转化成的热量..2、为什么轴承油冷却器的冷却水温不能太低答:因为既要保证冷却器黄铜管外不凝结水珠;也可避免沿管方向温度变化太大而造成裂缝;所以冷却水温不能太低..3、油劣化的根本原因是什么预防油劣化的措施有哪些答:油劣化的根本原因是油和空气中的氧气起了作用;即油被氧化而造成..预防油劣化的措施是:消除水分侵入;保持设备正常工况;不使油温过热;减少油与空气接触;防止泡沫形成;避免阳光直接照射;防止电流的作用;油系统设备选用合适的油漆等..4、压缩空气的作用是什么答:高压:供油压装置调速器、蝴蝶阀压油罐用气;低压:机组停机制动、风动工具、吹扫用气..5、水轮机进水阀的作用是什么答:1岔管引水的水电厂;关闭进水阀是构成检修机组的安全工作条件;2停机时;减少机组漏水量和缩短重新启动时间;3防止突甩负荷时机组飞逸事故的出现..6、尾水闸门有什么作用答:尾水闸门设在尾水管出口;机组检修时可将尾水闸门关闭;抽去积水以便检修人员进行工作..当机组较长时间调相运行时;可将蝴蝶阀及尾水闸门关闭;将尾水管内的积水抽去;使转轮露出水面;即可调相运行..第三章水电厂厂用电系统一、选择题1、水电厂的厂用电是指d ..a厂用机械用电;b发电机用电;c照明用电;d厂用机械及照明..2、厂用6KV系统的接地方式是 b ..a中性点直接接地;b中性点不接地;c中性点经消弧线圈接地;d中性点经电抗器接地..3、自动空气开关可分为 a、c ..a塑料外壳式;b框架式;c万能式d胶盖闸刀..4、电动机的电源频率允许变化范围是 c ..a±0.1HZb±0.2HZc额定频率的95%~110%;d电网频率的允许范围.. 5、电动机所配熔断器的容量为 c 倍额定电流..a1.2~1.3;b4~7;c1.5~2.5;d3~4..6、倒闸操作的组织措施有 c、d ..a命令的复诵制度;b操作票制度;c工作票制度;d操作监护制度.. 7、电气设备在 b、d 可能导致保护误动..a检修状态;b热备用状态;c冷备用状态;d运行状态..8、变压器充电时; b 可能导致保护误动..a空载电流;b激磁涌流;c负荷电流;d短路电流..9、厂用电直流的主要作用是 a、b、c ..a操作电源;b信号电源;c保护电源;d正常照明..二、填空题1、水电厂的厂用电系统包括全部厂用电力网络、厂用配电装置、厂用电的交、直流电源..2、厂用电直流电源的作用是操作、保护、信号、逆变、事故照明、机组的初始励磁等的电源..3、自动空气开关的结构;一般分为触头系统、灭弧装置、操作机构、脱扣装置四个部分..4、接触器的主要组成部分有电磁系统、触头系统、灭弧装置..5、直接启动的异步电动机;其启动电流是额定电流的4~7倍..6、鼠笼式异步电动机的启动方法有直接启动、降压启动..7、低压电动机的保护一般设有熔断器、热继电器..8、电动机的过载保护是热继电器..9、电气设备的状态有检修状态、热备用状态、冷备用状态、运行状态..10、防止误操作的技术措施有__________;_______________、_________________..11、电动机运行中;三相电压差值不应大于额定值的-5%~+10%;各相电流不应大于额定值的10%..12、按照信号的不同;水电厂的信号有位置信号、事故信号、预告信号..三、判断题1、停电后会引起主机减少出力或停止发电的负荷是二类负荷..×2、为节约投资;水电厂的一类负荷也只装一台设备..×3、自动空气开关;能频繁操作..×4、电动机的启动操作只合开关;不需检查..×5、操作票的三级审核人是操作人、监护人、值长..√6、隔离开关可切断负荷..×7、对于符合并列运行条件的变压器;在倒闸操作时应采用先解列后并列的原则..×8、事故处理时;可不使用操作票和不履行监护制度..×9、直流母线分段运行;联络运行后继电式绝缘监察装置两套都应投入..×四、问答题1、水电厂厂用电接线有何要求答:1、安全可靠;运行灵活;2、投资少;运行费用低;接线简单、清晰;3、分段设置;互为备用;4、与电气主接线的关系;5、整体性..2、什么是成套开关柜答:成套开关柜是一种按照一定的接线图;将一、二次电气设备组合在一起的柜式成套配电装置..3、电动机缺相运行时有何现象;如何处理答:现象:电流表指示上升或为零;电动机本体温度升高;同时振动增大;声音异常..处理:立即启动备用设备;停止故障电动机运行;通知值长派人进行检查..在处理故障时;应首先判断是电动机电源缺相还是电动机定子回路故障..4、备用电源自动投入装置AAT有何作用对AAT装置有何要求答:就是当工作电源因故障断开后;能自动、迅速地将备用电源投入工作或将用户切换到备用电源上;使负荷不至于停电的一种装置..要求:1、工作母线电压无论因何种原因消失时;AAT装置均应启动;使备用电源自动投入;以确保不间断地对负荷供电..2、工作电源断开后;备用电源才能投入..3、AAT只应动作一次;4、AAT动作应迅速;5、AAT在电压互感器二次侧熔断器熔断时;不应误动作;因为此时工作母线并未失去电压;6、备用电源无浊压时;AAT装置应不动作;7、AAT运行方式应灵活..5、电动机着火应如何处理答:1、立即切断电源;拉开保险;2、用干式灭火器或水灭火;3、将备用电动机投入自动位置运行..6、隔离开关有何作用其操作顺序如何答:1、设备检修时;用隔离开关来隔离有电和无电部分;形成明显的断开点;以保证工作人员和设备的安全;2、隔离开关和断路器相配合;进行倒闸操作;以改变运行方式;3、可用来开断小电流电路和旁环路电流..操作顺序:停电操作时;必须先跳断路器;后拉线路侧隔离开关;再拉母线侧隔离开关;送电操作时;必须先合母线侧隔离开关;后合线路侧隔离开关;再合断路器..7、磁力启动器由哪些元件组成分别说明其功能答:由接触器和热继电器组成..功能:接触器:主要用作频繁地接通与断开正常工作的交直流主电路;也可用于大容量的控制电路;用于对电路的低电压保护..热继电器用于对电路的过载保护..8、厂用保护连动试验的目的是什么答:目的是在厂用电保护二次系统有过故障或检修作业后;模拟一次部分故障;来检查保护二次回路接线的正确性以及保护动作的正确性和保护时限的合理性..9、定相序试验在什么情况下进行;应注意什么问题答:在变压器及其连接母线有过断引扣接引作业后;在恢复变压器正常运行前;一般要做定相序试验..注意问题:1、收回有关检修作业票;检查现场有无异物;2、将所有措施恢复到冲击合闸试验状态;3、将定相断路器一般是低压侧断路器断开;4、合变压器高压侧进线断路器;5、断开定相断路器段的所有负荷开关;6、合定相断路器;7、联系检修人员定相序通过两个电源电压、互感器定向;8、定相试验完毕后;恢复正常供电..10、采用直流作为操作电源有什么优点答:由于直流蓄电池组提供的电源电压平稳、保护动作可靠;特别是厂用电消失后;蓄电池组仍能够短时正常供电..11、直流接地有何危害应如何处理答:直流操作系统采用对地绝缘运行方式;当发生一点接地时;并不会引起任何危害;但必须及时处理;否则;当发生另一点接地时;有可能使继电器发生误动;拒动;甚至会造成采用直流控制的设备误动;拒动;以至损坏设备;造成大面积停电;系统瓦解的严重后果..处理:对于装有微机型直流监察装置的直流系统;因其接地支路都能检测出来;所以检修人员只要查找该支路即可..对于只装胡继电式绝缘监察装置的;其查找原则如下:1、对直流系统进行电压检测;以判明故障点发生在正极母线还是负极母线;2、第二篇水轮发电机组及一次系统第四章水轮机运行一、名词解释1、工作水头:水轮机进、出口单位能量差;称为工作水头..2、出力:具有一定水头和流量的水流通过水轮机便做功;而在单位时间内所做的功称为水轮机出力..3、效率:能量被有效利用的程度通常称为效率..4、空蚀:凡是水流因局部地区流速增高;而产生汽化;并由此形成的破坏现象;称为空蚀..5、水轮机特性曲线:水轮机的特性分别用一些参数表示;表示这些参数之间相互变化关系的一系列曲线;称为水轮机的特性曲线..6、运转综合特性曲线:指转轮直径一定;转速不变时;效率与水头和出力之间的关系曲线..二、填空题:1、从能量观点来说;高处的水流势能大;低处的水流势能小..2、水能一般包括位能、动能、压能..3、根据水轮机转轮水流能量的形式不同;水轮机型式可分为反击型和冲击型两面大类..4、反击型水轮机按其水流流经转轮的方向不同;可分为轴流式、混流式、贯流式和斜流式..5、冲击型水轮机按其转轮的进水特征可分为水斗式、斜击式、双击式..6、混流式水轮机;水流流经转轮时基本是辐向流入;轴向流出..7、当系统负荷发生变化时;可以通过控制水轮机的导水机构来调节流量;以达到改变水轮发电机出力与系统负荷变化相适应的目的..8、水轮机转轮转动过程中;全部转动部分的重量通过座环来承受..9、水轮机主轴作用是承受水轮机转动部分的重量及转轮旋转时所产生的拉力;同时传递转轮产生的轴向水推力..10、水轮机的总效率等于水轮机的容积效率、水力效率与机械效率的乘积..11、水力损失的大小与水流速度、过流部件的形状和表面的粗糙度及水流流态有关..12、提高水轮机的容积效率;就必须减少漏水量;常用的方法是增加漏水间隙的阻力;因此装置止漏环;而其间隙尽可能的小..13、水轮机的特性曲线;通常分为线性特性曲线和综合特性曲线两大类..14、动转综合特性曲线;在其内绘有效率特性曲线、吸出高度曲线和出力限制曲线..三、选择题1、水流势能的大小可以通过 b 的高低或大小来表示..a水头; b水头与水量; c水量..2、当水流流经水轮机时;其主要损失为 a、c 损失..a机械; b热能; c漏水和摩擦等..3、水轮机是将水能转换为 a 能的一种机器..a机械; b电; c热..4、轴向水推力系数基本上与水轮机的工作水头成a无关;b正比; c反比..5、尾水管由 a、b、c、构成..a进口锥管; b弯形肘管; c出口扩散段..6、快速闸门的作用是 ca防止机组飞逸; b调节进水口流量; c机组检修时在静水中下落;切断进水口水流..10、混流式水轮机和轴流式水轮机比较;在工作水头和出力变化时;其效率变化不大的是 ba混流式; b轴流式; c其它型式..11、轴流式水轮机和混流式水轮机降低飞逸转速的方法 ba相同; b不相同..12、空蚀破坏主要是 a、b、c ..a化学作用; b机械破坏作用; c电化作用..13、出现在转轮上的空蚀称为 c ..a空腔空蚀; b间隙空蚀; c翼型空蚀 ..14、随着水流速度的增加;泥沙磨损将 aa增加; b减少; c不变..15、振动中的干扰来自水轮机水力部分的动水压力振动为 b ..a机械振动; b水力振动; c电磁振动..16、各种型式水轮机的最大效率发生在最大出力的某一出力..a 大于; b小于;c等于 ..17、对低比转速水轮机;流量随转速增加而 ba增加; b减少; c不变..18、水轮机运行特性曲线;是以 b 为横坐标的..a流量; b水头; c出力..四、问答题1、水轮机的基本参数有哪些答:1、工作水头;2、流量;3、出力和效率;4、比转速;5、转轮直径;6、空蚀系数2、什么叫反击式水轮机;其基本特征是什么答:主要以水流压能进行工作的水轮机称为反击式水轮机..其基本特征是:把水能的绝大部分能量转换成压能; 在转轮叶片前后形成压差;使转轮旋转;把水流的能量转换成转轮旋转的机械能..3、我国水轮机产品型号由哪几部分组成答:由三部分组成:第一部分由水轮机的型式及转轮的型号组成;并由汉语拼音表示;第二部分由水轮机主轴布置形式和引水室特征的代号组成;第三部分由水轮机的标称直径表示..4、混流式水轮机转轮由哪几部分构成答:由上冠、叶片、下环、止漏环、泄水锥和减压装置等组成..5、试述泄水锥的作用..答:是将水引导至尾水管;否则水流因脱流而引起机组剧烈振动..6、试述减压装置的作用..答:是降低轴向水推力;以减轻推力轴承的荷载;其上冠开有泄水孔;起排水减压的作用..7、造成机组产生飞逸的原因是什么机组飞逸有哪些危害性答:原因:水轮发电机在运行中因机组故障等突然甩去全部负荷;发电机输出功率为零;又逢调速机构失灵或其它原因使导水机构不能关闭..则水轮机的转速迅速升高以致达到飞逸转速..危害:产生飞逸时;将产生巨大的离心力;如不采取措施;强大的离心力可能损害机组转动部件或轴承系统;或引起机组剧烈振动..8、水轮机尾水管由哪几部分组成;其补气结构有哪些答:由进口锥管、弯形吸管和出口手散段组成..其补气结构有:尾水短管补气和尾水十字管补气..9、什么叫水轮机工作稳定性答:10、要防止空蚀;必须从哪几个方面来考虑答:1、设计制造方面;2、选型方面;3、运行方面;4、检修方面11、影响泥沙磨损的因素有哪能些答:1、与泥沙物质特性的关系;2、与水流特性的关系;3、与受磨损材料特性的关系;4、与运行方式的关系..12、防止泥沙磨损的措施有哪些答:1、采取防沙、排沙措施;2、合理选择涂层;3、采用抗磨材料和涂层;4、选择合理的运行工况;5、设计合理的抗磨结构..13、水轮机产生振动的原因有哪些答:机械振动的原因有:转子质量不平衡、机组轴线不正;导轴承不正等;水力振动的原因有:水力不平衡;尾水管中的水力不稳定;涡列等..14、消除水轮机振动的措施有哪些答:1、尾水管装十字架补气;2、轴心补气;阻水栅防振;4、另支撑筋消振;5、调整止漏环间隙;6、避开在振动区运行;7、如属机械原因引起的振动;查明原因后;分别通过平衡、调整轴线或调整轴瓦间隙等办法解决..15、为什么流量随转速的变化关系与比转速有关答:这是因为不同比转速的水轮机的开状不同;其内的水流情况和受离心力的影响不同;对高比转速水轮机;由于转速的增加使转轮内的水流速度增加;因此在同一开度下;可通过较多的流量..对于低比转速水轮机;随着转速的增加;通过水轮机的流量变小;这时离心力的影响是主要的..对于中比转速水轮机;流量不随转速变化..16、什么叫水轮机的工作特性曲线答:是对任一尺寸已固定的水轮机;即转轮直径一定;在水头和转速不变的情况下;表示导叶开度与出力、流量和效率之间关系的曲线;它可以表示水轮机实际工作情况..17、运转综合特性曲线包括哪些内容答:包括效率特性曲线、水头吸出高度曲线和出力限制曲线..第五章、同步发电机运行一、名词解释1、额定容量:是指一台水轮发电机长期安全运行的最大允许输出视在功率;表达式为Sn= UnIn;单位通常用kVA、MVA..2、额定功率因素:是额定有功功率与额定视在功率的比值..3、铁损耗:是指发电机定子铁芯在交变主磁通的作用下而产生的涡流损耗和磁分子阻力的摩擦所引起的磁滞损耗..4、铜损耗:是指发电机的负荷电流通过定子绕组所产生的电阻损耗..5、水轮发电机组的振动:二、选择题1、 c 式装置的水轮发电机;主要用于明槽贯流式、虹吸贯流式以及十几米水头以下的其他型式的小型水轮发电机组..a立; b卧; c斜2、悬式水轮发电机的推力轴承位于 a 机架上;在转子的 a 方..a上; b下; c负荷; d 非负荷..3、伞式水轮发电机的推力轴承装在转子 b 主的 b 机架上;或安装在水轮发电机顶盖上的推力支架上..a上; b下; c负荷..4、半伞式水轮发电机装有 a 部导轴承而没有 b 部导轴承..a上; b下; c中..5、全伞式水轮发电机装有 b 部导轴承而没有 a 部导轴承..a上; b下; c其他..6、飞逸转速愈高;水轮发电机对材质要求就愈 a ;材料的消耗就愈 c .. a高;b低; c多; d 少..7、水轮发电机的效率高;说明它内部损耗 b ;效率低;说明它的内部损耗a ..a多; b少; c一样..8、定子的扇形冲片通常由0.5mm厚的 c 的硅钢片冲制而成..a导磁率很低; b导磁率较高; c导磁率很高..9、由于镜板的旋转运行;在镜面与推力瓦之间建立起厚度为 a mm 左右的油膜..a0.1; b0.2; c0.05; d1 ..10、定子是通风系统中的主要阻力元件;在整个通风系统中;定子风阻占风阻的左右..a50%; b70%; c80%; d90%..11、制动器的制动磨板较 a;是机械制动的主要 d 点..a快; b慢; c优; d缺..12、电气制动转矩与机组转速成 b ..a正比; b反比; c无关..13、空载无励磁变转速工况试验是判断振动是否由不平衡所引起的一种试验..a机组转动部分质量; b机组电磁力; c过水系统的水力14、调相运行试验成果分析中;如机组转为调相工况后振动仍未减弱;则可肯定振动是由于 b 引起的..a水力不平衡; b机械不平衡; c电磁不平衡..三、填空题1、水轮发电机按其布置方式不同;可分为立式装置、卧式装置和斜式装置三种类型..2、额定电压是指一台水轮发电机长期运行的最高线电压..3、水轮发电机的额定功率因素是额定有功功率与额定视在功率的比值..4、转动惯量是水轮发电机转动部分的重量与其惯性直径平方的乘积..5、水轮发电机的损耗可分为电磁损耗和机械损耗两大类..6、水轮发电机的励磁损耗是指转子的励磁电流通过磁极绕组时的电阻损耗以及电刷与滑环的接触损耗..7、立式装置的水轮发电机组按其推力轴承的装设位置不同;可分为悬式型和伞式型两大类..8、水轮发电机由----------部分、--------部分及其----------部分组成..9、水轮发电机定子绕组有叠绕和波绕两种形式..10、转子是水轮发电机的旋转部件、主要由主轴、转子支架和磁极等部件组成..。