安全生产专项检查表
- 格式:docx
- 大小:37.45 KB
- 文档页数:4
安全生产检查表
为加强施工安全管理工作,积极响应某公司安发[2020]478号、安委办明电[2020]15号、安质[2020]363号、铁建网〔2020〕358号文件要求,我项目部领导高度重视,结合现场实际施工情况,以项目经理任组长、主管副职任常务副组长、其他班子成员任副组长、各部门负责人为成员的检查组,对基础管理和现场管理情况进行全面安全检查,检查情况如下。
一、基础管理检查情况
二、脚手架、支架检查情况
三、施工现场临空、临边检查情况
五、临时用电检查情况
六、消防安全检查
九、现场防冻防滑检查情况
以上检查情况属实。
检查人员签名:
某某集团有限公司
某高速公路项目部 2020 年12月10日。
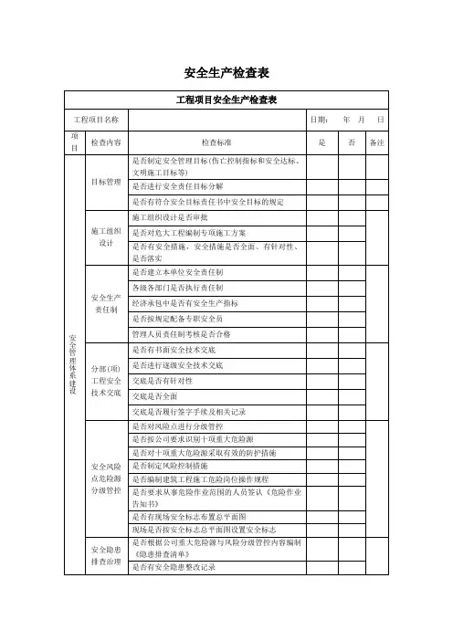
安全生产检查表格(样表)目录一、日常安全巡视检查记录二、危险作业日常安全检查表、危险作业日常安全检查表—高处作业、危险作业日常安全检查表—爆破作业、危险作业日常安全检查表起重吊装、危险作业日常安全检查表气焊作业、危险作业日常安全检查表人工挖桩、危险作业日常安全检查表大模板安装拆除、危险作业日常安全检查表水上作业、危险作业日常安全检查表易燃易爆场所动火作业三、专项安全检查表、专项安全检查表现场布置、专项安全管理检查表—施工道路、专项安全检查表—模板工程、专项安全检查表脚手架、专项安全检查表基坑支护、专项安全检查表高边坡施工、专项安全检查表—隧洞施工、专项安全检查表—竖井、斜井施工、专项安全检查表—公路桥梁施工、专项安全检查表—安全通道、专项安全检查表预应力锚固工程、专项安全检查表化学灌浆四、专业安全检查表、专业安全检查表—车辆交通、专业安全检查表消防安全、专业安全检查表油库油罐、专业安全检查表施工现场用电、专业安全检查表施工机械、专业安全管理检查表起重机械、专业安全检查表缆机、专业安全检查表吊索吊具、专业安全检查表冰楼制冷、专业安全检查表卷扬机、专业安全检查表大型空气压缩机、专业安全检查表压力钢管安装五、季节性安全检查表、季节性安全检查表冬季施工、季节性安全检查表夏季施工、季节性安全检查表雨季施工、季节性安全检查表风季施工、季节性安全检查表节假日施工、季节性安全检查表防汛六、安全生产检查报告附表日常安全巡视检查记录记录编号:安全巡视检查人员:现场值班领导:日期:表危险作业日常安全检查表—高处作业记录号:工程项目(单位):使用编号:表危险作业日常安全检查表—爆破作业记录号:检查人:负责人:年月日表危险作业日常安全检查表起重吊装记录号:检查人:负责人:年月日表危险作业日常安全检查表气焊作业记录号:检查人:负责人:年月日表危险作业日常安全检查表人工挖桩记录号:检查人:负责人:年月日表危险作业日常安全检查表大模板安装拆除记录号:工程项目(单位)使用编号:表危险作业日常安全检查表水上作业记录号:表危险作业日常安全检查表易燃易爆场所动火记录号:检查人:负责人:年月日。
炼铁、炼钢、轧钢和铁合金企业(安全生产专项整治)检查表一、企业基本情况企业名称:________________________所在地区:________________________法定代表人:______________________联系电话:________________________主要生产产品:____________________生产规模:________________________二、现场安全生产管理情况1. 生产场所•生产场所是否合理?•是否存在危险物品超量存放或挤占管理空间现象?•现场是否存在易燃易爆、有毒、有害物品等?2. 安全防范措施•是否制定了安全生产规章制度?•是否建立了安全生产管理制度?•是否建立了安全生产责任制?•是否配备了必要的安全防护设施和器材?•是否组织了相关安全教育培训?3. 设备安全保障•设备是否完好无损?•设备是否按照规定周期进行维护保养?•设备是否符合国家安全标准?•有没有设备过载现象?4. 生产作业管理•生产作业是否存在违反安全规定现象?•生产作业是否存在未经许可的紧急修理、改造行为?•是否存在操作人员工种不符或未考取相应证书?•是否存在加班作业、作业强度过大及操作人员不规范的现象?5. 废气、废液处理•废气、废液处理是否符合国家环保标准?•是否存在未经许可的废气、废液排放现象?•废液储存及集中处理设施是否完备?•废气、废液排放口是否与污染源切实隔离?6. 日常安全管理•是否设立安全管理机构?•安全检查是否具体有序、及时走访及记录?•是否制定了安全奖惩措施?•是否存在安全隐患?•各类安全事故处理是否及时、及其责任追究是否到位?三、经查验,该企业的安全生产管理存在如上所述的问题,需要积极改进,同时建议该企业加强安全管理,强化安全责任制和安全教育培训,加强安全隐患排查和事故预防措施,确保员工人身安全和生产经济效益的统一。
负责人履行安全生产职责专项检查表1. 检查对象检查对象为公司所有负责人,包括总经理、部门经理等。
2. 检查内容2.1 确认各负责人是否明确、了解并履行安全生产职责;2.2 检查各负责人是否建立有效的安全生产管理制度,并是否落实到位;2.3 检查各负责人是否及时修订安全生产程序和工作指导书;2.4 检查各负责人是否定期组织安全生产培训和教育活动;2.5 检查各负责人是否按规定进行安全事故调查和处理;2.6 检查各负责人是否关注员工的安全意识和安全行为;2.7 检查各负责人是否配合监管部门的安全生产检查和评估工作。
3. 检查方法3.1 采取面对面访谈的方式询问负责人对安全生产的认识和相关措施的落实情况;3.2 查阅各负责人提交的安全生产制度文件和相关培训记录;3.3 实地观察各负责人对安全事故处理等情况的反应和运用能力;3.4 根据监管部门的检查报告,核对负责人配合检查和评估工作的情况。
4. 检查结果4.1 检查结果将以书面形式记录,并抄送给公司领导层;4.2 检查结果将根据负责人的履职情况,分为合格和不合格两类;4.3 对于不合格的负责人,将进行进一步约谈和整改要求。
5. 检查周期5.1 检查将定期进行,具体周期为每季度一次;5.2 特殊情况下,如发生重大安全事故,将立即进行专项检查。
6. 其他事项6.1 检查过程中,保持客观、公正的原则,不偏袒任何负责人;6.2 检查中发现的问题和不足,应及时提出意见和建议,并跟踪整改情况;6.3 检查结果应当作为负责人考核和绩效评价的重要依据之一。
以上为负责人履行安全生产职责专项检查表的内容,如有疑问或需要进一步解释,请及时与本人联系。
公司安全生产措施专项检查表1. 检查日期:[填写检查日期]2. 安全生产措施情况2.1 防火设施- 检查消防设备是否正常运行,并记录在备注栏。
- 例如,确保灭火器和消防栓处于有效状态,消防通道畅通无阻。
2.2 用电安全- 检查用电设备是否存在安全隐患,并记录在备注栏。
- 例如,确保电线电缆没有暴露、漏电情况。
2.3 机械设备- 检查机械设备的运行状况,并记录在备注栏。
- 例如,确保设备运行平稳、无异常声响。
2.4 个人防护用品- 检查个人防护用品是否齐全,并记录在备注栏。
- 例如,确保员工配备合适的安全帽、手套等。
2.5 危险物品储存- 检查危险物品的储存情况,并记录在备注栏。
- 例如,确保危险化学品储存区域的标识清晰、密封完好。
2.6 紧急疏散通道- 检查紧急疏散通道的畅通情况,并记录在备注栏。
- 例如,确保通道无堵塞、灯光明亮。
2.7 灭火器和消防栓- 检查灭火器和消防栓是否易于使用,并记录在备注栏。
- 例如,确保灭火器压力正常、消防栓无漏水现象。
2.8 安全培训- 检查员工安全培训情况,并记录在备注栏。
- 例如,记录员工参与的安全培训活动及培训结果。
2.9 工作场所清洁和整理- 检查工作场所的清洁和整理情况,并记录在备注栏。
- 例如,确保工作区域有序、垃圾及不需要的物品及时清理。
2.10 应急救援预案- 检查应急救援预案的制定和落实情况,并记录在备注栏。
- 例如,确认应急预案是否与实际情况相符合。
2.11 巡检和巡查记录- 检查巡检和巡查记录的完整性,并记录在备注栏。
- 例如,确保工作人员按要求进行巡查,并记录每次巡查结果。
2.12 安全文化和宣传- 检查安全文化和宣传的开展情况,并记录在备注栏。
- 例如,记录宣传活动的内容和效果。
该专项检查表仅作为参考,具体检查内容和要求可以根据实际情况进行调整和补充。
每项检查都应认真记录,并将不合格情况及时整改。
检查结果应及时上报相关负责人,确保安全生产措施的有效落实。
安全生产专项检查表
一、检查事项
1. 火灾隐患检查:
- 检查建筑内外是否存在易燃易爆物品,并采取相应防火措施;
- 检查消防通道是否畅通无阻;
- 检查灭火器的种类和数量,确认是否足够,并定期检查消防
设施是否正常运作。
2. 电气设备安全检查:
- 检查电线、插座、开关等电气设备是否完好,并不存在漏电、短路等安全隐患;
- 检查电气线路是否规范布置,是否有明显的接触火源等风险;
- 检查用电负荷是否超过额定容量,防止过载情况。
3. 机械设备安全检查:
- 检查设备的使用和配备是否符合安全规范要求;
- 检查设备的维护保养情况,确保设备正常运行;
- 检查设备的警示标识和保护装置是否完好有效。
4. 高处作业安全检查:
- 检查高处作业是否有专人指挥,是否配备安全防护设备;
- 检查作业人员是否具备高空作业证书,是否接受过相关培训;
- 检查高处作业时是否存在坠落、滑倒等风险,并采取相应的
防护措施。
5. 防护用品和安全设施:
- 检查个人防护用品的配备情况,如安全帽、防护眼镜、防护
手套等;
- 检查安全设施的安装和使用情况,如防护网、防护栏杆等;
- 检查安全出口、应急疏散标识的完整性和可见性。
二、检查记录
三、检查结果反馈
根据以上检查记录,发现了一些安全隐患,并及时采取了相应的措施进行处理。
对于未处理完毕的安全隐患,相关部门已经被通知,并将在近期进行处理。
针对未发现问题的场所,应继续保持安全工作的常态,定期进行安全检查,并记录检查结果。
四、相关说明
安全生产专项检查表是确保生产过程中安全的一项重要工作。
各相关部门应当定期开展检查,并及时处理发现的安全隐患,确保员工和设备的安全。
同时,应加强培训,提高员工的安全意识和应急处理能力,做到预防为主,防患于未然。