工艺流程及检验卡
- 格式:doc
- 大小:345.00 KB
- 文档页数:13
工艺流程卡片工艺流程卡片是一种用于记录产品生产工艺流程的文件,可以帮助工厂管理者和生产工人更好地了解、掌握和执行工艺流程。
下面是一份700字的工艺流程卡片范例:一、产品信息产品名称:支架产品型号:A1001产品材质:钢材二、工序说明1. 材料准备- 从仓库取出所需数量的钢材;- 使用起重机将钢材放置在工作车间的材料处理区;2. 材料切割- 使用数控切割机将钢材按照设计尺寸进行切割,切割数量为所需支架的数量;- 检查切割出的支架板材的尺寸和质量,将不合格品进行重新切割或报废;3. 弯曲成型- 使用数控弯曲机将切割好的板材按照指定角度进行弯曲,形成支架的形状;- 进行弯曲成型的同时,使用丝扣钳将支架的两端固定起来;4. 表面处理- 对已经成型的支架进行表面处理,包括打磨、除锈和喷涂; - 使用打磨机对支架的表面进行打磨,去除毛刺和锈蚀;- 使用除锈剂对支架进行除锈处理,确保支架表面的光洁度和耐腐蚀性;- 使用喷涂设备将支架进行涂装,提高其表面的美观度和耐用性;5. 装配与检验- 使用螺丝刀将已经表面处理好的支架和其他零部件进行装配;- 检查装配好的支架的尺寸、外观和功能是否符合要求;- 对不合格品进行返修或报废处理;6. 包装与入库- 对已经通过检验的支架进行包装,通常采用纸箱包装;- 在包装箱上贴上产品标签,并记录产品型号和数量;- 将包装好的支架放置在成品仓库中,并进行实时库存管理;以上就是支架的生产工艺流程卡片范例,通过这个工艺流程卡片,工厂管理者和生产工人可以清晰地了解到每个工序的具体操作和要求,有助于提高生产效率和产品质量。
同时,这个范例也可以根据实际情况进行调整和修改,以适应不同产品的生产工艺。
整机装配工艺流程卡
一、总体目标
二、流程步骤
1. 前期准备:检查机器设备,核实所有零部件的数量及其状态,确定制造所需的材料;
2. 检查零件:根据零件图样及规格,检查所有零件是否符合要求,并检查连接件的状态;
3. 装配零件:将零件装配到机器上,并根据工艺图规定的标准进行组装,要求安装质量达到设计要求;
4. 检查安装:检查安装的零件是否符合要求,如果有不符合要求的,应及时更换;
5. 调试测试:组装好的机器装配完毕后,应进行调试测试,检查每一个子系统和总体系统的功能及性能是否符合要求;
6. 完善报告:完成测试合格后,应形成完整的报告,清楚地记录装配工艺的所有细节;
7. 存储维护:机器装配完成后,应根据具体情况将装配信息存储于记录,以便日后维护及保养。
三、再检查
1. 总结检查:在装配结束后,应仔细检查机器组装是否有问题,及时发现问题,提出解决方案;
2. 质量检测:检查机器装配是否符合要求,根据相关标准,要求质量符合要求。
工艺过程卡和工序卡卡片工艺过程卡和工序卡是在生产过程中用于记录和跟踪工艺流程和工序的工具。
它们有助于提高生产效率、减少错误和优化制造过程。
工艺过程卡和工序卡在制造业中广泛应用,尤其是在批量生产和组装流程中。
工艺过程卡是用于记录和跟踪整个生产过程的工具。
它通常包括以下内容:1.产品信息:包括产品名称、规格、图纸和相关技术要求等。
2.工艺流程:描述产品的主要工艺步骤和流程。
这些步骤通常按照顺序排列,并标示出所需的物料和设备。
3.检验要求:指明每个工艺步骤的检验要求和方法。
这有助于确保质量和产品符合规格要求。
4.工时和人员:记录每个工艺步骤需要的工时和所需的人员数量。
这有助于安排生产计划和人力资源。
5.物料和设备:列出每个工艺步骤所需的原材料和设备。
这有助于确保所需的物料和设备及时到位,以避免生产延迟。
6.工艺参数:记录每个工艺步骤的关键参数。
这有助于确保产品在生产过程中满足技术要求。
工序卡是用于记录和跟踪每个工序的工具。
它通常包括以下内容:1.工序信息:包括工序名称和编号、工序顺序和描述等。
2.检验要求:指明该工序的检验要求和方法。
这有助于确保质量和产品符合规格要求。
3.工时和人员:记录该工序需要的工时和所需的人员数量。
4.设备和工具:列出该工序所需的设备和工具。
这有助于确保所需的设备和工具及时到位。
5.物料:记录该工序所需的原材料和零部件。
这有助于确保所需的物料及时供应。
6.工序参数:记录该工序的关键参数。
这有助于控制和优化工序的执行。
工艺过程卡和工序卡的使用可以带来以下好处:1.提高生产效率:通过明确的工艺流程和工序信息,工人可以更好地理解和执行生产任务,减少错误和延迟。
此外,工艺过程和工序的标准化也有助于减少变动和优化生产线布局。
2.优化制造过程:通过记录和分析工艺过程和工序的数据,可以发现和解决制造过程中的瓶颈和问题,以改进和优化生产流程。
3.提高产品质量:工艺过程卡和工序卡中的检验要求和参数记录有助于控制和监测产品质量,确保产品符合规格要求。
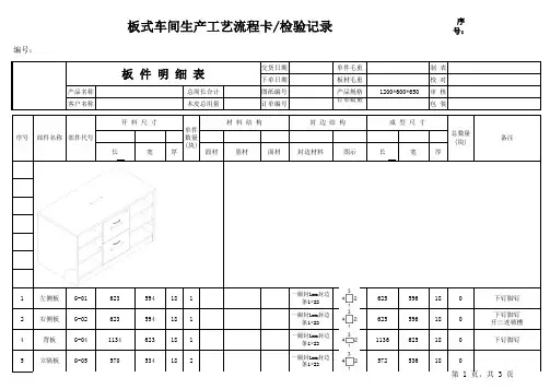
交货日期单件毛重制 表下单日期板材毛重校 对产品名称图纸编号产品规格审 核客户名称订单编号订单数量﹕包 装长宽厚面材基材面材封边材料图示长宽厚1左侧板G-01623594181一圈封1mm封边条1*22625596180下钉脚钉2右侧板G-02623594181一圈封1mm封边条1*22625596180下钉脚钉开三连锁槽4背板G-0411********一圈封1mm封边条1*221136625180下钉脚钉5立隔板G-0557*******一圈封1mm封边条1*22572536180板 件 明 细 表总数量(块)备注序号部件名称部件代号单件数量(块)木皮总用量开 料 尺 寸材 料 结 构封 边 结 构成 型 尺 寸编号:总周长合计1200*600*650交货日期单件毛重制 表下单日期板材毛重校 对产品名称图纸编号产品规格审 核客户名称订单编号订单数量﹕包 装板 件 明 细 表木皮总用量编号:总周长合计1200*600*6506横搁板G-06569364184一圈封1mm封边条1*225713661807望板G-0711********封1mm封边条1*22113671180下钉脚钉9底板G-0911********一圈封1mm封边条1*22113657318010屉侧板G-10398148184一圈封1mm封边条1*2240015018011屉前后板G-11300148184一圈封1mm封边条1*2230215018交货日期单件毛重制 表下单日期板材毛重校 对产品名称图纸编号产品规格审 核客户名称订单编号订单数量﹕包 装板 件 明 细 表木皮总用量编号:总周长合计1200*600*650工序检验人数量日期返工数量批准人①尺寸合理下单②崩边≤0.5mm开料③开槽平直铣型④拼缝均匀压板⑤接缝≤0.5mm弯板⑥清洁板面封边⑦孔位崩口<0.5mm钻孔⑧拉手牢固组装⑨粘贴标签清洗包装说明:合格划“√”,不合格划“/”。
工艺流程卡是什么意思工艺流程卡(Routing Card),是一种经过系统化整理和编制的文件,用于记录并指导产品生产过程中的各个环节和步骤,以保证产品质量、提高生产效率。
工艺流程卡起源于生产管理的需求,随着工业化的发展,生产过程愈发复杂,需要对生产环节进行更加精细的控制和管理。
工艺流程卡的出现,为生产流程管理和控制提供了有效工具。
工艺流程卡主要包括以下内容:产品名称、图号、规格等基本信息;生产环节和工序;每个工序的操作工具和设备;每个工序的工作要点和注意事项;工序之间的先后顺序;工序所需时间;质量标准和检验要求等。
通过这些详尽的信息,工艺流程卡能够指导生产过程中的操作和控制,确保产品的质量和性能符合要求。
工艺流程卡的编制需要深入了解产品的生产流程和工艺要求。
首先,需要对产品的设计和制造工艺进行全面了解,明确每个工序的操作要点和工具设备的使用方式。
其次,需要与生产运营部门和工艺工程师充分沟通,对工序的顺序和时间进行优化,确保生产效率最大化。
最后,通过实际操作和验证,反复完善工艺流程卡的内容和格式,以适应生产实际需求。
工艺流程卡在生产中发挥着重要的作用。
首先,它能够帮助操作人员准确理解产品的制造工艺和要求,确保每个工序的操作正确无误。
其次,它能够提供全面的质量标准和检验要求,以便进行在线检查和产品质量控制。
此外,工艺流程卡还能够作为培训和指导的依据,帮助新员工迅速熟悉工艺流程和生产要求。
对于企业来说,工艺流程卡也具有重要的管理意义。
首先,它能够帮助企业识别并解决生产过程中可能存在的问题和隐患,提高产品的一致性和可靠性。
其次,它能够提供详细的生产数据和指标,为企业管理决策提供依据。
最重要的是,工艺流程卡能够为企业进行持续改进提供基础和保障,不断提高产品质量和生产效率。
综上所述,工艺流程卡是一种记录和指导产品生产过程的文件,它能够确保产品质量、提高生产效率,对企业的生产管理和产品质量控制具有重要意义。
在实际应用中,我们需要不断完善和优化工艺流程卡的内容和格式,以适应不断变化的生产需求,实现持续改进和企业的可持续发展。
机械加工工艺过程及工序卡片模板一、工艺规划工艺规划是在设计任务和制造要求的基础上,确定产品的加工工艺和加工工序的流程,具体步骤如下:1.了解产品的使用功能、要求以及材料的特性,确定最佳的加工方法和加工工艺。
2.绘制产品的工艺流程图,包括加工工序、顺序和设备选择等。
3.制定加工工艺卡,记录每个加工工序的详细信息,包括工具刀具的选择、加工参数等。
二、技术准备技术准备包括原材料准备、机床设备准备和工装量具准备等,具体步骤如下:1.检查原材料的规格、质量和数量是否符合要求,如有问题及时采取补救措施。
2.检查机床设备的运行状态和性能,确保设备正常运行。
3.准备需要的工装量具,确保其准确性和可靠性。
三、加工操作加工操作是根据工艺规划和技术准备的要求,对原材料进行加工操作,具体步骤如下:1.根据工艺流程图和加工工艺卡,按照预定的顺序进行加工工序。
2.调整和选择合适的机床设备,安装和装夹好加工零件。
3.根据加工工艺卡的要求,合理设置机床的工作参数和工装量具的位置。
4.进行切削、剪切、钻孔、磨削等加工操作,确保加工质量和加工效率。
四、检验与维护在加工过程中,需要进行产品质量的检验和设备维护,具体步骤如下:1.进行零件的尺寸和表面质量的检验,确保零件的几何精度和表面质量符合要求。
2.检查机床设备的工作状态和性能,及时发现和解决问题,确保设备的正常运行。
3.根据机床设备的维护手册,定期对设备进行清洁、润滑和维护保养,延长设备的使用寿命。
以上是机械加工工艺过程的一般步骤和主要内容。
下面是一个工序卡片的模板,供参考:工序卡片工序名称:(填写工序名称)主要工艺参数:1.切削速度:(填写切削速度,单位)2.进给速度:(填写进给速度,单位)3.切削深度:(填写切削深度,单位)刀具/工具:1.刀具名称:(填写刀具名称)2.刀尖半径:(填写刀尖半径,单位)3.刀具材料:(填写刀具材料)4.工具冷却方式:(填写工具冷却方式)夹具/工装:1.夹具类型:(填写夹具类型)2.夹具安装位置:(填写夹具安装位置)3.工装定位方式:(填写工装定位方式)检验要求:1.尺寸精度:(填写尺寸精度要求)2.表面质量:(填写表面质量要求)3.其他检验要求:(填写其他检验要求)注意事项:1.在操作中注意安全,佩戴必要的防护设备。
加工工艺过程卡片及工序卡1.产品信息:包括产品名称、规格、图纸编号等基本信息。
2.工艺流程:详细描述产品的加工过程,包括零件的加工顺序、加工方法、加工设备等。
3.工序参数:记录每个工序的加工参数,如切削速度、进给速度、切削深度等。
4.质量要求:记录每个工序要求的质量标准,包括尺寸、表面质量、材料性能等要求。
5.特殊要求:记录一些特殊的加工要求,如热处理、表面涂装等。
加工工艺过程卡片可以用于生产过程的记录和追溯。
它可以帮助工人了解加工产品的要求和工艺流程,并据此进行生产操作。
同时,它也可以用于产品质量检查和追溯,当产品出现质量问题时,可以通过查看过程卡片找到问题所在,并采取相应的措施进行纠正。
工序卡是加工工艺过程卡片的具体体现,它是在加工工艺过程卡片的基础上,针对每个具体的工序进行记录的卡片。
工序卡通常包括以下内容:1.工序编号:标识每个工序的唯一编号。
2.工序名称:描述每个工序的名称。
3.工序内容:详细描述每个工序的具体内容和要求。
4.工时:记录每个工序的预计加工时间。
5.工具设备:记录每个工序需要使用的工具和设备。
6.检验方法:记录每个工序的检验方法和标准。
7.完工标志:标识每个工序是否已经完成。
工序卡可以用于具体的生产操作,工人可以根据工序卡上的信息进行操作,并在完成后进行标记。
通过工序卡,生产部门可以清晰地了解每个工序的进度和质量情况,及时跟踪和调整生产计划。
综上所述,加工工艺过程卡片及工序卡是一种重要的生产管理工具。
它们可以帮助企业规范生产操作、提高生产效率和质量,并便于生产过程的记录和追溯。
对于企业来说,合理使用和管理这些工具是提高生产效率和质量的重要手段之一。
生产工艺流程卡范文生产工艺流程卡是用于指导和记录产品的生产工艺流程的一种重要生产管理工具。
它主要包括工序名称、工序内容、工时、工装、生产设备、检验要求、质量控制点等,以及在每个工序下方设计上料、工器具、质量检查等空白位置。
以下是一个典型的生产工艺流程卡的内容示例。
一、制作产品的物料准备:1.物料名称:XXX2.物料规格:XXX3.物料数量:XXX二、工序一:准备工作1.工序名称:准备工作2.工序内容:(1)清洁生产设备(2)对产品进行初步检查3.工时:30分钟4.工装:无5.生产设备:清洁工具6.检验要求:无7.质量控制点:无8.上料:(1)物料A:XXX数量(2)物料B:XXX数量9.工器具:(1)工具A:1个(2)工具B:2个10.质量检查:无三、工序二:加工1.工序名称:加工2.工序内容:(1)设置生产设备(2)加工物料(3)对产品进行加工检查3.工时:2小时4.工装:夹具5.生产设备:加工机床6.检验要求:加工表面粗糙度应满足XXXX要求7.质量控制点:(1)加工精度检验(2)加工尺寸检查8.上料:(1)物料C:XXX数量(2)物料D:XXX数量9.工器具:(1)工具C:2个(2)工具D:3个10.质量检查:(1)检查加工精度(2)检查尺寸四、工序三:组装1.工序名称:组装2.工序内容:(1)对产品进行组装(2)进行组装检查3.工时:1小时4.工装:无5.生产设备:组装台6.检验要求:组装精度应满足XXXX要求7.质量控制点:(1)组装精度检验(2)组装质量检查8.上料:(1)物料E:XXX数量(2)物料F:XXX数量9.工器具:(1)工具E:3个(2)工具F:2个10.质量检查:(1)检查组装精度(2)检查组装质量五、工序四:包装1.工序名称:包装2.工序内容:(1)对产品进行包装(2)进行包装检查3.工时:30分钟4.工装:包装纸箱5.生产设备:无6.检验要求:包装完整,无损坏7.质量控制点:无8.上料:无9.工器具:无10.质量检查:(1)检查包装是否完整(2)检查包装是否损坏以上是一个典型的生产工艺流程卡的示例。
打胶水工艺检验流程卡下载温馨提示:该文档是我店铺精心编制而成,希望大家下载以后,能够帮助大家解决实际的问题。
文档下载后可定制随意修改,请根据实际需要进行相应的调整和使用,谢谢!并且,本店铺为大家提供各种各样类型的实用资料,如教育随笔、日记赏析、句子摘抄、古诗大全、经典美文、话题作文、工作总结、词语解析、文案摘录、其他资料等等,如想了解不同资料格式和写法,敬请关注!Download tips: This document is carefully compiled by theeditor.I hope that after you download them,they can help yousolve practical problems. The document can be customized andmodified after downloading,please adjust and use it according toactual needs, thank you!In addition, our shop provides you with various types ofpractical materials,such as educational essays, diaryappreciation,sentence excerpts,ancient poems,classic articles,topic composition,work summary,word parsing,copy excerpts,other materials and so on,want to know different data formats andwriting methods,please pay attention!打胶水工艺的检验流程卡详解在工业生产中,打胶水工艺是一项重要的环节,尤其在电子产品、汽车制造、家具制作等领域。
工艺卡片模板工艺卡片是一种用于记录工艺流程、操作规范、质量要求等信息的文档,它在生产制造过程中起着非常重要的作用。
为了更好地规范和管理工艺流程,提高产品质量,我们设计了以下工艺卡片模板,希望能够为大家的工艺管理工作提供帮助。
一、工艺卡片基本信息。
1. 产品名称,(填写产品名称)。
2. 编号,(填写产品编号)。
3. 制定日期,(填写制定工艺卡片的日期)。
4. 版本号,(填写工艺卡片的版本号)。
二、工艺流程。
1. 工艺流程图。
(在此处插入工艺流程图,清晰展示产品的生产流程)。
2. 工序要求。
(列出产品的各个工序,包括工序名称、操作要点、注意事项等内容)。
三、工艺参数。
1. 工艺参数表。
(列出产品的各项工艺参数,包括温度、压力、速度、时间等信息)。
2. 工艺参数调整。
(描述工艺参数调整的方法和步骤,以及调整后的效果)。
四、质量要求。
1. 检验标准。
(列出产品的各项质量指标,包括外观质量、尺寸精度、表面光洁度等要求)。
2. 质量控制点。
(描述在生产过程中需要注意的质量控制点,以及如何进行质量检查)。
五、安全注意事项。
1. 作业环境要求。
(描述生产作业的环境要求,包括通风、防火、防爆等安全要求)。
2. 个人防护。
(列出生产作业时需要佩戴的个人防护用品,如安全帽、防护眼镜、手套等)。
六、工艺改进记录。
1. 改进内容。
(记录工艺改进的具体内容,包括改进的原因、方法和效果)。
2. 改进责任人。
(记录工艺改进的责任人,以便跟踪和评估改进效果)。
七、其他事项。
1. 其他相关信息。
(在此处记录其他与工艺管理相关的内容,如工艺设备的维护保养、异常处理等)。
以上就是工艺卡片模板的内容,希望能够对大家的工艺管理工作有所帮助。
在使用模板的过程中,可以根据实际情况进行适当的调整和完善,以确保工艺卡片能够真正发挥作用,提高生产效率和产品质量。
祝大家工作顺利!。
工艺流程卡模板工艺流程卡是一种用于记录和传递生产工艺信息的重要文档。
它包含了从原材料准备到最终成品制作的详细工序和操作要求。
在生产过程中,工艺流程卡扮演着指导作用,帮助生产人员准确无误地完成各项工作。
下面是一个工艺流程卡的模板示例,旨在帮助企业制定自己的工艺流程卡。
工艺流程卡模板1. 产品信息•产品名称:•产品代码:•规格型号:•客户要求:2. 原材料准备•原材料代码:•采购批次号:•数量:3. 工艺要求•工艺步骤:•操作要求:•产品缺陷:•质量控制点:4. 设备与工具•设备名称:•编号:•清洁要求:5. 工序流程工序1:•工序名称:•操作者:•准备时间:•操作步骤:1.步骤1:2.步骤2:3.步骤3:•检验要求:工序2:•工序名称:•操作者:•准备时间:•操作步骤:1.步骤1:2.步骤2:3.步骤3:•检验要求:(继续添加更多工序)6. 检验与测试•检验项目:•检验方法:•标准要求:•检验结果:7. 包装与储存•包装要求:•标签要求:•储存条件:8. 工艺确认与批准•工艺制定者:•工艺审核者:•工艺批准者:结论工艺流程卡是企业管理生产过程中不可或缺的文档,它详细记录了产品制造过程中的所有工序和操作要求。
通过使用工艺流程卡,企业可以提高生产工作的准确性和一致性,避免因操作失误导致的质量问题。
同时,工艺流程卡也为质量管理人员提供了重要的数据来源,可以用于监控和改进生产工艺。
因此,制定和使用工艺流程卡对于企业来说非常重要。
使用上述模板可以帮助企业制定规范的工艺流程卡,以确保生产过程的良好运行和产品质量的稳定性。
检测卡及试剂盒工艺流程图2.0本规程规定了本规程对公司生产的结核抗体金标检测卡、结核抗体金标阵列检测试剂盒、肺炎支原体抗体IgM金标检测试剂盒、肺炎支原体抗体IgG金标检测试剂盒、肺炎衣原体MOMP抗体IgM检测试剂盒(胶体金法)、肺炎衣原体MOMP 抗体IgG检测试剂盒(胶体金法)沙眼衣原体金标检测试剂盒、解脲支原体MB 蛋白金标检测试剂盒(胶体金法)、弓形虫抗体(TOXO)检测卡产品的生产工艺流程。
※★※注:※代表主要控制项目,★代表主要控制点2.1关键和特殊工序的设备、人员及工艺参数控制的说明2.1.1胶体金制备:此工序为关键工序,所需设备包括:电热炉、磁力搅拌器。
需工作人员1名。
工艺控制参数为:所用水为三蒸水或超纯水,电阻率达18.1Ω;胶体金溶液金颗粒大小均匀,在50—60nm。
2.1.2胶体金标记:此工序为特殊工序,所需设备包括:高速冷冻离心机、酸度计、蛋白测定仪、磁力搅拌器、冰箱和恒温干燥箱等,需1-2名技术人员。
工艺控制参数为:标记抗体浓度,以稳定点(生产时随条)为控制点;pH值(控制在8.2左右)。
2.1.3 NC膜处理:此工序为关键工序,所需设备包括不锈钢容器和恒温干燥箱,需1名技术人员。
工艺控制参数为:膜处理时间,按作业指导书中相关内容进行控制;膜干燥时间,按作业指导书中相关内容进行控制。
2.1.4膜包被:此工序为特殊工序,所需设备膜喷点平台和恒温干燥箱,需1-2名技术人员。
工艺控制参数为:抗体包被浓度和包被量,抗体浓度分别为检测抗体2mg/ml,控制线抗体2.5mg/ml,包被量为10ul/cm;膜干燥时间,按作业指导书中相关内容进行控制。
2.1.5贴板:此工序为关键工序,此工序以手工操作为主,不需设备,需5-6名技术人员。
工艺控制参数为:工作室的干湿度,控制相对湿度在40%以下;各组建的次序和准确度,按作业指导书中相关内容进行控制。
.;.深圳市尊雅印刷有限公司文件编号ZY-3-42 版本A/1/次文件名称生产工艺及检验流程图生效日期2014-3-17页次2/6;.;.深圳市尊雅印刷有限公司文件编号ZY-3-42 版本/次A/1文件名称生产工艺及检验流程图生效日期2014-3-17页次3/6流程图设备及作业环境要求品质控制(责任)检验及试验作业指导书工序作业指导书操作规程及保养规范记录表格序号工序名称工序代号主要设备作业环境检查内容检测设备IQCIPQCFQC作业员1 进料检验1.防尘2.防强光3.防潮1.规格型号2.尺寸外观性能等3.纸质卷尺、游标卡尺●检验规范IQC进料检验报告2 入库1.外观包装2.数量、出货标签及相对应的产品标识等目测●仓储作业指导书仓库出入记录;.3 切纸B1 切纸机1.防尘2.湿度60%—80%1.外观2.尺寸3.纸型号4.纸规格5.纸纹1.钢尺2.目测●●切纸作业指导书切纸机操作规程切纸机保养规范切纸机保养记录深圳市尊雅印刷有限公司文件编号ZY-3-42 版本/次A/1文件名称生产工艺及检验流程图生效日期2014-3-17页次4/6流程图设备及作业环境要求品质控制(责任)检验及试验作业指导书工序作业指导书操作规程及保养规范记录表格序号工序名称工序代号主要设备作业环境检查内容检测设备IQCIPQCFQC作业员4 拼版A1 拼版台1.温度摄氏25度±5℃。
2.湿度60%-80%。
3.防强光。
4.防尘。
5.防燥。
6.通风。
1.规格型号2.网点3.内容4.尺寸、外观5.拼版位置6.拼版准确性1.放大镜2.钢尺3.目测●拼版作业指导书5 晒版A2 晒版机同上1.脏点2.掉网目测●晒版作业指导书晒版机操作规范晒版机保养记录;.6 洗版A3PS版显影液1.网点2.文字、图案3.外观目测●洗版作业指导书洗版操作规范PS版制版不良记录7 印刷B2 印刷机1.错版2.材质3.颜色4.文字稿5.套位、针位6.数量、外观7.规格、型号1.放大镜2.直尺3.色谱4.带表卡尺5.目测●●样版、制程首件印刷作业指导书印刷机操作规程印刷机保养规范1.印刷机保养记录2.生产日报表深圳市尊雅印刷有限公司文件编号ZY-3-42 版本/次A/1文件名称生产工艺及检验流程图生效日期2014-3-17页次5/6流程图设备及作业环境要求品质控制(责任)检验及试验作业指导书工序作业指导书操作规程及保养规范记录表格序号工序名称工序代号主要设备作业环境检查内容检测设备IQCIPQCFQC作业员8 IPQC 1.外观2.内容3.颜色4.套位、针位5.规格、型号6.数量目测●检验规范检验规范制程检验报告;.;.深圳市尊雅印刷有限公司文件编号ZY-3-42 版本/次A/1文件名称生产工艺及检验流程图生效日期2014-3-17页次1/6流程图设备及作业环境要求品质控制(责任)检验及试验作业指导书工序作业指导书操作规程及保养规范记录表格序号工序名称工序代号主要设备作业环境检查内容检测设备IQCIPQCFQC作业员13 粘盒G1G2压铁防强光1.粘盒强度2.外观3.组装4.色位直尺●●样版粘盒作业指导书粘盒操作规范生产日报表14 FQC 1.外观2.内容3.颜色4.组装目测●检验规范检验规范成品检验报告15 包装H 1.外观2.数量3.尺寸4.标签1.直尺2.目测●●包装作业指导书包装操作规程生产日报表1.1.17 入库I 1.数量2.标识3.标签与实物一致目测●仓储作业指导书出货成品入库单、库存成品入库单;.。
加工工艺流程卡
《加工工艺流程卡》
加工工艺流程卡是指在生产加工过程中对工件加工工艺流程按程序进行控制、调度和检验的一种生产管理工具。
在制造生产过程中,加工工艺流程卡起着重要的作用。
它不仅记录着工艺流程和操作方法,还可以指导生产员按照规定的步骤进行生产。
通常情况下,一个产品的生产经历了众多工序,每个工序都需要按照规定的程序进行。
加工工艺流程卡就是为了指导这一过程而诞生的。
加工工艺流程卡的内容一般包含以下几个方面:工件名称、图号、材料、数量、工艺序号、工序名称、设备名称、操作要点、工艺参数、检测标准等等。
通过这些内容,生产员可以了解到每个工序的具体信息,包括如何操作设备、如何进行检测等等,从而保证产品的生产质量。
加工工艺流程卡的编制需要经过严格的审核和控制。
一般情况下,由工艺工程师编制,经过相关部门的审核和确认后方可使用。
同时,加工工艺流程卡也需要与实际生产情况进行调整和修正,确保其与实际生产的一致性。
总的来说,加工工艺流程卡对于保证产品质量、提高生产效率、降低生产成本具有重要意义。
它是生产管理中的重要工具,值得生产企业高度重视和使用。
工艺流程及检验卡工艺流程是指产品制造过程中需要经过的一系列工艺步骤,它的目的是确保产品按照规定的工序进行制造,从而保证产品的质量和性能。
而检验卡则是在工艺流程中进行质量检查的记录表,用于记录每个工艺步骤的检验结果和相关数据。
下面将以汽车制造为例,详细介绍工艺流程及检验卡。
工艺流程:1.钢板切割:使用切割机将钢板切割成所需要的尺寸,并记下切割精度和切口表面质量。
2.冲压:将切割好的钢板放入冲压机中,按照设计要求进行冲压,并记录冲压力度和冲压深度。
3.焊接:将冲压好的零件进行焊接,包括点焊和激光焊等方式,同时记录焊接时间和焊接接头质量。
4.喷涂:将焊接好的零件进行喷涂,包括底漆和面漆等涂装工序,并记录涂装均匀度和漆面质量。
5.装配:将喷涂好的零件进行组装,包括机械零件和电气零件等装配工序,并记录装配精度和装配质量。
6.调试:对装配好的产品进行调试,确保产品的功能正常,并记录调试结果和调试时间。
7.检验:对调试好的产品进行全面的质量检验,包括外观检查、性能测试和可靠性试验等,并记录检验结果和相关数据。
8.包装:对合格的产品进行包装,包括包装材料的选择和包装方式的确定,并记录包装质量和出厂数量。
检验卡:针对以上每个工艺步骤,都需要有相应的检验卡进行记录。
检验卡包括以下内容:1.工艺步骤:记录该工艺步骤的名称和序号。
2.检验项目:记录该工艺步骤需要检验的项目,包括尺寸、外观、性能等。
3.检验标准:记录该检验项目的合格标准,包括尺寸容差、表面质量要求、性能指标等。
4.检验方法:记录该检验项目的具体检验方法,包括使用的测量工具、测量方法等。
5.检验结果:记录该检验项目的实际检验结果,包括测量数值、合格与否等。
6.备注:记录该检验项目的特殊情况或异常情况。
每个工艺步骤都有对应的检验卡,在操作人员进行相应工艺步骤时,按照检验卡的要求进行检验,并将检验结果填写在检验卡上。
通过检验卡的记录,可以追溯到每个工艺步骤的具体操作情况和检验结果,从而保证产品的质量和性能。