电焊工实际操作考试试题
- 格式:doc
- 大小:105.50 KB
- 文档页数:8
焊工考试理论实操试题及答案焊工考试是评估焊工专业技能和理论知识的重要环节,它通常包括理论和实操两个部分。
理论部分主要测试焊工对焊接原理、材料、设备以及安全规程的掌握程度,而实操部分则直接考核焊工的动手能力和焊接质量。
以下是一份焊工考试的理论实操试题及答案的示例。
一、理论试题1. 金属材料的熔点通常与哪些因素有关?- A. 金属的晶体结构- B. 金属的纯度- C. 金属的合金成分- D. 所有以上因素答案:D2. 焊接过程中,为什么需要使用保护气体?- A. 防止金属氧化- B. 减少金属的蒸发- C. 保护焊缝不受空气污染- D. 增加焊接速度答案:C3. 下列哪项不是焊接安全规程的一部分?- A. 穿戴防护服和防护眼镜- B. 使用合适的焊接设备- C. 焊接时吸烟- D. 确保良好的通风答案:C4. 焊接变形通常包括哪几种类型?- A. 弯曲变形- B. 扭曲变形- C. 角变形- D. 所有以上类型答案:D5. 什么是焊接电流?- A. 通过焊条的电流量- B. 焊接电源的电压- C. 焊接过程中产生的热量- D. 焊接设备的功率答案:A二、实操试题1. 平焊实操考核考核内容:- 使用适当的焊接技术在两块低碳钢板之间进行平焊。
- 确保焊缝均匀、无缺陷。
考核标准:- 焊缝的外观质量。
- 焊缝的内部质量(通过X射线检测)。
操作步骤:1. 准备焊接设备,包括焊接机、焊条和保护气体。
2. 清洁焊接区域,去除油污和锈迹。
3. 调整焊接参数,包括电流和电压。
4. 进行焊接,注意焊条的角度和移动速度。
5. 完成后,清理焊缝区域。
2. 立焊实操考核考核内容:- 在垂直的钢板上进行立焊,模拟实际工作中的立焊环境。
考核标准:- 焊缝的成型是否美观。
- 是否有咬边、气孔等缺陷。
操作步骤:1. 准备焊接设备,确保所有设备均处于良好状态。
2. 根据钢板的厚度选择合适的焊条直径。
3. 采用适当的焊接电流和电压。
4. 焊接时保持焊条与钢板的适当角度。
国家职业技能鉴定统一试卷中级电焊工技能操作试卷一、说明:1、 本试卷命题以可行性、技术性、通用性为原则编制的。
2、 本试卷是依据1995年劳动部、机械工业部联合颁发的《中华人民共和国电焊工职业技能鉴定规范(考核大纲)》设计编制.3、 本试卷主要适用于考核中级手工电弧焊工。
4、 本试卷无地域和行业限制。
5、 本试卷无其他特殊要求. 二、项目:1、 试题名称(一) Q235钢板平对接焊(图1) (二) Q235钢板立对接焊(图2) 2、技术要求1、 焊条直径自定. 4、 准备时间:15min 。
2、 钝边、间隙自定、板状试件允许采用反变形。
5、正试操作时间:60mim.3、 试件离地面高度自定。
6、总时间75min.三、Q235钢板平对接焊评分表四、Q235钢板立对接焊评分表考场纪事:考场负责:监考: 年月日国家职业技能鉴定统一试卷中级电焊工技能试卷(M–06)一、说明1、本试卷命题是以可行性、技术性、通用性为原则编制的。
2、本试卷是依据1995年劳动部、机械工业部联合颁发的《中华人民共和国电焊工职业技能鉴定规范(考核大纲)》设计编制的.3、本试卷适用于考核中级手工电弧焊工.4、本试卷无地域或行业限制。
5、本试卷无其它特殊要求.二、项目1、试题名称:<一>、低合金钢板-板对接立位手弧焊<二〉、低合金钢管板(骑座式)垂直府位手弧焊2、试题文字或图表的技术说明:装配图技术要求:1、要求单面焊双面成形。
2、钝边、间隙自定,板状试件允许反变形。
3、焊条直径自选。
4、试件离地面高度自定。
三、考试规则1、所用试件,焊接材料的种类和数量必须按管理制度领用,试件要统一打印钢字考号标记。
2、考生应提前五分钟持准考证进入指定的考位。
3、考评人员与考生比例为1:5。
4、除考评人员及有关工作人员外,其它人员不准进入实际操作考试现场。
5、焊接时不允许坐着或依靠其它物件。
6、试件的点固、焊接及清理应由考生独立完成。
电焊工考试题库(288道)一、选择题1. 电焊工在进行焊接作业前,应该对焊接设备进行哪些检查?A. 检查电源是否正常B. 检查焊接设备是否完好C. 检查焊接材料是否合格2. 电焊工在进行焊接作业时,应该佩戴哪些个人防护装备?A. 防护眼镜B. 防护手套C. 防护口罩3. 电焊工在进行焊接作业时,应该注意哪些安全事项?A. 防止触电B. 防止火灾C. 防止烫伤4. 电焊工在进行焊接作业时,应该保持哪些姿势?A. 保持身体稳定B. 保持视线清晰C. 保持呼吸顺畅5. 电焊工在进行焊接作业时,应该如何处理焊接废料?A. 随意丢弃B. 统一收集C. 分类处理二、填空题6. 电焊工在进行焊接作业时,应该保持________距离,防止电弧对眼睛的伤害。
7. 电焊工在进行焊接作业时,应该使用________手套,防止烫伤。
8. 电焊工在进行焊接作业时,应该使用________口罩,防止吸入有害气体。
9. 电焊工在进行焊接作业时,应该使用________眼镜,防止电弧对眼睛的伤害。
10. 电焊工在进行焊接作业时,应该使用________设备,防止触电。
三、简答题11. 请简述电焊工在进行焊接作业时,应该如何处理焊接废料。
12. 请简述电焊工在进行焊接作业时,应该如何保持安全距离。
13. 请简述电焊工在进行焊接作业时,应该如何选择合适的焊接材料。
14. 请简述电焊工在进行焊接作业时,应该如何检查焊接设备。
15. 请简述电焊工在进行焊接作业时,应该如何佩戴个人防护装备。
四、论述题16. 请论述电焊工在进行焊接作业时,应该如何保持安全操作。
17. 请论述电焊工在进行焊接作业时,应该如何处理焊接废料。
18. 请论述电焊工在进行焊接作业时,应该如何选择合适的焊接材料。
19. 请论述电焊工在进行焊接作业时,应该如何检查焊接设备。
20. 请论述电焊工在进行焊接作业时,应该如何佩戴个人防护装备。
电焊工考试题库(288道)二、判断题21. 电焊工在进行焊接作业时,可以不佩戴防护装备。
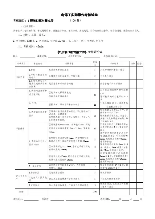
电焊工实际操作考核试卷考核题目:V形坡口板对接立焊(100分)一、技术条件:具备电焊工考试的车间,考试现场设备、设施完好齐全,布局合理,光线充足,符合安全作业条件,有安全措施,配备安全负责人。
二、材料、工具、设备:1、焊接材料:E4303。
2、焊接设备:电焊机ZX5-400 。
3、工量具:锤子、钢丝刷、钢直尺三、考核时间:45min《V形坡口板对接立焊》考核评分表姓名:准考证号:考核开始时间:考核终止时间:考评组长:考评员:考核日期:年月日考核题目一:V形坡口板对接立焊题目内容:见图一1、焊接方法:手工电弧焊。
2、焊件母材钢号Q235。
3、焊件类别:1)焊件形式:板对接。
2)焊件尺寸:S×B×L=14×250×3003)焊接位置:立位。
4)焊件坡口形式 V形坡口。
5)焊接材料El-23-13-16。
4、时限:45min。
注:时限指引弧开始至最后焊完熄弧。
过程清理及最终清理,不包括施焊前理、装焊。
5、设备:ZX5-400电焊机。
考核题目二:V形坡口板对接仰焊题目内容:见图二1、焊接方法:手工电弧焊。
2、焊件母材钢号:20g。
3、焊件类别: 1)焊件形式板对接。
2)焊件尺寸:S×B×L=12×250×300 (mm)。
3)焊件位置仰位。
4)焊件坡口形式 V形坡口。
5)焊接材料E4303。
4、时限:45min。
注:时限指引弧开始至最后焊完熄弧。
过程清理及最终清理,不包括施焊前理、装焊。
5、设备:设备BX3-300电焊机。
技术要求1.单面焊双面成形。
2.钝边高度与间隙自定。
3.坡口两侧一律不得安装引弧板。
4.点固焊时允许做反变形。
考核题目三:管板(骑座式)垂直仰位焊题目内容:见图三1、焊接方法:手工电弧焊。
2、焊件母材钢号20。
3、焊件类别:1)焊件形式管板T形接头(骑座式)2)焊件尺寸D×S×L=50×6×100 (mm);S×B×B=12×100×100 (mm)。
电焊模拟实操考试题及答案一、单选题(每题2分,共20分)1. 电焊作业时,以下哪项防护措施是不必要的?A. 穿戴防护服B. 佩戴防护眼镜C. 佩戴隔音耳塞D. 佩戴防毒面具2. 电焊机的接地线应连接在什么位置?A. 焊机外壳B. 焊接工件C. 电源插座D. 操作者的身上3. 电焊时,焊接电流的大小应根据什么来选择?A. 焊接速度B. 焊接材料的厚度C. 焊接位置D. 操作者的经验4. 焊接时,为防止电弧光伤害眼睛,应使用什么?A. 普通眼镜B. 太阳镜C. 焊接防护眼镜D. 护目镜5. 焊接作业中,以下哪种气体是有害的?A. 氧气B. 氮气C. 氩气D. 一氧化碳6. 焊接过程中,焊条的倾斜角度通常是多少?A. 30°-45°B. 45°-60°C. 60°-75°D. 75°-90°7. 焊接时,为防止焊接变形,应采取哪些措施?A. 增加焊接速度B. 减少焊接电流C. 使用合适的焊接顺序D. 增加焊接层数8. 焊接完成后,焊缝的冷却速度应如何控制?A. 快速冷却B. 缓慢冷却C. 保持恒温D. 无需控制9. 电焊作业中,以下哪种焊接方式是手工操作的?A. 埋弧焊B. 气体保护焊C. 手工电弧焊D. 激光焊10. 焊接作业中,为防止触电事故,以下哪项操作是错误的?A. 确保焊机接地良好B. 使用绝缘工具C. 穿戴绝缘手套D. 湿手操作电焊机答案:1. D2. A3. B4. C5. D6. A7. C8. B9. C 10. D二、判断题(每题1分,共10分)1. 电焊作业时,操作者可以不佩戴防护眼镜。
(错误)2. 焊接作业中,焊接电流的大小与焊接材料的厚度无关。
(错误)3. 焊接时,焊接电流过大会导致焊接缺陷。
(正确)4. 焊接作业中,操作者应避免长时间直视电弧。
(正确)5. 焊接完成后,焊缝不需要进行冷却处理。
(错误)6. 焊接作业中,焊条的倾斜角度对焊接质量没有影响。
电焊工考试试题题库电焊工考试试题题库是为电焊工专业技能考核而设计的一系列标准化问题,旨在评估考生的理论知识和实际操作能力。
以下是一些电焊工考试试题的示例:一、单选题1. 电焊机的电流类型主要有哪两种?A. 直流电和交流电B. 单相电和三相电C. 高频电和低频电D. 脉冲电和连续电2. 焊接过程中,焊条的角度通常应保持在多少度?A. 30-45度B. 45-60度C. 60-75度D. 75-90度3. 以下哪种焊接方法不适用于薄板材料?A. 手工电弧焊B. 气体保护焊C. 激光焊接D. 电子束焊接二、多选题1. 焊接过程中可能产生的有害因素包括:A. 电弧光辐射B. 金属蒸汽C. 焊接烟尘D. 高温2. 焊接缺陷可能包括:A. 裂纹B. 气孔C. 未焊透D. 咬边3. 焊接前的准备工作通常包括:A. 清洁焊接区域B. 选择合适的焊接参数C. 检查焊接设备D. 确定焊接顺序三、判断题1. 焊接过程中,焊工必须佩戴防护眼镜以保护眼睛。
(对/错)2. 所有焊接材料都可以使用同一类型的焊接电流。
(对/错)3. 焊接完成后,不需要对焊缝进行冷却和检查。
(对/错)四、简答题1. 简述焊接过程中如何防止电弧烧伤?2. 描述焊接过程中的通风要求及其重要性。
3. 解释为什么在焊接前需要对焊接材料进行预热处理?五、操作题1. 请根据给定的焊接材料和厚度,选择合适的焊接方法和参数。
2. 描述手工电弧焊的操作步骤,包括焊条的选择、焊接姿势和焊接技巧。
3. 假设你正在焊接一个管道接头,请说明如何确保焊接接头的密封性和强度。
请注意,以上试题仅为示例,实际的电焊工考试试题可能会根据具体的考试标准和要求有所不同。
考生应根据实际的考试大纲和教材进行复习和准备。
电焊工考试试题及答案前言电焊工考试是评价电焊工职业技能水平的重要方式之一。
合格的电焊工需要具备一定的理论知识和实际操作能力。
本文档整理了常见的电焊工考试试题及答案,希望能帮助考生们备战考试。
一、选择题1.以下哪种焊接方法适用于焊接铸铁件? A. 氩弧焊 B. 气焊 C. 电弧焊 D.焊锡焊接答案:B2.电焊工在操作焊接用具时,应该穿戴下列哪种个人防护设备? A. 防护面罩 B. 防护手套 C. 防护眼镜 D. 防护鞋答案:A、B、C、D3.电焊机的额定工作电压是指什么? A. 电源电压 B. 输出电压 C. 电极电压 D. 额定电流答案:B二、填空题1.电弧焊是利用_____产生空间中的高温弧焊熔化焊缝两侧金属的接头方法。
答案:电弧2.焊接烟尘对人体健康有害,应该配备_____来有效过滤烟尘。
答案:焊接烟尘过滤器3.焊接用具需要定期_____,以确保工作正常、安全。
答案:维护和保养三、简答题1.请简要解释电弧焊的工作原理。
答:电弧焊是通过将电流引导到电极和被焊件上形成电弧,利用电弧的高温熔化焊接材料,形成焊缝,从而实现金属材料的连接。
2.请列举几种常用的电焊方法。
答:常用电焊方法包括电弧焊、气焊、氩弧焊、电阻焊等。
3.电焊过程中的个人防护措施有哪些?答:电焊过程中,应穿戴防护面罩、防护手套、防护眼镜、防护鞋等个人防护设备,以保护身体免受辐射、火花、烟尘等伤害。
四、计算题1.电焊机的电源电压为220V,工作电压为30V,需求电流为50A。
求焊接电压间隙值。
答:焊接电压间隙值 = 电源电压 - 工作电压 = 220V - 30V = 190V2.某焊接工程需要焊接40根钢管,每根钢管的焊接时间为12分钟,每小时能工作40分钟。
求完成该焊接工程需要多长时间。
答:焊接一根钢管的时间 = 12分钟焊接所有钢管的时间 = 焊接一根钢管的时间 × 钢管数量 = 12分钟 × 40根 = 480分钟完成焊接工程的时间 = 焊接所有钢管的时间 ÷ 每小时工作时间 = 480分钟 ÷ 40分钟/小时 = 12小时结语本文档介绍了电焊工常见的考试试题及答案,涵盖了选择题、填空题、简答题和计算题等各个方面。
电焊工高级技师实际操作考试试题1.题目名称:A.焊条电弧焊V形坡口试板对接单面焊双面成形仰焊位焊接;B.CO2气体保护焊V形坡口试板对接单面焊双面成形横焊位焊接;C.手工钨极氩弧焊管子水平固定对接焊。
2.题目内容:2.1焊接方法:焊条电弧焊、CO2气体保护焊和手工钨极氩弧焊。
2.2试件材质:试板Q345(16MnR);管子20g。
2.3试件尺寸:试板300×250×12mm;管子Φ51×3.5mm。
2.4试件数量:板对接仰焊位和横焊位各1件;管子水平固定对接焊1件。
2.5焊接材料:焊条E5015,Φ3.2mm;焊丝H08Mn2SiA,Φ1.2mm,CO2纯度99.5%;焊丝H08Mn2SiA,Φ2.5mm,氩气纯度99.99%。
2.时间:共210min,其中组装时间30min。
焊条电弧焊焊接时间:60min;CO2气体保护焊:60min;手工钨极氩弧焊:40min。
注:在考核时限内完成不扣分;超出考核时限≤5min扣2分;超出≤10min 扣5分;超出10min为0分。
4.设备和工具4.1焊接设备:由公司焊工培训中心提供焊条电弧焊焊机、CO2气体保护焊焊机和手工钨极氩弧焊焊机。
4.2工具:自备劳保用品(面罩、手套、劳保皮鞋、工作服、帽等)和工具(角向磨光机、手锤、焊钳、电缆、锉刀、錾子、刨锤、钢丝刷等)。
5.考核和检验标准:按《锅炉压力容器焊工考试规则》要求。
焊条电弧焊V形坡口试板CO2气体保护焊V形坡口试板对接单面焊双面成形仰焊位对接单面焊双面成形横焊位手工钨极氩弧焊管子水平固定对接。
电焊工实操考试试题一准考证号:考生姓名:一、试题名称:板—板T形接立角焊本题分值:100分。
考核时间:30分钟考核要求:1.装配定位焊二板要垂直,焊件首尾两点定位焊2.间隙自定3.焊件上不许有引弧痕迹4.焊接时焊件保证垂直位置施焊5.允许预留一定的变形量6.焊缝表面清洁干净,并保持焊缝原始状态焊件备料图焊件装配图二、考试规则1.所用试件和数量必须按管理制度领用,试件要统一打钢印。
2.考生应提前五分钟持准考证及身份证进入指定的考场。
3.除考评人员及有关工作人员外,其他人员不准进入实际操作考试现场。
4.焊接时不允许坐、靠其他物件。
5.试件的点固、焊接及清理应由考生独立完成。
6.对有焊接位置要求的试件,必须按要求的位置焊接完,中途不许取下。
7.考生应在规定的时间内完成全部考件制作,考评人员通知限时一到,应立即停止考试。
8.考生在考试结束后,将试件清理好交到指定地点,并彻底清理考场。
9.考生在整个考试过程中,应遵守安全操作规程,做到文明考核,对违犯考试规则不听劝阻或违犯安全操作规程出现或大事故者取消考试资格,并按有关规定处理。
三、否定项说明1.焊接操作时任意更改焊接位置。
2.焊缝原始表面破坏。
3.操作时间超过15分钟。
四、评分标准考评员:年月日电焊工实操考试试题二准考证号:考生姓名:二、试题名称:焊条电弧焊低碳钢板对接立焊单面焊双面成型考核时间:30分钟考核要求:7.装配定位焊二板要对齐,焊件首尾两点定位焊8.间隙自定9.焊件上不许有引弧痕迹10.焊接时焊件保证垂直位置施焊11.允许预留一定的变形量12.焊缝表面清洁干净,并保持焊缝原始状态二、考试规则10.所用试件和数量必须按管理制度领用,试件要统一打钢印。
11.考生应提前五分钟持准考证及身份证进入指定的考场。
12.除考评人员及有关工作人员外,其他人员不准进入实际操作考试现场。
13.焊接时不允许坐、靠其他物件。
14.试件的点固、焊接及清理应由考生独立完成。
职业技能鉴定国家题库试卷电焊工中级操作技能考核试卷考件编号:____________ 姓名:____________ 准考证号:____________ 单位:____________说明本试卷命题是以可行性、技术性、通用性为原则编制的。
本试卷是依据劳动部、机械工业部联合颁发的《中华人民共和国电焊工职业技能鉴定规范(考核大纲)》设计编制的。
试题一、题目名称:V形坡口板对接立焊题目内容(见图)1、焊接方法:手工电弧焊2、焊件母材钢号 Q2353、焊接形式:板对接4、焊接尺寸:S﹡B﹡L=14*250*300(mm)5、焊接位置立位6、焊件坡口形式 V形坡口7、焊接材料 E431500306025技术要求:、要求单面焊双面成形 1、纯边高度与间隙自定 2、试件坡口两端不得安装引孤板 3、焊件一经施焊不得任意更换和改变焊接位置 4、点固时允许做反变形 5考核规则:、所用试件,焊接材料的种类和数量必须按管理制度领用,试件要统一打印钢字考1号标记、考生应提前五分钟持准考证进入指定的考位 2、除考评人员及有关工作人员外,其它人员不准进入实际操作考试现场 3 4、考生在焊接结束后,应力即关闭焊机,彻底清理焊件表面的焊渣、飞溅,试件应保持原始状态,不允许补焊、修磨或任何形式的加工。
考生将清理好的试件交到指定地点,并彻底清理焊位现场。
考核注意事项:1、满分50分,考试时间60分钟2、安全文明操作板对接试件质量评分表项目考核技术要求配分评分标准得分操作前准备焊机调试正常运转未达到要求不得分焊件装配符合要求未达到要求不得分分9焊接工艺参数选择未达到要求不得分合适焊裂纹、焊瘤、未不允2外试题2、按工艺规程主持检修直流电焊机在电焊机上设隐蔽故障1处。
考生向考评员询问故障现象时,考评员可以将故障现象告诉考生,考生必须单独排除故障。
考核要求:(1)调查研究。
a)对故障进行调查,弄清出现故障时的现象。
b)查阅有关记录。
c)检查电动机的外部有无异常,必要时进行解体检查。
电焊工高级技能操作试题一.管V形坡口对接斜45°固定焊条电弧焊(AAA)(一)测量模块1.考试要求(1)严格按安全操作规程操作。
(2)必备的工具齐全,劳保着装整齐。
(3)试件坡口清理露出金属光泽,组对符合要求。
(4)定位焊时内设筋板刚性固定。
(5)正确调试和使用焊接设备及辅助工具。
(6)严格按焊接程序(WPS)进行操作。
(7)单面焊双面成形。
(8)正确选用焊条(烘干后的焊条放入保温桶内,随用随取,焊条始终处于加热保温状态)。
(9)试件开始焊接后,试件位置不得随意改变。
(10)焊接结束后,焊缝表面清理干净保持原始状态,不许修补或打磨。
(11)符合安全文明生产要求。
2.考试时限(1)准备时间:15分钟。
(2)操作时间:100分钟。
(3)计时从正式操作开始,提前完成操作不加分,超过规定时间,按规定标准评分。
3.否定项(1)焊缝出现裂纹、未融合缺陷。
(2)焊接操作中随意更改试件位置。
(3)焊缝原始表面被破坏(如修补、打磨、锤击等痕迹)(4)操作超过规定时间20%。
4.考试操作规定及说明(1)操作程序说明:①准备工作。
②检查焊接设备运行是否正常。
③试件组对。
④正式施焊。
⑤做到工完料净场地清。
⑥试件送到指定地点进行封存。
(2)考试规定说明:①如有违章操作将停止其考试。
②考试采用100分制,然后按鉴定比重进行折算。
③考试方法说明:实际操作(以操作过程与结果按评分标准进行评分)④测量技能说明:本项目主要测试考生对管V形坡口对接斜45°固定焊条电弧焊的技能掌握程度。
5.配分与评分标准:序号考试内容测评要点配分评分标准1 焊前准备劳保着装及工具准备齐全,设备检查及调试正确5劳保着装不整齐,设备安全检查和调试不正确,有一项扣1分2 焊接操作试件固定空间位置符合要求5试件固定空间位置超出规定范围不得分3 焊缝外观焊缝表面不允许有焊瘤、气孔、夹渣、烧穿等缺陷10出现任何一种缺陷不得分焊缝咬边深度≤0.5mm,两侧咬边总长度不超过焊缝总长度的15%101.咬边深度≤0.5MM,累计长度美5mm扣1分2.咬边深度或总长度超标不得分未焊透深度≤1.5mm,总长度不超过焊缝长度的10%101.未焊透深度≤1.5mm,累计长度每5mm扣1分2.深、长度超标不得分背面凹坑深度≤2mm,总长度不超过焊缝长度10%51.背面凹坑长度每5MM扣1分2.凹坑深度或长度超标不得分焊缝余高0-3mm宽度差≤3mm10每种尺寸超标一处扣2分,扣完配分为止焊件电弧擦伤 5 每擦伤一处扣1分错边≤10%s 5 超标不得分4 焊缝内部质量X射线探伤(执行标准JB4370)30I级片不扣分,Ⅱ级片扣15分,Ⅲ级片不得分5 其它安全生产 5 工机具归位整齐,清理场地,关闭电源,试件送到指定位置,不合格扣1分6 定额在规定时间内完成每超过1分钟扣2分合计100(二)考试试题1.AAA001 16Mn钢管V形坡口斜45°固定焊条电弧焊(1)焊前准备①材料的准备:以下所需材料有鉴定站准备序号名称规格一人用量备注1 16Mn钢管219X12.7X150 两件坡口角度60±5°,允许用其他材料,管径在159-219,厚度在10-142 Q235-B筋板300X70X10mm 3件板中心有一处30mm凹槽3 LB-52U焊条⊕3.2mm 10根焊条在350-400℃范围内烘干,保温1-2小时4 CHE58-1焊条⊕3.2mm 30根②设备准备:以下所需设备由鉴定站准备序号名称规格数量备注1 直流电焊机根据情况定每工位1台2 焊条烘干箱根据情况定鉴定站2台3 焊条保温桶根据情况定每工位1个4 焊接检验尺HJC-40 不少于2件5 钢板尺≥200mm 不少于2把6 放大镜5倍不少于2把7 焊接检验镜不少于2把大小两种8 钢印2套③除了材料的准备、设备准备、工具、量具准备外(角向磨光机、砂轮片、白玻璃、钢丝刷等辅助物品由鉴定站提供),个人劳保用品以及电焊面罩、手套均由考生自备。
电焊工实操考试题目及答案一、选择题1. 电焊工在进行焊接作业时,必须穿戴的防护用品是()。
A. 工作服B. 安全帽C. 防护眼镜D. 以上都是答案:D2. 焊接过程中,电焊工应保持的安全距离是()。
A. 1米B. 2米C. 3米D. 4米答案:B3. 下列哪项不是电焊作业中的安全措施?()A. 使用合适的焊接电流B. 定期检查焊接设备C. 焊接时吸烟D. 使用合适的焊接材料答案:C二、填空题4. 电焊工在进行焊接作业前,必须检查焊接设备的()和()。
答案:绝缘性能;接地情况5. 电焊工在进行焊接作业时,应使用()来保护眼睛和面部。
答案:防护面罩6. 焊接作业完成后,电焊工应检查()和(),确保无遗留火种。
答案:焊接区域;周围环境三、判断题7. 电焊工可以不穿戴防护用品进行焊接作业。
()答案:错误8. 焊接作业时,电焊工可以随意丢弃焊接火花。
()答案:错误9. 电焊工在焊接作业前,必须检查焊接设备的安全性能。
()答案:正确四、简答题10. 简述电焊工在进行焊接作业时应遵循的安全操作规程。
答案:电焊工在进行焊接作业时应遵循的安全操作规程包括:穿戴合适的防护用品,检查焊接设备的安全性能,使用合适的焊接电流和材料,保持安全距离,焊接作业后检查焊接区域和周围环境,确保无遗留火种。
11. 描述电焊工在焊接作业中如何预防电击事故。
答案:电焊工在焊接作业中预防电击事故的措施包括:使用绝缘性能良好的工具和设备,确保所有电气连接正确且牢固,避免在潮湿环境中进行焊接作业,遵守安全操作规程,定期检查焊接设备和工具的绝缘性能。
五、计算题12. 已知焊接电流为200A,焊接电压为30V,求焊接过程中的功率。
答案:功率 P = 电流I × 电压U = 200A × 30V = 6000W六、论述题13. 论述电焊工在焊接作业中如何进行个人防护。
答案:电焊工在焊接作业中进行个人防护的方法包括:穿戴专用的焊接工作服和防护手套,佩戴防护眼镜或防护面罩以保护眼睛和面部,使用耳塞或耳罩以减少噪音对听力的损害,穿戴防护鞋以保护脚部不受伤害,必要时使用呼吸防护设备以减少有害气体和粉尘的吸入。
焊工实际操作考试题一、如何使触电者脱离电源?可用“拉”“切”“拽”的方法来解救1、拉:就是迅速将电源开关拉开或拔掉电源插头,切断电源。
2、切:就是用绝缘工具将电源线剪断,如用钳子、绝缘木柄的斧子等工具将电线切断。
3、拽:救护人员戴上绝缘手套或手上包缠干燥的衣服,塑料等绝缘物将触电者拽开与带电体分离。
二、解救触电者注意事项。
1、未切断电源之前,救护人员不得触及触电者的人体。
2、不得使用金属物或不绝缘的工具做为救护工具。
3、如触电者位于高处应采取防坠落措施。
三、触电者呼吸、心跳判定。
1、试:用手指放到触电者鼻孔处,试有无呼吸气流或用手试有无脉波搏动。
2、听:用耳贴近触电者鼻孔处听有无呼吸的声音。
3、看:看触电者胸部有无起伏。
四、口对口吹气人工呼吸触电者脱离电源后,如判定心跳、呼吸均已停止应立即通知医院的同时就地实施人工呼吸,就地使触电者仰卧,迅速解开衣服和裤带,排除一切呼吸障碍,清除口中异物,畅通气道之后立即口对口吹气,方法是,先大口吹气两次,看触电者胸部有无微弱的起伏,如没有应立即转入正常吹气抢救,将触电者鼻孔捏住,深呼吸气后每5s吹气一次(吹2s防松3s)直到触电者复苏或医生前来接替。
五、胸外心脏按压法1、将触电者衣服解开,使之仰卧在地面上。
2、救护人员两手相叠掌根放到触电者胸骨和肋骨交汇处(胸骨1/3部位)3、救护人员两臂伸直不屈,用上身重力向下按压,按压深度3—5cm。
4、按压频率每分钟约80—100次。
5、按压、放松时间应相等。
6、放松时救护人员掌心不得离开触电者胸骨。
六、触电者抢救过程中心跳、呼吸再判定1、抢救1分钟后,应再用试、听、看的方法在5—7分钟内完成呼吸、心跳的再判定。
2、若判定颈动脉已有搏动,但无呼吸,则暂停胸外按压而进行口对口人工呼吸。
3、如脉搏、呼吸均未恢复,则继续坚持心肺复苏抢救。
七、乙炔着火严禁采用什么灭火器扑救严禁采用四氯化碳灭火器灭火,可用干粉、1211、二氧化碳灭火。
电焊工实操考试试题
以下是一些电焊工实操考试试题的示例:
1. 请列举出电焊常用的焊接方法。
2. 简述手工电弧焊的工作原理。
3. 请简述埋弧焊和气体保护焊的区别。
4. 解释电弧的形成和维持的原理。
5. 说明焊机的工作原理。
6. 如何正确地穿戴和使用焊接个人防护装备?
7. 请解释电焊中常见的几种焊缝形式。
8. 如何进行焊接前的准备工作?
9. 请简述焊接时的安全注意事项。
10. 你在实操中遇到过的常见问题有哪些,以及如何处理?
1
这些试题旨在考察考生对电焊工实操知识的理解和应用能力。
在考试前,考生还需要复习与电焊工实操相关的理论知识和操作规程,并进行足够的实操练习。
2。
电焊工实际操作考试试题
一、 低碳钢板平位对接焊条电弧焊
二、 低碳钢管水平固定对接手弧焊
三、考试要求:
1.考试所需工具(面罩、手锤、锉刀、钢丝刷、刨锤、扁铲、焊把
等)自备。
2.设备为弧焊整流器,焊条为E4303,规格:φ、φ。
3.装配平齐,间隙、钝边自定,钝边在装配前自己加工,允许采用
反变形。
4.板件在两端20mm内坡口内定位焊,单面焊双面成形,焊缝两端
20mm范围内缺陷不计。
5.板件焊接方向采用一个方向焊接,不得由中间向两端或由两端向
中间焊接。
6.管状试件定位焊缝不允许在仰焊(六点钟)位置。
单面焊双面成
形。
管状试件离地面高度不高于850mm。
7.管状试件在焊接过程中,试件不准取下、移动或改变焊接位置。
8.试件在正式施焊后,不允许动用电动工具打磨、处理接头。
9.焊接作业结束清理焊位卫生。
10.对违反规定者将给予适当扣分处理。
11.考试时间暂定100分钟,总分220分实操200,其它20分。
12.注意基本安全要求和写出触电应急处置措施
低碳钢板平位对接手弧焊评分标准
低碳钢管水平固定对接手弧焊评分标准
基本安全要求评分标准(共10分,每项1分)
1、工作前,将劳动保护用品穿戴齐全,且保持干燥绝缘,防止触电。
2、工作前,检查电焊机附近有无易燃、易爆物品,如有,应挪开直线距离10米以外,方可工作。
3、工作前,检查电焊机是否有接地线,内部各接点是否有松动或有无金属物。
合闸后,发现电焊机有异声,应立即拉闸进行检查,避免发生设备事故。
4、检查一次线、二次线,如有破损应用胶布包好,破损严重必须更换新线。
一次线长度不超过3米,必须悬空挂好。
5、摘挂一次线,是否拉开电闸,电压是否与电焊机电压相符。
6、把电焊线事先拉到工作位置,并检查无误后再合闸,合闸时要把脸闪开。
7、使用合格的防护面罩,并配有合适的护目镜片。
8、工作休息后,必须将闸拉下。
如停时间短暂,可以不拉,但不得离开工作岗位,夹钳必须放在绝缘处。
9、工作完成后,要及时拉闸断电,把线盘好。
10、焊接现场设置消防器材。
触电应急处置措施评分标准
(共10分写到二级标题给满分,写到一级标题给5分)
一、使触电者脱离电源
1、切断电源;
2、挑、拉电源线;
3、剪(割)断电源线。
二、向外求援与现场救治
现场救治
1、呼吸停止的,口对口人工呼吸法
1)触电者仰卧,2)解开衣裤,3)嘴自由通气,4)头部后仰,5)捏鼻掰嘴,6)贴嘴吹气,7)放松换气
2、心跳停止的,胸外心脏挤压法
1)触电者仰卧,2)解开衣裤,3)跪左或右或跨,4)手掌放胸下约三分之一处,5)向下压2—3cm,每分钟60—80次。