市政道路规范大全
- 格式:docx
- 大小:19.03 KB
- 文档页数:5
现行市政工程标准大全0市政工程施工常用标准0.1城镇道路工程施工及验收标准0.2城市桥梁工程施工及验收标准0.3地下铁道工程施工及验收标准0.4 城市道路照明工程施工及验收规程CJJ89-20010.5 给水排水构筑物施工及验收标准GBJ141-900.6 给水排水管道工程施工及验收标准0.7 城市供热管网工程施工及验收标准0.8 城镇燃气室内工程施工及验收标准CJJ94-2003 0.9 城镇燃气输配工程施工及验收标准0.10 城镇道路路基工程施工及验收标准0.11 混凝土结构工程施工质量验收标准GB50204-2002 0.12 砌体结构工程施工质量验收标准GB_50203-2021 0.13 市政地下工程施工质量验收标准0.14 市政工程计量标准0.15 城市绿化工程施工及验收标准1规划专业1.1城市用地分类与规划建设用地标准GBJ137-901.2 城市居住区规划设计标准GB50180-93(2002年版)1.3 城市规划根本术语标准1.4 城市给水工程规划标准1.5 城市工程管线综合规划标准GB50289-981.6 CJJ 46-1991 城市用地分类代码1.7 工程建设标准强制性条文(城市建设局部)1.8 市政工程质量检验评定标准2工程勘察测量专业2.1 GB 50307-1999 地下铁道、轻轨交通岩土工程勘察标准2.2 岩土工程勘察报告编制标准2.3 CJJ 16-1988 城市供水水文地质勘察标准2.4 市政工程勘察标准CJJ 56-20212.5 钻芯法检测混凝土强度技术规程2.6 静力触探技术标准2.7 岩土锚杆(索)技术规程2.8 城市测量标准2.9 公路工程地质勘查标准2.10土的分类标准GBJ145-903公共交通专业3.1 市政道路、公路工程质量验收技术规程、标准标准主要内容摘要3.2 市政工程工程量清单计价应用手册3.3 城市公共交通站、场、厂设计标准3.4 城市公共交通工程术语标准3.5 城市公共交通分类标准_(含条文说明)3.6 城市公共交通经济技术指标3.7 快速公共汽车交通系统设计标准3.8 城市道路交通规划设计标准GB50220-953.9 城市人行天桥与人行地道技术标准4道路桥梁专业4.1 粉煤灰石灰类道路基层施工及验收规程4.2 煤渣石灰类道路基层施暂行技术规定4.3 城市道路工程设计标准(CJJ_37-2021)4.4 城市道路和建筑物无障碍设计标准4.5 城镇道路养护技术标准4.6 钢渣石灰类道路基层施工及验收标准4.7 公路路基设计标准4.8 公路土工试验规程4.9 土方与爆破工程施工及验收标准4.10 公路工程抗震设计标准4.11 公路工程质量检验评定标准JTG F801 4.12 沥青路面施工及验收标准_GB50092—96[1] 4.13 水泥混凝土路面施工及验收标准4.14 固化类路面基层和底基层技术规程4.15 热拌再生沥青混合料路面施工及验收规程4.16 沥青路面施工及验收标准5给水排水专业5.1 给水排水工程埋地管芯5.2 建筑排水硬聚氯乙烯管道工程技术规程5.3 市政排水管渠工程质量检验评定标准5.4 城镇排水管道维护平安技术规程5.5 给水排水管道工程施工及验收标准5.6 供水管井设计、施工及验收标准5.7 混凝土排水管道工程闭气检验标准5.8 管道工程结构常用术语5.9 给水排水工程钢筋混凝土沉井结构设计规程5.10 建筑给水排水制图标准6 燃气专业6.1 城镇燃气设计标准6.2 家用燃气燃烧器具安装及验收规程6.3【城镇燃气设施运行、维护和抢修平安技术规程】(CJJ51-2006) 6.4 城镇燃气术语6.5【工业金属管道工程施工质量验收标准】(GB_50184-2021) 6.6【城市燃气分类】〔GB-T 13611-92〕7 供热专业7.1 采暖通风与空气调节设计标准GB 50019-20047.2 工业设备及管道绝热工程施工质量验收标准7.3 通风与空调工程施工质量验收标准7.4 供热术语标准8 市容环境卫生专业8.1 城市粪便处理厂运行、维护及其平安技术规程8.2 城市公共厕所设计标准8.3 城镇环境卫生设施设置标准8.4 生活垃圾卫生填埋技术标准8.5 环境卫生设施与设备图形符号设施标志8.6 生活垃圾产生源分类及其排放9电气专业9.1 民用建筑电气设计标准JGJ16-20219.2 110~500kV架空送电线路施工及验收标准9.3 电工术语照明9.4 CJJ45-2006-城市道路照明设计标准9.5 电气火灾监控系统设计、施工及验收标准9.6 GBT 24907-2021 道路照明用LED灯性能要求9.7 GB50303-2002 (建筑电气工程施工质量验收标准) 9.8 电气装置安装工程电气设备交接试验标准9.9 电气装置安装工程电缆线路施工及验收标准9.10 电气装置安装工程接地装置施工及验收标准10 建筑工程10.1【建筑地基根底工程施工质量验收标准】10.2 GB 50108-2001 地下工程防水技术标准10.3 建筑中水设计标准10.4 混凝土及预制混凝土构件质量控制规程10.5 房屋建筑和市政根底设施工程质量检测技术管理标准10.6 房屋建筑制图统一标准10.7 钢结构工程施工质量验收标准10.8 建筑工程抗震设防分类标准10.9 建筑施工扣件式钢管脚手架平安技术标准10.10 建筑施工门式钢管脚手架平安技术标准10.11 建筑物防雷工程施工与质量验收标准10.12 民用建筑设计术语标准10.13 屋面工程施工质量验收标准10.14 智能建筑工程施工标准10.15 房屋建筑制图标准。
完整版)市政工程常用规范汇总第一篇市政工程质量检验评定标准第一章道路工程1.市政道路工程质量检验评定标准(CJJ 1-90)为行业标准。
2.北京市标准制定了市政道路工程质量检验标准(DBJ 01-11-95)和市政道路工程质量评定标准(DBJ 01-22-95)。
3.上海市标准制定了道路工程质量检验评定标准。
4.天津市标准制定了市政工程质量检验评定标准(道路工程)(TBJ 101-91)。
5.沥青路面施工及验收规范(参照GB -96)为国家标准。
第二章桥梁工程1.市政桥梁工程质量检验评定标准(CJJ 2-90)为行业标准。
2.北京市标准制定了市政桥梁工程质量检验标准(DBJ 01-12-95)和市政桥梁工程质量评定标准(DBJ 01-23-95)。
3.上海市标准制定了桥梁工程质量检验评定标准。
4.天津市标准制定了市政工程质量检验评定标准(桥梁工程)(TBJ 102-91)。
第三章给水排水工程1.市政排水管渠工程质量检验评定标准(CJJ 3-90)为行业标准。
2.北京市标准制定了市政排水管渠工程质量检验标准(DBJ 01-13-95)和市政排水管渠工程质量评定标准(DBJ 01-24-95)。
3.上海市标准制定了排水工程质量检验评定标准。
4.天津市标准制定了市政工程质量检验评定标准(排水工程)(TBJ 103-91)。
5.国家标准参照GB -97制定了给水排水构筑物工程质量检验评定标准和给水排水管道工程质量检验评定标准。
第四章污水处理厂工程天津市标准制定了市政工程质量检验评定标准(污水处理厂工程)(TBJ 104-91)。
第二篇城镇燃气输配工程质量检验评定标准1.城镇燃气输配工程施工及验收规范(CJJ 33-89)为行业标准。
2.武汉市制定了燃气管网工程质量检验评定标准。
3.乌鲁木齐市标准制定了城市燃气管网工程质量检验评定标准(JWJ 101-97)。
第三篇城市供热管网工程质量检验评定标准城市供热管网工程质量检验评定标准(CJJ 38-90)为行业标准。
市政道路桥梁施工及设计规范篇一:市政工程规范大全市政行业现行规范(全部)〖CJJ1-2008〗城镇道路工程施工与质量验收规范〖CJJ2-2008〗城市桥梁工程施工与质量验收规范〖CJJ6-2009〗城镇排水管道维护安全技术规程〖CJJ7-2007〗城市工程地球物理探测规范〖CJJ8-99〗城市测量规范〖CJJ11-93〗城市桥梁设计准则〖CJJ12-99〗家用燃气燃烧器具安装及验收规程〖CJJ13-87〗供水水文地质钻探与凿井操作规程〖CJJ14-2005〗城市公共厕所设计标准〖CJJ15-87〗城市公共交通站、场、厂设计规范〖CJJ17-2004〗生活垃圾卫生填埋技术规范〖CJJ18-88〗市政工程施工、养护及污水处理工人技术等级标准〖CJJ27-2005〗城镇环境卫生设施设置标准〖CJJ28-2004〗城镇供热管网工程施工及验收规范〖CJJ/T29-98〗建筑排水硬聚氯乙烯管道工程技术规程〖CJJ30-2009〗城市粪便处理厂运行维护及其安全技术规程〖CJJ32-89〗含藻水给水处理设计规范〖CJJ33-2005〗城镇燃气输配工程施工及验收规范〖CJJ34-2002〗城市热力网设计规范〖CJJ36-2006〗城镇道路养护技术规范〖CJJ37-90〗城市道路设计规范〖CJJ39-91〗古建筑修建工程质量检验评定标准(北方地区)〖CJJ40-91〗高浊度水给水设计规范〖CJJ43-91〗热拌再生沥青混合料路面施工及验收规程〖CJJ45-2006〗城市道路照明设计标准〖CJJ47-2006〗生活垃圾转运站技术规范〖CJJ48-92〗公园设计规范〖CJJ49-92〗地铁杂散电流腐蚀防护技术规程〖CJJ50-92〗城市防洪工程设计规范〖CJJ51-2006〗城镇燃气设施运行、维护和抢修安全技术规程〖CJJ/T52-93〗城市生活垃圾好氧静态堆肥处理技术规程〖CJJ/T53-93〗民用房屋修缮工程施工规程〖CJJ/T54-93〗污水稳定塘设计规范〖CJJ55-93〗供热术语标准〖CJJ56-94〗市政工程勘察规范〖CJJ57-94〗城市规划工程地质勘察规范〖CJJ58-2009〗城镇供水厂运行、维护及安全技术规程〖CJJ60-94〗城市污水处理厂运行、维护及其安全技术规程〖CJJ61-2003〗城市地下管线探测技术规程〖CJJ62-95〗房屋渗漏修缮技术规程〖CJJ63-2008〗聚乙烯燃气管道工程技术规程〖CJJ64-2009〗城市粪便处理厂设计规范〖CJJ/T65-2004〗市容环境卫生术语标准〖CJJ66-95〗路面稀浆封层施工规程〖CJJ67-95〗风景园林图例图示标准〖CJJ68-2007〗城镇排水管渠与泵站维护技术规程〖CJJ69-95〗城市人行天桥与人行地道技术规范〖CJJ70-96〗古建筑修建工程质量检验评定标准(南方地区)〖CJJ71-2000〗机动车清洗站工程技术规程〖CJJ72-97〗无轨电车供电线网工程施工及验收规范〖CJJ/T73-2010〗卫星定位城市测量技术规范〖CJJ74-99〗城镇地道桥顶进施工及验收规程〖CJJ75-97〗城市道路绿化规划与设计规范〖CJJ/T76-98〗城市地下水动态观测规程〖CJJ/T78-97〗供热工程制图标准〖CJJ/T81-98〗城镇直埋供热管道工程技术规程〖CJJ/T82-99〗城市绿化工程施工及验收规范〖CJJ83-99〗城市用地竖向规划规范〖CJJ/T85-2002〗城市绿地分类标准〖CJJ/T86-2000〗城市生活垃圾堆肥处理厂运行、维护及其安全技术规程〖CJJ/T87-2000〗乡镇集贸市场规划设计标准〖CJJ/T88-2000〗城镇供热系统安全运行技术规程〖CJJ89-2001〗城市道路照明工程施工及验收规程〖CJJ90-2009〗生活垃圾焚烧处理工程技术规范〖CJJ/T91-2002〗园林基本术语标准〖CJJ92-2002〗城市供水管网漏损控制及评定标准〖CJJ93-2003〗城市生活垃圾卫生填埋场运行维护技术规程〖CJJ94-2009〗城镇燃气室内工程施工与质量验收规范〖CJJ95-2003〗城镇燃气埋地钢质管道腐蚀控制技术规程〖CJJ96-2003〗地铁限界标准〖CJJ/T97-2003〗城市规划制图标准〖CJJ/T98-2003〗建筑给水聚苯乙烯类管道工程技术规程〖CJJ99-2003〗城市桥梁养护技术规范〖CJJ100-2004〗城市基础地理信息系统技术规范〖CJJ101-2004〗埋地聚乙烯给水管道工程技术规程〖CJJ/T102-2004〗城市生活垃圾分类及其评价标准〖CJJ103-2004〗城市地理空间框架数据标准〖CJJ104-2005〗城镇供热直埋蒸汽管道技术规程〖CJJ105-2005〗城镇供热管网结构设计规范〖CJJ/T107-2005〗生活垃圾填埋场无害化评价标准〖CJJ/T108-2006〗城市道路除雪作业技术规程〖CJJ109-2006〗生活垃圾转运站运行维护技术规程〖CJJ110-2006〗管道直饮水系统技术规程〖CJJ/T111-2006〗预应力混凝土桥梁预制节段逐跨拼装施工技术规程〖CJJ112-2007〗生活垃圾卫生填埋场封场技术规程〖CJJ113-2007〗生活垃圾卫生填埋场防渗系统工程技术规范〖CJJ/T114-2007〗城市公共交通分类标准〖CJJ/T115-2007〗房地产市场信息系统技术规范〖CJJ/T116-2008〗建设领域应用软件测评通用规范〖CJJ/T117-2007〗建设电子文件与电子档案管理规范交通行业规范(部分)〖JTG/T B07-1-2006〗公路工程混凝土防腐蚀技术规范〖JTG D81-2006〗公路交通安全设施设计规范〖JTG/T D81-2006〗公路交通安全设施实施细则〖JTG H12-2003〗公路隧道养护技术规范〖JTG H30-2004〗公路养护安全作业规程〖JTG H11-2004〗公路桥涵养护规范〖JTG D40-2002〗公路水泥混凝土路面设计规范〖JTG D60-2004〗公路桥涵设计通用规范〖JTG D62-2004〗公路钢筋混凝土及预应力混凝土桥涵设计规范〖JTG B01-2003〗公路工程技术标准〖JTG F30-2003〗公路水泥混凝土路面施工技术规范〖JTG F40-2004〗公路沥青路面施工技术规范〖JTG/TD71-2004〗公路隧道交通工程设计规范〖JTG/T B05-2004〗公路项目安全性评价指南〖JTG/TF83-01-2004〗高速公路护栏安全性能评价标准〖JT/T529-2004〗预应力混凝土桥梁用塑料波纹管〖JT/T4-2004〗公路桥梁板式橡胶支座〖JT/T327-2004〗公路桥梁伸缩装置〖JT/T502-2004〗公路桥梁波形伸缩装置〖JT/T531-538.589-2004〗路桥用材料标准九项〖JT/T613-615-2004〗路面车辙动测定仪等三项标准〖JT/T483-2002〗交通科技报告编写规则〖JTJ041-2000〗公路桥涵施工技术规范〖JTJ034-2000〗公路路面基层施工技术规范〖JTJ073.2-2001〗公路沥青路面养护技术规范〖JTJ036-98〗公路改性沥青路面施工技术规范〖JTJ014-97〗公路沥青路面设计规范〖JTJ057-94〗公路工程无机结合料稳定材料试验规程〖JTJ005-96〗公路建设项目环境影响评价规范〖JTJ018-97〗公路排水设计规范〖JTJ064-98〗公路工程地质勘察规范〖JTJ073-96〗公路养护技术规范〖JTJ061-99〗公路勘测规范国家标准(部分)〖GB50162-92〗道路工程制图标准〖GB 5768-99〗道路交通标志和标线〖GBJ 97-87〗水泥混凝土路面施工及验收规范〖GB 50092-96〗沥青路面施工及验收规范〖GB 14887-2003〗道路交通信号灯〖GB50013-2006〗室外给水设计规范〖GB50014-2006〗室外排水设计规范〖GB50092-96〗沥青路面施工及验收规范〖GBJ97-87〗水泥混凝土路面施工及验收规范〖GB/T50107-2010〗混凝土强度检验评定标准〖GB50164-92〗混凝土质量控制标准〖GB50204-2002〗混凝土结构工程施工质量验收规范〖GB50220-95〗城市道路交通规划设计规范〖GB50268-2008〗给水排水管道工程施工及验收规范〖GB/T50280-98〗城市规划基本术语标准〖GB50282-98〗城市给水工程规划规范〖GB50318-2000〗城市排水工程规划规范〖GB50420-2007〗城市绿地设计规范〖GB50442-2008〗城市公共设施规划规范〖GB/T50476-2008〗混凝土结构耐久性设计规范〖GB50490-2009〗城市轨道交通技术规范〖GB50010-2010〗混凝土结构设计规范按工程分类《现行市政工程规范大全》1.规划专业规范名称规范编号原书页码变更情况城市用地分类与规划建设用地标准 GBJ137-90 1-1-1 有效城市居住区规划设计规范(2002年版) GB50180-93 1-2-1 有效城市规划基本术语标准 GB/T50280-98 1-3-1 有效城市给水工程规划规范 GB50282-98 1-4-1 有效城市工程管线综合规划规范 GB50289-98 1-5-1 有效城市电力规划规范 GB50293-1999 1-6-1 有效城市排水工程规划规范 GB50318-2000 1-7-1 有效城市用地分类代码 CJJ46-91 1-8-1 有效城市用地竖向规划规范 CJJ83-99 1-9-1 有效城市规划制图标准 CJJ/T97-2003 1-10-1 有效乡镇集贸市场规划设计标准 CJJ/T87-2000 1-11-1 有效2.工程勘察测量专业规范名称规范编号原书页码变更情况岩土工程勘察规范 GB50021-2001 2-1-1 有效工程测量规范 GB50026-93 2-2-1 有效供水水文地质勘察规范 GB50027-2001 2-3-1 有效水文基本术语和符号标准 GB/T50095-98 2-4-1 有效土工试验方法标准 GB/T50123-1999 2-5-1 有效水位观测标准 GBJ138-90 2-6-1 有效篇二:市政及公路常用现行技术规范规程篇三:市政道路工程用规范及规程设计规范:《城市道路设计规范》(CJJ37-90)98版《城市道路交叉口设计规程》(CJJ 152-2010)《城市道路和建筑物无障碍设计规范》(JGJ50-2012)《建筑抗震设计规范》(GB50011-2011)《城市道路工程设计规范》(CJJ37-2012)《中国地震动参数区划图》(GB18306-2001)《无障碍设计规范》(GB50763-2012)《室外给水设计规范》(GB50013-2006)《室外排水设计规范》(GB50014-2006)《给水排水工程管道结构设计规范》(GB50332-2002)《给水排水工程构筑物结构设计规范》(GB50069-2002)《公路交通安全设施设计规范》(JTG D81-2006)路基:《公路工程质量检测评定标准》(JTG F80/1-2004)《城镇道路工程施工与质量验收规范》(CJJ1-2008)《公路路面基层施工技术规范》(JTJ 034-2000)《公路路基设计规范》(JTGD30-2004)《砌筑砂浆配合比设计规程》(JGJ 98-2000)《公路路基路面现场测试规程》(JTG E60-2008)《公路土工试验规程》(JTG E40-2007)/土工试验方法标准(GB/T05123-1999)《公路桥涵施工技术规范》(JTG/T F50-2011)《公路路基施工技术规范》(JTG F10-2006)《公路填砂路基施工技术规范》(DB36T 655-2012)路面:《混凝土路面砖》(JC/T 446-2000)《公路工程无机结合料稳定材料试验规程》(JTG E51-2009) 《公路工程沥青及沥青混合料试验规程》(JTG E20-2011)《城镇道路路面设计规范》(CJJ169-2012)《公路沥青路面设计规范》(JTG D50-2006)《公路沥青路面施工技术规范》(JTG F40-2004)《公路水泥混凝土路面设计规范》(JTG D40-2011)原材:《公路工程水泥及水泥混凝土试验规程》(JTG E30-2005)《通用硅酸盐水泥》(GB 175-2007)《钢筋混凝土用热轧带肋钢筋》GB1499.2--2007《热轧光圆钢筋》GB1499.1-2008《低碳钢热轧圆盘条》(GB/T 701-2007)《钢筋焊接接头试验方法》(JGJ/T27-2011)《金属拉伸试验方法》(GB/T228.1-2010)《公路工程岩石试验规程》(国标)JTG E41-2005《公路工程集料试验规程》(JTG E42-2005)《给水排水管道施工及验收》(GB050268-2008)《混凝土和钢筋混凝土排水管》(GB/T 11836-1999)《混凝土排水管道基础与接口》《给水排水标准图集合订本》(S2)《聚合物水泥、渗透结晶型防水材料应用技术规程》(CECS 195:2006)《城市桥梁桥面防水工程技术规程》(CJJ139-2010)《埋地排水聚乙烯(PE)结构壁管道系统》(GB/T19472.2-2004)《埋地排水聚乙烯排水管道工程技术规范》(CECS164:2004)《市政排水用塑料检查井》(CJ/T326-2010)《市政排水管道工程及附属设施》(06MS201)安全标示:《公路交通安全设施施工技术规范》(JTG F71-2006)《道路交通标志和标线》(GB5768-2009)《路面标线涂料》(JT/T280-2004)《道路交通标志板及支撑件》(GB/T 23827-2009)《公路交通标志反光膜》(GB/T 18833-2002)《交通信号灯安装规范》(GB14886-2006)《道路交通标线质量要求和检测方法》(GB/T16311-2009)《交通信号控制机》(GB25280-2010)《碳素结构钢》(GB/T-700)《抱箍及柱帽大样图》(JTJ041-2000)《城市道路照明设计标准》(CJJ 45-2006)《低压配电设计规范》(GB50054-2006)《电力工程电缆设计规范》(GB50217-2007)《工业与民用电力装置的接地设计规范》(GBJ65-83)《电气装置的电测量仪表装置设计规范》(GB/T50063-3008)《城市道路照明工程施工及验收规程》(CJJ89-2001)《电力工程电缆设计规范》(GB50054-20011)。
市政道路规范、图集清单(五篇范例)第一篇:市政道路规范、图集清单规范1、《城镇道路工程施工与质量验收规范》(CJJ1-2008)2、《市政排水管渠工程质量检验评定标准》CJJ3-903、《市政道路工程质量检验评定标准》CJJ1-904、《土工合成材料应用技术规范》GB50290-985、《公路沥青路面施工技术规范》JTG F40-20046、《公路路基施工技术规范》JTG F10-20067、《混凝土和钢筋混凝土排水管》GB/T 11836-20098、《城市工程管线综合规划规范》GB50289-98图集《城市道路路拱》05MR104《城市道路护坡》05MR403《城市道路沥青路面》05MR201《城市道路人行道铺砌》05MR203《城市道路软土地基处理》05MR301《城市道路路缘石》05MR404《挡土墙》04J00805MR104《城市道路—路拱》05MR201《城市道路-沥青路面》05MR202《城市道路-水泥混凝土路面》05MR203《城市道路-人行道铺砌》05MR301《城市道路-软土地基处理》05MR401《城市道路-附属工程》05MR404《城市道路-路缘石》05MR501《城市道路-无障碍设计》05MR602《城市道路-安全防护设施》07MR402《城市道路-装配式挡土墙》07MR403《城市道路-护坡》第二篇:市政道路规范、图集清单规范1、《城镇道路工程施工与质量验收规范》(CJJ1-2008)2、《市政排水管渠工程质量检验评定标准》CJJ3-903、《市政道路工程质量检验评定标准》CJJ1-904、《土工合成材料应用技术规范》GB50290-985、《公路沥青路面施工技术规范》JTG F40-20046、《公路路基施工技术规范》JTG F10-20067、《混凝土和钢筋混凝土排水管》GB/T 11836-20098、《城市工程管线综合规划规范》GB50289-98图集《城市道路路拱》05MR104《城市道路护坡》05MR403《城市道路沥青路面》05MR201《城市道路人行道铺砌》05MR203《城市道路软土地基处理》05MR301《城市道路路缘石》05MR404《挡土墙》04J008第三篇:市政道路所需规范给排水《给水排水管道工程施工及验收规范》(GB50268-2008)《给水排水构筑物工程施工及验收规范》(GB50141-2008)《城市工程管线综合规划规范》(GB50289-98)《市政排水管道工程及附属设施》(06MSS201)《市政给水管道工程及附属设施》(07MS101)《埋地塑料管道施工》(GB04S520)《混凝土及钢筋混凝土排水管》(GB/T23858-2009)《混凝土和钢筋混凝土排水管用橡胶密封圈》(JC/T946-2005)《检查井盖》(GB/T 23858-2009)国标图集《三通雨水检查井》道路《公路工程技术标准》(JTG B01-2003)《公路沥青路面施工技术规范》(JTG F40-2004)《公路路基施工技术规范》(JTG F10-2006)《公路路面基层施工技术规范》(JTJ034-2000)《城镇道路工程施工与质量验收规范》(CJJ1-2008)《给水排水管道工程施工及验收规范》(GB 50268-2008)《公路土工实验规程》(JTGE40-2007)《公路工程无机结合料稳定材料实验规程》(JTGE51-2009)《公路工程沥青及沥青混合料实验规程》(JTJ052-2000)《公路路基路面现场测试规程》(JTGE60-2008)《公路工程集料实验规程》(JTGE42-2005)《土方与爆破工程施工及验收规范》(GB50201-2012)《公路土工布合成材料应用技术规范》Ⅱ级《强夯地基处理技术规程》(CECS279-2010)其他《建筑结构荷载规范》(GB50009-2001)(2006年版)《城市电力规划规范》(GB50293-99)《城市电力电缆线路设计技术规定》(DL/T5221-2005)《城市道路照明工程施工及验收规程》(CJJ89-2001)《电气装置安装工程接地装置施工及验收规范》(GB50169-2006)《建筑工程测量规范》(GD50026-2007)《全球定位系统实施动态测量(RTK)技术规范》(CH/T2009-2010)《建筑电气工程施工质量验收规范》国标图集《35KV及以下电缆敷设》(94D101-5)国标图集《电力电缆井设计与安装》(07SD101-8)国标图集《地沟及盖板》(02J331)国标图集03D501-4-11(有关接地的图集)有关施工资料的规范和规程第四篇:上海市2008清单规范关于贯彻实施《建设工程工程量清单计价规范》(GB 50500-2008)有关事项的通知颁布部门:上海市建筑建材业市场管理总站上海市建筑建材业市场管理总站沪建市管〔2009〕79号关于贯彻实施《建设工程工程量清单计价规范》(GB 50500-2008)有关事项的通知各有关单位:为贯彻落实《上海市城乡建设和交通委员会关于贯彻执行〈建设工程工程量清单计价规范〉(GB 50500-2008)若干意见的通知》(沪建交[2009]995号)文件精神,结合本市建设工程清单计价具体情况,现就在市行政区域内实施《建设工程工程量清单计价规范》(GB 50500-2008)(以下简称“08规范”)有关事项通知如下:一、工程量清单计价表格采用统一格式(详见附件)二、工程量清单计价的编制应符合下列规定㈠封面应按规定的内容填写、签字、盖章,除承包人自行编制的投标报价和竣工结算外,受委托编制的工程量清单、招标控制价、投标报价、竣工结算若为造价员编制,应由负责审核的注册造价工程师签字、盖章以及工程造价咨询企业盖章。
市政工程规范大全。
以下是市政行业现行规范的完整列表:1.〖CJJ1-2008〗城镇道路工程施工与质量验收规范2.〖CJJ2-2008〗城市桥梁工程施工与质量验收规范3.〖CJJ6-2009〗城镇排水管道维护安全技术规程4.〖CJJ7-2007〗城市工程地球物理探测规范5.〖CJJ8-99〗城市测量规范6.〖CJJ11-93〗城市桥梁设计准则7.〖CJJ12-99〗家用燃气燃烧器具安装及验收规程8.〖CJJ13-87〗供水水文地质钻探与凿井操作规程9.〖CJJ14-2005〗城市公共厕所设计标准10.〖CJJ15-87〗城市公共交通站、场、厂设计规范11.〖CJJ17-2004〗生活垃圾卫生填埋技术规范12.〖CJJ18-88〗市政工程施工、养护及污水处理工人技术等级标准13.〖CJJ27-2005〗城镇环境卫生设施设置标准14.〖CJJ28-2004〗城镇供热管网工程施工及验收规范15.〖CJJ/T29-98〗建筑排水硬聚氯乙烯管道工程技术规程16.〖CJJ30-2009〗城市粪便处理厂运行维护及其安全技术规程17.〖CJJ32-89〗含藻水给水处理设计规范18.〖CJJ33-2005〗城镇燃气输配工程施工及验收规范19.〖CJJ34-2002〗城市热力网设计规范20.〖CJJ36-2006〗城镇道路养护技术规范21.〖CJJ37-90〗城市道路设计规范22.〖CJJ39-91〗古建筑修建工程质量检验评定标准(北方地区)23.〖CJJ40-91〗高浊度水给水设计规范24.〖CJJ43-91〗热拌再生沥青混合料路面施工及验收规程25.〖CJJ45-2006〗城市道路照明设计标准26.〖CJJ47-2006〗生活垃圾转运站技术规范27.〖CJJ48-92〗公园设计规范28.〖CJJ49-92〗地铁杂散电流腐蚀防护技术规程29.〖CJJ50-92〗城市防洪工程设计规范30.〖CJJ51-2006〗城镇燃气设施运行、维护和抢修安全技术规程31.〖CJJ/T52-93〗城市生活垃圾好氧静态堆肥处理技术规程32.〖CJJ/T53-93〗民用房屋修缮工程施工规程33.〖CJJ/T54-93〗污水稳定塘设计规范34.〖CJJ55-93〗供热术语标准35.〖CJJ56-94〗市政工程勘察规范36.〖CJJ57-94〗城市规划工程地质勘察规范37.〖CJJ58-2009〗城镇供水厂运行、维护及安全技术规程38.〖CJJ60-94〗城市污水处理厂运行、维护及其安全技术规程39.〖CJJ61-2003〗城市地下管线探测技术规程这些规范涵盖了城市建设的各个方面,包括道路、桥梁、排水管道、公共厕所、公共交通、生活垃圾处理、供热、燃气、照明、公园、防洪等。
市政行业现行规范(全部)〖CJJ1-2008〗城镇道路工程施工与质量验收规范〖CJJ2-2008〗城市桥梁工程施工与质量验收规范〖CJJ6-2009〗城镇排水管道维护安全技术规程〖CJJ7-2007〗城市工程地球物理探测规范〖CJJ8-99〗城市测量规范〖CJJ11-93〗城市桥梁设计准则〖CJJ12-99〗家用燃气燃烧器具安装及验收规程〖CJJ13-87〗供水水文地质钻探与凿井操作规程〖CJJ14-2005〗城市公共厕所设计标准〖CJJ15-87〗城市公共交通站、场、厂设计规范〖CJJ17-2004〗生活垃圾卫生填埋技术规范〖CJJ18-88〗市政工程施工、养护及污水处理工人技术等级标准〖CJJ27-2005〗城镇环境卫生设施设置标准〖CJJ28-2004〗城镇供热管网工程施工及验收规范〖CJJ/T29-98〗建筑排水硬聚氯乙烯管道工程技术规程〖CJJ30-2009〗城市粪便处理厂运行维护及其安全技术规程〖CJJ32-89〗含藻水给水处理设计规范〖CJJ33-2005〗城镇燃气输配工程施工及验收规范〖CJJ34-2002〗城市热力网设计规范〖CJJ36-2006〗城镇道路养护技术规范〖CJJ37-90〗城市道路设计规范〖CJJ39-91〗古建筑修建工程质量检验评定标准(北方地区)〖CJJ40-91〗高浊度水给水设计规范〖CJJ43-91〗热拌再生沥青混合料路面施工及验收规程〖CJJ45-2006〗城市道路照明设计标准〖CJJ47-2006〗生活垃圾转运站技术规范〖CJJ48-92〗公园设计规范〖CJJ49-92〗地铁杂散电流腐蚀防护技术规程〖CJJ50-92〗城市防洪工程设计规范〖CJJ51-2006〗城镇燃气设施运行、维护和抢修安全技术规程〖CJJ/T52-93〗城市生活垃圾好氧静态堆肥处理技术规程〖CJJ/T53-93〗民用房屋修缮工程施工规程〖CJJ/T54-93〗污水稳定塘设计规范〖CJJ55-93〗供热术语标准〖CJJ56-94〗市政工程勘察规范〖CJJ57-94〗城市规划工程地质勘察规范〖CJJ58-2009〗城镇供水厂运行、维护及安全技术规程〖CJJ60-94〗城市污水处理厂运行、维护及其安全技术规程〖CJJ61-2003〗城市地下管线探测技术规程〖CJJ62-95〗房屋渗漏修缮技术规程〖CJJ63-2008〗聚乙烯燃气管道工程技术规程〖CJJ64-2009〗城市粪便处理厂设计规范〖CJJ/T65-2004〗市容环境卫生术语标准〖CJJ66-95〗路面稀浆封层施工规程〖CJJ67-95〗风景园林图例图示标准〖CJJ68-2007〗城镇排水管渠与泵站维护技术规程〖CJJ69-95〗城市人行天桥与人行地道技术规范〖CJJ70-96〗古建筑修建工程质量检验评定标准(南方地区)〖CJJ71-2000〗机动车清洗站工程技术规程〖CJJ72-97〗无轨电车供电线网工程施工及验收规范〖CJJ/T73-2010〗卫星定位城市测量技术规范〖CJJ74-99〗城镇地道桥顶进施工及验收规程〖CJJ75-97〗城市道路绿化规划与设计规范〖CJJ/T76-98〗城市地下水动态观测规程〖CJJ/T78-97〗供热工程制图标准〖CJJ/T81-98〗城镇直埋供热管道工程技术规程〖CJJ/T82-99〗城市绿化工程施工及验收规范〖CJJ83-99〗城市用地竖向规划规范〖CJJ/T85-2002〗城市绿地分类标准〖CJJ/T86-2000〗城市生活垃圾堆肥处理厂运行、维护及其安全技术规程〖CJJ/T87-2000〗乡镇集贸市场规划设计标准〖CJJ/T88-2000〗城镇供热系统安全运行技术规程〖CJJ89-2001〗城市道路照明工程施工及验收规程〖CJJ90-2009〗生活垃圾焚烧处理工程技术规范〖CJJ/T91-2002〗园林基本术语标准〖CJJ92-2002〗城市供水管网漏损控制及评定标准〖CJJ93-2003〗城市生活垃圾卫生填埋场运行维护技术规程〖CJJ94-2009〗城镇燃气室内工程施工与质量验收规范〖CJJ95-2003〗城镇燃气埋地钢质管道腐蚀控制技术规程〖CJJ96-2003〗地铁限界标准〖CJJ/T97-2003〗城市规划制图标准〖CJJ/T98-2003〗建筑给水聚苯乙烯类管道工程技术规程〖CJJ99-2003〗城市桥梁养护技术规范〖CJJ100-2004〗城市基础地理信息系统技术规范〖CJJ101-2004〗埋地聚乙烯给水管道工程技术规程〖CJJ/T102-2004〗城市生活垃圾分类及其评价标准〖CJJ103-2004〗城市地理空间框架数据标准〖CJJ104-2005〗城镇供热直埋蒸汽管道技术规程〖CJJ105-2005〗城镇供热管网结构设计规范〖CJJ/T107-2005〗生活垃圾填埋场无害化评价标准〖CJJ/T108-2006〗城市道路除雪作业技术规程〖CJJ109-2006〗生活垃圾转运站运行维护技术规程〖CJJ110-2006〗管道直饮水系统技术规程〖CJJ/T111-2006〗预应力混凝土桥梁预制节段逐跨拼装施工技术规程〖CJJ112-2007〗生活垃圾卫生填埋场封场技术规程〖CJJ113-2007〗生活垃圾卫生填埋场防渗系统工程技术规范〖CJJ/T114-2007〗城市公共交通分类标准〖CJJ/T115-2007〗房地产市场信息系统技术规范〖CJJ/T116-2008〗建设领域应用软件测评通用规范〖CJJ/T117-2007〗建设电子文件与电子档案管理规范交通行业规范(部分)〖JTG/T B07-1-2006〗公路工程混凝土防腐蚀技术规范〖JTG D81-2006〗公路交通安全设施设计规范〖JTG/T D81-2006〗公路交通安全设施实施细则〖JTG H12-2003〗公路隧道养护技术规范〖JTG H30-2004〗公路养护安全作业规程〖JTG H11-2004〗公路桥涵养护规范〖JTG D40-2002〗公路水泥混凝土路面设计规范〖JTG D60-2004〗公路桥涵设计通用规范〖JTG D62-2004〗公路钢筋混凝土及预应力混凝土桥涵设计规范〖JTG B01-2003〗公路工程技术标准〖JTG F30-2003〗公路水泥混凝土路面施工技术规范〖JTG F40-2004〗公路沥青路面施工技术规范〖JTG/TD71-2004〗公路隧道交通工程设计规范〖JTG/T B05-2004〗公路项目安全性评价指南〖JTG/TF83-01-2004〗高速公路护栏安全性能评价标准〖JT/T529-2004〗预应力混凝土桥梁用塑料波纹管〖JT/T4-2004〗公路桥梁板式橡胶支座〖JT/T327-2004〗公路桥梁伸缩装置〖JT/T502-2004〗公路桥梁波形伸缩装置〖JT/T531-538.589-2004〗路桥用材料标准九项〖JT/T613-615-2004〗路面车辙动测定仪等三项标准〖JT/T483-2002〗交通科技报告编写规则〖JTJ041-2000〗公路桥涵施工技术规范〖JTJ034-2000〗公路路面基层施工技术规范〖JTJ073.2-2001〗公路沥青路面养护技术规范〖JTJ036-98〗公路改性沥青路面施工技术规范〖JTJ014-97〗公路沥青路面设计规范〖JTJ057-94〗公路工程无机结合料稳定材料试验规程〖JTJ005-96〗公路建设项目环境影响评价规范〖JTJ018-97〗公路排水设计规范〖JTJ064-98〗公路工程地质勘察规范〖JTJ073-96〗公路养护技术规范〖JTJ061-99〗公路勘测规范国家标准(部分)〖GB50162-92〗道路工程制图标准〖GB 5768-99〗道路交通标志和标线〖GBJ 97-87〗水泥混凝土路面施工及验收规范〖GB 50092-96〗沥青路面施工及验收规范〖GB 14887-2003〗道路交通信号灯〖GB50013-2006〗室外给水设计规范〖GB50014-2006〗室外排水设计规范〖GB50092-96〗沥青路面施工及验收规范〖GBJ97-87〗水泥混凝土路面施工及验收规范〖GB/T50107-2010〗混凝土强度检验评定标准〖GB50164-92〗混凝土质量控制标准〖GB50204-2002〗混凝土结构工程施工质量验收规范〖GB50220-95〗城市道路交通规划设计规范〖GB50268-2008〗给水排水管道工程施工及验收规范〖GB/T50280-98〗城市规划基本术语标准〖GB50282-98〗城市给水工程规划规范〖GB50318-2000〗城市排水工程规划规范〖GB50420-2007〗城市绿地设计规范〖GB50442-2008〗城市公共设施规划规范〖GB/T50476-2008〗混凝土结构耐久性设计规范〖GB50490-2009〗城市轨道交通技术规范〖GB50010-2010〗混凝土结构设计规范按工程分类《现行市政工程规范大全》1.规划专业规范名称规范编号原书页码变更情况城市用地分类与规划建设用地标准GBJ137-90 1-1-1 有效城市居住区规划设计规范(2002年版)GB50180-93 1-2-1 有效城市规划基本术语标准GB/T50280-98 1-3-1 有效城市给水工程规划规范GB50282-98 1-4-1 有效城市工程管线综合规划规范GB50289-98 1-5-1 有效城市电力规划规范GB50293-1999 1-6-1 有效城市排水工程规划规范GB50318-2000 1-7-1 有效城市用地分类代码CJJ46-91 1-8-1 有效城市用地竖向规划规范CJJ83-99 1-9-1 有效城市规划制图标准CJJ/T97-2003 1-10-1 有效乡镇集贸市场规划设计标准CJJ/T87-2000 1-11-1 有效2.工程勘察测量专业规范名称规范编号原书页码变更情况岩土工程勘察规范GB50021-2001 2-1-1 有效工程测量规范GB50026-93 2-2-1 有效供水水文地质勘察规范GB50027-2001 2-3-1 有效水文基本术语和符号标准GB/T50095-98 2-4-1 有效土工试验方法标准GB/T50123-1999 2-5-1 有效水位观测标准GBJ138-90 2-6-1 有效土的分类标准GBJ145-90 2-7-1 有效工程摄影测量规范GB50167-92 2-8-1 有效工程岩体分级标准GB50218-94 2-9-1 有效工程测量基本术语标准GB/T50228-96 2-10-1 有效工程岩体试验方法标准GB/T50266-99 2-11-1 有效岩土工程基本术语标准GB/T50279-98 2-12-1 有效地下铁道、轻轨交通岩土工程勘察规范GB50307-1999 2-13-1 有效地下铁道、轻轨交通工程测量规范GB50308-1999 2-14-1 有效冻土工程地质勘察规范GB50324-2001 2-15-1 有效原状土取样技术标准JGJ89-92 2-16-1 有效城市勘察物探规范CJJ7-85 2-17-1 有效城市测量规范CJJ8-99 2-18-1 有效供水水文地质钻探与凿井操作规程CJJ13-87 2-19-1 有效市政工程勘察规范CJJ56-94 2-20-1 有效城市规划工程地质勘察规范CJJ57-94 2-21-1 有效城市地下管线探测技术规程CJJ61-2003 2-22-1 有效全球定位系统城市测量技术规程CJJ73-97 2-23-1 有效城市基础地理信息系统技术规范CJJ100-2004 2-24-1 有效城市地理空间框架数据标准CJJ103-2004 2-25-1 有效城市市政综合监管信息系统技术规范CJJ/T106-2005 2-26-1 有效城市地下水动态观测规程CJJ/T76-98 2-27-1 有效3.公共交通专业规范名称规范编号原书页码变更情况地铁设计规范GB50157-2003 3-1-1 有效地铁限界标准CJJ96-2003 3-2-1 有效地下铁道工程施工及验收规范(2003年版)GB50299-1999 3-3-1 有效城市公共交通常用名词术语GB5655-85 3-4-1 有效城市公共交通站、场、厂设计规范CJJ15-87 3-5-1 有效无轨电车供电线网工程施工及验收规范CJJ72-97 3-6-1 有效4.道路桥梁专业规范名称规范编号原书页码变更情况沥青路面施工及验收规范GB50092-96 4-1-1 有效水泥混凝土路面施工及验收规范GBJ97-87 4-2-1 有效道路工程术语标准GBJ124-88 4-3-1 有效道路工程制图标准GB50162-92 4-4-1 有效市政道路工程质量检验评定标准CJJ1-90 4-5-1 有效市政桥梁工程质量检验评定标准CJJ2-90 4-6-1 有效粉煤灰石灰类道路基层施工及验收规程CJJ4-97 4-7-1 有效城市桥梁设计准则CJJ11-93 4-8-1 有效城市桥梁养护技术规范CJJ99-2003 4-9-1 有效城市道路除雪作业技术规程GB50084-2001 4-10-1 有效钢渣石灰类道路基层施工及验收规范CJJ35-90 4-11-1 有效城市道路养护技术规范CJJ 36-90 4-12-1 全面修订城市道路设计规范CJJ37-90 4-13-1 有效《城市道路设计规范》1998年局部修订条文CJJ37-90 4-13-59 有效热拌再生沥青混合料路面施工及验收规程CJJ43-91 4-14-1 有效城市道路路基工程施工及验收规范CJJ44-91 4-15-1 有效城市道路照明设计标准CJJ 45-91 4-16-1 全面修订柔性路面设计参数测定方法标准CJJ/T59-94 4-17-1 有效路面稀浆封层施工规程CJJ66-95 4-18-1 有效城市人行天桥与人行地道技术规范CJJ69-95 4-19-1 有效《城市人行天桥与人行地道技术规范》1998年局部修订条文CJJ69-95 4-19-12 有效《城市人行天桥与人行地道技术规范》2003年局部修订条文CJJ69-95 4-19-12 有效城镇地道桥顶进施工及验收规程CJJ74-99 4-20-1 有效城市桥梁设计荷载标准CJJ77-98 4-21-1 有效联锁型路面砖路面施工及验收规程CJJ79-98 4-22-1 有效固化类路面基层和底基层技术规程CJJ/T80-98 4-23-1 有效城市道路照明工程施工及验收规程CJJ89-2001 4-24-1 有效城市道路和建筑物无障碍设计规范JGJ50-2001 4-25-1 有效5.给水排水专业规范名称规范编号原书页码变更情况室外给水设计规范GB50013-2006 5-1-1 有效室外排水设计规范GB50014-2006 5-2-1 有效建筑给水排水设计规范GB50015-2003 5-3-1 有效室外给水排水和燃气热力工程抗震设计规范GB50032-2003 5-4-1 有效给水排水工程构筑物结构设计规范GB50069-2002 5-5-1 有效给水排水制图标准GB/T50106-2001 5-6-1 有效给水排水设计基本术语标准GBJ125-89 5-7-1 有效给水排水构筑物施工及验收规范GBJ141-90 5-8-1 有效建筑给水排水及采暖工程施工质量验收规范GB50242-2002 5-9-1 有效给水排水管道工程施工及验收规范GB50268-97 5-10-1 有效供水管井技术规范GB50296-99 5-11-1 有效城市居民生活用水量标准GB/T50331-2002 4-12-1 有效给水排水工程管道结构设计规范GB50332-2002 5-13-1 有效管道直饮水系统技术规程CJJ110-2006 5-14-1 有效建筑给水聚乙烯管道工程技术规程CJJ/T98-2003 5-15-1 有效埋地聚乙烯给水管道工程技术规程CJJ101-2004 5-16-1 有效建筑给水聚丙烯管道工程技术规范GB/T50349-2005 5-17-1 有效城市用水分类标准CJ/T3070-1999 5-18-1 有效市政排水管渠工程质量检验评定标准CJJ3-90 5-19-1 有效排水管道维护安全技术规范CJJ6-85 5-20-1 有效城镇污水处理厂附属建筑和附属设备设计标准CJJ31-89 5-21-1 有效含藻水给水处理设计规范CJJ32-89 5-22-1 有效高浊度水给水设计规范CJJ40-91 5-23-1 有效城镇给水厂附属建筑和附属设备设计标准CJJ41-92 5-24-1 有效污水稳定塘设计规范CJJ/T54-93 5-25-1 有效污水再生利用工程设计规范GB50335-2002 5-26-1 有效城镇供水厂运行、维护及安全技术规程CJJ58-94 5-27-1 有效城市污水处理厂工程质量验收规范GB50334-2002 5-28-1 有效城镇污水处理厂运行、维护及其安全技术规程CJJ60-94 5-29-1 有效城镇排水管渠与泵站维护技术规程CJJ/T68-96 5-30-1 有效城市供水管网漏损控制及评定标准CJJ92-2002 5-31-1 有效6.燃气专业规范名称规范编号原书页码变更情况城镇燃气设计规范GB 50028-93 6-1-1 全面修订输气管道工程设计规范GB50251-94 6-2-1 有效城镇燃气术语CJ/T3085-1999 6-3-1 有效城镇燃气输配工程施工及验收规范CJJ33-2005 6-4-1 有效城镇燃气设施运行、维护和抢修安全技术规程CJJ 51-2001 6-5-1 全面修订城镇燃气埋地钢质管道腐蚀控制技术规程CJJ95-2003 6-6-1 有效城镇燃气室内工程施工及验收规范CJJ94-2003 6-7-1 有效聚乙烯燃气管道工程技术规程CJJ63-95 6-8-1 有效汽车用燃气加气站技术规范CJJ84-2000 6-9-1 有效7.供热专业规范名称规范编号原书页码变更情况锅炉房设计规范GB50041-92 7-1-1 有效城镇供热管网工程施工及验收规范CJJ28-2004 7-2-1 有效城市热力网设计规范CJJ34-2002 7-3-1 有效城镇供热管网结构设计规范CJJ105-2005 7-4-1 有效供热术语标准CJJ55-93 7-5-1 有效供热工程制图标准CJJ/T78-97 7-6-1 有效城镇直埋供热管道工程技术规程CJJ/T81-98 7-7-1 有效城镇供热直埋蒸汽管道技术规程CJJ104-2005 7-8-1 有效城镇供热系统安全运行技术规程CJJ/T88-2000 7-9-1 有效8.市容环境卫生专业规范名称规范编号原书页码变更情况城市容貌标准CJ/T12-1999 8-1-1 有效城市绿地分类标准CJJ/T85-2002 8-2-1 有效环境卫生设施与设备图形符号CJ/T13~15-1999 8-3-1 有效城市生活垃圾分类及其评价标准CJJ/T102-2004 8-4-1 有效生活垃圾卫生填埋技术规范CJJ17-2004 8-5-1 有效城市生活垃圾卫生填埋场运行、维护技术规程CJJ93-2003 8-6-1 有效生活垃圾填埋场无害化评价标准CJJ/T107-2005 8-7-1 有效城市环境卫生设施规划规范GB50337-2003 8-8-1 有效城镇环境卫生设施设置标准CJJ27-2005 8-9-1 有效城市粪便处理厂运行、维护及其安全技术规程CJJ/T30-99 8-10-1 有效生活垃圾转运站技术规范CJJ47-2006 8-11-1 有效生活垃圾转运站运行维护技术规程CJJ109-2006 8-12-1 有效城市粪便处理厂[场]设计规范CJJ64-95 8-13-1 有效市容环境卫生术语标准CJJ/T65-2004 8-14-1 有效机动车清洗站工程技术规程CJJ71-2000 8-15-1 有效城市生活垃圾堆肥处理厂运行、维护及其安全技术规程CJJ/T86-2000 8-16-1 有效生活垃圾焚烧处理工程技术规范CJJ90-2002 8-17-1 有效城镇环境卫生设施设置标准CJJ27-2005 8-17-1 有效城市公共厕所设计标准CJJ14-2005 8-18-1书名:现行市政工程规范大全(修订缩印本)出版社:中国建筑工业出版社定价:280条形码:9787112083893ISBN:ISBN 7-112-08389-3作者:本书编委组印刷日期:2006-9-3出版日期:2006-9-2精装平装_开本_页数:精装16开,2116页中图法:中图法一级分类:中图法二级分类:书号:简介:《现行市政工程规范大全》(缩印本),自2003年出版以来,深受广大市政工程技术人员的欢迎。
公路规范大全一、基础规范:1、公路工程标准体系JTG A01-20012、公路工程技术标准JTG B01-20033、公路工程名词术语JTJ 002-874、公路自然区划标准JTJ 003-865、公路工程抗震设计规范JTJ 004-896、公路项目安全性评价指南JTG/T B05-20047、公路环境保护设计规范JTJ/T 006-988、公路建设项目环境影响评价规范JTG B03-20069、公路工程混凝土结构防腐蚀技术规范10、公路工程结构可靠度设计统一标准GB50283-9911、道路工程制图标准OBJ50162-9212、《公路工程基本建设项目设计文件编制办法》二、路线、路基、路面设计类:1、公路路线设计规范JTG D20-20062、公路路基设计规范JTG D30-20043、公路水泥混凝土路面设计规范JTG D40-20034、公路沥青路面设计规范JTG D50-20065、公路加筋土工程设计规范JTJ 015-91(作废)6、公路粉煤灰路堤设计与施工技术规范JTJ 016-93(作废)7、公路软土地基路堤设计与施工技术规范JTJ 017-96(作废)8、公路排水设计规范JTJ 018-969、公路土工合成材料应用技术规范JTJ/T 019-98三、桥梁、隧道类:1、公路桥涵设计通用规范JTG D60-20042、公路圬工桥涵设计规范JTG D61-20053、公路钢筋混凝土与预应力混凝土桥涵设计规范JTG D62-20044、公路桥涵地基与基础设计规范JTJ 024-855、公路桥涵钢结构及木结构设计规范JTJ 025-866、公路隧道设计规范JTG D70-20047、公路隧道通风照明设计规范JTJ 026.1-19998、公路斜拉桥设计规范JTJ 027-969、公路桥梁抗风设计规范JTG/T D60-01-200410、公路隧道交通工程设计规范JTG/T D71-200411、公路桥梁板式橡胶支座JTT 4-2004四、施工类:1、公路水泥混凝土路面施工技术规范JTG F30-20032、公路沥青路面施工技术规范JTG F40-20043、公路路基施工技术规范JTG F10-20064、公路路面基层施工技术规范JTJ 034-20005、公路加筋土工程施工技术规范JTJ 035-916、公路水泥混凝土路面滑模施工技术规范JTJ 037.1-20007、公路桥涵施工技术规范JTJ 041-20008、公路隧道施工技术规范JTJ 042-949、公路土工试验规程JTJ 051-9310、公路工程沥青及沥青混合料试验规程JTJ 052-200011、公路工程水泥及水泥混凝土试验规程JTG E30-200512、公路土工合成材料试验规程JTG E50-200613、公路工程岩石试验规程JTG E41-200514、公路工程水质分析操作规程JTJ 056-8415、公路工程无机结合料稳定材料试验规程JTJ 057-9416、公路工程集料试验规程JTG E42-200517、公路路基路面现场测试规程JTJ 059-95五、测量类:1、公路勘测规范JTJ 061-99(作废)2、公路工程水文勘测设计规范JTG C30-20033、公路隧道勘测规范JTJ 063-85(作废)4、公路工程地质勘察规范JTJ 064-985、公路摄影测量规范JTJ 065-97(作废)6、公路全球卫星定位系统(GPS)测量规范JTJ/T 066-98(作废)7、1:1000000数字交通图分类与图示规范JTJ/T 0901-988、公路工程地质遥感勘察规范JTG/T C21-01-20059、公路桥位勘测设计规程JTJ 062-91(作废)10、公路勘测规范JTG六、检测评定类:1、公路工程质量检验评定标准(第一册土建工程)JTG F80/1-20042、公路工程质量检验评定标准(第二册机电工程) JTG F80/2-20043、公路工程施工监理规范JTG G10—20064、公路工程基桩动测技术规程JTG/T F81-01-20045、高速公路护栏安全性能评价标准JTG/T F83-01-2004(10-2007)七、养护类:1、公路养护技术规范JTJ 073-962、公路水泥混凝土路面养护技术规范JTJ 073.1-20013、公路沥青混凝土路面养护技术规范JTJ 073.2-20014、公路桥涵养护规范JTG H11-20045、公路隧道养护规范JTG H12-20036、公路养护安全作业规程JTG H30-20047、公路养护质量检验评定标准JTJ 075-948、公路工程施工安全技术规程JTJ 076-959、公路安全保障工程实施技术指南2005八、安全类:1、高速公路交通工程及沿线设施设计通用规范JTG D80-20062、公路交通安全设施设计规范JTG D81-20063、公路交通安全设施设计细则JTG/T D81-20064、公路交通安全设施施工技术规范(JTG F71—2006)。
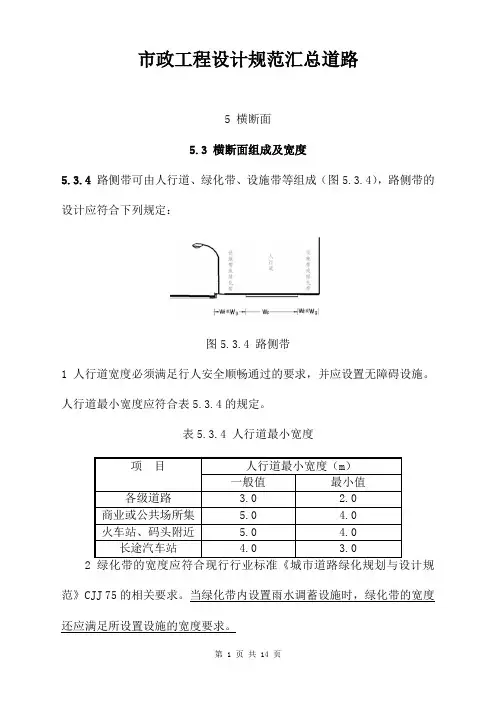
市政工程设计规范汇总道路5 横断面5.3 横断面组成及宽度5.3.4 路侧带可由人行道、绿化带、设施带等组成(图5.3.4),路侧带的设计应符合下列规定:图5.3.4 路侧带1 人行道宽度必须满足行人安全顺畅通过的要求,并应设置无障碍设施。
人行道最小宽度应符合表5.3.4的规定。
表5.3.4 人行道最小宽度项目人行道最小宽度(m)一般值最小值各级道路 3.0 2.0商业或公共场所集 5.0 4.0火车站、码头附近 5.0 4.0长途汽车站 4.0 3.0范》CJJ 75的相关要求。
当绿化带内设置雨水调蓄设施时,绿化带的宽度还应满足所设置设施的宽度要求。
3 设施带宽度应包括设置护栏、照明灯柱、标志牌、信号灯、城市公共服务设施等的要求,各种设施布局应综合考虑。
设施带可与绿化带结合设置,但应避免各种设施间,以及与树木的相互干扰。
当绿化带设置雨水调蓄设施时,应保证绿化带内设施及相邻路面结构的安全,必要时,应采取相应的防护及防渗措施。
【条文说明】该条规定与《城市道路设计规范》CJJ37-90一致。
车行道最外侧路缘石至道路红线范围为路侧带。
路侧带宽度包括人行道、绿化带和设施带。
1 人行道宽度指专供行人通行的部分,应满足行人通行的安全和顺畅。
人行道宽度按下式计算。
w p = N w / N w1 (式3)式中:wp ——人行道宽度(m);Nw ——人行道高峰小时行人流量,(P/h);Nw1 —— 1m宽人行道的设计通行能力,(P/h·m)。
根据调查资料,我国城市道路中人行道宽度一般为2m~10m,商业街、火车站、长途汽车站附近路段人流密度大,携带的东西多,因此应比一般路段人行道宽。
人行道宽度除了满足通行需求外,还应结合道路景观功能,力求与横断面中各部分的宽度协调,各类道路的单侧人行道宽度宜与道路总宽度之间有适当的比例,其合适的比值可参考表6选用。
对行人流量大的道路应采用大值。
表6 单侧人行道宽度与道路总宽度之比值参考表2 绿化带是指在道路路侧为行车及行人遮阳并美化环境,保证植物正常生长的场地。
市政道路规范大全1、城镇道路工程与质量验收规范CJJ 1-、建筑深基坑工程施工安全技术规范311-、城市园林绿化评价标准GB/T -、建设工程文件归档整理规范GB/T -、混凝土结构工程施工规范GB -、混凝土结构工程施工质量验收规范GB -、埋地塑料排水管道工程技术规范CJJ 143-、城市桥梁工程施工与质量验收规范CJJ 2-、建筑与市政降水工程技术规范/T 111-9810、给水排水管道工程施工及验收规范GB -、城镇道路路面设计规范CJJ 169-、城市道路照明工程施工及验收规范CJJ 89-、给水排水构筑物工程施工及验收规范GB -市政行业现行规范(全部)〖CJJ1-2008〗城镇道路工程施工与质量验收规范〖CJJ2-2008〗城市桥梁工程施工与质量验收规范〖CJJ6-2009〗城镇排水管道维护安全技术规程〖CJJ7-2007〗城市工程地球物理探测规范〖CJJ8-99〗城市测量规范〖CJJ11-93〗城市桥梁设想原则〖CJJ12-99〗家用燃气燃烧器具安装及验收规程〖CJJ13-87〗供水水文地质钻探与凿井操作规程〖CJJ14-2005〗城市公共茅厕设想标准〖CJJ15-87〗城市公共交通站、场、厂设想规范〖CJJ17-2004〗生活渣滓卫生填埋手艺规范〖CJJ18-88〗市政工程施工、养护及污水处置惩罚工人手艺等级标准〖CJJ27-2005〗城镇环境卫生设施设置标准〖CJJ28-2004〗城镇供热管网工程施工及验收规范〖CJJ/T29-98〗建筑排水硬聚氯乙烯管道工程技术规程〖CJJ30-2009〗城市粪便处理厂运行维护及其安全技术规程〖CJJ32-89〗含藻水给水处理设计规范〖CJJ33-2005〗城镇燃气输配工程施工及验收规范〖CJJ34-2002〗城市热力网设计规范〖CJJ36-2006〗城镇门路养护手艺规范〖CJJ37-90〗城市门路设想规范〖CJJ39-91〗古建筑修建工程质量检验评定标准(北方地区)〖CJJ40-91〗高浊度水给水设计规范〖CJJ43-91〗热拌再生沥青混合料路面施工及验收规程〖CJJ45-2006〗城市道路照明设计标准〖CJJ47-2006〗生活渣滓转运站手艺规范〖CJJ48-92〗公园设计规范〖CJJ49-92〗地铁杂散电流腐蚀防护技术规程〖CJJ50-92〗城市防洪工程设想规范〖CJJ51-2006〗城镇燃气设施运行、维护和抢修安全技术规程〖CJJ/T52-93〗城市生活垃圾好氧静态堆肥处理技术规程〖CJJ/T53-93〗民用房屋修缮工程施工规程〖CJJ/T54-93〗污水稳定塘设想规范〖CJJ55-93〗供热术语标准〖CJJ56-94〗市政工程勘察规范〖CJJ57-94〗城市规划工程地质勘察规范〖CJJ58-2009〗城镇供水厂运转、维护及安全手艺规程〖CJJ60-94〗城市污水处置惩罚厂运转、维护及其安全手艺规程〖CJJ61-2003〗城市公开管线探测手艺规程〖CJJ62-95〗房屋渗漏修缮技术规程〖CJJ63-2008〗聚乙烯燃气管道工程技术规程〖CJJ64-2009〗城市粪便处理厂设计规范2〖CJJ/T65-2004〗市容环境卫生术语标准〖CJJ66-95〗路面稀浆封层施工规程〖CJJ67-95〗风景园林图例图示标准〖CJJ68-2007〗城镇排水管渠与泵站维护技术规程〖CJJ69-95〗城市人行天桥与人行地道技术规范〖CJJ70-96〗古建筑修建工程质量检验评定标准(南方地区)〖CJJ71-2000〗机动车清洗站工程技术规程〖CJJ72-97〗无轨电车供电线网工程施工及验收规范〖CJJ/T73-2010〗卫星定位城市测量技术规范〖CJJ74-99〗城镇隧道桥顶进施工及验收规程〖CJJ75-97〗城市道路绿化规划与设计规范〖CJJ/T76-98〗城市地下水动态观测规程〖CJJ/T78-97〗供热工程制图标准〖CJJ/T81-98〗城镇直埋供热管道工程手艺规程〖CJJ/T82-99〗城市绿化工程施工及验收规范〖CJJ83-99〗城市用地竖向规划规范〖CJJ/T85-2002〗城市绿地分类标准〖CJJ/T86-2000〗城市生活垃圾堆肥处理厂运行、维护及其安全技术规程〖CJJ/T87-2000〗乡镇集贸市场规划设计标准〖CJJ/T88-2000〗城镇供热系统安全运转手艺规程〖CJJ89-2001〗城市道路照明工程施工及验收规程〖CJJ90-2009〗生活垃圾焚烧处理工程技术规范〖CJJ/T91-2002〗园林基本术语标准〖CJJ92-2002〗城市供水管网漏损掌握及评定标准〖CJJ93-2003〗城市生活垃圾卫生填埋场运行维护技术规程〖CJJ94-2009〗城镇燃气室内工程施工与质量验收规范〖CJJ95-2003〗城镇燃气埋地钢质管道腐蚀控制技术规程〖CJJ96-2003〗地铁限界标准〖CJJ/T97-2003〗城市规划制图标准〖CJJ/T98-2003〗建筑给水聚苯乙烯类管道工程技术规程〖CJJ99-2003〗城市桥梁养护技术规范〖CJJ100-2004〗城市根蒂根基地理信息系统手艺规范〖CJJ101-2004〗埋地聚乙烯给水管道工程技术规程〖CJJ/T102-2004〗城市生活垃圾分类及其评价标准〖CJJ103-2004〗城市地理空间框架数据标准〖CJJ104-2005〗城镇供热直埋蒸汽管道技术规程〖CJJ105-2005〗城镇供热管网结构设计规范〖CJJ/T107-2005〗生活垃圾填埋场无害化评价标准〖CJJ/T108-2006〗城市道路除雪作业技术规程〖CJJ109-2006〗生活渣滓转运站运转维护手艺规程〖CJJ110-2006〗管道直饮水系统手艺规程〖CJJ/T111-2006〗预应力混凝土桥梁预制节段逐跨拼装施工技术规程〖CJJ112-2007〗生活渣滓卫生填埋场封场手艺规程〖CJJ113-2007〗生活垃圾卫生填埋场防渗系统工程技术规范3〖CJJ/T114-2007〗城市公共交通分类标准〖CJJ/T115-2007〗房地产市场信息系统手艺规范〖CJJ/T116-2008〗建设范畴使用软件测评通用规范〖CJJ/T117-2007〗建设电子文件与电子档案管理规范交通行业规范(部分)〖JTG/T B07-1-2006〗公路工程混凝土防侵蚀手艺规范〖JTG D81-2006〗公路交通安全设施设想规范〖JTG/T D81-2006〗公路交通安全设施实施细则〖XXX-2003〗公路隧道养护技术规范〖JTG H30-2004〗公路养护安全作业规程〖XXX-2004〗公路桥涵养护规范〖JTG D40-2002〗公路水泥混凝土路面设想规范〖JTG D60-2004〗公路桥涵设想通用规范〖JTG D62-2004〗公路钢筋混凝土及预应力混凝土桥涵设计规范〖JTG B01-2003〗公路工程技术标准〖JTG F30-2003〗公路水泥混凝土路面施工技术规范〖JTG F40-2004〗公路沥青路面施工技术规范〖JTG/TD71-2004〗公路隧道交通工程设计规范〖JTG/T B05-2004〗公路项目安全性评价指南〖JTG/TF83-01-2004〗高速公路护栏安全性能评价标准〖JT/T529-2004〗预应力混凝土桥梁用塑料波纹管〖JT/T4-2004〗公路桥梁板式橡胶支座〖JT/T327-2004〗公路桥梁伸缩装置〖JT/T502-2004〗公路桥梁波形伸缩装置〖JT/T531-538.589-2004〗路桥用材料标准九项〖JT/T613-615-2004〗路面车辙动测定仪等三项标准〖JT/T483-2002〗交通科技报告编写规则〖JTJ041-2000〗公路桥涵施工技术规范〖JTJ034-2000〗公路路面基层施工技术规范〖JTJ073.2-2001〗公路沥青路面养护手艺规范〖JTJ036-98〗公路改性沥青路面施工技术规范〖JTJ014-97〗公路沥青路面设计规范〖JTJ057-94〗公路工程无机结合料稳定材料试验规程〖JTJ005-96〗公路建设项目环境影响评价规范〖JTJ018-97〗公路排水设想规范〖JTJ064-98〗公路工程地质勘察规范〖JTJ073-96〗公路养护手艺规范〖JTJ061-99〗公路勘察规范国家标准(部分)〖GB-92〗道路工程制图标准4〖GB 5768-99〗道路交通标志和标线〖GBJ 97-87〗水泥混凝土路面施工及验收规范〖GB -96〗沥青路面施工及验收规范〖GB -2003〗道路交通信号灯〖GB-2006〗室外给水设计规范〖GB-2006〗室外排水设想规范〖GB-96〗沥青路面施工及验收规范〖GBJ97-87〗水泥混凝土路面施工及验收规范〖GB/T-2010〗混凝土强度检验评定标准〖GB-92〗混凝土质量控制标准〖GB-2002〗混凝土结构工程施工质量验收规范〖GB-95〗城市道路交通规划设计规范〖GB-2008〗给水排水管道工程施工及验收规范〖GB/T-98〗城市规划基本术语标准〖GB-98〗城市给水工程规划规范〖GB-2000〗城市排水工程规划规范〖GB-2007〗城市绿地设想规范〖GB-2008〗城市公共设施规划规范〖GB/T-2008〗混凝土结构耐久性设计规范〖GB-2009〗城市轨道交通技术规范。
上册1规划专业1、城市用地分类与规划建设用地标准G B50137-20112、城市居住区规划设计规范( 2016 ) GB50180-93 ▲3、镇规划标准GB50188-20074、城市规划基本术语标准 GB/T50280-985、城市给水工程规划规范 GB50282-98 20166、城市工程管线综合规划规范 GB50289-20167、城市电力规划规范 GB50293-20148、城市排水工程规划规范 GB50318-2000 2017 ▲9、城市抗震防灾规划标准 GB50413-2007 ▲10 、城镇老年人设施规划规范 GB50437-2007▲11、城市公共设施规划规范 GB50442-2008 ▲12 、城市水系规划规范GB50513-2009 ▲13 、城市轨道交通线网规划编制标准 GB/T50546-200914、城市用地竖向规划规范 CJJ83-2016 15 、城市规划制图标准CJJ/T97-2003 16 、乡镇集贸市场规划设计标准CJJ/T87-2000▲17 、居住建筑节能检测标准 JGJ/T132-20092工程勘察测量专业■1、岩土工程勘察规范( 2009 年版) GB50021-2001 •2、工程测量规范 GB50026-20073、供水水文地质勘察规范 GB50027-20014、水文基本术语和符号标准 GB/T50095-20145、土工试验方法标准 GB/T50123-1999 2019 •6、水位观测标准GB/T50138-2010 •7、土的分类标准 GB/T50145-20078、工程摄影测量规范 GB50167-20149、工程岩体分级标准 GB50218-201410 、工程测量基本术语标准 GB/T50228-201111、工程岩体试验方法标准 GB/T50266-201312、岩土工程基本术语标准 GB/T50279-201413、城市轨道交通岩土工程勘察规范 GB50307-201214、城市轨道交通岩土工程测量规范 GB50308-200815、冻土工程地质勘察规范 GB50324-2014▲16 、岩土工程勘察安全规范 GB50585-2010 •17、城市工程地球物理探测规范 CJJ7-200718、城市测量规范 CJJ/T8-201119、供水水文地质钻探与管井操作规程 CJJ/T13-201320、市政工程勘察规范 CJJ56-201221、城市规划工程地质勘察规范 CJJ57-201222、城市地下管线探测技术规程 CJJ61-2017 •23、卫星定位城市测量技术规范 CJJ73-201024 、城市地下水动态观测规程 CJJ/T76-98 2012▲25 、城市基础地理信息系统技术规范CJJ100-201726、城市地理空间框架数据标准 CJJ103-2013 •27、城市市政综合监管信息系统技术规范CJJ/T106-2010▲28 、城市地理空间信息共享与服务元数据标准CJJ/T144-2010▲29 、房屋建筑与实证基础设施工程检测分类标准JGJ/T181-2009中册3公共交通专业1、地铁设计规范 GB50157-20132、地下铁道工程施工及验收规范( 2003 年版) GB50299-1999 ▲3、城市轨道交通自动售检票系统工程质量验收规范GB50381-2010▲4、城市轨道交通通信工程质量验收规范 GB 50382-2016▲5、地铁运营安全评价标准 GB/T50438-2007▲6、盾构法隧道施工与验收规范 GB50446-2017 ▲7、跨座式单轨交通设计规范 GB50458-2008▲8、城市轨道交通技术规范 GB50490-2016 ▲9、城市轨道交通信号工程施工质量验收规范GB50578-201010 、城市公共交通站、场、厂设计规范CJJ/T15-201111、无轨电车供电线网工程施工及验收规范CJJ72-9712、地铁界限标准 CJJ 96-2003▲13 、城市公共交通分类标准 CJJ/T114-2016▲14 、城市公共交通工程术语标准 CJJ/T119-2008▲15 、快速公共汽车交通系统设计规范 CJJ136-2010▲16 、建设项目交通影响评价技术标准 CJJ/T141-2010 ▲17、城市轨道交通引起建筑物振动与二次辐射噪声限值及其测量方法标准 JGJ/T170-20094道路桥梁专业1、沥青路面施工及验收规范GB50092-962、水泥混凝土路面施工及验收规范GBJ97-873、道路工程术语标准 GBJ124-884、道路工程制图标准 GB50162-92 ▲5、预应力混凝土路面工程技术规范GB50422-2017•6、城镇道路工程质量检验评定标准CJJ1-2008•7、城市桥梁工程质量检验评定标准CJJ2-20088、粉煤灰石灰类道路基层施工及验收规程 CJJ4-979、城市桥梁设计准则 CJJ11-2011 •10、城镇道路养护技术规范 CJJ36-2016 11、城市道路设计规范 CJJ37-201212、《城市道路设计规范》 CJJ 37-2012 ( 2016年局部修订条文)13、热拌再生沥青混合料路面施工及验收规程 CJJ43-91 •14、城市道路照明设计标准 CJJ45-201515、路面稀浆封层施工规程 CJJ66-9516、城市人行天桥与人行地道技术规范 CJJ69-9517、《城市人行天桥与人行地道技术规范》CJJ69-95 (1998 年局部修订条文)18、《城市人行天桥与人行地道技术规范》CJJ69-95 (2003 年局部修订条文)19、城镇地道桥顶进施工及验收规程 CJJ74-9920、城市道路照明工程施工及验收规程 CJJ89-2001 201221、城市桥梁养护技术规范 CJJ99-200322、城市道路除雪作业技术规程 CJJ/T108-2006▲23 、预应力砼桥梁预制节段逐跨装施工技术规程CJJ/T111-2006▲24 、城市快速路设计规程 CJJ129-2009▲25 、透水水泥砼路面技术规程 CJJ/T135-2009▲26 、城市桥梁桥面防水工程技术规程CJJ139-201027、城市道路和建筑物无障碍设计规范 JGJ50-2001 2013下册5 给水排水专业1、室外给水设计规范 GB50013-20062、室外排水设计规范 GB50014-2006 ■3、建筑给水排水设计规范( 2009 年版) GB50015-2003 2010 4、室外给水排水和燃气热力工程抗震设计规范GB 50032-20035、给水排水工程构筑物结构设计规范G B50069-2002 20166、给水排水制图标准 GB/T50106-2001 2010▲7、给水排水设计基本术语标准 GB50125-2010 •8、给水排水构筑物施工及验收规范GB50141-20089、建筑给水排水及采暖工程施工质量验收规范GB50242-2002 •10、给水排水管道工程施工及验收规范 GB50268-200811、供水管井技术规范 GB50296-9912 、城市居民生活用水量标准 GB/T50331-200213 、给水排水工程管道结构设计规范 GB50332-2002▲14 、泵站更新改造技术规范 GB/T50510-200915 、管道直饮水系统技术规程 CJJ110-2006 201716、建筑给水聚乙烯类管道工程技术规程 CJJ/T98-200317、埋地聚乙烯给水管道工程技术规程 CJJ101-2004 2016▲18 、埋地塑料排水管道工程技术规程CJJ143-201019 、建筑给水聚丙烯管道工程技术规范GB/T50349-200520、城市用水分类标准 CJ/T 3070-1999•21、城镇排水管道维护安全技术规程C JJ6-2009▲22 、建筑排水金属管道工程技术规程CJJ127-200923、含藻水给水处理设计规范 CJJ32-89 201124、高浊度水给水设计规范 CJJ40-91 201125、污水再生利用工程设计规范GB50335-2002•26、城镇供水厂运行、维护及安全技术规程CJJ58-200927 、城市污水处理厂工程质 ?验收规范 GB50334-200228、城市污水处理厂运行、维护及其安全技术规程CJJ60-94 2011 ▲29 、城镇污水处理厂污泥处理技术规程CJJ131-2009•30、城镇排水管渠与泵站维护技术规程 CJJ/T68-200731 、城市供水管网漏损控制及评定标准CJJ92-2002▲32 、城镇排水系统电气与自动化工程技术规程CJJ120-2008▲33 、游泳池给水排水工程技术规程 CJJ122-2008 2017▲34 、镇(乡)村给水工程技术规程 CJJ123-2008▲35 、镇(乡)村排水工程技术规程 CJJ124-2008▲36 、二次供水工程技术规程 CJJ140-20106 燃气专业•1、城镇燃气设计规范 GB50028-2006 ▲2、城镇燃气技术规范GB50494-20093、城镇燃气术语 CJ.T 3085-19994、城镇燃气输配工程施工及验收规范C JJ33-2005•5、城镇燃气设施运行、维护和抢修安全技术规程 CJJ51-2006 •6、聚乙烯燃气管道工程技术规程CJJ63-2008•7、城镇燃气室内工程胡斯工及验收规范CJJ94-20098、城镇燃气埋地钢质管道腐蚀控制技术规程CJJ95-2003 2013▲9、燃气工程制图标准 CJJ/T130-2009•1、锅炉房设计规范 GB50041-2008▲2、锅炉安装工程施工及验收规范GB 50273-2009■3、地源热泵系统工程技术规范( 2009 年版) GB50366-2005▲4、太阳能供热采暖工程技术规范GB50495-20095、城镇供热管网工程施工及验收规范C JJ28-2004 2014•6、城市热力网设计规范 CJJ34-20102005 8、供热术语标准 CJJ55-93 2011 9、供热工程制图标准 CJJ/T78-9710、城镇直埋供热管道工程技术规程11、城镇供热直埋蒸汽管道技术规程12、城镇供热系统安全运行技术规程 ▲13、城镇地热供热工程技术规程 ▲14 、供热计量技术规程 JGJ173-20098 市容环境卫生专业▲1、城市绿地设计规范 GB50420-2007•2、城市容貌标准 GB50449-2008▲3、城市园林绿化评价标准 GB/T50563-2010▲4、喷灌工程技术规范 GB/T50085-2007▲5、节水灌溉工程技术规范 GB/T50363-2006▲6、微灌工程技术规范 GB/T50485-2009▲7、城市夜景照明设计规范 JGJ/T163-20088、城市环境卫生设施规划规范 GB50337-20039、城镇环境卫生设施设置标准 CJJ27-200510 、市容环境卫生术语标准 CJJ/T65-200411、城市绿地分类标准 CJJ/T85-2002▲12 、环境卫生图形符号标准 CJJ/T125-200813 、城市生活垃圾分类及其评价标准 CJJ/T102-200414 、城市生活垃圾卫生填埋技术规范 CJJ17-200415 、城市垃圾转运站设计规范 CJJ47-200616 、城市生活垃圾堆肥处理厂运行维护及安全技术规程 CJJ/T86-200017 、生活垃圾转运站运行维护技术规程 CJJ109-200618、城市生活垃圾卫生填埋场运行维护技术规 ? CJJ93-2003 2016 19 、生活垃圾填埋场无害化评价标准 CJJ/T107-2005 2019▲20 、生活垃圾卫生填埋场封场技术规程 CJJ112-2007 2017 ▲21 、生活垃圾卫生填埋场防渗系统工程技术规范 CJJ113-2007 2010 CJJ/T81-98 CJJ104-2005 2014 CJJ/T88-2000 2016 CJJ138-20102005 ▲22 、生活垃圾填埋场填埋气体收集处理及利用工程技术规范 CJJ133-2009•23、生活垃圾焚烧处理工程技术规范 C JJ90-2002▲24 、生活垃圾焚烧厂运行维护与安全技术规程 CJJ128-2009 2017▲25 、生活垃圾焚烧厂评价标准 CJJ/T137-2010 •26、粪便处理厂运行维护及其安全技术规程CJJ30-2009•27、粪便处理厂设计规范 CJJ64-2009▲28 、建筑垃圾处理技术规范 CJJ134-200929、城市公共厕所设计标准 CJJ14-2005 201630、机动车清洁站工程技术规程 CJJ71-2000 2011▲31 、城市道路清扫保洁质量与评价标准CJJ/T126-2008。
市政行业现行规范(全部)〖CJJ1-2008〗城镇道路工程施工与质量验收规范〖CJJ2-2008〗城市桥梁工程施工与质量验收规范〖CJJ6-2009〗城镇排水管道维护安全技术规程〖CJJ7-2007〗城市工程地球物理探测规范〖CJJ8-99〗城市测量规范〖CJJ11-93〗城市桥梁设计准则〖CJJ12-99〗家用燃气燃烧器具安装及验收规程〖CJJ13-87〗供水水文地质钻探与凿井操作规程〖CJJ14-2005〗城市公共厕所设计标准〖CJJ15-87〗城市公共交通站、场、厂设计规范〖CJJ17-2004〗生活垃圾卫生填埋技术规范〖CJJ18-88〗市政工程施工、养护及污水处理工人技术等级标准〖CJJ27-2005〗城镇环境卫生设施设置标准〖CJJ28-2004〗城镇供热管网工程施工及验收规范〖CJJ/T29-98〗建筑排水硬聚氯乙烯管道工程技术规程〖CJJ30-2009〗城市粪便处理厂运行维护及其安全技术规程〖CJJ32-89〗含藻水给水处理设计规范〖CJJ33-2005〗城镇燃气输配工程施工及验收规范〖CJJ34-2002〗城市热力网设计规范〖CJJ36-2006〗城镇道路养护技术规范〖CJJ37-90〗城市道路设计规范〖CJJ39-91〗古建筑修建工程质量检验评定标准(北方地区)〖CJJ40-91〗高浊度水给水设计规范〖CJJ43-91〗热拌再生沥青混合料路面施工及验收规程〖CJJ45-2006〗城市道路照明设计标准〖CJJ47-2006〗生活垃圾转运站技术规范〖CJJ48-92〗公园设计规范〖CJJ49-92〗地铁杂散电流腐蚀防护技术规程〖CJJ50-92〗城市防洪工程设计规范〖CJJ51-2006〗城镇燃气设施运行、维护和抢修安全技术规程〖CJJ/T52-93〗城市生活垃圾好氧静态堆肥处理技术规程〖CJJ/T53-93〗民用房屋修缮工程施工规程〖CJJ/T54-93〗污水稳定塘设计规范〖CJJ55-93〗供热术语标准〖CJJ56-94〗市政工程勘察规范〖CJJ57-94〗城市规划工程地质勘察规范〖CJJ58-2009〗城镇供水厂运行、维护及安全技术规程〖CJJ60-94〗城市污水处理厂运行、维护及其安全技术规程〖CJJ61-2003〗城市地下管线探测技术规程〖CJJ62-95〗房屋渗漏修缮技术规程〖CJJ63-2008〗聚乙烯燃气管道工程技术规程〖CJJ64-2009〗城市粪便处理厂设计规范〖CJJ/T65-2004〗市容环境卫生术语标准〖CJJ66-95〗路面稀浆封层施工规程〖CJJ67-95〗风景园林图例图示标准〖CJJ68-2007〗城镇排水管渠与泵站维护技术规程〖CJJ69-95〗城市人行天桥与人行地道技术规范〖CJJ70-96〗古建筑修建工程质量检验评定标准(南方地区)〖CJJ71-2000〗机动车清洗站工程技术规程〖CJJ72-97〗无轨电车供电线网工程施工及验收规范〖CJJ/T73-2010〗卫星定位城市测量技术规范〖CJJ74-99〗城镇地道桥顶进施工及验收规程〖CJJ75-97〗城市道路绿化规划与设计规范〖CJJ/T76-98〗城市地下水动态观测规程〖CJJ/T78-97〗供热工程制图标准〖CJJ/T81-98〗城镇直埋供热管道工程技术规程〖CJJ/T82-99〗城市绿化工程施工及验收规范〖CJJ83-99〗城市用地竖向规划规范〖CJJ/T85-2002〗城市绿地分类标准〖CJJ/T86-2000〗城市生活垃圾堆肥处理厂运行、维护及其安全技术规程〖CJJ/T87-2000〗乡镇集贸市场规划设计标准〖CJJ/T88-2000〗城镇供热系统安全运行技术规程〖CJJ89-2001〗城市道路照明工程施工及验收规程〖CJJ90-2009〗生活垃圾焚烧处理工程技术规范〖CJJ/T91-2002〗园林基本术语标准〖CJJ92-2002〗城市供水管网漏损控制及评定标准〖CJJ93-2003〗城市生活垃圾卫生填埋场运行维护技术规程〖CJJ94-2009〗城镇燃气室内工程施工与质量验收规范〖CJJ95-2003〗城镇燃气埋地钢质管道腐蚀控制技术规程〖CJJ96-2003〗地铁限界标准〖CJJ/T97-2003〗城市规划制图标准〖CJJ/T98-2003〗建筑给水聚苯乙烯类管道工程技术规程〖CJJ99-2003〗城市桥梁养护技术规范〖CJJ100-2004〗城市基础地理信息系统技术规范〖CJJ101-2004〗埋地聚乙烯给水管道工程技术规程〖CJJ/T102-2004〗城市生活垃圾分类及其评价标准〖CJJ103-2004〗城市地理空间框架数据标准〖CJJ104-2005〗城镇供热直埋蒸汽管道技术规程〖CJJ105-2005〗城镇供热管网结构设计规范〖CJJ/T107-2005〗生活垃圾填埋场无害化评价标准〖CJJ/T108-2006〗城市道路除雪作业技术规程〖CJJ109-2006〗生活垃圾转运站运行维护技术规程〖CJJ110-2006〗管道直饮水系统技术规程〖CJJ/T111-2006〗预应力混凝土桥梁预制节段逐跨拼装施工技术规程〖CJJ112-2007〗生活垃圾卫生填埋场封场技术规程〖CJJ113-2007〗生活垃圾卫生填埋场防渗系统工程技术规范〖CJJ/T114-2007〗城市公共交通分类标准〖CJJ/T115-2007〗房地产市场信息系统技术规范〖CJJ/T116-2008〗建设领域应用软件测评通用规范〖CJJ/T117-2007〗建设电子文件与电子档案管理规范交通行业规范(部分)〖JTG/T B07-1-2006〗公路工程混凝土防腐蚀技术规范〖JTG D81-2006〗公路交通安全设施设计规范〖JTG/T D81-2006〗公路交通安全设施实施细则〖JTG H12-2003〗公路隧道养护技术规范〖JTG H30-2004〗公路养护安全作业规程〖JTG H11-2004〗公路桥涵养护规范〖JTG D40-2002〗公路水泥混凝土路面设计规范〖JTG D60-2004〗公路桥涵设计通用规范〖JTG D62-2004〗公路钢筋混凝土及预应力混凝土桥涵设计规范〖JTG B01-2003〗公路工程技术标准〖JTG F30-2003〗公路水泥混凝土路面施工技术规范〖JTG F40-2004〗公路沥青路面施工技术规范〖JTG/TD71-2004〗公路隧道交通工程设计规范〖JTG/T B05-2004〗公路项目安全性评价指南〖JTG/TF83-01-2004〗高速公路护栏安全性能评价标准〖JT/T529-2004〗预应力混凝土桥梁用塑料波纹管〖JT/T4-2004〗公路桥梁板式橡胶支座〖JT/T327-2004〗公路桥梁伸缩装置〖JT/T502-2004〗公路桥梁波形伸缩装置〖JT/T531-538.589-2004〗路桥用材料标准九项〖JT/T613-615-2004〗路面车辙动测定仪等三项标准〖JT/T483-2002〗交通科技报告编写规则〖JTJ041-2000〗公路桥涵施工技术规范〖JTJ034-2000〗公路路面基层施工技术规范〖JTJ073.2-2001〗公路沥青路面养护技术规范〖JTJ036-98〗公路改性沥青路面施工技术规范〖JTJ014-97〗公路沥青路面设计规范〖JTJ057-94〗公路工程无机结合料稳定材料试验规程〖JTJ005-96〗公路建设项目环境影响评价规范〖JTJ018-97〗公路排水设计规范〖JTJ064-98〗公路工程地质勘察规范〖JTJ073-96〗公路养护技术规范〖JTJ061-99〗公路勘测规范国家标准(部分)〖GB50162-92〗道路工程制图标准〖GB 5768-99〗道路交通标志和标线〖GBJ 97-87〗水泥混凝土路面施工及验收规范〖GB 50092-96〗沥青路面施工及验收规范〖GB 14887-2003〗道路交通信号灯〖GB50013-2006〗室外给水设计规范〖GB50014-2006〗室外排水设计规范〖GB50092-96〗沥青路面施工及验收规范〖GBJ97-87〗水泥混凝土路面施工及验收规范〖GB/T50107-2010〗混凝土强度检验评定标准〖GB50164-92〗混凝土质量控制标准〖GB50204-2002〗混凝土结构工程施工质量验收规范〖GB50220-95〗城市道路交通规划设计规范〖GB50268-2008〗给水排水管道工程施工及验收规范〖GB/T50280-98〗城市规划基本术语标准〖GB50282-98〗城市给水工程规划规范〖GB50318-2000〗城市排水工程规划规范〖GB50420-2007〗城市绿地设计规范〖GB50442-2008〗城市公共设施规划规范〖GB/T50476-2008〗混凝土结构耐久性设计规范〖GB50490-2009〗城市轨道交通技术规范〖GB50010-2010〗混凝土结构设计规范按工程分类《现行市政工程规范大全》1.规划专业规范名称规范编号原书页码变更情况城市用地分类与规划建设用地标准GBJ137-90 1-1-1 有效城市居住区规划设计规范(2002年版)GB50180-93 1-2-1 有效城市规划基本术语标准GB/T50280-98 1-3-1 有效城市给水工程规划规范GB50282-98 1-4-1 有效城市工程管线综合规划规范GB50289-98 1-5-1 有效城市电力规划规范GB50293-1999 1-6-1 有效城市排水工程规划规范GB50318-2000 1-7-1 有效城市用地分类代码CJJ46-91 1-8-1 有效城市用地竖向规划规范CJJ83-99 1-9-1 有效城市规划制图标准CJJ/T97-2003 1-10-1 有效乡镇集贸市场规划设计标准CJJ/T87-2000 1-11-1 有效2.工程勘察测量专业规范名称规范编号原书页码变更情况岩土工程勘察规范GB50021-2001 2-1-1 有效工程测量规范GB50026-93 2-2-1 有效供水水文地质勘察规范GB50027-2001 2-3-1 有效水文基本术语和符号标准GB/T50095-98 2-4-1 有效土工试验方法标准GB/T50123-1999 2-5-1 有效水位观测标准GBJ138-90 2-6-1 有效土的分类标准GBJ145-90 2-7-1 有效工程摄影测量规范GB50167-92 2-8-1 有效工程岩体分级标准GB50218-94 2-9-1 有效工程测量基本术语标准GB/T50228-96 2-10-1 有效工程岩体试验方法标准GB/T50266-99 2-11-1 有效岩土工程基本术语标准GB/T50279-98 2-12-1 有效地下铁道、轻轨交通岩土工程勘察规范GB50307-1999 2-13-1 有效地下铁道、轻轨交通工程测量规范GB50308-1999 2-14-1 有效冻土工程地质勘察规范GB50324-2001 2-15-1 有效原状土取样技术标准JGJ89-92 2-16-1 有效城市勘察物探规范CJJ7-85 2-17-1 有效城市测量规范CJJ8-99 2-18-1 有效供水水文地质钻探与凿井操作规程CJJ13-87 2-19-1 有效市政工程勘察规范CJJ56-94 2-20-1 有效城市规划工程地质勘察规范CJJ57-94 2-21-1 有效城市地下管线探测技术规程CJJ61-2003 2-22-1 有效全球定位系统城市测量技术规程CJJ73-97 2-23-1 有效城市基础地理信息系统技术规范CJJ100-2004 2-24-1 有效城市地理空间框架数据标准CJJ103-2004 2-25-1 有效城市市政综合监管信息系统技术规范CJJ/T106-2005 2-26-1 有效城市地下水动态观测规程CJJ/T76-98 2-27-1 有效3.公共交通专业规范名称规范编号原书页码变更情况地铁设计规范GB50157-2003 3-1-1 有效地铁限界标准CJJ96-2003 3-2-1 有效地下铁道工程施工及验收规范(2003年版)GB50299-1999 3-3-1 有效城市公共交通常用名词术语GB5655-85 3-4-1 有效城市公共交通站、场、厂设计规范CJJ15-87 3-5-1 有效无轨电车供电线网工程施工及验收规范CJJ72-97 3-6-1 有效4.道路桥梁专业规范名称规范编号原书页码变更情况沥青路面施工及验收规范GB50092-96 4-1-1 有效水泥混凝土路面施工及验收规范GBJ97-87 4-2-1 有效道路工程术语标准GBJ124-88 4-3-1 有效道路工程制图标准GB50162-92 4-4-1 有效市政道路工程质量检验评定标准CJJ1-90 4-5-1 有效市政桥梁工程质量检验评定标准CJJ2-90 4-6-1 有效粉煤灰石灰类道路基层施工及验收规程CJJ4-97 4-7-1 有效城市桥梁设计准则CJJ11-93 4-8-1 有效城市桥梁养护技术规范CJJ99-2003 4-9-1 有效城市道路除雪作业技术规程GB50084-2001 4-10-1 有效钢渣石灰类道路基层施工及验收规范CJJ35-90 4-11-1 有效城市道路养护技术规范CJJ 36-90 4-12-1 全面修订城市道路设计规范CJJ37-90 4-13-1 有效《城市道路设计规范》1998年局部修订条文CJJ37-90 4-13-59 有效热拌再生沥青混合料路面施工及验收规程CJJ43-91 4-14-1 有效城市道路路基工程施工及验收规范CJJ44-91 4-15-1 有效城市道路照明设计标准CJJ 45-91 4-16-1 全面修订柔性路面设计参数测定方法标准CJJ/T59-94 4-17-1 有效路面稀浆封层施工规程CJJ66-95 4-18-1 有效城市人行天桥与人行地道技术规范CJJ69-95 4-19-1 有效《城市人行天桥与人行地道技术规范》1998年局部修订条文CJJ69-95 4-19-12 有效《城市人行天桥与人行地道技术规范》2003年局部修订条文CJJ69-95 4-19-12 有效城镇地道桥顶进施工及验收规程CJJ74-99 4-20-1 有效城市桥梁设计荷载标准CJJ77-98 4-21-1 有效联锁型路面砖路面施工及验收规程CJJ79-98 4-22-1 有效固化类路面基层和底基层技术规程CJJ/T80-98 4-23-1 有效城市道路照明工程施工及验收规程CJJ89-2001 4-24-1 有效城市道路和建筑物无障碍设计规范JGJ50-2001 4-25-1 有效5.给水排水专业规范名称规范编号原书页码变更情况室外给水设计规范GB50013-2006 5-1-1 有效室外排水设计规范GB50014-2006 5-2-1 有效建筑给水排水设计规范GB50015-2003 5-3-1 有效室外给水排水和燃气热力工程抗震设计规范GB50032-2003 5-4-1 有效给水排水工程构筑物结构设计规范GB50069-2002 5-5-1 有效给水排水制图标准GB/T50106-2001 5-6-1 有效给水排水设计基本术语标准GBJ125-89 5-7-1 有效给水排水构筑物施工及验收规范GBJ141-90 5-8-1 有效建筑给水排水及采暖工程施工质量验收规范GB50242-2002 5-9-1 有效给水排水管道工程施工及验收规范GB50268-97 5-10-1 有效供水管井技术规范GB50296-99 5-11-1 有效城市居民生活用水量标准GB/T50331-2002 4-12-1 有效给水排水工程管道结构设计规范GB50332-2002 5-13-1 有效管道直饮水系统技术规程CJJ110-2006 5-14-1 有效建筑给水聚乙烯管道工程技术规程CJJ/T98-2003 5-15-1 有效埋地聚乙烯给水管道工程技术规程CJJ101-2004 5-16-1 有效建筑给水聚丙烯管道工程技术规范GB/T50349-2005 5-17-1 有效城市用水分类标准CJ/T3070-1999 5-18-1 有效市政排水管渠工程质量检验评定标准CJJ3-90 5-19-1 有效排水管道维护安全技术规范CJJ6-85 5-20-1 有效城镇污水处理厂附属建筑和附属设备设计标准CJJ31-89 5-21-1 有效含藻水给水处理设计规范CJJ32-89 5-22-1 有效高浊度水给水设计规范CJJ40-91 5-23-1 有效城镇给水厂附属建筑和附属设备设计标准CJJ41-92 5-24-1 有效污水稳定塘设计规范CJJ/T54-93 5-25-1 有效污水再生利用工程设计规范GB50335-2002 5-26-1 有效城镇供水厂运行、维护及安全技术规程CJJ58-94 5-27-1 有效城市污水处理厂工程质量验收规范GB50334-2002 5-28-1 有效城镇污水处理厂运行、维护及其安全技术规程CJJ60-94 5-29-1 有效城镇排水管渠与泵站维护技术规程CJJ/T68-96 5-30-1 有效城市供水管网漏损控制及评定标准CJJ92-2002 5-31-1 有效6.燃气专业规范名称规范编号原书页码变更情况城镇燃气设计规范GB 50028-93 6-1-1 全面修订输气管道工程设计规范GB50251-94 6-2-1 有效城镇燃气术语CJ/T3085-1999 6-3-1 有效城镇燃气输配工程施工及验收规范CJJ33-2005 6-4-1 有效城镇燃气设施运行、维护和抢修安全技术规程CJJ 51-2001 6-5-1 全面修订城镇燃气埋地钢质管道腐蚀控制技术规程CJJ95-2003 6-6-1 有效城镇燃气室内工程施工及验收规范CJJ94-2003 6-7-1 有效聚乙烯燃气管道工程技术规程CJJ63-95 6-8-1 有效汽车用燃气加气站技术规范CJJ84-2000 6-9-1 有效7.供热专业规范编号原书页码变更情况锅炉房设计规范GB50041-92 7-1-1 有效城镇供热管网工程施工及验收规范CJJ28-2004 7-2-1 有效城市热力网设计规范CJJ34-2002 7-3-1 有效城镇供热管网结构设计规范CJJ105-2005 7-4-1 有效供热术语标准CJJ55-93 7-5-1 有效供热工程制图标准CJJ/T78-97 7-6-1 有效城镇直埋供热管道工程技术规程CJJ/T81-98 7-7-1 有效城镇供热直埋蒸汽管道技术规程CJJ104-2005 7-8-1 有效城镇供热系统安全运行技术规程CJJ/T88-2000 7-9-1 有效8.市容环境卫生专业规范名称规范编号原书页码变更情况城市容貌标准CJ/T12-1999 8-1-1 有效城市绿地分类标准CJJ/T85-2002 8-2-1 有效环境卫生设施与设备图形符号CJ/T13~15-1999 8-3-1 有效城市生活垃圾分类及其评价标准CJJ/T102-2004 8-4-1 有效生活垃圾卫生填埋技术规范CJJ17-2004 8-5-1 有效城市生活垃圾卫生填埋场运行、维护技术规程CJJ93-2003 8-6-1 有效生活垃圾填埋场无害化评价标准CJJ/T107-2005 8-7-1 有效城市环境卫生设施规划规范GB50337-2003 8-8-1 有效城镇环境卫生设施设置标准CJJ27-2005 8-9-1 有效城市粪便处理厂运行、维护及其安全技术规程CJJ/T30-99 8-10-1 有效生活垃圾转运站技术规范CJJ47-2006 8-11-1 有效生活垃圾转运站运行维护技术规程CJJ109-2006 8-12-1 有效城市粪便处理厂[场]设计规范CJJ64-95 8-13-1 有效市容环境卫生术语标准CJJ/T65-2004 8-14-1 有效机动车清洗站工程技术规程CJJ71-2000 8-15-1 有效城市生活垃圾堆肥处理厂运行、维护及其安全技术规程CJJ/T86-2000 8-16-1 有效生活垃圾焚烧处理工程技术规范CJJ90-2002 8-17-1 有效城镇环境卫生设施设置标准CJJ27-2005 8-17-1 有效城市公共厕所设计标准CJJ14-2005 8-18-1书名:现行市政工程规范大全(修订缩印本)出版社:中国建筑工业出版社定价:280条形码:9787112083893ISBN:ISBN 7-112-08389-3作者:本书编委组印刷日期:2006-9-3出版日期:2006-9-2精装平装_开本_页数:精装16开,2116页中图法:中图法一级分类:中图法二级分类:书号:简介:《现行市政工程规范大全》(缩印本),自2003年出版以来,深受广大市政工程技术人员的欢迎。
《铁路工程预算定额2011版》中国标准出版社2011年3月出版,规格:32开全套39本(预算定额全套20册)总定价:4147元,总优惠价:2880元预算定额优惠价1480元套。
概算定额优惠价1500元套全国800余城市送货上门,货到付款;其他市区县镇乡村免费办理发货1、铁路工程预算定额第一册路基工程60元2、铁路工程预算定额第二册桥涵工程170元3、铁路工程预算定额第三册隧道工程60元4、铁路工程预算定额第四册轨道工程120元5、铁路工程预算定额第五册通信工程150元6、铁路工程预算定额第六册信号工程150元7、铁路工程预算定额第七册电力工程(上)(下)250元8、铁路工程预算定额第八册电力牵引供电工程(上)(下)200元9、铁路工程预算定额第九册房屋工程(上中下)360元10、铁路工程预算定额第十册给排水工程110元11、铁路工程预算定额第十一册机务车辆机械工程170元12、铁路工程预算定额第十二册站场工程45元13、铁路工程预算定额第十三册信息工程60元14、高速铁路路基、桥梁、隧道、轨道工程补充定额25元15,铁路工程概预算工程量计算规则22元本~《铁路工程概算定额》1、铁路工程概算定额第一册路基工程35元2、铁路工程概算定额第二册桥涵工程120元3、铁路工程概算定额第三册隧道工程160元4、铁路工程概算定额第四册轨道工程130元5、铁路工程概算定额第五册通信工程(上下)200元6、铁路工程概算定额第六册信号工程(上下)180元7、铁路工程概算定额第七册电力工程(上下)240元8、铁路工程概算定额第八册电力牵引供电工程(上下)280元9、铁路工程概算定额第九册房屋工程300元10,铁路工程概算定额第十册给排水工程(上下)160元11、铁路工程概算定额第十一册机务车辆机械工程(上下)230元12、铁路工程概算定额第十二册站场工程80元13、铁路工程概算定额第十三册信息工程65元14、高速铁路路基、桥梁、隧道、轨道工程补充定额25元15,铁路工程概预算工程量计算规则22元本~预算定额优惠价1380元套。
第一篇市政工程质量检验评泄标准第一章道路工程1.市政道路工程质量检验评左标准(CJJ 1-90)(行业标准)2.市政道路工程质屋检验标准(DBJ 01-11-95)(市标准)3.市政逍路工程质量评左标准(DBJ 01-22-95)(市标准)4.道路工程质量检验评左标准(市标准)5.市政工程质量检验评左标准(道路工程)(TBJ 101-91)(市标准)6.沥青路而施工及验收规(参照GB 50092-96)(国家标准)第二章桥梁工程1.市政桥梁工程质量检验评立标准(CJJ 2-90)(行业标准)2.市政桥梁工程质量检验标准(DBJ 01-12-95)(市标准)3.市政桥梁工程质量评左标准(DBJ 01-23-95)(市标准)4.桥梁工程质量检验评左标准(市标准)5.市政工程质量检验评左标准(桥梁工程)(TBJ 102-91)(市标准)第三章给水排水工程1.市政排水管渠工程质量检验评左标准(CJJ 3-90)(行业标准)2.市政排水管渠工程质量检验标准(DBJ 01-13-95)(市标准)3.市政排水管渠工程质量评定标准(DBJ 01-24-95)(市标准)4.排水工程质量检验评左标准(市标准)5.市政工程质量检验评左标准(排水工程)(TBJ 103-91)(市标准)6.给水排水构筑物工程质疑检验评左标准(参照GB 50268-97)(国家标准)7.给水排水管道工程质量检验评左标准(参照GB 50268-97)(国家标准)第四章污水处理厂工程市政工程质量检验评泄标准(污水处理厂工程)(TBJ 104-91)(市标准)第二篇城镇燃气输配工程质量检验评肚标准1.城镇燃气输配工程施工及验收规(CJJ 33-89)(行业标准)2.市燃气管网工程质量检验评泄标准3.城市燃气管网工程质呈:检验评左标准(JWJ 101-97)(乌鲁木齐市标准)第三篇城市供热管网工程质量检验评立标准城市供热管网工程质虽检验评立标准(CJJ 38-90)(行业标准)1规划专业城市用地分类与规划建设用地标准GBJ137-90城市居住区规划设汁规(2002年版)GB50180-93城市规划基本术语标准GB/T50280-98城市给水工程规划规GB50282-98城市工程管线综合规划规GB50289-98城市电力规划规GB50293-1999城市排水工程规划规GB50318-2000城市用地分类代码CJJ16-91城市用地竖向规划规CJJ83-99城市规划制图标准CJJ/T97-2003乡镇集贸市场规划设il标准CJJ/T87-20002工程勘察测量专业岩上工程勘察规GB50021-2001工程测呈:规GB50026-93供水水文地质勘察规GB50027-2001水文基本术语和符号标准GB/T50095-98上工试验方法标准GB/T50123-1999水位观测标准GBJ138-90上的分类标准GBJ145-90工程摄影测量规GB50167-92工程岩体分级标准GB50218-94工程测呈:基本术语标准GB/T50228-96工程岩体试验方法标准GB/T50266-99岩土工程基本术语标准GB./T50279-98地下铁道、轻轨交通岩上工程勘察规GB50307-1999地下铁道、轻轨交通工程测量规GB50308-1999 冻上工程地质勘察规GB50324-2001原状土取样技术标准JCJ89-92城市勘察物探规CJJ7-85城市测量规CJJ8-99供水水文地质钻探与凿井操作规程CJJ13-87市政工程勘察规CJJ56-94城市规划工程地质勘察规CJJ57-94城市地下管线探测技术规程CJJ61-94全球左位系统城市测量技术规程CJJ73-97城市基础地理信息系统技术规CJJ100-2004城市地理空间框架数据标准CJJ103-2004城市市政综合监管信息系统技术规CJJ/T106-2005城市地下水动态观测规程CJJ/T76-983公共交通专业地铁设计规GB50157-92地铁限界标准CJJ96-2003地下铁道工程施工及验收规GB50299-1999城市公共交通常用名词术语GB5655-85城市公共交通站、场、厂设计规CJJ15-87无轨电车供电线网工程施工及验收规CJJ72-974道路桥梁专业沥青路而施工及验收规GB50092-96水泥混凝土路而施工及验收规GBJ97-87道路工程术语标准GBJ124-88道路工程制图标准GB50162-92市政道路工程质呈:检验评左标准CJJ1-90市政桥梁工程质量检验评立标准CJJ2-90粉煤灰石灰类逍路基层施工及验收规程CJJ4-97城市桥梁设计准则CJJ11-93城市桥梁养护技术规CJJ99-2003城市道路除雪作业技术规程CJJ/T108-2006钢渣右灰类道路基层施工及验收规CJJ35-90城市逍路养护技术规CJJ36-90城市道路设计规CJJ37-90热拌再生沥青混合料路面施工及验收规程CJJ43-91城市道路路基工程施工及验收规CJJ44-91城市道路照明设计标准CJJ45-91柔性路而设讣参数测定方法标准CJJ/T59-94路面稀浆封层施工规程CJJ66-95城市人行天桥与人行地道技术规CJJ69-95城镇地逍桥顶进施工及验收规程CJJ74-99城市桥梁设计荷载标准CJJ77-98联锁型路而砖路而施工及验收规程CJJ79-98固化类路而基层和底基层技术规程CJJ/T80-98城市道路照明工程施工及验收规程CJJ89-2001城市道路和建筑物无障碍设计规JGJ50-20015给水排水专业室外给水设il•规(1997年版)GBJ13-86室外排水设讣规(1997年版)GBJ14-87建筑给水排水设计规(1997年版)GBJ15-88室外给水排水和燃气热力工程抗震设计规GB 50035-2003 给水排水工程构筑物结构设计规GB50069-2002 给水排水制图标准GB/T50106-2001给水排水设汁基本术语标准GBJ125-89给水排水构筑物施工及验收规GBJ141-90建筑给水排水及采暧工程施工质量验收规GB50242-2002 给水排水管道工程施工及验收规GB50268-97 供水管井技术规GB50296-99城市居民生活用水量标准GB/T50331-2002给水排水工程管道结构设计规GB50332-2002管道直饮水系统技术规程CJJ110-2006 建筑给水聚乙烯类管道工程技术规程CJJ/T98-2003 埋地聚乙烯给水管道工程技术规程CJJ101-2001 建筑给水聚丙烯管道工程技术规GB/T50349-2005 城市用水分类标准CJ/T 3070-1999市政排水管渠工程质量检验评立标准CJJ3-90排水管道维护安全技术规程CJJ685城镇污水处理厂附属建筑和附属设备设汁标准CJJ31-89 含藻水给水处理设计规CJJ32-89高浊度水给水设计规CJJ40-91城镇给水厂附属建筑和附属设备设讣标准CJJ41-92污水稳定塘设计规CJJ/T54-93污水再生利用工程设计规GB 50335-2002城镇供水厂运行、维护及安全技术规程CJJ58-94城市污水处理厂工程质虽验收规GB50334-2002城市污水处理厂运行、维护及其安全技术规程CJJ60-94 城镇排水管渠与泵站维护技术规程CJJ/T68-96 城市供水管网漏损控制及评龙标准CJJ92-20026燃气专业城镇燃气设计规(1998年版)GB50028-93《城镇燃气设讣规》(GB50028-93)2002年局部修订条文输气管道工程设计规GB50251-94城镇燃气术语CJ/T3085-1999城镇燃气输配工程施工及验收规CJJ33-89城镇燃气设施运行、维护和抢修安全技术规程CJJ51-2001 城镇燃气埋地钢质管逍腐蚀控制技术规程CJJ95-2003 城镇燃气室工程胡斯工及验收规CJJ94-2003聚乙烯燃气管道工程技术规程CJJ63-95汽车用燃气加气站技术规CJJ84-20007供热专业锅炉房设计规GB50041-92城市供热管网工程施工及验收规CJJ28-89城市热力网设计规CJJ34-90城市供热管网工程质量检验评左标准CJJ38-90城镇供热管网结构设计规CJJ105-2005供热术语标准CJJ55-93供热工程制图标准CJJ/T78-97城镇直埋供热管道工程技术规程CJJ/T81-98 城镇供热直埋蒸汽管道技术规程CJJ104-2005城镇供热系统安全运行技术规程CJJ/T88-20008市容环境卫生专业城市容貌标准CJ/T12-1999城市绿地分类标准CJJ/T85-2002环境卫生设施与设备图形符号CJ/T1315-1999城市生活垃圾分类及其评价标准CJJ/T102-2004城市生活垃圾卫生填埋技术规CJJ17-2001城市生活垃圾卫生填埋运行维护技术规程CJJ93-2003生活垃圾填埋无害化评价标准CJJ/T107-2005城市环境卫生设施规划规GB 50337-2003城市环境卫生设施设置标准CJJ27-89城市粪便处理厂运行、维护及其安全技术规程CJJ/T30-99城市垃圾转运站设计规CJJ47-91生活垃圾转运站运行维护技术规程CJJ109-2006城市粪便处理厂[场]设计规CJJ64-95环境卫生术语标准CJJ65-95机动车淸洗站工程技术规程CJJ71-2000城市生活垃圾堆肥处理厂运行、维护及其安全技术规程CJJ/T86-2000生活垃圾焚烧处理工程技术规CJJ90-2002城市公共厠所设计标准CJJ14-2005。
市政规范汇总----78aca64c-715d-11ec-ad37-7cb59b590d7d 1.4.2设计规范及标准(1)《城市道路工程设计规范》(cjj37-2022);(2)《城市道路路线设计规范》(cjj193-2021);(3)《城市道路路面设计规范》(cjj169-2022);(4)《城市道路路基设计规范》(cjj194-2021);(5)《城市道路绿化规划设计规范》(cjj75-97);(6)《城市道路交通规划设计规范》(gb50220-95);(7)《城市桥梁设计规范》(cjj11-2022);(8)《城市交通设施设计规范》(gb50688-2021);(9)《城市道路公共交通站场及厂区工程设计规范》(CJJ/t15-2022);(10)《城市道路交叉口规划规范》(gb50647-2021);(11)《城市道路照明工程施工及验收规范》CJJ/89-2022;(12)《城市道路低吸热路面技术规范》(cjj/t206-2021);(13)《城市地下道路工程设计规范》(cjj221-2022);(14)《城市道路路内停车泊位设置规范》ga/t850-2021;(15)《城市道路工程施工及质量验收规范》(cjj1-2022);(16)《无障碍设计规范》(g50763-2021)。
(1)《室外排水设计规范》gb50014-2022(2022版);(2)《室外给水设计规范》(gb50013-2021);(3)《城市排水工程规划规范》(gb50318-2000);(4)《城市工程管线综合规划规范》(gb50289-98);(5)《城市综合管廊工程技术规范》gb50838-2022;(5)《给水排水工程管道结构设计规范》(gb50332-2002);(6)《给水排水工程结构设计规范》(GB50069-2002)。
3)交通设施部分(1)《城市道路交通标志和标线设置规范》(gb51038-2022);(2)《道路交通管理设施设置技术规范》(dbj08-39-1994);(3)《城市道路交通标志标线设置指南》(浙江省公安厅交通管理局2022年4月印发);(4)《建筑结构荷载规范》(gb50009-2001);(5)《钢结构设计规范》gb50017-2022;(6)《建筑钢结构焊接规程》(jgj81-2002);(7)《民用闭路电视监控系统工程技术规范》(gb50198-1994);(8)《安全防范工程技术规范》(gb50348-2021);(9)《工业企业通信设计规范》(gbj42-81);(10)《光缆数字线路系统技术规范》(gb/t13996-92);(11) GB/t7262.2-1991《公路通信技术要求及设备配合》。
最新完美版市政道路规范市政道路是城市基础设施的重要组成部分,直接关系到城市交通的畅通和经济发展的顺利进行。
为了保障市民的出行安全和提升道路交通效率,不断完善市政道路规范至关重要。
本文将介绍最新的完美版市政道路规范,以期为城市的交通建设和管理提供指导。
一、道路设计规范市政道路的设计应按照以下规范进行:1. 道路宽度:根据道路的功能和交通量,确定合理的道路宽度,以保障车辆畅通和行人安全。
2. 车行道设置:合理设置车行道的数量和车道宽度,以适应不同道路交通需求。
加强非机动车道和人行道的建设,为非机动车和行人提供良好的出行环境。
3. 车辆停放:规划和划定合理的停车位,减少乱停车现象,并设置停车收费系统,以促进停车资源的合理利用。
4. 绿化与景观:在道路两侧设置绿化带和景观设施,增加城市的美观性和环境质量,改善空气质量,缓解城市热岛效应。
5. 路灯和信号灯:合理布局和安装道路照明设施和交通信号灯,确保夜间行车的安全性和交通的有序进行。
二、交通安全规范市政道路的交通安全是保证道路畅通的基础,应严格遵守以下规范:1. 驾驶员行为规范:严禁酒驾、超速行驶、疲劳驾驶等违法行为,加强对驾驶员的教育和宣传,提高驾驶员素质和遵守交通规则的意识。
2. 交通信号规范:设立合理的交通信号系统,包括红绿灯、停车标志等,引导车辆和行人按规定通行。
3. 斑马线和人行天桥:设置足够数量和合理布局的斑马线和人行天桥,确保行人过街时的安全。
4. 安全设施维护:定期检查和维护道路交通安全设施,如护栏、标线、反光镜等,保证其正常使用和良好状态。
5. 交通事故处理:建立完善的交通事故处理机制,及时处理事故现场,保障伤员救治和道路的快速恢复。
三、环境保护规范为了保护城市的环境和生态,市政道路的建设和管理应遵循以下规范:1. 道路排水:合理设置雨水排水系统,防止道路积水和洪涝灾害,减轻城市雨水排放压力。
2. 垃圾处理和清扫:定期清理和清扫道路垃圾,保持道路整洁干净,减少环境污染和疾病传播的风险。
1、城镇道路工程与质量验收规范CJJ 1-20082、建筑深基坑工程施工安全技术规范JGJ 311-20133、城市园林绿化评价标准GB/T 50563-20104、建设工程文件归档整理规范GB/T 50328-20015、混凝土结构工程施工规范GB 50666-20116、混凝土结构工程施工质量验收规范GB 50204-20027、埋地塑料排水管道工程技术规范CJJ 143-20108、城市桥梁工程施工与质量验收规范CJJ 2-20089、建筑与市政降水工程技术规范JGJ/T 111-9810、给水排水管道工程施工及验收规范GB 50268-200811、城镇道路路面设计规范CJJ 169-201212、城市道路照明工程施工及验收规范CJJ 89-201213、给水排水构筑物工程施工及验收规范GB 50141-20081市政行业现行规范(全部)〖CJJ1-2008〗城镇道路工程施工与质量验收规范〖CJJ2-2008〗城市桥梁工程施工与质量验收规范〖CJJ6-2009〗城镇排水管道维护安全技术规程〖CJJ7-2007〗城市工程地球物理探测规范〖CJJ8-99〗城市测量规范〖CJJ11-93〗城市桥梁设计准则〖CJJ12-99〗家用燃气燃烧器具安装及验收规程〖CJJ13-87〗供水水文地质钻探与凿井操作规程〖CJJ14-2005〗城市公共厕所设计标准〖CJJ15-87〗城市公共交通站、场、厂设计规范〖CJJ17-2004〗生活垃圾卫生填埋技术规范〖CJJ18-88〗市政工程施工、养护及污水处理工人技术等级标准〖CJJ27-2005〗城镇环境卫生设施设置标准〖CJJ28-2004〗城镇供热管网工程施工及验收规范〖CJJ/T29-98〗建筑排水硬聚氯乙烯管道工程技术规程〖CJJ30-2009〗城市粪便处理厂运行维护及其安全技术规程〖CJJ32-89〗含藻水给水处理设计规范〖CJJ33-2005〗城镇燃气输配工程施工及验收规范〖CJJ34-2002〗城市热力网设计规范〖CJJ36-2006〗城镇道路养护技术规范〖CJJ37-90〗城市道路设计规范〖CJJ39-91〗古建筑修建工程质量检验评定标准(北方地区) 〖CJJ40-91〗高浊度水给水设计规范〖CJJ43-91〗热拌再生沥青混合料路面施工及验收规程〖CJJ45-2006〗城市道路照明设计标准〖CJJ47-2006〗生活垃圾转运站技术规范〖CJJ48-92〗公园设计规范〖CJJ49-92〗地铁杂散电流腐蚀防护技术规程〖CJJ50-92〗城市防洪工程设计规范〖CJJ51-2006〗城镇燃气设施运行、维护和抢修安全技术规程〖CJJ/T52-93〗城市生活垃圾好氧静态堆肥处理技术规程〖CJJ/T53-93〗民用房屋修缮工程施工规程〖CJJ/T54-93〗污水稳定塘设计规范〖CJJ55-93〗供热术语标准〖CJJ56-94〗市政工程勘察规范〖CJJ57-94〗城市规划工程地质勘察规范〖CJJ58-2009〗城镇供水厂运行、维护及安全技术规程〖CJJ60-94〗城市污水处理厂运行、维护及其安全技术规程〖CJJ61-2003〗城市地下管线探测技术规程〖CJJ62-95〗房屋渗漏修缮技术规程〖CJJ63-2008〗聚乙烯燃气管道工程技术规程〖CJJ64-2009〗城市粪便处理厂设计规范2〖CJJ/T65-2004〗市容环境卫生术语标准〖CJJ66-95〗路面稀浆封层施工规程〖CJJ67-95〗风景园林图例图示标准〖CJJ68-2007〗城镇排水管渠与泵站维护技术规程〖CJJ69-95〗城市人行天桥与人行地道技术规范〖CJJ70-96〗古建筑修建工程质量检验评定标准(南方地区)〖CJJ71-2000〗机动车清洗站工程技术规程〖CJJ72-97〗无轨电车供电线网工程施工及验收规范〖CJJ/T73-2010〗卫星定位城市测量技术规范〖CJJ74-99〗城镇地道桥顶进施工及验收规程〖CJJ75-97〗城市道路绿化规划与设计规范〖CJJ/T76-98〗城市地下水动态观测规程〖CJJ/T78-97〗供热工程制图标准〖CJJ/T81-98〗城镇直埋供热管道工程技术规程〖CJJ/T82-99〗城市绿化工程施工及验收规范〖CJJ83-99〗城市用地竖向规划规范〖CJJ/T85-2002〗城市绿地分类标准〖CJJ/T86-2000〗城市生活垃圾堆肥处理厂运行、维护及其安全技术规程〖CJJ/T87-2000〗乡镇集贸市场规划设计标准〖CJJ/T88-2000〗城镇供热系统安全运行技术规程〖CJJ89-2001〗城市道路照明工程施工及验收规程〖CJJ90-2009〗生活垃圾焚烧处理工程技术规范〖CJJ/T91-2002〗园林基本术语标准〖CJJ92-2002〗城市供水管网漏损控制及评定标准〖CJJ93-2003〗城市生活垃圾卫生填埋场运行维护技术规程〖CJJ94-2009〗城镇燃气室内工程施工与质量验收规范〖CJJ95-2003〗城镇燃气埋地钢质管道腐蚀控制技术规程〖CJJ96-2003〗地铁限界标准〖CJJ/T97-2003〗城市规划制图标准〖CJJ/T98-2003〗建筑给水聚苯乙烯类管道工程技术规程〖CJJ99-2003〗城市桥梁养护技术规范〖CJJ100-2004〗城市基础地理信息系统技术规范〖CJJ101-2004〗埋地聚乙烯给水管道工程技术规程〖CJJ/T102-2004〗城市生活垃圾分类及其评价标准〖CJJ103-2004〗城市地理空间框架数据标准〖CJJ104-2005〗城镇供热直埋蒸汽管道技术规程〖CJJ105-2005〗城镇供热管网结构设计规范〖CJJ/T107-2005〗生活垃圾填埋场无害化评价标准〖CJJ/T108-2006〗城市道路除雪作业技术规程〖CJJ109-2006〗生活垃圾转运站运行维护技术规程〖CJJ110-2006〗管道直饮水系统技术规程〖CJJ/T111-2006〗预应力混凝土桥梁预制节段逐跨拼装施工技术规程〖CJJ112-2007〗生活垃圾卫生填埋场封场技术规程〖CJJ113-2007〗生活垃圾卫生填埋场防渗系统工程技术规范3〖CJJ/T114-2007〗城市公共交通分类标准〖CJJ/T115-2007〗房地产市场信息系统技术规范〖CJJ/T116-2008〗建设领域应用软件测评通用规范〖CJJ/T117-2007〗建设电子文件与电子档案管理规范交通行业规范(部分)〖JTG/T B07-1-2006〗公路工程混凝土防腐蚀技术规范〖JTG D81-2006〗公路交通安全设施设计规范〖JTG/T D81-2006〗公路交通安全设施实施细则〖JTG H12-2003〗公路隧道养护技术规范〖JTG H30-2004〗公路养护安全作业规程〖JTG H11-2004〗公路桥涵养护规范〖JTG D40-2002〗公路水泥混凝土路面设计规范〖JTG D60-2004〗公路桥涵设计通用规范〖JTG D62-2004〗公路钢筋混凝土及预应力混凝土桥涵设计规范〖JTG B01-2003〗公路工程技术标准〖JTG F30-2003〗公路水泥混凝土路面施工技术规范〖JTG F40-2004〗公路沥青路面施工技术规范〖JTG/TD71-2004〗公路隧道交通工程设计规范〖JTG/T B05-2004〗公路项目安全性评价指南〖JTG/TF83-01-2004〗高速公路护栏安全性能评价标准〖JT/T529-2004〗预应力混凝土桥梁用塑料波纹管〖JT/T4-2004〗公路桥梁板式橡胶支座〖JT/T327-2004〗公路桥梁伸缩装置〖JT/T502-2004〗公路桥梁波形伸缩装置〖JT/T531-538.589-2004〗路桥用材料标准九项〖JT/T613-615-2004〗路面车辙动测定仪等三项标准〖JT/T483-2002〗交通科技报告编写规则〖JTJ041-2000〗公路桥涵施工技术规范〖JTJ034-2000〗公路路面基层施工技术规范〖JTJ073.2-2001〗公路沥青路面养护技术规范〖JTJ036-98〗公路改性沥青路面施工技术规范〖JTJ014-97〗公路沥青路面设计规范〖JTJ057-94〗公路工程无机结合料稳定材料试验规程〖JTJ005-96〗公路建设项目环境影响评价规范〖JTJ018-97〗公路排水设计规范〖JTJ064-98〗公路工程地质勘察规范〖JTJ073-96〗公路养护技术规范〖JTJ061-99〗公路勘测规范国家标准(部分)〖GB50162-92〗道路工程制图标准4〖GB 5768-99〗道路交通标志和标线〖GBJ 97-87〗水泥混凝土路面施工及验收规范〖GB 50092-96〗沥青路面施工及验收规范〖GB 14887-2003〗道路交通信号灯〖GB50013-2006〗室外给水设计规范〖GB50014-2006〗室外排水设计规范〖GB50092-96〗沥青路面施工及验收规范〖GBJ97-87〗水泥混凝土路面施工及验收规范〖GB/T50107-2010〗混凝土强度检验评定标准〖GB50164-92〗混凝土质量控制标准〖GB50204-2002〗混凝土结构工程施工质量验收规范〖GB50220-95〗城市道路交通规划设计规范〖GB50268-2008〗给水排水管道工程施工及验收规范〖GB/T50280-98〗城市规划基本术语标准〖GB50282-98〗城市给水工程规划规范〖GB50318-2000〗城市排水工程规划规范〖GB50420-2007〗城市绿地设计规范〖GB50442-2008〗城市公共设施规划规范〖GB/T50476-2008〗混凝土结构耐久性设计规范〖GB50490-2009〗城市轨道交通技术规范。