ZLP630高处作业吊篮抗倾覆计算
- 格式:doc
- 大小:131.50 KB
- 文档页数:1
ZLP630型吊篮计算书下图为吊篮单个支架的受力情况,由于悬吊平台由两个支架及相应悬吊点共同承受,故图中G1为额定载荷、平台自重及钢丝绳和电缆线重量总和的一半,G2为单个支架后座所放配重块的重量:Fl为楼板对前座的支撑力t F2为楼板对后座的支撑力;L1为悬吊点与前支座的水平间距.L2为前后支座的水平间距。
己知ZLP630型吊篮额定载荷为630kg,悬吊平台按400kg 计算t四根钢丝绳按每根60m(0.26kg/m)即总重62.4kg计算。
即 Gl=(额定载荷十平台自重十钢丝绳)÷2= gX* (630kg+400kg+62.4k9)÷2=5.46kN1、钢丝绳破断拉力计算我司吊篮采用的江阴法尔胜金属线缆制品有限公司生产的中8.3航空用钢丝绳其破断拉力为53. 40kN。
标准规定电动吊篮钢丝绳的安全系数不小于9。
即N=S*a/W≥9N--安全系数 s--单根承重钢丝绳的额定破断拉力,为53. 40KNa一承重钢丝绳根数1 W一指荷载即 G1=5. 46kN N=53. 40×1÷5. 46=9.87>9故钢丝绳安全系数满足标准规定要求。
2、抗倾覆安全系数计算根据《高处作业吊篮GB 19155-2003》第5.2.7条,抗倾覆系数(即抗倾覆力矩与倾覆力矩的比值)不得小于2,因此支架受力需满足不等式(G2*g*L2)÷(G1*g*L1)≥2即G2≥2 *G1*L1÷L2(1)当前梁伸出1.3m时,即L1=1.3m L2=4.8m2*G1*L1÷L2=2.96kN 即G2不得少于2.96kN相应的后支座放18块配重(450kg)即4.5kN,显然满足安全要求。
(2)当前梁伸出1.5m时,即L1=1 .5m L2=4.6m2*G1*L1÷L2=3.56kN 即G2不得少于3.56kN相应的后支座放18块配重( 450kg)即4.5kN,也满足安全要求。
ZLP--630电动吊篮安装、拆卸施工方案目录1 简介2 电动吊篮的选型3 电动吊篮主要技术参数4 电动吊篮在建筑结构平面图上的布置5 设计说明6 机构简介7 双方配合的项目8 吊篮施工过程9 安全技术措施10 季节性施工措施11 对工程的成品保护工作12 抗倾覆安全系数验算13 电动吊篮技术交底兼安全操作规图1. 项目简介2. 电动吊篮的选型为本工程选用ZLP—630的电动吊篮,根据现场施工的实际需要,限制使用载荷为630kg。
篮筐外型尺寸:3090mmX720mmX1300mm(长x 宽x高),单元长度有1米、1.5米、2米、3米四种尺寸,然后按需要进行拼装,最大长度为6米,最小长度为1米。
3. 电动吊篮主要技术参数:型号: ZLP—630型电源:380v±5% 50Hz三相五线控制使用载荷(kg): 630电动机功率(kw):2×1.8额定提升速度(m/min): 9.4钢丝绳Ф8.3--8.6 型号6×19+IWS航空用,破断拉力4500N安全锁:防倾斜式安全锁允许冲击力:≤8.83KN4. 电动吊篮在建筑结构平面图上的布置:4.1吊篮具体分布以施工现场的工程需要为准。
此设计为最大限度的满足外墙的装修需要,在安装过程中,根据实际需要可以进行适当增减。
5.设计说明:5.1考虑到本工程从10层安装,吊篮悬臂机构需要布置在楼顶面。
如果部分有特殊造型,造成安装条件复杂,需要在安装时根据实际情况在提前预留孔洞,(用于吊篮支架安装)。
具体位置和高度参考吊篮布置图。
或者吊篮的前支架受地方条件限制放不下,可将前臂支于门窗洞口上,(洞口的混凝土标号必须大于等于C25,宽度必须大于等于2 00mm),下方垫方木,横向加以固定。
6. 结构简介:6.1 悬臂机构是由80×80×4方钢管1根,70×70×4方钢管2根,前、后支架上主柱加强钢丝绳及配重块组成,用M16螺栓连接组装好后,支放在屋内。
COnSTRUCTiOn SAFETY2020年第5期机械旋工安全吊篮抗倾覆稳定性精确计算李承伟,马建村,李晓晨(山东省建筑科学研究院有限公司,山东济南250031)【摘要】《高处作业吊篮》(GB/T19155-2017)要求悬挂支架在极限工作工况时,稳定力矩应不小于3倍的倾覆力矩。
在此前生产的高处作业吊篮按当时的规范要求其比值为2。
文章结合实例进行验算,证明原设计制作的吊篮满足新规范的要求。
【关键词】高处作业吊篮稳定力矩倾覆力矩新、旧规范验算【中图分类号】TU211+.6【文献标志码】A在《高处作业吊篮》(GB19155-2003)中规定“在正常工作状态下,吊篮悬挂机构的抗倾覆力矩与倾覆力矩的比值不得小于2。
”。
而依据《高处作业吊篮》(GBfT19155-2017),配重悬挂支架(以下简称悬挂支架)稳定性计算的规定:“在配重悬挂支架外伸距离最大,起升机构极限工作载荷工况时,稳定力矩应大于或等于3倍的倾覆力矩。
”。
GBfT 19155-2017标准自2018-08-01实施,那么在此之前生产的吊篮的抗倾覆稳定性能达到2017年标准的要求吗?文章按照某企业ZLP630吊篮的说明书及零部件重量精确计算并加以验证。
1.产品重量及载重整机安装基本情况:吊篮型号ZLP630、平台长度6m、配重1000kg、安装高度100m、前梁伸出长度1-5m、前后支架间距4.6m、允许载重量(钢平台)630kg。
单个悬挂支架结构件重量:前梁伸出部分重量S ql=14.2kg前后支架间横梁重量S“仔45.3kg后支架(配重支架)重量S%=45kg单个悬挂支架承受的吊篮重量:载重量『■= 315kg。
(吊篮额定载重量为630kg)o平台重量(含提升机、电气箱及安全锁[氏产185kg0(当吊篮平台总重量为370kg时)钢丝绳重量(100m工作绳及安全绳)卩尸50kg。
安全绳吊挂重锤重量/=10kg。
2.悬挂支架受力计算悬挂支架受力示意图见图lo配重及配置支架的稳定力矩:M”|=(W”+SQM”支架间横梁的稳定力矩:M”h=S”tx U t总稳定力矩:|+M”u起升机构实际工作载荷:W^W^W^+W.+W.实际工作载荷的倾覆力矩:M qI=IF q xL q前伸出横梁的倾覆力矩:Mq^SqTX厶丁[作者简介]李承伟(1966-),男,本科,从事建筑机械研究。
电动吊篮施工方案2018年 11 月 03 日目录一、编制依据 (3)二、工程概况 (3)三、准备工作 (3)四、外墙施工用电动吊篮的型号及说明 (3)五、电动吊篮布置方案 (4)六、电动吊篮的安装、移位和拆除方案 (5)1.吊篮运抵施工现场 (5)2.悬挂机构的安装、调试 (5)3.悬吊平台的安装、调试 (6)4.提升机、安全锁、电器箱的安装 (7)5.穿绳检查 (8)6.重锤的安装 (8)7.安全绳和绳卡的安装 (8)8.通电、检查 (9)9.验收、交接 (10)10.移位 (10)11.拆除 (10)七、安全操作规程及注意事项 (11)1.设备检查 (11)2.电动吊篮安全移动及拆卸 (12)3.操作规程 (12)4.吊篮安全使用规程 (15)5.操作人员注意事项 (16)6.常见故障及排除方法 (16)八、季节性施工措施 (18)九、验算、验收 (18)十、培训 (21)十一、维护、保养 (21)附表一附表二一、编制依据:1、图纸;2、建筑工程施工安全操作规程;3、中华人民共和国高处作业吊篮标准GB19155-2003;4、机械设计手册。
二、工程概况:三、准备工作:1.吊篮进场根据工程场地大小,使用数量及时间等情况,合理安排调度,分批进场。
2.在吊篮所使用位置的建筑物内,预备380V电源。
3.为了降低工人往楼内搬运吊篮配件的强度,提高吊篮的安装速度,安排塔吊或者升降机设备予以配合。
4.在使用吊篮位置的楼层面上,应具备基本平整条件。
已做防水保护层的,应准备木板若干,以加强成品的保护。
5.在使用吊篮位置的楼层面上,若有其它杂物,应及时清理干净,以便于吊篮的安装或移动。
6.吊篮安装公司派技术人员负责现场指导安装。
7.搬运:水平搬运包括平台、绳坠铁、电器系统等;垂直搬运包括屋面悬挂装置、钢丝绳、配重块等。
在搬运过程中,需注意机械零部件的保护工作,防止零部件遗失。
四、外墙施工用电动吊篮的型号及说明:我公司准备在该项目的外墙装修工程中采用ZLP630型电动吊篮。
吊篮的计算ZLP630系列高处作业吊已经广泛使用十余年,是一种很成熟的产品,其性能稳定、操作简便。
钢丝绳安全系数的计算1.计算依据GB 19155-2003 5.4.62.已知条件:吊篮的额定载荷630kg,平台自重360kg ( 5.5米平台整个篮体重约为360公斤:其中底板92.15kg 、高低篮片108.75kg 、侧栏32 kg 、安全锁108、提升机97 kg 、电箱16.4 kg 、螺丝7.9 kg 、行程开关3.6 kg )钢丝绳最小破断拉力5400kg 钢丝绳重量0.26×150×4=156kg (钢丝绳四根,按最长150米计算)3.计算公式吊篮最大迎风面积:F=L*H*ψ=6*1.1*0.6=3.96 m 2ψ——结构充实率(取值为0.6)风载荷:Q wk =w k *F=500*3.96=1980 N=198kgw k ——风载荷标准值(KN/mm 2),根据《JGJ202-2010》规定,工作状态下取值为500pa钢丝绳受竖向力:Q 1=630+360+156=1146 kg钢丝绳受水平力:Q 2= Q wk =198kg工作时,钢丝绳受拉力:Q D =2221Q Q +=221981146+≈1163 kg 安全系数:K = 5400*2/1163 ≈9.29 > 9国家标准中规定钢丝绳的安全系数不小于9,其中已经考虑了偏载荷的因素。
由此可见该型吊篮所用钢丝绳满足国家标准的要求。
吊篮悬挂机构抗倾覆计算吊杆外伸数值在1.1m~1.7m时参见下图:作用力简图:1.1m 4.6m1.7m 4.2mG L1 F1 L2 F2吊点前支点(架设在混凝土上)Gz Gp 单个后支架重Gz = 50 kg单个支架配重Gp =5000 kg单个端部吊重G=(630+360+156)/ 2 = 573kgF2 = Gz + Gp =500kg1. 当吊篮前臂升出1.1m时:倾翻力矩M1 = 1.1 G = 1.1×573 = 630.3kgm防倾翻力矩M2 = 4.6 F2 = 4.6×550 = 2530kgm安全系数N = M2 / M1 = 2530/630.3≈4.01 > 2国家标准规定防倾翻安全系数不小于2,所以该型吊篮满足国家标准要求。
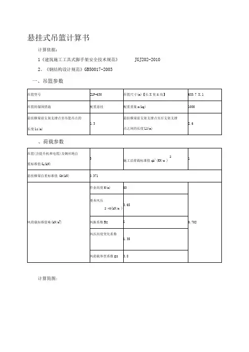
悬挂式吊篮计算书计算依据:1《建筑施工工具式脚手架安全技术规范》JGJ202-20102、《钢结构设计规范》GB50017-2003一、吊篮参数、荷载参数计算简图:三、荷载计算吊篮受风面积:F=6X1.1=6.6 m2吊篮的风荷载标准值:Q wk=g汗=0.702 66=4.633 kN/m2吊篮底部最大面积:A=6X0.7=4.2 m2施工活荷载标准值:Q k= q k'A=1X4.2=4.2 kN吊篮动力钢丝绳竖向荷载标准值:Q i=(G K+Q k)/2=(3+4.2)/2=3.6 kN吊篮动力钢丝绳水平荷载标准值:Q2=Q wk/2=4.633/2=2.317 kN动力钢丝绳所受拉力的施工核算值:Q D=(Q I2+Q22)0.5=(3.62+2.3172)0.5=4.281 kN支撑悬挂机构前支架的结构所承受的集中荷载:N D二Q D(1+L1/L2)+G D=4.281&+ 1.3/2.6)+0.371=6.793kN四、钢丝绳校核[Fg]= a>tiX F g/K=0.85 XX51.8/6=7.338kN[F g]=7.338kN >Q D=6.793 kN满足要求!五、配重验算支承悬挂机构后支架的结构所承受的集中荷载:T=2X(Q D X L/L2)=2 >(4.281 *3/2.6)=4.281 kN允许最小配重重量:m o=T>100=4.281 100=428.1 kg实际配重:m=1000 kg>m°=428.1 kg满足要求!六、悬挂横梁强度验算1) 悬挂横梁抗弯强度验算M max=Q D>L i=4.281 X.3=5.565kN m(T =M hax/ W=5.565 >6/(29 >03)=191.897 N/mm22 2c = 91.897 N/mm2v f=215 N/mm2满足要求!2) 悬挂横梁抗剪验算V max=Q D+g k>L i=4.281+0.095 13=4.405 kNT ax二V max S/(lt w)=4.405 1000 XI7.34 1000/(117 10000 >0.8 X0)= 8.16N/mm2T ax= 8.16 N/mm2<T125 N/mm2满足要求!。
目录一、工程概况 (2)二、电动吊篮的选型 (2)三、吊篮布置方法 (3)四、施工准备 (4)五、安装程序 (4)六、交接、吊篮验收 (7)七、吊篮移篮、拆卸 (7)八、安全措施 (8)九、环保措施 (9)十、吊篮悬挂系统稳定性验算 (9)十一、电动吊篮技术交底兼安全操作规程 (10)十二、雨季施工 (14)一、工程概况xxx一区旧房改造项目5#、6#、10#楼、S2商业楼及车库工程位于X X市建设路以东、和平路以西,总建筑面积33417.09 m2;本工程地下二层、地上9/13/18层,地下车库为地下一层。
结构形式为:筏板基础、框架剪力墙结构、剪力墙结构;使用目的:住宅楼和民用地下车库。
其中的5#、6#、10#楼为小高层住宅楼,外立面装修为粘贴挤塑板保温层,面层为涂料面层。
整个外立面施工拟选用电动吊篮。
电动吊篮性能先进,安全升降,拆装方便,高效是外墙装饰工程的理想设备。
二、电动吊篮的选型2.1 电动吊篮的选型为本工程选用ZLP—630的电动吊篮,根据现场施工的实际需要,限制使用载荷为630kg。
篮筐外型尺寸:3090mmX720mmX1300mm(长x宽x高),单元长度有1米、1.5米、2米、3米四种尺寸,然后按需要进行拼装,最大长度为6米,最小长度为1米。
电动吊篮主要技术参数:型号: ZLP-630型电源:380v±5% 50Hz三相五线控制使用载荷(kg): 630(包括作业人员在内的施工活荷载)电动机功率(kw):2×1.8额定提升速度(m/min): 9.4钢丝绳A8.3--8.6 型号6×19+IWS航空用,破断拉力45000N安全锁:防倾斜式安全锁允许冲击力:≤8.83KN2.1吊篮结构原理简介吊篮整机主要由六部分组成,①悬挂机构、②悬吊平台、③提升装置、④安全装置、⑤电气系统。
1)挂机构:架设于建筑物屋面上,由两套独立的钢结构架及钢丝绳组成。
钢结构架由钢结构件通过螺栓或销子连接而成。
鉴定文件之三ZLP630高处作业吊篮设计计算书设计:审核:批准:无锡市沃森德机械科技有限公司2012.3.目录一、主要技术性能参数----------------------------------------------------- 2二、整机结构形式----------------------------------------------------------- 3三、提升机的计算----------------------------------------------------------- 4四、安全锁的计算-----------------------------------------------------------24五、悬吊平台的计算--------------------------------------------------------31六、悬挂机构的计算--------------------------------------------------------33七、钢丝绳安全系数校核--------------------------------------------------36一主要性能参数表一二整机结构形式ZLP630大型高处作业吊篮主要由悬挂机构、工作平台、提升机、安全锁、钢丝绳等组成,其结构如图所示。
图2-1 整机结构简图1——悬挂机构2——安全钢丝绳3——工作钢丝绳4——上限位块5——安全锁6——提升机7——工作平台8——电气控制箱9——配重三提升机的计算3.1 提升机结构由以下工程剖视图知提升机的内部结构及主要零部件间的装配层次和能量传动关系,在本计算书中所要校核、验算的零部件的具体参数、机构尺寸没有详细标出,可查阅LTD63提升机的生产图纸。
图3-1 提升机结构图一图3-2提升机结构图二图3-3 提升机结构图三3.2提升机传动原理提升机由电磁制动三相异步电动机、离心式限速装置、蜗轮蜗杆、齿轮轴和内齿2级传动、钢丝绳输送机构、弹簧杠杆滚轮压绳机构组成。
ZLP630高处作业吊篮抗倾覆计算在高处作业中,吊篮的抗倾覆计算十分重要。
高处作业吊篮的抗倾覆计算通常包括吊篮的基本参数、倾覆条件、倾覆力矩以及倾覆稳定性等方面的考虑。
本文将详细说明ZLP630高处作业吊篮的抗倾覆计算。
首先,我们需要明确ZLP630高处作业吊篮的基本参数,包括高度H、宽度W、长度L、自重G、载荷Q等内容。
吊篮的自重和载荷是计算抗倾覆的基础数据,需要准确测量和确定。
倾覆条件是指吊篮在高处作业中容易发生倾覆的工况情况。
倾覆条件通常包括吊篮处于极限工作状态时,吊篮处于开边的工况下以及遇到外力冲击时等。
针对这些倾覆条件,我们需要对吊篮的倾覆力矩进行计算。
倾覆力矩是指使吊篮发生倾覆的力矩大小。
它的计算需要考虑到吊篮的自重、载荷、作用点距离转轴的距离等因素。
对于ZLP630高处作业吊篮来说,倾覆力矩的计算公式可以表示为:M=(G+Q)×L/2其中,M表示倾覆力矩,G表示吊篮的自重,Q表示吊篮的载荷,L表示吊篮的长度。
最后,我们需要考虑吊篮的倾覆稳定性。
倾覆稳定性是指吊篮在面临倾覆力矩时保持平衡的能力。
在计算中,我们需要比较倾覆力矩与吊篮倾覆稳定力矩的大小关系。
如果倾覆力矩大于倾覆稳定力矩,则吊篮将发生倾覆。
为了确保吊篮的倾覆稳定性,我们需要选择合适的倾覆稳定力矩。
倾覆稳定力矩的计算通常采用安全系数的方法。
根据国家标准和相关规范,我们可以查询各种工况下不同安全系数的倾覆稳定力矩数值,然后将倾覆力矩与倾覆稳定力矩进行比较,以确定吊篮的倾覆稳定性。
综上所述,ZLP630高处作业吊篮的抗倾覆计算涉及吊篮的基本参数、倾覆条件、倾覆力矩以及倾覆稳定性等方面的考虑。
通过综合计算和比较,我们能够确保吊篮在高处作业中的稳定性和安全性。
在实际应用中,我们还应该根据工作环境和具体要求进行有针对性的计算和调整,以满足不同的工程需求。
目录一、工程概况 (2)二、电动吊篮的选型 (2)三、吊篮布置方法 (3)四、施工准备 (4)五、安装程序 (4)六、交接、吊篮验收 (7)七、吊篮移篮、拆卸 (7)八、安全措施 (8)九、环保措施 (9)十、吊篮悬挂系统稳定性验算 (9)十一、电动吊篮技术交底兼安全操作规程 (10)十二、雨季施工 (14)一、工程概况山西晋城红星美凯龙家居生活广场位于泽州北路以东,北侧为规划晓庄路,南侧为规划城市道路;该用地范围东西宽约138m,南北长约197m,用地面积27337㎡.本工程总建筑面积83617。
95㎡,地下室结构南北长108.25m,东西长146.5m。
1#楼建筑总高度33。
1m,为地下一层,地上六层的框架结构。
地上部分为家居建材商场,1层~5层层高5。
2m,6层层高5。
25m;地下一层为家居建材商场和人防区域,层高5。
2m;2#楼建筑总高度为62.6m,为地下一层,地上16层框架剪力墙结构。
1—3层为商场,4-16层为办公楼。
本工程设计标高±0。
00米相当于黄海高程761。
900米;室内外高差0.200米;建筑抗震设防烈度为6度,本建筑基础采用独立基础加地梁防水筏板形式。
二、编制依据2.1建筑幕墙工程图纸;2。
2建筑工程施工安全操作规程;2。
3安全施工专项方案2。
4施工组织设计2。
5《高处作业吊篮》GB 19155—20032。
6《施工现场临时用电安全技术规范》JGJ46—20052。
7《建筑施工高处作业安全技术规范》JGJ80-912.8《建筑结构荷载规范》GB50009-20012。
9 《危险性较大的分部分项工程安全管理办法》建质【2009】87号文件2.10《施工企业安全生产评价标准》 JGJ/T 77-2003三、电动吊篮的选型3。
1 电动吊篮的选型为本工程选用ZLP-630的电动吊篮,根据现场施工的实际需要,限制使用载荷为630kg。
篮筐外型尺寸:3090mmX720mmX1300mm(长x宽x高),单元长度有1米、1。
附件一:2.4m 吊篮抗倾覆计算及前梁刚度计算1、屋顶吊架的受力说明:该吊架的力学模型为超静定系统,所以我公司在申报科技成果并在成果鉴定会上,用实验的手段将该系统进行了系统检测。
2、ZLP630按照最长的吊篮,悬挑平台自重G1=400kg ,限制荷载G3=400kg (其中最大载物250kg );钢丝绳重量G2=2*30*1kg=60kg (钢丝绳单位长度重量1kg/m )。
前悬臂梁选用方钢80×80×5mm ,配重1200kg 。
我公司的吊篮系统采用的是航空用钢丝绳,结构为4×31SW+FC ,直径8.3mm ,破断拉力不小于56.95KN 。
3、荷载计算3.1吊篮的风荷载标准值2s k m /44.50530062.104.11N o z z =⨯⨯⨯=⨯⨯⨯=ωμμβωk ω:荷载标准值。
z β:风振系数,一般情况取1。
s μ:风荷载体型系数,查《建筑施工工具式脚手架安全技术规范》JGJ202-2010中表4.1.2-4,取1.3φ。
表中挡风系数φ应按0.8计算。
即s μ=1.04。
z μ:风压高度变化系数,按《建筑结构荷载规范》GB50009-2012中表8.2.1中规定取值,此处按建筑高度40米,地面粗糙度B 级(房屋比较稀疏的乡镇)。
即z μ=1.62。
o ω:基本风压值,按《建筑结构荷载规范》GB50009-2012附表D.4中n=10年的规定取值,即2m /300N o =ω (北京市)。
2m 856.22602.04.0204.01.1304.06=+⨯⨯+⨯⨯+⨯⨯=F(以施工高度在40m 长6m 吊篮为例;0.856㎡为受风面积、2㎡为施工中其他受风面积)NN F Q WK 1443m 856.2m /44.50522k =⨯=⨯=ω WK Q :吊篮的风荷载标准值;k ω:风荷载标准值;F :吊篮受风面积。
3.2吊篮竖向荷载标准值计算:N Q G Q 42148.92/)40060400(8.92/)(k k 1=⨯++=⨯+=1Q :吊篮工作钢丝绳竖向荷载标准值;k G :吊篮平台及钢丝绳自重标准值;k Q :吊篮额定荷载。
ZLP630型吊篮估计书籍之阳早格格创做下图为吊篮单个收架的受力情况,由于悬吊仄台由二个收架及相映悬吊面共共启受,故图中G1为额定载荷、仄台自沉及钢丝绳战电缆线沉量总战的一半,G2为单个收架后座所搁配沉块的沉量:Fl为楼板对于前座的收撑力t F2为楼板对于后座的收撑力;L1为悬吊面取前收座的火仄间距.L2为前后收座的火仄间距.己知ZLP630型吊篮额定载荷为630kg,悬吊仄台按400kg估计t四根钢丝绳按每根60m(0.26kg/m)即总沉62.4kg估计.即Gl=(额定载荷十仄台自沉十钢丝绳)÷2= gX* (630kg+400kg+62.4k9)÷21、钢丝绳破断推力估计其破断推力为53. 40kN.尺度确定电动吊篮钢丝绳的仄安系数没有小于9.即N=S*a/W≥9N仄安系数 s单根启沉钢丝绳的额定破断推力,为53. 40KNa一启沉钢丝绳根数1 W一指荷载即G1=5. 46kNN=53. 40×1÷5. 46=9.87>9故钢丝绳仄安系数谦脚尺度确定央供.2、抗颠覆仄安系数估计根据《下处做业吊篮GB 19155》第5.2.7条,抗颠覆系数(即抗颠覆力矩取颠覆力矩的比值)没有得小于2,果此收架受力需谦脚没有等式(G2*g*L2)÷(G1*g*L1)≥2即G2≥2 *G1*L1÷L2相映的后收座搁18块配沉(450kg)即4.5kN,隐然谦脚仄安央供.相映的后收座搁18块配沉( 450kg)即4.5kN,也谦脚仄安央供.相映的后收座搁18块配沉( 450kg)即4.5kN,也谦脚仄安央供.3、收面对于楼板压力估计由仄稳闭系可得收面反力应谦脚G1+G2=F1+F2G1*L1+ F2*L2=G2* L2即 F1=G1*(1+L1/L2 )F2=G2 –G1* L1/L24、附加篮体联结螺栓强度及宁静性估计主篮体少依照5m估计,辅篮少度1m,自沉63kg,载人一员80kg,动工物料40kg,动工工具20 kg,共计203 kg,联交螺栓为4 8级M12螺栓,经估计得出数据如下:(1)螺栓强度估计:螺栓受剪曲径 d0= 12 mm受挤压下度£= 10 mm受剪里个数 m=1螺栓伸服强度σ s= 320 MPa螺栓许用压应力[σ]= 256.00 MPa螺栓许用切应力 [t]=128.00 MPa螺栓估计压应力σ p= 16.92 MPa螺栓估计切应力 t= 18.01 MPa校核估计截止:挤压强度:σ≤[σ]谦脚抗剪强度:t≤[t]谦脚(2)宁静性估计5m主篮自沉387 kg,当爆收颠覆倾背时,主篮沉心正在距吊面2.5m处,假设辅篮沉心正在其最大举臂处,安排力矩估计如下:论断:主篮处力矩近近大于辅篮处力矩,所以脚够宁静.(3)辅篮对于应收架抗颠覆系数及收面对于楼板的压力估计辅篮对于应收架G1= g*(630804020+45063+ 100)kg÷2 +g*(63+80+40+20) kg=7kN相映的后收座搁20块配沉( 500kg)即5kN,隐然谦脚没有了仄安央供.果此辅篮对于应收架后收座需搁22块配沉( 550kg)即5.5kN.。
下图为吊篮单个支架的受力情况,由于悬吊平台由两个支架及相应悬吊点共同承受,故图中G1为额定载荷、平台自重及钢丝绳和电缆线重量总和的一半,G2为单个支架后座所放配重块的重量:Fl为楼板对前座的支撑力t F2为楼板对后座的支撑力;L1为悬吊点与前支座的水平间距.L2为前后支座的水平间距。
己知ZLP630型吊篮额定载荷为630kg,悬吊平台按400kg 计算t四根钢丝绳按每根60m(0.26kg/m)即总重62.4kg计算。
即 Gl=(额定载荷十平台自重十钢丝绳)÷2= gX* (630kg+400kg+÷2=1、钢丝绳破断拉力计算我司吊篮采用的江阴法尔胜金属线缆制品有限公司生产的中航空用钢丝绳其破断拉力为53. 40kN。
标准规定电动吊篮钢丝绳的安全系数不小于9。
即N=S*a/W≥9N--安全系数 s--单根承重钢丝绳的额定破断拉力,为53. 40KNa一承重钢丝绳根数1 W一指荷载即 G1=5. 46kN N=53. 40×1÷5. 46=>9故钢丝绳安全系数满足标准规定要求。
2、抗倾覆安全系数计算根据《高处作业吊篮GB 19155-2003》第5.2.7条,抗倾覆系数(即抗倾覆力矩与倾覆力矩的比值)不得小于2,因此支架受力需满足不等式(G2*g*L2)÷(G1*g*L1)≥2即G2≥2 *G1*L1÷L2(1)当前梁伸出1.3m时,即L1=1.3m L2=4.8m2*G1*L1÷L2= 即G2不得少于相应的后支座放18块配重(450kg)即,显然满足安全要求。
(2)当前梁伸出1.5m时,即L1=1 .5m L2=4.6m2*G1*L1÷L2= 即G2不得少于相应的后支座放18块配重( 450kg)即,也满足安全要求。
(3)当前梁伸出1 .7m时,即L1=1.7m L2=4.4m2*G1*L1÷L2= 即G2不得少于相应的后支座放18块配重( 450kg)即,也满足安全要求。
Z L P630型吊篮计算书?下图为吊篮单个支架的受力情况,由于悬吊平台由两个支架及相应悬吊点共同承受,故图中G1为额定载荷、平台自重及钢丝绳和电缆线重量总和的一半,G2为单个支架后座所放配重块的重量:Fl为楼板对前座的支撑力t?F2为楼板对后座的支撑力;L1为悬吊点与前支座的水平间距.L2为前后支座的水平间距。
己知ZLP630型吊篮额定载荷为550kg,悬吊平台按400kg计算t四根钢丝绳按每根60m(0.26kg/m)即总重62.4kg计算。
即?Gl=(额定载荷十平台自重十钢丝绳)÷2?=?g*?(550kg+400kg+62.4kg)÷2=5.06kN?1、钢丝绳破断拉力计算?我司吊篮采用的江阴法尔胜金属线缆制品有限公司生产的中8.3航空用钢丝绳?其破断拉力为53.?40kN。
标准规定电动吊篮钢丝绳的安全系数不小于9。
?即N=S*a/W≥9??N--安全系数??s--单根承重钢丝绳的额定破断拉力,为53.?40KN???a一承重钢丝绳根数1???????W一指荷载即G1=5.?06kN???N=53.?40×1÷5.?06=10.55>9?故钢丝绳安全系数满足标准规定要求。
?2、抗倾覆安全系数计算根据《高处作业吊篮GB?19155-2003》第5.2.7条,抗倾覆系数(即抗倾覆力矩与倾覆力矩的比值)不得小于2,因此支架受力需满足不等式(G2*g*L2)÷(G1*g*L1)≥2?即G2≥2?*G1*L1÷L2?(1)当前梁伸出 1.3m时,即L1=1.3m,L2=4.6m?,2*G1*L1÷L2=2.86kN????即G2不得少于2.86kN?相应的后支座放18块配重(450kg)即4.5kN,显然满足安全要求。
?(2)当前梁伸出 1.5m时,即L1=1?.5m?,L2=4.4m,2*G1*L1÷L2=3.45kN????即G2不得少于3.45kN?相应的后支座放18块配重(?450kg)即4.5kN,也满足安全要求。
、工程概况二、高处作业吊篮简介三、吊篮布置方法四、施工准备五、安装程序六、吊篮验收七、吊篮拆卸八、安全措施九、环保措施十、吊篮悬挂系统稳定性验算附图一吊篮平面布置图红色村三组城中村改造工程 西安市凤城七路永徽路 陕西秦皇房地产开发有限公司 江苏翔远建设集团有限公司 二、高处作业吊篮简介1、吊篮型号ZLP630主要技术性能参数如下:、工程概况 工程名称: 建设地点:建设单位:ZLP630高处作业吊篮施工方案翩2吨莎卩亚T 邢台亚泰重工机械有限公司 2、吊篮结构原理简介如下:吊篮整机主要由悬挂机构、悬吊平台、提升装置、安全装置、电气系统等 组成。
① 悬挂机构:架设于建筑物屋面上,由两套独立的钢结构架及钢丝绳组成。
钢结构架由钢结构件通过螺栓或销子连接而成。
每套悬挂钢结构架的前梁分别悬垂两根钢丝绳,一根为提升机用工作钢丝绳,一根为安全锁用钢丝绳。
钢丝 绳系吊篮专用镀锌钢丝绳,强度高,耐锈蚀性能好。
型号为4X 31SW+NF ^8.3 , 破断拉力不小于53kN 。
钢丝绳使用过程中,按《起重机械用钢丝绳检验和报废 实用规范》GB5972勺有关规定,对钢丝绳的磨损、锈蚀、短丝、异常变形等进 行检验,达到报废标准即更新钢丝绳。
下述计算钢丝绳的安全系数(按极限状态下单根钢丝绳独立承载考虑):作用在钢丝绳上的拉力 F=665+630=1295kg安全系数=53000N -( 1295kg X 9.8N ) =4.18,达到安全要求。
② 悬吊平台:由片式组焊件通过螺栓连接成框型钢结构装置,用以承载作 业人员及施工器材。
③ 提升装置:每个悬吊平台两端各装有一台提升机。
提升机采用电磁制动 电机和离心限速装置及手动滑降装置。
电磁制动装置在电路故障或断电时,产生制动力矩使平台制动悬吊。
离心限速装置能保证平台下滑速度不大于 1.5倍 额定提升速度。
手动滑降装置在电气故障或停电以及紧急情况下操纵吊篮平台 下降,具体方法是:用置于提升机手柄内的拨杆插入电磁制动器(电机风罩内) 拨叉的孔内,向上抬起拨杆,打开制动器,可使工作平台匀速下滑。
ZLP630高处作业吊篮抗倾覆计算高处作业吊篮抗倾覆计算是为了保证高空工作中吊篮的稳定性和安全性,避免倾覆事故的发生。
在进行抗倾覆计算时,首先要考虑吊篮的结构和材料强度,以及工作条件、载荷、倾斜角度等因素。
下面将从这几个方面进行详细介绍和计算。
1.吊篮结构和材料强度:吊篮的结构和材料强度是抗倾覆计算的基础。
吊篮的结构要符合相关国家标准和规定,包括材料选用、横梁、立柱、护栏等构件的尺寸和强度要求。
吊篮的材料要具备足够的强度和刚度,以承受工作中的动载荷和外力作用。
2.工作条件:工作条件包括风力、地面坡度、悬挂点位置等因素。
风力是影响吊篮倾覆的主要因素之一,需要根据风力等级来确定吊篮的抗风能力。
地面坡度和悬挂点位置也会对吊篮的倾倒稳定性产生影响。
3.载荷:载荷是指吊篮所承受的工作荷载,一般包括工人的重量和工作物料等。
在进行抗倾覆计算时,要考虑吊篮的设计载荷和实际工作载荷,以确保吊篮能够稳定运行。
4.倾斜角度:倾斜角度是指吊篮与竖直方向的夹角,也是判断吊篮抗倾覆能力的重要参数。
倾斜角度越大,吊篮抗倾覆能力越差。
在进行抗倾覆计算时,要确定吊篮的安全倾斜角度范围,以保证吊篮在正常工作条件下能够保持稳定。
抗倾覆计算的具体步骤如下:1.确定吊篮结构和材料强度。
根据吊篮的结构和材料强度,计算吊篮的自重和重心位置。
2.计算工作条件下的风荷载。
根据吊篮所处位置的风力等级和风力设计参数,计算吊篮所受的风荷载。
根据风荷载和吊篮的几何形状,确定吊篮的稳定系数和倾斜角度范围。
3.确定吊篮的工作载荷。
根据实际工作需求和相关规定,确定吊篮的设计载荷和工作荷载。
4.进行抗倾覆计算。
根据吊篮的结构、材料强度、工作条件、载荷和倾斜角度等参数,结合相关的理论计算和公式,计算吊篮的抗倾覆能力和稳定性。
5.评估和验证计算结果。
对计算结果进行评估和验证,确保吊篮的抗倾覆能力满足安全要求。
如果计算结果不满足要求,需要进行结构优化设计,增加吊篮的抗倾覆能力。