联锁试验程序
- 格式:docx
- 大小:112.14 KB
- 文档页数:7
民爆器材有限公司Q/JLSW---AQ---2014安全连锁装置有效性验证管理制度版序: A/1受控状态:编号:2014--10--01 发布2014--11--01实施河南民爆器材有限公司发布前言为了加强生产线安全联锁、报警装置的管理工作,进一步明确职责,规范程序,依照行业相关规定,要求生产线定期对安全联锁装置进行校验,以验证安全联锁装置的有效性,同时对失效的安全联锁装置进行修复。
为牢固树立“安全第一”的思想,保障生产装置安全、稳定运行,结合公司实际情况,特制订《安全连锁装置有效性验证管理制度》,望公司有关单位认真遵照执行。
本制度的解释权归河南民爆器材有限公司安全处。
编制:审核:批准:二0一四年十月安全联锁装置有效性验证管理制度1 目的为了加强生产线安全联锁、报警装置的管理工作,进一步明确职责,规范程序,依照行业相关规定,结合公司实际,要求生产线定期对安全联锁装置进行校验,以验证安全联锁装置的有效性,同时对失效的安全联锁装置进行修复。
2 管理职责2.1 生产线各生产工序的安全联锁、报警装置有效性的校验工作均由生产分厂负责实施验证,并落实安全联锁装置的日常维护管理。
公司安全处督促、参与安全联锁、报警装置有效性的验证工作。
2.2生产线安全联锁、报警装置投入运行前必须由安全处和相关部门组织人员进行测试验证,并做好详细记录。
2.3安全联锁装置在运行过程中,控制室人员和现场岗位人员之间要加强联系,若出现报警或连锁停机现象,应迅速采取果断措施停止生产,向有关领导进行报告,组织人员查明发生报警的原因并进行处置,做好记录。
经试运行确认一切正常后,方可继续组织生产。
2.4 安全联锁装置任何单位和人员不得擅自改变设定参数,不得随意拆弃和解除,不得随意切断声、光报警信号。
2.5 安全联锁、报警装置程序的变更、联锁解除及相关设定参数的更改等,必须由使用安全连锁装置的分厂提出书面申请,由技术提供方认可和总工批准后执行。
摘要:联锁是指通过技术方法,使信号、道岔和进路必须按照一定程序并满足一定条件,才能动作或建立起来的相互关系。
大量信号新技术装备的开通运用,使得联锁管理的内涵和外延均发生了极大变化。
信号设备是铁路行车指挥自动化控制系统的一个重要组成部分,能够实现铁路车站道岔转辙机、信号机、轨道电路等行车设备之间的联锁动作,正确地、高效率的指挥列车运行,同时保障列车通过车站时的安全。
通过对联锁设备的逐层、逐项的试验,可以杜绝联锁失效问题的发生,进而杜绝行车事故的发生。
计算机联锁中联锁电路属于行车安全电路,联锁关系试验就显得尤为重要。
关键词:铁道信号;自动化控制;行车安全;联锁;信号联锁试验;一、联锁软件仿真试验1.试验准备试验人员熟悉图纸,掌握试验的重点;全面审核联锁图表,确保联锁图表无误,与设计单位和生产厂家及时沟通存在的疑点或问题。
2.仿真试验(1)生产厂家提供软件编制技术说明及特殊电路技术说明。
(2)核对站场图形:包括站场名称核对,文字信息核对。
(3)联锁关系试验。
按照《信号联锁关系试验检查表》中的试验内容逐项进行试验。
试验项目应按以下各项要求进行逐项试验,核对其正确性。
道岔位置不对信号不能开放:将所办所有道岔逐组置于不符要求的位置并单锁,试排该条进路,其信号应不能开放。
道岔无表示信号关闭:办理进路并开放信号后,将与进路有关的所有道岔表示逐组断开,每次应能关闭信号。
区段占用不能开放信号:一是先模拟区段占用后办理进路,此时进路应不能锁闭。
二是短路进路内的任意轨道区段,信号机应立即关闭带动道岔:设置带动道岔的目的是为了提高运输效率,在进路中带动道岔用{ }标注。
防护道岔:设置防护道岔的目的是为了确保进路安全,在进路表中防护道岔用中括号[ ]标注。
信号开放后锁闭道岔:办理某条信号开放后,逐组单独操纵与该进路有关的道岔,这些道岔均应处于锁闭状态。
敌对信号:试验时,先办理某条进路后,再办理所有与其有关的地对进路,敌对信号均应不能开放。
如何做好船用主配电板和应急配电板的通电试验操作主配电板和应急配电板的通电主配电板和应急配电板的通电,标志着电力系统的安装工程已经全部或大部分结束,符合通电的技术要求,可以进行通电。
通电操作分两个阶段进行:试验通电和正式供电。
试验通电:在船舶系泊试验阶段,为了确保各个系统能同时进行试验,采用分隔主汇流排、解除联锁等方法接入岸电电源,进行发电机系统和电力系统的各种电气设备的通电试验。
正式供电:在主发电机及主配电板、应急发电机和应急配电板的全部功能试验结束,并经船东和验船师验收合格后,拆除试验通电时改接用的全部作业,恢复主配电板和应急配电板至正常使用功能状态。
一、通电前的准备:1、参加船舶主配电板和应急配电板通电的施工人员应熟悉有关主配电板和应急配电板操作部分的原理图、系统接线图及其安装工艺要求。
2、配电板安装质量检查:(1)配电板的安装应垂直、平整,底座安装质量完好。
(2)配电板屏间拼接的间隙应均匀紧密,顶部防渗漏的U型槽条(制造厂提供)应扣入。
(3)配电板前后可开启的面板和盖板应平整,开启和关闭灵活,锁扣和紧固螺栓齐全和灵活。
(4)拼接屏间的主汇流排和控制电线的连接正确可靠。
3、配电板的接线质量检查(1)由多根并接的发电机电缆,其芯线接线应正确,色标或标记正确齐全,冷压端子的规格和压接工艺正确,接入汇流排工艺措施应到位。
(2)所有动力系统的和照明变压器的供电电缆,其紧固和接线应符合工艺要求。
(3)确认主配电板与应急配电板之间电力电缆和控制电缆连接正确。
(4)配电板及电缆的接地工艺应完善正确。
(5)检查、校核各发电机组电缆按相序颜色接线的一致性。
4 、做好配电板清洁工作(1)彻底清洁配电板内部的施工余料、尘埃(特别是打磨产生的金属粉尘)、油污和手迹。
(2)对控制电器内部应用吸尘器抽吸干净,首次及末次清洁可采用SS25清洗剂。
(3)保持配电板面板和外壳的清洁,避免使用有可能污损面漆和电器元器件的覆盖物或粘贴标记。
报警联锁系统与可编程序控制系统试验记录1.实验目的本次试验旨在对报警联锁系统和可编程序控制系统进行测试,验证其在应急情况下的稳定性和可靠性。
2.实验设备本次试验所使用的设备包括报警联锁系统、可编程序控制系统、传感器、执行器等。
3.实验流程3.1确认设备状态首先,我们检查了报警联锁系统和可编程序控制系统的设备状态,确保各个组件的正常运行。
3.2模拟应急情况接下来,我们模拟了一种可能出现的应急情况,例如火灾或泄露等。
在模拟过程中,我们激活了相应的传感器,并检测系统对此做出的响应。
3.3报警联锁系统响应测试我们通过激活传感器,触发报警联锁系统,模拟应急情况下的报警。
记录系统的响应时间、报警信号的清晰度和准确度。
3.4可编程序控制系统响应测试在报警联锁系统响应测试完成后,我们进行了可编程序控制系统的响应测试。
系统将根据传感器的信号,执行相应的控制策略,以应对应急情况。
我们测试了系统的执行效果和稳定性。
4.实验参数4.1报警联锁系统响应时间我们记录并分析了报警联锁系统在接收到传感器信号后的响应时间。
以火灾报警为例,我们模拟了火灾现场,触发火灾传感器,记录系统的响应时间。
4.2报警联锁系统报警信号的清晰度和准确度我们评估了报警联锁系统在响应应急情况时产生的报警信号的清晰度和准确度。
我们测试了不同环境下的报警信号传输和接收质量,并记录了相关数据。
4.3可编程序控制系统执行效果和稳定性针对可编程序控制系统,我们测试了其在应急情况下的执行效果和稳定性。
我们模拟了不同的应急情况,并记录了系统的控制策略和执行结果。
5.实验结果通过以上的实验测试,我们得出了以下结论:5.1报警联锁系统的响应时间较短,通常在几秒钟内完成。
系统产生的报警信号清晰度高,能够准确地指示出应急情况。
5.2报警联锁系统的报警信号传输和接收质量较好。
无论是在开放空间还是封闭环境下,系统都能准确地传输报警信号。
5.3可编程序控制系统根据传感器信号执行的控制策略准确可靠。
燃气紧急切断阀联锁试验记录全文共四篇示例,供读者参考第一篇示例:燃气紧急切断阀是一种用于紧急情况下切断供气管道的重要设备,其正常运行对于保障人们的生命财产安全至关重要。
为了确保燃气紧急切断阀的正常运行,需要进行定期的联锁试验,以检验其工作性能和可靠性。
下面将介绍一份燃气紧急切断阀联锁试验记录。
一、试验目的本次燃气紧急切断阀联锁试验的目的是验证阀门在发生燃气泄漏紧急切断时,能够及时准确地切断燃气供应,确保人们的生命和财产安全。
二、试验背景燃气紧急切断阀是一种安全设备,当燃气系统出现泄漏时,其内部设定好的联锁机构将自动触发阀门关闭,切断燃气供应,以避免事故的发生。
为了确保其正常运行,需要定期对其进行联锁试验。
三、试验时间和地点试验时间:2021年9月15日试验地点:XX燃气公司燃气调压站四、试验设备和工具1. 燃气紧急切断阀2. 燃气泄漏装置3. 手动切断工具4. 计时器5. 测试表单五、试验过程1. 准备工作:检查燃气紧急切断阀和相应设备是否正常运行;准备好燃气泄漏装置以模拟实际泄漏情况。
2. 测试步骤:a. 手动触发泄漏装置,模拟燃气系统泄漏。
b. 观察燃气紧急切断阀是否能够及时响应,自动切断燃气供应。
c. 使用手动切断工具手动关闭紧急切断阀,观察是否能够正常关闭。
d. 测试结果记录,并评估系统性能。
六、试验结果本次燃气紧急切断阀联锁试验结果良好,阀门能够在泄漏情况下及时准确地切断燃气供应,保证了燃气系统的安全性。
手动关闭下,阀门也能顺利关闭,没有出现异常情况。
在试验过程中也发现了一些小问题,及时进行了修复和调整,确保了设备的正常运行。
七、结论通过本次燃气紧急切断阀联锁试验,验证了设备的可靠性和安全性,保障了燃气系统的正常运行。
我们将继续定期进行联锁试验,并对设备进行维护保养,确保其长期稳定运行。
八、改进措施在下次试验中,我们将加强对设备故障的排查和分析,进一步提高设备的可靠性和稳定性。
加强人员的培训和管理,提高应急处置能力,确保在发生紧急情况时能够迅速有效地切断燃气供应,保障人们的生命和财产安全。
联锁装置的试验程序应符合下列控制要求:
二次风机
冷渣机
引风机 一次风机 给煤机
流化风机 燃油速断阀
联锁维护记录
锅炉车间2012.7.23
联锁装置的试验程序应符合下列控制要求:
二次风机
冷渣机
引风机 一次风机 给煤机
流化风机 燃油速断阀
联锁维护记录
锅炉车间2012.11.11
联锁装置的试验程序应符合下列控制要求:
二次风机
冷渣机
引风机 一次风机 给煤机
流化风机 燃油速断阀
联锁维护记录
锅炉车间2013.5.20
联锁装置的试验程序应符合下列控制要求:
二次风机
冷渣机
引风机 一次风机 给煤机
流化风机 燃油速断阀
联锁维护记录
锅炉车间2013.10.15
联锁装置的试验程序应符合下列控制要求:
二次风机
冷渣机
引风机 一次风机 给煤机
流化风机 燃油速断阀
联锁维护记录
锅炉车间2014.6.18
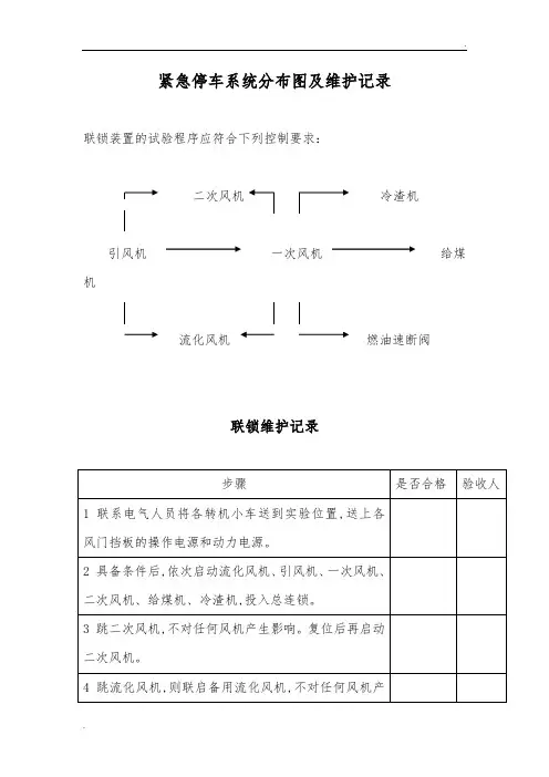
紧急停车系统分布图及维护记录
联锁装置的试验程序应符合下列控制要求:
二次风机
冷渣机
引风机 一次风机 给煤机
流化风机 燃油速断阀
联锁维护记录
锅炉车间2014.12.8。
信号施工模拟电路的制作和联锁试验方法I、ZPW—2000A一、基本要求(1)ZPW-2000A无绝缘移频自动闭塞室内设备安装和配线完成后,应对设备进行模拟试验,模拟试验应该按先室内后室外,先局部后系统的程序进行.(2)模拟试验应该最大限度的准确无误,完整地模拟电路的状态,模拟试验电路的连线应少而有规律,以便于制作和拆除.模拟条件宜在分线端子盘处,或在QZH(区间综合架)连接.(3)应做好详细试验记录.二、ZPW—2000A自闭试验及调试流程图自闭试验及调试流程图三、电源屏调试(配合厂家)(1)依据电源屏的使用说明书及原理图对电源屏进行调试。
(2)调试前对室内其他工作人员做出安全提示.在电源屏、配电盘、机架电源端子处等做出安全标识。
严禁使用既有的自动和贯通三相或单相电源。
(3)检查电源屏、防雷配电盘的安全地线连接良好。
(4)电源屏的输出开关置于“断开”位置,防止电源误送入机柜。
(5)如果只有一路电源,可临时用6mm2铜芯塑料线将两路输入端子并联。
测量电源符合要求后,进行电源屏的调试。
(6)测试区间轨道电源、站内轨道电码化电源、信号机点灯电源、站间联系电源、继电器电源是否符合标准。
(7)电源屏指示灯表示正确;表头无卡阻、碰针;开关接触或断开动作良好,接触压力合适。
(8)依据原理图对电源屏进行报警试验。
(9)试验结束要切断电源屏的输入电源。
四、机柜空载送电(1)按电源种类分别给机柜送电,逐柜插上保险管(或合上断路器),核对机柜电源的电压和极性是否符合要求。
(2)测试不同电源之间是否有混电及接地现象。
五、模拟盘制作模拟盘示意图如下:模拟盘示意图(1)根据区间轨道区段的数量,选用尺寸合适的五层胶合板制做模拟盘,最好用区间移频轨的包装板,大、小、长、宽各方面正好。
按信号机布置图,钻12Φ孔安装钮子开关。
按上图所示配线。
进站信号机的5个钮子开关分别控制1DJF、LXJF、LUXJF、TXJF、ZXJF继电器;出发信号机的钮子开关控制LXJF继电器.两端的4个扭子开关分别模拟站间条件,控制(离去方向)分界点信号机显示。
化工生产装置联锁、报警试验规范一、原则:1、现场具备报警联锁试验条件。
2、进行报警、联锁试验时必须严格实行操作票制度,经相关部门、岗位同意签字后方可实施。
3、报警值、联锁参数、联锁方案、延时等参数的设定,必须要经相关部门审定签字后才可进行设置,并要留有记录备查。
4、进行联锁、报警试验时必须有相关工艺、设备人员参与并做相应处理,以保证系统、设备和人员安全。
二、试验步骤:报警静态试验:1、按工艺设备要求、设计方案进行报警值等参数设定。
2、经相关部门同意后,用现场校验仪等仪器送模拟信号使之超过报警值(高报、高高报)、低于报警值(低报、低低报),系统应发出相应提示信息(声光),提醒操作人员有异常情况出现。
3、报警发生后,现场校验仪等仪器送模拟信号使之恢复到正常范围,根据系统要求或设定恢复到相应状态。
报警动态试验:一般在系统进行联动试车时同步进行。
工艺按正常开车程序进行开车,使工艺介质料位、温度等发生动态变化,测量仪表根据对介质的测量结果(现场实测信号)进行处理,与系统设置的报警值进行比较,从而发出相应报警信息提醒操作人员采取相应措施。
联锁静态试验:4、按工艺设备要求、设计方案进行联锁组态、参数设置等参数设定。
5、经相关部门同意后,用现场校验仪等仪器送信号使之满足(或不满足)联锁要求条件,系统根据组态应发出相应指令信息,相关电机、电磁阀等执行器瞬时或延时一定时间后应发生相应一系列动作。
6、联锁触发后,用现场校验仪等仪器送信号使之恢复到正常范围,经过相应处理后(如系统复位)系统应可恢复到要求状态。
联锁动态试验:7、一般在系统进行联动试车时同步进行。
工艺按正常开车程序进行开车,使工艺介质料位、温度等发生动态变化,测量仪表根据对介质的测量结果(现场实测信号)进行处理,与系统设置的联锁值进行比较,当联锁要求条件满足(或不满足),系统根据组态应发出相应指令信息。
相关电机、电磁阀等执行器瞬时或延时一定时间后应发生相应一系列动作。
报警联锁系统与可编程序控制系统试验记录实验1:报警联锁系统日期:2024年5月1日实验目的:1.测试报警联锁系统的功能和性能;2.验证报警联锁系统对于异常情况的响应能力。
实验过程和结果:1.首先,我们设置了一套报警联锁系统,包括多个传感器和控制器。
传感器包括温度传感器、湿度传感器和烟雾传感器,控制器包括报警器和自动关闭阀门。
2.在实验开始前,我们通过测试每个传感器的工作状态,确保它们正常运行。
3.接下来,我们设置了不同的实验场景,模拟了温度过高、湿度过低和烟雾浓度超标的情况。
4.在温度过高的情况下,报警联锁系统迅速响应,并触发报警器发出声音警报。
同时,自动关闭阀门也启动,阻止进一步的热量传递。
5.在湿度过低的情况下,系统同样迅速响应,并触发报警器发出声音警报。
自动关闭阀门关闭,避免进一步损失湿度。
6.在烟雾浓度超标的情况下,报警联锁系统立即响应,并触发报警器发出声音警报。
自动关闭阀门同样关闭,以减少火势扩散的可能性。
7.实验结果表明,报警联锁系统能够快速响应异常情况,并采取适当的措施来保护人员和财产的安全。
实验2:可编程序控制系统日期:2024年5月2日实验目的:1.测试可编程序控制系统的功能和性能;2.验证可编程序控制系统对于复杂控制任务的可行性。
实验过程和结果:1.我们设计了一个包括传感器、执行器和PLC控制器的可编程序控制系统。
2.首先,我们测试了每个传感器和执行器的工作状态,确保它们正常运行。
3.接下来,我们编写了一段简单的程序来控制执行器的运行。
该程序包括了一些基本的逻辑和条件判断。
4.在实验开始时,我们触发了程序的运行,并观察了执行器的运动情况。
实验结果表明,可编程序控制系统能够准确地按照程序的要求控制执行器运行。
5.然后,我们设计了一个更复杂的控制任务,包括多个传感器和执行器之间的交互。
该控制任务要求系统在不同的条件下自动进行切换和调整。
6.通过修改程序,我们成功地实现了这个复杂的控制任务,并对系统的性能进行了测试。
联锁试验程序文稿归稿存档编号:[KKUY-KKIO69-OTM243-OLUI129-G00I-FDQS58-附件2信号联锁试验程序一、计算机联锁仿真试验(一)试验准备试验人员熟悉图纸,掌握试验的重点;全面审核联锁图表,确保联锁图表无误,与设计单位和生产厂家及时沟通存在的疑点或问题,掌握设计意图;掌握站场变化情况,重点了解道岔的开通位置及直曲股、超限绝缘,信号机设置查看有无漏做、多做、做错现象;制定联锁试验表及细化试验表。
(二)仿真试验1.生产厂家提供软件编制技术说明及特殊电路技术说明。
2.核对站场图形:站场名称核对。
信号机的名称、设置位置、高柱、矮型、朝向核对、禁止灯光核对,尤其是专用线调车是否按设计灯位编制。
道岔的开通位置、道岔号码核对。
轨道电路名称、超限绝缘位置、尽头绝缘显示。
文字信息核对:专用线、尽头线、机待线、联络线名称;上下行方面、方向电路名称、报警信息显示、文字提示。
站场图形设置是否合理。
按钮名称、车次号、钮封、单锁、单封标志正确。
3.输入输出对位。
输入对位主要是按照设计提供的端口表,核对端口正确,显示正确;输出对位主要是按照设计提供的端口表,核对端口正确,驱动时间符合设计要求,驱动设备动作、显示正确。
4.联锁关系试验。
按照《信号联锁关系试验检查表》中的试验内容逐项进行试验。
5.特殊电路试验。
上电锁闭、倒机锁闭,区故解锁延时试验,锁闭区段与非锁闭区段红光带解锁延时试验,车次号试验,计数器试验,引导总锁闭时锁闭道岔试验(重点试道岔不能扳动,中岔两咽喉分别锁闭),防护道岔不在定位报警试验,区故解或总人解延时时间试验,驱采不一致试验(根据生产厂家提供模拟场景,每种类型电路抽查试验),轨道停电试验,同步、运行试验,非正常办理进路试验(抽查试验),软硬件升级时应进行软硬件兼容试验(无法验证时,应在换装开通联锁试验前进行验证)。
自动(机械)化驼峰要进行模拟命令储存、传递等特殊电路试验。
6.仿真试验过程中应即时填写联锁试验记录。
信号工程联锁试验检查说明编制刘洪文复核李拥民审批曾义平中铁电气化局集团第二工程有限公司一段二OO六年三月十六日序近年来,随着国家铁路建设步伐的加快,铁路信号工程项目日益繁多,铁路信号工程施工技术人员的需求也在快速增长。
为了满足单位的信号工程施工需求,很多年轻的技术人员走上了工程施工技术管理岗位,这对提高施工技术人员的整体素质起到了很大的作用。
信号工程施工技术管理工作,重中之重就是确保联锁试验关,只有按照严格的联锁试验程序和检查项目进行各项信号工程的试验检查,才能确保竣工交付的信号设备正常地、正确地为铁路列车运营保驾护航。
作为一名合格的信号工程技术管理人员,必须认真学习“五本规章”(《技规》、《施规》、《验收标准》、《设计规范》、《维规》)和“一个联锁(《电气集中联锁电路》)”,但是很多技术人员由于施工现场忙及各种原因,能够熟悉“五本规章”和“一个联锁”的人员很少,很多技术人员都是处于一种自我摸索的阶段,甚至有些处于所谓的“野技术路子”状态。
根据本人多年来的施工技术管理经验,结合各项规章及联锁试验要求,参照一些联锁试验检查试验资料,汇编此《联锁试验检查说明》,希望能对各位现场施工技术管理人员起到一定的帮助作用,其中也不乏与现场现行信号设备制式不符之处,请大家予以指正,共同提高。
编者2006年3月16日联锁试验检查说明一车站信号联锁试验1.信号联锁电路检查1.1.进路号码按进路表的号码填写。
如有新增进路,应按续编序号填写。
1.2.进路变更指在办理变通进路时,中间按压的变通或调车信号按纽名称,进路表中未列入的变通进路按基本进路的号码加序,如XX-1、XX-2等填写。
1.3.道岔位置不对信号不能开放:将所有进路上的道岔逐组置于不符要求的位置并单锁,该条进路的信号应不能开放。
1.4.道岔无表示信号关闭:办理进路并开放信号后,将与进路有关的所有道岔表示逐组断开(可拔室内表示熔丝),每次信号应能关闭。
1.5.区段占用不能开放信号:包含两层含义,即先试验占用区段后办理进路,此时进路应不能锁闭;再试验办理进路、开放信号后占用区段,此时信号应自动关闭。
热控联锁保护投切和自动装置试验管理制度第一章总则第一条本标准规定了湖南华电常德发电有限公司热控关键设备保护及自动装置投退管理的定义、专用术语定义、执行程序、检查与考核、反馈.第二条本标准适用于湖南华电常德发电有限公司热控保护系统投退管理,安监部、发电部、设备部、生技部的所有生产技术、运行、检修维护人员应熟知本标准.第二章规范性引用文件第三条下列文件中的条款通过本标准的引用而成为本标准的条款。
凡是注日期的引用文件,其随后所有的修改单(不包括勘误的内容)或修订版均不适用于本标准,鼓励各方研究是否可使用这些文件的最新版本.凡是不注日期的引用文件,其最新版本适用于本标准.(一)GB/T 1.1-2000 标准化工作导则第1部分:标准的结构和编写规则(二)GB/T 15498-1995企业标准体系技术、管理标准体系的构成和要求(三)DL/T774—2004 火力发电厂热工自动化系统检修运行维护规程第三章专用术语定义第四条关键设备指一旦出现故障,将会对设备本身及人身安全、健康、环保、经济效益、电网等产生重大影响的设备,如出现人身伤亡、设备损坏、污染环境、机组停运或降出力等。
第五条关键设备保护及自动装置指为关键设备配置的保护、联锁、信号、自动装置,在关键设备发生异常时及时告警或切除关键设备,使之退出正常运行状态。
第四章执行程序第六条联锁、保护和报警系统投入(一)联锁、保护和报警系统投入前,须经联锁、保护和报警系统专业主管提出保护投入申请,并与运行人员共同确认联锁、保护和报警系统设备、控制回路及信号状态良好,并由双方在申请单上签字后方可投入。
(二)发电机组正常运行时,主辅设备的保护应100%投入,任何人不得擅自退出机组保护或改动保护定值。
(三)发电机组正常运行时,特殊情况下需要变更联锁、保护和报警系统定值或修改保护系统,由提出变更保护定值或修改保护系统的专业主管或部门负责人提出申请并填写联锁、保护和报警系统变更申请单,经总工程师或生产副经理审批完成后,方可进行系统的修改变更。
河南神火发电有限公
司1×600MW超临界机组
试验单
锅炉联锁保护试验单
MFT试验验证单
OFT试验验证单
炉膛吹扫保护试验验证单
燃油系统联锁保护试验验证单
油燃烧器联锁保护试验验证单
微油点火系统联锁保护试验验证单
火检冷却风机联锁保护试验验证单
密封风机联锁保护试验验证单
制粉系统联锁保护试验验证单
空预器联锁保护试验验证单
引风机联锁保护试验验证单
送风机联锁保护试验验证单
一次风机联锁保护试验验证单
锅炉汽水系统联锁保护试验验证单
除渣系统联锁保护试验验证单。
热工保护定值和保护传动联锁试验管理制度为了加强和规范热工保护定值和保护联锁试验工作管理,根据《火力发电厂热工自动化系统检修运行维护规程》(DL/T 774- 2004)、《发电厂热工仪表及控制系统技术监督导则》(DL/T 1056-2007)、集团公司《火力发电机组A级检修管理导则》(Q/CDT 106 0001-2008)、国电公司《防止电力生产重大事故二十五项重点要求》,结合我电厂的实际情况,制定自备电厂热工保护定值核查和保护传动联锁试验管理制度。
一、管理职责分工1.1 生产技术部职责1.1.1 生产技术部是公司热控保护联锁试验管理的职能部门。
1.1.2 掌握设备热控保护联锁设备运行情况,建立热控保护联锁试验、定值台帐1.1.3 根据机组联锁保护试验分级表及设备检修情况,制定机组大、小修后的联锁保护试验项目。
1.1.4 组织实施检修机组热控保护联锁试验项目,办理检修机组热控保护联锁试验单(设备试运行单),并对试验准确负责。
1.2 检修车间热控专业职责1.2.1 建立保护联锁试验、保护定值台帐,及时做好热控保护联锁试验记录。
1.2.2 参加机组大、小修后的保护联锁试验,确认试验结果。
1.2.3 负责执行保护联锁试信号强制及现场信号模拟发信工作,对执行准确负责,并及时做好记录。
1.2.4 根据设备检修或日常维护消缺情况,提出保护联锁试验需增加的项目。
1.2.5 负责编制和修订热控保护联锁试验管理标准。
1.3 发电车间职责1.3.1 建立保护联锁试验、保护定值台帐,做好热控保护联锁试验记录。
1.3.2 根据运行实际工况,提出保护联锁试验需要增加的项目。
1.3.3 按机组保护联锁试验项目,组织安排机组联锁试验项目运行各项操作。
1.3.4 提供机组热控保护联锁试验表,在试验中填写保护联锁试验结果,并经参加签字确认后将原搞由运行部保存,另复一份送生产技术部。
二、热工保护传动试验:2.1试验前应满足的条件:1)对于运行机组,机组运行稳定,负荷在60%以上,各报警系统无报警信号,保护联锁系统所涉及的单体设备运行正常。
2024年铁路车站联锁设备维护管理实施细则第一章总则第一条为规范车站联锁设备维护管理,确保车站联锁设备的正常运用,保障铁路行车安全,根据《车站联锁设备维护管理办法》、《车站联锁设备维护管理实施细则》及《铁路信号产品运用管理实施细则》规定,特制定本细则。
第二条本细则适用于电务段管理及受委托的铁路车站集中联锁设备(以下简称联锁设备)维护管理,包括继电联锁和计算机联锁。
第三条联锁是指通过技术方法,使信号、道岔和进路必须按照一定程序并满足一定条件,才能动作或建立起来的相互关系。
确保联锁关系正确是联锁设备设计、制造、施工、维护应遵循的基本原则。
信号设备机械强度和电气特性是保证联锁关系正确的基本条件。
第四条联锁设备维护管理是信号技术管理的重要内容,贯穿于信号大修、中修、维修及基建、更新改造工作的全过程之中。
各单位必须高度重视联锁管理工作,全体信号工作人员都必须严格执行联锁纪律,杜绝违章封连电气接点等破坏联锁关系的行为。
第五条信号联锁设备必须符合“故障-安全”原则,必须满足《铁路技术管理规程》、《铁路信号设计规范》、《铁路车站计算机联锁技术条件》等铁路有关标准的要求。
第六条联锁设备维护管理工作主要包括:日常联锁管理、工程验交联锁管理、联锁关系(电路)变更、故障处理以及科研项目试验的联锁管理等。
第七条联锁设备维护管理实行电务段、车间分级管理。
电务段设专职联锁主任,车间设专职联锁工程师,负责联锁管理工作,实行岗位负责制。
第八条电务段、车间应建立联锁档案,涉及联锁关系变化的档案应及时进行修订。
计算机联锁设备供应商(以下简称联锁供应商)也建立相应的联锁档案。
第九条凡由于基建、更改、大修工程(含过渡工程)引起的设备联锁电路改变时,必须由具有相应设计资质的设计单位进行设计,保证联锁关系正确。
第十条联锁供应商对联锁软件的安全性终身负责,保证软件联锁关系的正确性;提供完善的售后服务及应急响应。
段信号技术科、生产调度室、车间、工区建立联锁设备供应商应急联络电话及联系人台账。
联锁试验程序
公司标准化编码 [QQX96QT-XQQB89Q8-NQQJ6Q8-MQM9N]
附件2
信号联锁试验程序
一、计算机联锁仿真试验
(一)试验准备
试验人员熟悉图纸,掌握试验的重点;全面审核联锁图表,确保联锁图表无误,与设计单位和生产厂家及时沟通存在的疑点或问题,掌握设计意图;掌握站场变化情况,重点了解道岔的开通位置及直曲股、超限绝缘,信号机设置查看有无漏做、多做、做错现象;制定联锁试验表及细化试验表。
(二)仿真试验
1.生产厂家提供软件编制技术说明及特殊电路技术说明。
2.核对站场图形:站场名称核对。
信号机的名称、设置位置、高柱、矮型、朝向核对、禁止灯光核对,尤其是专用线调车是否按设计灯位编制。
道岔的开通位置、道岔号码核对。
轨道电路名称、超限绝缘位置、尽头绝缘显示。
文字信息核对:专用线、尽头线、机待线、联络线名称;上下行方面、方向电路名称、报警信息显示、文字提示。
站场图形设置是否合理。
按钮名称、车次号、钮封、单锁、单封标志正确。
3.输入输出对位。
输入对位主要是按照设计提供的端口表,核对端口正确,显示正确;输出对位主要是按照设计提供的端口表,核对端口正确,驱动时间符合设计要求,驱动设备动作、显示正确。
4.联锁关系试验。
按照《信号联锁关系试验检查表》中的试验内容逐项进行试验。
5.特殊电路试验。
上电锁闭、倒机锁闭,区故解锁延时试验,锁闭区段与非锁闭区段红光带解锁延时试验,车次号试验,计数器试验,引导总锁闭时锁
闭道岔试验(重点试道岔不能扳动,中岔两咽喉分别锁闭),防护道岔不在定位报警试验,区故解或总人解延时时间试验,驱采不一致试验(根据生产厂家提供模拟场景,每种类型电路抽查试验),轨道停电试验,同步、运行试验,非正常办理进路试验(抽查试验),软硬件升级时应进行软硬件兼容试验(无法验证时,应在换装开通联锁试验前进行验证)。
自动(机械)化驼峰要进行模拟命令储存、传递等特殊电路试验。
6.仿真试验过程中应即时填写联锁试验记录。
7.发现问题及时与软件生产厂家沟通,尽早解决软件存在问题。
对于存在问题填写软件试验问题汇总表,软件生产厂家进行书面答复。
8.存在问题克服试验完毕,填写《仿真试验报告表》,生产厂家、电务段双方签字确认。
二、模拟联锁试验
(一)模拟试验前的准备工作
1.接管单位检查、试验和核对联锁之前,工程施工单位应提前5天提供完整准确的图纸、联锁试验资料、验收用竣工资料和有关技术资料。
资料要齐全,图纸完整、清晰、图标规范,审批手续符合规定。
大站、多方向出口车站以及站场复杂、有特殊进路的车站应有信号显示关系图和站内、区间发码联系图。
2.信号平面图、双线轨道图、控制台盘面(控显器)图与实际站场核对。
逐一核对道岔、股道编号、允许接发车方向,轨道区段名称、绝缘安装位置,信号机名称、位置、型号。
特别是侵限绝缘、安全线保护道岔、坡道延续进路、专用线信号机等。
3.联锁进路表核对。
在信号平面图核对正确的基础上,根据信号平面图对联锁进路表全面核对。
(1)进路与站场相符。
(2)进路中检查的道岔、轨道、敌对信号、敌对进路等条件正确。
(3)计算机联锁车站联锁进路必须符合联锁表的规定,不得存在联锁表规定进路以外的任何进路(长调车进路除外)。
4.有码序及显示关系的进路上道岔的直侧向情况检查。
5.各类电源对系统影响范围试验。
(二)室内设备模拟联锁试验
1.模拟试验须按照《电气集中联锁试验技术条件》、《计算机联锁技术条件》和《铁路信号维护规则》中的要求执行。
2.设备对位。
设备型号、安装位置、配线及配线端子编号须与图纸相符。
3.模拟条件核对。
施工单位应提供模拟条件示意图,电务段应根据示意图、逐项核对,确认模拟条件合理、正确,模拟盘及接配线准确无误后方可进行模拟联锁试验。
4.单项设备核对
(1)道岔:控制台(控显器)按钮、控制台(控显器)表示灯、组合架继电器位置(定、反位状态)一致,与图纸相符。
(2)轨道电路:控制台(控显器)表示、组合架继电器位置及状态一致,与图纸相符。
按照轨道电路调整表,核对轨道电路设置配线正确。
(3)信号机:控制台(控显器)按钮、控制台(控显器)表示灯、组合架继电器位置及状态一致,与图纸相符。
(4)人解盘与实际相符。
(5)控制台(控显器)各种按钮、表示灯、报警器核对,位置、状态与图纸相符。
(6)移频、道口、闭塞设备核对。
(7)场间联系、站间联系设备核对。
(8)计算机联锁采驱一致性核对。
(9)电源特性检查。
(10)载频布置与路局公布的LKJ基础数据一致性核对。
核对结果记入单项设备核对表。
单项设备核对不正确时,不允许进行联锁试验。
5.模拟进路联锁试验
(1)根据《电气集中联锁试验技术条件》、《计算机联锁技术条件》和铁路总公司、路局联锁管理规定的要求,按照联锁表逐条进路进行试验并做好记录。
(2)站内电码化发码电路试验。
(3)室内模拟试验应检查至分线盘。
三、停点施工期间联锁试验确认
(一)在室内模拟联锁试验正确的基础上,方准进行开通前的室内外设备接入后的联锁关系试验。
(二)联锁试验前,必须将工程调试中的模拟试验条件撤除完毕。
(三)当室内、外设备施工完毕并具备联锁试验条件时,由联锁主任或联锁管理工程师组织按照联锁电路检查表的有关内容,进行室内外设备联锁电路的检查、试验与核对工作,并填写信号联锁检查表。
1.单项设备试验
(1)首先对轨道电路进行核对和调整。
按要求进行室外轨道区段与室内控制台(控显器)显示一致的逐一核对。
用轨道分路线分路相应轨道区段,测试轨道电路残压。
对于一送多受区段,对各受电端必须分别断开轨道变压器进行
核对,对于相邻区段同为送电端时,要进行断开轨道变压器进行核对,确保轨道电路对应正确。
(2)道岔位置核对和调整。
室外核对人员要分工明确,配齐负责核对范围内的“站场平面图”和提前调查的“道岔定、反位开通位置表”,按要求逐一对每组道岔进行室内外道岔开通位置一致性核对,并同时核对道岔编号、定反位道岔表示、室内继电器状态与控制台(控显器)显示一致;逐组道岔逐台转辙机断表示试验、安全接点防护试验、挤岔试验、室内组合侧面动作熔断器断丝试验,多机牵引道岔,逐一切断表示进行位置核对和报警试验;双动及多动道岔,要同时进行道岔位置核对,并断表示试验;复示交分道岔,要排列进路进行推试验小车核对。
(3)对具备开放条件的信号机,应逐架进行信号机名称、机型、灯位、方向、安装位置、信号显示核对,信号显示关系试验;灯丝断丝转换及报警试验、红灯转移、灭灯试验、室内熔断器断丝试验。
(4)其他单项设备试验。
2.排列进路试验(必要时重点抽查验证)。
进行列车、调车进路选排一致性及道岔带动、锁闭条件及道岔位置核对试验,进路锁闭后道岔扳动试验,敌对、交叉、重叠进路选排试验。
室内外要有专人负责进路确认工作。
3.区间闭塞结合电路试验。
在轨道上测试、核对发码频率及机车信号入口电流,测试的数据符合标准。
4.站内电码化发码测试。
排列进路(包括直进弯出进路)试验同时在发送盒、分线盘和轨道上测试核对发码频率,在轨道上测试机车信号入口电流,测试的数据符合标准。
5.站(场)间联系、道口信号、方向电路、专用线等特殊电路按设计进行试验,确保联锁关系正确。
6.同时排列联锁表中所有通过进路进行开放信号试验。
7.实车溜放功能验证试验。
由于驼峰控制系统溜放方面的功能在模拟试验中无法验证,因此,在换装施工完毕后还必须进行实车溜放功能验证试验。
四、其他检查试验及测试项目
(一)电源特性测试。
电源的带载试验、稳压测试、主副电源切换、主副屏倒换、接地和混电测试。
(二)室外设备建筑限界检查测量(提前安装到位的设备在停点施工前进行)。
(三)轨道电路侵限绝缘、极性交叉检查(极性交叉检查也可在开通后进行,但须在开通后10天内完成)。
五、有关要求
(一)联锁工程师及验收人员应按照设计文件编制相应的验收细目,对联锁设备和电路逐项试验并详细记录。
(二)对于计算机联锁设备特殊部分的试验,电务段要按照生产厂家有关技术标准制定相应的验收试验细目,逐项试验并详细记录。
对双机热备、二乘二取二结构的计算机联锁系统应在双套设备同步的情况下,对其中的一套联锁关系进行全面联锁试验,并且对两套的输入、输出进行对位检查核对。
输入可在同步时进行,有同时发送驱动的须关闭一套试验一套。
(三)对于钉闭道岔,必须按照设计要求对电路进行核对试验,并断开室内启动电路断路器及转辙机安全接点,防止道岔误动。
(四)作为施工开通后联锁管理的强化措施,各电务段要建立施工后的监控制度。
在变更联锁关系的施工后,充分利用信号集中监测、TDCS、CTC等设备,安排专人对列车在施工范围内的运行情况实施12小时的全面监控,发现问题及时汇报、立即组织处理,确保施工后的列车运行安全。