硅烷气体成分分析
- 格式:pdf
- 大小:132.16 KB
- 文档页数:2
硅烷自燃温度硅烷自燃温度是指硅烷(化学式为SiH4)在一定条件下自发燃烧的温度。
硅烷是一种无色气体,具有刺激性气味,是一种重要的硅源。
硅烷自燃温度的研究对于工业生产和安全管理具有重要意义。
硅烷自燃温度的测定是通过实验获得的。
实验中,硅烷气体与氧气混合,然后在不同温度条件下进行点火观察,记录自燃温度。
根据实验结果,硅烷的自燃温度约为450°C至500°C。
硅烷的自燃温度较低,这是由于硅烷分子中的硅-氢键的特殊性质所致。
硅-氢键具有较低的键能,容易发生断裂和重新组合,产生自燃反应。
此外,硅烷分子中的氢原子与氧气发生反应,形成水和二氧化硅,释放大量的热量,进一步促进了自燃反应的进行。
硅烷自燃温度的研究对于工业生产和安全管理具有重要意义。
首先,硅烷是一种重要的硅源,广泛应用于半导体、太阳能电池、涂层材料等领域。
了解硅烷的自燃温度,有助于优化生产工艺,提高生产效率和产品质量。
其次,硅烷是一种有毒气体,具有较高的爆炸性,对人体和环境有一定的危害。
掌握硅烷的自燃温度,有助于制定安全操作规程,预防事故的发生。
在实际应用中,为了降低硅烷的自燃风险,可以采取以下措施。
首先,严格控制硅烷的浓度,在安全范围内使用。
其次,加强通风和排气系统的设计和管理,及时将硅烷气体排出。
此外,加强员工的安全教育和培训,提高他们的安全意识和操作技能。
最后,建立完善的事故应急预案,以应对突发情况。
硅烷自燃温度是硅烷分子自发燃烧的温度,其研究对于工业生产和安全管理具有重要意义。
了解硅烷的自燃温度,有助于优化生产工艺,提高产品质量。
同时,采取相应的安全措施,预防事故的发生。
通过科学研究和实践经验的总结,可以更好地保护人类的生命财产安全。
硅烷偶联剂成分分析配方开发技术及作用机理硅烷偶联剂是一类广泛应用于各个领域的化学品,主要通过偶联作用改善材料的特性和性能。
其主要成分是含有硅烷键(Si-O-Si)的有机化合物。
根据硅烷基团的种类和结构不同,硅烷偶联剂可以分为有机硅偶联剂和无机硅偶联剂。
有机硅偶联剂的主要成分是含有有机硅键(Si-C)的有机化合物。
这类硅烷偶联剂主要由有机基团和硅基团组成。
其中,有机基团可以是烷基、醇基、酚基、酮基、酸基等。
而硅基团可以是脂肪基、芳香基、酮基、酸基等。
通过选择不同的有机基团和硅基团,可以调节硅烷偶联剂的性质和功能。
无机硅偶联剂的主要成分是含有硅氧键(Si-O)的无机化合物。
这类硅烷偶联剂主要由硅氧簇或硅氧链组成。
通过选择不同的硅氧簇或硅氧链的结构和长度,可以调节硅烷偶联剂的功能和性能。
1.成分分析:对硅烷偶联剂的原料进行成分分析,确定其有机基团和硅基团的种类和结构。
2.功能评价:根据硅烷偶联剂所应用的领域和要求,评价其对材料特性和性能的改善效果。
3.选择配方:根据目标的性能要求,选择适合的硅烷偶联剂成分和比例,确定最佳的配方。
4.调整配方:根据实际情况,适当调整硅烷偶联剂的配方,提高其适用性和稳定性。
5.综合评价:对硅烷偶联剂的配方进行综合评价,确定最优配方,提高其应用效果和经济效益。
1.偶联作用:硅烷偶联剂中的硅基团与材料表面的活性基团发生偶联反应,形成化学键,将硅烷分子牢固地吸附在材料表面,从而加强材料表面的附着力和耐久性。
2.改善界面性能:硅烷偶联剂能够在材料的界面形成一层稳定的硅氧化物层,阻止氧、水和有害物质的渗透,从而提高材料的耐久性和抗老化性能。
3.增强材料机械性能:硅烷偶联剂能够填补材料表面微孔和裂纹,增强材料的刚性和硬度,提高材料的抗拉强度和抗冲击性能。
4.改善材料界面润湿性:硅烷偶联剂能够降低材料表面的表面张力,改善材料的润湿性,提高材料的粘接性和涂层性能。
总之,硅烷偶联剂通过与材料表面的界面相互作用,改善材料的界面性能和机械性能,提高材料的耐久性和特性。
硅烷百科名片硅烷硅烷是一种无色、与空气反应并会引起窒息的气体。
该气体通常与空气接触会引起燃烧并放出很浓的白色的无定型二氧化硅烟雾。
它对健康的首要危害是它自燃的火焰会引起严重的热灼伤,如果严重甚至会致命。
如果火焰或高温作用在硅烷钢瓶的某一部分会使钢瓶在安全阀启动之前爆炸。
如果泄放硅烷时压力过高或速度过快会引起滞后性的爆炸。
泄漏的硅烷如没有自燃会非常危险,不要靠近。
处理紧急情况的人员必须要有个人防护设备和适应当时情况的防火保护。
不要试图在切断气源之前灭火。
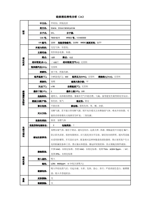
目录硅烷的理化性能硅烷气危害辨识资料灭火措施泄漏处理方法安全处置与储存方法暴露预防措施物理及化学性质安定性及反应性毒性资料生态资料废弃处置方法运送资料反应方程式展开编辑本段硅烷的理化性能硅烷(SiH4)化学性质:硅烷是一种无色、与空气反应并会引起窒息的气体。
同义名称:四氢化硅(Silicon hydride)请添加图片说明CAS号:7803-62-5 化学式:SiH4 含量%:99.99% 危险级别:2.1 易燃气体;2.3有毒气体编辑本段硅烷气硅烷气是太阳能电池生产过程中不可或缺的材料,因为它是将硅分子附着于电池表面的最有效方式。
在高于400℃的环境下,硅烷气分解成气态硅和氢气。
氢气燃烧后,剩下的就是纯硅了。
此外,硅烷气可以说是无处不在。
除了光伏产业外,还有很多制造工厂需要用到硅烷气,如平板显示器、半导体、甚至镀膜玻璃生产厂。
编辑本段危害辨识资料最重要危害与效应:眼接触:硅烷会刺激眼睛。
硅烷分解产生无定型二氧化硅。
眼睛接触无定型二氧化硅颗粒会引起刺激。
吸入: 1.吸入高浓度的硅烷会引起头痛、恶心、头晕并刺激上呼吸道。
2.硅烷会刺激呼吸系统及粘膜。
过度吸入硅烷会引起肺炎和肾病,这是由于存在结晶二氧化硅的原因。
3.暴露于高浓度气体中还会由于自燃而造成热灼伤。
摄入:摄入不可能成为接触硅烷的途径。
皮肤接触:硅烷会刺激皮肤。
硅烷分解产生无定型二氧化硅。
采用气相色谱 - 质谱分析硅烷材料的要点与注意事项[摘要]近年来,海上风电、公路、水运、市政等工程中对构筑物的耐久性要求越来越高,硅烷作为可有效提高混凝土抗氯离子渗透性能的有机材料,在上述工程中的应用越来越多,但硅烷材料质量往往参差不齐,存在较多以次充好的情况,如何快速的准确的判定出硅烷材料的质量,成为保证施工质量的关键,本文采用现行的,能够较快且较为准确进行硅烷成品判定的气相色谱-质谱分析方法为例,对硅烷材料的主要有机化合物进行分析,总结出分析过程中的要点和注意事项,以供参考。
[关键字]硅烷材料主要成分环境条件载气溶剂进样设备一、硅烷材料应用机理及优点硅烷材料的应用机理是硅烷材料浸渍混凝土表面后,硅烷材料能够渗透到混凝土毛细管壁中,与空气中的水分和水泥水化反应形成聚硅氧烷互穿脉络结构,形成类似胶状体的物质,产生胶连、堆积,固化结合在混凝土的毛细孔内壁及表面,可有效防止基材因渗水、日照、酸雨和海水的侵蚀而对混凝土及内部钢筋结构的腐蚀、疏松、剥落、霉变而引发的病变,提高构筑物的使用寿命。
其优点有以下四点:①防水透气,可以有效渗透进混凝土3~4mm深,形成憎水层;②抗紫外线,防止氯离子的腐蚀渗透导致钢筋锈蚀从而破坏混凝土结构;③不会改变混凝土结构的外观,对于微小裂缝亦有防护作用;④有效阻止恶劣环境的腐蚀,可与其他涂层共同使用,起到多层保护作用,有效延长混凝土使用寿命,降低后期维护成本。
二、硅烷定性分析—气象色谱-质谱联用法(GC/MS)本文以工程中常用的异丁基三乙氧基硅烷为例,采用气相色谱-质谱联用法,根据JTS 153-2015《水运工程结构耐久性设计标准》规定的步骤,结合实施检测的经验,总结出检测过程中的要点和注意事项。
2.1主要仪器设备2.1.1气相色谱-质谱联用仪生产厂家:北京东西分析仪器有限公司规格型号:GC-MS 32002.1.2色谱柱生产厂家:AB-5MS规格型号:5%二苯基-95%二甲基聚硅氧烷色谱柱,60m×0.25mm×0.25μm2.2仪器主要参数设置2.2.1进样口温度:250℃;2.2.2柱温:起始温度为50℃,保持5min,然后以5℃/min升至250℃,保持10min;2.2.3载气流速:1.0ml/min;2.2.4电离电压:70eV;2.2.5离子源温度:200℃;离子源转速:999r/min;离子源:EI。
硅烷介绍物化性质和注意事项
硅烷介绍物化性质和注意事项化工知识,11月11日讯,硅烷,是一种无色、与空气反应并会引起窒息的气体。
该气体通常与空气接触会引起燃烧并放出很浓的白色的无定型二氧化硅烟雾。
它对健康的首要危害是它自燃的火焰会引起严重的热灼伤,如果严重甚至会致命。
如果火焰或高温作用在硅烷钢瓶的某一部分会使钢瓶在安全阀启动之前爆炸。
如果泄放硅烷时压力过高或速度过快会引起滞后性的爆炸。
泄漏的硅烷如没有自燃会非常危险,不要靠近。
处理紧急情况的人员必须要有个人防护设备和适应当时情况的防火保护。
不要试图在切断气源之前灭火。
物理性质
1.性状:无色气体,有大蒜恶心气味。
2.密度(g/L,25C):1.44
3.相对蒸汽密度(g/mL,空气=1):1.1
4.熔点(C):-185
5.沸点(C,常压):-111.9
6.沸点(C,760mmHg):-112
7.蒸发热(KJ/mol):12.5
8.熔化热(KJ/mol):0.67
9.生成热(KJ/mol):32.6
10.比热容(KJ/(kgK),25C):1.335
11.临界温度(C):-3.5
12.临界压力(MPa):4.864
13.溶解性:溶于水,几乎不溶于乙醇、乙醚、苯、氯仿、硅氯仿和四氯化硅。
化学性质
毒性资料
LD50:-LC50:9600ppm/4小时
毒性效应:。
硅烷气体密度
硅烷气体密度是指硅烷气体在标准大气压下的密度。
硅烷是一种无色、有毒、易燃的化学物质,其化学式为SiH4。
硅烷气体密度的大小决定了硅烷气体在空气中的扩散速度和燃烧反应的强度,因此对于工业生产、研究和安全管理等领域都有重要意义。
硅烷气体密度的计算公式为:ρ = PM/RT,其中ρ为密度,P为气体压力,M为气体分子量,R为气体常数,T为温度。
在标准大气压下,P为101.325 kPa,R为8.314 J·mol-1·K-1,T为273.15 K(0℃),因此可以用简单的计算公式进行计算。
硅烷气体密度的单位为kg/m3或g/L。
根据计算公式,硅烷气体密度与气体分子量成正比,与气体温度和压力成反比。
因此,如果想要在相同压力下比较不同气体的密度,需要保持温度相同,或者进行换算。
在工业生产中,硅烷气体常用于半导体材料制造和太阳能电池制造等领域。
为了确保生产安全和产品质量,需要严格控制硅烷气体的密度和扩散速度,调整供气系统和燃烧控制参数,防止发生火灾或爆炸等事故。
此外,硅烷气体的密度还可以用于研究气体分子结构、动力学过程以及气体扩散和反应等物理化学问题。
例如,通过测量不同温度下硅烷气体的密度和粘度,可以研究气体分子间的相互作用力和热力学性质,揭示硅烷气体的化学反应机理和动力学行为。
此外,利用硅烷气体的密度和热导率等物理特性,还可以设计和优化新型气体传感器和热力发电等能源技术。
综上所述,硅烷气体密度是一个重要的物理化学参数,对于工业生产、学术研究和安全管理等各个领域都有重要意义。
因此,在使用硅烷气体时,需要严格控制其密度和其他物理化学参数,保证生产安全和研究准确性。
硅烷安全条件评价报告全文共四篇示例,供读者参考第一篇示例:硅烷是一类重要的有机硅化合物,在工业生产和科研领域中被广泛应用。
硅烷具有许多良好的特性,例如化学稳定性高、抗热性好等,因此在各行各业都有所应用。
硅烷也存在一定的安全隐患,需要进行安全条件评价以确保其在生产和使用过程中不会对人体健康和环境造成危害。
一、硅烷的基本性质硅烷是由硅原子和氢原子构成的的有机硅化合物,通式为SiHnCl4-n(n=1~4)。
硅烷具有较高的反应性,常在高温下和氧气、水蒸气等发生反应,生成硅酸盐、硅氧化物等产物。
硅烷的挥发性也比较高,易于挥发成为气态,因此在储存和使用过程中需要采取相应的安全措施。
二、硅烷的安全风险1. 硅烷具有较高的反应活性,在与氧气、水蒸气等发生反应时会产生剧烈的化学反应,释放出大量的热量和气体。
这样的反应可能引起火灾或爆炸,给人员和设备造成严重的伤害。
2. 硅烷是一种有毒的物质,吸入或接触高浓度硅烷会导致呼吸道、眼睛和皮肤等部位的损伤。
长期暴露于硅烷中会引起慢性中毒,危害人体健康。
3. 硅烷在空气中的浓度过高时,可能形成爆炸性混合物,一旦遇到明火或高温点火源,容易发生爆炸事故。
三、硅烷的安全条件评价1. 对硅烷进行物理性质的测试,包括密度、相对湿度、沸点、熔点等,以了解其在不同环境条件下的行为和特性。
2. 对硅烷进行化学性质的分析,研究其与氧气、水蒸气等常见物质的反应机制,评估其可能产生的危险性。
3. 进行毒性评价,研究硅烷对人体的毒性和慢性效应,制定相应的暴露限值和安全操作规程。
4. 进行爆炸危险性评估,评估硅烷在不同工艺和条件下可能引起的爆炸性危险,设计相应的防护和应急措施。
5. 制定硅烷的安全操作规程和应急预案,培训操作人员和应急救援人员,确保他们了解硅烷的危险性和安全操作方法。
四、硅烷的安全管理措施1. 在生产、储存和使用硅烷时,应采取相应的安全措施,包括通风设备、防爆措施、个人防护装备等,确保无毒气泄漏和爆炸发生。
Material Safety Data Sheet / 物质安全资料
表
第一部分化学品及企业标识
第二部分成分/组成信息
第三部分危险性概述
第四部分急救措施
第五部分消防措施
第六部分泄漏应急处理
第七部分操作处置与储存
第八部分接触控制/个体防护
第九部分理化特性
第十部分稳定性和反应活性
第十一部分毒理学资料
第十二部分生态学资料
其他有害作用:-
第十三部分废弃处置
废弃物性质:危险废物□工业固体废物
废弃处置方法:
将容器及未用的产品返回给供应商。
不要将剩余或未用的产品擅自处理掉。
系统中剩余的硅烷应在适当的燃烧器中烧掉。
该过程应根据当地的法规进行。
含有该物质的废物被EPA列位有害废物。
废弃注意事项:按照当地的法规, 用户要注明废料的流向。
第十四部分运输信息
危险货物编号:无资料
UN编号: UN2203
包装标志:
包装类别:无资料
包装方法:无资料
运输注意事项::钢瓶应直立在通风设施良好的卡车上进行运输,不要在人员乘坐的车厢
内运输。
运输前应确认瓶阀已关好,输出阀已装好并将阀盖固定好。
压力气瓶只能由合格的压缩气体生产厂家进行重新充装。
擅自运输未经压力气瓶所有厂家充装或经其书面同意充装的气瓶为违法行为。
第十五部分法规信息。
硅烷分析报告一、引言硅烷是一种由硅和氢组成的无机化合物,化学式为SiH4。
它具有许多重要的应用领域,包括半导体制造、太阳能电池、涂层和化学合成等。
因此,对硅烷的分析和检测具有极大的重要性。
本报告旨在通过对硅烷的分析实验,探究硅烷的性质及其相关应用。
二、实验目的1.了解硅烷的基本性质;2.通过实验方法对硅烷进行分析;3.探究硅烷在不同条件下的分解和反应行为。
三、实验方法1. 实验材料•硅烷气体•氢气•二硅化钼•硅板2. 实验步骤1.实验准备:将实验器材清洗干净并晾干。
2.预热:将实验装置加热至适当的温度。
3.分析硅烷:将硅烷输送至实验装置中,并利用仪器进行分析。
4.分解反应:将硅烷与氢气混合并加热,观察其分解反应行为。
5.反应实验:在硅板上涂布适量的硅烷,观察其与空气中的氧气发生反应的现象。
6.数据收集:记录实验中所观察到的现象及实验结果。
四、实验结果1. 硅烷分析通过实验分析,我们可以得出硅烷具有以下性质:•硅烷呈无色气体;•硅烷的燃烧产物为水和二氧化硅;•硅烷在高温环境下会分解成硅和氢气。
2. 反应行为在与空气中的氧气接触时,涂布在硅板上的硅烷会发生燃烧反应,产生白色的二氧化硅残留物。
五、讨论与分析通过实验,我们可以得出以下结论:1.硅烷是一种无色气体,具有较高的能量密度,可以作为能源储存和转化的候选材料。
2.硅烷的燃烧产物主要是水和二氧化硅,这些产物相对环境友好;3.硅烷在高温条件下会分解成硅和氢气,这种性质使其在半导体制造和太阳能电池等领域具有重要应用价值。
然而,硅烷也存在一些问题,包括其高度易燃和易爆的特性,以及与其他化学物质的反应性。
因此,在应用硅烷时,需要遵循严格的安全操作规程,并采取相应的安全防护措施。
六、结论通过对硅烷的分析实验,我们探索了硅烷的性质和反应行为。
硅烷是一种重要的无机化合物,具有广泛的应用领域和潜在的能源转化价值。
在使用硅烷时,应注意到其高温分解和燃烧的特性,并采取相应的安全措施。
硅烷SiH41.别名〃英文名单硅烷、硅甲烷、甲硅烷、四氢化硅;Silane、Monosilane、Sil-icon tetrahydride、Silicon hydride.2.用途氯硅烷类及烷基氯硅烷类的骨架结构,硅的外延生长、多晶硅、氧化硅、氮化硅等的原料,太阳能电池,光导纤维,有色玻璃制造,化学气相淀积。
3.制法(1)硅化镁法:把硅和镁的混合粉末在约500℃的氢气中反应,把生成的硅化镁和氯化铵在低温液态氨中反应,可得到硅烷。
把它在用液氮冷却的蒸馏装置中精制后可得到纯硅烷。
(2)不均化反应法:把硅粉末、四氯化硅和氢在加热到500℃以上的流动床炉中反应,得到三氯硅烷。
用蒸馏法分离三氯硅烷。
在催化剂存在下通过不均化反应得到二氯硅烷。
所得的二氯硅烷为与四氯化硅、三氯硅烷的混合物,所以用蒸馏法精制后得纯二氯硅烷。
使用不均化反应催化剂由二氯硅烷得三氯硅烷和单硅烷。
所得的单硅烷用低温高压蒸馏装置提纯。
(3)用盐酸处理硅镁合金。
Mg2Si+4HCl—→2MgCl2+SiH4(4)硅镁合金与溴化铵在液氨中反应。
熔化热(-186.40℃,<0.1kPa): 24.62 kJ/kg气化热(-111.40℃,101.325kPa):342.89kJ/kg比热容(气体,25℃,101.325kPa): Cp=1333.96 J/(kg〃K) 蒸气压(-168℃): 1.33kPa(-60℃): 1040kPa(-10℃): 4150kPa粘度(101.325kPa,0℃):0.0108mPa〃S表面张力(-111.4℃,101325kPa):15.11mN/m导热系数(101.325kPa,0℃):0.01918 w/(m〃K)爆炸界限:0.8%~98%火灾危险度:大硅烷在常温常压下为具有恶臭的无色气体。
在室温下着火,在空气或卤素气体中发生爆炸性燃烧。
即使用其它气体稀释,如果浓度不够低.仍能自燃。
硅烷在氩气中含2%、氮气中含2.5%、氢气中含1%时,它仍能着火。
十六烷基三甲氧基硅烷(简称十六甲硅烷)是一种常用的硅烷偶联剂,广泛应用于涂料、油墨、粘合剂、密封胶等领域。
其化学结构中包含十六烷基基团和三个甲氧基,因此在实际生产和使用中需要对其含量进行检测,以确保产品质量和安全性。
本文将围绕十六甲硅烷的检测方法展开讨论,并详细介绍几种常用的检测方法及其优缺点。
一、气相色谱法(GC)气相色谱法是目前十六甲硅烷检测的常用方法之一。
该方法利用气相色谱仪对样品中的目标物质进行分离和定量分析,具有分离效果好、准确度高的优点。
优点:气相色谱法对十六甲硅烷的分离效果好,能够准确测定其含量,具有高灵敏度和高精密度。
缺点:该方法需要使用气相色谱仪设备,需要专业技术人员操作,成本较高,且样品的前处理工作较为繁琐。
二、液相色谱法(HPLC)液相色谱法也是常用的十六甲硅烷检测方法之一。
该方法利用液相色谱仪对样品中的目标物质进行分离和定量分析,具有分离效果好、操作简便的优点。
优点:液相色谱法对十六甲硅烷的分离效果好,操作相对简便,可用于批量样品的检测。
缺点:该方法的样品前处理工作较为繁琐,且仪器设备和耗材成本较高,需要专业技术人员进行操作。
三、质谱法(MS)质谱法是一种高灵敏度的分析方法,适用于对十六甲硅烷进行准确测定。
该方法利用质谱仪对样品中的目标物质进行分析,具有高灵敏度、高准确度的优点。
优点:质谱法对十六甲硅烷的分析灵敏度高,能够准确测定其含量,同时不受样品基质的影响。
缺点:质谱法需要高成本的仪器设备和耗材,操作技术要求较高,需要专业人员进行操作。
针对十六甲硅烷的检测方法有多种选择,具体选择何种方法需根据实际情况以及检测需求来确定。
在未来的研究中,还可以探索更多高效、低成本的十六甲硅烷检测方法,以满足不同领域的实际需求。
四、红外光谱法(IR)红外光谱法是一种常用的分析方法,适用于对十六甲硅烷进行定性分析和部分定量分析。
该方法利用红外光谱仪对样品中的分子振动进行分析,能够提供物质的结构信息和功能基团的特征。
气相色谱法测定硅烷法生产多晶硅的尾气中硅烷的含量目前气相色谱法已被广泛应用于环境污染物、石油化工生产中的痕量物质、食品中有害成分、药物有效成分、代谢物、刑事法医鉴定等领域的分析。
本文就气相色谱法测定硅烷法生产多晶硅的尾气中硅烷的含量展开探讨。
标签:气相色谱法;硅烷法;硅烷1 气相色谱法基本原理气相色谱法能分离具有相似性质的物质,如同位素、同分异构体、对映体及成分相当复杂的混合物,如石油、受污染的水样等。
它主要是利用于物质的沸点、极性及吸附性质的差异实现混合物的分离。
其过程如图1所示,待分析试样在汽化室内被汽化,然后被惰性气体(即流动相)带入色谱柱,气相色谱中一般使用毛细管柱或填充柱,柱内含有固定相,由于样品内各成分的沸点、极性或吸附能力有差异,每种成分都在流动相和固定相之间趋于分配或吸附平衡。
由于载气是流动的,所以样品组分进行多次的分配或吸附、解吸,在柱内形成分离的谱带,最终惰性气体中分配浓度比较大的成分先从色谱柱流出,固定相中分配浓度大的组分后从色谱柱流出。
随后进入检测器,转换成相对应的电信号,电信号的强弱与被测组分的量或者浓度成比例,电信号通过放大并记录就得到了色谱图。
2 试验部分2.1 仪器与试剂7890型气相色谱仪,配热导池检测器(TCD)和相应的色谱工作站;容量为1L的取样钢瓶。
硅烷标准气体:体积分数分别为0.98%,2.00%,3.00%,5.02%,9.91%,介质为氢气。
氢气的纯度为99.999%,氢氧化钠溶液的质量分数为10%。
2.2 谱操作条件(1)色谱柱:不锈钢填充柱,尺寸为8ˊ×1/8〞,固定液为25%DC-550(苯基甲基硅氧烷),载体为ChromsorbW–AW(DCMS)(80~100目);(2)柱温:程序升温,60℃保持3min;50~90℃,升温速率为10℃/min;90℃保持2min。
(3)汽化室温度:100℃;(4)检测器温度:150℃;(5)载气:高纯氢气(99.999%);(6)载气流速:30ml/min;2.3 试验方法(1)样品的采集。
硅烷气的原材料主要包括硅和氢。
具体来说,硅烷气是通过将硅和氢在高温和催化剂的存在下进行反应而制成的。
这个反应过程可以产生出纯度较高的硅烷气体,可用于各种需要使用硅烷的环境中。
硅是一种非金属元素,具有高电负性和共价单质结构。
它通常与其他元素形成化合物,如硅酸盐、二氧化硅等,在许多领域中具有广泛的应用,如陶瓷、玻璃、塑料和半导体工业。
氢是一种元素周期表中最轻的元素,具有高电负性和共价单质结构。
它可以形成气态氢化物,如氢氟酸、氢氯酸等,在化学工业中具有广泛的应用。
在硅烷气生产过程中,硅和氢的反应是在高温和催化剂的存在下进行的。
在这个反应过程中,硅和氢的原子通过化学键结合形成硅烷分子。
由于硅烷气体具有高活性、易分解的特点,因此需要使用特定的储存和运输设备。
此外,硅烷气还可以通过将二氧化硅与氢气在高温下反应来制备。
这种制备方法通常涉及使用特定的催化剂和反应器,以获得高纯度的硅烷气体。
这种制备方法在许多领域中具有广泛的应用,如半导体制造、航空航天、电子器件制造等。
总的来说,硅烷气的原材料主要包括硅和氢,以及二氧化硅与氢气的高温反应制备。
这些原材料在许多领域中具有广泛的应用,如陶瓷、玻璃、塑料、半导体工业和各种需要使用硅烷的环境中。
同时,硅烷气的制备过程需要使用特定的设备和操作条件,以确保产品的质量和安全性能。
值得一提的是,由于硅烷气体具有高毒性,因此在生产和使用过程中需要采取严格的安全措施,以确保工人的健康和环境的安全。
此外,由于硅烷气体的应用范围广泛,因此它的生产和销售市场也在不断扩大。
总之,硅烷气的原材料主要包括硅和氢等元素,以及二氧化硅与氢气的高温反应制备。
这些原材料在许多领域中具有广泛的应用,特别是在半导体制造、航空航天、电子器件制造等领域中发挥着重要作用。
同时,生产和销售硅烷气的企业需要关注安全措施和环保问题,以确保可持续发展和市场竞争力。
晶圆厂硅烷用量-回复晶圆厂是集成电路产业的关键环节,其生产过程需要大量的材料和设备。
其中,硅烷是晶圆厂生产过程中的一个重要材料。
本文将以晶圆厂的硅烷用量为主题,一步一步回答相关问题。
第一步:什么是晶圆厂?晶圆厂是集成电路产业中的重要环节,主要从事半导体芯片的制造和加工。
在晶圆厂中,将硅片(晶圆)通过一系列的化学、物理加工以及测试流程,制造成集成电路芯片。
第二步:硅烷在晶圆厂中的作用是什么?硅烷是一种无色、无味、可燃性气体,化学式为SiH4。
在晶圆厂中,硅烷主要用于制造氮化硅、二氧化硅等薄膜材料。
这些薄膜材料是制造集成电路中晶体管和电容等基本元件的关键部分。
第三步:晶圆厂为什么需要使用硅烷?在晶圆厂的生产过程中,硅片通常需要涂覆一层薄膜,以达到特定的电学、热学或化学性能要求。
而硅烷可以通过化学气相沉积(CVD)或热蒸发等方法,将硅原子沉积在硅片表面,形成所需的薄膜。
相比其他材料,硅烷具有较高的沉积速率和良好的质量控制能力,因此在晶圆厂中被广泛使用。
第四步:硅烷在晶圆厂中的具体应用有哪些?硅烷在晶圆厂中的应用范围十分广泛。
以下列举几个常见的应用领域:1. 氮化硅薄膜制备:氮化硅是一种常用的绝缘层材料,具有优异的电学性能和机械强度。
在制造晶体管和电容等元件时,通常需要制备氮化硅薄膜,而硅烷是制备该薄膜的重要前体物质。
2. 二氧化硅薄膜制备:二氧化硅是晶圆厂中使用最广泛的绝缘层材料之一,常用于制造介电层、氧化物层等。
硅烷可以通过化学气相沉积技术,制备高质量的二氧化硅薄膜。
3. 硅膜修饰:硅膜修饰是一种改善硅片表面性能的方法,可以提高晶圆厂生产过程中的精度和可靠性。
硅烷可以用于修饰硅片表面,提高其润湿性、化学惰性等性能。
第五步:晶圆厂中的硅烷用量有多大?晶圆厂中的硅烷用量与每个晶圆的尺寸和复杂程度有关。
一般来说,较大的晶圆和复杂的生产工艺需要更多的硅烷。
据统计,晶圆厂在制造过程中,硅烷的用量可达到每晶圆100毫升到500毫升不等。