螺纹连接受力分析(优质严制)
- 格式:doc
- 大小:337.00 KB
- 文档页数:6
螺纹联接设计:螺栓组联接的受力分析螺栓联接多为成组使用,设计时,常根据被联接件的结构和联接的载荷来确定联接的传力方式、螺栓的数目和布置。
螺栓组联接受力分析的任务是求出联接中各螺栓受力的大小,特别是其中受力最大的螺栓及其载荷。
分析时,通常做以下假设:①被联接件为刚性;②各螺栓的拉伸刚度或剪切刚度(即各螺栓的材料、直径和长度)及预紧力都相同;③螺栓的应变没有超出弹性范围。
下面介绍几种典型螺栓组受力分析的方法。
1. 受轴向力Fz的螺栓组联接图15.5所示为气缸盖螺栓组联接,其载荷通过螺栓组形心,因此各螺栓分担的工作载荷F相等。
设螺栓数目为z,则F=Fz/z (15-19)此外螺栓还受预紧力,其总拉力的求法见本章第15.2.1节。
2. 受横向载荷FR的螺栓组联接图15.10为受横向力的螺栓组联接,螺栓沿载荷方向布置,载荷可通过两种不同方式传递。
图15.10(1) 用受拉螺栓联接螺栓只受预紧力F` ,靠接合面间的摩擦来传递载荷。
假设各螺栓联接接合面的摩擦力相等并集中在中心处,则根据板的平衡条件得或(15-20)式中μs--接合面摩擦系数,对于钢铁零件,当接合面干燥时,μs=0.10~0.16;当接合面沾有油时,μs=0.06~0.10;m--接合面数目;z--螺栓数目;kf--考虑摩擦传力的可靠系数,kf=1.1~1.5。
若z=1,m=1,并取μs=0.15,kf=1.2,则F`=8FR。
由此可见,这种联接的主要缺点是所需的预紧力很大,为横向载荷的很多倍。
(2) 用受剪螺栓联接时,靠螺栓受剪和螺栓与被联接件相互挤压时的变形来传递载荷。
联接中的预紧力和摩擦力一般忽略不计。
假设各螺栓受均匀载荷Fs,则根据板的静力平衡条件得zF S= F R或F S=F R/z(15-21)3. 受旋转力矩T的螺栓组联接图15.11图15.11为底座承受旋转力矩T的作用,有绕螺栓组形心的轴线O-O旋转的趋势,载荷也可通过两种方式传递。
螺栓组受力分析与计算一.螺栓组联接的设计设计步骤:1.螺栓组结构设计2.螺栓受力分析3.确定螺栓直径4.校核螺栓组联接接合面的工作能力5.校核螺栓所需的预紧力是否适宜确定螺栓的公称直径后,螺栓的类型,长度,精度以与相应的螺母,垫圈等结构尺寸,可根据底板的厚度,螺栓在立柱上的固定方法与防松装置等全面考虑后定出。
1. 螺栓组联接的结构设计螺栓组联接结构设计的主要目的,在于合理地确定联接接合面的几何形状和螺栓的布置形式,力求各螺栓和联接接合面间受力均匀,便于加工和装配。
为此,设计时应综合考虑以下几方面的问题:1〕联接接合面的几何形状通常都设计成轴对称的简单几何形状,如圆形,环形,矩形,框形,三角形等。
这样不但便于加工制造,而且便于对称布置螺栓,使螺栓组的对称中心和联接接合面的形心重合,从而保证接合面受力比拟均匀。
2〕螺栓的布置应使各螺栓的受力合理。
对于铰制孔用螺栓联接,不要在平行于工作载荷的方向上成排地布置八个以上的螺栓,以免载荷分布过于不均。
当螺栓联接承受弯矩或转矩时,应使螺栓的位置适当靠近联接接合面的边缘,以减小螺栓的受力〔如下图〕。
如果同时承受轴向载荷和较大的横向载荷时,应采用销,套筒,键等抗剪零件来承受横向载荷,以减小螺栓的预紧力与其结构尺寸。
接合面受弯矩或转矩时螺栓的布置3〕螺栓排列应有合理的间距,边距。
布置螺栓时,各螺栓轴线间以与螺栓轴线和机体壁间的最小距离,应根据扳手所需活动空间的大小来决定。
扳手空间的尺寸〔如下图〕可查阅有关标准。
对于压力容器等严密性要求较高的重要联接,螺栓的间距t0不得大于下表所推荐的数值。
扳手空间尺寸螺栓间距t0注:表中d为螺纹公称直径。
4〕分布在同一圆周上的螺栓数目,应取成4,6,8等偶数,以便在圆周上钻孔时的分度和画线。
同一螺栓组中螺栓的材料,直径和长度均应一样。
5〕防止螺栓承受附加的弯曲载荷。
除了要在结构上设法保证载荷不偏心外,还应在工艺上保证被联接件,螺母和螺栓头部的支承面平整,并与螺栓轴线相垂直。
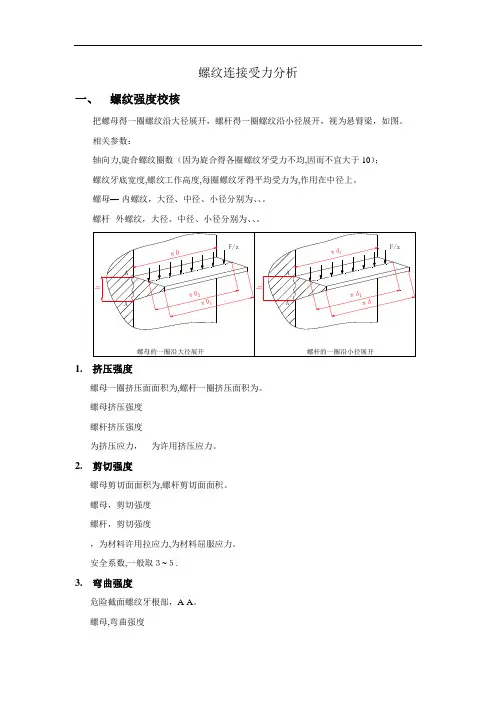
螺纹连接受力分析螺纹连接受力分析一、 螺纹强度校核把螺母的一圈螺纹沿大径展开,螺杆的一圈螺纹沿小径展开,视为悬臂梁,如图。
相关参数:轴向力F ,旋合螺纹圈数z (因为旋合的各圈螺纹牙受力不均,因而z 不宜大于10); 螺纹牙底宽度b ,螺纹工作高度h ,每圈螺纹牙的平均受力为F z ,作用在中径上。
螺母——内螺纹,大径、中径、小径分别为D 、2D 、1D 。
螺杆——外螺纹,大径、中径、小径分别为d 、2d 、1d 。
1. 挤压强度螺母一圈挤压面面积为2D h π,螺杆一圈挤压面积为2d h π。
螺母挤压强度2[]pp F F z A D hπσ==≤σ F/zAπDπD2πD1Ab螺母的一圈沿大径展开F/zAπd1πd2πdAb螺杆的一圈沿小径展开[]b σ:螺纹牙的许用弯曲应力,对钢材,[]1~1.2[]b σσ=2. 自锁性能自锁条件vψψ≤,其中,螺旋升角22arctan arctanSnp d d ψππ==,螺距、导程、线数之间关系:S =np ; 当量摩擦角arctan arctancos vv ff ψβ==, 当量摩擦系数cos v f f β=f为螺旋副的滑动摩擦系数,无量纲,定期润滑条件下,可取0.13~0.17;β为牙侧角,为牙型角α的一半,2βα=3. 螺杆强度1、 实心螺杆[]21FF =A d4σσπ=≤2、 空心 按实际情况计算3、 普通螺纹[]22c 1F F F =A H d d -446σσππ==≤⎛⎫⎪⎝⎭cd :普通螺纹螺栓拉断截面,是一个经验值,其经验计算公式为c1H dd 6=-其中,[]σ为材料的许用拉应力,[]sn σσ=,sσ为屈服应力,为安全系数,一般取3~5。
二、 螺栓连接强度4. 预紧力计算:一般,螺栓预紧应力可达到材料屈服应力的50%~70%。
T :预紧力矩,0T K F d =⋅⋅,K 为拧紧力系数,d为螺纹公称直径, 0F :预紧力,00sFA σ=⋅σ:预紧应力,00.5~0.7sσσ=,sσ为材料屈服应力s A :螺纹部分危险剖面的面积,24ss Ad π=⋅sd :螺纹部分危险剖面的计算直径,()23s d d d =+,316dd H =-,5. 松螺栓连接松螺栓连接,工作载荷F ,螺栓危险截面强度[]21FF=A d4σσπ=≤6. 紧螺栓连接紧螺栓连接,无工作载荷时。
工程施工中螺杆受力分析
螺杆的受力分析涉及到多个因素,包括力的作用、应力分布、变形等。
在施工中,螺杆通
常承受拉力、压力、剪力等多种力的作用,因此需要进行详细的受力分析,以确保螺杆在
承受最大力时不会发生变形或破坏。
首先,我们可以从力的作用入手,分析螺杆受力的主要方向和大小。
在工程施工中,螺杆
通常用于连接构件,承受拉力或压力。
在受力分析中,我们需要考虑这些力的方向和大小,以确定螺杆的受力情况。
接下来,我们可以分析螺杆的应力分布。
在受力作用下,螺杆表面会产生应力,需要通过
应力分析确定螺杆的安全工作范围。
通常情况下,螺杆处于弯曲应力和剪切应力的作用下,需要根据这些应力的大小确定螺杆的耐力和变形情况。
另外,变形也是螺杆受力分析中需要考虑的因素之一。
在受到外力作用时,螺杆会发生变形,可能会导致连接不牢固或施工质量问题。
因此,在螺杆的受力分析中,我们需要考虑
螺杆的变形情况,并通过适当的方法来补偿变形或加固连接部位。
总的来说,螺杆在工程施工中扮演着重要的角色,受力分析是确保工程质量和安全的关键
步骤。
通过对螺杆受力的详细分析,工程师可以设计出合适的连接结构,确保施工的顺利
进行,为建设安全可靠的工程提供保障。
螺纹连接受力分析一、螺纹强度校核把螺母得一圈螺纹沿大径展开,螺杆得一圈螺纹沿小径展开,视为悬臂梁,如图。
相关参数:轴向力,旋合螺纹圈数(因为旋合得各圈螺纹牙受力不均,因而不宜大于10);螺纹牙底宽度,螺纹工作高度,每圈螺纹牙得平均受力为,作用在中径上。
螺母—-内螺纹,大径、中径、小径分别为、、。
螺杆--外螺纹,大径、中径、小径分别为、、。
1.挤压强度螺母一圈挤压面面积为,螺杆一圈挤压面积为。
螺母挤压强度螺杆挤压强度为挤压应力,为许用挤压应力。
2.剪切强度螺母剪切面面积为,螺杆剪切面面积。
螺母,剪切强度螺杆,剪切强度,为材料许用拉应力,为材料屈服应力。
安全系数,一般取3~5.3.弯曲强度危险截面螺纹牙根部,A-A。
螺母,弯曲强度螺杆,弯曲强度其中,:弯曲力臂,螺母,螺杆:弯矩,螺母,螺杆:抗弯模量,螺母,螺杆:螺纹牙得许用弯曲应力,对钢材,4.自锁性能自锁条件,其中,螺旋升角,螺距、导程、线数之间关系:;当量摩擦角,当量摩擦系数为螺旋副得滑动摩擦系数,无量纲,定期润滑条件下,可取0、13~0、17;为牙侧角,为牙型角得一半,5.螺杆强度1、实心螺杆2、空心按实际情况计算3、普通螺纹:普通螺纹螺栓拉断截面,就是一个经验值,其经验计算公式为其中,为材料得许用拉应力,,为屈服应力,为安全系数,一般取3~5。
二、螺栓连接强度6.预紧力计算:一般,螺栓预紧应力可达到材料屈服应力得50%~70%.:预紧力矩,,为拧紧力系数,为螺纹公称直径,:预紧力,:预紧应力,,为材料屈服应力:螺纹部分危险剖面得面积,:螺纹部分危险剖面得计算直径,,,7.松螺栓连接松螺栓连接,工作载荷,螺栓危险截面强度8.紧螺栓连接紧螺栓连接,无工作载荷时.螺栓危险截面拉伸应力,危险截面扭转切应力根据第四强度理论,螺栓预紧状态下,螺栓危险截面计算应力紧螺栓连接,有轴向工作载荷。
螺栓受力4个量,预紧力,工作载荷,残余预紧力,受载时螺栓总拉力。
科技信息SCIENCE&TECHNOLOGY INFORMATION2010年第17期螺纹受力分布分析方法及其应用实例郭卫凡黄文建(重庆工程职业技术学院中国重庆400037)【摘要】本文通过多自由度的弹簧系统模拟来分析螺栓联接中螺纹牙上的载荷分布,对螺母螺杆在三种不同受力状态下螺纹牙上产生的载荷分布进行了比较,其中包括一个普通拉伸型螺杆螺栓联接,一个通过T型螺母中部作用的拉伸型传力螺杆以及一个T型螺母的压缩型传力螺杆。
最后将计算分析结果用于一个螺杆传力系统的螺纹失效分析。
【关键词】螺纹;应力;分析;应用Methodology of Thread Stress Distribution Analysis and Case StudyGUO W ei-fan HUANG W en-jian(Chongqing vocational Institute of Engineering,Chongqing,400037,China)【Abstract】This article shows the comparison analysis of load distribution on thread when bolt and nut are under three different stress conditions including a normal threaded connection,a extrusion bolt with T nut and a compression bolt with T nut,through free spring system simulation on threaded connection.Finally the analysis result will be applied to analyze the failure of a thread transmission.【Key words】Thread;Stress;Analysis;Application0引言螺栓联接是用来传递作用力及将机器零部件联接成为一个工作整体的重要组成部分。
螺纹连接受力分析
一、 螺纹强度校核
把螺母的一圈螺纹沿大径展开,螺杆的一圈螺纹沿小径展开,视为悬臂梁,如图。
相关参数:
轴向力F ,旋合螺纹圈数z (因为旋合的各圈螺纹牙受力不均,因而z 不宜大于10); 螺纹牙底宽度b ,螺纹工作高度h ,每圈螺纹牙的平均受力为F z ,作用在中径上。
螺母——内螺纹,大径、中径、小径分别为D 、2D 、1D 。
螺杆——外螺纹,大径、中径、小径分别为d 、2d 、1d 。
F/z
A
πD
πD
2πD
1
A
b
螺母的一圈沿大径展开F/z
A
πd
1
πd
2
πd
A
螺杆的一圈沿小径展开
1. 挤压强度
螺母一圈挤压面面积为2D h π,螺杆一圈挤压面积为2d h π。
螺母挤压强度2[]p p F F z A D h πσ=
=≤σ 螺杆挤压强度2[]p p F F z A d h
σσπ=
=≤ p σ为挤压应力, []p σ 为许用挤压应力。
2. 剪切强度
螺母剪切面面积为Db π,螺杆剪切面面积1d b π。
螺母,剪切强度[]F F z A Db
ττπ=
=≤
螺杆,剪切强度1[]F F z A d b
ττπ=
=≤ []0.6[]τσ=,[]s
n
σσ=
为材料许用拉应力,s σ为材料屈服应力。
安全系数,一般取3~5。
3. 弯曲强度
危险截面螺纹牙根部,A-A 。
螺母,弯曲强度23[]b b M Fh W Db z
σσπ=
=≤ 螺杆,弯曲强度213[]b b M Fh W d b z
σσπ=
=≤ 其中,L :弯曲力臂,螺母22D D L -=
,螺杆2
2
d d L -= M :弯矩,螺母22D D F M F L z -=⋅=
⋅,螺杆2
2
d d F M F L z -=⋅=⋅ W :抗弯模量,螺母2
6
Db W π=
,螺杆2
16
d b W π=
[]b σ:螺纹牙的许用弯曲应力,对钢材,[]1~1.2[]b σσ=
4. 自锁性能
自锁条件v ψψ≤, 其中,螺旋升角22
arctan
arctan S np d d ψππ==,螺距、导程、线数之间关系:S =np ; 当量摩擦角arctan arctan
cos v v f
f ψβ
==, 当量摩擦系数cos v f f β=
f 为螺旋副的滑动摩擦系数,无量纲,定期润滑条件下,可取0.13~0.17;
β为牙侧角,为牙型角α的一半,2βα=
5. 螺杆强度
1、 实心
螺杆[]21F F =A d 4
σσπ=≤ 2、 空心
按实际情况计算 3、 普通螺纹
[]22c 1F F F =
A H d d -446σσππ==≤⎛⎫
⎪⎝⎭
c d :普通螺纹螺栓拉断截面,是一个经验值,其经验计算公式为c 1H
d d 6
=-
其中,[]σ为材料的许用拉应力,[]s
n
σσ=
,s σ为屈服应力,为安全系数,一般取3~5。
二、 螺栓连接强度
6. 预紧力计算:
一般,螺栓预紧应力可达到材料屈服应力的50%~70%。
T :预紧力矩,0T K F d =⋅⋅,K 为拧紧力系数, d 为螺纹公称直径,
0F :预紧力,00s F A σ=⋅
0σ:预紧应力,00.5~0.7s σσ=,s σ为材料屈服应力
s A :螺纹部分危险剖面的面积,2s s A d π=⋅
s d :螺纹部分危险剖面的计算直径,()23s d d d =+,316d d H =-,
7. 松螺栓连接
松螺栓连接,工作载荷F ,螺栓危险截面强度[]21F F
=
A d 4
σσπ=≤
8. 紧螺栓连接
紧螺栓连接,无工作载荷时。
螺栓危险截面拉伸应力0
2
1F =
d 4
σπ,危险截面扭转切应力 ()020
232
111tan 2tan tan 20.5161tan tan 4
V V V F d F d d d d ψψψψτσπψψπ+⋅+=
=⋅⋅≈-⋅ 根据第四强度理论,螺栓预紧状态下,螺栓危险截面计算应力 ()2
2
2
2
2
11.3330.5 1.3[]4
ca F d σστσσσσπ=+=+≈=
≤ 紧螺栓连接,有轴向工作载荷。
螺栓受力4个量,预紧力0F ,工作载荷F ,残余预紧力1F ,受载时螺栓总拉力2F 。
螺栓和被连接件的受力与变形关系,如图。
F 0
F
F 1
F 2
F
max
λ b
Δλ
λ'm
λ m
F
λ
θ b
θ m
ΔF
O m
O b
(1) 受载前,螺栓仅受预紧力0F 即为螺栓拉力,被连接件压力为0F 。
仅受预紧力时,螺栓伸长量为b λ,被连接件压缩量为m λ。
其中,螺栓刚度0
tan b b b
F C θλ=
=,被连接件刚度0
tan m m m
F C θλ=
=。
(2) 受载后,被连接件压力为1F ,螺栓总拉力210F F F F F =+=+∆。