型材理论重量结算表9.10
- 格式:xls
- 大小:13.00 KB
- 文档页数:1
常用金属型材单位重量一览表序资料名称规格单位重量备注号1直缝焊管Φ48x3.2 3.54kg/m2直缝焊管Φ32x3 2.84kg/m3直缝焊管Φ30x2.5 1.695kg/m4直缝焊管Φ25x2.5 1.387kg/m5直缝焊管Φ25x2 1.134kg/m6无缝管Φ57x3.5 4.62kg/m7槽钢 6.3 6.634kg/m8槽钢88.045kg/m9槽钢1010.007kg/m10槽钢12.612.318kg/m11槽钢14a14.535kg/m12槽钢14b16.735kg/m13槽钢16a17.240kg/m14槽钢1619.752kg/m15等边角钢 2.525x25x3 1.224kg/m16等边角钢330x30x3 1.373kg/m17等边角钢30x30x4 1.786kg/m18等边角钢440x40x3 1.852kg/m19等边角钢40x40x4 2.422kg/m20等边角钢 4.545x45x4 2.734kg/m21等边角钢45x45x5 3.369kg/m22等边角钢550x50x4 3.059kg/m等边角钢550x50x5 3.770kg/m 等边角钢 5.656x56x4 3.446kg/m 等边角钢56x56x5 4.251kg/m 等边角钢 6.363x63x4 3.907kg/m 等边角钢63x63x5 4.822kg/m 等边角钢63x63x6 5.721kg/m 等边角钢770x70x4 4.372kg/m 等边角钢70x70x5 5.397kg/m 等边角钢70x70x6 6.406kg/m 等边角钢7.575x75x5 5.818kg/m 等边角钢75x75x6 6.905kg/m 等边角钢75x75x77.976kg/m 等边角钢10100x100x69.366kg/m 等边角钢100x100x710.830kg/m 等边角钢100x100x812.273kg/m 扁钢5x30扁钢5x40扁钢5x50扁钢5x60扁钢6x40扁钢6x50扁钢6x60扁钢6x70扁钢6x80扁钢6x100扁钢8x50扁钢8x60扁钢8x70扁钢8x80扁钢8x90扁钢8x100扁钢10x80扁钢10x90扁钢10x100扁钢12x80扁钢12x100圆钢Φ16圆钢Φ18圆钢Φ20圆钢Φ22圆钢Φ25圆钢Φ30钢板5x1000x1000钢板6x1000x1000钢板8x1000x1000钢板10x1000x1000。
标准钢材理论重量表及计算规则理论重量计算方法表序号材料名称单位重量(kg) 备注1 角钢m 7850X(边宽边宽-边厚)X边厚以“米”为单位计算(略小)2 圆钢m 6170X直径X直径以“米”为单位计算3 扁钢m 7850X边宽X边厚以“米”为单位计算4 钢管材m 24660X壁厚X(外径-壁厚)以“米”为单位计算5 钢板材m 7850X边宽X边厚以“米”为单位计算6 紫铜管m 26700X壁厚X(外径-壁厚)以“米”为单位计算7 黄铜管m 27960X壁厚X(外径-壁厚)以“米”为单位计算8 板材m2比重X厚度角钢:每米重量=0.00785*(边宽边宽-边厚)*边厚圆钢:每米重量=0.00617*直径*直径(螺纹钢和圆钢相同)扁钢:每米重量=0.00785*厚度*边宽管材:每米重量=0.02466*壁厚*(外径-壁厚)板材:每米重量=7.85*厚度黄铜管:每米重量=0.02670*壁厚*(外径-壁厚)紫铜管:每米重量=0.02796*壁厚*(外径-壁厚)铝花纹板:每平方米重量=2.96*厚度有色金属比重:紫铜板8.9黄铜板8.5锌板7.2铅板11.37有色金属板材的计算公式为:每平方米重量=比重*厚度密度表序号材料名称密度(kg/m3)1 钢材(综合)78502 不锈钢(综合)79303 紫铜89004 黄铜85005 铝27606 铝花纹板29607 铝合金28208 大理石27009 花岗岩300010 木材155011 玻璃251012 锌板720013 铅板11370序号材料名称规格理论重量(kg) 每吨米数角钢1 角钢25X3 1.12 892.862 角钢25X4 1.46 684.933 角钢30X3 1.37 729.934 角钢30X4 1.79 558.665 角钢40X3 1.85 540.546 角钢40X4 2.42 413.227 角钢40X5 2.98 335.578 角钢50X5 3.77 265.259 角钢63X5 4.82 207.4710 角钢63X6 5.72 174.8311 角钢70X7 7.40 135.1412 角钢80X8 9.66 103.52 槽钢1 槽钢5# 5.44 183.822 槽钢 6.3# 6.63 150.833 槽钢8# 8.05 124.224 槽钢10# 10.01 99.905 槽钢12# 12.06 82.926 槽钢14a# 14.54 68.787 槽钢16# 19.75 50.638 槽钢18# 23.00 43.489 槽钢20# 25.78 38.7910 槽钢20a# 22.64 44.17 扁钢1 扁钢25X3 0.59 1694.922 扁钢25X4 0.78 1282.053 扁钢25X5 0.98 1020.414 扁钢30X3 0.71 1408.455 扁钢30X4 0.94 1063.836 扁钢30X5 1.18 847.467 扁钢40X3 0.94 1063.838 扁钢40X4 1.26 793.659 扁钢50X5 1.96 510.20 无缝管1 无缝管32X2.5 1.82 549.452 无缝管38X3 2.59 386.103 无缝管42X3 2.89 346.024 无缝管57X3 3.99 250.635 无缝管76X4 7.10 140.856 无缝管89X4 8.38 119.337 无缝管108X4 10.26 97.478 无缝管114X4.5 12.15 82.309 无缝管133X4.5 14.26 70.1310 无缝管133X5 15.78 63.3711 无缝管159X5 18.99 52.6612 无缝管219X6 31.52 31.7313 无缝管273X9 58.59 17.0714 无缝管325X10 77.68 12.87镀锌无缝管1 镀锌无缝管32X2.5 1.91 523.562 镀锌无缝管38X3 2.72 367.653 镀锌无缝管42X3 3.03 78.374 镀锌无缝管57X3 4.19 330.035 镀锌无缝管76X4 7.46 238.666 镀锌无缝管89X4 8.80 134.057 镀锌无缝管108X4 10.77 113.648 镀锌无缝管114X4.5 12.76 92.859 镀锌无缝管133X4.5 14.97 66.8010 镀锌无缝管133X5 16.57 60.3511 镀锌无缝管159X5 19.94 50.1512 镀锌无缝管219X6 33.10 30.2113 镀锌无缝管273X9 61.52 16.2514 镀锌无缝管325X10 81.56 12.26 圆钢1 圆钢 5.5# 0.19 5263.162 圆钢6# 0.22 4545.453 圆钢 6.5# 0.26 3846.154 圆钢7# 0.30 3333.335 圆钢8# 0.40 2500.006 圆钢9# 0.50 2000.007 圆钢10# 0.62 1612.908 圆钢11# 0.75 1333.339 圆钢12# 0.89 1123.6010 圆钢13# 1.04 961.5411 圆钢14# 1.21 826.4512 圆钢15# 1.39 719.4213 圆钢16# 1.58 632.9114 圆钢17# 1.78 561.8015 圆钢18# 2.00 500.0016 圆钢19# 2.23 448.4317 圆钢20# 2.47 404.8618 圆钢21# 2.72 367.6519 圆钢22# 2.98 335.5720 圆钢23# 3.26 306.7521 圆钢24# 3.55 281.69镀锌圆钢1 镀锌圆钢 5.5# 0.20 5000.002 镀锌圆钢6# 0.23 4347.833 镀锌圆钢 6.5# 0.28 1250.004 镀锌圆钢7# 0.32 3571.435 镀锌圆钢8# 0.42 3125.006 镀锌圆钢9# 0.53 2380.957 镀锌圆钢10# 0.66 1886.798 镀锌圆钢11# 0.80 1515.159 镀锌圆钢12# 0.94 1063.8310 镀锌圆钢13# 1.10 909.0911 镀锌圆钢14# 1.28 781.2512 镀锌圆钢15# 1.47 680.2713 镀锌圆钢16# 1.67 598.8014 镀锌圆钢17# 1.89 529.1015 镀锌圆钢18# 2.12 471.7016 镀锌圆钢19# 2.36 423.7317 镀锌圆钢20# 2.62 381.6818 镀锌圆钢21# 2.88 347.2219 镀锌圆钢22# 3.16 316.4620 镀锌圆钢23# 3.46 289.0221 镀锌圆钢24# 3.76 265.96 焊接钢管1 2.75mm厚焊接钢管(外径21.3mm)DN15 1.26 793.652 2.75mm厚焊接钢管(外径26.4mm)DN20 1.63 613.503 3.25mm厚焊接钢管(外径33.5mm)DN25 2.42 413.224 3.25mm厚焊接钢管(外径42.3mm)DN32 3.13 319.495 3.5mm厚焊接钢管(外径48mm)DN40 3.84 260.4263.5mm厚焊接钢管(外径60mm)DN50 4.88 204.927 3.75mm厚焊接钢管(外径75.5mm)DN65 6.64 150.608 4.0mm厚焊接钢管(外径88.5mm)DN80 8.34 119.909 4.0mm厚焊接钢管(外径114mm)DN100 10.85 92.1710 4.5mm厚焊接钢管(外径140mm)DN125 15.04 66.4911 4.5mm厚焊接钢管(外径165mm)DN150 17.81 56.15 镀锌焊接钢管1 镀锌钢管DN15 1.34 746.272 镀锌钢管DN20 1.73 578.033 镀锌钢管DN25 2.57 389.114 镀锌钢管DN32 3.32 301.205 镀锌钢管DN40 4.07 245.706 镀锌钢管DN50 5.17 193.427 镀锌钢管DN65 7.04 142.058 镀锌钢管DN80 8.84 113.129 镀锌钢管DN100 11.50 86.9610 镀锌钢管DN125 15.94 62.7411 镀锌钢管DN150 18.88 52.97 焊接钢管1 钢板0.2mm 1.57 636.942 钢板0.25mm 1.96 509.423 钢板0.3mm 2.36 424.634 钢板0.35mm 2.75 363.905 钢板0.4mm 3.14 318.476 钢板0.45mm 3.53 283.057 钢板0.5mm 3.93 254.788 钢板0.55mm 4.32 231.599 钢板0.6mm 4.71 212.3110 钢板0.7mm 5.50 181.9811 钢板0.75mm 5.89 169.8412 钢板0.8mm 6.28 159.2413 钢板0.9mm 7.07 141.5414 钢板 1.0mm 7.85 127.3915 钢板 1.1mm 8.64 115.8116 钢板 1.2mm 9.42 106.1617 钢板 1.3mm 10.21 97.9418 钢板 1.4mm 10.99 90.9919 钢板 1.5mm 11.78 84.8920 钢板 1.6mm 12.56 79.6221 钢板 1.7mm 13.35 74.9122 钢板 1.8mm 14.13 70.7723 钢板 1.9mm 14.92 67.0224 钢板 2.0mm 15.70 63.69镀锌焊接钢管1 镀锌钢板0.2mm 1.87 534.762 镀锌钢板0.25mm 2.26 441.893 镀锌钢板0.3mm 2.66 376.654 镀锌钢板0.35mm 3.05 328.085 镀锌钢板0.4mm 3.44 290.706 镀锌钢板0.45mm 3.83 260.897 镀锌钢板0.5mm 4.23 236.698 镀锌钢板0.55mm 4.62 216.549 镀锌钢板0.6mm 5.01 199.6010 镀锌钢板0.7mm 5.80 172.5611 镀锌钢板0.75mm 6.19 161.6012 镀锌钢板0.8mm 6.58 151.9813 镀锌钢板0.9mm 7.37 135.7814 镀锌钢板 1.0mm 8.15 122.7015 镀锌钢板 1.1mm 8.94 111.9216 镀锌钢板 1.2mm 9.72 102.8817 镀锌钢板 1.3mm 10.51 95.1518 镀锌钢板 1.4mm 11.29 88.5719 镀锌钢板 1.5mm 12.08 82.7820 镀锌钢板 1.6mm 12.86 77.7621 镀锌钢板 1.7mm 13.65 73.2622 镀锌钢板 1.8mm 14.43 69.3023 镀锌钢板 1.9mm 15.22 65.7024 镀锌钢板 2.0mm 16.00 62.50你么知晓这么多的钢构行业知识?。
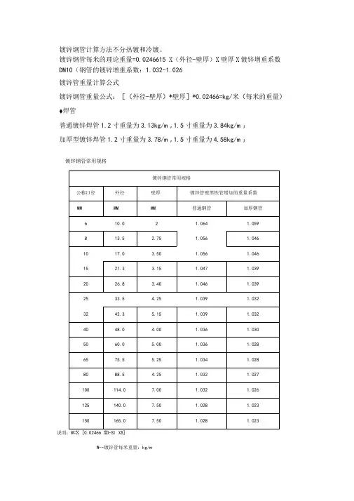
镀锌钢管计算方法不分热镀和冷镀。
镀锌钢管每米的理论重量=0.0246615 X(外径-壁厚)X壁厚X镀锌增重系数DN10(钢管的镀锌增重系数:1.032-1.026镀锌管重量计算公式镀锌钢管重量公式:[(外径-壁厚)*壁厚]*0.02466=kg/米(每米的重量)♦焊管普通镀锌焊管1.2寸重量为3.13kg/m , 1.5寸重量为3.84kg/m ;加厚型镀锌焊管1.2寸重量为3.78/m , 1.5寸重量为4.58kg/m ;镀锌钢管常用规格说明:W=[0.02466 D-S) XS]W--镀锌管每米重量:kg/mC--镀锌管比黑铁管增加的重量系数D--黑铁管的外径S--黑铁管的壁厚空心方钢规格表I空心方钢理论重量表I方钢理论重量表双击自动滚屏发布者:山东无缝钢管厂发布时间:2010-11-9阅读:8次【字体:大中小]空心方钢规格表I空心方钢理论重量表I方钢理论重量表方管,是方形管材的一种称呼,也就是边长相等的的钢管。
是带钢经过工艺处理卷制而成。
一般是把带钢经过拆包,平整,卷曲,焊接形成圆管,再由圆管轧制成方形管然后剪切成需要长度。
一般是50根每包。
方管有无缝和焊缝之分,无缝方管是将无缝圆管挤压成型而成。
4x壁厚x(边长-壁厚)x7.85 其中,边长和壁厚都以毫米为单位,直接把数值代入上述公式,得出即为每米方管的重量,以克为单位。
异型无缝钢管是除了圆管以外的其他截面形状的无缝钢管的总称。
异型无缝钢管按钢管截面形状尺寸的不同又可分为等壁厚异型无缝钢管(代号为D)、不等壁厚异型无缝钢管(代号为BD )、变直径异型无缝钢管(代号为BJ)。
异型无缝钢管广泛用于各种结构件、工具和机械零部件。
和圆管相比,异型管一般都有较大的惯性矩和截面模数,有较大的抗弯抗扭能力,可以大大减轻结构重量,节约钢材。
无缝方管和无缝矩管也属于异型无缝钢管,无缝矩管理论重量计算方法:(边长+边长)X2X壁厚X0.00785 X长度;无缝方管理论重量计算方法:边长x4x壁厚x0.00785 X长度.异型无缝钢管螺纹钢(kg/m )W= 0.00617 X d X dd= 断面直径mm断面直径为12 mm 的螺纹钢,求每m重量。
型材测量大多数钢铁型材重量测量都为过磅,例如:工字型钢、角钢、槽钢、管材、圆钢、方管、花纹板、不锈钢钢板、薄钢板等。
需要检尺的有螺纹圆钢、厚钢板、镀锌板、镀锌钢管、H型钢等。
实际使用中称的检尺就是钢材的理论重量:按钢材的公称尺寸和密度(过去称为比重)计算得出的重量称之为理论重量.这与钢材的长度尺寸、截面面积和尺寸允许偏差有直接关系。
由于钢材在制造过程中的允许偏差,因此用公式计算的理论重量与实际重量有一定出入,所以只作为估算时的参考。
检尺最重要的是厚度的测量,一般使用游标卡尺或测厚仪,游标卡尺便宜但相对误差较大,且只能测量型材边缘厚度,很薄的材料甚至无法测量;测厚仪准确度高,型材各处都可以测量但仪器价格较高(4000元——6000元)合金钢和不锈钢因为型号众多一般都需要取样化验。
型材上面一般会有标号,但是可以作假,因此一些所需尺寸都需要实际测量所需工具为卷尺、游标卡尺、测厚规、测厚仪等仪器。
游标卡尺数显游标卡尺数显测厚规测厚仪材料理论重量计算公式下面是碳钢(20号钢)的理论重量计算公式无缝钢管重量=0.02466*壁厚*(外径—壁厚)=kg 4500—6500元/吨岩棉管立方数= (径+壁厚)*壁厚*3.14=m3角钢:每米重量=0.00785*(边宽+边宽-边厚)*边厚圆钢:每米重量=0.00617*直径*直径(螺纹钢和圆钢相等) 扁钢:每米重量=0.00785*厚度*边宽镀锌扁钢相同管材:每米重量=0.02466*壁厚*(外径-壁厚)镀锌管、螺旋焊管相同不锈钢管:每米重量=0.02491*壁厚*(外径-壁厚)板材:每米重量=7.85*厚度黄铜管:每米重量=0.02670*壁厚*(外径-壁厚)紫铜管:每米重量=0.02796*壁厚*(外径-壁厚)铝花纹板:每平方米重量=2.96*厚度有色金属比重:紫铜板8.9黄铜板8.5锌板7.2铅板11.37有色金属板材的计算公式为:每平方米重量=比重*厚度方管镀锌钢管螺纹圆钢圆钢不锈钢管钢管螺旋焊管:是将低碳碳素结构钢或低合金结构钢钢带按一定的螺旋线的角度(叫成型角)卷成管坯,然后将管缝焊接起来制成,它可以用较窄的带钢生产大直径的钢管。
量 计算公式:W(kg/m)=0.00785*边厚*(2边宽-边厚)
2、槽钢长度:5~8号,长
1、有 * 记号的型号,是须经供需双方协议供应的品种。
ρ(密度,g/cm3)×1/1000
9、 无缝钢管:每m重量=0.02466×壁厚×(外径-壁厚)
10、电焊钢:每m重量=无缝钢管
11、钢板:每㎡重量=7.85×厚度
12、黄铜管:每米重量=0.02670×壁厚×(外径-壁厚)
13、紫铜管:每米重量=0.02796×壁厚×(外径-壁厚)
14、铝花纹板:每平方米重量=2.96×厚度
15、有色金属密度:紫铜板8.9,黄铜板8.5,锌板7.2,铅板11.37
16、有色金属板材的计算公式为:每平方米重量=密度×厚度
17、方管: 每米重量=(边长+边长)×2×厚×0.00785
18、不等边角钢 : 每米重量=0.00785×边厚(长边宽+短边宽--边厚)
19、工字钢 :每米重量=0.00785×腰厚[高+f(腿宽-腰厚)]
20、槽钢: 每米重量=0.00785×腰厚[高+e(腿宽-腰厚)]
钢长度:5~8号,长5~12米;10~18号,长5~19米;20~40号,长6~19米。
序号材料名称边宽(mm)边宽(mm)长度(mm)比重*型材计算表(八角棒料)型材计算表(方棒料)各种型材计算表(六角棒料)金贝莱五金塑料有限公司---金属、塑料红字列为需要填写的区域。
其它都不需要填写注:有蓝颜色的区域为需要输入实际数据的地方。
不锈钢316L等材质好些的材料比重需要稍微增加些。
型材计算表(圆棒料)型材计算表(钢管料)型材计算表(板材料)金贝莱五金塑料有限公司---金属、塑金贝莱五金塑料有限公司---金属、塑料型材理论重量计算表(棒、管、板材料)金贝莱五金塑料有限公司---金属、塑料型材理论重量计算表(棒、管、板材料)莱五金塑料有限公司---金属、塑料型材理论重量计算表(棒、管、板材料)金贝莱五金塑料有限公司---金属、塑料型材理论重量计算表(棒、管金贝莱五金塑料有限公司---金属、塑料型材理论重量计算表(棒、管、板材料)金贝莱五金塑料有限公司---金属、塑料型材理论重量计算表(棒、管金贝莱五金塑料有限公司---金属、塑料型材理论重量计算表(棒、管金金贝莱五金塑料有限公司---金金贝莱五金塑料有限金金贝莱五金塑料有限金贝莱五金塑料有限公司---金属、塑金贝莱五金塑料有限公司---金金贝莱五金塑料有限金贝莱五金塑料有限重量(g)材料吨位价格(元)料)单个材料价格(元)料)棒料)、塑料型材理论重量计算表(棒、管、板材料)料)料)料)属、塑料型材理论重量计算表(棒、管、板材料)金贝莱五金塑料有限公司---金属、塑料型材理论重量计算表(棒、管金贝莱五金塑料有限公司---金属、塑料型材理论重量计算表(棒、管。
钢材理论重量简易计算公式来自: 马甲漆2008-06-23 11:29:551、圆钢每m重量=0.00617×直径×直径列出下面小公式供大家参考:例如:求直径为D的钢筋的理论重量=D*D*0.006170.617为直径为10钢筋的理论重量,只需要记住10钢筋的理论重量即可!直径12及以下的保留三位小数;直径12以上的保留两位小数;保留时候6舍7入!直径40以下的都很准,2、方钢每m重量=0.00786×边宽×边宽3、六角钢每m重量=0.0068×对边直径×对边直径4、八角钢每m重量=0.0065×直径×直径5、螺纹钢每m重量=0.00617×直径×直径6、角钢每m重量=0.00786×(边宽+边宽-边厚)×边厚7、扁钢每m重量=0.00785×厚度×宽度8、无缝钢管每m重量=0.02466×壁厚×(外径-壁厚)9、电焊钢每m重量=无缝钢管10、钢板每㎡重量=7.85×厚度11、黄铜管:每米重量=0.02670*壁厚*(外径-壁厚)12、紫铜管:每米重量=0.02796*壁厚*(外径-壁厚)13、铝花纹板:每平方米重量=2.96*厚度14、有色金属比重:紫铜板8.9黄铜板8.5锌板7.2铅板11.3715、有色金属板材的计算公式为:每平方米重量=比重*厚度直径圆钢方钢六角钢5 0.154 0.1966.5 0.260 0.3327 0.302 0.3858 0.395 0.502 0.4359 0.499 0.636 0.55110 0.617 0.785 0.68011 0.746 0.950 0.82312 0.888 1.13 0.97913 1.04 1.33 1.1514 1.21 1.54 1.3316 1.58 2.01 1.7418 2.00 2.54 2.2020 2.47 3.14 2.7222 2.98 3.80 3.2925 3.85 4.91 4.25?米制单位换算长度单位:1 毫米=0.0394 英寸1厘米=10毫米=0.3937 英寸1米=1000毫米=1.0936 码1千米=1000 米=0.6214 英里面积单位:1平方厘米=100平方毫米=0.1550 平方英寸1平方米=10000平方厘米=1.1960 平方码1公倾=10000 平方米=2.4711 英亩1平方公里=100公顷=0.3861 平方英里容积单位:1立方厘米=1000立方厘米=0.0610 立方英寸1立方分米=1000立方分米=0.353 立方英尺1立方米=1立方分米=1.3079 立方码1公升=0.2642 美加1公升=0.2200 英加仑1百升=2.8378 美蒲式耳1百升=100公升=2.7497 英蒲式耳重量单位:1毫克=0.0154 谷1克=1000毫克=0.0353 盎司1千克=1000 克=2.2046 磅1公吨=1000 千克=1.1023 美吨(短吨)1公吨=0.9842 英吨(长吨。
管道保温体积计算表序号管道外径m保温厚度调整系数管道长度m保温体积m310.0150.05150.000.51120.0320.05 1.03335.000.47530.0250.05 1.03375.000.93340.0890.1 1.03316.000.99950.0210.05 1.03355.000.64860.0570.05 1.033150.00 2.6447 1.03330.0008 1.03350.0009 1.03370.00010 1.033160.00011 1.03390.00011 1.033120.0008 1.03330.0008 1.03330.0008 1.0331370.0008 1.0331000.000管道保温外护面积计算表序号管道外径m保温厚度调整系数管道长度m保温面积m2 190.1 2.116.00463.35820.0320.05 2.135.0015.96630.0250.05 2.175.0032.56340.0890.1 2.116.0015.44250.0210.05 2.155.0023.18860.0570.05 2.1150.0080.2057 2.10.0008 2.10.0009 2.10.00010 2.10.000110.1080.07 2.197.44290.0980.11 2.11212.712110.0890.1 2.13 2.895 100.1590.09 2.13 3.357 100.0320.025 2.16518.930 110.12 2.10.000伴热管道绝热工程量计算式单管伴热主管道直径m伴热管道直径m管道之间间隙10~20mm管道直径综合值m双管伴热:管径相同夹角大于90°主管道直径m伴热管道直径m管道之间间隙10~20mm管道直径综合值m0双管伴热:管径不同夹角小于90°主管道直径m伴热大管道直径m管道之间间隙10~20mm管道直径综合值m0注:将管道直径综合值代入绝热层、保护层计算表阀门保温体积计算式直径保温厚度数量体积0.0250.05140.01142696阀门保温面积计算式直径保温厚度数量面积0.0960.0710.190.1080.0620.420.1330.0620.570.2190.082 1.400.1590.0810.430.0760.0510.11法兰保温体积计算式直径保温厚度数量体积10.112 1.252262486法兰保温面积计算式直径保温厚度数量面积直径保温厚度数量体积1.80.1422.384275947直径保温厚度数量面积1.80.14210.33。