钢筋配料表模板(下料板)
- 格式:xls
- 大小:5.75 MB
- 文档页数:1
广西省市心圩中学教学综合楼钢筋下料单编者:一帆审核:兰茗目次1钢筋下料单编制说明 (1)1.1参考资料 (1)1.2基本公式 (1)1.3钢筋弯曲量度差值 (1)1.4箍筋增加值 (1)1.5钢筋概况 (1)1.6下料单容 (1)2承台下料计算 (2)2.1独立柱基础ZJ1承台 (2)2.2独立柱基础ZJ2承台 (4)2.3独立柱基础ZJ3承台 (6)2.4独立柱基础ZJ4承台 (8)2.5独立柱基础ZJ5承台 (10)2.6独立柱基础ZJ6承台 (13)2.7独立柱基础ZJ7承台 (16)2.8独立柱基础ZJ8承台 (18)2.9独立柱基础ZJ9承台 (21)2.10独立柱基础ZJ10承台 (23)2.11独立柱基础ZJ11承台 (26)3框架柱下料计算 (28)3.1KZ1角柱 (28)3.2KZ3边柱 (35)3.3KZ13中柱 (41)4框架梁下料计算 (48)4.1标准层KL10框架梁 (48)4.2标准层KL11框架梁 (52)4.3顶层屋面W1KL3框架梁 (57)4.4顶层屋面W1KL4框架梁 (61)4.5标准层LL3连续梁 (64)4.6顶层屋面W1LL1连续梁 (68)5现浇板下料计算 (70)5.1标准层B1现浇板 (70)5.2标准层B2现浇板 (73)5.3标准层B3现浇板 (76)5.4顶层屋面B1现浇板 (80)5.5顶层屋面B2现浇板 (83)5.6顶层屋面B3现浇板 (86)5.7屋面楼梯板和PTB-1平台板 (89)1钢筋下料单编制说明1.1参考资料(1)中国建筑工业出版社《钢筋快速下料法与实例》(2)建筑标准设计图集(11G101-1)(3)机械工业出版社《建筑施工技术》1.2基本公式钢筋下料长度=外包尺寸一量度差值+弯钩增加长度(箍筋弯钩增加值)1.3钢筋弯曲量度差值表1-1钢筋弯曲量度差值表1.4箍筋增加值表1-2箍筋弯钩量度增加值1.5钢筋概况本工程钢筋为HPB235(一级钢)、HRB335(二级钢)。
广西省南宁市心圩中学教学综合楼钢筋下料单编者:审核:兰茗目次1钢筋下料单编制说明 (1)1。
1 参考资料 (1)1.2 基本公式 (1)1.3 钢筋弯曲量度差值 (1)1.4 箍筋增加值 (1)1.5 钢筋概况 (2)1.6 下料单内容 (2)2框架柱下料计算 (2)2.1 KZ1角柱 (2)2。
2 KZ3边柱 (11)2。
3 KZ13中柱 (19)3框架梁下料计算 (27)3.1 标准层KL10框架梁 (27)3.2 标准层KL11框架梁 (32)3.3 顶层屋面W1KL3框架梁 (38)3。
4 顶层屋面W1KL4框架梁 (43)3。
5 标准层LL3连续梁 (48)3.6 顶层屋面W1LL1连续梁 (52)4现浇板下料计算 (55)4.1 标准层B1现浇板 (55)4。
2 标准层B2现浇板 (59)4。
3 标准层B3现浇板 (63)4.4 顶层屋面B1现浇板 (68)4。
5 顶层屋面B2现浇板 (72)4。
6 顶层屋面B3现浇板 (75)4。
7 屋面楼梯板和PTB—1平台板 (80)1钢筋下料单编制说明1.1参考资料(1)中国建筑工业出版社《钢筋快速下料方法与实例》(2)国家建筑标准设计图集(11G101-1)(3)机械工业出版社《建筑施工技术》1.2基本公式钢筋下料长度=外包尺寸一量度差值+弯钩增加长度(箍筋弯钩增加值)1.3钢筋弯曲量度差值表1-1钢筋弯曲量度差值表1.4箍筋增加值表1-2箍筋弯钩量度增加值注:表中括号内数据为有抗震要求时。
1.5钢筋概况本工程钢筋为HPB330(一级钢)、HRB335(二级钢)、HRB345(二级钢)。
因为是C25混凝土采取经验值40mm.梁柱保护层厚度均为25mm。
板的砼保护层厚度均为20mm,板中支座负筋的直钩长度为板厚减去保护层厚度。
当hc-保护层(直锚长度) 〈LaE时,必须弯锚,锚固长度取0。
4Lae+15d。
1.6下料单内容梁钢筋的计算选取标准层框架梁KL10、KL11,连梁选取了顶层屋面框架梁W1KL3、W1KL4、连续梁取了标准层连续梁LL3和顶层屋面连续梁W1LL1.板钢筋的计算选取了标准层现浇板B1、B2、B3和顶层现浇板B1、B2、B3以及屋面楼梯板和平台板。
KZ5钢筋下料单钢筋编号直径/mm 计算式下料长度/mm 单位根数1 28 600+12x28+2970/3+35x28-2x28 2570 22 25 600+12x25+2970/3-2x25 1840 33 25 600+12x25+2970/3+35x25-2x25 2540 34 22 600+22x12+2970/3-2x22 1810 25 22 600+22x12+2970/3+35x22-2x22 2510 26 28 600+12x28+2970/3-2x28 1870 27 28 2970-990+770 2750 48 25 2970-990+770 2750 49 25 2970-990+770 2750 610 28 2300 2300 811 22 2300 2300 812 25 2300 2300 1213 28 3000-770-80+336-2x28 2430 214 22 3000-770-80-700+264-2x22 1670 215 22 3000-770-80+264-2x22 2370 216 25 3000-770-80-700+300-2x25 1700 217 25 3000-770-80+300-2x25 2400 218 28 3000-770-80-700+336-2x28 1730 219 8 (600-2x25-2x8)x4 2136 108KZ5钢筋配料单钢筋编号简图规格直径/mm 下料长度/mm总长度/mm每米重量/(kg/m)重量/kg1225033628 2570 5140 4.83 24.8262154030025 1840 5520 3.85 21.2523224030025 2540 10620 3.85 40.8874155026422 1810 3620 2.98 10.7875225026422 2510 5020 2.98 14.9596154033628 1870 3740 4.83 18.0647275028 2750 11000 4.83 531308275025 2750 11000 3.85 42.3509275025 2750 16500 3.85 63.525钢筋编号简图规格直径/mm 下料长度/mm总长度/mm每米重量/(kg/m)重量/kg10230028 2300 18400 4.83 88.87211230022 2300 18400 2.98 54.83212230025 2300 27600 3.85 106.26013243028 2430 4860 4.83 23.473 14 264141022 1670 3340 2.98 9.953 15 264211022 2370 4740 2.98 14.125 16 300140025 1700 3400 3.85 13.090 17 300210025 2400 4800 3.85 18.480 18 336140028 1730 3460 4.83 16.71119 5345348 2136 230688 0.395 91.121梁KL1(2)钢筋下料计算表钢筋编号直径/mm 计算式下料长度/mm单位根数1 20 9000+8000+375-30-30+15×20×2-2×20×217835 22 20 2460+500-30+20×15-2×20 3190 23 28 2500+2500+500 5500 24 20 2500+500-30+20×15-2×20 3230 25 28 1900+1900+500 4300 26 20 1900+500-30-20-10+20×15-2×20 2600 27 28 8000+125+850-30-20-10-28-10+15×28-2×289241 28 28 8000+9000+500-30-20-10-30-20-20-10+28×15×2-2×2×2817738 29 22 7500+750+500-30-20-10-20-10-28-10+28×15-28×28986 2 10 8 (600-30+300-30)×2+70 1750 103梁KL1(2)钢筋配料单钢筋编号简图规格直径/mm下料长度/mm总长度/mm每米长度/(kg/m)重量/kg1 1731530020 17835 35670 2.47 88.1042 293030020 3190 6380 2.47 15.7583 5500 28 5500 11000 4.83 53.1304 297030020 3230 6460 2.47 15.9565 4300 28 4300 8600 4.83 41.5386 234030020 2600 5200 2.47 12.8447 887742028 9241 18482 4.83 89.268钢筋编号简图规格直径/mm下料长度/mm总长度/mm每米长度/(kg/m)重量/kg81736042028 17738 35476 4.83 171.3499 862233022 8914 17828 2.98 53.127102705708 1750 180250 0.395 71.198一层楼板钢筋下料计算表钢筋编号直径/mm计算式下料长度/mm根数1 10 4200-240+5×10×2 4060 262 10 4200-240+0.35×35×10×2-2×10×2+15×10×24465 193 10 3600-240+0.35×35×10×2-2×10×2+15×10×23865 22 4 10 3600-240+5×10×2 3460 16板钢筋配料表钢筋编号简图规格直径/mm下料长度/mm总长度/mm 每米重量/(kg/m)重量/kg1 4060 10 4060 105560 0.617 65.1302 420515010 4465 84835 0.617 52.3433 360515010 3865 85030 0.617 52.463 4 3460 10 3460 55360 0.617 34.157。
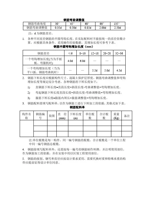
注:d为钢筋直径。
1.各种不同直径钢筋的半圆弯钩长度,在实际配料时不能按统一的直径倍数计
算,应根据具体条件,采用操作经验数据,其增加长度可参考下表。
钢筋半圆弯钩增加长度(mm)
2.钢筋下料长度应根据构件尺寸、混凝土保护层厚度、钢筋弯曲调整值和弯钩
增加长度等规定综合考虑。
各种钢筋的下料长度如下:
1)直钢筋下料长度=直段长度+斜段长度-弯曲调整值+弯钩增加长度。
2)弯起钢筋下料长度直段长度+斜段长度-弯曲调整值+弯钩增加长度。
3)箍筋下料长度=箍筋内周长+箍筋调整值+弯钩增加长度。
3.钢筋配料需填写配料单,以作为钢筋工进行下料加工的依据,其格式如下表。
钢筋配料单
注:单位根数是每一构件、同一编号钢筋的根数。
合计根数是一个单位工程中同一编号钢筋总根数。
4.钢筋除填写配料单外,还需按每一编号的钢筋制作料牌,并注明使用部位,作为钢筋加工的依据,并在安装中用以区别工程使用部位。
5.钢筋的级别、钢号和直径应按设计要求采用,需要代换时要和特殊承重的构件应提前征得设计单位同意。
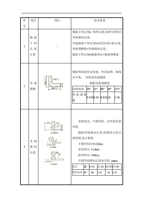
序号项目图示技术要求1 钢筋下料长度计算/钢筋下料长度= 构件长度-保护层厚度+弯钩增加长度;弯起钢筋下料长度=直段长度+斜长度-弯曲调整值+弯曲增加长度;箍筋下料长度=箍筋周长+箍筋调整值2 弯曲调整钢筋弯曲处内皮收缩、外皮延伸、轴线长不变、弯曲处形成圆弧钢筋弯曲调整值弯曲角度30°45°60°90°135°弯曲调整值0.35d 0.5d 0.85d 2d 2.5d3 弯钩增加长度弯钩型式:半圆弯钩、直弯钩及斜弯钩钢筋弯钩增加长度,按图所示的计算简图,其计算值:半圆弯钩为6.25d(a)直弯钩为 3.5d(b)斜弯钩为 4.9d(c)半圆弯钩增加长度参考值(mm)直径≤68~10 12~18 20~28 32~36弯钩长度40 6d 5.5d 5d 4.5d4 弯起钢筋斜长弯起钢筋斜度长系数表弯起角度α=30°α=45°α=60°斜边长度s底边长度l增加长度s-l2ho1.732ho0.268ho1.41hoho0.41ho1.15ho0.575ho0.575ho5 箍筋调整值箍筋调整值,即弯钩增加长度和弯曲调整值两项之差或和,应根据箍筋外包尺寸或内皮尺寸量度得出箍筋调整值箍筋箍筋直径(mm)量度方法4~6 6 8 10~12量外包尺寸40 50 60 20量内皮尺寸80 100 120150~176 弯曲划线尺寸的标注钢筋弯曲成型前,应根据图纸尺寸对下料的钢筋在配料单上标明尺寸,并应注明各弯曲的位置和尺寸。
构件名称级直别径钢 筋 简 图下料(mm)根 件数*数总根 数重量(kg)X1C2569501717454.88C2571501616440.44X2C2568501126.37C2567601126.03C2566601125.64C2565701125.29C2564801124.95X3C2570501127.14C2569601126.8C2568601126.41C2567701126.06C2566801125.72 Y4~Y22C165810101091.8钢 筋 配 料 表项目名称:北区 构件:车库_4#车库柱墩【修改后】20#☛I-ZD1 60°【直锚端、550mm 、300mm 锚固端在600mm 筏板里】Y5~Y23C2058101010143.51 Y24~Y44C165580111196.98 Y25~Y43C2058601010144.74 Y45C2059101114.6 Y46C165610118.86 Y47C2057101114.1 Y48C165410118.55 Y49C2055401113.68 Y50C165710119.02 Y51C2058101114.35 Y52C165510118.71 Y53C2056101113.86 Y54C165340118.4421#☛I-ZD1 60°【550mm、300mm锚固端在600mm筏板里】X1C3272401414639.58 C3276401414674.92X2C3271401145.05 C3270201144.3C3269001143.54C3267801142.78 X3C3275401147.58 C3274201146.82C3273001146.06C3271801145.31 Y4C2562004141978.67Y5、Y6C2561001*2246.97 C2560001*2246.2C2559101*2245.51C2558201*2244.81C2557301*2244.1222#~26#<共5件>☛I-ZD1 60°【550mm、200mm锚固端在600mm筏板里】X1C32724014*5703197.91 C32764014*5703374.59 X2C3271401*55225.27 C3270201*55221.48C3269001*55217.69C3267801*55213.91 X3C3275401*55237.89C3273001*55230.31C3271801*55226.53 Y4C22600041*52053665.4 Y5、Y6C2259001*1010175.82 C2258101*1010173.14C2257201*1010170.46C2256301*1010167.77C2255301*1010164.79柱墩【修改后】备注筏板里】坑底筋坑底筋1#坑壁斜筋2#坑壁斜筋3#坑壁斜筋4#坑壁斜筋5#坑壁斜筋1#坑壁斜筋2#坑壁斜筋3#坑壁斜筋4#坑壁斜筋5#坑壁斜筋坑底筋【编号以双数递增】坑底筋【编号以单数递增】坑底筋【编号以双数递增】坑底筋【编号以单数递增】坑壁斜筋坑壁斜筋坑壁斜筋坑壁斜筋坑壁斜筋坑壁斜筋坑壁斜筋坑壁斜筋坑壁斜筋坑壁斜筋里】坑底筋坑底筋m。
广西省市心圩中学教学综合楼钢筋下料单编者:一帆审核:兰茗. ...目次1钢筋下料单编制说明 (1)1.1参考资料 (1)1.2基本公式 (1)1.3钢筋弯曲量度差值 (1)1.4箍筋增加值 (1)1.5钢筋概况 (1)1.6下料单容 (1)2承台下料计算 (2)2.1独立柱基础ZJ1承台 (2)2.2独立柱基础ZJ2承台 (4)2.3独立柱基础ZJ3承台 (7)2.4独立柱基础ZJ4承台 (10)2.5独立柱基础ZJ5承台 (12)2.6独立柱基础ZJ6承台 (15)2.7独立柱基础ZJ7承台 (18)2.8独立柱基础ZJ8承台 (20)2.9独立柱基础ZJ9承台 (23)2.10独立柱基础ZJ10承台 (26)2.11独立柱基础ZJ11承台 (29)3框架柱下料计算 (31)3.1KZ1角柱 (31)3.2KZ3边柱 (38)3.3KZ13中柱 (45)4框架梁下料计算 (51)4.1标准层KL10框架梁 (51)4.2标准层KL11框架梁 (56)4.3顶层屋面W1KL3框架梁 (61)4.4顶层屋面W1KL4框架梁 (65)4.5标准层LL3连续梁 (69)4.6顶层屋面W1LL1连续梁 (72)5现浇板下料计算 (75)5.1标准层B1现浇板 (75)5.2标准层B2现浇板 (79)5.3标准层B3现浇板 (82). ...5.4顶层屋面B1现浇板 (86)5.5顶层屋面B2现浇板 (89)5.6顶层屋面B3现浇板 (92)5.7屋面楼梯板和PTB-1平台板 (96). ...1钢筋下料单编制说明1.1参考资料(1)中国建筑工业出版社《钢筋快速下料法与实例》(2)建筑标准设计图集(11G101-1)(3)机械工业出版社《建筑施工技术》1.2基本公式钢筋下料长度=外包尺寸一量度差值+弯钩增加长度(箍筋弯钩增加值)1.3钢筋弯曲量度差值表1-1钢筋弯曲量度差值表表1-2箍筋弯钩量度增加值1.5钢筋概况本工程钢筋为HPB235(一级钢)、HRB335(二级钢)。
钢筋配料计算实例与注意事项时间:2010-05-29 09:57来源:未知作者:流浪东东点击:289次9-3-1-3 配料计算的注意事项 1 .在设计图纸中,钢筋配置的细节问题没有注明时,一般可按构造要求处理。
2 .配料计算时,要考虑钢筋的形状和尺寸在满足设计要求的前提下要有利于加工安装。
3 .配料时,还要考虑施工需要的附加钢筋。
例如9-3-1-3 配料计算的注意事项1.在设计图纸中,钢筋配置的细节问题没有注明时,一般可按构造要求处理。
2.配料计算时,要考虑钢筋的形状和尺寸在满足设计要求的前提下要有利于加工安装。
3.配料时,还要考虑施工需要的附加钢筋。
例如,后张预应力构件预留孔道定位用的钢筋井字架,基础双层钢筋网中保证上层钢筋网位置用的钢筋撑脚,墙板双层钢筋网中固定钢筋间距用的钢筋撑铁,柱钢筋骨架增加四面斜筋撑等。
9-3-1-4 配料计算实例的截面尺寸与配筋见图9-55,共计5根。
已知某教学楼钢筋混凝土框架梁KL1混凝土强度等级为C25。
求各种钢筋下料长度。
图9-55 钢筋混凝土框架梁KL平法施工图l[解] 1.绘制钢筋翻样图根据本手册9-2“配筋构造”的有关规定,得出:(1)纵向受力钢筋端头的混凝土保护层为25mm;(2)框架梁纵向受力钢筋Φ25的锚固长度为35×25=875mm,伸入柱内的长度可达500-25=475mm,需要向上(下)弯400mm;(3)悬臂梁负弯矩钢筋应有两根伸至梁端包住边梁后斜向上伸至梁顶部;(4)吊筋底部宽度为次梁宽+2×50mm,按45°向上弯至梁顶部,再水平延伸20d=20×18=360mm。
框架梁尺寸与上述构造要求,绘制单根钢筋翻样图(图9-56),并对照KL1将各种钢筋编号。
框架梁钢筋翻样图图9-56 KL12.计算钢筋下料长度计算钢筋下料长度时,应根据单根钢筋翻样图尺寸,并考虑各项调整值。
①号受力钢筋下料长度为:(7800-2×25)+2×400-2×2×25=8450mm②号受力钢筋下料长度为:(9650-2×25)+400+350+200+500-3×2×25-0.5×25=10888mm⑥号吊筋下料长度为:350+2(1060+360)-4×0.5×25=3140mm⑨号箍筋下料长度为:2(770+270)+70=2150mm⑩号箍筋下料长度,由于梁高变化,因此要先按公式(9-7)算出箍筋高差△。
广西省市心圩中学教学综合楼钢筋下料单编者:一帆审核:兰茗目次1钢筋下料单编制说明 (1)1.1参考资料 (1)1.2基本公式 (1)1.3钢筋弯曲量度差值 (1)1.4箍筋增加值 (1)1.5钢筋概况 (1)1.6下料单容 (2)2承台下料计算 (2)2.1独立柱基础ZJ1承台 (2)2.2独立柱基础ZJ2承台 (5)2.3独立柱基础ZJ3承台 (8)2.4独立柱基础ZJ4承台 (11)2.5独立柱基础ZJ5承台 (14)2.6独立柱基础ZJ6承台 (18)2.7独立柱基础ZJ7承台 (21)2.8独立柱基础ZJ8承台 (24)2.9独立柱基础ZJ9承台 (27)2.10独立柱基础ZJ10承台 (31)2.11独立柱基础ZJ11承台 (35)3框架柱下料计算 (38)3.1KZ1角柱 (38)3.2KZ3边柱 (46)3.3KZ13中柱 (53)4框架梁下料计算 (61)4.1标准层KL10框架梁 (61)4.2标准层KL11框架梁 (66)4.3顶层屋面W1KL3框架梁 (72)4.4顶层屋面W1KL4框架梁 (77)4.5标准层LL3连续梁 (82)4.6顶层屋面W1LL1连续梁 (86)5现浇板下料计算 (89)5.1标准层B1现浇板 (89)5.2标准层B2现浇板 (93)5.3标准层B3现浇板 (97)5.4顶层屋面B1现浇板 (101)5.5顶层屋面B2现浇板 (106)5.6顶层屋面B3现浇板 (109)5.7屋面楼梯板和PTB-1平台板 (113)1钢筋下料单编制说明1.1参考资料(1)中国建筑工业出版社《钢筋快速下料法与实例》(2)建筑标准设计图集(11G101-1)(3)机械工业出版社《建筑施工技术》1.2基本公式钢筋下料长度=外包尺寸一量度差值+弯钩增加长度(箍筋弯钩增加值)1.3钢筋弯曲量度差值表1-1钢筋弯曲量度差值表1.4箍筋增加值表1-2箍筋弯钩量度增加值1.5钢筋概况本工程钢筋为HPB235(一级钢)、HRB335(二级钢)。