爬升式脚手架施工方案
- 格式:doc
- 大小:99.00 KB
- 文档页数:14
爬升式脚手架施工工艺标准编制人:审核人:审批人:年月日目录1 总则 (1)1.1 适用范围 (1)1.2 编制参考标准及规范 (1)1.3 特点 (1)2 基本规定 (1)3 施工准备 (2)3.1 技术准备 (2)3.2 材料准备 (2)3.3 作业条件 (2)4材料和质量要点 (3)4.1 材料的关键要求 (3)4.2 技术关键要求 (3)4.3质量关键要求 (3)4.4 职业健康安全关键要求 (3)4.5 环境关键要求 (3)5 施工工艺 (4)5.1 工艺流程 (4)6 质量标准 (8)6.1 主控项目 (8)6.2 一般项目 (8)7 安全环保措施 (8)8 质量记录 (9)爬升式脚手架施工工艺标准1 总则1.1 适用范围本标准适用于剪力墙、框架、框剪、筒体等各种不同结构形式的高层、超高层建筑、构筑物的结构与外装修的施工。
1.2 编制参考标准及规范《建筑施工附着升降脚手架管理暂行规定》(建建[2000]230号);《普通碳素钢技术条件》(GB 700—88);《可锻铸分类及技术条件》(GB 978—67)。
1.3 特点1.3.1使用钢材数量少,节约资源。
1.3.2 爬升速度快。
1.3.3拆装方便。
1.3.4安全可靠,设有防坠、防倾装置。
1.3.5操作人员少。
2 基本规定爬升式脚手架的设计、组装、使用与拆除均需符合相关标准的规定。
爬升式脚手架的设计、使用及工程监理配合。
设计图纸、使用规程、施工细则应同时报使用方和监理批准后实施,且应贯彻定期维护,班前检查制度。
3 施工准备3.1 技术准备3.1.1 依据建筑结构施工图进行爬升式脚手架的二次设计,绘制爬升架平面布置图、立面预留孔位图、以及需特殊处理的施工部位示意图。
3.1.2凡参与施工的操作工人、技术管理和质量管理人员,均必须参加技术培训,经考核合格后持证上岗。
3.1.3做好施工前的技术交底。
3.2 材料准备3.2.1品种规格:根据爬升式脚手架二次设计进行材料预算及设备统计,采购设备及脚手架施工所需的各种规格材料。
爬升式全钢脚手架施工工艺标准一、爬升式脚手架基本说明1.爬架的组成部分:由主框架、底部支撑桁架、架体构架、架体附着支座、防倾覆装置、提机构、动力及控制系统和安全防坠落装置组成。
二、爬升式脚手架构件介绍三、爬架技术参数1、附着式升降脚手架结构构造的尺寸应符合下列规定:①架体高度不得大于5倍楼层高;②架体宽度不得大于1.2m;③直线布置的架体支承跨度不得大于7m,折线或曲线布置的架体,相邻两主框架支撑点处的架体外侧距离不得大于5.4m(指相邻主框架沿架体外排水平投影距离);④架体的水平悬挑长度不得大于2m,且不得大于跨度的1/2;⑤架体全高与支撑跨度的乘积不得大于HOm2;2、实际布置时宜考虑以下要求:①架体外皮宜尽量布置成大平面,避免出现多处拐角,以便增强架体整体稳定性;②主框架布点应尽量避开空调板、飘窗板、框架柱等部位,如架体需下降用于装修施工,还必须避开烟道、风道位置;③按照总承包方塔吊布置位置及塔吊附臂水平及垂直位置,若附臂安装时需要穿过架体内部,则主框架布点需要错开附臂位置;四、工艺参数1、架体覆盖4层半楼层高;A、商务楼和不下降的住宅楼设计6道龙骨板,龙骨板和楼层平齐。
商务楼1、2、3、6道均做内挑,1、2、3道做翻板;住宅楼1、3、6道均做内挑,第1、3道做翻板。
B、下降的住宅楼设计7道龙骨板,大约2m一步。
所有龙骨板都做内挑,第1、4步做翻板。
2、架体内侧标准离墙350mm、离挑板300mm;3、导轨规格为6m和3m;4、龙骨板有4种规格:4m,3m,2m,1m,其他尺寸为异形龙骨板;5、网片标准规格2.5mX15m;其它均为异形。
6、穿墙螺杆规格为M32,一般使用单螺母加弹簧垫圈防松。
五、爬架的组装1一般情况下,双排架小横杆比楼板面低200mm,内排离墙距250mm,内外排间距1200mm,外面单排防护1500mm高。
2、双排架最顶上小横杆下要安装双扣件防松。
3、双排架和建筑结构及时拉结,水平拉结长度不大于4.5m,垂直拉结高度不大于2步或者一个楼层高。
第1篇一、工程概况本项目位于XX市XX区,总建筑面积为XX万平方米,包括住宅、商业、办公等多种业态。
本项目采用爬架施工技术,旨在提高施工效率、确保施工安全、减少环境污染。
二、施工方案概述1. 施工范围:本方案适用于本项目住宅、商业、办公楼等建筑物的主体结构施工。
2. 施工工期:根据工程进度和施工条件,预计施工工期为XX个月。
3. 施工方法:采用外挂式爬架施工,包括爬架的安装、使用、拆除等环节。
4. 施工组织:成立专门的爬架施工小组,负责爬架的安装、维护、拆除等工作。
三、爬架施工技术要求1. 爬架结构设计:- 爬架应采用钢结构,具备足够的强度、刚度和稳定性。
- 爬架立杆间距应满足施工要求,一般不超过1.5米。
- 爬架横杆、斜撑等连接件应采用高强度螺栓连接,确保连接牢固。
- 爬架应设置防坠落安全网,防止人员坠落。
2. 爬架安装:- 安装前应进行详细的测量和定位,确保爬架的垂直度和水平度。
- 爬架立杆底部应设置垫板,避免直接接触地面,减少对地面的破坏。
- 爬架与建筑物的连接应牢固可靠,防止因风力等原因导致爬架倾覆。
3. 爬架使用:- 施工人员应经过专业培训,熟悉爬架的操作规程和安全注意事项。
- 施工过程中应定期检查爬架的连接件、立杆、横杆等部位,确保其安全可靠。
- 施工过程中应严格控制人员数量,避免超载。
4. 爬架拆除:- 拆除前应进行安全评估,确保拆除过程安全。
- 拆除时应按照从上到下的顺序进行,先拆除上部构件,再拆除下部构件。
- 拆除过程中应采取措施,防止坠落事故的发生。
四、施工组织与管理1. 组织机构:- 成立爬架施工领导小组,负责爬架施工的全面管理工作。
- 成立技术组,负责爬架的设计、安装、使用、拆除等技术工作。
- 成立安全组,负责爬架施工过程中的安全管理工作。
2. 施工流程:- 施工前进行技术交底,明确施工要求、操作规程和安全注意事项。
- 施工过程中进行定期检查,确保爬架安全可靠。
- 施工结束后进行验收,确保爬架拆除干净、无残留。
附着式升降脚手架(爬架)专项施工方案目录1.工程概况.............................................................................................................................................................. - 1 -1.1总体概况 (1)1.2平面设计 (1)1.3立面设计 (1)1.4预埋设计 (1)2.编制依据.............................................................................................................................................................. - 2 -规范性文件 (2)3.施工计划.............................................................................................................................................................. - 2 -3.1施工范围 (2)3.2施工进度计划及爬架安装对结构的要求 (2)3.3爬架施工组织策划 (3)4.施工工艺技术...................................................................................................................................................... - 4 -4.1机构原理及性能指标 (4)4.2工艺流程 (5)4.3施工方法 (6)4.4防护搭设 (10)4.5检查验收 (11)5.施工安全保障措施............................................................................................................................................ - 11 -5.1组织保障 (11)5.2技术措施 (12)5.3应急预案 (15)5.4监测和监控 (17)5.5常见故障分析 (19)5.6爬架拆除操作 (19)5.7塔吊、施工电梯及物料平台处的协调(位置不详) (20)5.8爬架参建各方的职责 (20)6.劳动力计划........................................................................................................................................................ - 21 -7.附表:................................................................................................................................................................. - 22 -8.附表及附图........................................................................................................................................................... - 1 -附着式升降脚手架(爬架)专项施工方案1.工程概况1.1 总体概况本工程位于:***。
爬升式脚手架施工方案
一、背景介绍
爬升式脚手架是一种常用于高层建筑施工的工具,具有快速组装、稳固可靠等特点,能够提高施工效率和安全性。
本文将介绍爬升式脚手架的施工方案,包括施工准备、安装步骤、安全注意事项等内容。
二、施工准备
1.施工前需充分了解爬升式脚手架的组装方式和使用规范。
2.确保施工现场平整、无障碍,并清理杂物。
3.准备好所需的脚手架材料和工具,包括立柱、横梁、扶手等。
三、安装步骤
1.根据设计要求确定脚手架的位置和高度。
2.按照组装顺序,先安装基础支撑系统,然后安装主体支撑系统。
3.安装好主体结构后,进行脚手架的检查和调整,确保结构稳固牢固。
四、使用与维护
1.在使用过程中,要定期检查脚手架的稳定性和连接件的紧固情况,确
保安全。
2.使用完毕后,及时拆除脚手架,妥善存放,并定期进行检查和维护,
延长使用寿命。
五、安全注意事项
1.在施工过程中,要穿戴好安全帽、安全鞋等个人防护装备,严格遵守
施工安全规范。
2.爬升式脚手架施工时要注意防止脚手架倾斜、晃动等危险情况,确保
施工人员的安全。
六、总结
爬升式脚手架在高层建筑施工中发挥着重要作用,正确的施工方案和安全管理对保障施工质量和施工人员安全至关重要。
施工单位在使用爬升式脚手架时,务必按照相关规范和要求进行操作,确保施工顺利进行,并做好安全防护工作,降低风险。
以上是关于爬升式脚手架施工方案的介绍,希望对相关人员能够有所帮助。
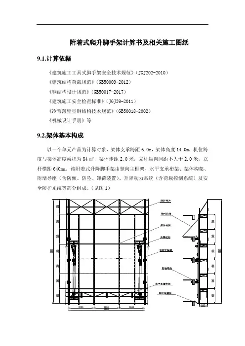
附着式爬升脚手架计算书及相关施工图纸9.1.计算依据《建筑施工工具式脚手架安全技术规范》(JGJ202-2010)《建筑结构荷载规范》(GB50009-2012)《钢结构设计规范》(GB50017-2017)《建筑施工安全检查标准》(JGJ59-2011)《冷弯薄壁型钢结构技术规范》(GB50018-2002)《机械设计手册》等9.2.架体基本构成以一个单元产品为计算对象,架体支承跨距6.0m,架体高度14.0m,机位跨度与架体高度乘积为84㎡,架体步距2.0米,立杆纵向间距不大于2.0米,立杆横距640mm。
该附着式升降脚手架由竖向主框架、水平支承桁架、架体构架、附墙导座(含防倾、防坠、卸荷装置)、升降动力系统(含荷载控制系统)及安全防护系统等部分组成。
(见图1)9.3.荷载计算9.3.1永久荷载标准值9.3.2活荷载标准值 9.3.2.1风荷载标准值:k ω根据《建筑结构荷载规范》(GBJ50009-2012)附图《全国基本风压分布图》中提取:o z s z k ωμμβω⨯⨯⨯=式中:βz ------ 风振系数,取1.0;z μ ------ 风压高度变化系数,按C 类地区高150米的高层建筑上施工考虑,取2.03;s μ ------ 风荷载体型系数,其计算如下: 背靠建筑物状况全封闭取1.0φ,敞开、开洞1.3φ φ为脚手架封闭情况确定的挡风系数:A W (迎风面积)=架体高度×竖向主框架跨距=14×6.0=84㎡ 冲孔钢板网孔径6mm ,孔中心距10mm , 按局部取值网片面积:局部网片面积—100mm ×100mm=10000mm 2 单孔面积—πr 2=3.14×32=28.26mm 2局部单孔面积—100(开孔数量)×28.26=2826mm 2网片冲孔率=2826/10000=0.2826A n (挡风面积)=A W -(网片冲孔率×网片挡风面积)=84-(0.2826×84)=60.26㎡86.072.02.18426.602.11.2=⨯=⨯==w n A A ϕ s μ=1.3ϕ⨯=1.3×0.86=1.12O ω ------ 基本风压,按照《建筑结构载荷规范》工作状态按本地区的10年风压最大值选用,取0.30 kN/m 2,升降及坠落工况取0.25 kN/m 2。
整体爬升式脚手架施工方案三篇篇一:整体爬升式脚手架施工方案本工程主体高度为71.2米,结合建筑物结构形式,根据本公司类似工程的施工管理经验,四层以下采用双排落地式钢管扣件脚手架,四层以上采用整体爬升式脚手架。
节11.1爬升外脚手架的设计构想脚手架以不大于7m的跨度为一个单元,共设30个承力底托,30个挑梁及电动葫芦,架体共12步加一步护身栏,总高18.60m,横竖杆间距1.4m左右,双排架子宽0.8m,里排杆距建筑物0.5m,架体最下面一步架为承力桁架,承力桁架部分每个节间均设斜腹杆。
承力桁架两端坐落在承力底托上,承力底托里端用M 22螺栓与建筑物边梁固定,外端用φ25斜拉杆与上一层边梁拉结,悬挂电动葫芦的挑梁固定方法同承力底托。
节11.2爬升外脚手架的安装及提升工艺流程1、安装工艺流程:搭设操作平台架子→安装承力底托→搭设承力桁架→搭设整个架体→设立拉结点→架体铺板、挂网→安装挑梁、电动葫芦→连接葫芦与承力底托→安装防外倾装置→安装防坠落→检查验收。
2、提升工艺流程:检查挂钩→松开所有固定拉结→撤离架体上所有活荷载→短暂开动葫芦、绷紧链条→调整葫芦链条使之受力均匀→拆除承力底托与建筑物的连接→开机提升,观察同步情况→提升到位安装承力底托→安装承力底托拉结点→检查验收后提供使用。
在使用期间将挑梁、电动葫芦升到上一层以备下次提升。
架体每提升一个层高,提升时间1-2小时。
节11.3整体爬升脚手架的设计计算1、承力桁架内力计算:承力桁架为每个单元架体最下面一步架,承受架体上部传不的荷载P(见受力简图),承力桁架被承力托简支。
(1)荷载P计算:P由脚手架自重、脚手架附设构件重量(脚手板、安全网、护栏)、施工荷载三部分组成。
查《高层建筑施工手册》(以下简称手册)表4-4-4用插入法算得,一步一个纵距脚手架自重产生的轴力为0.388KN。
架体为13步,故NCK1=0.388*13=5.044KN。
查《手册》表4-4-5,用插入法算得:一个立杆纵距的架子附设构件重量产生的轴力(铺五层板)。
z字型脚手架爬梯施工方案1. 引言本文档旨在提供一套针对z字型脚手架爬梯施工的详细方案。
脚手架是建筑施工中必不可少的设备,而z字型脚手架爬梯则是脚手架施工过程中的重要部分。
本方案将介绍z字型脚手架爬梯的构造、安装步骤以及注意事项,以确保施工过程的安全性和效率性。
2. 构造z字型脚手架爬梯主要由以下几个部分组成:•爬梯立杆:承载爬梯平台的立杆,通常使用高强度钢管制造,通过联结件将其与脚手架主体固定连接。
•爬梯平台:固定于爬梯立杆上,提供施工人员爬升和工作的平台。
平台通常由金属板材制成,并配备防滑措施,以确保施工人员的安全。
•爬梯桥锚:位于爬梯立杆与脚手架横向水平杆之间的连接点,通过螺栓对爬梯立杆进行固定,保证爬梯的稳定性和安全性。
3. 安装步骤在施工前,请先确保施工场地平整,脚手架搭建的基础稳固。
以下是z字型脚手架爬梯的安装步骤:1.确定爬梯的安装位置,并将爬梯立杆放置在相应位置。
2.使用螺栓将爬梯桥锚与爬梯立杆连接,固定螺栓以确保连接牢固。
3.上下检查爬梯立杆的水平度和垂直度,必要时进行调整。
4.安装好爬梯立杆后,将爬梯平台放置在立杆上,并确保与立杆牢固连接。
5.检查爬梯平台的防滑措施是否完好,确保施工人员的安全。
6.安装完成后,上下移动梯子,测试其稳定性和可靠性。
4. 注意事项在进行z字型脚手架爬梯施工时,请注意以下几个重要事项:1.施工人员必须穿戴合适的安全帽和防滑工作鞋,以确保人身安全。
2.在爬梯平台上工作时,施工人员应该站在平台中央,并牢牢扶握立杆,避免站在边缘或侧面。
3.在爬升过程中,施工人员应保持身体的稳定并确保手脚的牢固支撑。
4.在使用爬梯的过程中,严禁超过爬梯的最大承载量,并避免上下移动梯子时的急停急动作。
5.施工现场应设立警示标志,提醒其他人员注意施工区域,并确保施工现场的通道畅通。
5. 总结z字型脚手架爬梯在建筑施工中起着重要作用,但其安装与使用必须符合一定的规范和注意事项。
整体电动提升脚手架施工工艺标准1 适用范围本施工工艺标准适用于建筑高度大于50m,单层建筑面积较小的框-剪结构,采用整体式电动提升脚手架的工程。
整体电动提升式脚手架亦称爬架、附着升降脚手架或整体提升架。
2 材料要求、主要机具设备及作业条件:整体提升架选用导轨式附着升降脚手架,由桁架系统、脚手架系统、提升系统三个基本部分组成。
2.1桁架系统:整个桁架用脚手架钢管搭设,规格为φ48×3.5,用扣件连成整体,桁架高度为1.8m,两片桁架之间(内外排)宽度为0.8m,桁架由立杆、大横杆(双杆)、小横杆、斜拉杆(双杆)、安全网组成。
桁架的长度控制在7m 以内,即两榀型钢底盘之间的跨度。
桁架用于支承其上部的操作脚手架,再通过固定在型钢底盘上立杆传力到型钢底盘上。
2.2脚手架系统: 用普通钢管脚手架作架体,高度为6个标准楼层的高度,架体宽度不超过1.2m,分段单元脚手架长度不大于8m;步距为1.8m,内外排立杆间距为0.8m,与下部桁架连接成整体外架,桁架立杆即为脚手架立杆。
脚手架由立杆、大横杆、小横杆、剪刀撑、脚手板、安全网、竹笆板组成,供操作人员行走,用作外墙装修时,操作人员仅限于在三层脚手板上同时操作,每m2荷载不能超过2kN。
2.3提升系统:由穿墙螺栓、工字钢承力架和斜拉杆组成,用10t 电动葫芦整体提升。
每个承力架由两根可调长度的斜拉杆和用于固定在建筑物上的穿墙螺栓组成;穿墙螺栓为M30,采用优质中碳钢(45 号钢)加工;固定螺栓帽采用热锻成型工艺;电动葫芦采用10t;链条长度要求5m 以满足提升高度,一次整体提升一层楼高度(2.72m)到位。
10t 电动葫芦在使用前要求统一进行检查,特别强调对所有电动葫芦的提升速度要求一致,电动葫芦采用超慢速,每min 提升高度控制在5cm 左右。
3.施工操作工艺根据建筑物的平面设计整体架的型钢底盘布置图,每单片桁架固定在底盘上,型钢底盘是利用穿过外墙(或边梁)的穿墙螺栓和斜拉杆固定在建筑物上,作为整个整体架的支承架。
爬升式脚手架施工方案1. 引言爬升式脚手架是在高层建筑施工中常用的一种构筑工具。
本文将介绍爬升式脚手架的施工方案及注意事项。
2. 施工前准备工作在进行爬升式脚手架的施工前,需要进行以下准备工作:•确定施工方案和脚手架设计图纸。
•选择适当的脚手架材料,如钢管、钢板等。
•准备必要的施工工具和设备。
•召集专业的施工团队,并对施工人员进行培训。
3. 脚手架搭建3.1 确定搭建起点位置根据设计图纸确定脚手架的起点位置。
起点位置应选取在建筑物结构牢固、承重能力强的部位,通常是建筑物的拐角、柱子等区域。
3.2 安装基础支撑在起点位置,先安装脚手架的基础支撑设施,如垫砖、钢板等,以确保脚手架的稳定性和安全性。
3.3 安装立杆和横杆在基础支撑设施上,安装脚手架的立杆和横杆。
立杆是主要支撑脚手架的垂直杆,通常由钢管制成。
横杆则连接在立杆之间,用于支撑和固定脚手架结构。
3.4 安装斜杆和横梁为了增加脚手架的稳定性,需要安装斜杆和横梁。
斜杆连接在立杆和横杆之间,形成一个稳定的三角结构。
横梁则横跨在横杆之间,增加脚手架的横向支撑能力。
3.5 安装脚手架板和安全设施在脚手架的立杆和横梁上安装脚手架板,以形成一个平整的工作平台。
同时,还需要设置必要的安全设施,如安全网、扶手等,以保障施工人员的安全。
4. 脚手架的爬升当施工到一定高度时,需要将脚手架进行爬升,以便施工人员继续进行上层工作。
4.1 确定爬升方式根据具体情况,可以选择手动爬升或使用机械装置进行爬升。
手动爬升方式需要施工人员使用手动工具逐层抬高脚手架。
机械装置可以提高施工效率,但需要确保其安全可靠。
4.2 爬升操作步骤无论选择哪种爬升方式,都需要进行以下操作步骤: 1. 解除脚手架与建筑物的连接。
2. 控制脚手架的平衡,避免倾斜或晃动。
3. 将脚手架整体抬高至所需高度。
4. 在新的高度重新安装基础支撑、立杆等。
4.3 爬升后的稳定性检查爬升后,需要进行稳定性检查,确保脚手架的稳定性。
爬升脚手架施工工法(一)引言概述:本文将介绍爬升脚手架施工的工法,并结合实际案例给出详细解释。
爬升脚手架施工是一种常见的建筑施工方式,其灵活性和高效性使得它在高层建筑项目中得到广泛应用。
以下是本文将要涵盖的五个大点。
一、脚手架基础施工1. 确定合适的基础类型,如地基承载能力。
2. 清理基础区域,确保坚实平整的基础条件。
3. 安装固定支撑结构,如基础梁和脚手架施工的支撑柱。
4. 检查基础施工质量,确保基础牢固稳定。
二、脚手架搭建准备1. 制定详细的搭建计划,包括材料和人力资源安排。
2. 准备所需材料,如脚手架框架、连接件和安全设备。
3. 搭建首层脚手架,确保基础脚手架结构的牢固稳定。
4. 安装安全设备,如安全网和防护栏杆。
三、脚手架爬升施工流程1. 按照预先设计好的施工计划,逐层爬升脚手架。
2. 定期检查已建脚手架的质量,并及时进行维修或加固。
3. 严格遵守安全操作规程,确保施工人员的生命安全。
4. 使用合适的机械设备,如升降机或脚手架升降装置,提高施工效率。
四、脚手架拆除与回收1. 完成所有施工工作后,开始脚手架拆除。
2. 按照逆向顺序,从顶层开始逐层拆除脚手架。
3. 确保拆除过程安全可靠,避免损坏周围结构。
4. 将拆除的脚手架材料进行分类和储存,方便以后的再利用。
五、案例分享及总结1. 分享一个成功的爬升脚手架施工案例,介绍其优势和经验教训。
2. 总结爬升脚手架施工的主要步骤和要点。
3. 强调安全施工的重要性,提醒施工方和工人注意安全问题。
4. 展望爬升脚手架施工在未来的发展前景。
总结:爬升脚手架施工是一种灵活高效的建筑施工方式,适用于高层建筑项目。
通过合理的基础施工、搭建准备和爬升施工流程,可以确保施工的安全和质量。
拆除与回收脚手架的过程也需要注意安全,同时将材料进行分类储存有助于资源的再利用。
通过分享案例和总结经验,可以进一步提升施工方和工人的专业素质,促进爬升脚手架施工的持续发展。
目录第一章工程概况2第二章编制依据3第三章施工计划4第四章导座式升降脚手架的特点5第五章导座式升降脚手架主要技术参数8第六章导座式升降脚手架施工组织设计91.导座式升降脚手架的布置92.导座式升降脚手架附着点的设计103.安全防护154.防电、防雷措施155.导座式升降脚手架施工工艺17第七章导座式升降脚手架的升降过程中的检查验收23第八章升降脚手架的拆除26第九章施工安全保证措施28第十章升降脚手架的事故防范及应急预案35第十一章升降脚手架安全生产十大注意事项40第十二章公司资质及物料计划421.本公司资质证件422.升降脚手架构配件使用需求总计划表45附一:龙华保障房项目方案设计计算书46第一章工程概况龙华扩展区0008地块保障性住房项目位于XX市宝安区龙华拓展区,共6栋26~28层的住宅楼,局部住宅楼带有1~2层的商业或停车库裙房。
场地内设置有地下室共1~2层,地下室为作为停车库、设备用房及其他配套用房,并在,地下二层设置7个甲类常6核6级战时人防防护单元。
该工程外围结构主要以剪力墙,梁及挑板结构组成,窗洞处安装定型预制窗,预制窗上下,左右间隙均为20mm,标准层层高2.8米,外围周长239.2米。
由于结构原因,导座式升降脚手架的附着点在定型预制窗处只能安装在竖向间隙中。
因此该工程拟从标准层3层开始使用我公司导座式升降脚手架,每栋共布置5组55榀导座式升降脚手架机位,其中1至10号机位和46至55号机位使用6步架,架体总高为11.5米的升降脚手架;其余使用5步架,架体总高为9.6米的升降脚手架,架体均覆盖3层半.每栋使用升降脚手架防护总高度为77m,外墙防护面积为18418.4㎡.具体见平面机位布置图.本工程导座式升降脚手架根据施工进度要求,组装进度保证超过主体作业面至少1.2m。
组装时需每栋投入劳动8-12人,以后每栋每升降一层的操作时间为1个工作日,劳动力投入5-8人。
具体实施进度计划由升降脚手架现场项目负责人和总包方项目部根椐项目总进度要求确定。
附着式爬升脚手架施工第一节施工要求1.所有外架用材料符合质量要求。
2.脚手架应在设计要求范围内使用。
3.在大雨、大雪、浓雾和六级以上大风等视线不良的情况下禁止对脚手架进行搭拆以及升降作业。
4.脚手架上严禁模板支撑附着,模板支撑必须严格控制在建筑结构边20cm 以内并在边梁(或剪力墙)砼达到初凝后拆除外架机位附墙处的边梁(或剪力墙)内外侧的模板,以满足外架固定需要。
5.严禁任何人员向脚手架抛丢工具或集中堆码钢筋、砼、钢管、模板及建筑垃圾。
6.严禁野蛮施工,严禁抛丢建筑材料,严禁揭开底部封闭及立面安全网,否则造成后果由责任方负责。
7.严禁在脚手架上私自架设动力、照明电源线。
8.严禁任何人拆动脚手架连墙杆、导向轨、预埋铁件及其它杆件,否则造成后果由责任方负责。
9.塔吊作业时不得撞击、牵挂脚手架,以免发生意外事故。
10.脚手架上的建筑垃圾应派专人经常清扫,以减少脚手架施工荷载。
11 .脚手架提升前,由施工单位负责做好脚手架清洁后,向脚手架分包单位发送书面运行通知书,通知脚手架运行。
12.脚手架升降到位后,必须由脚手架现场管理人员或领班检查无误,并与施工方办理交接手续后,施工方操作人员方可上脚手架作业。
13.外架安装、运行、拆除前,公司安全部门、工程部门召开安全交底会议,对项目主管、现场领班、搭架领班、拆架领班及所有操作工人进行安全教育。
14.架子工的工作多是高空作业,因此必须保证在身体健康、精神状态良好的情况下才能上架操作。
15.架子工上架操作前,必须按规定着装,如戴安全帽、穿防滑鞋、拴安全带、用细麻绳将扳手等工具系在手腕上防止失手坠落等。
16.不允许立体交叉作业,以免发生物体失手坠落打击等安全事故。
17.严禁酒后上架操作。
18.施工单位向外架逐层提供三相五线制5KV A的配电箱,满足外架用电需求。
第二节施工工艺技术第一小节附着式升降脚手架技术参数1.设计荷载:主体结构施工时2层同时作业(每层荷载3.0KN/m2)、外墙装饰施工时3层同时作业(每层荷载2.0 KN/m2)。
外墙爬升脚手架施工方案一、工程概况工程名称:无锡金格广场;金格广场位于无锡市学前东路与广南路交汇处西侧,建筑面积约132,389㎡;本工程为商业、办公和酒店设施,二层地下室结构,主楼部分为23层办公及酒店,主体部分(六层以上)东西长59.4米,南北宽19.8米,标准层高度3.4米,总体高度87.900M,外墙适合导轨式提升脚手架。
裙房部分为三/四层商铺,高14.700M/19.450M。
结构类型:主楼框架-剪力墙结构、裙房框架结构建设单位:无锡市崇安新城凤盛投资有限公司设计单位:上海海珠建筑工程设计有限公司监理单位:江苏赛华建设监理有限公司施工单位:无锡锡山建筑实业有限公司搭设部位:主楼部分搭设形式:附着式整体爬升脚手架(导轨式)、钢管扣件式脚手架二、导轨式爬升脚手架2.1结构形式导轨式爬架分为以下几部分:2.1.1爬升机构附着装置:导轨、可调拉杆、连墙挂板、销轴、穿墙螺栓、预埋件、垫板承载构件:限位锁、锁夹、斜拉钢丝绳提升构件:提升滑轮组件、提升挂座、提升钢丝绳动力设备:电动葫芦、电缆线、电控系统导向构件:导轮组、导轨防坠构件:防坠装置2.1.2 桁架系统爬架最下面步高1.8米的架体是水平承力桁架;附着点竖向架体为竖向主框架。
2.1.3 架体部分除水平支承桁架及及竖向主框架以外的架体,采用钢管扣件式脚手架搭设。
2.1.4其它部分包括:脚手架、密目安全网、大眼网及铁丝等。
2.2爬升原理在建筑结构四周分布爬升机构,附着装置安装于结构,架体利用导轮组攀附安装于附着装置的导轨外侧,提升电动葫芦通过提升挂座固定安装在导轨上,提升钢丝绳悬吊住提升滑轮组件,这样,可以实现架体依靠导轮组沿导轨的上下相对运动,从而实现导轨式爬架的升降运动。
2.3 性能指标2.4 性能特点2.4.1 同一附着点多层多点附墙;2.4.2 具备防外倾及导向功能;2.4.3 具备防止坠落装置;2.4.4 具备竖向主框架及水平支承桁架;2.4.5 爬架架体一次性安装,多次循环升降,操作简便,材料成本低;2.4.6 整体升降,也可按施工流水段分片升降。
导轨式爬升脚手架搭设方法一、搭设前的准备工作1.安全检查:检查导轨式爬升脚手架的各个部件、连接件等是否完好无损,确保设备没有安全隐患。
2.仔细阅读搭设说明书:了解覆盖相关知识和操作技能。
3.制定详细的搭设计划:根据需要确定搭设的高度、长度和占地面积等。
二、搭设步骤1.安装导轨:首先需要进行导轨的安装。
根据搭设计划,在建筑物外墙上做好导轨的标高,然后使用螺栓将导轨固定在墙上。
2.搭设支承架:在导轨上安装支承架。
支承架的作用是支撑主体结构,使其垂直,并提供稳定性。
支承架由立柱、横梁和斜撑组成。
首先安装立柱,然后连接横梁和斜撑。
3.安装升降机:升降机是导轨式爬升脚手架的核心部件。
将升降机与支承架连接,并确保连接处牢固可靠。
4.安装托盘:将托盘安装在升降机上,可供工人操作和存放工具和材料。
三、安全措施1.基础支撑:搭设导轨式爬升脚手架时,应确保底座和支撑位置牢固稳定,不得有倾斜和松动现象。
2.承重能力:根据搭设计划,合理配置导轨式爬升脚手架的立柱、横梁和支撑架等部件,确保其承重能力符合要求。
3.安全通道:安装导轨式爬升脚手架时,应预留安全通道,方便工人进出。
4.安全检查:在安装过程中,及时检查导轨式爬升脚手架的各个部件,确保其安全可靠。
四、拆除方法1.清理:拆除导轨式爬升脚手架时,首先清理托盘上的工具和材料。
2.拆卸升降机:断电后,拆下升降机并妥善存放。
3.拆卸导轨:使用相应工具,拆卸导轨。
4.拆卸支承架:拆下支承架并进行整理。
总结:导轨式爬升脚手架是高层建筑施工中常用的设备之一、在搭设过程中需要制定搭设计划,按照一定的步骤进行安装。
同时,为了保障施工过程中的安全性,四周必须设置必要的安全措施。
在拆除时,需要进行相应的清理和拆卸工作。
通过正确的操作和合理的安全措施,可以保证导轨式爬升脚手架的搭设和拆除顺利进行。
南阳市三杰安居工程10、11#高住楼PJ-01导轨式附着升降脚手架施工组织设计编制:校对:审批:西安翔云工程新技术有限责任公司二〇二二年四月二十五日南阳市三杰安居工程10、11#高住楼附着式升降脚手架施工组织设计目录第一部分工程概况一.工程名称二.施工地址三.脚手架施工工期四.工程设计参数第二部分附着升降脚手架性能一.附着升降脚手架的组成及其作用二.附着升降脚手架性能指标三.安装附着升降脚手架工艺流程图四.附着升降脚手架升降作业流程图第三部分本工程附着升降脚手架设计一.编制依据二.本工程特殊部分处理方案三.二.架体的基本参数设计四.升降脚手架的搭设及附墙连接五.附着升降脚手架的提升六.附着升降脚手架的下降七.附着升降脚手架的拆除第四部分实施保证措施一.附着升降脚手架施工管理体系二.附着升降脚手架安全体系三.管理制度四.工具设备及人员第五部分附件一、附图二、附表第一部分工程概况一. 工程名称:南阳市三杰安居工程10、11#高住楼二.施工地址:南阳市三.工程设计参数:四.施工现场布置塔吊位置:按工地实际情况安排。
人货梯位置:按工地实际情况安排。
第二部分附着式升降脚手架性能1.1.架体:主要由底部水平支撑框架、脚手架、脚手板、安全网、翻板等组成。
水平支撑框架及竖向主框架承受自重及上部传来的脚手架体系恒载和施工活荷载、部分风载等,并将其传递到建筑物上。
1.2.主框架:既是架体的承力构件,又是防倾导轨装置。
作业时,提升机构钢挑梁先与建筑主体连接,无相对运动。
架体通过钢挑梁、提升葫芦与主框架导轨共同作用,沿导轮导轨装置上下滑动,完成升、降作业;升、降至锁定位置,架体由主框架、拉接钢丝绳与墙体直接连接卸荷。
1.3.导轮导轨与顶墙轮装置:主要作用:防止升降脚手架内外倾翻。
PJ-01附着升降脚手架共设置二组导轮导轨装置。
钢挑梁上的导轮与主框架上的导轨形成导轮导轨装置,在提升过程中,使架体滑移并起到防倾作用。
架体底部设有顶墙轮装置,提升时,可沿建筑物墙体或导柱组件向上滑动,防止架体底部向内倾斜。
1.4.升降脚手架机构:由提升挂板、承力拉杆、提升葫芦、钢挑梁梁等组成。
主要作用:提供升(降)动力,分布荷载。
1.5.安全防坠装置:此装置具有在意外发生时的阻止架体坠落功能。
其安装在钢挑梁的头部,通过全封闭的机械装置实现,结构紧凑、实用简捷、性能稳定,适应恶劣的施工环境,安全可靠。
1.6.电气控制:电控柜及分线电缆。
主要作用控制各机位的升降处理,可实现每个葫芦点控和整体、分片升降。
第三部分本工程附着式升降脚手架设计一. 编制依据:本施工组织设计依据《建设工程安全生产管理条理》、《建筑施工附着升降脚手架管理暂行规定》《建筑施工安全检查标准》(JGJ59-99)、《钢管扣件脚手架使用规范》、《施工临时用电安全规范》、《高空作业规范》等编制;二. 本工程特殊部分处理方案:12层,第1层搭设落地架,附着升降脚手架架体在2.1.本工程升降脚手架施工范围为2~第2层以上组装,覆盖四个楼层,该升降脚手架提升至11层,架体覆盖至12层。
顶层搭设设施架体。
可根据施工情况,设30个机位,采用分片升降,分二片,最大片设片18个提升机位。
2.2施工电梯在主体施工阶段,一般安装较晚,在此处架体不断开,电梯安装后,始终在架体底部;在下降装修阶段,将施工电梯处的架体拆除,以保证电梯能够升到顶;2.3塔吊附墙位置架体不断开,架体在布置时,只要塔吊附墙让开架体立杆和提升机构主框架位置;架体在升降时,当架体的大横杆将要碰到塔吊附墙时,对架体采用在附墙上面先加一道大横杆,后拆除附墙下面大横杆的办法让开塔吊附墙,架体通过后要立即恢复所拆掉的架体杆件;三.架体的基本参数设计:3.1.机构、材料数:3.2.机位布置(见附图一、平面布置图)设计参数3.3.材料要求升降脚手架的搭设材料必须采用Ф48×3.5㎜脚手管和标准扣件,钢管应无裂痕、弯曲、压扁和严重锈蚀现象,扣件无裂缝,变形、螺栓无滑丝、机械性能好根据建设部《JGJ59-99》标准。
脚笆采用多层板或竹笆。
电控箱进线采用五线制,线径大于10mm2。
四.架体的搭设及附墙连接升降脚手架搭设总流程:搭设操作平台按图示提升机位安装第一节主框架并做好扶墙工作组装底部桁架搭设架体做好架体防护(安全网、翻板等)安装提升机构机构调试升降作业底层拆除架体。
4.1.架体的安装4.1.1.组装架体时,先搭设一个安装层平台,本工程平台的位置在第2层,1层为落地架。
平台面应低于该安装楼面100-200mm,平台能够承受10KN/M2的荷载。
平台水平度应控制在20mm范围内。
平台的宽度应大于升降脚手架宽度300mm,平台边缘设有防护栏杆。
4.1.2.组装竖向主框架及水平桁架:第一步架的组装是整套升降脚手架安装质量的关键一定要认真仔细,严格按要求进行。
一般来说,应以建筑物外形结构形状变化复杂、架体同结构相关因素的地方作为架体搭设的起始点。
依照预埋位置图三、四,在预先搭设的平台上安装第一节主框架,将主框架立杆与平台相扣,搭设水平桁架,桁架以上架体按双排脚手架搭设规范进行搭设。
水平桁架由立杆、大小横杆、纵向斜杆等定型构件组成,采用M14螺栓连接。
竖向主框架由导轨、立杆加定型斜杆和小横杆组成,主框架之间上下连接采用M20螺栓连接。
4.1.3.搭设要求:4.1.3.1.搭设水平桁架时,落地架一定要找水平。
4.1.3.2架体搭设时,架体立杆与珩架立杆对接时,每隔一个需在架体立杆端头焊接立杆法兰板并用M20螺栓连接.架子管件保证横平竖直,不超过建设部门的规定;4.1.3.3.架体外观杆件保持平整,管头长短一致;4.1.3.4.剪刀撑不大于有关部门规定角度;4.1.3.5.立杆、大横杆节头在同一平面上,需错节;扣件、螺母必须拧到位,拧紧;4.1.3.6.外排脚手架纵向两端和转角处起,在脚手架外侧面隔9米(水平距离),左右用斜杆搭成剪刀撑。
斜杆与地面成45~60度夹角,剪刀撑必须采用搭接方式,钢管搭接长≥100CM并用两只转扣锁紧。
4.1.3.7.架体的防护及封闭:安全网挂平整,阴角处用竹片及钢筋加固;搭设升降脚手架最底一步架底平面要用脚手板封闭,以防止物品掉落,如果使用钢筋网片或密封性不好的脚手板,每隔三步架封闭一层。
采用翻板作为与结构间的隔离,架体内排与结构间采用翻板或平网作二次隔离。
4.1.3.8.脚笆采用多层板或竹笆并系牢。
4.1.3.9.组装后序架体,除按以上要求进行外,还应注意以下几点:A.在搭设时如出现误差积累造成某一立杆点左右位置偏差太大时,可现场根据具体情况调整横杆长度组合。
B.架体继续往上搭设,要控制立杆与每一楼层的标准墙距离和相应的垂直度,水平度要求。
C.立杆的相邻结点要错开,以保证架体的整体刚度。
D.按照确定的预埋点位置尺寸设置预埋孔。
E.根据施工现场进度,保持架体至少高出施工楼面半层的高度。
F.在提升机构未安装好以前,架体应与建筑物有临时连墙拉接处理,以保证架体的刚性及安全。
G.安装廊道斜杆和内外排剪刀撑。
4.2.在架体基本完成时,进行提升机构的安装,其安装顺序为:4.2.1.架体附墙方式:架体与墙体采用钢挑梁、预留螺栓孔、穿墙螺栓等物件附着。
要求:升降脚手架附着处砼强度大于C10;按要求进行预埋套管的预埋。
4.2.2.提升机构安装流程:4.2.2.1.在墙体上安装钢挑梁组件,将导轮套入导轨,安装穿墙螺栓,要求钢挑梁要与导轨对中,连墙挂板与建筑物墙面贴实。
4.2.2.2.后续钢挑梁安装安装。
4.2.2.3.提升机构安装(1)将吊防坠吊挂组件置于钢梁头部;(2)悬挂电动葫芦,其安装流程为:A.将电动葫芦上钩安装在钢梁端部吊防坠吊挂组件吊环上,下钩钩在主框架下部的提升挂板上。
B. 调整葫芦高度,挂好倒链并预紧,预紧时倒链不宜过紧,以拉直为准。
4.3.电动葫芦电控柜电缆线的连接见图六4.3.1电动葫芦采用10吨6米低速环链电动葫芦;电控柜采用可同时控制9台以上电动葫芦的电控柜;主电源线采用3*4+2*1.5三相五线电缆线,分线采用3*1.5+1三相四线电缆线;4.3.2主电源与电控柜的连接处要设置分电箱, 分电箱内设置分线开关及过流保护器;4.3.3按照架体最大片设置的提升机位数量,设置分线电缆线数量,电缆线的长度要充分考虑上下楼层的高差以及楼层里结构墙、柱的位置不同而引起的长度变化因素,在每根线的两端分别接上三相四线制插头插座并编号;在每台电动葫芦上接上2米长电缆线,一头接在电动葫芦上,另一头接上三相线四制插座 ;将分线电缆线按照编号分别连接在电控柜和电动葫芦相同编号的连接插头或插座上;4.3.4主电源通电,检查葫芦相序,保证每台电动葫芦上升或下降方向一致,与电控柜控制面板上的提升或下降标识一致;4.4避雷措施升降脚手架避雷利用基础钢筋做接地体,电渣压力焊框架柱为引下线,柱立面(四角中间部位框架柱)设连接点,提升架每升降一次均与之连接,连接件要做镀锌处理;每升降一次要做一次接地电阻测试,一般不应大于4Ω;4.5、升降脚手架安装结束后,按下述要求,先进行自查,自查要求:五.附着升降脚手架的提升:5.1. 作业前安全检查、验收:架体搭设、机构安装完成后,由现场总指挥、安全员、施工班长、电工等组成验收小组,对升降脚手架节点的紧固性、架体的垂直度、行架的垂直度和水平度、架体的高度、提升机构的安装情况,以及电控柜电动葫芦安装情况,电线电缆的敷设等项目,进行检查验收,并填写检查验收表,对不合格的项目,下达整改通知,整改后经复查,合格后方能使用。
5.2.根据主体施工进度,由现场技检部门,检验升降脚手架附墙点砼强度达到C10强度。
安全技术部门检查支模构件,临边堆物等,认为具备安全提升条件后,填妥升降作业通知单,并对升降脚手架班组下达作业通知。
5.3.升降脚手架提升作业前,由技术员、安全员,对将进行提升作业的人员进行安全技术交底,并签名(一式三份),班组长进行具体的作业分工。
5.4.提升前,必须发出书面通知(或在醒目地方用板写上),告知与升降脚手架提升时有安全影响的临边作业,悬空、高空作业等相关班组,具体提升作业时间。
并在架体下方相关地面上用警戒绳圈示警范围,并派专人监护。
5.5.提升作业人员进岗前必须对通信设备(对讲机)进行复查、调试,统一到无干扰的同一频率后,方可进入各自的施工位置。
5.6.各类人员进入施工位置后,用对讲机对话检查,班组长复查。
由现场指挥下达升降作业指令,各专门人员按分工进行职责范围的工作,要求注意力集中,认真负责。
5.7.预紧葫芦倒链,要求由班组长亲自进行每个葫芦的预紧过程,以全面掌握葫芦预紧情况,控制柜人员配合,确保各机位受力均匀。
5.8.全部葫芦预紧后,统一拆除架体拉接钢管,使整个架体完全悬挂于葫芦上。