称重皮带秤技术规范
- 格式:doc
- 大小:31.50 KB
- 文档页数:7
电子皮带称操作规程范文第一章总则第一条为了保证电子皮带称的正常运行,确保称重结果的准确性,减少操作过程中的安全隐患,制定本操作规程。
第二条本操作规程适用于所有对电子皮带称进行操作、维护保养、日常检查的人员。
第三条所有操作人员必须经过培训,并具备电子皮带称相关知识和操作技能,且具备一定的安全防护意识。
第四条严禁未经允许的人员擅自进行操作或维修电子皮带称,如果有问题,请及时向上级主管或维修人员报告。
第五条操作人员应按照本规程的要求进行操作,若发现存在可疑问题或操作不当的情况,应立即停止操作,报告上级主管。
第二章操作流程第一节操作前准备第六条操作前,检查电子皮带称的工作环境是否符合要求,确保无明显的温度变化、湿度过大、光线干扰等因素。
第七条操作前,检查电子皮带称的仪表是否正常工作,包括显示屏、按键、电源等,如发现故障应及时报告维修人员。
第八条检查电子皮带称的皮带是否干净、无异物,确认皮带安装是否正确,如遇到问题应及时报告维修人员。
第九条检查电子皮带称的传感器是否正常工作,调整传感器灵敏度,确保能准确感知物体通过。
第十条验证电子皮带称的零点功能,确保在无物体通过时,读数稳定为零。
第二节操作过程第十一条操作人员应根据实际需求,选择合适的称重单位,并在称重前将单位设置好。
第十二条在进行物体称重前,应确保物体平稳放置在皮带上,避免物体滑落或跳动。
第十三条操作人员应按下开始/停止按钮,启动电子皮带称的工作,确保物体开始称重。
第十四条在物体通过电子皮带称时,操作人员应密切观察仪表的读数,确保能够及时记录物体的重量。
第十五条在物体称重结束后,操作人员应按下停止按钮,停止电子皮带称的工作。
第十六条操作人员应记录物体的称重结果,并根据需要进行后续处理,如打印报表、导出数据等。
第三节操作后处理第十七条操作结束后,操作人员应将电子皮带称的仪表归位,清理工作环境,确保周边无杂物。
第十八条操作人员应及时报告电子皮带称的故障或异常情况,协助维修人员进行维修保养。
泰国7500KW木屑生物质燃料次高压电站泰国7500KW木屑生物质燃料次高压电站称量设备技术规范书需方:天津机电进出口有限公司设计:邯郸市世通电力水泥技术开发有限公司时间:2015年9月08日目录一、技术规范二、技术参数三、包装运输四、设备监造(检验)和性能验收试验五、质量保证及保证期六、技术服务及联络七、其他第一章技术规范1. 总则1.1 本技术规范书适用于泰国7500KW木屑生物质燃料次高压电站的称量设备,它提出了设备的功能设计、结构、性能、安装和试验等方面的技术要求。
1.2 买方在本技术规范书中提出了最低限度的技术要求,并未规定所有的技术要求和适用的标准。
卖方应提供一套满足本技术规范书和所列标准要求的高质量产品及其相应服务。
1.3 如未对本技术规范书提出偏差,将认为卖方提供的设备符合本技术规范书和相关国家标准的要求。
1.4卖方须执行本技术规范书所列标准。
有矛盾时,按较高标准执行。
2. 工程概况环境条件最高温度:40℃最低温度:11℃设计温度:27.5 ℃年平均温度:27.5℃湿度:60-100%设计用湿度值:75%海拔高度:<100m年平均压力:100kPa年平均年降雨量15000mm气候特点热带季风气候地震烈度:缺少资料设计风速:缺少资料所在地区泰国南部3.执行标准和规范电子皮带秤的设计、制造、包装、运输、储存、验收应以中国国家标准为基础并符合下列有关标准、规范和规定的要求:《电子皮带秤》 GB/T7721-1995《连续累计自动衡器(皮带秤)检定规程》 JJG195-2002《电子衡器通用技术条件》GB/T4249.2《称重传感器》 JJG669-90《气焊、手工电弧焊及气体保护焊缝坡口的基本形式与尺寸》GB985 《钢结构设计规范》GBJ17-88《外壳防护等级分类》 GB4208第二章技术参数1.电子皮带秤技术参数·规格型号 ICS-17A-650(配控制箱)·胶带机宽度 B=650mm·数量 2台·胶带机速度 1.00m/s·胶带机倾角水平安装·称量范围 0~100 t/h·电源电压交流220V·检定精度±0.25%2.电子皮带秤技术特点2.1系统构成及工作原理乙方生产的ICS系列电子皮带秤主要由称重桥架、称重传感器、速度传感器、称重显示仪表(积算器)及辅助设备组成。
华能太仓电厂一期机组(2×320MW)脱硫超低排放改造工程皮带称重给料机技术规范需方:北京清新环境技术股份有限公司供方:2016年6月北京目录一总则 (1)二工程概况及自然条件 (1)三技术要求及技术规范 (3)四供方设计数据 (15)五供货范围 (16)六技术资料和交付进度 (17)七交货 (18)八检查、性能验收试验 (18)九质量保证 (18)十技术服务 (19)十一违约责任 (19)一总则1.1说明本技术规范提出的是最低限度的技术要求,并未规定所有的技术要求和适用标准,供方应提供满足本技术规范和所列标准要求的质量合格的产品及相应服务。
供方的书面返资(图纸资料、随机文件、说明书等)如果与本规范不符或与电子版不符时,必须由双方书面确认。
否则造成的损失由供方负全责。
需方提供给供方的设计条件如有遗漏,供方有责任向需方书面索取。
如果本规范与需方招标、比价文件矛盾,或与商务合同矛盾,或本规范内的条款相互矛盾时,供方应书面告知需方,由需方确认后,按有利于需方的条款执行。
双方签字确认的传真、变更等文本文件均作为本规范的有效组成部分,与本规范具有同等效力。
1.2如果供方没有以书面方式对本技术规范书的条文提出异议,那么需方将认为供方提供的产品完全符合本技术规范书的要求。
1.3本规范所使用的标准如与供方所执行的标准发生矛盾时,按较高标准执行。
1.4设备采用的专利涉及到的全部费用均被认为已包含在设备报价中,供方应保证需方不承担有关设备专利的一切责任。
1.5供方供应的设备应是技术先进并经过相近参数两台二年以上成功运行实践证明是成熟可靠的产品。
1.6本规范经供、需双方确认后将作为订货合同的技术规范,与合同正文具有同等效力。
1.7技术规范签订后3日内投标方必须提供可编辑的电子版设备返资图发到指定邮箱供招标方审核,保证返资的正确性。
设备返资延迟1日扣除设备款2000元/日,或返资图因设计错误等质量问题反复提资3次以上,扣除设备款2000元/次。
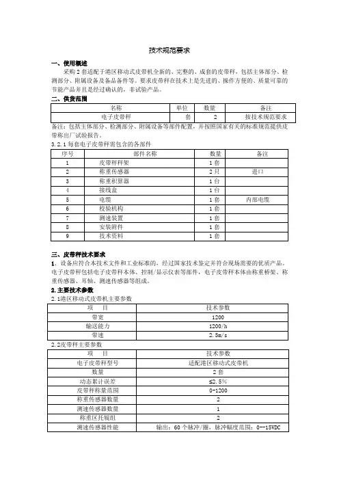
技术规范要求一、使用概述采购2套适配于港区移动式皮带机全新的、完整的、成套的皮带秤,包括主体部分、检测部分、附属设备及备品备件等。
要求皮带秤在技术上是先进的、操作方便的、质量可靠的节能产品并且是经过确认的,非试验产品。
备注:包括主体部分、检测部分、附属设备等部件配置,并按照国家有关的标准规范提供皮带称出厂试验报告。
3.2.1每套电子皮带秤需包含的各部件三、皮带秤技术要求1.设备应符合本技术文件和工业标准的,经过国家技术鉴定并符合现场需要的优质产品。
电子皮带秤包括电子皮带秤本体、控制/显示仪表等部件,电子皮带秤本体由称重桥架、称重传感器、耳轴、测速传感器等组成。
2.主要技术参数2.1港区移动式皮带机主要参数2.2皮带秤主要参数三、主要配置及要求在移动式皮带机上安装一套电子皮带秤(含校验砝码)。
电子皮带秤由卖方提供,安装必须符合GB/T7721-2007《电子皮带秤》产品标准的要求。
具体要求如下:3.1称重桥架称重桥架结构简单、安装方便、长期稳定性好、不需维护。
3.2称重传感器3.2.1称重传感器应防水防尘全密封、使用寿命长。
称重传感器采用原装优质进口件。
3.2.2称重传感器的引出线应足够长,能直接至现场变送器或仪表,中间不得有接头。
3.2.3称重传感器精度应优于0.05%。
3.3测速传感器3.3.1测速传感器采用原装优质进口件,应防水防尘全密封。
引出线应足够长,能直接至现场变送器或仪表,中间不得有接头。
3.3.2测速传感器测速轮与皮带接触可靠,不得有跳动现象。
3.3.3防护等级达到IP653.4控制/显示仪表3.4.1控制-显示仪表为数字中文式,采用原装优质进口件,触摸式按键,安装在电子皮带秤附近或买方指定地点。
控制-显示仪表采用合金双层密封,有较高的防水防尘性能,其防护等级不低于IP54。
3.4.2电子皮带秤的称量数据应能准确地在现场仪表上显示。
3.4.3控制/显示仪表应有下列接口3.4.3.1与输煤程控室数据记录计算机的通讯接口。
电子皮带称操作规程范本一、概述本电子皮带称操作规程适用于电子皮带称的使用和操作,以确保准确、安全地进行称重工作。
二、操作前的准备工作1. 检查电子皮带称设备是否正常工作,如有故障应及时报修;2. 清理称台和传感器上的灰尘和异物,确保称重的准确性;3. 检查电子皮带称的电源是否正常,如有问题请联系维修人员;4. 确保电子皮带称的安全防护装置完好并且能正常工作,如有问题请及时修理。
三、操作步骤1. 打开电子皮带称的电源开关,并确保显示屏亮起;2. 将待称重的物体放置在皮带上,并确保重心平衡;3. 根据需要,调整皮带的速度和输送方向;4. 观察显示屏上的数字,确认称重结果;5. 若称重结果稳定,记录并处理称重数据;6. 若称重结果不稳定,检查是否有外部干扰,并重新称重;7. 移除称重物体,并关闭电子皮带称的电源开关;8. 清理皮带和称台,确保干净整洁;9. 将电子皮带称设备恢复至待机状态;10. 记录操作记录和必要的参数,以备后续查阅。
四、安全注意事项1. 操作人员应熟悉电子皮带称的使用方法和操作规程,并严格按照规程操作;2. 在操作过程中,严禁站在皮带上或者将手臂伸入机器内部;3. 不得超过电子皮带称的额定负载范围,否则可能损坏设备;4. 使用电子皮带称时,应注意防滑和抓紧物体,避免意外事故的发生;5. 禁止在运行中打开电子皮带称的上盖,以免发生危险;6. 在维修和保养电子皮带称时,应先切断电源,并由专业人员操作。
五、故障处理1. 在使用过程中遇到故障,请及时切断电源并通知维修人员;2. 不得私自操作或维修电子皮带称,以免引发更大的问题;3. 在维修人员到达之前,应将电子皮带称设备设在安全状态,做好围栏和警示标志。
六、保养维护1. 每日使用结束后,清理电子皮带称设备;2. 定期检查称台、传感器和皮带的磨损情况,并及时更换;3. 定期对电子皮带称进行维护保养,确保设备的正常运行;4. 定期校准电子皮带称的精度,确保称重结果的准确性。
皮带秤误差允许范围一、什么是皮带秤?皮带秤是一种用于连续称重的设备,主要用于物料输送过程中的称重和计量。
它通过测量物料在传送带上的重量来计算出物料的质量和流量,广泛应用于煤炭、水泥、化肥等行业。
二、皮带秤误差允许范围的定义皮带秤误差允许范围是指在实际使用中,由于各种因素影响而导致的测量误差所能容忍的范围。
这个范围是由国家标准或行业标准规定的,不同行业和不同应用领域对皮带秤误差允许范围有不同要求。
三、影响皮带秤测量精度的因素1. 传送带速度:传送带速度会影响皮带秤测量精度。
当传送带速度发生变化时,会导致称重数据发生偏差。
2. 物料流量:物料流量越大,称重数据越容易受到干扰,从而影响测量精度。
3. 传感器灵敏度:皮带秤的传感器灵敏度越高,测量精度越高。
4. 传感器安装位置:传感器安装位置对皮带秤测量精度有很大影响。
如果安装不当,会导致称重数据发生偏差。
5. 环境温度:环境温度的变化会影响皮带秤的测量精度。
在极端温度下,皮带秤的测量数据可能会出现较大误差。
6. 物料性质:物料的密度、湿度、颗粒大小等因素也会影响皮带秤的测量精度。
四、皮带秤误差允许范围标准根据国家标准《连续称重机械》GB/T 10595-2009,皮带秤误差允许范围为:1. 精度等级0.5级:允许误差为±0.5%;2. 精度等级1级:允许误差为±1%;3. 精度等级2级:允许误差为±2%;4. 精度等级3级:允许误差为±3%。
五、如何保证皮带秤测量精度1. 选用合适的皮带秤:根据物料的特性和生产需求,选择合适的皮带秤。
2. 传感器安装:传感器应该安装在传送带上游,确保物料流量稳定,避免对称重数据产生干扰。
3. 传送带速度控制:通过控制传送带速度来保证称重数据的稳定性。
4. 定期维护保养:对皮带秤进行定期维护保养,确保其正常工作状态。
5. 环境温度控制:在使用过程中,要注意环境温度的变化,避免极端温度对称重数据产生影响。
关于皮带秤、料斗秤的相关要求一、皮带秤部分相关要求:1、更换皮带、托辊、秤架结构发生改变、皮带松紧度调整时需通知仪表科进行衡器校验。
2、应保证秤架整体安装牢固,避免振动现象的出现,转动部件经常润滑,保障转动部件转动灵活,称重托辊及过渡辊规格型号一致、同心度一致,称重托辊及过渡辊相对在一条直线上、且称重脱辊高于过渡辊1~2mm。
3、应采取有效措施,避免皮带跑偏、刮边现象的出现,皮带应避免出现断层、起层、重叠粘贴、缺口现象的出现。
4、应定期查看,避免秤架、皮带支架、托辊架之间的卡料现象,托辊及皮带的粘料现象,卡料及粘料现象应及时处理。
5、现场应注意保护衡器设施,例如校验用砝码、链码、校验支架等。
6、配料秤应保障落料点在皮带中心线上,以避免偏载问题的出现。
7、应保证正常状态下下料量的稳定性及连续性,料的粒度应趋于一致。
8、工艺进行的比对工作,超过工艺允差时需通知仪表检查(配料皮带秤跑盘比对时应计算多盘平均值的误差情况,误以单次结果判断皮带秤的准确度)。
9、秤体进行电焊作业前应通知仪表,避免损坏传感器。
10、避免秤体上直接加载40kg以上的重物,避免传感器的损坏。
二、料斗秤的相关要求;1、料斗秤的料斗及秤耳发生变化时应通知仪表校验。
2、应保证料斗及料耳的强度,以取保衡器的线性误差。
3、应保障料斗料耳在同一个水平面上。
4、料斗秤应杜绝卡料、硬连接现象的出现(料斗四周、上料口、下料口、除尘罩等部位、含及时清除料斗附近积存的灰尘)。
5、秤体进行电焊作业前应通知仪表,避免损坏传感器。
三、需协助的工作:1、料斗秤及皮带秤校验、维修工作需提供人员支持。
2012年9月24日。
电子皮带秤安全操作规定前言电子皮带秤是现代生产中常用的一种重量计量设备。
它主要用于连续、高效地测量和计量输送带上的物料重量。
为了保障人身安全和设备正常运行,我们制定了以下电子皮带秤的安全操作规定。
环境要求1.电子皮带秤应放置在平整、稳定的地面上。
2.周围空间应充分保留,以确保操作和维护的便利性和安全性。
3.根据厂房环境的要求抉择适当的防爆、防潮、防尘和防污染措施。
使用前的准备工作1.在接通机电设备电源之前,首先检查电子皮带秤、传感器、仪表与计算机之间的连线是否正确,并检查系统所有的电缆线及控制电路的接地是否牢固可靠。
2.检查电子皮带秤各部件是否处于正常的工作状态,包括重量测量系统、供电系统、信号采集系统等方面,如有异常要及时通知相关人员处理。
操作规定1.操作前先开启电源,检查显示屏是否正常、机器是否正常运转等。
2.进行皮带秤的校准,确保测量误差在规定范围之内。
3.启动计算机控制系统,确保系统与皮带秤传感器的连线正常。
4.操作人员应从安全角度出发,确保自己和其他人员的人身安全,严禁擅自闯入计量区域。
5.操作人员应熟悉皮带秤的测量原理和操作方法,以保证正确汇总和计算数据,避免误差。
6.在进行操作时,注意调节皮带秤的重量范围设置,以确保正确读出数据。
7.操作完毕后及时关闭计算机控制系统,并妥善保存好数据。
维护和保养1.电子皮带秤的维护和保养应由专业人员进行,正确使用保养工具和润滑油等材料,以确保皮带秤的正常运转。
2.在皮带秤操作过程中,发现任何异常情况和操作失误,应及时通知相关人员进行处理,确保设备的正常运转。
3.皮带秤及相关设备的保养和维护需定期进行,保证设备长时间稳定地运转,避免设备损坏,延长使用寿命。
总结使用电子皮带秤是一个复杂的工作过程。
操作人员在使用电子皮带秤的过程中,应遵循操作规程,从安全角度出发,确保个人安全和设备安全。
同时,设备保养和维护同样重要,定期维护设备以延长设备使用寿命。
皮带秤(维护检测、修理)安全作业技术规程
2安全生产要求
2.1 皮带秤秤架内禁止站人或堆放输送物料以外的物品;皮带输送
机长时间不运转时,应清除皮带秤秤架内的物料。
2.2皮带秤的固定部件要定期检查,不得有松动。
2.3传感器的支承点、活动连接处运转要灵活,不得有硬件卡死。
2.4严禁非皮带秤维护人员操作现场接线箱、皮带秤各零部件等。
3维护检测、修理规程
3.1操作前应穿戴好劳保用品,扣紧袖口,禁止将衣服敞开,发辫应当纳入帽内。
3.2故障处理前要办理相关票证,经工艺人员允许后,有操作工在场协助处理。
3.3要有二人或二人以上去现场,一人监护,一人操作;
3.4禁止一切人员在皮带上、下通过。
3.5检查托架及传感器或者更换零部件,必须在停车的情况下进行。
3.6在皮带运转的情况下,严禁用手、木棍、铁铲、扫帚及其它物件清理皮带秤秤架内的附着物。
5作业监护
5.1进入皮带输送机作业区域,必须清楚“紧急状态停车按键”或“紧急状态拉线开关”所处的位置,遇到紧急事故可以采取紧急措施。
电子皮带称操作规程电子皮带秤是一种常用的称重设备,广泛应用于工业生产、仓储物流等领域。
为了保证电子皮带秤的正确使用和操作,制定一套操作规程是非常必要的。
以下是一份电子皮带秤的操作规程,供参考:一、安全注意事项1. 操作人员必须经过技术培训,并具备使用电子皮带秤的相关知识和技能。
2. 在操作电子皮带秤前,必须检查设备是否正常工作,如有异常情况,应立即停机,并通知维修人员进行维修。
3. 在操作电子皮带秤时,必须穿戴好劳动防护用品,如安全帽、护目镜、耐酸碱手套等。
4. 禁止将手或工具伸入运行中的电子皮带秤机构,避免发生事故。
5. 禁止随意调整电子皮带秤的设备参数,如需调整,必须由专业人员进行。
二、操作流程1. 开机准备(1)检查设备是否正常工作,包括电源、皮带、传感器等。
(2)检查皮带的紧固情况,确保皮带运行平稳。
(3)检查设备的导向装置和支撑装置,确保皮带运行的稳定性。
(4)确认电子皮带秤的设备参数设置是否正确。
2. 开机操作(1)按照机器上的开机按钮,将电子皮带秤启动。
(2)将待称重物料均匀放置在皮带上,并确保物料不会倾斜或堆积过高。
(3)观察显示屏上的读数,确认物料的称重结果。
如有异常情况,应及时停机。
3. 关机操作(1)当物料称重完成后,按下停机按钮,将电子皮带秤停止运行。
(2)清理物料残留物,确保设备卫生整洁。
(3)关闭电源开关,断开电源。
4. 维护保养(1)定期对电子皮带秤进行检查和维护,包括清洁设备、检查电缆和接线的连接情况等。
(2)定期对电子皮带秤进行校准,确保称重结果的准确性。
5. 常见故障处理(1)显示屏不亮或读数异常:检查电源、电缆和接线是否正常,如有损坏或松动,及时修复或更换。
(2)称重结果偏差较大:可能是皮带张紧不当、传感器故障等原因造成的,及时调整或维修。
三、操作注意事项1. 严禁超载操作,避免机械设备的过度负荷损坏。
2. 禁止在运行中随意停机或启动电子皮带秤,避免对设备和物料造成损坏。
⽪带秤检定规程前⾔本规程依据JJG195—2002《⽪带秤检定规程》制定的。
该规程等效采⽤国际法制计量组织(OIML)⾮⾃动衡器国际建议R76。
检定记录可参照JJG195—2002《⽪带秤检定规程》制定。
由于⽔平有限,此规程在编写过程中难免出现许多不适当之处,望专家和同⾏们提出宝贵意见。
⽬录1 适⽤范围 (1)2 概述 (1)3 计量技术要求 (1)4 检定条件 (9)5 检定项⽬和检定⽅法 (10)6 检定结果处理和检定周期 (13)电⼦⽪带秤检定规程(试⾏)1 适⽤范围本规程适⽤于公司范围内⽤于安装、使⽤中和修理后的各种策略式累计计量⽪带秤(以下简称⽪带秤)的检定。
⽪带秤是安装在⽪带输送机的适当位置上,对散装物料⾃动地进⾏快速、连续、累计称量的计量器具。
⽪带秤称重系统由称重框架、称重传感器、测速传感器和称重指⽰控制器四⼤部分组成。
2 术语JJG555-1996《⾮⾃动秤通⽤检定规程》的部分术语适⽤于本规程,为便于计量检定,特引⽤其计量管理中的部分术语。
2.1 检定为评定秤的计量性能,确定其是否符合法定要求所进⾏的全部⼯作。
2.2 ⾸次检定对从未检定过的秤所进⾏的检定。
注:⾸次检定包括:新制造、新安装的检定。
2.3 随后检定⾸次检定后的检定。
注:随后检定包括:a 周期检定;b 修理后检定;c 新投⼊使⽤强制检定的秤使⽤前申请的检定;d 周期检定有效期未到前的检定。
该检定通常是根据被检单位或使⽤者的要求。
2.4 使⽤中检验检验使⽤中的秤是否符合计量检定规程的要求;是否处于良好的⼯作状态;使⽤是否正确、可靠。
通常使⽤中检验是⼀种监督性检验。
3 计量技术要求3.1、⽪带输送机3.1.1 ⽪带输送机的制造和安装。
⽪带输送机的制造和安装应符合国家标准《带式输送机技术条件》要求。
3.1.2 ⽪带输送机的基本参数3.1.2.1 倾⾓3.1.2.1.1 I、Ⅱ级秤≤6o。
3.1.2.1.2 Ⅲ、Ⅳ级秤≤18o。
《皮带秤技术条件》《皮带秤技术条件》1. 引言皮带秤是一种广泛应用于物料称重的装置,其准确性和稳定性对于生产过程的控制至关重要。
本文将介绍皮带秤的技术条件,以确保其正常运行和准确测量。
2. 技术要求2.1 精度要求皮带秤应具备高精度的测量能力,测量误差不得超过规定的限值。
误差可通过定期校准和调整来保持在允许范围内。
2.2 运行稳定性皮带秤在运行过程中应保持稳定的测量结果,并能够适应物料流量和速度的变化。
对于不同类型和性质的物料,皮带秤应具备适应性。
2.3 工作环境皮带秤应适应不同的工作环境要求,包括温度、湿度、粉尘和腐蚀等因素。
其外部结构和材料应具备抗腐蚀、防尘等特性,以确保长期稳定运行和可靠性。
2.4 数据记录和传输皮带秤应具备数据记录和传输的功能,可将测量结果存储并输出给上位系统进行数据分析和处理。
数据传输过程中应保证数据的完整性和准确性。
2.5 操作和维护皮带秤操作简便,具备人机界面清晰明了、易于操作的功能。
维护保养方便,具备自动故障诊断和报警功能,便于及时处理故障和维修。
3. 校准和检测为确保皮带秤的准确测量,定期校准和检测是必要的。
校准应按照相关标准和规程进行,确保测量结果符合要求。
校准的结果和记录应保存并随时提供给相关部门进行核查。
4. 安全要求皮带秤应考虑工业安全要求,并具备相关保护装置,以确保操作人员的人身安全和设备的完整性。
在操作过程中应严格遵循操作规程,禁止擅自修改和调整设备参数。
5. 结论皮带秤作为一种重要的物料称重装置,在生产过程中发挥着关键的作用。
通过满足精度要求、运行稳定性、工作环境要求、数据记录和传输、操作和维护、校准和检测以及安全要求等技术条件,可以保证皮带秤的正常运行和准确测量,为生产过程的控制提供可靠依据。
电子皮带秤技术规格书徐州圣能科技有限公司二〇一七年九月总则1、本规范书仅适用于天池能源南矿至北一、北二电厂输煤廊道工程电子皮带秤设备订货招标。
2、投标厂商提供的设备应功能完整,技术先进,并能满足人身安全和劳动保护条件。
3、所有设备必须按相应规范设计制造,在正常情况下均能安全、持续运行,而不应有过度的应力、振动、温升、腐蚀、老化问题。
建设单位和招标方鼓励投标厂商提供优于本规格书要求的先进、成熟、可靠的设备及部件。
4、设备零部件应采用先进可靠的加工、制造技术,应有良好的表面几何形状及合适的公差配合,所有外购配套件必须选用优质、节能、环保、先进的产品,并有生产许可证及产品检验合格证,严禁采用国家公布的淘汰产品。
对重要部件需取得买方认可或由买方指定,投标厂商应对外购部件及材料进行检验或验证,并对质量负责。
5、本规格书提出的是最低限度的技术要求,并未对一切技术细节作出规定,也未充分引述有关标准和规范的条文,投标厂商应承诺提供符合本规格书和有关最新工业标准及规程规范的优质产品。
6、投标厂商可根据自己的制造和生产经验,对本规格书提出修正方案,供发包方参考。
7、在合同签订后,发包方有权提出因标准、规程及规范发生变化而产生的修订要求,具体事宜由双方协商确定。
8、本技术规格书作为订货合同的技术部分,是合同不可分割的一部分,与合同正文具有同等效力。
9、需要在相关部门办理相关手续的,均由供方负责办理,并承担办理相关手续的费用。
目录第一章概述 (1)第二章使用条件和原始数据 (3)2.1 交通位置及自然条件 (3)2.2 设备工作条件 (4)2.3 工作制度 (4)2.4 输送物料特性 (4)第三章标准和规定 (8)3.1 设备遵循的共用标准 (8)3.2 设备遵循的专用标准 (8)第四章技术性能要求 (9)4.1 技术规格参数 (9)4.2 设备安装技术要求 (10)4.3 带式输送机参数 (11)第五章图纸和技术资料 (13)第一章概述新疆天池能源有限责任公司南露天煤矿位于吉木萨尔县城北90km,行政区划属吉木萨尔县管辖,位于准东煤田大井矿区西南部。
皮带秤(维护检修)安全作业技术规程皮带秤是工业生产中常用的一种称量设备,用于实时计量物料的重量。
为了确保皮带秤的正常运行和安全使用,制定一套完整的皮带秤维护检修安全作业技术规程非常必要。
以下是针对皮带秤的维护检修过程所需遵守的安全作业技术规程的详细说明。
第一章:总则1.1 本规程的适用范围:本规程适用于所有使用皮带秤的生产单位。
1.2 本规程的目的:制定本规程的目的是为了确保皮带秤的正常运行和安全使用,减少事故的发生,保护工作人员的人身安全。
第二章:维护检修责任2.1 维护检修责任的划分:明确皮带秤的维护检修责任划分,包括设备责任人、维护人员和使用人员的相应职责和权限。
2.2 维护检修的管理机构:成立维护检修的管理机构,并明确其职责和权限。
第三章:日常维护3.1 维护检修计划制定:制定合理的维护检修计划,按照计划进行皮带秤的日常维护工作。
3.2 维护记录的管理:建立维护记录,包括维护工作内容、人员、时间等,定期进行归档和备份。
3.3 维护工具和设备的管理:确保维护工作使用的工具和设备完好、有效,做好维护工具和设备的保养和定期检查。
第四章:定期巡视与检修4.1 定期巡视制度:建立定期巡视制度,对皮带秤的部件进行全面检查,及时发现和处理异常情况。
4.2 定期检修内容:制定具体的定期检修内容,包括清洁、紧固、润滑、更换损坏零部件等。
4.3 定期检修记录和分析:建立定期检修记录,对检修情况进行记录和分析,及时发现问题,制定相应的改进措施。
第五章:维护检修安全措施5.1 工作人员的培训和教育:对维护检修人员进行定期培训和教育,提高其安全意识和维护检修能力。
5.2 操作规程和程序:制定维护检修操作规程和程序,明确工作人员的操作流程和注意事项。
5.3 安全防护设施:安装必要的安全防护设施,如护栏、安全门等。
5.4 应急措施:建立应急措施,并进行演练,保证在突发情况下能够及时有效地采取措施。
5.5 安全生产督导和检查:建立安全生产督导和检查制度,对维护检修作业进行监督和检查。
2023年皮带秤(维护检修)安全作业技术规程一、总则为了确保皮带秤的正常运行和使用,保障工作人员的安全,制定本《2023年皮带秤(维护检修)安全作业技术规程》。
二、适用范围本技术规程适用于所有进行皮带秤维护检修工作的工作人员。
三、工作人员要求1.参加本技术规程的工作人员必须接受相关安全培训,并持有合格的操作证书。
2.工作人员必须具备安全意识,并能熟悉皮带秤的结构、原理和使用方法。
3.工作人员必须佩戴符合要求的安全防护装备,包括安全帽、防护眼镜、防护耳罩、防护手套等。
4.工作人员应按照规定的工作程序进行作业,并遵守相关安全规范。
四、安全作业措施1.工作人员在进行皮带秤维护检修前,必须对设备进行全面的检查,确保设备处于安全状态。
2.在维护检修过程中,严禁使用带有开关的工具和设备,以免误操作。
3.维修工作需要使用电动工具时,必须确保电源已经关闭,并采取适当的安全措施,避免触电事故的发生。
4.在维护检修过程中,如无必要,禁止单独作业,必须有人看护、支援。
5.维修过程中出现的问题,必须及时向相关负责人报告,并采取适当的措施进行处理。
6.维护检修完成后,必须对设备进行再次检查,确保设备正常运行。
7.维护检修过程中,如发现设备存在严重的安全隐患,必须立即停止作业并向相关负责人报告。
五、应急预案1.在维护检修过程中,如发生紧急情况,必须立即采取适当的应急措施,确保工作人员的安全。
2.如发生火灾事故,工作人员应立即关闭电源,并使用灭火器、灭火器材等进行灭火。
3.如发生人员伤害事故,工作人员应立即进行急救,并及时报告相关负责人。
六、后勤保障1.为了确保维护检修工作的顺利进行,必须做好相关设备和工具的后勤保障工作。
2.必须定期对相关设备进行检查和维护,确保设备处于良好的工作状态。
3.必须为工作人员提供符合要求的安全防护装备,并及时更新和更换。
七、罚则和奖励1.对违反本技术规程的行为,一经查实,将按照公司相关规定给予相应的处罚。
电子皮带秤技术规范书1 总则1.1 本规范用于本规范书适用于电子皮带秤设备,它提出了设备的功能设计、结构、性能、安装和试验等方面的技术要求。
1.2 需方在本规范中提出了最低限度的技术要求,并未规定所有的技术要求和适用的标准,供方应提供一套满足本规范和所列标准要求的高质量产品及其相应服务。
对国家有关安全、环保等强制性标准,必须满足相应要求。
1.3 供方确认本规范后,供方同意提供设备是高质量符合协议和标准的要求。
1.4 供方在设备设计和制造中所涉及的各项规程,规范和标准必须遵循现行最新版本的中国国家标准。
供方应提供所使用的标准。
本规范所使用的标准如遇与供方所执行的标准有不一致时,应按较高标准执行。
1.5 设备采用的专利涉及到的全部费用均被认为已包含在设备报价中,供方应保证需方不承担有关设备专利的一切责任。
1.6 供方承诺提供的设备保证是高质量的。
所供设备是技术先进并经过相同参数两台三年以上成功运行实践证明是成熟可靠的产品。
1.7 在签订合同之后,需方有权提出因规范标准和规程发生变化而产生的一些补充要求,具体项目由需供双方共同商定。
1.8 本技术规范将为订货合同的附件,与合同正文具有同等效力。
1.9 如未对本规范提出偏差,将认为卖方提供的设备符合规范和标准的要求。
偏差(无论多少)都必须清楚地表示在“差异表” 中。
2 规程和标准电子皮带秤的设计、制造、包装、运输、储存、验收应符合下列有关标准的要求,但不限于此:各型电子皮带秤的最新国家标准及行业、企业标准GB7721-95电子皮带秤标准GB3052衡器产品型号编制方法GB7724称重显示控制器技术条件GB7551电阻应变式称重传感器DLJ52电力建设施工及验收规范GB11345-89焊缝手工超声波探伤方法和探伤结果分级气焊、手工电弧焊及气体保护焊焊缝坡口的GB985-88 基本形式与尺寸GB986-88埋弧焊焊缝坡口的基本形式与尺寸GB1184形状和位置公差GB/T1804一般公差线性尺寸的未注公差GB3323钢熔化焊对接接头射线照相和质量分级GB3767噪声源声功率级的测定GB8923涂装前钢材表面锈蚀等级和除锈等级GB1764漆膜厚度测定法JB/ZQ4286包装通用技术条件GB4720电控设备第一部分低压电器电控设备GB7251低压成套开关设备IEC 408低压空气断路器IEC 157低压开关设备和控制设备SDGJ 17-88火力发电厂厂用电设计技术规定JB8产品标牌GB755电机基本技术要求GB4942.1-85电机外壳防护分级GB12348工业企业厂界噪声标准II 类混合区评价标SD19电测量仪表装置设计技术规程GB7251低压成套开关设备GBJ55工业与民用通用设备电力装置设计规范GB4208外壳防护等级分类DT75型固定式带式输送机设计选用手册上述标准均应为招标截止日时的最新有效版本。
电子皮带秤技术规范书一、引言电子皮带秤是一种用于连续称重物料的设备,广泛应用于矿山、电力、化工、冶金、建材等行业。
本技术规范书旨在规定电子皮带秤的技术参数、性能、安装、维护和使用等方面的要求,确保设备在正常工作条件下可靠、准确地完成称重任务。
二、技术参数1.称重范围:根据实际需要确定最小和最大称重范围。
2.称重精度:设备的基本误差不得大于国家GB/T6379-2024标准规定的等级23.皮带速度范围:根据实际需要确定最小和最大皮带速度范围。
4.连续工作时间:设备应能连续工作24小时,具备自动开关机功能,以保护设备和延长使用寿命。
三、性能要求1.稳定性:设备在工作过程中应保持稳定的称重结果,不受外界振动和干扰影响。
2.准确性:设备的称重结果应与国家标准体系认可的标准器具的称重结果相一致。
3.可靠性:设备的构造应牢固可靠,能适应恶劣的工作环境。
4.灵敏度:设备应具备较高的灵敏度,能够准确感知物料的重量变化。
5.操作方便:设备的操作界面应简洁明了,操作流程简单,易于操作。
四、安装要求1.称重传感器的安装位置应选在皮带运行平稳、无杂质的区域,以确保称重精度。
2.皮带秤的安装应牢固,无明显晃动,传感器与中心线垂直度误差不得超过0.1%。
3.皮带运行方向应与称重传感器的安装方向一致,以确保称重结果的准确性。
4.安装地点应有良好的电源和接地条件,并采取防雷措施,确保设备的安全运行。
5.安装完毕后,进行仪器的校验和调试,确保仪器的其它相关参数符合规范要求。
五、维护和保养要求1.定期检查电子皮带秤的传感器和连接线路是否正常工作,如有损坏或松动现象,应及时进行修理和调整。
2.清洁仪器的表面和传感器,尤其是皮带传感器,确保其无灰尘和杂质。
3.定期校准设备,以保证称重精度,校准周期应根据国家GB/T6379-2024标准的要求来确定。
4.进行设备保养时,需切断电源并确保设备处于安全状态。
5.针对设备的使用环境,进行适当的防尘、防水和防潮措施,确保设备的安全和稳定使用。
称重皮带秤技术规
范
电子皮带称技术要求
2.1、本技术要求适用于输煤系统测量装置,它提出了该设备的功能设计、结构、性能、安装和试验等方面的技术要求。
2.2 本技术要求提出了最低限度的技术要求,并未对一切技术细节作出规定。
也未充分引述有关标准和规范的条文,乙方应保证提供符合本技术要求和工业标准的优质产品。
2.3 如果乙方没有以书面形式对本技术要求的条文提出异议,则意味着乙方提供的系统及设备完全符合本技术要求。
如有差异,应及时与甲方沟通,并以书面形式加以详细说明。
2.4 报价书及合同规定的文件,包括图纸、计算、说明、使用手册等,均应使用法定计量单位。
2.5 从签订合同之后至乙方开始制造之日的这段时期内,甲方有权提出因规程、规范和标准发生变化而产生的一些补充修改要求,乙方应遵守这些要求。
2.6 在安装过程中,如乙方提供的设备及系统有问题或达不到甲方要求,甲方有权提出整改意见和设备增添补充,后期增加的一切
费用均由乙方承担。
2.7.乙方对所供所有改造设备及其附件负有全责,即包括分包(或采购)的产品。
设备采用的专利涉及到的全部费用均已包含在设备报价中,乙方保证甲方不承担有关设备专利的一切责任。
2.8、标书经甲乙双方确认后,甲方仍有权修改技术要求,合同谈判将以本技术要求为蓝本,最终确定的技术要求,技术协议将作为合同的附件,与合同正文具有同等法律效力。
双方共同签署的补充文件也与合同文件有相同的法律效力。
2.9、技术要求所引用的标准若与乙方所执行的标准发生矛盾时,按较高的标准执行。
2.10、乙方提供的设备应符合以下标准但不局限于以下标准:GB/T 7721- 连续累计自动衡器(皮带秤)
GB/T 7551-1997 称重传感器
GB/T 7724-1999 称重显示控制器
GB/T 14250-1993 衡器术语
JJG 195- 连续累计自动衡器计量检定规程
OI ML国际建议R50 《连续累计自动衡器(皮带秤)》1997年(E)版(R50-1,R50-2)
三、工程概况
由于我公司当前使用的电子皮带秤年限已久,存在老化现象,仪表灵敏度已无法完全满足生产要求,导致故障发生率增
高,为确保设备经济安全运行,遂决定进行更换。
四、技术要求
1、我公司实际运行技术参数
皮带宽度:650mm;
测量最大煤流量:200T/h,
皮带倾斜度:≤16°
皮带转速: m/s
给料方式:
控制方式:
数量:1套
2、技术要求
2.1 电子皮带秤系统性能:
计量精度:≤±0.25%;
动态精度:≤±0.3%;
2.2 电子皮带秤的运行应有联锁功能
2.3 称重传感器要采用技术先进、成熟的进口或技术引进型的优等产品
2.4电子皮带秤机械部分
称体主要包括秤体组合、电机减速机、计量皮带等部件,在现场的秤体上还装有称重传感器、速度传感器和皮带极限开关,其中称重传感器和皮带极限开关安装在称架上,而速度传感器安装在电机与减速机连接的法兰上。
给料机机械系统结构要求如下:
▲秤体框架:是定量给料机的基础部件,各功能部件安装在此机架上,构成定量给料机的机械秤体,秤体框架采用型钢组合,具有足够的刚度和强度,经久耐用。
▲称量装置:由称重框架、称重托辊和称重传感器组成。
称重托辊用于承受仓压及保证物料在称重过程中的平稳性,皮带上物料重量经过称量托辊作用到称重传感器上,框架设有配重装置和砝码标定装置,整个称重系统无水平和侧向位移,无摩擦影响,不需维修。
▲标定装置:自带挂砝,用于定量给料机的静态标定。
▲驱动装置:包括电机减速机,调速电机经过法兰与电机连接,减速机具有体积小速比大和结构紧凑的优点。
▲主、从动滚筒:采用调心轴承保证两滚筒处于最佳工作位置,密封性好。
▲张紧防偏装置:保持输送带张力恒定,随时调整输送带走向防止跑偏、打滑检测。
▲清扫装置:皮带内表面设置清扫装置有利于提高计量精度,并能防止皮带因卡料而造成损坏,延长使用寿命;同时保证零点稳定和计量准确。
2.5 皮带秤要求配备:测速传感器、除尘罩、挡料板和卸料罩,称体机架要带有与地坪基础间的支柱。
2.6 控制仪表:。