所有铝材方面的知识
- 格式:pdf
- 大小:130.53 KB
- 文档页数:11
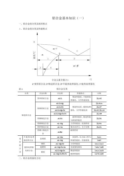
铝合金基本知识(一)一、铝合金的分类及组织特点1.铝合金的分类及性能特点合金元素含量1-变形铝合金;2-铸造铝合金;3-不能热处理强化;4-能热处理强化表1 铝合金分类二、铝合金的强化方法1.固溶强化在纯铝中加入合金元素(Si Cu Mg Zn Mn Ni……等),形成铝基固溶体,从而提高铝合金的力学性能。
2.时效强化合金元素在铝中的固溶度随温度的降低而减少,通过加热到一定温度、保温、淬火而得到过饱和的铝基固溶体,过饱和的铝基固溶体在室温下放置一段时间,或加热到某一温度,其强度、硬度随时间的延长而增高,塑性、韧性降低。
在室温下放置产生时效的现象叫自然时效。
加热产生时效的现象叫人工时效。
3.过剩相强化合金元素超过其极限溶解度时,这些合金元素与铝或元素间形成硬而脆的金属间化合物,在合金中起阻碍滑移和位错运动的作用,使强度、硬度提高,塑性、韧性降低。
4.变质处理加入微量元素(钛、锆、铍、锶、稀土等),在合金结晶时,作为晶核,起细化晶粒作用,提高合金的强度和塑性。
在铝合金液中加入微量钠或钠盐作为变质剂,进行变质处理,细化晶粒可以显著提高其强度和塑性。
5.冷作硬化金属材料在再结晶温度以下变形,变形后材料即被强化,强化的程度随变形程度、变形温度及材料的性质而不同。
同种材料,在同一温度下冷变形时,其变形程度越大,则强度越高。
这是不能热处理的防锈铝合金和纯铝的强化方法。
三、铸造铝合金1.铸造铝合金牌号○1在牌号的最前面用“Z”表示铸造,其后用化学元素符号及数字表示。
例如:ZAlSi7Mg表示该平均含硅量为7%,平均含镁量为1%的铸造镁合金。
○2用合金代号表示。
合金代号由字母“Z”,“L”(它们分别是“铸”、“铝”的汉语拼音第一个字母)及其后的三位数字组成。
ZL后面的第一位数字表示合金系列,1—表示铝硅合金;2—表示铝铜合金;3—表示铝镁合金;4—表示铝锌合金。
其后的两位数字是表示该组合金的顺序。
若为优质合金则在数字后加“A”,例如:ZL101A是铝硅合金,相当于ZAlSi7MgA。
铝材设计知识点总结图一、引言铝材作为一种常见的金属材料,在工程设计中有着广泛的应用。
本文将总结铝材设计的关键知识点,并以图文形式呈现。
以下是铝材设计知识点的总结图:二、铝材的物理性能1. 密度:铝材相较于其他金属具有较低的密度,重量轻,便于携带和加工。
2. 熔点:铝材的熔点较低,约为660摄氏度,熔化过程较容易控制。
3. 导电性能:铝材具有良好的导电性能,可以广泛应用于电子设备等领域。
4. 导热性能:铝材具有较好的导热性能,适用于制造散热器等产品。
三、铝材的优点1. 良好的可塑性:铝材可以通过各种加工方式进行塑性变形,制造出复杂形状的产品。
2. 耐腐蚀性:铝材对大多数酸、碱等化学物质具有较好的耐腐蚀性能。
3. 高强度:虽然铝材的密度较低,但其具有较高的强度,在承载能力方面表现出色。
四、铝材的应用领域1. 建筑工程:铝材常用于建筑幕墙、铝合金门窗等,具有轻质、防火、耐腐蚀等优点。
2. 汽车工业:铝材在汽车制造中广泛应用,可以减轻车身重量,提高燃油效率。
3. 电子设备:铝材用于制造散热器、电路板等,可有效散发热量,保护设备安全运行。
4. 包装材料:铝材可以制成食品包装盒、饮料罐等,具有保鲜、密封等优势。
五、铝材设计的注意事项1. 结构设计:根据使用环境和载荷要求,合理设计铝材的结构,确保其强度和稳定性。
2. 表面处理:铝材在使用过程中容易发生氧化反应,因此需要进行表面处理,如阳极氧化等。
3. 加工工艺:选择合适的加工工艺,对铝材进行切割、焊接、铆接等操作,确保产品质量。
六、结论本文通过图文形式总结了铝材设计的关键知识点,包括物理性能、优点、应用领域以及设计注意事项等。
对于铝材设计感兴趣的读者,这些知识点将有助于更好地理解和应用铝材。
金属铝的知识点归纳总结金属铝(Aluminum)是一种常见的轻金属,具有良好的导热、导电性能,广泛应用于工业和日常生活中。
本文将对金属铝的制备方法、物理性质、化学性质、应用领域以及可持续性开发等方面进行归纳总结。
一、制备方法金属铝的制备主要有电解法和热还原法两种常见方法。
1. 电解法电解法是目前生产金属铝最常用的方法。
该方法通过在氧化铝熔体中通入直流电流,使氧化铝电解分解成金属铝和氧气。
这种方法具有高效、经济的优点,被广泛应用于铝的大规模工业生产过程中。
2. 热还原法热还原法是通过将含铝矿石与还原剂在高温条件下反应,使氧化铝还原为金属铝。
这种方法适用于小规模生产或临时铝锭的制备过程中。
二、物理性质金属铝具有以下主要的物理性质:1. 密度轻金属铝的密度相对较低,约为2.7g/cm³。
这使得铝成为一种重要的轻金属材料,在航空航天、交通运输等领域得到广泛应用。
2. 导电导热性能良好金属铝具有良好的导电导热性能,其导电性能仅次于银和铜。
这使得铝能够广泛应用于电力传输、散热器等领域。
3. 抗腐蚀性强金属铝能够与氧气迅速反应生成致密的氧化铝膜,该膜具有一定的抗腐蚀性能,能够保护铝材不受其他物质的侵蚀。
三、化学性质金属铝的化学性质主要表现在以下方面:1. 建立致密氧化铝膜金属铝在空气中与氧气迅速反应生成致密的氧化铝膜。
这一膜层能够阻止进一步的铝材氧化,具有一定的抗腐蚀性。
2. 与酸反应金属铝可以与酸反应,生成相应的盐和氢气。
然而,由于氧化铝膜的存在,金属铝对许多常见酸的腐蚀性较弱。
3. 不与碱反应金属铝与碱反应生成相应的盐和氢气。
与酸相比,铝在碱性溶液中更容易发生化学反应。
四、应用领域金属铝由于其独特的物理性质和化学性质,在众多领域广泛应用:1. 轻型结构材料金属铝的轻质、高强度特性使其成为制造轻型结构材料(如航空器、汽车等)的理想选择。
2. 食品包装材料金属铝具有良好的抗腐蚀性和热传导性能,常用于食品罐、饮料包装盒等的制作。
铝材断桥隔热型材新品介绍说起铝合金型材,我们都很熟悉,但什么是断桥隔热型材?它和普通型材相比有哪些不同?又有那些独特的优势?我想很多朋友可能不太了解。
下面,就让我掀起她的盖头来——断桥隔热型材是铝合金型材中的高端产品。
不仅材质高于普通型材,而且拥有色彩丰富的华丽外表,还因技术的创新和材料的精选,大大丰富了型材的性能。
断桥隔热型材在外型结构上和普通铝型材没有大的改变,就是在普通铝型材的中间进行断开,然后用低热导率的非金属材料进行复合连接。
通过隔断金属材料达到隔热隔声保温节能的效果。
连接方式有两种:一种是穿条式连接,一种是更为先进的浇注式连接。
有的朋友可能会想:断开连接的型材,会不会影响型材的强度和产品的固牢性?接下来,我就介绍亨威断桥隔热型材的四大特点:一是抗剪性。
亨威断桥隔热型材选用的铝材是超国标的铝材,隔热材料更是目前国际上公认的配方合成材料,具有较高的机械性能、耐高温性、稳定性和抗拉性,隔热材料的热膨胀系数与铝合金非常接近,加上复合连接工艺先进,断桥隔热型材虽然进行了断开连接,但实际上仍是铁板一块,高强度的纵向剪裁和横向伸拉不会对它产生丝毫影响。
二是保温性。
专业机构做过比较测试:普通门窗的传热系数为6.9,节能门窗的传热系数为1.35—3.5。
也就是说,如果你使用断桥铝门窗,可以节约能量1--3倍。
因为一年之中空调或暖气使用的时间不是很多,大家可能不以为然,但细心人作过计算,一个普通的家庭10年的节省可为自己心爱的人买一套精美的饰品。
三是隔音性。
测试结果表明,断桥隔热型材的空气隔音量可达到30--40分贝,人耳对声音的承受范围在90分贝以下,一般噪音的范围在90~120分贝。
就是说使用断桥铝门窗可以让恼人的噪音变得轻松悦耳,既使毗邻闹市也可以创造出宁静温馨的学习工作环境,当然也不会干扰我们甜蜜的二人世界。
四是美观性。
断桥隔热型材不仅色彩丰富,而且窗内窗外可进行双色处理,极具装饰性。
既可以满足用户对颜色的偏好和空间的审美需求,也可以满足建筑设计的个性化要求。
铝型材行业知识点总结一、铝型材的基本概念1. 铝型材的定义铝型材是以铝合金为主要原料,通过挤压、轧制、拉拔等加工工艺,制成各种截面形状的材料。
其特点是重量轻、强度高、耐腐蚀、易加工等。
2. 铝型材的分类铝型材根据截面形状的不同,可以分为实心型材、中空型材和复合型材等;根据用途的不同,可以分为建筑型材、工业型材、交通运输型材等。
3. 铝型材的特点铝型材具有良好的导热性能、抗氧化性能和可塑性,而且重量轻、易加工、成形性好等,因此在各个领域有着广泛的应用。
二、铝型材的生产工艺1. 铸造铸造是生产铝型材的一种常见工艺,它包括压铸、砂型铸造、永铸等多种方法,通过将铝液浇铸到模具中,然后冷却凝固,最终得到所需要的铝型材。
2. 挤压挤压是生产铝型材的主要工艺,它通过将铝坯料加热至一定温度,然后置于挤压机内,利用模具对其进行加压挤出,制成各种截面形状的铝型材。
3. 轧制轧制是将铝坯料经过加热后,置于轧机中通过多次轧制,使其逐渐变薄,最终制成所需的铝型材。
4. 拉拔拉拔是将铝坯料通过拉拔机进行一定拉伸和挤压,使其变细,得到各种细长型的铝型材。
三、铝型材的应用领域1. 建筑装饰铝型材在建筑装饰方面应用广泛,如门窗框架、幕墙、天花吊顶、室内隔断、楼梯扶手等,其外观美观、质量轻、耐腐蚀等特点,使其成为建筑装饰的主要材料。
2. 电力行业铝型材在电力行业主要用于输电线路的导线杆、变电站结构、电力设备支架等,因其良好的导电性能和抗氧化性能,使其成为电力行业不可或缺的材料。
3. 机械制造铝型材在机械制造领域应用广泛,如汽车零部件、航空航天零部件、轨道交通车辆等,其重量轻、强度高、耐磨损等特点,使其在机械制造领域有着重要的地位。
4. 交通运输铝型材在交通运输领域主要用于汽车、船舶、航空器等交通工具的制造,以及桥梁、隧道、码头等交通设施的建设,其重量轻、抗腐蚀、强度高等特点,使其在交通运输领域有着广泛的应用。
四、铝型材的市场现状和发展趋势1. 市场现状目前,全球铝型材市场规模庞大,需求量稳步增长,尤其在建筑、交通运输、电力等领域有着广阔的市场空间。
1、根据合金元素含量不同铝板材可以分为:1×××系为工业纯铝(Al),2×××系为铝铜合金铝板(Al--Cu),3×××系为铝锰合金铝板(Al--Mn) ,4×××系为铝硅合金铝板(Al--Si),5×××系为铝镁合金铝板(Al--Mg),6×××系为铝镁硅合金铝板(AL--Mg--Si),7×××系为铝锌合金铝板[AL--Zn--Mg--(Cu)],8×××系为铝与其他元素。
一般每个系列还要跟有三位,每个位上要有数字或者字母,含义是:第二位数表示受控杂质个数;第三、四位数表示纯铝铝含量百分数小数点后的最低含量。
2、根据加工工艺不同又可分为冷轧铝板材和热轧铝板材。
3、根据厚度不同可以分为薄板和中厚板。
GB/T3880-2006标准中规定厚度0.2毫米一下的称为铝箔。
4、根据表面形状可分为平板材和花纹铝板材。
根据铝板含有的金属元素不同,铝板大概可以分为9个大类,也就是可以分9个系列,下面逐步大概介绍一下一.1000系列代表1050 1060 1070 1000系列铝板又被称为纯铝板,在所有系列中1000系列属于含铝量最多的一个系列。
纯度可以达到99.00%以上。
由于不含有其他技术元素,所以生产过程比较单一,价格相对比较便宜,是目前常规工业中最常用的一个系列。
目前市场上流通的大部分为1050以及1060系列。
1000系列铝板根据最后两位阿拉伯数字来确定这个系列的最低含铝量,比如1050系列最后两位阿拉伯数字为50,根据国际牌号命名原则,含铝量必须达到99.5%以上方为合格产品。
我国的铝合金技术标准(gB/T3880-2006)中也明确规定1050含铝量达到99.5%.同样的道理1060系列铝板的含铝量必须达到99.6%以上。
铝型材基础知识范文铝型材是以铝合金材料为原料经过挤压或滚压等工艺加工而成的具有一定截面形状和尺寸精度的产品。
它具有重量轻、耐腐蚀、导电性好、易加工等优点,因此被广泛应用于建筑、交通运输、电子电气、机械设备等领域。
本文将介绍铝型材的基础知识。
一、铝型材的分类铝型材主要按照截面形状分类,常见的有平板、方管、圆管、角材、T型材等。
其中,平板型材适用于各种加工工艺,如切割、冲压、焊接等;方管型材适用于结构件和格栅等构件的制造;圆管型材适用于制作容器、管道等;角材型材适用于制作框架和连接件;T型材适用于制作嵌板和搁板等。
二、铝合金的选择铝型材的材料一般是铝合金,不同的合金成分对产品的力学性能、耐腐蚀性能、可加工性等有着不同的影响。
根据具体的使用要求,常用的铝合金可以选择为:1xxx系列,具有良好的可焊性和耐腐蚀性;2xxx系列,具有良好的强度,但焊接性较差;3xxx系列,具有良好的加工性和耐腐蚀性;5xxx系列,具有良好的耐蚀性和焊接性,适用于海洋环境等腐蚀性较强的场合;6xxx系列,具有良好的可加工性和耐蚀性;7xxx系列,具有较高的强度。
三、铝型材的特点1.重量轻:铝的密度仅为2.7g/cm³,相对于钢材,铝材的重量仅为1/3,便于运输和安装。
2.良好的耐腐蚀性:铝具有自带的氧化膜,能够抵御大气、水和一些常见的化学物质的腐蚀。
3.导电性好:铝是良好的导电材料,具有低电阻和低磁阻特性,适用于电子电气领域。
4.可加工性好:铝具有良好的可塑性和可加工性,可以通过挤压、滚压、拉伸、压力成型等工艺加工成各种形状和尺寸的产品。
5.环保性好:铝材可回收利用,符合可持续发展的理念。
四、铝型材的加工工艺铝型材的加工工艺主要包括挤压和滚压两种方式。
1.挤压:挤压是将加热后的铝坯放入挤压机中,通过模具的作用使得铝坯受力挤出成型。
2.滚压:滚压是将加热后的铝坯放置在两个旋转的滚轮中间,通过滚轮的挤压作用使得铝坯受力挤出成型。
1.铝材的分类(1)按有无合金成分,铝材分为纯铝及铝合金。
铝合金按合金系列又分为Al-Mn合金、Al-Cu合金、Al-Si合金和Al-Mg合金等。
(2)按压力加工能力,可分为变形铝和非变形铝(例如:铸铝)。
(3)按能否热处理强化,铝合金又分为非热处理强化铝和热处理强化铝。
铝没有同素异构体,纯铝、铝锰合金、铝镁合金等不可能通过热处理相变来提高强度。
但是,铝铜和铝镁硅等合金可通过固溶时效析出强化相提高强度,称为可热处理强化铝。
不能通过固溶时效析出强化相提高强度的称为不可热处理强化铝。
2.牌号表示方法和状态代号(1)四位数字体系牌号命名方法 1997年1月1号,我国开始实施GB/T16474?996《变形铝和铝合金牌号表示方法》标准。
新的牌号表示方法采用变形铝和铝合金国际牌号注册组织推荐的国际四位数字体系牌号命名方法,例如工业纯铝有1070、1060等,Al-Mn合金有3003等,Al-Mg合金有5052、5086等。
(2)四位字符体系牌号命名方法 1997年1月1号前,我国采用前苏联的牌号表示方法。
一些老牌号的铝及铝合金化学成分与国际四位数字体系牌号不完全吻合,不能采用国际四位数字体系牌号代替,为保留国内现有的非国际四位数字体系牌号,不得不采用四位字符体系牌号命名方法,以便逐步与国际接轨。
例如:老牌号LF21的化学成分与国际四位数字体系牌号3003不完全吻合,于是,四位字符体系表示的牌号为3A21。
四位数字体系和四位字符体系牌号第一个数字表示铝及铝合金的类别,其含义如下:1)1XXX系列枣工业纯铝;2)2XXX系列枣Al-Cu、Al-Cu-Mn合金;3)3XXX系列枣Al-Mn合金;4)4XXX系列枣Al-Si合金;5)5XXX系列枣Al-Mg合金;6)6XXX系列枣Al-Mg-Si合金;7)7XXX系列枣Al-Mg-Si-Cu合金;8)8XXX系列枣其它。
(3)铝铸件牌号我国容器用铝铸件牌号采用ZAl+主要合金元素符号+合金元素含量数百分率表示。
铝板知识点铝板是一种常用的金属材料,具有轻质、耐腐蚀、导电性好等特点,在各个领域都有广泛的应用。
本文将逐步介绍铝板的相关知识点。
一、铝板的分类铝板根据不同的厚度可以分为薄铝板和厚铝板两种。
一般来说,厚度小于0.2mm的称为薄铝板,厚度大于0.2mm的称为厚铝板。
二、铝板的特性1.轻质:铝的密度较低,仅为2.7g/cm³,相比之下,钢的密度为7.85g/cm³,因此铝板非常轻便,适合在一些对重量要求较高的场合使用。
2.耐腐蚀:铝板具有较好的抗腐蚀性能,可在湿润环境中长期使用,不易生锈。
这一特性使得铝板广泛应用于制造船舶、汽车、飞机等需要在潮湿环境下工作的领域。
3.导电性:铝具有良好的导电性能,因此铝板常用于电子器件的外壳、散热器等部件,能够有效地散发热量,保持设备的正常运行。
4.可加工性:铝板易于加工成各种形状,可以采用切割、折弯、冲压等方式进行加工。
这一特性使得铝板在建筑、装饰、制造等领域有着广泛的应用。
三、铝板的应用领域1.建筑领域:铝板常用于建筑外墙、屋顶、天花板等部位的装饰和保护。
其轻量化的特性使得建筑结构更加节能环保,而且铝板的可塑性使得其能够满足各种复杂的设计需求。
2.汽车制造:铝板在汽车制造过程中的应用越来越广泛。
由于铝板的轻质特性,可以显著降低整车的重量,提高燃油效率。
同时,铝板的高强度和抗腐蚀性能也使得汽车更加耐用。
3.电子器件:铝板常用于电子器件的外壳、散热器等部件的制造。
铝板的导电性能能够有效地散发热量,保持设备的正常运行。
4.包装领域:铝板常用于食品、饮料等产品的包装。
铝板的抗腐蚀性能和材质的安全性使得其非常适合用于包装食品和饮料。
四、铝板的加工方法1.切割:铝板可以采用剪切、切割等方法进行切割。
剪切适用于薄铝板,而切割适用于厚铝板。
2.折弯:铝板可以通过折弯机进行折弯加工,制作出所需的形状。
3.冲压:冲压是利用模具对铝板进行冲击,将其冲压成所需的形状。
常用铝材型号分类及用途铝材是一种常见的金属材料,具有轻质、耐腐蚀、导热性好等优点,因此广泛应用于各个领域。
根据不同的组合方式和成分比例,铝材有多种不同的型号,每种型号都有其特定的用途。
下面将对常用的铝材型号进行分类,并介绍其主要用途。
1.纯铝材(1系列)纯铝是指未经掺杂其他元素的铝材,主要代表为1系列。
纯铝具有良好的延展性、电导性和耐腐蚀性,适用于各种深冲、拉伸和模切加工。
常见的纯铝材型号有1060、1100等。
主要应用于铝箔、轻型飞机、铝电池壳、电器配件等领域。
2.铝锰合金(3系列)铝锰合金是指将锰作为主要合金元素的铝合金,主要代表为3系列。
铝锰合金具有优异的耐腐蚀性和可焊性,同时具有一定的强度和可塑性。
常见的铝锰合金型号有3003、3004等。
主要应用于铝制带箔、金属罩、油箱等领域。
3.铝硅合金(4系列)铝硅合金是指将硅作为主要合金元素的铝合金,主要代表为4系列。
铝硅合金具有优异的热处理性能和耐腐蚀性,具有一定的强度和韧性。
常见的铝硅合金型号有4032、4047等。
主要应用于汽车发动机零件、气缸体、活塞等领域。
4.铝镁合金(5系列)铝镁合金是指将镁作为主要合金元素的铝合金,主要代表为5系列。
铝镁合金具有良好的焊接性、耐腐蚀性和强度,同时具有较好的塑性和耐磨性。
常见的铝镁合金型号有5052、5083等。
主要应用于航空航天、船舶、装甲车辆等领域。
5.铝锌合金(7系列)铝锌合金是指将锌作为主要合金元素的铝合金,主要代表为7系列。
铝锌合金具有优异的强度、塑性和耐腐蚀性,同时具有一定的硬度和机械性能。
常见的铝锌合金型号有7075、7475等。
主要应用于机械零部件、航空器零件、汽车零部件等领域。
以上是常用的铝材型号分类及其主要用途。
不同的铝材型号具有不同的特性和优势,在各个领域中都有广泛的应用。
随着科技的不断进步,铝材将继续发展壮大,为各行各业提供更多的解决方案和创新产品。
铝材设计知识点总结图表铝材是一种常用的金属材料,具有优异的特性,在工业生产和日常生活中应用广泛。
铝材的设计与应用需要了解一定的知识点,以确保产品质量和性能。
下面将对铝材设计的关键知识点进行总结。
1. 铝材的特性铝材具有优异的机械性能,包括高强度、抗腐蚀、导热性好等特点。
此外,铝材还具有轻质、易加工、可回收等优点,因此在各种应用中被广泛使用。
2. 铝材的分类根据成分和性能,铝材可分为纯铝材和合金铝材两大类。
合金铝材又可细分为铸造铝合金、变形铝合金等。
不同类型的铝材适用于不同的场合,设计时要根据具体要求选择合适的材料。
3. 铝材的加工工艺铝材具有优良的加工性能,可以采用铸造、锻造、挤压、拉伸等多种加工方法进行成型。
设计师需要根据产品形状和尺寸要求选择合适的加工工艺,以确保产品质量。
4. 铝材的表面处理铝材表面处理可用于提高产品的耐腐蚀性能、美观性和光泽度。
常用的表面处理方法包括阳极氧化、喷涂、电泳涂装、化学镀等,设计师需要根据产品的使用环境和要求选择合适的表面处理方法。
5. 铝材的连接方法在产品设计中,铝材的连接是一个重要的环节。
常见的连接方法包括焊接、螺纹连接、铆接等,设计师需要根据产品的结构和使用要求选择合适的连接方法。
6. 铝材的设计原则在铝材设计过程中,设计师需要遵循一些设计原则,例如考虑材料的优势特性,减轻产品重量,优化结构设计等。
合理的设计能够有效提高产品的性能和使用寿命。
7. 铝材的应用领域铝材被广泛应用于航空航天、汽车制造、建筑装饰、电子设备等领域。
设计师需要熟悉不同领域对铝材的要求,以便能够设计出满足需求的产品。
8. 铝材的设计案例最后,设计师可以通过学习铝材设计案例来提高自己的设计水平。
通过分析成功的设计案例,可以了解不同设计要素的结合和应用,为自己的设计提供参考和借鉴。
总结:铝材的设计知识点涉及材料特性、加工工艺、表面处理、连接方法、设计原则、应用领域等多个方面,设计师需要全面了解这些知识点,才能够设计出满足需求的铝材产品。
铝合金材料知识大全铝合金是一种广泛应用于各个领域的材料,具有轻、强、耐腐蚀等特点。
本文将为您提供一份铝合金材料的知识大全,包括以下几个方面的内容:1. 铝合金的组成和分类铝合金是由铝与其他金属元素共同合金化而成的材料。
根据不同的金属合金元素,铝合金可以分为几个不同的分类,如铜铝合金、锌铝合金、镁铝合金等。
每种不同的合金元素组成会赋予铝合金不同的特性和用途。
2. 铝合金的特性和优势铝合金具有许多优秀的特性和优势。
例如,它具有高强度、低密度,可以减轻结构负荷;具有优良的导热性和导电性;具有良好的耐腐蚀性,能够在恶劣环境下长时间使用。
3. 铝合金的应用领域铝合金广泛应用于各个领域。
例如,汽车工业中使用铝合金制造车身和发动机零部件,以减轻车辆重量提高燃油效率;航空航天领域中使用铝合金制造飞机结构件,具有良好的强度和耐蚀性;建筑领域使用铝合金制造门窗、幕墙等,具有美观轻便的特点。
4. 铝合金的加工和制造铝合金的加工和制造方法有很多种,包括铸造、锻造、轧制、拉伸等。
不同的加工方法可以获得不同形状和性能的铝合金制品。
5. 铝合金的维护和保养铝合金制品在使用过程中需要进行适当的维护和保养,以延长其使用寿命。
维护和保养方法包括清洁、涂层保护、定期检查等。
以上是关于铝合金材料的知识大全,希望能对您有所帮助。
如有任何疑问,请随时与我们联系。
谢谢!(总字数:XXX)Please note that the word count placeholder (XXX) should be replaced with the actual word count of the document.。
金属铝重要知识点总结一、铝的性质1. 物理性质铝是一种轻质、有良好导热、导电性能的金属,具有良好的可锻性和延展性。
它的密度约为2.7g/cm³,熔点约为660℃,沸点约为2327℃,是一种具有低熔点的金属。
2. 化学性质铝具有很强的还原性,在空气中容易被氧化形成一层氧化膜,所以铝是一种具有良好的耐腐蚀性的金属。
但在酸性溶液中会被腐蚀。
3. 其他性质铝是一种活泼的金属,它具有很强的反应性,在与其他元素发生化学反应时会放出大量的热。
此外,铝也是一种良好的光反射材料,因此在建筑和交通工具的制造中被广泛应用。
二、铝的生产1. 铝的提取铝主要是从铝土矿中提取得到的。
铝土矿中含有较高比例的氧化铝,首先需要将铝土矿进行粉碎和浸出,然后用化学方法提取出氧化铝,并通过电解的方法还原成金属铝。
2. 电解法电解法是现代工业中铝的主要生产方法。
首先,将氧化铝溶解在氢氟酸中,形成氢氟酸铝,然后将氢氟酸铝溶液通过电解槽电解,就可以得到纯净的金属铝。
三、铝的应用1. 航空领域铝是航空领域的重要材料,轻质的铝合金可以减轻飞机的自重,提高飞机的航空性能。
因此,铝被广泛用于制造飞机机身、翼梁和发动机部件。
2. 汽车制造铝在汽车制造中也有广泛的应用,轻质的铝合金可以减轻汽车的自重,提高燃油经济性。
同时,铝合金的强度可以提高汽车零部件的结构强度,提高汽车的安全性能。
3. 电力传输铝是一种良好的导电材料,因此在电力传输线路中得到了广泛的应用。
铝导线重量轻、价格低廉,因此可以降低电力传输线路的成本。
4. 建筑材料铝合金是一种轻质、耐腐蚀的材料,因此在建筑材料中也有广泛的应用。
铝合金可以制造各种建筑构件,如窗框、门框和幕墙等。
5. 包装材料铝箔是一种非常常见的包装材料,它具有良好的隔热和防潮性能,因此被广泛用于食品包装和药品包装等领域。
四、铝的环保与再生利用1. 环保铝是一种可以很好被循环利用的金属,其制造过程中能耗较低,而且在回收利用时,能够很好地节约能源和减少二氧化碳排放。
铝材设计知识点总结铝材是一种重要的工程材料,广泛应用于汽车、航空航天、建筑和电子等行业。
本文将对铝材设计中的关键知识点进行总结,包括铝材的特性、合金化设计、加工工艺和表面处理等方面。
一、铝材的特性铝材具有轻质、优良的导热和导电性能,以及良好的可塑性和耐腐蚀性。
同时,铝材还具备较高的强度和硬度。
诸多特性使得铝材成为设计中的理想选择。
1. 密度轻:铝材的密度为2.7g/cm³,仅为钢材的1/3,因此使用铝材可以减轻整体结构的重量,提高产品的性能。
2. 导热导电性好:铝材的导热率和导电率分别为235W/(m·K)和37 MS/m,远高于其他常见金属。
这使铝材在热交换和电子散热领域具备独特的优势。
3. 易塑性好:铝材具有良好的塑性,可通过挤压、拉伸和冲压等加工工艺成型复杂零件,适用于各种设计需求。
4. 耐腐蚀性强:铝材与氧气形成的氧化膜能够保护其本体不受腐蚀。
同时,铝材还可以通过防腐涂层进一步提高其耐腐蚀性。
5. 强度和硬度高:通过合金化和热处理等方式,铝材的强度和硬度可以显著提高,满足不同设计需求。
二、合金化设计通过向铝材中添加其他元素,可以形成各种铝合金,进一步拓展其性能范围。
1. 常见铝合金:常见的铝合金包括铝铜合金、铝锌合金、铝镁合金和铝硅合金等。
每种合金在强度、耐腐蚀性和可焊性等方面具有不同的特点,设计时需根据具体要求选择合适的铝合金。
2. 强化机制:减小晶粒尺寸、析出硬化相、固溶强化和变形强化是常见的铝合金强化机制。
通过合理控制合金元素含量和热处理工艺,可以达到理想的强化效果。
三、加工工艺铝材的加工工艺对最终产品的质量和性能有着重要影响。
以下是常见的铝材加工工艺。
1. 挤压:挤压是将铝坯料置于挤压机内,通过挤出模具形成所需截面形状的加工方法。
挤压常用于制造铝型材,具有高效率、成本低、产品质量好等优点。
2. 拉伸:拉伸是将铝坯料置于拉伸机中,通过拉伸力使铝材在模具下拉伸成型。
高中铝知识点一、铝的基本介绍铝(Aluminum)是一种银白色的金属元素,化学符号为Al,原子序数为13。
它是地壳中最丰富的金属元素,占地壳总质量的约8%。
铝具有低密度、良好的导电性和导热性、以及优异的可塑性和耐腐蚀性等特点。
二、铝的物理性质1. 密度:铝的密度约为2.70 g/cm³,较轻。
2. 熔点:铝的熔点为660.3°C(1220.54°F)。
3. 沸点:铝的沸点为2,467°C(4551.06°F)。
4. 硬度:铝的硬度较低,约为1.5-3.0(摩氏硬度)。
5. 延展性:铝具有良好的延展性,可制成铝箔等。
三、铝的化学性质1. 反应活性:铝在室温下与空气中的氧气反应,形成一层致密的氧化铝膜,这层膜可以保护铝不被进一步氧化。
2. 酸碱性:铝可以与酸和强碱反应,生成相应的铝盐和氢气。
3. 电化学性质:铝是活泼的金属,在电化学系列中位于较前的位置,可作为电池的阳极材料。
四、铝的提取和精炼1. 矿石:铝主要从铝土矿(Bauxite)中提取,铝土矿主要由氧化铝组成。
2. 霍尔-埃鲁法:这是商业上最常用的铝提取方法,通过电解熔融的氧化铝来生产铝。
3. 环境影响:铝的生产过程能耗较高,但铝可无限次回收,对环境的影响相对较小。
五、铝的应用1. 航空航天:由于其轻质和高强度的特性,铝被广泛应用于飞机、火箭等制造。
2. 包装材料:铝箔和铝制罐头广泛应用于食品和药品的包装。
3. 建筑材料:铝材和铝合金用于建筑装饰、门窗框架等。
4. 电子设备:铝因其良好的导电性和散热性,被用于电线和散热器件。
六、铝的化合物1. 氧化铝(Al2O3):常用作磨料、耐火材料和陶瓷。
2. 硫酸铝(Al2(SO4)3):用于造纸、水处理和染料。
3. 氯化铝(AlCl3):用于化工生产和有机合成。
七、铝的安全性和健康1. 铝与健康:虽然铝是人体非必需的微量元素,但过量摄入可能对健康造成影响。
铝相关知识点总结1.铝的性质铝是一种化学性质稳定的金属,在常温下具有良好的韧性和塑性,可以轧制成薄板、挤压成型、拉伸成丝等。
铝的密度较低,为 2.70g/cm3,约为铁的1/3,因此具有较轻的重量。
另外,铝具有优良的导热性和导电性,对热和电的传导性能表现出较好的特性。
2.铝的生产工艺铝的生产主要是通过电解法从氧化铝中提取金属铝。
首先,氧化铝经过熔炼成为氧化铝电解质,然后在电解槽中进行电解,利用电流将氧化铝还原为金属铝。
此外,还可以通过熔炼还原法和金属热还原法等工艺提取铝。
3.铝的应用领域(1)航空航天领域:铝合金是航空航天领域最重要的结构材料,其轻质、高强度、耐腐蚀等优点使其成为制造飞机、飞船、卫星等航空器件的材料。
(2)建筑领域:铝合金因其良好的耐候性和装饰性能,被广泛应用于建筑结构、门窗、幕墙、铝板材等装饰材料。
(3)包装领域:铝制品被用于食品包装、药品包装等领域,因其对光线、氧气、水汽的良好阻隔性能,可以保护产品的质量和安全。
(4)汽车领域:铝合金被广泛用于汽车车身、发动机零部件等领域,以减轻汽车自重,提高燃油经济性和安全性。
(5)电子领域:铝是一种优良的导热导电材料,被应用于电子产品散热片、电解电容器壳体等领域。
4.铝的环保性铝具有良好的可回收性,可以循环利用。
铝制品在使用结束后可以通过回收再生工艺,重新生产成铝材料,减少对资源的消耗和环境的污染。
因此,铝被认为是一种环保的材料,符合可持续发展的要求。
5.铝的市场发展趋势随着全球工业化进程的加速和技术的不断进步,铝合金作为轻质、高强度、耐腐蚀的材料,将在航空航天、汽车、电子等领域得到更广泛的应用。
同时,铝在包装、建筑等领域的应用也将进一步扩大。
另外,绿色环保的理念将推动铝材料的可持续利用和再生利用。
因此,铝产业具有广阔的发展前景。
以上是对铝的相关知识点进行的总结,铝的轻质、耐腐蚀、导热导电等优点使得其在各个领域得到了广泛的应用,并且具有良好的市场发展前景。
所有铝材方面的知识**1,铝扣板用于装饰的效果铝扣板用于装饰会有什么样的效果呢?现代房屋建筑中,为了美观人们都回你选择给房子做装修,吊顶等。
然而不同的装饰材料会有不同的装饰效果哦,下面就让我们来看看铝扣板做吊顶装饰时的效果吧。
铝扣板吊顶时现代装饰中不可缺少的一门装饰手法,不仅可以美化天花板,同时,还可以增加空间的层次感,但是,不同的吊顶材料,所装饰出来的效果也是各式各样的,今天我们就是简单看一下铝扣板吊顶的装饰效果吧。
大家都知道铝扣板做天花板,在安装时是非常简便的,而且不同的形状,不同的色彩,用在不同的地方,所产生的的效果也是不一样的。
铝扣板时一种20世纪90年代出现的新型家装吊顶材料,在家居中主要用于厨房和卫生间的吊顶工程,由于整个工程使用的全是金属,在使用寿命和环保能力上,更加优越于一般的吊顶材料。
目前,铝扣板已经成为了家居装饰工程中不可缺少的材料之一。
人们往往把铝扣板比喻为:“厨卫的帽子”,就是因为他对厨卫有更好的保护性能和美化装饰效果。
铝扣板用于装饰的效果是非常好的,它的材质主要是以高级铝合金为主要材料,其板面平整,棱线分明、而且具有阻燃性、防腐性、防潮性等优点。
用铝扣板安装吊顶的厨卫,在效果上来说,整天会给人干净清爽、大方高雅、视野明亮的感觉。
选择铝扣板就到德风广行,相信我们的技术和专业会给您最大的帮助和满意。
**2,建筑材料哪家好?建筑材料哪家好?在整个北方市场上那就得数德风广行了。
德风广行有着十年的艰苦创业经验,在铝单板的生产上都是有技术人员和专业团队的,在近年来的发展更是极为迅速的。
建筑材料哪家好?楼房耸起,建筑材料层出不穷,建筑装饰装修材料的发展更加令人瞩目,生产能力与产量大幅增加,产品质量、档次与配套水平明显提高,生产规模与技术装备正逐步向国际先进水平靠拢。
中国已经成为世界上装饰材料生产大国、消费大国和出口大国。
材料主导产品不仅在总量上连续多年位居世界第一,而且人均消费指数已接近和高于世界先进水平。
建筑材料哪家好,介于现代这个销售和生产建筑材料是现今社会的新型行业,北京德风广行所生产的轻质铝单板就更受欢迎了。
新型建筑材料作为建筑材料工业调整产业结构和转变经济增长方式的战略重点,具有广阔的发展前景。
而德风广行就是看准了这个商机,才努力的、不断发展铝材,才会在这个行业位居前茅。
建筑铝材哪家好?北京德风广行是您做好的选择,这里所生产的产品在业内是以规格最多、品种最全、色彩最齐著称的。
欢迎广大客户来厂来电咨询,我们愿意成为广大客户的忠实伙伴,并真诚期待与您合作,共同创造美好的明天!3,幕墙材料首选铝单板幕墙材料首选铝单板,为什么这么说呢?大家都知道幕墙是处于建筑物的外表层,所以幕墙材料在质量方面一定是要达标的,既要保证质量安全性,还要保证使用的耐久性,而铝单板更好都能够很好地满足幕墙的所有要求。
幕墙材料首选铝单板,幕墙处于建筑物的外表面,经常受自然环境不利因素的影响,如日晒、雨淋、风沙等不利因素的侵蚀,因此,要求幕墙材料要有足够的耐候性和耐久性。
具备防风雨、防日晒、防盗、防撞击、保温隔热等功能,因此,铝合金材料应进行表面阳极氧化、电泳涂漆、粉末喷涂或氟碳漆喷涂处理,以保证幕墙的耐久性。
幕墙材料的首选铝单板,在市场上,不同的厂家由于生产技术和管理水平的差异,同样的材料,所生产的的产品也是有区别的。
作为建筑外围护结构的幕墙,虽然不承受主体结构的荷载,但处于建筑物的外表面,除承受本身的自重外,还是承受风荷载、地震作用和温度作用的影响。
因此,要求幕墙必须安全可靠,质量必须要达标才行。
幕墙材料首选铝单板,铝单板的首选是德风广行,德风广行是专业的铝单板加工厂家,拥有自己的专业技术人员和生产设备,我们用一流的基材,一流的技术指导,生产一流的生产设备,生产一流产品,打造一流的企业品牌。
您值得选购和拥有。
4,双曲面铝单板厂商--德风广行双曲面铝单板厂商,说到铝单板,在北方市场上,德风广行是唯一一家可以大批量生产铝单板的厂家。
随着对铝单板的研究,还在铝扣板、雕花铝单板、氟碳铝单板、幕墙铝单板、仿木纹铝单板、双曲面铝单板上都取得了成就。
、双曲铝单板,说到铝单板,它是一款较常见的建筑材料,而铝单板中的双曲铝单是铝单板家族中非常重要的一个角色,它的应用广泛,制作工艺也比较先进,是一款非常不错的铝单板产品。
现在已经有越来越多的建筑人士关注并运用它了,它有很多的优点更是深受人们的欢迎,德风广行所生产的双曲铝单板的受欢迎程度更是显著。
双曲铝单板厂商,现在随时建筑材料的不断更新,设计作品的日益创新,和人们对建筑物的需求,不断的出现了很多双曲铝单板的厂商。
规模大小不一,物资力量参差不齐,产品质量就是更是不同了,面对这么多的产品,使我们的选择有了一些难度,有力恩越来越不好分辨了。
双曲铝单板厂商,德风广行是您值得信赖的铝单板厂商。
为什么这么说呢?首先,它的发展历程够长,已经有数十年的发展史了;再次,就是规模和资产力量,到目前为止德风广行的资产过亿,也是毋庸置疑的;最后,就是专业技术和团队力量,德风广行已承接并完成了很多大型的建筑,有是实施例。
所以,德风广行双曲铝单板您可以放心选择。
**5,专业铝扣板厂商德风广行专业的铝扣板厂商德风广行,为什么说德风广行是专业的铝扣板厂商呢?因为数十年来,德风广行一直都在不断努力做铝材行业的领先者,一直在不断的创新,并且已经做出了自己的品牌,赢得了业内人士的肯定和认可。
德风广行生产的铝扣板,表面是用特殊的颜料处理过的,色彩亮泽,长久不会脱落。
作为天花板吊顶材料用,整个板面平整,棱角分明,时尚美观,高雅大方,立体感强。
可以充分显示出建筑物主人的品位和档次,也可以满足设计师的作品设计,激发设计师的创作灵感。
专业铝扣板厂商德风广行,可以根据设计需要定做一些产品,满足一些特殊的设计,一般的设计客户也可以根据自己的喜好,去选择形状、加工方式和颜色喷涂。
这些都表现了德风广行的专业化生产和强大的实力,要是没有强大的实力,一些特殊的产品是无法完成的,这就更加证明了它的专业性。
德风广行,专业的铝扣板厂商,德风广行推荐大家,为了保证选购产品货真价实,首先就应该选择口碑好、质量好的大品牌。
而我们就是您独一无二的选择,欢迎大家到厂或来电咨询,也希望我们的产品是您所需要的。
**6,铝扣板用于不同地方吊顶的区别铝扣板用于吊顶,在不同的地方会有什么不同呢?俗话说:“内行看门道,外行看热闹”,不同的人对于铝扣板的了解程度不一样,看法自然也就不一样了,下面我们就来看看铝扣板吊顶用在厨房、客厅、餐厅的区别有哪些吧。
铝扣板吊顶,装饰完成后,从外观上看,似乎所有的房间吊顶都是一样的,这只是表面现象,对于哪些不了解铝扣板的人这么看,也不奇怪。
厨房是烟火之地,因此平板型铝扣板最合适厨房使用,这样清洁起来要省力许多;在铝扣板吊顶完成后,还需要安装浴霸、燃气、燃气热水器,因此在铝扣板安装之前一定要预留好浴霸、燃气热水器的排气管道孔。
厨房要防火,卫生间水汽容易导致普通材料腐,因此在厨房选用铝扣板吊顶,乃是恰到好处。
厨房铝扣板吊顶的龙骨与吊杆之间用螺丝固定,可调整高度,铝扣板就是卡在龙骨的卡槽里。
铝扣板用在客厅,就对防火的要求没那么高了,客厅的铝扣板吊顶最主要注重的是极致的装饰效果,客厅吊顶用的铝扣板一般都有图画,可以拼出美观的图案,因此铝扣板吊顶时,只需注意拼图的顺序,若是将位置拼错,也许就出现一幅不伦不类的图案了。
客厅铝扣板吊顶时特别要注意预留吊灯等灯具的位置。
铝扣板用在餐厅的吊顶时,也没有那么多的注意事项,就用平常的吊顶方法完成即可,餐厅追求的是一种温馨的气氛,选购铝扣板时,色彩和图案都要有一种温馨的感觉。
餐厅铝扣板吊顶时需要注意的事项是预留灯具安装的位置。
铝扣板用于吊顶是非常简便的,在安装上,也没有过多的要求,用在不同的地方,只需要在一些细节上稍作处理就可以了。
最主要的还是铝扣板,板材质量的选择,这里推荐大家使用德风广行铝扣板,质量可靠,用的放心。
7,铝扣板厂商,社会责任重大铝扣板厂商,社会责任重大,为什么这么说呢?因为当今世界随着在科技和现代化发展的同时,铝扣板性能的提高责任也是重大的,建筑材料的更新和发展也使得我们对现代建筑的要求更大的提高。
铝扣板厂商,社会责任重大,现代的经济发展进入了城市化的热潮阶段。
大城市的建设带来了很多的有利因素,但是同样的,对于经济的贡献的同时,也给我们生活的安全隐患带来了极大的挑战。
比如,目前大多数建筑物的楼层都比较高,高建筑的楼层是现代化经济发展的必然产物,但是高楼层给人们带来了巨大的安全隐患。
这个是我们必须要注意的。
铝扣板厂商在建筑中的责任是很大的,现在如今铝扣板吊顶应用比较广泛的,比如大型工厂,这些都是人群聚集的地方,如果建筑的质量不过关,或者质量存在一定的问题,都会对公众的安全带来相当大的危害。
所以说,我们必须要注意到建筑材料在日常生活当中所占有的安全的重要位置。
在这个方面,作为铝扣板企业,我们要自觉承担起社会的职责。
铝扣板的性能安全责任重大。
在一个大型的工厂或者大型的企业当中,如果铝扣板的性能不达标,导致企业屋面的裂缝,腐蚀或者重大的问题,就会引发安全隐患。
铝扣板之所以有它的出现,就是工程和企业的建筑诉求。
现在很多的化工企业,在它们生产的过程当中,有可能会挥发一定的化学物质或者化学气体,这些有腐蚀性的物质会极大的侵害工厂和企业的屋面屋顶和墙壁,所以新型铝扣板在这个时候它的性能至关重要,铝扣板的质量在一定程度上是安全的保障。
8,铝幕墙企业的凝聚力铝幕墙企业的凝聚力,现在很多企业,各行各业的,包括铝单板企业都重视凝聚力,一个企业想要长远发展凝聚力是必不可少的,要是铝幕墙企业就有在很大程度上保持活力,那么该企业的生产效率也会越来越高。
铝幕墙企业的凝聚力是铝单板企业都是所希望的,一个企业要有优秀的领导团队,严谨的管理者和公正的执行者,领导所有的铝单板员工劲都往一处使,服从企业的规定,这样企业会更加快速的发展,这就需要企业不断地对员工进行思想教育,克服那些消极的因素,让团队更加的壮大。
铝幕墙厂家的团队凝聚力是不可或缺的,若是没有了凝聚力企业也就是一盘散沙,很难维持下去,相反地企业只有拥有齐心合力的团队,不断吸取新的血液,定期招贤纳士,组织学习,认真做好生产工作,坚持自己的经营理念,想客户所想,不断进步,这样才能长久发展下去!铝幕墙厂家,德风广行就是一个很好地例子,它能不断发展,到今天的规模和成就,就是因为在多年的探索和创新中,不断培养了高素质专业化的技术对和管理团队,这就是诸多客户愿意和德风广行合作的重要因素。