江苏公司卧式设备安装记录表
- 格式:doc
- 大小:220.00 KB
- 文档页数:12
江苏某公司立式设备安装记录1. 安装前准备在江苏某公司进行设备安装前的准备工作主要包括以下几个方面:•确定设备类型:在确定要安装的是立式设备后,我们进行了设备选择和采购工作。
根据公司需求,我们选购了一台适用于工业生产领域的立式设备。
•设备验收:在设备到达公司之后,我们对设备进行了验收工作。
检查设备的外观、配件是否完整,并进行了初步的功能测试,确保设备的质量和性能符合要求。
•安装位置确定:根据生产线布局和工艺要求,我们确定了设备的最佳安装位置,并做好了相应的准备工作。
2. 安装过程设备安装过程分为以下几个主要步骤:2.1 准备工作•清理安装区域:我们首先对设备所在的安装区域进行了清理工作,确保安装环境整洁。
•安装基础准备:根据设备的安装要求,我们做好了设备安装基础的准备工作,包括铺设设备底座、调整水平等。
2.2 设备组装根据设备安装指南,我们按照以下步骤进行设备组装: 1. 拆开设备包装:首先,我们小心地将设备包装拆开,确保不损坏设备。
2. 组装设备主体:根据设备说明书,我们按照顺序组装设备主体,并紧固相关螺丝。
3. 安装配件:根据设备说明书,我们安装相关配件,如传感器、控制器等。
4. 连接管道和电源:我们进行了管道连接和电源接线工作,并严格按照设备安装说明书的要求进行。
2.3 功能测试设备组装完成后,我们进行了功能测试,以确保设备安装正确且工作正常。
具体测试内容包括: - 设备启动测试:我们通过按下设备启动按钮,观察设备是否能够正常启动,并进行相关参数的调整。
- 运行测试:我们对设备进行了正常运行测试,检查设备的动作是否正常、传感器的反应是否准确等。
3. 安装后工作在设备安装完成后,我们还进行了一些相关的工作,以确保设备投入使用后能够正常工作:•设备保养计划制定:我们制定了设备保养计划,包括定期的清洁、润滑等工作,以确保设备的长期稳定运行。
•操作规程编制:我们编制了设备操作规程,包括设备的启停步骤、注意事项等,以便操作人员正确使用设备。
卧式设备安装检查记录表江苏省工业设备安装有限公司卧式设备安装记录表设备0 0 3 2 0编号————2008年7月25日第--1--页共--1--页建设单位益海嘉里粮油工业有限公司单位工程榨油厂及筒仓机电安装工程设备名称规格地下溶剂罐TK341 设备图号序号检查项目技术要求及允差值(mm)实测值(mm)A B C1 横向水平度D1——E1(主法兰)/ / / /2 纵向水平度H1 L/1000 6 4 7H2 2D/1000 3 3 5 3 中心线位置纵向±5 2 2 34 安装标高H ±5 4 5 5附图及说明D:设备外径L:卧式设备两支座间距离施工员(签字)年月日施工班(组)(签字)年月日江苏省工业设备安装有限公司卧式设备安装记录表设备0 0 3 2 0编号————2008年7月25日第--1--页共--1--页建设单位益海嘉里粮油工业有限公司单位工程榨油厂及筒仓机电安装工程设备名称规格地下溶剂罐TK342 设备图号序号检查项目技术要求及允差值(mm)实测值(mm)1 横向水平度D1——E1(主法兰)/ / / /2 纵向水平度H1 L/1000 5 5 7H2 2D/1000 2 4 53 中心线位移纵向±5 1 2 24 安装标高H ±5 4 3 5附图及说明施工员(签字)年月日施工班(组)(签字)年月日江苏省工业设备安装有限公司卧式设备安装记录表设备0 0 3 2 0编号————2008年5月20日第--1--页共--1--页建设单位益海嘉里粮油工业有限公司单位工程榨油厂及筒仓机电安装工程设备名称规格软化锅CN117 设备图号序号检查项目技术要求及允差值(mm)实测值(mm)1 横向水平度D1——E1 / / / /(主法兰)2 纵向水平度H1 L/1000 6 5 6H2 2D/1000 4 4 3 3 中心线位移纵向±5 3 1 14 安装标高H ±5 3 3 4附图及说明施工员(签字)年月日施工班(组)(签字)年月日江苏省工业设备安装有限公司卧式设备安装记录表设备0 0 3 2 0编号————2008年5月20日第--1--页共--1--页建设单位益海嘉里粮油工业有限公司单位工程榨油厂及筒仓机电安装工程设备名称规格软化锅CN118 设备图号序号检查项目技术要求及允差值(mm)实测值(mm)1 横向水平度D1——E1(主法兰)/ / / /2 纵向水平度H1 L/1000 7 4 4H2 2D/1000 6 4 4 3 中心线位移纵向±5 5 3 34 安装标高H ±5 5 5 5附图及说明施工员(签字)年月日施工班(组)(签字)年月日江苏省工业设备安装有限公司卧式设备安装记录表设备0 0 3 2 0编号————2008年5月20日第--1--页共--1--页建设单位益海嘉里粮油工业有限公司单位工程榨油厂及筒仓机电安装工程设备名称规格溶剂工作罐TK340 设备图号序号检查项目技术要求及允差值(mm)实测值(mm)1 横向水平度D1——E1(主法兰)/ / / /2 纵向水平度H1 L/1000 4 5 4H2 2D/1000 3 4 3 3 中心线位移纵向±5 4 2 34 安装标高H ±5 2 3 3附图及说明施工员(签字)年月日施工班(组)(签字)年月日江苏省工业设备安装有限公司卧式设备安装记录表设备0 0 3 2 0编号————2008年5月21日第--1--页共--1--页建设单位益海嘉里粮油工业有限公司单位工程榨油厂及筒仓机电安装工程设备名称规格一蒸冷凝器CO320 设备图号序号检查项目技术要求及允差值(mm)实测值(mm)1 横向水平度D1——E1(主法兰)/ / / /2 纵向水平度H1 L/1000 3 3 2H2 2D/1000 2 2 3 3 中心线位移纵向±5 3 2 34 安装标高H ±5 4 3 3附图及说明施工员(签字)年月日施工班(组)(签字)年月日江苏省工业设备安装有限公司卧式设备安装记录表设备0 0 3 2 0编号————2008年7月7日第--1--页共--1--页建设单位益海嘉里粮油工业有限公司单位工程榨油厂及筒仓机电安装工程设备名称规格气体塔冷凝器CO330 设备图号序号检查项目技术要求及允差值(mm)实测值(mm)1 横向水平度D1——E1(主法兰)/ / / /2 纵向水平度H1 L/1000 2 3 1H2 2D/1000 2 2 13 中心线位移纵向±5 1 2 14 安装标高H ±5 2 2 1附图及说明施工员(签字)年月日施工班(组)(签字)年月日江苏省工业设备安装有限公司卧式设备安装记录表设备0 0 3 2 0编号————2008年10月7日第--1--页共--1--页建设单位益海嘉里粮油工业有限公司单位工程榨油厂及筒仓机电安装工程设备名称规格加热器HX407 设备图号序号检查项目技术要求及允差值(mm)实测值(mm)1 横向水平度D1——E1 / / / /(主法兰)2 纵向水平度H1 L/1000 2 1 1H2 2D/1000 2 1 1 3 中心线位移纵向±5 1 2 24 安装标高H ±5 1 2 1附图及说明施工员(签字)年月日施工班(组)(签字)年月日江苏省工业设备安装有限公司卧式设备安装记录表设备0 0 3 2 0编号————2008年6月7日第--1--页共--1--页建设单位益海嘉里粮油工业有限公司单位工程榨油厂压力管道及压力容器安装工程设备名称规格加热器HX322 设备图号序号检查项目技术要求及允差值(mm)实测值(mm)1 横向水平度D1——E1(主法兰)/ / / /2 纵向水平度H1 L/1000 2 1 1H2 2D/1000 2 1 1 3 中心线位移纵向±5 1 2 24 安装标高H ±5 1 2 1附图及说明施工员(签字)年月日施工班(组)(签字)年月日江苏省工业设备安装有限公司卧式设备安装记录表设备0 0 3 2 0编号————2008年6月30日第--1--页共--1--页建设单位益海嘉里粮油工业有限公司单位工程榨油厂及筒仓机电安装工程设备名称规格浸出器EX301 设备图号序号检查项目技术要求及允差值(mm)实测值(mm)1 横向水平度D1——E1(主法兰)/ / / /2 纵向水平度H1 L/1000 11 8 9H2 2D/1000 7 9 6 3 中心线位移纵向±5 6 8 64 安装标高H ±5 5 4 4附图及说明施工员(签字)年月日施工班(组)(签字)年月日。
B (D)建设/监理单总承包单位 施工单位单元名称:三车间V 二5998L图中次O 、D 、F 为设备筒体水平度测螯基准点。
设备安装标高测荃值为设备基础上的标高基准线到设备支座底板下表面的距离。
4:(为两端测点间的距离.取£=3200 mm 0单位:mm项目测量部位 允许值实测值项 目 测量部位 允许值实测值支座中心 位責偏差 纵向 ±5 1 纵向水平 偏差 B-C 3.2 2 横向 ±5 1 D-E 3.2 1 支座标高 偏 差滑动端 ±5 2 横向水平 偏 差B-D 3 2 固定端±51 C-E32滑动端支座滑动裕量20mm螺母松开和锁紧情况 螺母已松开,旦锁紧检验结论:符合设计及施工规要求SH/T 3503-J315卧式设备安装检验记录工程名称:海正化工股份新建项目设备名称后憎份储罐设备位号V11317堆准线• |比r 、 --- -----------------丨・I■ ・11・-4—专业工程师:专业工程师:专业工程师: 质量检查员:施工班组长: 日期: 日期: 日期: SH/T 卧式设备安装检验记录工程名称:海正化工股份新建项 目 单元名称:三车间 设备名称 二熬甲烷储罐 设备位号VI1309rL-TV 二5998L图中次O 、D 、F 为设备筒体水平度测圭基准点。
设备安装标高测董值为设备基础上的标高基准线到设备支座底板下表面的距离。
4:(为两端测点间的距离.取£=3200mm 0单位:mm项目测量部位 允许值实测值项 目 测量部位 允许值实测值支座中心 位萱偏差 纵向 ±5 2 纵向水平 偏 差 B-C 3.2 2 横向 ±5 1 D-E 3.2 2 支座标高 偏差滑动端 ±5 2 横向水平 偏差B-D 3 1 固定端±52 C-E32滑动端支座滑动裕量20mm螺母松开和锁紧情况 螺母已松开,旦锁紧检验结论:符合设计及施工规要求第准线纵向固定端橫向单位:mm建设/监理 单位 总承包单位 施工单位专业工程师:专业工程师:日期:专业工程师: 质量检查员:SH/T 3503-J315 设备名称注1:图中B 、C 、D 、F 为设备筒体建设/监总承包单位 专业工程师:日期: 施工单位专业工程师: 质量检查员: 施工班组长:SH/T 3503-J315设备名称检验结论:符合设计及施工规要求注1:图中B 、C 、D 、F 为设备筒体水平度测坛基准点。
卧式设备安装记录GY-26物业管理二公司供热系统机泵改造 工程工程名称 工程编号DQWFKQGT14005-DD单位工程名称 物业管理二公司供热系统机泵改造工程ISR150-125-315 G=200m 3设备名称循环水泵位号 6#热力站型号及规格/h H=32m P=30KW年 月日 年 月 日注:1、图中BCDE 分别为设备筒体上基准中心点到基础标高基准线的相对标高值2、轴向水平偏差应低向排液口方向 丄为两测点间的距离(mm)滑动端鞍座滑动裕量、螺栓松动核验结果:核验人: 年 月日 项目测量部位允许值 (mm实测值 (mm项目测量 部位允许值 (mm 实测值 (mm中心线 偏差X 轴 ± 5 3 Y 轴 ± 5 4 安装标 高偏差B± 5 4轴向 水平B-C± 5 1 C ± 5 1 D-E ± 5 2 D ± 5 2径向 水平B-D ± 5 3 E± 51C-E± 51监理(建设)单位 监理工程师:(建设单位项目代表)项目技术负责人:图示: 固定端Y-F;丄;_ -;I :m —C基准线施工单位施工班(组)长:卧式设备安装记录GY-26物业管理二公司供热系统机泵改造 工程工程名称 工程编号DQWFKQGT14005-DD单位工程名称 物业管理二公司供热系统机泵改造工程ISR200-150-315 G=400m 3/h设备名称循环水泵位号 32#热力站型号及规格H=32m P=55KW年 月 日 年 月 日注:1、图中BCDE 分别为设备筒体上基准中心点到基础标高基准线的相对标高值2、轴向水平偏差应低向排液口方向丄为两测点间的距离(mm )滑动端鞍座滑动裕量、螺栓松动核验结果:核验人: 年 月日 项目测量部位允许值 (mm实测值(mm项目测量 部位允许值 (mm 实测值 (mm中心线 偏差 X 轴 ± 5 2 Y 轴 ± 5 4 安装标 高偏B ± 53轴向 水平B-C± 53图示:1 1 1—•—・一1 1玄-基准线ttrL一,一卜 L * = :-一 "-B C卧式设备安装记录GY-26物业管理二公司供热系统机泵改造 工程工程名称 工程编号DQWFKQGT14005-DD单位工程名称 物业管理二公司供热系统机泵改造工程ISR200-150-315 G=400m 3/h设备名称循环水泵位号 32#热力站型号及规格H=32m P=55KW年 月 日 年 月 日监理(建设)单位监理工程师:(建设单位项目代表)项目技术负责人:施工单位施工班(组)长:卧式设备安装记录GY-26物业管理二公司供热系统机泵改造 工程工程名称 工程编号DQWFKQGT14005-DD单位工程名称 物业管理二公司供热系统机泵改造工程ISR200-150-315 G=400m 3/h设备名称循环水泵位号 32#热力站型号及规格H=32m P=55KW年 月 日 年 月 日注:1、图中BCDE 分别为设备筒体上基准中心点到基础标高基准线的相对标高值2、轴向水平偏差应低向排液口方向丄为两测点间的距离(mm )滑动端鞍座滑动裕量、螺栓松动核验结果:核验人: 年 月日 项目测量部位允许值 (mm实测值(mm项目测量 部位允许值 (mm 实测值 (mm中心线 偏差 X 轴 ± 5 1 Y 轴 ± 5 3 安装标 高偏B± 51轴向 水平B-C± 51图示:1 1 1—•—・一1 1玄-基准线ttrL一,一卜L * =:-一 "- ■ ■—B C卧式设备安装记录GY-26物业管理二公司供热系统机泵改造 工程工程名称 工程编号DQWFKQGT14005-DD单位工程名称 物业管理二公司供热系统机泵改造工程ISR200-150-315 G=400m 3/h设备名称循环水泵位号 32#热力站型号及规格H=32m P=55KW年 月 日 年 月 日监理(建设)单位监理工程师:(建设单位项目代表)项目技术负责人:施工单位施工班(组)长:卧式设备安装记录GY-26物业管理二公司供热系统机泵改造 工程工程名称 工程编号DQWFKQGT14005-DD单位工程名称 物业管理二公司供热系统机泵改造工程ISR200-150-315 G=400m 3/h设备名称循环水泵位号 32#热力站型号及规格H=32m P=55KW年 月 日 年 月 日注:1、图中BCDE 分别为设备筒体上基准中心点到基础标高基准线的相对标高值2、轴向水平偏差应低向排液口方向丄为两测点间的距离(mm )滑动端鞍座滑动裕量、螺栓松动核验结果:核验人: 年 月日 项目测量部位允许值 (mm实测值(mm项目测量 部位允许值 (mm 实测值 (mm中心线 偏差 X 轴 ± 5 1 Y 轴 ± 5 3 安装标 高偏B± 52轴向 水平B-C± 52图示:1 1 1—•—・一1 1玄-基准线ttrL一,一卜L * =:-一 "- ■ ■—B C卧式设备安装记录GY-26物业管理二公司供热系统机泵改造 工程工程名称 工程编号DQWFKQGT14005-DD单位工程名称 物业管理二公司供热系统机泵改造工程ISR200-150-315 G=400m 3/h设备名称循环水泵位号 32#热力站型号及规格H=32m P=55KW年 月 日 年 月 日监理(建设)单位监理工程师:(建设单位项目代表)项目技术负责人:施工单位施工班(组)长:卧式设备安装记录GY-26物业管理二公司供热系统机泵改造 工程工程名称 工程编号DQWFKQGT14005-DD单位工程名称 物业管理二公司供热系统机泵改造工程ISR200-150-315 G=400m 3/h设备名称循环水泵位号 32#热力站型号及规格H=32m P=55KW年 月 日 年 月 日注:1、图中BCDE 分别为设备筒体上基准中心点到基础标高基准线的相对标高值2、轴向水平偏差应低向排液口方向丄为两测点间的距离(mm )滑动端鞍座滑动裕量、螺栓松动核验结果:核验人: 年 月日 项目测量部位允许值 (mm实测值(mm项目测量 部位允许值 (mm 实测值 (mm中心线 偏差 X 轴 ± 5 1 Y 轴 ± 5 3 安装标 高偏B± 51轴向 水平B-C± 51图示:1 1 1—•—・一1 1玄-基准线ttrL一,一卜L * =:-一 "- ■ ■—B C卧式设备安装记录GY-26物业管理二公司供热系统机泵改造 工程工程名称 工程编号DQWFKQGT14005-DD单位工程名称 物业管理二公司供热系统机泵改造工程ISR200-150-315 G=400m 3/h设备名称循环水泵位号 32#热力站型号及规格H=32m P=55KW年 月 日 年 月 日监理(建设)单位监理工程师:(建设单位项目代表)项目技术负责人:施工单位施工班(组)长:卧式设备安装记录GY-26物业管理二公司供热系统机泵改造 工程工程名称 工程编号DQWFKQGT14005-DD单位工程名称 物业管理二公司供热系统机泵改造工程ISR200-150-315 G=400m 3/h设备名称循环水泵位号 32#热力站型号及规格H=32m P=55KW年 月 日 年 月 日注:1、图中BCDE 分别为设备筒体上基准中心点到基础标高基准线的相对标高值2、轴向水平偏差应低向排液口方向丄为两测点间的距离(mm )滑动端鞍座滑动裕量、螺栓松动核验结果:核验人: 年 月日 项目测量部位允许值 (mm实测值(mm项目测量 部位允许值 (mm 实测值 (mm中心线 偏差 X 轴 ± 5 3 Y 轴 ± 5 1 安装标 高偏B± 52轴向 水平B-C± 51图示:1 1 1—•—・一1 1玄-基准线ttrL一,一卜L * =:-一 "- ■ ■—B C卧式设备安装记录GY-26物业管理二公司供热系统机泵改造 工程工程名称 工程编号DQWFKQGT14005-DD单位工程名称 物业管理二公司供热系统机泵改造工程ISR200-150-315 G=400m 3/h设备名称循环水泵位号 32#热力站型号及规格H=32m P=55KW年 月 日 年 月 日监理(建设)单位监理工程师:(建设单位项目代表)项目技术负责人:施工单位施工班(组)长:卧式设备安装记录GY-26物业管理二公司供热系统机泵改造 工程工程名称 工程编号DQWFKQGT14005-DD单位工程名称 物业管理二公司供热系统机泵改造工程ISR200-150-315 G=400m 3/h设备名称循环水泵位号 32#热力站型号及规格H=32m P=55KW年 月 日 年 月 日注:1、图中BCDE 分别为设备筒体上基准中心点到基础标高基准线的相对标高值2、轴向水平偏差应低向排液口方向丄为两测点间的距离(mm )滑动端鞍座滑动裕量、螺栓松动核验结果:核验人: 年 月日 项目测量部位允许值 (mm实测值(mm项目测量 部位允许值 (mm 实测值 (mm中心线 偏差 X 轴 ± 5 3 Y 轴 ± 5 2 安装标 高偏B± 51轴向 水平B-C± 51图示:1 1 1—•—・一1 1玄-基准线ttrL一,一卜L * =:-一 "- ■ ■—B C卧式设备安装记录GY-26物业管理二公司供热系统机泵改造 工程工程名称 工程编号DQWFKQGT14005-DD单位工程名称 物业管理二公司供热系统机泵改造工程ISR200-150-315 G=400m 3/h设备名称循环水泵位号 32#热力站型号及规格H=32m P=55KW年 月 日 年 月 日监理(建设)单位监理工程师:(建设单位项目代表)项目技术负责人:施工单位施工班(组)长:卧式设备安装记录GY-26物业管理二公司供热系统机泵改造 工程工程名称 工程编号DQWFKQGT14005-DD单位工程名称 物业管理二公司供热系统机泵改造工程ISR200-150-400A G=374n3/h设备名称循环水泵位号4#热力站型号及规格H=44m P=75KW年 月 日 年 月 日注:1、图中BCDE 分别为设备筒体上基准中心点到基础标高基准线的相对标高值2、轴向水平偏差应低向排液口方向丄为两测点间的距离(mm )滑动端鞍座滑动裕量、螺栓松动核验结果:核验人: 年 月日 项目测量部位允许值 (mm实测值(mm项目测量 部位允许值 (mm 实测值 (mm中心线 偏差 X 轴 ± 5 2 Y 轴 ± 5 4 安装标 高偏B± 51轴向 水平B-C± 51图示:1 1 1—•—・一1 1玄-基准线ttrL一,一卜L * =:-一 "- ■ ■—B C卧式设备安装记录GY-26物业管理二公司供热系统机泵改造 工程工程名称 工程编号DQWFKQGT14005-DD单位工程名称 物业管理二公司供热系统机泵改造工程ISR200-150-400A G=374n3/h设备名称循环水泵位号4#热力站型号及规格H=44m P=75KW年 月 日 年 月 日监理(建设)单位监理工程师:(建设单位项目代表)项目技术负责人:施工单位施工班(组)长:。
设备安装记录表
设备安装记录表
设备安装记录表
设备安装记录表
设备安装记录表
设备安装记录表
设备安装记录表
设备安装记录表
设备安装记录表
设备安装记录表
设备安装记录表
设备安装记录表
设备安装记录表
设备安装记录表
设备安装记录表
设备安装记录表
设备安装记录表
设备安装记录表
设备安装记录表
设备安装记录表
设备安装记录表
设备安装记录表
设备安装记录表
设备安装记录表
设备安装记录表
设备安装记录表
设备安装记录表
设备安装记录表
设备安装记录表
设备安装记录表
设备安装记录表
设备安装记录表
设备安装记录表
设备安装记录表
设备安装记录表
设备安装记录表
设备安装记录表
设备安装记录表
设备安装记录表
设备安装记录表
设备安装记录表
设备安装记录表
设备安装记录表
设备安装记录表
设备安装记录表
设备安装记录表。
说明:适用于油气田地面工程各类卧式设备的安装记录。
说明:适用于油气田地面工程各类卧式设备的安装记录。
说明:适用于油气田地面工程各类卧式设备的安装记录。
说明:适用于油气田地面工程各类卧式设备的安装记录。
说明:适用于油气田地面工程各类卧式设备的安装记录。
说明:适用于油气田地面工程各类卧式设备的安装记录。
说明:适用于油气田地面工程各类卧式设备的安装记录。
说明:适用于油气田地面工程各类卧式设备的安装记录。
J卧式设备安装检验记录公司标准化编码 [QQX96QT-XQQB89Q8-NQQJ6Q8-MQM9N]SH/T 3503-J315 卧式设备安装检验记录工程名称:16万吨/年液化气合成清洁燃料项目单元名称:装置区设备安装编号:PTNY-JSSA-SBAZ-013 设备名称废酸脱烃罐设备位号D-215规格Φ400/1200×10×4224注1:图中B、C、D、E为设备筒体水平度测量基准点。
注2:设备安装标高测量值为设备基础上的标高基准线到设备支座底板下表面的距离。
注3:4:L为两端测点间的距离。
单位:mm项目测量部位允许值实测值项目测量部位允许值实测值支座中心位置偏差纵向±5 1 纵向水平偏差B- C L/1000横向±5 -2 D- E L/1000支座标高偏差滑动端±5 3 横向水平偏差B- D2D/1000固定端±5 2 C- E2D/1000滑动端支座滑动裕量13mm 螺母松开和锁紧情况符合设计及规范要求检验结论:符合设计及施工规范验收要求。
建设 / 监理单位总承包单位施工单位监理专业工程师:建设单位专业工程师:日期:年月日专业工程师:日期:年月日专业工程师:质量检查员:施工班组长:日期:年月日SH/T 3503-J315卧式设备安装检验记录工程名称:16万吨/年液化气合成清洁燃料项目单元名称:装置区设备安装编号:PTNY-JSSA-SBAZ-014 设备名称碳四原料缓冲罐设备位号D-101规格Φ800/2600×10/14×9412注1:图中B、C、D、E为设备筒体水平度测量基准点。
注2:设备安装标高测量值为设备基础上的标高基准线到设备支座底板下表面的距离。
注3:4:L为两端测点间的距离。
单位:mm项目测量部位允许值实测值项目测量部位允许值实测值支座中心位置偏差纵向±5 -1 纵向水平偏差B- C L/1000横向±5 2 D- E L/1000支座标高偏差滑动端±5 1 横向水平偏差B- D2D/1000固定端±5 -2 C- E2D/1000滑动端支座滑动裕量13mm 螺母松开和锁紧情况符合设计及规范要求检验结论:符合设计及施工规范验收要求。
、C、D、E为设备筒体水平度测量基准点。
:设备安装标高测量值为设备基础上的标高基准线到设备支座底板下表面的距离。
、C、D、E为设备筒体水平度测量基准点。
:设备安装标高测量值为设备基础上的标高基准线到设备支座底板下表面的距离。
、C、D、E为设备筒体水平度测量基准点。
:设备安装标高测量值为设备基础上的标高基准线到设备支座底板下表面的距离。
、C、D、E为设备筒体水平度测量基准点。
:设备安装标高测量值为设备基础上的标高基准线到设备支座底板下表面的距离。
为两端测点间的距离,取L= mm。
、C、D、E为设备筒体水平度测量基准点。
:设备安装标高测量值为设备基础上的标高基准线到设备支座底板下表面的距离。
、C、D、E为设备筒体水平度测量基准点。
:设备安装标高测量值为设备基础上的标高基准线到设备支座底板下表面的距离。
、C、D、E为设备筒体水平度测量基准点。
:设备安装标高测量值为设备基础上的标高基准线到设备支座底板下表面的距离。
、C、D、E为设备筒体水平度测量基准点。
:设备安装标高测量值为设备基础上的标高基准线到设备支座底板下表面的距离。
、C、D、E为设备筒体水平度测量基准点。
:设备安装标高测量值为设备基础上的标高基准线到设备支座底板下表面的距离。
、C、D、E为设备筒体水平度测量基准点。
:设备安装标高测量值为设备基础上的标高基准线到设备支座底板下表面的距离。
-------------
-------------。
SH/T 3503—J327 卧式设备安装检验记录
工程名称:XXXXXX项目—60万
吨/年离子膜烧碱项目
单位工程名称:电解厂房A
设备名称氯酸盐分解槽设备位号10-RM-1256A
规格Φ4400X6000
注1:图中B、C、D、E为设备筒体水平度测量基准点。
注2:设备安装标高测量值为设备基础上的标高基准线到设备支座底板下表面的距离。
注3:轴向水平偏差应低向排液口方向。
注4:L为两端测点间的距离,取L=6000mm。
单位:mm 项目测量部位允许值实测值项目测量部位允许值实测值支座中心
位置偏差
纵向±5 1 纵向水平
偏差
B-C L/1000 2 横向±5 2 D-E L/1000 2 支座标高
偏差
滑动端±5 2 横向水平
偏差
B-D 2D/1000 3 固定端±5 1 C-E 2D/1000 2 滑动端鞍座滑动裕量14mm 滑动端螺母松动核验结果符合设计及规范要求注:滑动端地脚螺栓的双螺母应在设备配管完成后松开,保持与支座板一定间隙后锁紧。
检验结论:合格(手写)
建设/监理单位总承包单位施工单位
专业工程师:
日期:年月日
专业工程师:
日期:年月日
施工班组长:
质量检查员:
专业工程师:
日期:年月日。
说明:适用于油气田地面工程各类卧式设备的安装记录。
说明:适用于油气田地面工程各类卧式设备的安装记录。
说明:适用于油气田地面工程各类卧式设备的安装记录。
说明:适用于油气田地面工程各类卧式设备的安装记录。
说明:适用于油气田地面工程各类卧式设备的安装记录。
说明:适用于油气田地面工程各类卧式设备的安装记录。
说明:适用于油气田地面工程各类卧式设备的安装记录。
说明:适用于油气田地面工程各类卧式设备的安装记录。
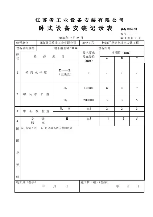
江苏省工业设备安装有限公司
卧式设备安装记录表设备 0 0 3 2 0
编号————
2008年 7月25日第--1--页共--1--页
江苏省工业设备安装有限公司
卧式设备安装记录表设备 0 0 3 2 0
编号————
2008年 7月25日第--1--页共--1--页
江 苏 省 工 业 设 备 安 装 有 限 公 司
卧 式 设 备 安 装 记 录 表
设备 0 0 3 2 0
编号 ———— 2008年 5月20日 第--1--页共--1--页
江苏省工业设备安装有限公司
卧式设备安装记录表设备 0 0 3 2 0
编号————
2008年 5月20日第--1--页共--1--页
江苏省工业设备安装有限公司
卧式设备安装记录表设备 0 0 3 2 0
编号————
2008年 5月20日第--1--页共--1--页
江苏省工业设备安装有限公司
卧式设备安装记录表设备 0 0 3 2 0
编号————
2008年 5月21日第--1--页共--1--页
江苏省工业设备安装有限公司
卧式设备安装记录表设备 0 0 3 2 0
编号————
2008年 7月7日第--1--页共--1--页
江苏省工业设备安装有限公司
卧式设备安装记录表设备 0 0 3 2 0
编号————
2008年 10月7日第--1--页共--1--页
江苏省工业设备安装有限公司
卧式设备安装记录表设备 0 0 3 2 0
编号————
2008年 6月7日第--1--页共--1--页
江 苏 省 工 业 设 备 安 装 有 限 公 司
卧 式 设 备
安 装 记 录 表 设备 0 0 3 2 0
编号 ———— 2008年6月30日 第--1--页共--1--页。