2018年全国卷高考化学总复习《有机化学》专题突破
- 格式:doc
- 大小:227.00 KB
- 文档页数:14
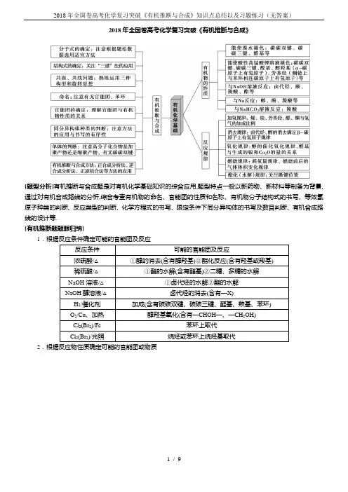
2018年全国卷高考化学复习突破《有机推断与合成》[题型分析]有机推断与合成题是对有机化学基础知识的综合应用,题型特点一般以新药物、新材料等制备为背景,通过对有机合成路线的分析,综合考查有机物的命名、官能团的性质和名称、有机物分子结构式的书写、等效氢原子种类的判断、反应类型的判断、化学方程式的书写、限定条件下同分异构体的书写及数目判断、有机合成路线的设计等.[有机推断题题眼归纳]1.根据反应条件确定可能的官能团及反应反应条件可能的官能团及反应浓硫酸/△①醇的消去(含有醇羟基)②酯化反应(含有羟基或羧基)稀硫酸/△①酯的水解(含有酯基)②二糖、多糖的水解NaOH溶液/△①卤代烃的水解②酯的水解NaOH醇溶液/△卤代烃的消去(含有—X)H2/催化剂加成(含有碳碳双键、碳碳三键、醛基、羰基、苯环)O2/Cu、加热醇羟基氧化(含有—CHOH—、—CH2OH)Cl2(Br2)/Fe 苯环上取代Cl2(Br2)/光照烷烃或苯环上烷烃基取代2.根据反应物性质确定可能的官能团或物质3.根据数据推断(1)加成时,1 mol消耗1 mol H 2(或X 2),1 mol —C≡C—消耗1 mol H 2(部分加成)或2 mol H 2(完全加成),1 mol —CHO 消耗1 mol H 2,1 mol 苯环消耗3 mol H 2.(2)1 mol R —CHO(R 为烃基)与银氨溶液、新制Cu(OH)2悬浊液完全反应时分别生成2 mol Ag 或1 mol Cu 2O. (3)2 mol —OH(或—COOH)与活泼金属(通常为碱金属)反应放出1 mol H 2. (4)1 mol —COOH 与足量NaHCO 3溶液反应放出1 mol CO 2.(5)一元醇与乙酸反应生成酯时,其相对分子质量增加42;二元醇与足量乙酸反应生成二元酯时,其相对分子质量增加84.一、各类有机物间的衍变关系二、重要的有机反应类型和涉及的主要有机物类别反应类型涉及的主要有机物类别取代反应饱和烃、苯和苯的同系物、醇、苯酚、卤代烃加成反应不饱和烃、苯和苯的同系物、醛、葡萄糖消去反应醇、卤代烃酯化反应醇、羧酸、糖类(葡萄糖、淀粉、纤维素)水解反应卤代烃、羧酸酯、二糖、多糖、蛋白质氧化反应不饱和烃、烃基苯、醇、醛、甲酸酯、葡萄糖还原反应醛、葡萄糖加聚反应烯烃、二烯烃缩聚反应羟基酸、氨基酸、二元酸和二元醇、二元醇三、有机官能团与反应类型的关系四、有机物分子的结构1.有机物分子中原子的共线、共面问题(1)凡是碳原子与其他四个原子形成共价单键时,空间构型为四面体.(2)有机物分子的结构中只要出现一个饱和碳原子,则分子中的全部原子不可能共面.(3)CH4分子中最多有3个原子处于同一平面内.(4)有机物分子的结构中每出现一个碳碳双键,则整个分子中至少有6个原子共面.(5)有机物分子的结构中每出现一个碳碳三键,则整个分子中至少有4个原子共线.(6)有机物分子的结构中每出现一个苯环,则整个分子中至少有12个原子共面.2.限定条件下同分异构体的书写(1)解题程序:限定条件的有机物同分异构体的书写三步骤:①明确已知物质及其组成(题目直接给出或联系框图推出);②解读限定条件(性质、结构等方面的限定)、由性质确定官能团的种类;对于含苯环的物质,先除去苯环,然后将剩余碳原子重新分配;③组装新物质,可运用基团的拆分与组合思想。
2018全国理综卷有机化学专题2018.10.131、(2018·全国Ⅰ·11)环之间共用一个碳原子的化合物称为螺环化合物,螺[2,2]戊烷()是最简单的一种。
下列关于该化合物的说法错误的是A.与环戊烯互为同分异构体B.二氯代物超过两种C.所有碳原子均处同一平面D生成1 mol C5H12至少需要2 mol H22、(2018·全国Ⅲ·9)苯乙烯是重要的化工原料。
下列有关苯乙烯的说法错误的是A.与液溴混合后加入铁粉可发生取代反应B.能使酸性高锰酸钾溶液褪色C.与氯化氢反应可以生成氯代苯乙烯D.在催化剂存在下可以制得聚苯乙烯3、(2018·江苏·11)化合物Y 能用于高性能光学树脂的合成,可由化合物X与2 −甲基丙烯酰氯在一定条件下反应制得:下列有关化合物X、Y 的说法正确的是A.X 分子中所有原子一定在同一平面上B .Y 与Br 2的加成产物分子中含有手性碳原子C .X 、Y 均不能使酸性KMnO 4溶液褪色D .X →Y 的反应为取代反应4、(2018·浙江卷·11)下列说法正确的是A .的名称为3-甲基丁烷CH 3CH 2CH CH 3CH 3B .CH 3CH 2CH 2CH 2CH 3和互为同素异形体CH 3CH 2CH CH 3CH 3C .和为同一物质H C F Cl Cl C FClH D .CH 3CH 2OH 和具有相同的官能团,互为同系物CH 2CH CH 2OH OH OH 5、(2018·浙江卷·15)下列说法正确的是A .光照下,1 mol CH 4最多能与4 mol Cl 2发生取代反应,产物中物质的量最多的是CCl 4B .苯与浓硝酸和浓硫酸的混合液在一定条件下能发生取代反应C .甲烷与乙烯混合物可通过溴的四氯化碳溶液分离D .乙烯和苯分子中均含独立的碳碳双键,都能与H 2发生加成反应6、(2018·浙江卷·16)下列说法正确的是A .油脂、糖类和蛋白质都能发生水解反应B .油脂皂化反应可用硫酸作催化剂C .淀粉溶液中加入硫酸,加热4~5 min ,再加入少量银氨溶液,加热,有光亮银镜生成D.福尔马林能使蛋白质发生变性,可用于浸制动物标本7、(2018·全国Ⅰ卷·36)化合物W可用作高分子膨胀剂,一种合成路线如下:回答下列问题:(1)A的化学名称为。
专题14 有机化学基础高考押题1.下列有机物命名及其一氯代物的同分异构体数目正确的是( )解析:A项,正确的命名为2,2-二甲基丁烷,其一氯代物的同分异构体为3种;B项,1,3-二甲基苯的一氯代物的同分异构体有4种;C项,2,2,3-三甲基戊烷的一氯代物的同分异构体有5种;D项正确。
答案:D2.下列说法不正确的是( )A.苯酚与甲醛在酸性条件下生成酚醛树脂的结构简式为B.(NH4)2SO4和CuSO4溶液都能使蛋白质沉淀析出C.醋酸和硬脂酸互为同系物,C6H14和C9H20也一定互为同系物D.迷迭香酸的结构为,它可以发生酯化、水解、加成等反应答案:A3.已知某有机物X的结构简式如图所示,下列有关叙述不正确的是( )A.X的化学式为C10H10O6B.X在一定条件下能与FeCl3溶液发生显色反应C.1 mol X分别与足量的Na、NaOH溶液、NaHCO3溶液反应,消耗这三种物质的物质的量分别为3 mol、4 mol、1 molD.X在一定条件下能发生消去反应和酯化反应答案:D4.下列说法正确的是( )A.化合物的分子式为C13H9O4N2B.CH3(CH2)2CH3与CH(CH3)3具有不同数目的一氯代物C.在一定条件下,乙酸、氨基乙酸、蛋白质均能与NaOH发生反应D.石油的裂化、裂解属于化学变化,煤的气化、液化则属于物理变化解析:A项,分子式应为C13H10O4N2;B项,CH3(CH3)2CH3和CH(CH3)3的一氯代物均有2种;C项,乙酸、氨基乙酸、蛋白质中均含有羧基,所以均能与NaOH发生反应;D项,煤的气化、液化也属于化学变化。
答案:C5.下列关于分子式为C4H8O2的有机物的同分异构体的说法中,不正确的是( )A.属于酯类的有4种B.属于羧酸类的有2种C.存在分子中含有六元环的同分异构体D.既含有羟基又含有醛基的有3种解析:A项,C4H8O2属于酯类的同分异构体为饱和一元酯,若为甲酸与丙醇形成的酯,甲酸只有1种结构,丙醇有2种,形成的酯有2种;若为乙酸与乙醇形成的酯,乙酸只有1种结构,乙醇只有1种结构,形成的酯有1种;若为丙酸与甲醇形成的酯,丙酸只有1种结构,甲醇只有1种结构,形成的酯有1种,所以C4H8O2属于酯类的同分异构体共有4种,故A正确。
2018年全国卷高考化学选择题专题突破《有机化学基础》1.常见有机反应类型的判断方法(1)取代反应特点:有上有下类型:包括卤代、硝化、磺化、水解、酯化等反应类型。
(2)加成反应特点:只上不下加成反应常用试剂:H2、X2(卤素)、HX、HCN、H2O等。
(3)消去反应特点:只下不上类型:醇在浓硫酸加热条件下消去。
(4)加成反应:主要以烯烃和苯为代表,碳碳双键、苯环可以发生加成反应。
(5)取代反应:烷烃、苯、乙醇和乙酸均容易发生取代反应。
2.有机反应中的“H2”H2在有机反应中总是“扮演”加成试剂的角色,能与碳碳双键(C===C)、碳碳三键(C≡C)、苯环、醛基—CHO和酮基—CO—中的碳氧双键(羰基)以及碳氮双键和三键(C===N、C≡N)等发生加成反应。
每摩尔碳碳双键或醛基、酮羰基消耗1 mol H2,每摩尔碳碳三键消耗2 mol H2,每摩尔苯环消耗3 mol H2。
3O CH能4(1)注意苯环的结构与六元环的区别,不要看到含双键的六元环就认为是苯环。
(2)蛋白质发生盐析是物理变化,可逆;蛋白质发生变性是化学变化,不可逆。
(3)氧化反应包括能使酸性高锰酸钾溶液褪色、催化氧化反应和燃烧反应等。
(4)不是所有的碳氧双键均能发生加成反应,如酯和羧酸中的碳氧双键不能与H2发生加成反应。
(5)苯、液态烷烃等不能因化学反应而使溴水褪色,但是能够发生萃取(物理变化)而使溴水层褪色。
(6)能发生银镜反应的物质不一定是醛类,还可能是:葡萄糖、麦芽糖、甲酸、甲酸盐、甲酸酯等。
5.区分三个易错问题(1)不能区分常见有机物发生反应的反应类型。
如塑料的老化发生的是氧化反应,不是加成反应,单糖不能发生水解反应等。
(2)不能灵活区分有机反应的反应条件。
如苯与溴水不反应,只与纯液溴反应。
(3)不能准确地对有机物进行分类。
如油脂不是高分子化合物。
6.牢记三种物质的特征反应(1)葡萄糖:在碱性、加热条件下与银氨溶液反应析出银;在碱性、加热条件下与新制氢氧化铜悬浊液反应产生砖红色沉淀。
2018年全国卷高考化学总复习《有机反应类型》专题集训一、选择题(每题有1~2个选项符合题意)1.对于苯乙烯()的下列叙述:①能使酸性KMnO4溶液褪色;②可发生加聚反应;③可溶于水;④可溶于苯中;⑤能与浓硝酸在浓H2SO4作用下发生取代反应;⑥所有的原子可能共平面。
其中正确的是()A.①②③④⑤B.①②⑤⑥C.①②④⑤⑥D.全部正确2.下列溶液中分别通入过量的CO2气体,仍然保持澄清的溶液是()A.偏铝酸钠溶液B.饱和氯化钙溶液C.漂白粉溶液D.苯酚钠溶液3.维生素C的结构简式如图,有关它的叙述错误的是()A.是一个环状的酯类化合物B.易起氧化及加成反应C.可以溶解于水D.在碱性溶液中能稳定地存在4.下列除去其中较多量杂质的方法(括号内的物质是杂质)正确的是()A.乙酸乙酯(乙酸):用氯化钠溶液洗涤,然后分液。
B.苯(苯酚):用氢氧化钠溶液洗涤,然后过滤。
C.硝基苯(苯):用水浴蒸馏。
D.乙醇(水):加入生石灰搅拌后过滤。
5.可用于鉴别以下三种化合物的一组试剂是()①银氨溶液②溴的四氯化碳溶液③氯化铁溶液④氢氧化钠溶液A.②与③B.③与④C.①与④D.①与②6.在阿司匹林的结构简式(下式)中①②③④⑤⑥分别标出了其分子中的不同的键。
将阿司匹林与足量NaOH溶液共同加热时,发生反应时断键的位置是()A.①④B.②⑤C.③④D.②⑥7.乙酸橙花酯是一种食用香料,其结构简式如图,关于该有机物的叙述中正确的是( ) ①属于芳香族化合物;②不能发生银镜反应;③分子式为C 12H 20O 2;④它的同分异构体中可能有酚类; ⑤1mol 该有机物水解时只能消耗1 mol NaOH 。
A .②③⑤B .②③④C .①②③D .①④⑤8.酚酞含片是一种治疗消化系统疾病的药物,其有效成分的结构简式如图所示。
下列对该有效成分的说法正确的是( )A .分子中的碳原子不在同一平面B .酚酞的分子式是C 20H 12O 4 C .能发生加聚反应生成高分子化合物D .1 mol 该物质最多能与含4molNaOH 的烧碱溶液反应9.3-甲基香豆素有香草味,可用于香料及化妆品,其结构简式如下图。
第7讲化学反应速率与化学平衡一、选择题(本题包括7个小题,每小题7分,共49分)1.(2017北京朝阳模拟)2017年2月3日国务院总理李克强主持召开国务院常务会议。
通过“十三五”国家食品和药品安全规划,有效保障人民健康福祉。
下列食品添加剂中,其使用目的与反应速率有关的是()A.抗氧化剂B.调味剂C.着色剂D.增稠剂2.(2017吉林四平模拟)下列有关颜色的变化不能用勒夏特列原理解释的是()A.平衡状态的H2、I2、HI混合气体体积压缩时颜色变深B.平衡状态的NO2和N2O4混合气体体积压缩时颜色先变深后变浅C.平衡状态的NO2、CO、NO、CO2混合气体升温时颜色变深D.向Fe(SCN)3溶液中滴加几滴浓KSCN溶液后颜色变深3.(2017辽宁大连二模)大量燃烧化石燃料产生的CO2被视为全球变暖的“元凶”,但在催化剂作用下,用CO2和H2可制备用途广泛的甲醇。
已知下列三个热化学方程式:①H2(g)+CO2(g)H2O(g)+CO(g)ΔH1②2H2(g)+CO(g)CH3OH(g)ΔH2③3H2(g)+CO2(g)H2O(g)+CH3OH(g)ΔH3三个反应的平衡常数分别为K1、K2、K3,这些平衡常数与温度的关系如表所示:平衡常数K1K2K3温度/℃500 1.00 2.50800 2.500.15下列说法正确的是()A.反应②为吸热反应B.K3(500 ℃)=3.50C.K3(800 ℃)=2.35D.ΔH3=ΔH1+ΔH24.(2017江苏徐州模拟)一定温度下,在3个体积均为 1.0 L的恒容密闭容器中反应2H2物质的平衡浓度/(mol·L-1) 容器c(H2)c(CO)c(CH3OH)c(CH3OH)Ⅰ4000.200.1000.080Ⅱ4000.400.200Ⅲ500000.100.025A.该反应的正反应吸热B.达到平衡时,容器Ⅰ中反应物转化率比容器Ⅱ中的大C.达到平衡时,容器Ⅱ中c(H2)大于容器Ⅲ中c(H2)的两倍D.达到平衡时,容器Ⅲ中的正反应速率比容器Ⅰ中的大5.(2017海南高考,11)已知反应CO(g)+H2O(g)CO2(g)+H2(g)ΔH<0。
2018年高考化学真题分类汇编:专题9 有机化合物Ⅰ—有机结构认识1. [2018全国卷Ⅰ-11]环之间共用一个碳原子的化合物称为螺环化合物,螺[2,2]戊烷()是最简单的一种。
下列关于该化合物的说法错误的是B.二氯代物超过两种 A.与环戊烯互为同分异构体C.所有碳原子均处于同一平面D.生成1molC5H12至少需要2molH2【答案】C【解析】A.螺[2,2]戊烷的分子式为C5H8,环戊烯的分子式也是C5H8,但它们两者结构不同,互为同分异构体,A正确; B.分子中的8个氢原子完全相同,二氯代物中氯原子可以取代同一个碳原子上的氢原子,也可以是相邻碳原子上或者不相邻的碳原子上的氢原子,因此其二氯代物超过两种(有4种),B正确; C.由于分子中4个碳原子均是饱和碳原子,而与饱和碳原子相连的4个原子一定构成四面体,故分子中所有碳原子不可能均处在同一平面上,C错误; D.戊烷比螺[2,2]戊烷多4个氢原子,所以生成1 molC5H12至少需要2 molH2,D正确。
【考点】同分异构体的概念;二元取代物同分异构体的数目判断;有机物中碳原子的成键特点与原子在空间的共线、共面等。
在教材中甲烷、乙烯、乙炔和苯的结构特点的基础上进行知识的迁移与灵活应用。
2.[2018全国卷Ⅱ-11]N A代表阿伏加德罗常数的值。
下列说法正确的是A. 常温常压下,124 g P4中所含P—P键数目为4N AB. 100 mL 1mol·L−1FeCl3溶液中所含Fe3+的数目为0.1N AC. 标准状况下,11.2 L甲烷和乙烯混合物中含氢原子数目为2N AD. 密闭容器中,2 mol SO2和1 mol O2催化反应后分子总数为2N A【答案】C【解析】A.由于白磷(P4)是正四面体结构,分子中含有6个P-P键。
因此,常温常压下,124 g P4的物质的量是1mol,所含P—P键数目为6N A,A错误; B. Fe3+在溶液中水解,导致溶液中Fe3+数目减少。
解答有机物制备试验综合题的突破方法以有机物制备为情境的综合性试验题是近几年高考中的高频考点,这类题内容科学,背景真实,能体现化学的实际应用价值,能渗透学以致用的教学理念。
不但取材思路开阔,试题生疏度高,能体现创新、公正的原则,而且分值高、考点多,能彰显学科特征,是体现高考以力量测试为主导的优秀题型。
回顾了近三年各省有关有机物制备为情境的综合性试验题,发觉该题型结构一般分为两部分:题干部分通常有四块内容即反应原理、相关物理性质、试验装置和操作步骤(或流程图),(通常也有变化:如2013•江苏•21·B 甲氧基苯酚的制备没有装置图,试验步骤也是暗含在题尾设问中,2021•江苏•21•B苯甲醛制备间溴苯甲醛没有反应原理,2014•广西•29苯乙酸铜的制备试验步骤也是暗含在题尾设问中)题尾部分就是设问内容,常考的高频考点的有:①仪器的认知与使用,试验装置图的识别与选用。
②试验操作平安常识。
③产品的除杂、分别与提纯操作的目的、缘由。
④反应原理的选择,反应条件的把握操作缘由。
⑤产率的计算等。
解答这类题的方法技巧有:一、把握有机试验基本特点,排解无机试验思维定势,突破难点1. 有机物通常易燃易爆,要留意防高温、防氧化。
【典例】①2013•课标Ⅱ•26合成正丁醛(6)反应温度应保持在90—95℃,其缘由是。
②2021•课标Ⅱ•36异丙苯氧化法生产苯酚和丙酮(4)反应②为 (填“放热”或“吸热”)反应。
反应温度把握在50-60℃,温度过高的平安隐患是。
③2021•江苏•21•B苯甲醛制备间溴苯甲醛(5)步骤4中接受减压蒸馏技术,是为了防止。
【答案】①依据正丁醛的沸点和还原性,主要是为了将正丁醛准时分别出来,促使反应正向进行,并削减正丁醛进一步氧化。
②放热;可能会导致(过氧化物)爆炸③间溴苯甲醛被氧化。
【解题技巧】以上错因分析,同学们在解答有机物制备试验题受无机物制备试验题的影响很大,也可以说是思维定势的负面影响。
2018年高考全国卷化学试题解析2018全国Ⅰ卷化学解析2018全国Ⅱ卷化学解析2018全国Ⅲ卷化学解析2018年高考全国卷1化学试题解析版1. 硫酸亚铁锂(LiFePO4)电池是新能源汽车的动力电池之一。
采用湿法冶金工艺回收废旧硫酸亚铁锂电池正极片中的金属,其流程如下:下列叙述错误的是A. 合理处理废旧电池有利于保护环境和资源再利用B. 从“正极片”中可回收的金属元素有Al、Fe、LiC. “沉淀”反应的金属离子为Fe3+D. 上述流程中可用硫酸钠代替碳酸钠【答案】D【解析】分析:正极片碱溶时铝转化为偏铝酸钠,滤渣中含有磷酸亚铁锂,加入硫酸和硝酸酸溶,过滤后滤渣是炭黑,得到含Li、P、Fe的滤液,加入碱液生成氢氧化铁沉淀,滤液中加入碳酸钠生成含锂的沉淀,据此解答。
详解:A、废旧电池中含有重金属,随意排放容易污染环境,因此合理处理废旧电池有利于保护环境和资源再利用,A正确;B、根据流程的转化可知从正极片中可回收的金属元素有Al、Fe、Li,B正确;C、得到含Li、P、Fe的滤液,加入碱液生成氢氧化铁沉淀,因此“沉淀”反应的金属离子是Fe3+,C正确;D、硫酸锂能溶于水,因此上述流程中不能用硫酸钠代替碳酸钠,D错误。
答案选D。
点睛:本题以废旧电池的回收为载体考查金属元素的回收,明确流程中元素的转化关系是解答的关键,题目难度不大。
2. 下列说法错误的是A. 蔗糖、果糖和麦芽糖均为双糖B. 酶是一类具有高选择催化性能的蛋白质C. 植物油含不饱和脂肪酸酯,能使Br₂/CCl4褪色D. 淀粉和纤维素水解的最终产物均为葡萄糖【答案】A【解析】分析:A、双糖又名二糖,是由两个单糖分子组成的糖类化合物;B、根据酶的性质特点解答;C、植物油中含有碳碳不饱和键;D、淀粉和纤维素均是多糖。
详解:A、果糖不能再发生水解,属于单糖,A错误;B、酶是由活细胞产生的具有催化活性和高度选择性的蛋白质,B正确;C、植物油属于油脂,其中含有碳碳不饱和键,因此能使Br2/CCl4溶液褪色,C正确;D、淀粉和纤维素均是多糖,其水解的最终产物均为葡萄糖,D正确。
2018年全国卷高考化学总复习《有机推断专题突破》【高考展望】有机推断题是近几年高考的主流题型,它不仅可以全面的考查学生对烃和烃的衍生物的结构、性质和相互转化关系的掌握情况,也能较全面地测试考生的自学能力、观察能力、思维能力、推理能力,故受到命题人的青睐。
综观近几年化学高考试题,作为高考化学理综命题不可缺少的有机化学而言,其命题呈现如下趋势:①是以烃及烃的衍生物的转化关系为内容的传统考查方式仍将继续,②是有机推断中渗透有机实验、有机计算等其它有机综合性问题、开放性的考查形式。
【方法点拨】一、有机物推导1、有机推断题的解答思维模式:分析→猜测→验证2、有机推断题的突破口:(1)有机物结构与性质的关系:如用到银氨溶液就要想到醛基(-CHO)等。
(2)注意反应前后有机物分子式中C、H、O原子数的变化,猜测可能原因。
(3)注意反应条件,猜测可能发生的反应。
如用到浓硫酸就想到脱水,不过脱水有多种可能性。
(4)读懂信息,找出对应点,进行神似模仿。
3、解答有机推断题的常用的解题方法:采用方法:正推、逆推、中间推、找突破口、前后比较的推理方法。
①正推法:以有机物的结构、性质和实验现象为主线,采用正向思维,得出正确结论。
②逆推法:以有机物结构、性质和实验现象为主线,采用逆向思维,得出正确结论。
注意:在有机推断中思路要开阔,打破定势。
应该考虑到某有机物可能不止一种官能团,或者只有一种但不止一个官能团。
要从链状结构想到环状结构等。
突破口也有可能不止一个,更多的是多种突破口的融合,这样疑难问题就可迎刃而解了。
③夹击法:从反应物和生成物同时出发,以有机物的结构、性质为主线,推出中间过渡产物,从而解决过程问题并得出正确结论。
④分层推理法:依据题意,分层推理,综合结果,得出正确推论。
【知识升华】一、知识网络:官能团的衍生关系 1、知识网Ⅰ(单官能团)卤代烃 R —X 醇 R —OH 醛 R —CHO 羧酸 RCOOH 水解 取代 氧化还原 氧化 水解 酯化消去 加成 加 成消 去 不饱和烃水解 酯 RCOOR ’ 酯化2、知识网Ⅱ(双官能团)二、由反应条件确定官能团 反应条件 可能官能团浓硫酸 ①醇的消去(醇羟基)②酯化反应(含有羟基、羧基) 稀硫酸 ①酯的水解(含有酯基) ②二糖、多糖的水解 NaOH 水溶液 ①卤代烃的水解 ②酯的水解 NaOH 醇溶液 卤代烃消去(-X )H 2、催化剂 加成(碳碳双键、碳碳叁键、醛基、羰基、苯环) O 2/Cu 、加热 醇羟基 (-CH 2OH 、-CHOH ) Cl 2(Br 2)/Fe 苯环Cl 2(Br 2)/光照 烷烃或苯环上烷烃基 碱石灰/加热R -COONa三、由反应物性质确定官能团反应条件可能官能团能与NaHCO3反应的羧基能与Na2CO3反应的羧基、酚羟基能与Na反应的羧基、酚羟基、醇羟基与银氨溶液反应产生银镜醛基与新制氢氧化铜产生砖红色沉淀(溶解)醛基(羧基)使溴水褪色碳碳双键、碳碳叁键、醛基加溴水产生白色沉淀、遇Fe3+显紫色酚A是醇(-CH2OH)或乙烯四、由特征现象确定官能团反应的试剂有机物现象与溴水反应(1)烯烃、二烯烃(2)炔烃溴水褪色,且产物分层(3)醛溴水褪色,且产物不分层(4)苯酚有白色沉淀生成与酸性高锰酸钾反应(1)烯烃、二烯烃(2)炔烃(3)苯的同系物(4)醇(5)醛高锰酸钾溶液均褪色与金属钠反应(1)醇放出气体,反应缓和(2)苯酚放出气体,反应速度较快(3)羧酸放出气体,反应速度更快与氢氧化钠反应(1)卤代烃分层消失,生成一种有机物(2)苯酚浑浊变澄清(3)羧酸无明显现象(4)酯分层消失,生成两种有机物与碳酸氢钠反应羧酸放出气体且能使石灰水变浑浊银氨溶液或新制氢氧化铜(1)醛有银镜或红色沉淀产生(2)甲酸或甲酸钠加碱中和后有银镜或红色沉淀产生(3)甲酸酯有银镜或红色沉淀生成五、由反应类型来推断官能团反应类型可能官能团加成反应C=C、C≡C、-CHO、羰基、苯环加聚反应C=C、C≡C酯化反应羟基或羧基水解反应-X、酯基、肽键、多糖等单一物质能发生缩聚反应分子中同时含有羟基和羧基或羧基和胺基六、有机合成中的成环反应类型方式酯成环(—COO—)二元酸和二元醇的酯化成环酸醇的酯化成环醚键成环(— O —)二元醇分子内成环二元醇分子间成环肽键成环二元酸和二氨基化合物成环氨基酸成环不饱和烃单烯和二烯【典型例题】类型一:框图型推断题例1、据图示填空:(1)化合物A含有的官能团是_________________。
突破全国卷专题讲座(十一)有机综合推断题突破策略有机合成与推断是高考选考有机部分出题的主要形式,在第Ⅱ卷中以非选择题形式考查,常以框图或变相框图的形式呈现一系列物质的衍变关系,要求考生解答后面各种形式的问题。
试题通常以新药物、新材料、新科技等作为有机合成的载体,以有机物之间的转化关系为主线,以有机合成的流程图和部分新信息为试题基本形式。
该类试题综合性强,考查全面,对考生能力要求较高。
只有准确推断各部分的物质,才能根据其分子式、结构式或性质类别,确定各小题中的不同角度的问题。
因而解答此类问题的关键是熟练掌握有机物之间的衍变关系以及各官能团性质,熟悉有机推断题的常见思路有助于快速解答此类问题。
有机推断题的条件一般是在一系列衍变关系中有部分产物已知或衍变条件已知,陌生度较高的物质或反应,题目中一般给予信息条件或反应方程式。
一、知识储备要顺利解答有机推断题,需要掌握以下几个方面的知识:1.熟悉烃及各种衍生物之间的转化关系及转化条件2.观察题中的反应条件确定反应类型这要求考生平时善于归纳各类反应条件,便于定位反应前后的物质类别,从而快速确定各有机物。
常见反应条件如下:(1)氢氧化钠的水溶液加热,一般为卤代烃的水解反应,若不是,则考虑酯类的碱式水解。
(2)氢氧化钠的醇溶液加热,必为卤代烃的消去反应。
(3)与卤素反应时,若是光照条件,为链烃或芳香烃侧链上的取代反应;若是铁粉,则为苯环上的取代反应。
(4)浓硫酸加热条件的反应较多,可以结合变化模式确定。
若为二变一模式,一般为酯化反应;若为一变一的线性关系,一般为醇类的消去反应或其他脱水反应(如成醚反应),若是芳香烃参加,则可能为硝化反应。
(5)能与溴水或溴的CCl4溶液反应,可能为烯烃、炔烃的加成反应。
(6)能与H2在Ni作用下发生反应,则为烯烃、炔烃、芳香烃、醛的加成反应或还原反应。
(7)在O2、Cu(或Ag)、加热(或CuO、加热)条件下,发生醇的氧化反应。
2018年全国卷高考化学总复习《有机化学》专题突破【考纲要求】1.理解甲烷、乙烯和苯的基本结构和性质2.了解同分异构现象和同分异构体3.了解乙醇、乙酸的物理性质、结构,掌握其化学性质4.了解油脂、糖类、蛋白质的组成、结构、重要性质重点:官能团的概念、有机物化学性质难点:从结构角度初步认识有机物的化学性质【知识网络】几种重要的有机物之间的转化关系必修有机化学容较为简单,包括主要容为:最简单的有机化合物——甲烷、来自石油和煤的两种基本化工原料、生活中两种常见的有机物、基本营养物质,其知识网络如下:【考点梳理】有机物分子结构特点主要化学性质甲烷CH4碳原子间以单键相连,剩余价键被氢原子“饱和”,链状(1)氧化反应:燃烧(2)取代反应:卤代乙烯CH2=CH2分子中含有碳碳双键,链状(1)氧化反应:燃烧,使酸性KMnO4溶液褪色(2)加成反应:使溴水褪色,与H2O加成为乙醇苯分子中含有苯环,苯环中碳碳之间有介于单键和双键之间的独特的键,环状(1)取代反应:卤代、硝化(2)加成反应:与H2加成生成环己烷乙醇CH3CH2OH分子中含有羟基;羟基与链烃基直接相连(1)取代反应:与活泼金属Na、K等制取H2(2)氧化反应:催化氧化时生成乙醛;完全燃烧生成CO2和H2O乙酸CH3COOH分子中含有羧基,受C=O双键影响,O—H键能够断裂,产生H+(1)酸性:具有酸的通性,可使紫色石蕊试液变红(2)酯化反应:与乙醇等醇类物质反应生成酯物质的类别分子结构特征重要化学性质用途糖类单糖葡萄糖C6H12O6多羟基醛,与果糖是同分异构体具有醛和多元醇的性质,能与银氨溶液或新制氢氧化铜反应,也能与乙酸等反应生成酯1.医用:静脉注射,为体弱和血糖过低的患者补充营养2.用于制镜工业、糖果工业的等二糖蔗糖C12H22O11无醛基不具有醛的性质,1mol蔗糖水解生成1mol葡萄糖和1mol果糖作甜味食品,用于糖果工业②淀粉和纤维素均为混合物,无固定的沸点。
考点三:有机反应类型有机物化学反应的类型主要决定于有机物分子里的官能团(如碳碳双键、碳碳叁键、苯环、羟基、羧基等),此外还受反应条件的影响。
(1)取代反应。
有机物分子里的某些原子(或原子团)被其他的原子(或原子团)代替的反应。
如甲烷、乙烷等烷烃的卤代反应,苯的卤代反应和硝化反应,乙酸与乙醇的酯化反应,乙酸乙酯、油脂的水解反应,淀粉、纤维素、蛋白质等的水解反应等,都属于取代反应。
(2)加成反应。
有机物分子中双键上的碳原子与其他的原子(或原子团)直接结合生成新的化合物分子的反应。
如乙烯与氢气、氯气、氯化氢、水等的加成反应,苯与氢气的加成反应等,都属于加成反应。
(3)氧化反应。
有机物得氧或去氢的反应。
如有机物在空气中燃烧、乙醇转化为乙醛、葡萄糖与新制氢氧化铜的反应、乙烯使酸性高锰酸钾溶液褪色等都属于氧化反应。
(4)还原反应。
有机物去氧或得氢的反应。
乙烯、苯等不饱和烃与氢气的加成反应也属于还原反应。
(5)酯化反应(属于取代反应)。
醇跟酸相互作用生成酯和水的反应。
如乙醇与乙酸生成乙酸乙酯和水的反应就是典型的酯化反应。
(6)蛋白质的颜色反应。
(7)硝化反应(属于取代反应),银镜反应(属于氧化反应)。
考点四:“四同”的比较举例甲烷和丁烷等正戊烷和新戊烷等对比同位素同素异形体同系物同分异构体适用围原子单质有机物有机物和少数无机化合物含义相同质子数元素通式相同、结构相似化学式不同中子数结构化学式相差一个或几个“CH2”原子团结构、性质举例H和D、T 金刚石和石墨甲烷和乙烷正丁烷和异丁烷在理解同分异构现象和同分异构体时应注意以下几点:(1)同分异构现象、同分异构体概念的涵包括缺一不可的两点:一是分子式相同,分子式相同必然相对分子质量相同,但相对分子质量相同分子式不一定相同,如H3PO4与H2SO4、C2H6与NO均是相对分子质量相同,但分子式不同。
二是结构式不同。
结构式不同是由分子里原子或原子团的排列方式不同而引起的,如:CH3—CH2—CH2—CH3、。
(2)化合物的分子组成、分子结构越复杂,同分异构现象越多。
如:CH4、CH3CH3、CH3CH2CH3等均无同分异构现象,而丁烷、戊烷的同分异构体分别有2种、3种。
(3)同分异构体之间的化学性质可能相似也可能不同,但它们之间的物理性质一定不同。
(4)由于同分异构现象的存在,在化学方程式中有机物一般应写结构式或结构简式。
考点五:常见有机物的检验与鉴定1、有机物的检验与鉴别的常用方法①利用有机物的溶解性通常是加水检验,观察其是否能溶于水。
例如,用此法可以鉴别乙酸与乙酸乙酯、乙醇与氯乙烷、甘油与油脂等。
②利用液态有机物的密度观察不溶于水的有机物在水中浮沉情况可知其密度与水的密度的大小。
例如,用此法可鉴别硝基苯与苯,四氯化碳与1—氯丁烷。
③利用有机物燃烧情况如观察是否可燃(大部分有机物可燃,四氯化碳和多数无机物不可燃),燃烧时黑烟的多少(可区别乙烷、乙烯和苯)。
④利用有机物中特殊原子团的性质例如,羟基能与钠反应,醛基与新制的Cu(OH)2悬浊液共热产生砖红色沉淀,羧基具有酸性等。
2、常见有机物的鉴定所需试剂和实验现象物质试剂与方法现象与结论烷烃和含双键的物质加入溴水或酸性KMnO4溶液褪色的是含双键的物质苯与含双键的物质同上同上醛基检验碱性条件下加新制Cu(OH)2悬浊液煮沸后有砖红色沉淀生成醇加入活泼金属钠;加乙酸、浓H2SO4有气体放出;有果香味酯生成羧酸加紫色石蕊溶液;加Na2CO3溶液显红色;有气体逸出酯闻气味;加稀H2SO4果香味;检验水解产物淀粉检验加碘水显蓝色蛋白质检验加浓硝酸微热(或灼烧)显黄色(有烧焦羽毛气味)结构决定性质,一些有机物之所以具有一些特殊性质,是因为具有一些特殊的原子或原子团,所以我们研究有机物的性质一定要从有机物中特殊的原子或原子团入手,才能正确得出有机物的性质。
考点六:乙醇、水、碳酸、乙酸中羟基氢原子的活泼性CH3CH2—OH,H—OH,(碳酸),CH3COOH中均有羟基,由于这些羟基相连的基团不同,羟基上氢原子的活动性也就不同,现比较如下:乙醇水碳酸乙酸氢原子活动性电离情况极难电离微弱电离部分电离部分电离酸碱性中性中性弱酸性弱酸性与Na 反应反应反应反应与NaOH 不反应不反应反应反应与NaHCO3不反应——————不反应反应【典型例题】类型一:同系物例1.下列物质中互为同系物的是()A.C2H4和C3H6B.C3H6和C4H8C.C3H8和CH4D.C2H2和C3H8【思路点拨】C3H6、C4H8可能是单烯烃或环烷烃。
【答案】C【解析】本题考查的虽是同系物的概念,但选项中隐含了同分异构体的概念。
因为烷烃不存在与其他类物质同分异构的现象,故只要符合烷烃通式的有机物就一定是同系物,而符合烯烃通式的有机物,除烯烃外还有环烷烃。
【总结升华】同系物需满足的条件是:①同类物质,②官能团及其个数相同,③通式相同,④组成上相差若干个“CH2”。
举一反三:【变式】下列物质中属于同系物的是()A.CH2 =CH2和CH2=CH-CH=CH2B.HCHO和CH3CH2OHC.和D.HOCH2-CH2OH和HOCH2-CH(OH)-CH2OH【答案】C【解析】根据同系物定义结构相似(官能团及其个数相同)、相差1个或若干个CH2(相同的分子通式),A中双键个数不同,相差C2H2;B项官能团不同,相差CH4;D项羟基个数不同,二者相差CH2OH,均不附合要求。
类型二:同分异构体例2.分子式为C4H10O并能与金属钠反应放出氢气的有机物有(不含立体异构)()A.3种B.4种C.5种D.6种【思路点拨】醇能与钠反应,而醚不能。
【答案】B【解析】分子式为C4H10O的物质可以是醇,也可以是醚。
若该物质可以与金属Na发生反应放出氢气,则该物质是醇。
C4H10O可以看作是C4H10的分子中的一个H原子被羟基-OH取代产生的,C4H10有CH3CH2CH2CH3、(CH3)CHCH3两种不同的结构,前者有2种不同的H原子,后者也有2种不同的H原子,它们分别被羟基取代,就得2到一种醇,因此符合该性质的醇的种类是4种,选项是B。
故选B。
【总结升华】记住:丙基C3H7-有两种;丁基C4H9-有四种;戊基C5H11-有8种结构。
举一反三:【变式】下列物质中互为同分异构体的是()(2)(CH3)3CCH2CH3和(CH3CH2)2CHCH3(5)丙烯和环丙烷(6)葡萄糖和果糖(7)纤维素和淀粉A.(1) (2) (3) (4)(7)B.(1)(3)(7)C.(2)(4)(5)(6)D.全部都是【答案】C【解析】(1)中甲烷及衍生物的结构应为四面体形分子,(1)、(3)中两种物质是同种物质,(2)中碳架不同;(4)中甲基位置不同,(5)(6)为官能团异构即类别不同,(7)中虽然两者分子式均可表示为(C6H10O5)n,但n值不同,故两者不互为同分异构体。
类型三:甲烷的组成、结构例3.下列事实中能证明甲烷分子是以碳原子为中心的正四面体结构的是()A.CH3Cl只代表一种物质B.CH2Cl2只代表一种物质C.CHCl3只代表一种物质D.CCl4只代表一种物质【思路点拨】从甲烷的正四面体的空间结构入手分析。
【答案】B【解析】CH4有四个等同的C—H键,在空间可能有两种对称分布:正四面体结构和平面正方形结构。
对于甲烷的正四面体结构,因为其四个顶点的位置完全相同,所以它的一氯代物(CH3Cl),二氯代物(CH2Cl2),三氯代物(CHCl3),四氯代物(CCl4)都只有一种,四个C—H键完全相同。
而如果甲烷是平面正方形结构,虽然四个C—H键都完全相同,但四个顶点的氢原子的位置关系却不同,可能相邻,也可能是对角关系,所以虽然CH3Cl、CHCl3、CCl4都只有一种,但CH2Cl2却有两种,一种是两个氯原子相邻,另一种是两个氯原子处于对角关系。
而CH2Cl2只有一种,从这一点可以判断CH4应为正四面体结构而不是正方形结构。
【总结升华】化合物的结构式对于认识其结构、制法、性质等都是很重要的。
在写结构式时,要做到:“写在平面,想到空间”。
有机物的立体结构式书写起来比较费事,为方便起见,一般仍采用平面结构式。
要求掌握甲烷分子的空间构型,认识有机物分子的立体结构,初步建立空间的概念。
举一反三:【变式】二氟甲烷是性能优异的环保产品,可代“氟里昂”作冷冻剂,试判断二氟甲烷的分子结构简式()A.有4种B.有3种C.有2种D.有1种【答案】D类型四:甲烷的化学性质例4.在光照条件下,将1mol甲烷与一定量的氯气充分混合,经过一段时间,甲烷和氯气均为剩余,生成一氯甲烷、二氯甲烷、三氯甲烷、四氯化碳和氯化氢。
(1)若已知生成的二氯甲烷,三氯甲烷,四氯化碳的物质的量分别为amol、bmol、cmol,生成的混合物经水洗后所得气体在标准状况下的体积为________________;(2)该反应中消耗的氯气的物质的量是_______________。