幕墙工程样板
- 格式:xlsx
- 大小:20.17 MB
- 文档页数:14
幕墙工程样板引路施工方案一、引言幕墙工程是建筑外墙的一种装饰性、功能性构件,其在建筑外观设计、防水、隔热、隔声等方面发挥着重要作用。
本施工方案旨在确保幕墙工程施工的安全、质量和进度,保证完成优质的幕墙工程。
二、施工前的准备工作1. 确定施工队伍:确定幕墙工程专业施工队伍,包括钢结构、玻璃幕墙、铝合金构件安装、密封胶施工等。
组建具备资质、技术及管理经验的专业队伍。
2. 确定施工设备和材料:根据设计要求,确定幕墙安装所需的设备和材料,包括塔式起重机、吊篮、脚手架、铝合金材料、玻璃、密封胶等。
3. 编制施工组织设计方案:根据施工图纸,编制施工组织设计方案,包括施工方案、安全管理措施、材料、施工工艺、质量检验计划等。
4. 安全技术交底:对施工队伍进行安全技术交底,包括施工安全管理制度、安全操作规程、危险源分析及应急处置预案等。
5. 材料预处理:对幕墙安装所需的铝合金构件、玻璃等材料进行预处理,包括切割、加工、清洗等。
6. 制定施工进度计划:根据设计要求和工期,制定幕墙工程施工的进度计划,明确施工的先后顺序和节点,合理安排施工。
三、施工工艺流程1. 签订施工合同:在确定了具备施工资质和经验的施工队伍后,与施工单位签订施工合同,明确双方的责任和义务。
2. 安装钢结构:按照设计要求,在建筑外墙的钢结构上搭设起重机械,用于后续的幕墙主体构件的安装。
3. 安装主体构件:根据幕墙设计图纸,安装铝合金构件和玻璃幕墙的主体构件,要求安装平整、垂直、水平,并采取有效的支撑措施。
4. 密封胶施工:对铝合金构件与玻璃之间进行密封胶的施工,确保幕墙的防水、隔热和隔音性能。
5. 安装玻璃:按照设计要求,安装清洁、无损伤的玻璃,要求安装平整、垂直、水平,并采取有效的支撑措施。
6. 质量验收:对完成的幕墙工程进行质量验收,合格后进行报验手续。
7. 安全交底:对已完工的幕墙工程进行安全交底,明确维护保养要求,并制定维护保养手册。
四、安全管理措施1. 制定安全方案:在施工前,制定完善的安全管理方案,包括建立安全生产责任制度、安全生产工作措施等。
建筑幕墙工程施工质量验收资料样板,MQ:建筑幕墙部分,档号档案馆代号案卷题名重庆西南铝装饰工程有限公司编制单位南京三惠钢构玻璃工程有限公司编制日期 2009。
10——2009。
12 密级保管期限共 1 卷第 1 卷江苏省建设工程质量监督站编印建筑工程施工质量验收资料,ZS:装修水电部分,档号档案馆代号案卷题名江宁区职业技术培训中心综合楼装饰工程编制单位南京恒建装饰(集团)有限公司编制日期 2004.2—-2004。
6 密级保管期限共 1 卷第 1 卷江苏省建设工程质量监督站编印建筑幕墙工程概况 MQ1.1建设单位南通华新建工集团有限公司工程名称江苏省老年公寓工程地址南京监理单位江苏省经纬建设监理有限公司结构层次及建筑面积小高层、多层开竣工日期 2009.10。
1——2009。
12.30 南京三惠钢构玻璃工程有限公建筑设计单位幕墙设计单位司2幕墙类型及面积 10000 m 施工壹级幕墙设计单位资质设计贰级幕墙高度南京三惠钢构玻璃工程有限名称项目经理汪开勇公司幕墙制作南京市浦口区珠江工业区纬施工壹级安装施工地址企业资质一路138号设计贰级单位技术负责人王保树质量检查员唐汉生铝型材规格系列主材最小壁厚石材类型幕墙玻璃类型产地幕墙主要材料情况金属板材类型结构、密封胶型号产地建筑幕墙施工组织设计、施工方案及审批 MQ1.3工程名称江苏省老年公寓日期年月日现报上下表中的技术管理文件,请予以审批.类别编制人册数页数施工组织设计施工方案内容附后申报部门(分包单位)申报人:审核意见:?有?无附页总承包单位名称: 审核人: 审核日期:年月日审批意见:审批结论:?同意?修改后报 ?重新编制审批部门(单位): 审核人: 日期:年月日技术交底记录 MQ1。
4日期: 工程名称江苏省老年公寓施工单位南京三惠钢构玻璃工程有限公司交底提要:幕墙施工技术要点交底内容:1、主楼玻璃幕墙部分关键是控制好幕墙水平分格线与石材水平分格线的偏差,防止幕墙横梁标高与石材分格标高出现较大偏差,影响建筑立面效果。
幕墙样板施工方案幕墙样板施工方案一、项目背景本项目为某商务楼的幕墙样板施工工程,工程规模由建筑面积4000平方米的商务楼选择部分外墙进行幕墙样板施工,目的是展示幕墙的外观效果和性能,以吸引潜在的租户。
二、施工方案1. 施工组织设计施工期间,需要成立专门的施工组织小组,由项目经理负责统筹协调施工工作,组织并安排施工人员,确保施工任务的顺利进行。
同时,与建设单位和设计单位进行密切沟通,了解设计要求和施工进度,及时解决任何可能出现的问题。
2. 施工工艺及流程(1)样板设计:根据建筑设计和幕墙要求,由设计单位完成幕墙样板的设计,并提交给施工组织小组进行审批。
(2)材料采购:根据样板设计,施工组织小组负责采购所需的幕墙材料,确保材料的质量和供应。
(3)样板制作:根据样板设计和施工图纸,施工组织小组负责将材料进行加工和制作,制作成样板需展示的形状和尺寸。
(4)样板安装:将制作好的样板按照设计要求和施工图纸进行安装,确保安装牢固并符合外观要求。
(5)样板检验:在样板安装完成后,进行样板外观检查和功能性测试,确保样板的质量和性能符合要求。
(6)样板验收:根据建设单位的要求,进行样板的验收,并提交验收报告。
3. 安全措施在施工期间,必须严格遵守相关施工安全规范和操作规程,做好施工内容的统筹协调,确保施工过程中不发生任何安全事故。
同时,要经常检查施工现场的安全设备是否完善,并提醒施工人员遵守安全操作规程,穿戴好个人防护用品。
4. 施工进度根据施工组织设计,合理安排施工任务,确保施工进度的合理性和准确性。
同时,要注意随时与建设单位和设计单位进行沟通和协调,及时解决施工过程中的问题,确保施工工期的顺利进行。
三、项目预算根据项目规模、幕墙样板的设计要求和施工材料的价格,综合考虑施工人工、材料、设备、管理费用等因素,对项目进行预算编制。
四、质量管理在施工过程中,要严格按照设计要求和施工图纸进行施工,确保施工质量符合标准。
同时,要进行工序检查和质量把控,确保施工过程中不出现任何质量问题。
幕墙工程样板管理方案一、前言随着城市的发展和建设,幕墙工程作为建筑外立面的重要组成部分,对建筑的外观和功能有着重要的影响。
因此,幕墙工程的质量管理和样板管理至关重要。
本文将结合实际案例,提出一套幕墙工程样板管理方案,以期在工程实施过程中能够有效地保障工程质量和建筑外观。
二、幕墙工程样板管理的重要性1. 幕墙工程样板是对建筑幕墙材料、构造的模拟展示,具有示范性和指导性的作用。
2. 幕墙工程样板是业主、设计方和施工方沟通交流的重要平台,通过样板的展示和确认可以有效减少后期的变更和纠纷。
3. 幕墙工程样板是外立面材料、施工工艺的重要参考和辅助设计的切实施工依据。
4. 幕墙工程样板在项目竣工验收中扮演重要角色,是验收合格的必备条件。
5. 幕墙工程样板的管理关系到工程质量和进度,因此需要建立一套科学规范的管理体系。
三、幕墙工程样板管理的基本要求1. 严格依据设计图纸,采用高质量的材料和工艺进行幕墙样板的制作,要求样板质量高度还原实际施工效果。
2. 样板需设置专人进行管理,做好环境保护措施,保证样板完好无损。
3. 样板的摆放和陈列要符合实际的设计意图和施工图纸,准确、清晰、完整地展现幕墙工程的设计构想。
4. 样板的制作和管理应在合理时间内完成,保证在项目建设的不同阶段能够对样板进行合理的调整和重制。
5. 样板的管理和维护必须要按照规定的程序和标准进行,并建立详细的记录和档案。
四、幕墙工程样板管理的流程1. 制定幕墙工程样板管理方案在项目启动阶段,需要由项目管理部门或者专门的外部机构制定幕墙工程样板管理方案,明确样板制作的目的、内容、要求、流程和责任分工。
2. 选择合适的样板制作单位根据样板制作的要求和规范,由项目管理部门或者专门的外部机构对样板制作单位进行调查和评估,选择合适的样板制作单位。
3. 制作样板并进行验收委托样板制作单位按照要求制作幕墙工程样板,并进行验收。
验收内容包括样板的质量、工艺、材料的符合度等。
幕墙工程施工方案样板一、前言幕墙作为建筑外立面的一种现代化建筑技术,具有优美的外观、良好的隔热、隔音性能以及较长的使用寿命,已广泛应用于高层建筑、商业综合体和办公大楼等建筑领域。
本工程施工方案旨在对幕墙工程进行细致的施工规划和安排,确保工程顺利、安全、高质量地完成。
二、施工前准备1.施工前,项目负责人应召集相关人员进行专项安全技术交底会议,全面了解施工现场的具体情况,并明确施工人员的责任和安全措施。
2.施工前应对现场进行详细勘察、测量和设计审查,确保施工图纸与实际情况相符合。
3.对施工所需的材料进行检验,确保材料符合国家标准并具有相关的质量证明。
4.明确施工进场时间和工期计划,确保施工按计划进行。
5.安排专业的施工队伍,确保施工人员持证上岗,并具备相关的技术和安全知识。
三、施工工艺流程1.安装工艺(1)首先在建筑墙面上安装胶框,确保胶框与墙面垂直度和平整度。
(2)然后在胶框上安装幕墙铝合金型材,并与建筑结构紧密连接。
(3)接着对型材进行定位、连接和固定,确保型材之间无误差、无开裂。
(4)最后进行玻璃幕墙的安装,确保玻璃的平整度和密封性。
2.密封工艺(1)对安装好的幕墙进行检查和调整,确保幕墙的完整性和平整度。
(2)在幕墙的各个连接处进行密封处理,确保幕墙的防水和隔音性能。
(3)进行幕墙的表面处理,确保幕墙的美观性和耐久性。
3.检测工艺(1)在幕墙施工完毕后,进行幕墙的各项功能性能检测,包括防水、隔热、隔音等方面的检测。
(2)对幕墙进行外观检查,确保幕墙的外观质量达到国家标准要求。
(3)对幕墙进行质量验收,确保幕墙施工的质量达到设计要求。
四、安全措施1.在施工现场设置完善的安全防护措施,包括防护网、安全登高设备等,确保施工人员的安全。
2.对施工人员进行安全教育和技术培训,提高施工人员的安全意识和技术水平。
3.定期进行施工现场的安全检查,及时发现并排除安全隐患。
4.严格执行施工作业操作规程,杜绝违章操作和违规行为。
幕墙样板施工方案范本1. 引言本文档是为了提供幕墙样板施工方案而编写的范本。
幕墙样板作为建筑幕墙的一个重要组成部分,旨在展示建筑的外观和风格,同时保证建筑的结构和安全性。
本文档将从设计分析、施工工艺、材料选用、质量控制等方面进行详细描述,以便确保施工过程的顺利进行。
2. 设计分析2.1 结构设计幕墙样板的结构设计需要考虑以下几个方面:•承重能力:幕墙样板的结构需要承受自身重量以及外部风荷载、地震等荷载的作用。
•抗震性能:幕墙样板的结构要具备一定的抗震性能,以应对地震等自然灾害的影响。
•稳定性:幕墙样板的结构要具备一定的稳定性,能够抵御外部风荷载等造成的侧向位移。
2.2 外观设计幕墙样板的外观设计需要考虑以下几个方面:•材料选用:选择适合的材料,如铝合金、玻璃、石材等,以实现设计效果和风格要求。
•结构形式:根据建筑的风格特点和设计需求,确定适合的结构形式,如单层玻璃幕墙、点支式幕墙等。
•色彩搭配:根据建筑的整体色彩和氛围,选择合适的色彩搭配,以提升建筑的美感和独特性。
3. 施工工艺3.1 准备工作施工前需要进行准备工作,包括:•测量:对建筑结构进行精确的测量,确定幕墙样板的尺寸和位置。
•设计图纸:根据设计要求和测量结果,制作幕墙样板的施工图纸。
•材料采购:根据设计要求和施工图纸,采购所需的幕墙样板材料。
3.2 施工步骤幕墙样板的施工步骤一般包括以下几个方面:•安装主体结构:根据施工图纸,进行主体结构的安装,如铝合金框架的搭建。
•安装单元板材:将预制的单元板材根据施工图纸,进行逐层逐栏的安装。
•密封处理:对幕墙样板的连接处进行密封处理,确保其具备良好的防水、防尘等特性。
•安装辅助材料:根据需要,安装辅助材料如玻璃、石材等,以实现设计要求和功能需求。
•完工验收:对已完成的幕墙样板进行验收,检查其结构、外观等是否符合设计和施工要求。
4. 材料选用幕墙样板的材料选用需要考虑以下几个方面:•铝合金:具有轻质、高强度、耐腐蚀等特点,常用于幕墙样板的主体结构。
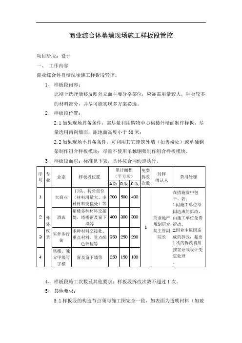
商业综合体幕墙现场施工样板段管控项目阶段:设计一、 工作内容商业综合体幕墙现场施工样板段管控。
1、样板段内容:原则上选择能够反映外立面主要分格部位,应涵盖用量较大,种类较多的材料部分,并尽可能实现多方案必选。
2、样板段位置:2.1如果现场具备条件,需尽量利用购物中心裙楼外墙面制作样板,尽量选用南向墙面;距地面高度小于30米;2.2如果现场不具备条件,可利用其它建筑外墙(如售楼处)或单独钢架制作组合样板模块;尽量不使用单独钢架制作组合样板模块。
3、样板段面积:标准见下表,具体按合同约定执行。
4、样板段施工次数及其他要求:样板段拆改次数不超过1次。
5、其他要求:5.1样板段的构造节点须与施工图完全一致,如表面为透明材料(如玻璃、格栅、穿孔板等),需连同后面的衬板共同制作;5.2应在样板段中尽可能实现多方案必选(通常为面板颜色或分格不同);5.3门窗洞口处玻璃应保证后部空间不受遮挡;5.4幕墙施工样板段原则上应落实夜景照明灯具安装条件,并宜与夜景照明样板段共同实施;5.5夜景照明样板段需能表现出方案的动画效果;5.6所有样板段封样应制作电子版本留存备案;5.7样板段费用均含在合同中,不得额外产生费用。
非施工单位施工质量因素,样板段面积累计超过合同规定面积或拆改次数超过1次,须设计办理变更审批后方可实施,超出的部分费用由项目公司承担;5.8项目公司设计部对样板段施工的次数及面积进行测算,核实是否与合同约定相符,若成本增加,督促设计部门进行修改,并对施工单位进行专项技术交底,按合同约定执行。
二、 工作时间三、责任部门项目公司设计部、工程部。
四、配合部门商业地产规划研究院。
五、 对接部门商业地产成本控制部。
六、 工作要点1、前置条件:幕墙深化施工图审核通过,项目公司报审样板段封样位置、面积及内容商业地产规划研究院并获得书面确认;2、制度流程:项目公司设计部—设计副总—项目公司成本部—成本副总—总经理—商业地产规划研究院外装专业负责人—商业地产规划研究院项目负责人—商业地产规划研究院建筑所所长—商业地产规划研究院分管副院长—抄送商业地产成本控制部;3、模板。
建筑幕墙工程样板制度建筑幕墙工程样板制度,是指根据国家相关规范和标准,结合具体工程项目的特点,制定的一系列管理和技术操作规范。
该制度旨在通过标准化管理和规范化操作,确保建筑幕墙的设计、选材、加工、安装和维护等各个环节均能达到预定的质量要求。
设计审查环节是建筑幕墙工程质量管理的起点。
设计审查应聚焦于设计方案的合理性、安全性和经济性,同时考虑建筑的美观和实用性。
审查过程中,设计师需与结构工程师、施工团队以及材料供应商紧密配合,确保设计的可行性。
选材和加工工艺是实现设计目标的基础。
优质的材料和精湛的加工工艺能够保障建筑幕墙的性能和外观。
因此,制度中应明确规定材料的品种、性能指标以及验收标准。
同时,对加工工艺的每个环节都应有严格的质量控制措施,如切割精度、焊接质量、表面处理等。
安装过程是建筑幕墙工程的关键步骤。
安装工作应严格遵守工艺规程,确保每一块幕墙单元的精确就位。
现场安全管理不容忽视,需要制定详尽的安全操作规程,保障施工人员的生命安全。
细节处理往往决定着整个工程的成败。
例如,防水、密封、隔热和隔音等细节处理必须严格按照规范执行,以确保建筑幕墙的整体性能。
维护和保养是延长建筑幕墙使用寿命的重要环节。
制度中应包含定期检查和清洁的建议,以及对损坏部分及时修复的要求。
通过这些措施,可以有效预防和减少潜在的安全隐患。
建筑幕墙工程样板制度的建立和完善,对于提升建筑幕墙工程的整体水平具有重要意义。
它不仅能够为建筑行业提供标准化的作业指导,还能够为建筑企业树立良好的品牌形象。
通过严格的制度执行,我们有理由相信,每一座建筑都将以更加安全、美观的姿态,屹立在都市之林,成为城市的骄傲。
神州数码幕墙视觉样板工程技术总结摘要:本文根据神州数码国际创新中心立面视觉样板幕墙工程进行分析,针对以视觉效果为主的同类单元式视觉样板,存在工期紧,系统多、收边收口多,颜色、品牌多等问题,以及有大尺寸L型造型铝板的项目,从本项目的成功的地方以及存在的问题等方面谈一谈个人看法,可供相关工程参考。
关键词:视觉样板;视觉效果;单元式;框架式;工期紧;颜色;L型铝板;1 引言随着人们对建筑外观要求越来越高,建筑设计也随之不断创新。
幕墙作为建筑的外衣,系统的设计、材料的选择、外观效果确定就非常重要。
业主为了预先了解拟建的建筑系统实际外观是怎样的,往往会选择搭建视觉样板,视觉样板即VMU,是visual mockup的缩写,是以模拟建筑外观为设计做出修正的实体模型,一般幕墙视觉样板为全比例模型,可以说是最终建筑的一个缩影。
视觉样板的应用是非常广泛的,用于控制视觉效果,减少风险,节约成本,保证工程质量,暴露系统设计问题并及时解决。
2 工程概况项目由两栋超高层办公及公寓塔楼、商业裙楼组成,其中东塔为办公楼,高206米,标准层高4.5m;西塔为低区为办公,高区为公寓,高205米,标准层高4.5m。
视觉样板(图1)共两层,面积约180㎡,高度约12.5m,标准层高4.5m,主要模拟塔楼标准单元系统(T-EWS1、T-EWS2)及建筑进出位置的玻璃栏杆(T-EWS3)及吊顶(T-EWS6)。
图13 系统介绍视觉样板共两层,包含塔楼四个系统:T-EWS1:单元式玻璃幕墙系统(图2),装饰铝板突出玻璃面200mm,单元板块尺寸4.5mx4.5m,板块重约1.4吨。
首层为上悬开启方案,装饰铝板中间分缝,为L型铝板;二层为装饰铝板位置室内平开方案,装饰铝板为45°拼缝,室外铝板两侧穿孔通风。
图21.EWS2:单元式玻璃幕墙系统(图3),玻璃突出铝板装饰面100mm,单元板块尺寸4.5mx4.5m,板块重约1.4吨。